6.10.8混凝土结构外观及尺寸偏差(烟囱基础)
- 格式:doc
- 大小:51.00 KB
- 文档页数:2
混凝土构件的尺寸和公差标准一、前言混凝土构件是建筑领域中常见的构件之一,其尺寸和公差标准是保证结构稳定和外观美观的重要因素。
在建筑工程中,混凝土构件的制作和安装必须符合一定的尺寸和公差标准,以保证工程质量和安全性。
本文将详细介绍混凝土构件的尺寸和公差标准,以供广大建筑从业人员参考。
二、混凝土构件的尺寸标准混凝土构件的尺寸标准是指混凝土构件在制作和安装过程中,所必须遵循的长度、宽度、高度、厚度等方面的标准。
混凝土构件的尺寸标准主要包括以下几个方面:1.长度和宽度标准混凝土构件的长度和宽度标准应该符合设计图纸上的要求。
在制作和安装过程中,应该严格按照设计图纸上的尺寸进行制作和安装,以保证混凝土构件的尺寸符合标准。
2.高度和厚度标准混凝土构件的高度和厚度标准也应该符合设计图纸上的要求。
在制作和安装过程中,应该严格按照设计图纸上的尺寸进行制作和安装,以保证混凝土构件的高度和厚度符合标准。
3.公差标准混凝土构件的尺寸公差标准是指在制作和安装过程中,允许的尺寸误差范围。
在混凝土构件的制作和安装过程中,尺寸公差应该严格控制,以确保混凝土构件的尺寸误差在允许范围内。
三、混凝土构件的公差标准混凝土构件的公差标准是指在制作和安装过程中,允许的尺寸误差范围。
混凝土构件的公差标准主要包括以下几个方面:1.长度公差混凝土构件的长度公差应该符合设计图纸上的要求。
在制作和安装过程中,长度公差应该控制在±3mm以内。
2.宽度公差混凝土构件的宽度公差应该符合设计图纸上的要求。
在制作和安装过程中,宽度公差应该控制在±3mm以内。
3.厚度公差混凝土构件的厚度公差应该符合设计图纸上的要求。
在制作和安装过程中,厚度公差应该控制在±3mm以内。
4.直线公差混凝土构件的直线公差是指在制作和安装过程中,允许的直线偏差范围。
直线公差应该控制在±3mm以内。
5.平面度公差混凝土构件的平面度公差是指在制作和安装过程中,允许的平面偏差范围。
混凝土构件尺寸公差的标准规定一、前言混凝土结构是建筑工程中常用的一种结构形式,其材料性质和施工工艺对工程质量影响较大。
因此,在混凝土工程中,混凝土构件尺寸公差的标准规定显得尤为重要。
本文将从混凝土构件尺寸公差的概念、标准规定、应用范围等方面进行详细介绍。
二、混凝土构件尺寸公差的概念混凝土构件尺寸公差是指在设计尺寸和实际尺寸之间允许的偏差范围。
混凝土构件尺寸公差的存在是由于混凝土构件制作加工和施工过程中存在一定的偏差,如模板加工误差、混凝土浇筑和振捣误差、养护期间的变形等。
三、混凝土构件尺寸公差的标准规定1.国家标准GB 50010-2010《混凝土结构设计规范》是我国混凝土结构设计的基本规范,其中规定了混凝土构件尺寸公差的标准。
根据该标准,混凝土构件尺寸公差分为三级,分别为Ⅰ级、Ⅱ级、Ⅲ级。
Ⅰ级公差适用于要求较高的混凝土构件,如剪力墙、某些桥梁构件等。
Ⅰ级公差允许的偏差范围最小,适用于要求严格的工程。
Ⅱ级公差适用于一般混凝土构件,如柱、梁等。
Ⅱ级公差允许的偏差范围较Ⅰ级公差大,适用于普通的工程。
Ⅲ级公差适用于非结构性混凝土构件,如地面、墙皮等。
Ⅲ级公差允许的偏差范围最大,适用于不太重要的工程。
2.地方标准除了国家标准外,各省市也有自己的混凝土构件尺寸公差标准。
这些标准主要是根据国家标准进行制定,但在细节方面可能有所不同。
因此,在进行工程设计时,需要根据当地的标准进行规范。
四、混凝土构件尺寸公差的应用范围混凝土构件尺寸公差的应用范围包括混凝土结构的设计、制造、安装和验收等环节。
在设计混凝土结构时,需要根据实际情况确定混凝土构件尺寸公差的级别,并在设计图纸中进行标注。
在制造混凝土构件时,需要按照设计图纸要求进行制造,同时进行质量控制,确保偏差在规定范围内。
在安装混凝土构件时,需要根据设计图纸进行安装,同时进行检查,确保偏差在规定范围内。
在验收混凝土结构时,需要进行尺寸检查,同时进行质量评估,确保混凝土构件尺寸公差符合要求。
钢筋混凝土烟囱施工方案指导本标段含钢筋混凝土烟囱(高度60.Om,出口直径3.5m)-座,属标准图集外型号,需由招标单位指定设计院专门设计。
1烟囱基础施工方法及步骤a.定位中心点由测量人员依据建设单位提供的厂区控制网点,采用前方交会法测出烟囱的中心点位置,依据建设单位提供的高程控制点测量烟囱基底标高。
并经过仔细核对无误后用木桩钉钉的方法给定烟囱的中心点。
并由中心点引出烟囱的轴线控制点并做好标记。
b.垫层施工地基验槽合格后由测量人员依据烟囱中心点位放出垫层边线。
同时测出桩顶标高及垫层顶面标高并作出明显标记。
垫层外边线用IOomm木模板围设。
然后进行混凝土浇筑,垫层混凝土强度等级按图纸要求,垫层标高用钢筋桩控制,每平米一根。
垫层表面用铝合金型材(3米长)刮平,设专人(3人)守护压光。
用PVC膜覆盖养护。
垫层宽度较基础宽出100毫米。
c.测量放线由测量人员根据厂区坐标在垫层上通过烟囱中心点放出十字轴线,确定烟道口及除灰口轴线、基础外边线。
定出烟道支架在基础底的投影位置。
再放出基础径向底板钢钢筋位置、环壁插筋及筒壁插筋位置。
d.钢筋工程1)施工程序钢筋下料时要依据钢筋料表进行。
下料尺寸必须符合设计要求及规范规2)定。
3)钢筋加工完毕后由人工运至施工现场进行绑扎。
两人抬钢筋时要步调一致。
同时轻轻放下。
4)钢筋绑扎:根据测量人员给出的钢筋位置线摆放径向钢筋并固定好,在径向钢筋上绑扎环向钢筋;用钢筋马凳控制底板上层钢筋的高度。
基础中部的构造配筋及顶层配筋用钢筋马凳控制其高度,每1平方米设置一个马凳。
环壁及筒壁插筋根据测量人员给出的位置绑扎。
马凳采用①25钢筋加工。
采用梅花扣形式绑扎。
环向钢筋接头宜选用焊接接头,搭接焊缝长度IOd,同一截面的接头至少相隔一排;当采用绑扎接头时搭接长度为40d,同一截面的绑扎接头至少相隔三排钢筋,相邻接头的间距应大于1米。
基础底板下部钢筋的保护层为145mm,其他处为35mm。
5)钢筋加固找正:沿环壁方向每2米设置一个钢筋马凳作为支撑,每个马凳要绑扎4个斜撑,斜撑上端绑扎在马凳上、下端绑扎在底板钢筋上。
烟囱基础施工方案-编制依据1.1《混凝土结构工程施工质量验收规范》GB50204-20151.2《建筑地基基础工程施工质量验收标准》GB50202-20181.3《烟囱工程技术标准》GB50078-20211.4《大体积混凝土施工标准》GB50496-20181.5《钢筋混凝土用钢第一部分:热轧光圆钢筋》GB1499.1-20171.6《钢筋混凝土用钢第二部分:热轧带肋钢筋》GB1499.2-20181.7《混凝土强度检验评定标准》GB/T50107-20101.8《建筑工程施工质量验收统一标准》GB50300-20131.9《通用硅酸盐水泥》GB175-20071.10《电力建设施工技术规范》第1部分:土建结构工程DL5190.1-20121.11《电力建设施工质量规程》(第1部分,土建工程)DL/T5210.1-20211.12《电力建设安全工作规程第1部分:火力发电》DL5009.01-20141.13《工程建设标准强制性条文》(房屋建筑部分)2013年版1.14《钢筋焊接及验收规程》JGJ18-20121.15《建筑用砂》GB/T14684-20111.16《建筑用卵石和碎石》GB/T14685-20111.17《普通混凝土配合比设计规程》JGJ55-20111.18《混凝土泵送施工技术规程》JGJ/T10-20111.19《钢筋焊接接头实验方法标准》JGJ/T27-20141.20《烟囱基础图》1.21《工程建设标准强制性条文》(电力工程部分2016年版)二工程概况及工程量2.1工程概况本工程为XXXXXXXXXXXXXXXXXXXXXXXX,±0.00m标高相当于绝对标高XXXXXXm,烟囱中心坐标X=XXXXXXXX,Y=XXXXXXXXXX,烟囱基础底部外半径为XXXXXXXm,内半径为XXXXXXX米,宽度XXXXXm。
基础底部设计标高为XXXXXm,顶部标高为XXXXmo烟囱基础模板采用复合木模板进行支设安装。
混凝土构件尺寸允许偏差
混凝土构件尺寸允许偏差是指在施工过程中,由于各种因素的影响,混凝土构件的尺寸可能会与设计尺寸存在一定的偏差。
这些因素包括材料特性、施工工艺、测量方法等等。
根据相关标准规范以及实际施工经验,混凝土构件尺寸允许偏差一般分为两类:绝对偏差和相对偏差。
绝对偏差是指混凝土构件实际尺寸与设计尺寸之间的距离差。
例如,设计要求某块混凝土板的长度为5000毫米,但在施工后实际长度为4990毫米,那么绝对偏差就是10毫米。
相对偏差是指混凝土构件实际尺寸与设计尺寸之间的距离差与设计尺寸的比值。
例如,设计要求某块混凝土板的长度为5000毫米,但在施工后实际长度为4990毫米,那么相对偏差就是0.2%。
根据相关标准规范,混凝土构件尺寸允许偏差的具体数值应该根据不同的构件类型和用途进行规定。
一般情况下,绝对偏差和相对偏差的限值都应该控制在一定的范围内,以保证混凝土构件的质量和使用效果。
同时,在实际施工过程中,应该采取一系列措施来减少尺寸偏差的发生,如严格控制材料的配合比例、保证施工工艺的规范性以及采用精密的测量工具等。
- 1 -。
一、基本原则:1、同一标段内根据各楼栋进度,在实测前随机确定已拆完模板的2个楼层作为混凝土结构工程的实测层。
2、根据选取楼层结构平面图,实测实量选点考虑每层结构4个角和中间砼剪力墙、柱。
3、当实测砼结构的截面尺寸、表面平整度、垂直度时,每个实测层要选取10个实测区,2个实测层累计20个实测区。
4、当实测同一楼层内顶板水平极差时,每个实测层选取5个实测区,2个实测层累计10个实测区。
每个实测区实测5个点,每个点均作为1个计算点。
二、截面尺寸偏差(砼结构):1、指标说明:反映层高范围内剪力墙、砼柱施工尺寸与设计图尺寸的偏差。
2、合格标准:截面尺寸偏差允许值(GB50204-2015混凝土结构工程施工质量验收规范,第8.3.2条)。
3、测量工具:5m钢卷尺。
4、测量方法和数据记录:⑴、以钢卷尺测量同一面墙/柱截面尺寸,精确至毫米。
⑵、同一墙/柱面作为1个实测区,累计实测实量20个实测区。
⑶、每个实测区从地面向上300mm 和1500mm各测量截面尺寸1次,选取其中与设计尺寸偏差最大的数,作为判断该实测指标合格率的1个计算点。
5、示例:三、表面平整度(混凝土结构):1、指标说明:反映层高范围内剪力墙、砼柱表面平整程度。
2、合格标准:(0,8)mm(GB50204-2015混凝土结构工程施工质量验收规范第8.3.2条)。
3、测量工具:2米靠尺、楔形塞尺。
4、测量方法和数据记录:⑴、剪力墙/暗柱:选取长边墙,任选长边墙两面中的一面作为1个实测区。
累计实测实量20个实测区。
⑵、当所选墙长度小于3米时,同一面墙4个角(顶部及根部)中取左上及右下2个角。
按45度角斜放靠尺,累计测2次表面平整度。
跨洞口部位必测。
这2个实测值分别作为该指标合格率的2个计算点。
⑶、当所选墙长度大于3米时,除按45度角斜放靠尺测量两次表面平整度外,还需在墙长度中间水平放靠尺测量1次表面平整度。
跨洞口部位必测。
这3个实测值分别作为判断该指标合格率的3个计算点。
混凝土构件尺寸偏差标准混凝土构件尺寸偏差标准混凝土构件的尺寸偏差是指在施工过程中,由于人为或自然因素引起的混凝土构件尺寸与设计尺寸之间的差异。
尺寸偏差是混凝土结构质量的重要指标之一,它对混凝土构件的使用性能、美观性和安全性等方面都有着重要的影响。
因此,制定合理的混凝土构件尺寸偏差标准是保证混凝土构件质量的重要措施之一。
一、尺寸偏差的分类混凝土构件的尺寸偏差可分为以下几类:1. 长度偏差:指混凝土构件的长度与设计长度之间的差异。
2. 宽度偏差:指混凝土构件的宽度与设计宽度之间的差异。
3. 厚度偏差:指混凝土构件的厚度与设计厚度之间的差异。
4. 直线度偏差:指混凝土构件表面的线与设计线之间的差异。
5. 平整度偏差:指混凝土构件表面平整度与设计要求之间的差异。
6. 垂直度偏差:指混凝土构件表面垂直度与设计要求之间的差异。
二、尺寸偏差的标准根据混凝土构件的不同用途和要求,尺寸偏差的标准也有所不同。
一般来说,混凝土构件的尺寸偏差标准可分为以下几类:1. 普通混凝土构件标准:(1)长度偏差:±10mm或±0.3%(取较大值)。
(2)宽度偏差:±5mm或±0.3%(取较大值)。
(3)厚度偏差:±10mm或±0.3%(取较大值)。
(4)直线度偏差:±10mm或±0.2%(取较大值)。
(5)平整度偏差:±10mm或±0.2%(取较大值)。
(6)垂直度偏差:±10mm或±0.2%(取较大值)。
2. 高强混凝土构件标准:(1)长度偏差:±8mm或±0.3%(取较大值)。
(2)宽度偏差:±4mm或±0.3%(取较大值)。
(3)厚度偏差:±8mm或±0.3%(取较大值)。
(4)直线度偏差:±8mm或±0.2%(取较大值)。
(5)平整度偏差:±8mm或±0.2%(取较大值)。
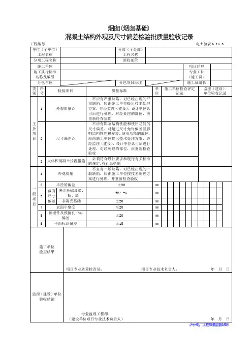
烟囱筒身混凝土结构外观及尺寸偏差检验批质量验收记录烟囱筒身混凝土结构是工业建筑中常见的构件,其外观和尺寸偏差的检验质量非常重要。
为了保证烟囱筒身混凝土结构的施工质量,需要进行质量验收记录。
下面是一份烟囱筒身混凝土结构外观及尺寸偏差检验批质量验收记录,供参考。
2.工程名称:XXX烟囱筒身混凝土结构施工工程3.施工单位:XXX建筑工程有限公司4.质量检验人员:XXX5.施工日期:XXXX年XX月XX日一、外观检查:1.检查项目:烟囱筒身混凝土结构的外观2.检查内容:(1)烟囱的外观应平整、光滑,无明显裂缝和变形。
(2)烟囱筒身混凝土结构的表面应无浮灰、熘烧、掉皮等现象。
(3)混凝土表面应无麻面现象,应达到设计要求的光洁度。
3.检查结果:(1)烟囱的外观平整光滑,无明显裂缝和变形。
(2)筒身混凝土结构表面无浮灰、熘烧、掉皮等现象。
(3)混凝土表面无麻面现象,基本达到设计要求的光洁度。
二、尺寸偏差检查:1.检查项目:烟囱筒身混凝土结构的尺寸偏差2.检查内容:(1)检查筒身的直径,与设计图纸上的要求进行比对,并记录偏差值。
(2)检查筒身的高度,与设计图纸上要求进行比对,并记录偏差值。
3.检查结果:(1) 筒身直径符合设计要求,偏差值为Xmm。
(2) 筒身高度符合设计要求,偏差值为Xmm。
三、质量验收结论:1.外观检查合格。
2.尺寸偏差检查合格。
3.综合评价:该批烟囱筒身混凝土结构外观及尺寸偏差检查合格,符合设计要求和施工规范。
四、质量问题及处理方式:1.无质量问题。
五、质量验收人员签名及日期:质量检验人员:日期:质量责任人:日期:以上质量验收记录供参考,具体内容可根据实际情况进行调整和修改,以满足实际需要。
混凝土现浇结构外观及尺寸偏差检查标准天元集团技术质量管理标准混凝土现浇结构外观及尺寸偏差检查标准起草人:批准人:混凝土现浇结构外观及尺寸偏差检查标准1 总则为贯彻集团的质量方针和质量目标,提高混凝土工程的施工质量,按照国家有关标准,结合集团的施工及管理水平制定本标准。
2 适用范围集团施工的所有建筑物和构筑物的混凝土结构工程。
3 外观质量检查:3.1 标准要求:表面平整,棱角顺直,阴阳角方正,预埋件(孔)位置准确;不应有露筋、蜂窝、孔洞、夹渣、疏松、裂缝、缺角掉楞等缺陷;构件表面色泽均匀、不宜有气泡、麻面、掉皮、起砂、沾污;楼梯踏步齿角整齐,无吃模、掉角、脚印等;施工缝位置正确、处理方法正确;剪力墙根部无烂根现象,接缝平顺、严密、无位移错台、无漏浆;三小间止水梁位置正确,高度、宽度满足要求,有地面填充层的三小间门口按要求设置止水梁并留有管道套管;阳台栏板、飘窗、造型等结构尺寸正确、横竖通线;混凝土振捣密实,缺陷根据规范要求进行处理,养护措施到位;后浇带有独立的支撑体系、留设位置和尺寸准确、留槎边角整齐、防水防潮措施有效,两侧模板不漏浆,钢筋有防护措施、保护层厚度满足要求、位置正确、绑扎牢固、无污染。
3.2 检查方法:全数观察,尺量。
3.3评分办法3.3.1评分标准序号项目分值评分标准大面、棱角、阴阳角有明显不平整、不顺直、不方表面平整,棱角顺1 10 正,影响整体观感的扣3~5分,影响不大的扣1~2分。
直,阴阳角方正纵向受力钢筋露筋,每处扣5分,其他钢筋有少2 10 露筋量露筋每处扣1分。
构件主要受力部位有蜂窝每处扣5分,其他部位3 10 蜂窝有少量蜂窝每处扣1~2分。
构件主要受力部位有孔洞每处扣5~7分,其他部4 10 孔洞位有少量孔洞每处扣2~4分。
1构件主要受力部位有夹渣每处扣5分,其他部位5 10 夹渣有少量夹渣每处扣1分。
构件主要受力部位有疏松每处扣5分,其他部位6 10 疏松有少量疏松每处扣1分。