年产100万吨石灰石项目
- 格式:doc
- 大小:42.00 KB
- 文档页数:5
石灰石产业链构想石灰石的主要成分是矿物方解石(碳酸钙)颗粒组成的沉积岩。
石灰和石灰石大量用做建筑材料,也是许多工业的重要原料。
石灰石还能用作橡胶、塑料、造纸、涂料和油墨等行业的填料。
广泛用于有机合成、冶金、玻璃和石棉等生产中。
还可用作工业废水的中种剂、胃与十二指肠溃疡病的制酸剂、酸中毒的解毒剂、含SO2废气中的SO2消除剂、乳牛饲料填加剂和油毛毡的防粘剂。
也可用作牙粉、牙膏及其它化妆品的原料。
在工业生产中,石灰石可直接加工成石料和烧制成生石灰。
农业上,用生石灰配制石灰硫黄合剂、波尔多液等农药。
目前,民勤县红崖山有石灰石,一号矿体有资源量为1130万吨,二号矿体有1900万吨,三号矿体有资源量为194万吨,合计总量有3000多万吨。
依托县内石灰石资源和国内巨大的市场空间,把石灰石资源开发目标指向石灰石深加工。
通过“建链”、“增链”和“补链”,延长产业链,提高资源循环利用水平,推动石灰石产业逐步向深度和广度延伸,兴建硅酸盐水泥、制造玻璃、碳酸钙、冶金、石棉、烧碱、生石灰以及化妆品原料等产业。
重点兴建年产100万平方米RBS速成墙项目、年产20万吨建筑石膏粉项目、年产9万吨乙炔项目、年产10万吨轻质碳酸钙项目、年产50万吨活性氧化钙项目。
石灰石产业链示意图石灰石生石灰水泥烧碱玻璃碳酸钙电石石膏轻质碳酸钙胶体碳酸钙结晶碳酸钙氧氯化锆氧化铝纸张砂浆混凝土三聚氰胺三氯乙烯PVC乙炔PVC型材人造革PVC板材PVC硬材管材异型材PVC膜RBS速成墙建筑石膏建材材年产100万平方米RBS速成墙项目建议书项目名称:年产100万平方米RBS速成墙项目对接单位:民勤红沙岗工业集聚区管理委员会项目选址:民勤红沙岗工业集聚区项目背景:我国的石膏资源丰富,天然石膏资源为世界之最。
石膏作为建筑材料的优点非常多。
而我国尤其是化学石膏的大量堆放,不仅占用土地,而且污染环境。
所以,无论从哪方面考虑,石膏都将是一种应该大力发展的绿色建筑材料。
石灰石矿项目环评报告报批随着现代工业的发展,矿业作为一个对经济发展有巨大贡献的行业备受关注。
然而,矿业的发展也面临着诸多环境问题,如土地资源的破坏、水污染、空气污染和生态系统的破坏等。
因此,矿山项目的环评报告及其报批是保障人员健康、防止污染和保护环境的重要措施。
本文将以石灰石矿项目的环评报告报批为例,详细阐述其相关内容。
一、项目概述该项目位于某省某县城南,距离县城集镇5公里,矿区面积约10平方公里。
项目主要包括采石场、石灰石加工及储存设施等,设计年产量100万吨,项目计划用地约为2.6平方公里。
该项目主要用于生产建筑材料中的石灰石矿石。
二、项目环境影响分析(一)自然环境1. 气候环境:该项目的气候类型为亚热带湿润气候,年平均气温为17℃,降水量为1100毫米左右。
2. 地质地貌环境:该项目所在地处于山区,地形变化较大,矿区内断裂与岩溶发育较为严重。
3.植被环境:矿区内的植被以草本植物和灌木为主。
(二)社会环境1. 人口环境:该项目周围居住着约700人,是一个以农村为主的社区。
2. 交通环境:附近道路为县级公路,交通条件较差,还需要新建公路连接县城。
3. 建筑环境:距离矿区1公里内有3个村庄和一所小学。
(三)经济环境1.资源环境:该项目石灰石资源十分丰富,开发潜力较大。
2. 能源环境:矿区内部分用电设备使用富余电力。
3. 市场环境:石灰石市场需求量较大,销售前景良好。
三、环境影响评价从该项目所处的自然环境、社会环境和经济环境来看,项目可能会对当地资源环境、气候环境、水环境、土壤环境、植被环境、野生动物和人类环境造成一定影响。
因此,需要制定以下环境评价的原则和要求:1. 保护环境:该项目在设计和建设过程中,应尽量减少对自然环境的影响,保护当地的生态环境。
2. 合理使用土地:该项目应将土地使用权和管理权明确,并在开发和利用矿山时考虑土地保护、优化、节约和有效使用。
3. 公众参与:该项目涉及到当地群众的生活和利益,应依据法律法规,规范公众参与和市场监管。
项目名称:100万吨石灰石生产项目
一、项目概况
1.1项目概况
本项目是一项建设新的石灰石生产厂,年产能达100万吨。
项目位置
于XXX市XXX区,占地面积XXXX平方米,地面用地500亩左右,主营业
务石灰石的生产和销售。
1.2项目意义
本项目将达到100万吨生产能力,可以为XXX市及其周边地区提供质
量可靠的石灰石原料,从而为建筑、冶金及其他行业提供较为充足的原料,促进XXX市经济及社会繁荣。
同时,本项目将为当地创造就业机会,在扩
大就业、改善民生等方面发挥积极作用,有利于实现XXX市建设可持续发
展的目标。
1.3资金计划
本次投资预计总投资为xxxx万元,其中自筹资金xxx万元,银行贷
款xxx万元,政府补助xxx万元,其他xxx万元。
二、项目建议
2.1建议一:项目前期需要深入了解当地的自然环境和特色。
临环发〔2018〕132号XX市环境保护局关于XX钙业有限公司300万吨/年石灰石综合利用项目环境影响报告书的批复XX钙业有限公司:你公司提报的《XX钙业有限公司300万吨/年石灰石综合利用项目环境影响报告书》收悉。
经研究,意见如下:一、该项目属于改扩建项目,将XX县旧寨乡康山采区建筑用灰岩矿 (采矿许可证编号为C****************)和沂XX县岸堤镇明峪石灰岩矿(C****************)进行整合扩界,增加资源储量,扩大生产规模,生产规模由原来110万吨/年调整为300万吨/年,其中建筑用石子100万吨/年,熔剂用石子200万吨/年。
本次设计开采范围为山东省国土资源厅2017年3月20日为该矿颁发的矿区范围批复中划定的由18个拐点圈定的矿区范围,面积约0.8670平方公里;开采标高自+445米至+290米。
项目总投资7317.68万元,其中环保投资341.6万元。
2017年3月20日,山东省国土资源厅《关于XX钙业有限公司明峪-康山熔剂用灰岩矿(整合)矿区范围的批复》(鲁国土资函〔2017〕63号)批复了该项目矿区范围,批复的矿区范围部分位于《山东省生态红线保护规划(2016-2020)》中XX市云蒙湖水源涵养生态保护红线区(SD-13-B1-03)范围内。
根据中办、国办《关于划定并严守生态保护红线的若干意见》,环保部办公厅、国家发展改革委办公厅《生态保护红线划定指南》(环办生态〔2017〕49号),省环保厅、省发展改革委《山东省生态保护红线优化及勘界定标工作方案》,XX市启动生态保护红线优化调整工作。
2018年5月17日,省环保厅和省发改委在XX市召开《XX市生态保护红线优化方案》专家审查会,方案通过审查,XX钙业有限公司明峪-康山熔剂用灰岩矿矿区不在2018年度XX市生态保护红线方案中。
2018年8月27日,《山东省生态保护红线优化方案(送审稿)》通过省政府常务会议,并于2018年9月14日,以《关于申请对山东省生态保护红线划定方案(送审稿)进行技术审核的函》(鲁政字〔2018〕203号)向生态环境部、国家发展改革委提出技术审核申请。
石灰窑可行性报告研究报告一、项目背景石灰是一种重要的建筑材料,广泛应用于建筑、冶金、化工等领域。
随着经济发展和城市化进程的加速,对石灰的需求越来越大。
因此,建设一座石灰窑具有良好的市场前景。
二、项目概述本项目拟建设一座年产石灰10万吨的石灰窑,主要生产高纯度的生态石灰和工业石灰。
石灰原料主要采用石灰石,生产工艺采用石灰石煅烧。
三、市场分析1.需求分析:目前,国内对石灰的需求主要集中在建筑材料、冶金、化工等领域。
随着国民经济的快速发展,对石灰的需求将进一步增长。
2.竞争分析:目前国内石灰市场竞争激烈,但由于石灰具有广泛的应用领域和稳定的市场需求,本项目有一定的竞争优势。
四、技术分析本项目采用石灰石煅烧工艺,主要设备有石灰窑、破碎机、磨粉机等。
该工艺成熟且生产效率高,能够满足项目的需求。
五、经济效益分析1.投资评估:本项目总投资估计为500万人民币,其中固定资产投资为400万人民币,流动资金投资为100万人民币。
2.收益预测:按照年产10万吨的生产能力和市场行情,预计第一年实现销售收入为600万元,税前利润为150万元。
3.投资回收期:按照年产10万吨的预测销售收入和税前利润,初步估计本项目的投资回收期为3年左右。
六、环境影响评价石灰生产过程中会产生废气、废水和固体废弃物等对环境的影响,但通过合理的污染治理设备和措施,能够达到国家相关环保标准。
七、风险分析1.原料供应风险:石灰石作为石灰生产的重要原料,供应不稳定可能影响生产。
应建立稳定的石灰石供应渠道,确保生产的稳定。
2.市场风险:石灰市场竞争激烈,价格波动大,需要灵活的市场策略来应对市场变化。
3.环境风险:石灰生产过程中的废气、废水和固体废弃物对环境有一定影响,需要严格遵守国家相关环保法律法规,降低环境风险。
八、可行性建议本项目具有较好的市场前景和经济效益,但也面临一定的风险和挑战。
建议在项目实施过程中,加强市场调研,制定合适的市场策略,并加强环境保护工作,降低环境风险。
基本建设项目大中小型划分标准(2010-10-22 09:18:39)* 钢铁工业计量单位大型中型小型钢铁联合企业年产钢万吨100以上10-100 10以下(不含100)(不含10)特殊钢厂年产钢万吨 50以上 10-50 10以下(不含50) (不含10)独立炼铁厂年产铁万吨100以上20-100 20以下(不含100) (不含20)独立铁矿山年产铁矿万吨200以上60-200 60以下(不含200)(不含60)其他黑色金属工业总投资万元5000以上2000-5000 2000以下(不含5000)(不含2000)* 有色金属工计量单位大型中型小型有色联合企业镍联合企业年产金属镍万吨 3以上以下其他重金属联合企业年产金属万吨 2以上以下采选厂砂矿年采选矿石万吨 200以上100-200 100以下脉矿年采选矿石万吨 100以上20-100 20以下氧化铝厂年产氧化铝万吨 20以上 5-20 5以下常用金属冶炼、电解厂年产金属万吨 3以上 1-31以下常用金属加工厂重金属年产加工材万吨 3以上以下轻金属年产加工材万吨 2以上以下其他有色金属工业总投资万元 5000以上1000-5000 1000以下* 煤炭工业计量单位大型中型小型煤炭矿区年产原煤万吨 500以上200-500 200以下独立洗煤厂年洗精煤万吨 120以上30-120 30以下其他煤炭工业总投资万元 2000以上1000-2000 1000以下* 石油工业计量单位大型中型小型油气田开发 (根据具体情况确定)炼油厂年加工原油万吨 250以上50-250 50以下跨省长距离输油(气)管线(均为大中型项目)* 化学工业计量单位大型中型小型合成氨厂年产合成氨万吨 15以上以下硫酸厂年产硫酸万吨 16以上8-16 8以下烧碱厂年产烧碱万吨 3以上以下纯碱厂年产纯碱万吨 40以上4-40 4以下磷肥厂年产磷肥万吨 50以上20-50 20以下乙烯厂年产量万吨 4以上 2-4 2以下化学纤维单体年产单体万吨 4以上以下合成橡胶厂年产量万吨 3以上以下塑料厂年产量万吨 3以上 1-31以下橡胶轮胎加工厂年产量万套 100以上20-100 20以下农药厂年产量万吨 3以上以下磷矿年产磷矿万吨 100以上30-100 30以下硫铁矿年产硫铁矿万吨 100以上20-100 20以下化学联合企业(三种品种都达到中型标准即为大型)其他化学工业总投资万元 2000以上1000-2000 1000以下* 电力工业计量单位大型中型小型电站装机容量万千瓦 25以上以下送变电工程电压 33万伏电压22万伏和11 电压11万伏并以上万伏并线路长线路长250250公里以上的公里以下的说明:送变电工程,大型超高压工程单独列项目,中型的凡是直接配合发电的作为电站的单列工程。
鲁碧将⽔泥与钢铁⽣产全过程对接鲁碧将⽔泥与钢铁⽣产全过程对接集⽔泥、冶⾦辅料、矿渣微粉⽣产于⼀⾝,成为跨越建材和冶⾦两⼤⾏业发展循环经济的典范成功将⽔泥⽣产与钢铁⽣产进⾏全过程“对接”,实现了⽔泥⽣产对钢铁⽣产中排放的固体废弃物的综合利⽤。
⼭东重点⽔泥企业鲁碧建材有限公司⽇前被莱芜钢铁集团确定为其固体废弃物资源化基地,成为莱钢集团可持续发展不可缺少的重要组成部分。
鲁碧建材有限公司因此成为跨越冶⾦与建材⼯业,践⾏科学发展观、发展循环经济的成功典范。
⽔泥与钢铁虽属两种不同的⼯业产品,但在⽣产上却有着很好的“近亲⾎缘关系”:钢铁⽣产所必需的冶⾦辅料——冶⾦⽯灰的⽣产中会产⽣⼤量⽯灰⽯尾矿,⽽这些尾矿可正好⽤来⽣产⽔泥;钢铁⽣产排放出的固体废渣则是⽔泥⽣产重要的原材料,利⽤粒化⾼炉⽔渣⽣产矿渣微粉,渗⼊⽔泥和混凝⼟中,既可降低成本⼜能改善性能。
将⽔泥⽣产纳⼊钢铁⽣产中,本⾝就是⼀个很好的循环经济项⽬。
鲁碧建材有限公司前⾝是成⽴于上世纪80年代的莱钢集团⽔泥⼚,2006年根据莱钢集团主辅分离战略,进⾏了企业改制,与莱钢脱离。
鲁碧公司⽬前具备年产200万吨⽔泥及矿渣微粉、300万吨冶⾦辅料⽣产能⼒,产业定位决定了其在莱钢循环经济产业链上的重要地位,以及得天独厚的发展循环经济资源优势。
其冶⾦辅料、⽔泥、矿渣微粉⽣产与莱钢的钢铁⽣产已组成⼀个循环产业“闭合环”:⽯灰⽯矿⼭开采的成品矿⽤于煅烧冶⾦⽯灰,⽯灰⽯尾矿、钢渣、煤矸⽯等⽤于⽣产⽔泥熟料,⾼炉⽔渣、粉煤灰⽤于⽣产矿渣微粉和做⽔泥混合材。
莱钢钢铁⽣产排放的固体废渣在鲁碧⽔泥⽣产流程中得以消化。
近年来,莱芜钢铁集团⽣产规模扩张迅速,钢铁产量超过1000万吨,在国内钢铁⾏业排第六位。
为了更多地消耗莱钢的⼯业废渣,鲁碧建材公司及时抓住这⼀机遇做⼤做强企业,除在本地做⼤⽔泥主业外,还在分别在青岛和连云港建成年产60万吨和30万吨⽔泥粉磨站,在青岛建成年产30万⽴⽶商品混凝⼟,形成“⼀体两翼”的发展格局。
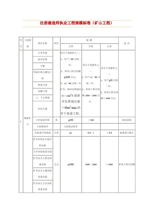
注册建造师执业工程规模标准(矿山工程)
序号工程类
别
项目名称单位
规模
备注
大型中型小型
1
煤炭矿
山
立井井筒符合下列条件之一:
1、年产>90万吨/
年;
2、单项工程合同额
≥2000万元;
3、45~90万吨/年
矿井,相对瓦斯涌出
量>10m
3/t或绝
对瓦斯涌出量
>40m3/min的
井下巷道工程。
符合下列条件之
一:
1、年产45~90万
吨/年;
2、单项工程合同
额1000~2000万
元。
符合下列条件之
一:
1、年产≤30万吨
/年;
2、单项工程合同
额<1000万元。
斜井井筒
平硐
井底车场与硐室工
程
轨道大巷
运输大巷
上、下山巷道
回风大巷
立井冻结井筒米≥300<300冻结深度大钻机钻井大钻机法钻井
开拓或开采巷道万米≥10.6~1<0.6标准进尺累计矿井井筒永久提升
机安装
万元≥20001000~2000<1000单项工程合同额立井井筒装备安装
矿井永久主排水设
备安装
矿井永久主通风机
设备安装
矿井永久主压风机
设备安装。
矿山工程施工总承包是指承担矿山工程的设计、采购、施工、调试、运营等全部或大部分工作的承包方式。
矿山工程施工总承包具有较高的承包范围和较强的综合实力,能够承担较大的矿山工程项目。
矿山工程施工总承包的承包范围包括:井巷工程、露天矿工程、选矿工程、尾矿工程、生产辅助附属工程及配套工程等。
其中,井巷工程包括矿井建设、巷道施工、硐室施工等;露天矿工程包括矿山剥离、采矿、矿石运输等;选矿工程包括矿石破碎、筛分、浮选、磁选等;尾矿工程包括尾矿库建设、尾矿处理等;生产辅助附属工程包括矿山供电、供水、供气、通风等;配套工程包括道路、桥梁、码头等。
矿山工程施工总承包的资质分为一级、二级和三级。
一级资质可以承担单项合同额不超过企业注册资本金5倍的各类矿山工程的施工;二级资质可以承担单项合同额不超过企业注册资本金5倍的下列矿山工程的施工:100万吨/年及以下铁矿采、选工程;100万吨/年及以下有色砂矿和60万吨/年及以下有色脉矿采、选工程;120万吨/年及以下煤矿和300万吨/年及以下洗煤工程;60万吨/年及以下磷矿、硫铁矿和30万吨/年及以下铀矿工程;20万吨/年及以下石膏矿、石英矿和70万吨/年及以下石灰石矿等建材矿山工程;10000米及以下巷道工程,80万立方米及以下剥离量露天矿工程,100万吨及以下尾矿库工程;单项合同额不超过3000万元的矿山主体工程。
三级资质的承包范围相对较小。
矿山工程施工总承包具有较高的管理水平和专业技术能力,能够对矿山工程进行全方位的规划和设计,提供一条龙服务。
矿山工程施工总承包企业一般具备丰富的施工经验,掌握先进的施工技术和管理方法,能够保证矿山工程的高质量、高效率完成。
矿山工程施工总承包方式在我国得到了广泛的应用,取得了良好的经济效益和社会效益。
通过矿山工程施工总承包,可以有效地整合资源、优化配置,提高矿山工程的施工质量和效率,降低工程成本。
同时,矿山工程施工总承包还能够促进我国矿山建设市场的健康发展,提升我国矿山工程的国际竞争力。
《建设项目环境影响报告表》编制说明《建设项目环境影响报告表》由具有从事环境影响评价工作资质的单位编制。
1.项目名称——指项目立项批复时的名称,应不超过30个字(两个英文字段作一个汉字)。
2.建设地点——指项目所在地详细地址,公路、铁路应填写起止地点。
3.行业类别——按国标填写。
4.总投资——指项目投资总额。
5.主要环境保护目标——指项目区周围一定范围内集中居民住宅区、学校、医院、保护文物、风景名胜区、水源地和生态敏感点等,应尽可能给出保护目标、性质、规模和距厂界距离等。
6.结论与建议——给出本项目清洁生产、达标排放和总量控制的分析结论,确定污染防治措施的有效性,说明本项目对环境造成的影响,给出建设项目环境可行性的明确结论。
同时提出减少环境影响的其他建议。
7.预审意见——由行业主管部门填写答复意见,无主管部门项目,可不填。
8.审批意见——由负责审批该项目的环境保护行政主管部门批复。
建设项目基本情况项目名称辰溪县寺前镇采石场年产4万m3石灰石(10万吨)建设项目建设单位辰溪县潭龙水泥有限责任公司采石场法人代表谭再方联系人龚平友通讯地址辰溪县寺前镇寺前村联系电话138****2538传真/ 邮政编码/ 建设地点辰溪县寺前镇寺前村立项审批部门/ 批准文号/建设性质新建□改扩建■技改□行业类别及代码B10 非金属矿采选业占地面积(平方米) 采矿区面积0.0245km2绿化面积(平方米)/总投资(万元) 65其中:环保投资(万元)23.2环保投资占总投资比例(%)36评价经费(万元)/ 预期投产日期工程内容及规模:1、项目由来辰溪县潭龙水泥有限责任公司采石场位于辰溪县寺前镇寺前村,于2009年首次取得辰溪县国土资源局颁发的采矿许可证,2012年延续。
采矿许可证规定的开采范围由四个拐点构成,露天开采,批准年生产规模为5万t/a,主要产品是石灰岩,开采后外售水泥厂。
根据《湖南省2013--2015年金属非金属矿山依法整顿工作实施方案》(湘政办发【2013】18号)矿石开采规模须提升至10万吨/年,因此辰溪县潭龙水泥有限责任公司采石场将原5万吨/年的生产规模扩大至10万吨/年。
项目名称:年产100万吨石灰石生产项目项目背景:石灰石是一种常见的非金属矿物原料,广泛应用于制钢、建材、化工等行业。
我国石灰石资源丰富,但由于技术和设备限制,生产效率不高,产值也不甚理想。
而随着近年来国家限制高能耗、高污染行业发展,对石灰石生产行业提出了更高的环保要求。
因此,建设年产100万吨高效、环保的石灰石生产项目,既满足市场需求,又符合国家产业政策,具有明显的经济、社会效益。
一、项目规划:1.项目定位:通过采用国际先进的生产技术和设备,建设年产100万吨石灰石的生产项目。
主要产品为高品质石灰石粉、生石灰、烧石灰等。
2.建设规模:计划投资1亿人民币,建设年产100万吨石灰石的生产线2条。
3.技术路线:采用无尘化、低噪音、高自动化程度的设备,实现生产过程的绿色化,提高生产效率和产品质量。
二、项目建设:1.生产设备:将引进国外先进的石灰石生产设备,改善生产环境,提高生产效率。
2.环保设施:将建设尘土治理、废水处理等环保设施,实现生产过程的无污染。
3.人才队伍:进行系统的培训和管理,打造一支专业化、技术型的团队。
三、项目效益:1.经济效益:预计年产值2亿人民币,利润约5000万人民币。
2.社会效益:项目实施后,可创造就业岗位100个以上,对促进区域经济产业结构调整和就业稳定,具有重要作用。
四、项目风险与对策:1.市场风险:对市场需求进行深度分析,合理调配产品结构,减小市场风险。
2.技术风险:引进国内外先进技术和设备,结合自身研发力量,持续提高生产技术。
3.环保风险:严格落实环保措施,保证生产过程无污染。
总结:年产100万吨石灰石项目是一个具有高效率、低消耗、高产值的绿色化项目,符合当今社会的发展需求,对提高当地经济发展、优化产业结构、增加就业机会等具有巨大的推动作用,值得投资。
概述一、项目由来南宁市邕宁区足疗石场拟投资3000万元于南宁市邕宁区蒲庙镇孟连村第五生产队足疗岭建设南宁市邕宁区蒲庙镇足疗岭梁定祥石场石灰石矿年产100万吨项目,并已取得南宁市邕宁区发展和改革局的备案证明。
该项目属扩大生产规模及采矿权延续项目,通过更换并新增部分生产设备扩大生产规模,即由原有的15万吨/年生产规模扩建至100万吨/年。
根据《中华人民共和国环境影响评价法》、《建设项目环境保护管理条例》及《广西壮族自治区环境保护条例》等相关规定,南宁市邕宁区蒲庙镇足疗岭梁定祥石场石灰石矿年产100万吨项目建设前应进行环境影响评价。
该项目属于《建设项目环境影响评价分类管理名录》(2018年修订)中“四十五、非金属矿采选业-137土砂石、石材开采加工-涉及环境敏感区的”环评类别,需编制环境影响报告书。
因此,南宁市邕宁区足疗石场于委托我公司承担该项目的环境影响评价工作。
我公司接受委托后,立即组织有关专业技术人员进行现场查勘和初步调查,收集与项目有关的资料,在此基础上,按照《建设项目环境保护管理条例》和《建设项目环境影响评价技术导则》相关法规和技术文件的要求开展工作,编制完成了《南宁市邕宁区蒲庙镇足疗岭梁定祥石场石灰石矿年产100万吨项目环境影响报告书》。
二、建设项目特点项目属扩大生产规模及采矿权延续项目,开采方式、开采矿种、开采范围、开采标高等均保持不变,通过更换并新增部分生产设备扩大生产规模,即由原有的15万吨/年生产规模扩建至100万吨/年。
项目营运期产生的主要废气污染物有采场扬尘、爆破扬尘、凿岩扬尘、破碎粉尘等,无废水、废土石排放,不新设置排土场。
项目开采标高高于地下水的水位,对地下水无影响。
三、环境影响评价工作过程本次环境影响评价工作主要分为以下三个阶段:第一阶段:即调查分析和工作方案制定阶段。
评价单位接受项目环境影响评价委托后,根据建设单位提供的建设方案(设备、原辅材料、平面布局及污染治理等)等有关资料,先确定项目是否符合国家和地方有关法规、政策及相关规划,判定项目的环境影响评价类型;根据项目的实际情况,研究相关技术文件和其他有关文件,进行初步的工程分析,开展初步的环境现状调查,识别环境影响因素、筛选评价因子,明确评价重点和环境保护目标,确定评价工作等级、评价范围和评价标准,最终制定环评工作方案。
年产100万吨水泥生产线建设工程可行性研究报告目录1 项目建设单位情况 (1)2 项目情况 (1)3 市场分析与预测 (5)4 建设条件 (5)5 水泥生产工艺 (6)6 总图运输 (10)7 电气 (12)8 自动化 (15)9 给水排水 (17)10 土建 (18)11 采暖、通风、空调及动力 (21)12 环境保护 (22)13 劳动安全及职业卫生 (25)14 消防 (28)15 节约与合理利用能源 (29)16 组织机构、劳动定员及职工培训 (31)17 项目实施进度设想 (32)18 投资估算 (33)19 技术经济评价 (35)1 项目建设单位情况1.1企业概况。
1.2项目建设的必要性1.2.1 项目建设符合国家产业政策和结构调整的需要。
1.2.2 项目建设有利于地方的经济发展……………………………………………………………..1.2.3 项目建设有利于企业的可持续发展………………………………………………………..1.3 项目提出的背景……………………………………………………….2 项目情况2.1项目名称项目名称: ………………………………………项目法人:………………………………………项目法人代表:…………………………………2.2项目建设地点…………………………………………2.3生产规模和产品品种本项目为建设一条年产100万吨水泥生产线。
产品品种为:P.O42.5#普通硅酸盐水泥20万吨/年;P.C32.5#复合硅酸盐水泥80万吨/年;其中袋装和散装各占50%,全部汽车运输出厂。
2.4资金来源本项目建设工程总投资12683万元(含流动资金3679万元),资金全部由企业自筹解决。
12.5设计原则及指导思想2.5.1 切实领会国家行业部门关于水泥行业发展的有关指示精神,有效贯彻业主提出的“布局合理、运行可靠、投资经济、指标先进、运行费用低”的设计指导原则,充分汲取以往国内同类规模建设项目中的经验教训,以用户需求为宗旨,把本项目建成锦州市的形象工程。
年产100万吨石灰石项目编制单位:杨树岭镇政府项目负责人:魏景瑞编制时间:1总论 1.1项目名称年产100万吨石灰石项目 1.2拟建地点白山市区 1.3建设内容与规模项目设计矿石开采及破碎规模为100万吨/年主要建设内容包括采场、破碎车间、筛分车间、废石场、排土场、库房及变电站等。
1.4建设年限 1年 1.5概算投资项目预计投资4950万元其中固定资产投资4450万元铺底流动资金500万元。
白山市工业和信息化局 2 1.6效益分析项目达产后预计年销售收入6500万元利税总额3301.3万元净利润1422.22万元纳税1879.08投资利润率为28.7投资回收期不含所得税为4.5年。
2项目建设的必要性、市场和条件 2.1建设的必要性分析目前我市现有石灰岩矿山41处主要开采水泥用石灰岩、石膏、滑石和页岩土、普通建筑用砂石、粘土等但企业多为中小型企业开采技术比较落后、资源整合不强、浪费比较严重、经济效益不高资源利用率只有40。
而我国正规开采的石灰石矿山资源利用率达到90以上因此建设大型矿山采用大型设备将进一步提高劳动生产率降低矿山开采成本这是我市石灰石矿山的发展方向。
2.2市场分析石灰石是常见的一种非金属矿产是用途极广的宝贵资源。
石灰石是以石灰岩作为矿物原料的商品名称。
石灰岩在人类文明史上以其在自然界中分布广、易于获取的特点而被广泛应用。
作为重要的建筑材料有着悠久的开采历史在现代工业中石灰石是制造水泥、石灰、电石的主要原料是冶金工业中不可缺少的熔剂灰岩优质石灰石经超细粉磨白山市工业和信息化局 3 后被广泛应用于造纸、橡胶、油漆、涂料、医药、化妆品、饲料、密封、粘结、抛光等产品的制造中。
据不完全统计水泥生产消耗的石灰石和建筑石料、石灰生产、冶金熔剂超细碳酸钙消耗石灰石的总和之比为1∶3。
石灰石也可用于制造玻璃、纯碱、烧碱等炼铁用石灰石作熔剂除去脉石用生石灰做造渣材料除去硫、磷等有害杂质。
在生活中石灰石加工制成较纯的粉状碳酸钙用做橡胶、塑料、纸张、牙膏、化妆品等的填充料。
农业上用生石灰配制石灰硫黄合剂、波尔多液等农药。
土壤中施用熟石灰可中和土壤的酸性、改善土壤的结构、供给植物所需的钙素。
用石灰浆刷树干可保护树木。
化工行业利用利用石灰石的化学加工制成氯化钙、硝酸钙、亚硫酸钙等重要钙盐我国新疆地区石灰石储量丰富鉴于石灰石开采的巨大经济价值近年来就大力发展石灰石制粉加工行业取得了良好的经济效益。
随着科学技术的不断进步和纳米技术的发展石灰石的应用领域正在进一步拓宽。
石灰石经磨粉机粉碎加工后可应用于诸多领域取得可观经济效益近几年来石灰石制粉加工行业逐步趋热。
石灰石不仅是水泥和钢铁工业不可缺少的重要原料随着科学技术的发展还广泛应用于水灰、冶炼、水泥、化工、发电厂脱硫和造纸等行业并且可以替代塑料制成管村、包白山市工业和信息化局 4 装材料是一种新型环保原料市场需求量正逐年增加是21世纪最具活力的环保、绿色矿产资源之一。
从当前国内外石灰石需求情况看全世界每年需求量约为16亿吨左右但80为普通用途。
优质石灰因资源少产量低市场缺口较大。
近几年亚太地区各国因其国内石灰石资源不足每年要从中国进口石灰石110万吨左右。
据专家预测对优质石灰石的需求量国内将以每年25万吨、亚太地区将以每年30万吨的速度增加。
因此建年产100万吨石灰石项目是可行合适的。
从国内市场讲在“十二五” 期间从中央到地方不断加快西部大开发、城市化建设以及新农村建设的步伐对冶金建材行业的发展起了直接的推动作用这必将刺激冶金建材业的发展同时一大批国家重点项目都将陆续开工建设与此同类的石灰石也是需求高涨。
从省内讲加快发展城市群的规划建设和振兴装配制造业已拉开序幕新农村建设已经起步铁路、高速公路、核电、热电、钢厂等一大批重点项目正在规划实施也必将给冶金建材行业带来广泛的发展空间。
从国际市场讲我国石灰石矿产资源丰富占世界总储量的64 以上是一种具有优势的天然资源。
由于西方大部分国家石灰石矿产有限现已限制水泥生产和石灰石矿产资源的开采因此其对中国石灰石的依赖性逐步加大出口市场持续看好。
从资源状况看目前全国比较集中的较大型石灰石矿山已基本上被大的水白山市工业和信息化局 5 泥企业和冶金企业所垄断新资源越来越少从某种意义上讲谁占有了石灰石资源谁就占有了将来的水泥和钢铁市场。
从国家和省的政策上看都出台了冶金和水泥产业的政策在积极鼓励规模以上新型干法水泥生产和低能耗冶金的同时对立窑、高耗能、资源储量不足等冶金和水泥企业进行了限制同时又从环保、资源能源节约、土地利用以及生产方式上提高了准入门槛这些都为发展大型石灰石开采业提供了良好的环境。
本工程产品的主要的销售地点拟定为本省内各钢厂、石灰厂、电厂、水泥厂和工业碳酸钙生产厂。
据调查仅通钢的石灰使用量就超过100万吨因此项目建成后产品的市场前景广阔产量可能会远远不能满足市场需求。
2.3建设条件分析 2.3.1资源条件白山市拥有丰富的石灰石矿产资源其中溶剂用灰岩储量12932万吨水泥用灰岩4094万吨。
矿石碳酸钙含量超过98.5其中CaO含量55.16MgO含量小于1SiO2含量小于0.2Mn含量小于0.045Fe含量大于0.15矿体主要附于地表极易开发。
白山市工业和信息化局 6 2.3.2供电条件白山市现有火力发电厂一座总装机容量65万千瓦年发电量45亿千瓦时已经建成投产运行的小水电站57座总装机容量10.9万千瓦年发电量2.65亿千瓦时国家投资建设的总装机容量101万千瓦的松江河梯级电站已经部分投产发电全部建成后发电量70亿千瓦时目前浑江发电厂总装机容量125万千瓦年发电量可达到85亿千瓦时。
白山市的水电、火电的发展极大地促进了白山市电网工程建设电力资源充足是白山市工业用电的可靠保证。
2.3.3供水条件白山市水资源充沛、丰富境内有鸭绿江、松花江、浑江三大水系。
流域面积100平方公里以上的鸭绿江、松花江、浑江等较大河流50多条著名的松花江白山水电站和鸭绿江云峰水电站主要库区坐落在白山市境内。
全市多年平均水资源量82.25亿立方米水能理论蕴藏量106.1万千瓦可开发水能资源量84.2万千瓦。
白山市市区内有浑江流经是工业用水较大的地表水体最大流量2800立方米/秒最小流量0.64立方米/秒市内有曲家营水库蓄水量3000万立方米可供调剂水量2000万立方米。
白山市工业和信息化局 7 2.3.4交通条件白山市的交通运输优势十分明显。
目前全市已经完成了长白线、鹤大线、沈长线、朝长线、榆江线为主架的公路运输网络体系公路总里程5106.4公里。
走营白公路从吉林省省会长春市到白山市区仅260公里从白山市区到长白山西坡旅游当天即可往返。
目前无论是出省还是区内已经形成了四通八达的公路网便捷的公路运输为全市的经济快速发展提供了保证条件。
白山市区域铁路目前有鸭大线和浑湾线。
两条线路在白山市交汇。
白山至长春铁路线461公里白山到沈阳铁路线418公里铁路运输也十分方便。
白山机场为白山市提供了更加便捷的对外联系白山机场2008年底通航以来吸引了越来越多的国内外客商到白山观光和投资。
备受瞩目的“东边道”铁路南起大连沿着黄海沿岸延伸穿过长白山脉向北直通牡丹江。
该条铁路大动脉修成之后白山市将有直通丹东、大连出海口的铁路。
目前“东边道”铁路白河至和龙段已经开工建设。
可以预见“东边道”铁路的建设必将使白山市境内丰富的物产资源得以更好的开发利用。
白山市也将成为吉林省发展最为强劲的新兴经济区。
白山市工业和信息化局 8 2.3.5气候条件白山市属北温带大陆性季风气候春季昼夜温差大夏季短温热多雨秋季凉爽多晴朗天气冬季长干燥寒冷。
市区年平均气温4.6℃年平均降水量883.4毫米日照时数2259小时无霜期140天。
3建设规模与产品方案 3.1建设规模年产100万吨成品石灰石矿山服务年限约为50年。
3.2产品方案主要生产100万吨粒径在10-40mm 的石灰石矿石成品可以供应炼钢企业、电厂以及其他石灰石深加工企业低品位矿石可以供应水泥厂或其他建材类企业使用。
4技术方案、设备方案和工程方案 4.1技术方案 4.1.1生产方法石灰石矿体主要赋存在地表开采方式为露天采矿。
将地表植被及第四系残积物剥离后采用浅孔爆破经两级破白山市工业和信息化局 9 碎并经振动筛筛选合格的石灰石用皮带运输机运到成品库。
破碎筛分与储存系统共分为两个区域第一区域位于采矿场附近的一破车间第二区域位于现有采空区附近包括筛分楼、二破车间、转运站、露天堆场、碎石库及成品库等。
这部分的总体布置原则是充分利用地形高差减少胶带机爬升高度尽量减小相邻建筑物之间的布置距离使这部分建构筑物布置紧凑方便集中管理尽量减少占地面积。
拟设计最终成品矿的粒级为10-40 mm产量为100万ta成品率达70。
成品中粒级小于10mm粉矿的混入率控制在3以内的要求在破碎、输送及储存的各个环节均应突出考虑提高矿石综合利用率和降低矿石粉率的原则。
设计的工艺流程为矿石由汽车经运矿道路或胶带送至设在采矿场附近的一破车间的卸料口原矿粒度为0800mm经破碎后物料粒度为0250mm由长胶带机送至设在现有采空区附近的筛分楼的第一筛分机矿石经筛分后分成三部分第一部分为小于10mm的矿渣由于这部分粉料含土较多不能利用通过胶带机直接送至露天堆场排弃第二部分为1040mm的成品矿通过胶带机送至成品库第三部分为大于40mm的超标矿石由胶带机送至中碎二破料仓中碎后通过胶带机送至第二筛分机筛分后物料再次分为三个部分第一部分为小于10mm的粉矿经白山市工业和信息化局10 胶带机输送至粉矿库储存用汽车散装运走可用于电厂脱硫等第二部分为1040mm的成品矿通过胶带机送至成品库第三部分为大于40mm的超标矿石由胶带机返送二破料仓实现破碎筛分闭环。
4.1.2工艺流程钻孔爆破输送一级破碎二级破碎振动筛分振动筛分输送成品库露天堆场碎石库白山市工业和信息化局 11 4.2主要设备方案主要设备及来源序号设备名称性能描述数量设备来源开采 1 液压露天潜孔钻机型号ROCL6 钻孔直径Ф135mm 1台进口 2 液压露天潜孔钻机型号ROCL6 钻孔直径Ф105mm 1台进口 3 顶锤式钻机型号ROCD7 1台进口 4 全液压挖掘机正铲6m3反铲2m3 1台国产 5 轮式装载机正铲6m3反铲2m3 4辆国产 6 矿车侧卸式矿车6m3 8辆国产一破车间 1 重型板喂机规格2000×10000mm 平均能力600t/h变频调速 1台国产2 齿辊破碎机型号MMD850入料粒度800mm 能力600t/h出料粒度0-250mm 1台国产 3 出料胶带机规格1400×100760mm 能力625mmt/h 带速1.6m/s水平布置1台国产筛分车间 1 香蕉筛分机一筛型号DHG24/70/82.3规格2.4×7.0m产品粒级40mm、10mm通过能力625t/h振幅10-20mm 1台进口 2 香蕉筛分机二筛型号DHG21/60/71.5规格2.1×6.0m产品粒级40mm、10mm通过能力450t/h 振幅10-20mm 1台进口二破车间 1 中型板喂机规格1600×6000mm 平均能力450t/h变频调速 1台国产 2 齿辊破碎机型号MMD500入料粒度40-250mm 能力450t/h出料粒度0-100mm 1台国产白山市工业和信息化局 12 4.3工程方案 4.3.1建构筑物的建筑特征、结构及面积方案所有建筑物及构筑物均按照生产工艺要求并遵照国家颁发的有关设计规范进行设计。