【CN210260460U】一种纸箱印刷机定位装置【专利】
- 格式:pdf
- 大小:301.95 KB
- 文档页数:6
(10)授权公告号 CN 202378390 U(45)授权公告日 2012.08.15C N 202378390 U*CN202378390U*(21)申请号 201120436858.4(22)申请日 2011.11.03B41F 15/16(2006.01)(73)专利权人卢宇男地址523000 广东省东莞市东城区中信德方斯协和大厦401(72)发明人卢宇男(54)实用新型名称印刷机定位装置(57)摘要本实用新型的印刷机定位装置,包括设置在机架上的定位块,及设置在印刷平台上的定位柱;所述定位块中间设置有锥形孔,所述定位柱设置有与锥形孔配合的锥形部。
由于定位块中间设置有锥形孔,可以与锥形部配合定位,能实现四个方向的定位,定位准确,既使长期使用磨损也不会出现定位不准的现象,定位精度高。
(51)Int.Cl.权利要求书1页 说明书2页 附图1页(19)中华人民共和国国家知识产权局(12)实用新型专利权利要求书 1 页 说明书 2 页 附图 1 页1/1页1.一种印刷机定位装置,其特征在于:包括设置在机架上的定位块,及设置在印刷平台上的定位柱;所述定位块中间设置有锥形孔,所述定位柱设置有与锥形孔配合的锥形部。
2.根据权利要求1所述的印刷机定位装置,其特征在于:所述定位块上设置有安装孔,所述安装孔内设置有螺钉将定位块固定在机架。
3.根据权利要求1所述的印刷机定位装置,其特征在于:所述锥形孔贯通整个定位块。
权 利 要 求 书CN 202378390 U印刷机定位装置技术领域[0001] 本实用新型涉及一种印刷机定位装置。
背景技术[0002] 在丝网印刷领域中,现有的多色丝网印刷机一般包括多个印刷单元,承印物放置在印刷平台上,每印完一个颜色,就需要将印刷平台上的承印物转移到另一印刷单元进行另一颜色的印刷。
然而,现有的印刷平台是放置在滑轨上移动并定位,只具备两个方向的定位,定位不准确,同时由于长期使用会出现磨损的情况,直接影响定位的精度。
专利名称:纸箱板印刷机的印刷部定位装置专利类型:实用新型专利
发明人:萧智杰
申请号:CN200520018505.7
申请日:20050511
公开号:CN2790756Y
公开日:
20060628
专利内容由知识产权出版社提供
摘要:一种纸箱板印刷机的印刷部定位装置,该印刷机的两侧机架上段各设有一开口区,以吊持收容该印刷部的两侧活动机板,于两侧机架前段各至少相对设置一组定位装置;该定位装置包含有一气压缸及一对应于活动机板前缘的顶推机构,通过该气压缸带动顶推机构往后顶靠活动机板,使该印刷部保持常态定位,以避免印刷轮运转中产生晃动偏斜,提高纸箱板的印刷品质。
申请人:宝旺机械有限公司
地址:台湾省台北市
国籍:CN
代理机构:北京纪凯知识产权代理有限公司
代理人:程伟
更多信息请下载全文后查看。
专利名称:一种包装机械的定位机构专利类型:实用新型专利
发明人:王云德
申请号:CN201620416277.7
申请日:20160504
公开号:CN205738309U
公开日:
20161130
专利内容由知识产权出版社提供
摘要:一种包装机械的定位机构,包括制动辊、制动压轮、制动机构和纠偏机构,所述制动辊的前端和后端均套有制动辊轴承,其中前端的制动辊轴承安装在动力面轴承座内,后端的制动辊轴承安装在操作面轴承座内,动力面轴承座安装在动力侧支座上,操作面轴承座安装在操作侧支座内;制动辊的前端连接制动机构;操作侧支座的底部安装有纠偏机构;该包装机械的定位机构具有以下优点:通过薄型气缸推动制动盘进行制动,响应速度快;二、制动压轮通过弹簧座上的弹簧压紧在制动辊的表面上,随制动辊一起运转,使纸路压在制动辊的表面上,并响应制动辊的动作,保证了纸路始终有一定的张力;三、纠偏机构能够自动纠正纸路跑偏,解决了纸路的跑偏问题。
申请人:利乐集美机械股份有限公司
地址:314211 浙江省平湖市新埭镇创新路88号内北幢
国籍:CN
更多信息请下载全文后查看。
(19)中华人民共和国国家知识产权局(12)实用新型专利(10)授权公告号 (45)授权公告日 (21)申请号 201720986142.9(22)申请日 2017.08.08(73)专利权人 深圳市万德机器人有限公司地址 518000 广东省深圳市龙岗区平湖街道富民工业区富民路5号三楼(72)发明人 赵江 李满乐 (74)专利代理机构 广东赋权律师事务所 44310代理人 吴军(51)Int.Cl.B41J 13/32(2006.01)B41J 13/10(2006.01)(54)实用新型名称一种用于数码印刷机的自动定位装置(57)摘要本实用新型公开了一种用于数码印刷机的自动定位装置,其结构包括滑块、对齐装置固定架、对齐器、对齐Y向板、吸气抓取器、送料丝杆螺母、送料伺服电机、工作台、升降气缸、对齐X向板、自动定位装置、送料器、滑块连接板,工作台上设有对齐装置,吸气抓取器设有多组且按材料分布设于自动定位装置上,自动定位装置的上方设有送料器,送料丝杆螺母嵌套在送料器内且垂直连接,送料伺服电机与送料丝杆螺母的尾端电机连接,本实用新型的有益效果:通过其结构设有自动定位装置,在使用的时候,可以节省人工操作与操作时间,从而提高定位精准度到0.1mm,而且可以同时对多张材料同时送料并定位,提高产品质量和送料速度。
权利要求书1页 说明书4页 附图3页CN 207359900 U 2018.05.15C N 207359900U1.一种用于数码印刷机的自动定位装置,其结构包括滑块(1)、对齐装置固定架、对齐Y 向板(3)、吸气抓取器(4)、送料丝杆螺母(5)、送料伺服电机(6)、工作台(7)、对齐升降气缸(8)、对齐X向板(9)、自动定位装置(10)、送料器(11)、滑块连接板(12),所述工作台(7)上设有送料器(11),所述吸气抓取器(4)设有两个以上且均匀等距的设于自动定位装置(10)上,所述自动定位装置(10)的上方设有送料器(11),所述送料丝杆螺母(5)嵌套在送料器(11)内且垂直连接,其特征在于:所述送料伺服电机(6)与送料丝杆螺母(5)的尾端电连接,所述滑块(1)为三角形结构且分别设于对齐Y向板(3)的左右两端,对齐器(2)设有两个且分别与对齐Y向板(3)的左右两端焊接,所述升降气缸(8)设有两个且相互平行,所述升降气缸(8)分别与对齐X向板(9)左右两端的下方垂直连接且过盈配合,所述对齐X向板(9)通过吸气抓取器(4)与自动定位装置(10)相连接,所述滑块连接板(12)与送料器(11)的上方焊接;所述自动定位装置(10)包括吸嘴升降支架(1001)、X向定位弹簧(1002)、X向复位气缸(1003)、X向移动导轨滑块(1004)、吸嘴X向固定板(1005)、Y向弹簧复位架(1006)、吸嘴(1007)、Y向定位弹簧(1008)、Y向移动导轨滑块(1009),所述吸嘴升降支架(1001)安装在X 向定位弹簧(1002)的下方,所述X向复位气缸(1003)安装在吸嘴升降支架(1001)中部的上方,所述吸嘴X向固定板(1005)安装在X向移动导轨滑块(1004)上,所述Y向弹簧复位架(1006)与下方设有Y向移动导轨滑块(1009)由Y向定位弹簧(1008)连接,所述吸嘴(1007)与Y向弹簧复位架(1006)的垂直连接。
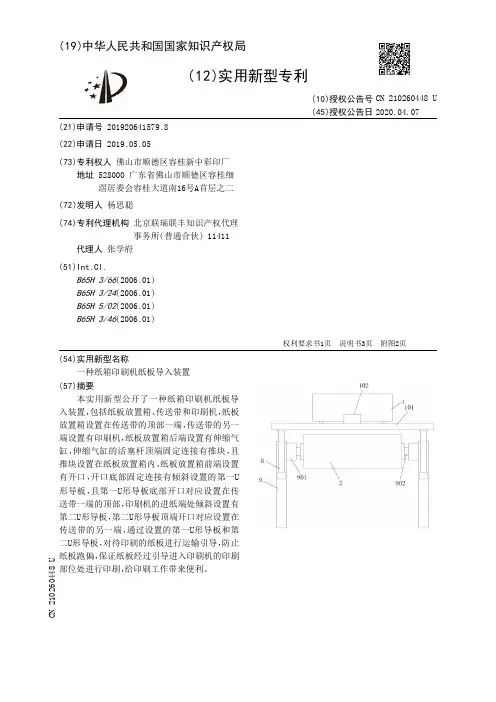
(19)中华人民共和国国家知识产权局(12)实用新型专利(10)授权公告号 (45)授权公告日 (21)申请号 201920641579.8(22)申请日 2019.05.05(73)专利权人 佛山市顺德区容桂新中彩印厂地址 528000 广东省佛山市顺德区容桂细滘居委会容桂大道南16号A首层之二(72)发明人 杨思聪 (74)专利代理机构 北京联瑞联丰知识产权代理事务所(普通合伙) 11411代理人 张学府(51)Int.Cl.B65H 3/66(2006.01)B65H 3/24(2006.01)B65H 5/02(2006.01)B65H 3/46(2006.01)(54)实用新型名称一种纸箱印刷机纸板导入装置(57)摘要本实用新型公开了一种纸箱印刷机纸板导入装置,包括纸板放置箱、传送带和印刷机,纸板放置箱设置在传送带的顶部一端,传送带的另一端设置有印刷机,纸板放置箱后端设置有伸缩气缸,伸缩气缸的活塞杆顶端固定连接有推块,且推块设置在纸板放置箱内,纸板放置箱前端设置有开口,开口底部固定连接有倾斜设置的第一U 形导板,且第一U形导板底部开口对应设置在传送带一端的顶部,印刷机的进纸端处倾斜设置有第二U形导板,第二U形导板顶端开口对应设置在传送带的另一端,通过设置的第一U形导板和第二U形导板,对待印刷的纸板进行运输引导,防止纸板跑偏,保证纸板经过引导进入印刷机的印刷部位处进行印刷,给印刷工作带来便利。
权利要求书1页 说明书3页 附图2页CN 210260448 U 2020.04.07C N 210260448U权 利 要 求 书1/1页CN 210260448 U1.一种纸箱印刷机纸板导入装置,包括纸板放置箱(1)、传送带(2)和印刷机(3),其特征在于:纸板放置箱(1)设置在传送带(2)的顶部一端,传送带(2)的另一端设置有印刷机(3),纸板放置箱(1)后端设置有伸缩气缸(102),伸缩气缸(102)的活塞杆顶端固定连接有推块(103),且推块(103)设置在纸板放置箱(1)内,纸板放置箱(1)前端设置有开口(104),开口(104)底部固定连接有倾斜设置的第一U形导板(4),且第一U形导板(4)底部开口对应设置在传送带(2)一端的顶部,印刷机(3)的进纸端处倾斜设置有第二U形导板(5),第二U形导板(5)顶端开口对应设置在传送带(2)的另一端,传送带(2)转动连接有第一传动带轮(7),第一传动带轮(7)通过连接带(8)与第二传动带轮(11)转动连接,第二传动带轮(11)通过电机轴与带轮电机(10)转动连接。
(19)中华人民共和国国家知识产权局
(12)实用新型专利
(10)授权公告号 (45)授权公告日 (21)申请号 201920641593.8
(22)申请日 2019.05.05
(73)专利权人 佛山市顺德区容桂新中彩印厂
地址 528000 广东省佛山市顺德区容桂细
滘居委会容桂大道南16号A首层之二
(72)发明人 杨思聪
(74)专利代理机构 北京联瑞联丰知识产权代理
事务所(普通合伙) 11411
代理人 张学府
(51)Int.Cl.
B65H 7/02(2006.01)
B65H 5/02(2006.01)
(54)实用新型名称一种纸箱印刷机定位装置(57)摘要本实用新型公开了一种纸箱印刷机定位装置,包括顶架、底架、控制箱、以及设置于底架上的输纸机构与印刷机,所述输纸机构的输出口正对印刷机,输纸机构包括由输纸电机驱动的主动轮,通过输送带联动主动轮的从动轮,输纸机构远离印刷机的输入口设置有夹紧装置;所述夹紧装置用以夹紧定位输纸机构,夹紧装置包括上夹紧轮机构与下夹紧轮机构,上夹紧轮机构连接顶架,下夹紧轮机构连接底架;所述上夹紧轮机构与下夹紧轮机构均包括夹紧轮与电动推杆且其分别对称设置于输送带上下两侧,电动推杆连接夹紧轮,夹紧轮与输送带的上下两端面抵接。
本实用新型送纸比较均匀,可以降低废品率,在一
定程度上降低了企业的生产成本。
权利要求书1页 说明书3页 附图1页CN 210260460 U 2020.04.07
C N 210260460
U
权 利 要 求 书1/1页CN 210260460 U
1.一种纸箱印刷机定位装置,其特征在于,包括顶架(1)、底架(2)、控制箱(8)、以及设置于底架(2)上的输纸机构(3)与印刷机(4),所述输纸机构(3)的输出口正对印刷机(4),输纸机构(3)包括由输纸电机驱动的主动轮(31)、通过输送带(32)联动主动轮(31)的从动轮(33),输纸机构(3)远离印刷机(4)的输入口设置有夹紧装置(5);所述夹紧装置(5)用以夹紧定位输纸机构(3),夹紧装置(5)包括上夹紧轮机构(51)与下夹紧轮机构(52),上夹紧轮机构(51)连接顶架(1),下夹紧轮机构(52)连接底架(2);所述上夹紧轮机构(51)与下夹紧轮机构(52)均包括夹紧轮与电动推杆且其分别对称设置于输送带(32)上下两侧,电动推杆连接夹紧轮,夹紧轮与输送带(32)的上下两端面抵接;所述顶架(1)靠近输纸机构(3)的一端设置有定位机构(6),定位机构(6)包括定位板(61)、导轨支架(62)、滑动架(63)、安装架(64)与滑动架驱动机构(65),导轨支架(62)连接顶架(1),其上滑动连接有滑动架(63),滑动架(63)靠近滑动架驱动机构(65)的一侧设置有齿条(631),齿条(631)与滑动架驱动机构(65)对应配合。
2.根据权利要求1所述的一种纸箱印刷机定位装置,其特征在于:所述滑动架驱动机构(65)通过安装架(64)连接于顶架(1),滑动架驱动机构(65)包括电机(651)与齿轮(652),电机(651)输出轴连接齿轮(652),其驱动齿轮(652)啮合传动于齿条(631)。
3.根据权利要求1所述的一种纸箱印刷机定位装置,其特征在于:所述定位板(61)横向连接于滑动架(63),且定位板(61)正对输纸机构(3)。
4.根据权利要求1所述的一种纸箱印刷机定位装置,其特征在于:所述印刷机(4)上设置有检测装置(7),检测装置(7)为光电检测装置,其输出端电连接控制箱(8)。
5.根据权利要求2所述的一种纸箱印刷机定位装置,其特征在于:所述控制箱(8)电连接电动推杆、输纸电机与电机(651)控制输入端。
2。