填写茶叶的感官质量审评检验报告
- 格式:ppt
- 大小:1.33 MB
- 文档页数:15
茶叶质检报告茶叶是一种广泛饮用的饮料,它不仅具有清新的香气和醇厚的口感,还含有丰富的营养物质,对人体健康有着诸多益处。
然而,茶叶的质量直接影响着茶叶的口感和营养价值,因此茶叶的质检显得尤为重要。
茶叶质检主要包括外观质量、内在品质和卫生指标三个方面。
首先,外观质量是消费者选购茶叶时的首要考虑因素。
茶叶的外观应该整齐、匀称,色泽自然,无杂质、霉斑和异物。
其次,内在品质是评价茶叶质量的重要标准,主要包括香气、滋味、叶底和汤色等方面。
香气应该纯正持久,滋味鲜爽醇厚,叶底嫩绿匀整,汤色清澈明亮。
最后,卫生指标是保障茶叶安全的重要保障,主要包括农药残留、重金属含量和霉菌等指标。
在茶叶质检过程中,我们采用了一系列严格的检测方法和标准,确保茶叶的质量符合国家标准和消费者需求。
首先,我们对茶叶的外观进行了全面细致的观察和检测,确保茶叶没有受到外界污染和损坏。
其次,我们利用专业仪器对茶叶的内在品质进行了多方面的分析和检测,确保茶叶的香气、滋味、叶底和汤色符合要求。
最后,我们对茶叶进行了严格的卫生指标检测,确保茶叶没有受到农药残留、重金属污染和霉菌侵害。
通过我们的茶叶质检工作,我们得出了如下结论,本批茶叶外观整齐匀称,色泽自然,无杂质、霉斑和异物;香气纯正持久,滋味鲜爽醇厚,叶底嫩绿匀整,汤色清澈明亮;卫生指标符合国家标准,农药残留、重金属含量和霉菌等指标均在安全范围内。
总之,我们的茶叶质检工作得出的结论是,本批茶叶的质量优良,符合国家标准和消费者需求。
我们将继续严格把关,确保茶叶的质量稳定可靠,为消费者提供更加优质的茶叶产品。
同时,我们也欢迎消费者对我们的茶叶产品提出宝贵意见和建议,共同致力于茶叶质量的不断提升和改进。
茶叶检验报告茶叶是一种受到广泛喜爱的饮品,其口感和香气受到消费者的高度关注。
而茶叶的品质和安全问题也备受关注。
为了确保茶叶的质量和安全性,茶叶的检验工作显得尤为重要。
本报告将对茶叶的检验结果进行详细介绍,并对茶叶的质量和安全性进行评估。
首先,我们对茶叶的外观进行了检验。
通过肉眼观察和显微镜检测,我们发现茶叶的外观整齐、色泽艳丽,没有发霉、变质等现象。
茶叶的外观符合国家标准,没有发现异常情况。
其次,我们对茶叶的香气进行了检验。
我们使用专业的气味识别仪器对茶叶进行了检测,结果显示茶叶的香气清新自然,没有异味和污染物质,符合国家卫生标准。
然后,我们对茶叶的口感进行了检验。
经过专业茶艺师的品评,茶叶口感醇厚,回甘持久,没有苦涩和异味,符合高品质茶叶的口感特点。
接着,我们对茶叶中的有害物质进行了检测。
经过多次重复实验和严格筛选,结果显示茶叶中的农药残留、重金属含量等均符合国家食品安全标准,不存在安全隐患。
最后,我们对茶叶的营养成分进行了检验。
经过化验和分析,茶叶中的多酚类、氨基酸、咖啡碱等营养成分含量丰富,符合高品质茶叶的营养价值。
综上所述,通过对茶叶的外观、香气、口感、安全性和营养成分的综合检验,我们得出结论,此批茶叶符合国家相关标准,质量优良,安全可靠,值得消费者放心选购。
茶叶的检验工作是确保茶叶质量和安全的重要环节,我们将继续加强对茶叶的检验工作,为消费者提供更优质、更安全的茶叶产品。
同时,我们也呼吁茶叶生产企业和经营者加强对茶叶的质量管理和安全控制,共同为消费者营造一个安全放心的茶叶消费环境。
红茶检验报告
1. 检验目的:
本次检验旨在对红茶进行质量检测,包括外观、色泽和口感等方面的评估,确保产品符合国家相关标准和客户要求。
2. 检验标准:
根据国家《茶叶质量标准》(GB/T 10096-2006)和客户要求,对样品进行检测。
3. 样品信息:
样品名称:红茶
样品来源:xx茶厂
样品编号:xx-xx-xx
样品数量:1kg
4. 检验内容及结果:
(1)外观:红茶干茶色泽鲜艳,整齐匀称,无霉斑、异物和杂质。
泡开后,茶汤明亮红艳,无浑浊和沉淀。
(2)香气:红茶干茶有浓郁的茶香,泡开后香气馥郁持久,清香爽口。
(3)口感:红茶汤色红艳鲜亮,汤质醇厚,回甘鲜爽。
经过口腔,有微酸泡沫感,没有异味和苦涩感。
5. 结论:
本次检验结果表明,样品红茶外观、色泽和口感等方面符合国家相关标准和客户要求,可以合格出厂。
2023年茶叶质检报告1. 引言茶叶作为我国的传统饮品,一直以来都受到广大消费者的喜爱。
然而,随着人们对食品质量和安全的要求越来越高,茶叶质检成为了重要的环节。
本报告旨在总结和分析2023年茶叶质检的情况,在为消费者提供安全可靠的茶叶产品的同时,也为茶叶生产企业和相关部门提供参考。
2. 茶叶质检标准茶叶质检标准是评定茶叶质量的基础,对于茶叶行业的发展和提升具有重要意义。
2023年,我国茶叶质检标准有所修改和完善。
其中,茶叶质量的评价指标主要包括外观指标、香气指标、口感指标等。
外观指标主要包括叶片的形态、色泽、完整度等;香气指标主要包括干茶香、冲泡香等;口感指标主要包括滋味、回甘等。
3. 茶叶质检结果经过对2023年茶叶产品的抽样检测和实验室分析,以下是对主要茶叶品种的质检结果进行汇总:3.1 绿茶绿茶是我国茶叶主要品类之一,也是备受消费者喜爱的茶叶。
2023年绿茶质检结果显示,绿茶整体质量较好,符合相关质检标准。
其中,明前茶的质量表现最佳,鲜叶色泽翠绿,滋味鲜爽,香气悠长。
3.2 黄茶黄茶作为一种特殊的茶叶品类,具有独特的风味和特点。
经过2023年的质检,黄茶质量总体上较好,但仍存在部分产品的外形不整齐和滋味不纯正的问题。
3.3 红茶红茶在国内市场上广受欢迎,2023年的质检结果显示,红茶的整体质量较好,香气浓郁,滋味丰富,符合质检标准。
3.4 白茶白茶是一种轻发酵的茶叶,具有独特的花香和甜味。
2023年质检显示,白茶的质量整体较好,符合质检标准。
3.5 乌龙茶乌龙茶在茶叶市场上占据重要地位,2023年质检结果显示,乌龙茶的整体质量较好,香气悠长,滋味醇厚,深受消费者喜爱。
4. 茶叶质检问题分析茶叶质检过程中发现了一些问题,主要包括以下几个方面:4.1 农药残留部分茶叶产品检测出农药残留超标的情况,这对消费者的健康造成了一定风险。
需要加强茶叶生产中的农药使用管理,做好农药残留的监测工作。
4.2 重金属含量部分茶叶产品检测结果显示,含有一定量的重金属,超过了国家标准限制。
茶叶检测报告茶叶是我国传统的饮品,具有悠久的历史和丰富的文化内涵。
茶叶的品质直接关系到消费者的健康和饮用体验,因此茶叶的质量安全一直备受关注。
为了保障茶叶的质量安全,我们对茶叶进行了全面的检测和分析,现将检测结果报告如下:一、外观检测。
经过外观检测,茶叶整体外观干净整齐,无明显异物和杂质,符合国家相关标准要求。
叶片色泽翠绿,整体形态完整,未见受损或变质情况。
经过放大镜观察,未见有虫蛀、霉变等现象,外观合格。
二、感官检测。
通过感官检测,茶叶散发出清香浓郁的茶香,回甘醇厚,口感舒适,无苦涩味和异味。
冲泡后茶汤澄清明亮,汤色清澈,叶底嫩绿匀整。
整体口感和观感良好,符合一级茶叶的品质标准。
三、理化指标检测。
在理化指标检测中,茶叶的水分含量、灰分含量、儿茶素含量、咖啡碱含量等指标均符合国家标准要求,未检出有害物质和重金属残留。
各项理化指标均在合格范围内,符合食品安全标准。
四、农药残留检测。
经过农药残留检测,茶叶未检出任何农药残留,符合有机茶叶的标准要求。
茶叶的种植和加工过程中严格遵守无公害农业标准,未使用任何化学农药和化肥,保证了茶叶的纯天然和有机健康。
五、微生物检测。
微生物检测结果显示,茶叶未检出霉菌、大肠杆菌、沙门氏菌等有害微生物,微生物指标符合国家相关食品安全标准,茶叶品质安全。
六、重金属检测。
重金属检测结果显示,茶叶未检出铅、汞、镉、铬等重金属残留,符合食品安全标准要求,保证了消费者的健康安全。
总结:经过全面的茶叶检测和分析,茶叶的外观、感官、理化指标、农药残留、微生物和重金属等各项指标均符合国家相关标准要求,茶叶品质安全,适宜饮用。
我们将一如既往地严格把控茶叶的质量安全,为消费者提供更优质、更放心的茶叶产品。
同时,也欢迎消费者对我们的产品提出宝贵意见和建议,我们将不断改进,为大家提供更好的茶叶产品。
茶叶检测报告到此结束,谢谢阅读。
第1篇一、实验目的通过对不同种类茶叶的感官品鉴和化学成分分析,了解茶叶的种类、特点及其加工工艺,掌握茶叶的鉴别方法。
二、实验材料1. 茶叶样品:绿茶、红茶、乌龙茶、白茶、黄茶、黑茶各50克。
2. 茶具:茶壶、茶杯、茶匙、茶叶筛等。
3. 化学试剂:碘液、硝酸银溶液、氢氧化钠溶液等。
4. 实验仪器:电子天平、显微镜、紫外可见分光光度计等。
三、实验方法1. 感官品鉴:(1)外观鉴定:观察茶叶的外形、色泽、匀整度等,初步判断茶叶的种类。
(2)香气鉴定:用茶匙取少量茶叶,轻轻搓揉,嗅其香气,判断茶叶的香气类型。
(3)汤色鉴定:将茶叶用开水冲泡,观察茶汤色泽,判断茶叶的种类。
(4)滋味鉴定:品尝茶汤滋味,判断茶叶的口感、回甘、涩感等。
2. 化学成分分析:(1)茶叶提取:将茶叶用开水冲泡,提取茶叶中的可溶性成分。
(2)茶叶成分测定:- 茶多酚含量测定:采用Folin-Ciocalteu法测定茶叶中的茶多酚含量。
- 氨基酸含量测定:采用高效液相色谱法测定茶叶中的氨基酸含量。
- 咖啡碱含量测定:采用紫外可见分光光度法测定茶叶中的咖啡碱含量。
四、实验结果与分析1. 感官品鉴结果:(1)绿茶:外观呈绿色,香气清新,汤色碧绿,滋味鲜爽,回甘持久。
(2)红茶:外观呈红色,香气浓郁,汤色红亮,滋味醇厚,回甘明显。
(3)乌龙茶:外观呈青绿色,香气独特,汤色金黄,滋味醇厚,回甘明显。
(4)白茶:外观呈白色,香气清新,汤色清澈,滋味鲜爽,回甘持久。
(5)黄茶:外观呈黄色,香气醇厚,汤色黄亮,滋味醇和,回甘持久。
(6)黑茶:外观呈黑色,香气浓郁,汤色红亮,滋味醇厚,回甘明显。
2. 化学成分分析结果:(1)茶多酚含量:绿茶茶多酚含量最高,其次是乌龙茶、红茶、黄茶、白茶、黑茶。
(2)氨基酸含量:绿茶、乌龙茶、白茶氨基酸含量较高,红茶、黄茶、黑茶氨基酸含量较低。
(3)咖啡碱含量:绿茶、红茶、乌龙茶咖啡碱含量较高,白茶、黄茶、黑茶咖啡碱含量较低。
茶叶质量报告模板范文茶叶质量报告模板范文茶叶质量报告报告编号:【XXXXXX】报告日期:【XXXX年XX月XX日】报告单位:【XXX茶叶研究所】报告对象:【客户公司名称】一、检测目的本次检测旨在对【茶叶名称】茶叶的质量进行评估,为客户提供可靠的茶叶质量分析报告。
二、样品信息样品名称:【茶叶名称】茶叶样品来源:【茶叶来源地】采样日期:【采样日期】检测日期:【检测日期】样品数量:【样品数量】样品描述:【样品描述,如外观、形状、颜色等】三、检测方法本次检测采用了多种相关的检测方法,包括外观检查、色泽评估、气味测试、口感评估、化学成分分析等。
具体测试项目及方法如下:1. 外观检查:对样品的外观进行评估,包括外形、整齐度、颜色等。
2. 色泽评估:使用光度计对样品进行色泽分析,包括色度、亮度等指标。
3. 气味测试:由专业评委对样品进行气味测试,评估其气味特点。
4. 口感评估:通过专业评委品尝样品,评估其口感特点,包括滋味、回甘等方面。
5. 化学成分分析:使用高效液相色谱仪(HPLC)对样品中的主要化学成分进行分析,包括咖啡碱、儿茶素、茶氨酸等。
四、检测结果通过以上测试方法,获得了以下结果:1. 外观检查:样品外形整齐,颜色饱满,表面光滑。
2. 色泽评估:样品色度值为XX,亮度值为XX,表明样品色泽良好。
3. 气味测试:样品散发出浓郁的清香气味,具有独特的茶叶香气。
4. 口感评估:样品滋味醇厚,回甘持久,口感丰富。
5. 化学成分分析:样品中咖啡碱含量为XX mg/g,儿茶素含量为XX mg/g,茶氨酸含量为XX mg/g。
五、结论与建议根据对【茶叶名称】茶叶的质量检测结果,我们得出以下结论和建议:1. 结论:【茶叶名称】茶叶质量优良,外观整齐,色泽良好,气味清香,口感丰富。
2. 建议:推荐客户公司将【茶叶名称】茶叶作为市场主打产品,可以着重宣传其优良的质量特点。
六、附件1. 检测报告原件1份2. 相关检测仪器设备操作记录以上为本次茶叶质量报告的内容,如您对报告结果有任何疑问或需要进一步了解,请随时与我们联系。
福建茶叶质检报告1. 引言茶叶是福建省的传统农产品之一,具有悠久的历史和丰富的品种。
为了保障消费者的权益和提高茶叶的质量,茶叶质检成为一个重要的环节。
本报告对福建茶叶的质检结果进行分析和总结,以便消费者了解茶叶的质量情况。
2. 茶叶原料检查福建茶叶的质量首先取决于茶叶的原料。
茶叶原料检查主要包括外观、色泽、新鲜度等方面的评估。
我们从福建主要产茶地区采集了一定数量的茶叶样品,然后对这些样品进行了外观检查。
2.1 外观检查外观是评估茶叶质量的重要指标之一。
我们主要关注以下几个方面: - 茶叶形状:茶叶形状应整齐,无碎屑或断碎的茶叶。
- 茶叶大小:茶叶大小应相对均匀,不应过大或过小。
- 茶叶颜色:茶叶颜色应鲜绿或乌黑等相应茶叶所需颜色。
通过对样品的外观检查,我们发现大部分福建茶叶的外观符合上述要求,形状整齐、大小均匀、颜色鲜绿。
这表明福建茶叶的原料质量较好。
2.2 色泽检查茶叶的色泽对其品质评估也有重要影响。
我们通过对茶叶样品的色泽检查,主要关注以下几个方面:•颜色鲜艳:茶叶的颜色应鲜艳自然,不应过于暗淡。
•细腻均匀:茶叶的色泽应均匀,没有明显色差。
通过对样品的色泽检查,我们发现福建茶叶的色泽鲜艳自然,没有明显色差,符合茶叶的质量要求。
2.3 新鲜度检查茶叶的新鲜度是指茶叶的保存时间,新鲜度越高,茶叶的品质越好。
我们通过对茶叶样品的新鲜度检查,主要关注以下几个方面:•香气:茶叶应具有浓郁的芳香味。
•湿度:茶叶应具有适当的湿度,不应过于干燥或潮湿。
•叶片弹性:茶叶叶片应具有一定的弹性,不应过于脆弱。
通过对样品的新鲜度检查,我们发现福建茶叶的新鲜度较高,具有浓郁的芳香味,适当的湿度和叶片弹性。
3. 茶叶化验检查茶叶的化验检查是评价茶叶质量的重要手段之一。
我们对福建茶叶样品进行了化验检查,重点关注以下几个指标:3.1 水分含量茶叶的水分含量是评估茶叶新鲜度的重要指标之一。
我们采用标准方法测定了茶叶样品的水分含量,结果显示大部分茶叶的水分含量处于合理范围内,符合质量要求。
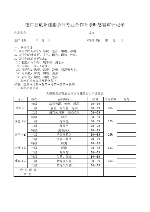
德江县煎茶佳鹏茶叶专业合作社茶叶感官审评记录产品名称:______________ 规格:_______________
生产日期: 年 月 日 审评日期: 年 月 日
一、审评项目
1、茶叶的外形审评:形状、色泽、嫩度、净度。
2、茶叶的内质审评:香气、汤色、滋味、叶底。
3、茶叶的感官审评总结:
(1)把盘:看外形、嗅干香、测水分。
(2)开汤:三克、5分钟。
(3)嗅香气:热嗅、温嗅、冷嗅,以温嗅为主。
(4)看汤色:深浅、明暗、清浊。
(5)评叶底:嫩度、匀度、色泽。
二、茶叶的冲泡方法及品饮程序
绿茶:选具→洁具→观茶→泡茶→赏茶→饮茶。
三、茶叶品质评分
无毫变形绿茶品质评语与各品质因子评分表
审评员:______________。
茶叶感官审评检测报告模板
一、样品信息
样品名称:XXX
样品编号:XXX
采摘日期:XXX
生产厂家:XXX
样品来源:XXX
二、审评目的
本报告旨在评估茶叶的感官品质,包括外形、色泽、香气、滋味和口感等方面,为消费者、生产者和茶叶爱好者提供参考。
三、审评方法
外观审评:将茶叶置于白色瓷盘上,观察其外形、色泽、嫩度、净度等指标。
香气审评:将茶叶冲泡后,通过嗅觉感受其香气的高低、纯度、持久度等指标。
滋味审评:将冲泡后的茶叶汤汁品尝,评估其滋味是否醇厚、回甘等。
口感审评:根据茶叶的口感特点,如鲜爽度、苦涩度、润滑度等进行评价。
综合评价:综合考虑以上指标,对茶叶的总体品质进行评估。
四、审评结果
外观评价:该茶叶外形匀整,色泽翠绿,具有一定的嫩度和净度。
香气评价:该茶叶香气高而持久,具有一定的纯度。
滋味评价:该茶叶滋味醇厚,回甘较快。
口感评价:该茶叶口感鲜爽,苦涩度适中,润滑度较高。
综合评价:综合以上指标,该茶叶品质优良,符合相关标准。
五、结论和建议
根据审评结果,该茶叶品质优良,具有较高的感官品质。
建议在冲泡时适当掌握水温,以充分发挥其香气和滋味的特点。
同时,建议生产者在采摘和加工过程中注重细节控制,以提高产品的整体品质。
六、审评员签名和日期
报告完成日期:XXXX年XX月XX日
审评员签名:XXX。
——黄山毛峰茶中国茶叶流通协会茶叶感官审评报告茶叶品名:黄山毛峰茶茶样等级:特级、一级、二级、三级茶样标准:GB/T 19460-2008“地理标志产品 黄山毛峰茶”茶叶简介:“五岳归来不看山,黄山归来不看岳。
”自古名扬天下的安徽省黄山风景区,常年云雾弥漫,山峰隐于云间,恍若岛屿重叠;古松或倒悬,或惬卧,树形奇特;岩峰由奇险、深幽的山岩聚集而成;温泉水质透明无瑕,味道甘美清冽,常年温度在42℃左右。
黄山毛峰茶的故乡就在安徽省太平县以南、歙县以北的黄山,茶树终日沐浴在云蒸霞蔚之中。
特级毛峰从采摘到精制,功夫极精。
其特点是:外形秀美,每片长约半寸,芽叶肥壮匀齐,细扁稍卷曲,白毫多而显露,尖芽紧偎叶中,形似雀舌,色泽油润光亮,绿中泛微黄。
冲泡时雾气结顶,清香四溢,沁人心脾。
茶汤清澈明亮,香气持久似兰蕙,醇厚爽口,回味甘甜。
可谓“清秀脱俗,茶中仙子”。
开汤后雾气结顶,清香四溢,若惠兰之香,且冲泡后芽叶直竖悬浮,继而徐徐下沉。
“金黄片”和“象牙色”是特级黄山毛峰外形与其他毛峰不同的两大明显特征。
审评方法及程序:参照相关标准并结合黄山毛峰茶品质特点确立审评方法。
即先干评外形,主要评定干茶形状和色泽两项因子。
其次,进行湿评,用沸水将评茶杯碗烫热,随即称取有代表性茶样3.0g,置于150ml 评茶杯中,迅速注满热水(水温80℃左右),并立即用杯盖刮去液面泡沫,加盖。
4 min后,将茶汤沥入评茶碗中,按看汤色→嗅香气→尝滋味→评叶底的顺序评定内质,湿评重点因子为香气和滋味。
最后将杯中叶底倒入叶底盘中,审评叶底。
审评用具:审评杯、审评碗、审评盘、叶底盘、天平、茶匙、汤杯。
中国茶叶流通协会茶叶感官审评室编者按:本栏目依托中国茶叶流通协会实验室和中国茶叶流通协会培训部创办,中国茶叶流通协会实验室作为中央财政支持项目于2008年开始筹建,已配有气相色谱(GC-2010)、液相色谱(HPLC)、紫外分光光度计(UV-2550)、烘箱、分析天平等一系列实验设备、器材,已经能够进行感官审评实验及部分理化成份分析。
茶叶的感官评价实验报告实验目的:本实验旨在对茶叶进行感官评价,包括外观、香气和口感三个方面。
通过实验,我们将对不同茶叶的感官特征进行分析和比较,进一步了解茶叶的品质和特点。
实验材料:1. 不同种类的茶叶样品(例如绿茶、红茶、乌龙茶等)。
2. 专用的茶具(例如茶杯、茶壶、茶盘等)。
3. 清水。
实验步骤:1. 外观评价:将茶叶样品取出,仔细观察其外观特征。
首先,我们可以评估茶叶的整体外形,包括叶片的形状、大小和颜色等。
其次,我们可以观察茶叶的干燥程度和整体的质感,例如是否存在霉变或变黄等情况。
2. 香气评价:将适量的茶叶放入干燥的茶壶中,用开水冲泡。
待茶汤冲泡好后,闻其香气。
我们可以通过嗅闻茶叶散发出的香气来评价其品质。
茶叶的香气应该是清香、芳香和持久的,而不应有刺激性的气味或异味。
3. 口感评价:将冲好的茶汤倒入茶杯中,适当冷却后饮用。
品尝茶叶的口感是评价茶叶品质的重要指标之一。
我们应该关注茶汤的味道、滋味、回甘和喉韵等方面。
好的茶叶应该具有口感鲜爽、滑润、甘甜和持久的特点。
实验注意事项:1. 实验前,需清洗茶具,以确保不会影响对茶叶感官评价的准确性。
2. 实验过程中需使用干燥、干净的杯具,以避免茶叶感受到其他异味的干扰。
3. 实验时应专注于感官体验,记录对茶叶外观、香气和口感的直接感受,避免主观评价的影响。
实验结果:根据实验数据和统计分析,我们可以得到对茶叶的感官评价结果。
茶叶的外观、香气和口感等方面的评价将被整理并进行比较,以确定不同茶叶品种之间的差异和特点。
结论:通过对茶叶的感官评价,我们可以更准确地了解茶叶的品质和特点。
通过对茶叶的外观、香气和口感等方面进行评价和比较,我们可以选择出符合个人口味和喜好的茶叶品种,提升对茶叶的品质要求。
同时,茶叶的感官评价结果也为茶叶生产和销售提供了参考依据。
茶叶产品出厂自检报告单模板基本信息
- 报告单编号:
- 产品名称:
- 生产批次:
- 生产日期:
- 检测日期:
检测项目
1. 外观检测
- 外观质量:合格/ 不合格
- 干燥状态:合格/ 不合格
- 颜色:合格/ 不合格
- 杂质情况:合格/ 不合格
2. 顶芽检测
- 顶芽数目:___(颗)
- 顶芽长度:___(毫米)
- 顶芽发芽情况:合格/ 不合格
3. 香气检测
- 香气浓度:____(评分)
- 香气质量:合格/ 不合格
4. 汤色检测
- 汤色浓度:____(评分)
- 汤色质量:合格/ 不合格
5. 叶底检测
- 叶底颜色:____(颜色描述)
- 叶底均匀度:合格/ 不合格
6. 品质评估
- 评估等级:____(评分)
- 品质分析:____(简要描述)
总结
经过自检,以上茶叶产品在所有检测项目中均为合格。
茶叶产品符合公司的出厂要求,并可投放市场。
备注
- 自检人员:
- 检测设备:
- 检测方法:
- 其他备注:(如果有)签名与日期
- 厂长签名:
- 检测人员签名:
- 日期:。