【CN210026775U】一种档案管理用的档案盒【专利】
- 格式:pdf
- 大小:350.54 KB
- 文档页数:8
专利名称:一种档案管理用收纳盒专利类型:实用新型专利
发明人:陈春梅,朱翠玲
申请号:CN202020241179.0
申请日:20200302
公开号:CN212767467U
公开日:
20210323
专利内容由知识产权出版社提供
摘要:本实用新型涉及档案管理技术领域,且公开了一种档案管理用收纳盒,所述基座底面的四角均固定连接有插销,所述插销的下半端上套接有插座,且插销的上套接有弹簧,四个所述插座的底面与档案盒内壁的底面固定连接,所述档案盒两侧的表面均开设有贯穿至内壁的圆孔,所述档案盒顶面的开口上套接有档案盒盖,所述基座的顶面开设有滑槽。
本实用新型通过基座和螺杆等结构,可以将物品稳定的固定在档案盒内部的中心,以保证重心不偏离档案盒主体,且定位块一侧的v型结构可以有效的夹持物品不易产生位移,通过弹簧和插销等结构,在档案盒发生轻微颠簸震动时,基座在档案盒内可保持稳定的水平状态以保证定位块所夹持的物品不会损坏。
申请人:陈春梅
地址:272000 山东省济宁市金乡县社会保险事业中心
国籍:CN
代理机构:青岛博展利华知识产权代理事务所(普通合伙)
代理人:张弥
更多信息请下载全文后查看。
专利名称:一种档案管理用多功能储存装置专利类型:实用新型专利
发明人:牛司海,周成刚
申请号:CN201921617255.7
申请日:20190926
公开号:CN211323715U
公开日:
20200825
专利内容由知识产权出版社提供
摘要:本实用新型公开了档案管理技术领域的一种档案管理用多功能储存装置,包括箱体,箱体的内腔左右两侧壁上均设置有第一滑轨,箱体的内腔竖直设置有支撑筒,支撑筒的顶部贯穿箱体的顶部并连接设置有干燥剂板,干燥剂板的顶部连接设置有风机,支撑筒的圆周外侧壁上套接有多组调节盒,调节盒的顶部中部设置有固定筒,固定筒位于支撑筒的圆周外侧,调节盒的两侧设置有两组对称的收纳盒,两组收纳盒相互远离的一侧均固接有第一滑块,第一滑块与第一滑轨滑动连接,收纳盒的内腔底部设置有第二滑轨,两组收纳盒的内腔侧壁均固接有两组伸缩杆,即本实用新型提供了一种便于对装置内部干燥的档案管理用多功能储存装置。
申请人:牛司海
地址:276400 山东省临沂市生态环境局沂水县分局
国籍:CN
代理机构:贵阳中新专利商标事务所
更多信息请下载全文后查看。
专利名称:新型档案管理文件箱专利类型:实用新型专利
发明人:王堃
申请号:CN202122529683.8申请日:20211020
公开号:CN216602096U
公开日:
20220527
专利内容由知识产权出版社提供
摘要:本申请公开了新型档案管理文件箱,包括壳体、侧门、透明窗、把手以及定位装置、限位装置和防潮装置,定位装置包括支腿、隔板、固定杆、固定套、安装座、卡槽、第一弹簧、卡块、顶块、侧板和放置板,壳体的一端侧壁铰接有侧门,壳体的内部固定连接隔板,隔板的顶部与壳体的内壁之间固定连接固定杆。
本申请通过透明窗,方便对壳体内部的情况进行查看,通过把手带动铰接的侧门打开,然后将放置板以及侧板通过卡块倾斜插入卡槽内,卡块与顶块的侧壁接触并将第一弹簧压缩蓄力,第一弹簧推动顶块抵紧卡块,从而对卡块的位置进行固定,继而对侧板以及放置板进行固定,通过放置板方便文件的存放。
申请人:王堃
地址:264003 山东省烟台市芝罘区毓璜顶西路6号
国籍:CN
代理机构:石家庄铭创聚诚知识产权代理有限公司
代理人:陈述悦
更多信息请下载全文后查看。
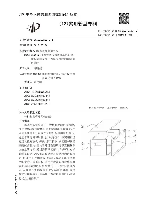
(19)中华人民共和国国家知识产权局(12)实用新型专利(10)授权公告号 (45)授权公告日 (21)申请号 201920282279.5(22)申请日 2019.03.06(73)专利权人 陕西国际商贸学院地址 712046 陕西省西安市西咸新区沣西新城大学园统一西路35号陕西国际商贸学院(72)发明人 潘晓娟 (74)专利代理机构 北京睿博行远知识产权代理有限公司 11297代理人 黄艳丽(51)Int.Cl.B65D 43/06(2006.01)B65D 25/54(2006.01)B65D 25/00(2006.01)B42F 7/14(2006.01)(54)实用新型名称一种档案管理用收纳盒(57)摘要本实用新型公开了一种档案管理用收纳盒,包括盒体,所述盒体的顶部活动连接有盒盖,所述盒盖的底部开设有与盒体配合使用的凹槽,所述盒体的前侧和后侧均开设有拉口。
本实用新型通过设置观察镜、弹簧、第二挡板、移动槽和移动块的配合使用,使用者通过观察镜可以直接观察收纳盒的内部,通过弹簧带动第二挡板可以对档案实现自动压紧,通过移动块在移动槽的内腔滑动,可以便于使用者取出资料,解决了现有档案收纳盒为一体化结构,当使用者需要查看资料时需要将档案盒资料全部拿出一一查找,费事费力,而且缺少对档案自动夹紧功能的问题,该档案管理用收纳盒,具备便于查找档案盒自动夹紧的优点,值得推广。
权利要求书1页 说明书3页 附图4页CN 209701277 U 2019.11.29C N 209701277U权 利 要 求 书1/1页CN 209701277 U1.一种档案管理用收纳盒,包括盒体(1),其特征在于:所述盒体(1)的顶部活动连接有盒盖(2),所述盒盖(2)的底部开设有与盒体(1)配合使用的凹槽(3),所述盒体(1)的前侧和后侧均开设有拉口(4),所述盒体(1)的右侧活动连接有盒板(5),所述盒板(5)的右侧固定连接有观察镜(6),所述盒板(5)的左侧固定连接有滑动机构(7),所述盒体(1)内壁的底部活动连接有活动板(8),所述活动板(8)顶部的左侧固定连接有第一挡板(9),所述活动板(8)顶部的右侧活动连接有第二挡板(10),所述第二挡板(10)的底部固定连接有两个活动块(11),所述活动板(8)的底部开设有与活动块(11)配合使用的活动槽(12),所述活动块(11)的右侧固定连接有弹簧(13),所述弹簧(13)的右侧与活动槽(12)的内壁固定连接,所述活动板(8)顶部的右侧开设有拉槽(14)。
(19)中华人民共和国国家知识产权局(12)实用新型专利(10)授权公告号 (45)授权公告日 (21)申请号 201920566915.7(22)申请日 2019.04.24(73)专利权人 河南科技学院地址 453000 河南省新乡市红旗区五一路东段(72)发明人 马秋妍 马根喜 李冰 (74)专利代理机构 成都其高专利代理事务所(特殊普通合伙) 51244代理人 廖曾(51)Int.Cl.B42F 7/14(2006.01)(54)实用新型名称一种能够防火的档案存放盒(57)摘要本实用新型公开了一种能够防火的档案存放盒,包括盒体、隔板,所述盒体的内部固定连接有多个隔板,所述盒体的内部固定连接有顶板,相邻两个所述隔板之间形成有空腔,所述空腔的内部活动连接有压板,所述压板的顶部固定连接弹簧的底部,所述弹簧的顶部固定连接安装板的底部,所述顶板的顶部固定连接多个干燥板的底部。
该能够防火的档案存放盒,通过弹簧的弹力和压板可以保证档案的稳定,防止档案在存放盒内晃动导致凌乱,影响档案的正常整理,通过干燥板可以保证盒体内部的干燥,防止盒体内部潮湿影响档案的放置,增加了档案的储放时间,过提手方便了存放盒的提放。
权利要求书1页 说明书5页 附图2页CN 210257737 U 2020.04.07C N 210257737U权 利 要 求 书1/1页CN 210257737 U1.一种能够防火的档案存放盒,包括盒体(1)、隔板(2)、顶板(3),其特征在于:所述盒体(1)的内部连接有多个隔板(2),所述盒体(1)的内部连接有顶板(3),相邻两个所述隔板(2)之间形成有空腔(4),所述空腔(4)的内部活动连接有压板(5),所述压板(5)的顶部连接弹簧(6)的底部,所述弹簧(6)的顶部连接安装板(7)的底部;所述顶板(3)的顶部连接多个干燥板(8)的底部,所述盒体(1)的底部连接多个支撑柱(9)的顶部,所述支撑柱(9)的底部连接阻尼垫(10)的顶部,所述盒体(1)的内部安装有门板(11),所述门板(11)的外表面连接密封环(12)的内表面,所述有门板(11)的前侧设置有手柄(13)。
(19)中华人民共和国国家知识产权局(12)实用新型专利(10)授权公告号 (45)授权公告日 (21)申请号 201920538422.2(22)申请日 2019.04.19(73)专利权人 广西科技大学地址 545000 广西壮族自治区柳州市东环大道268号(72)发明人 吴却 赵萃 (74)专利代理机构 北京众合诚成知识产权代理有限公司 11246代理人 王攀(51)Int.Cl.B42F 9/00(2006.01)(54)实用新型名称一种档案管理用收纳盒(57)摘要本实用新型公开了一种档案管理用收纳盒,涉及到档案管理设备领域,包括收纳盒本体,所述收纳盒本体的上方设有与之相匹配的盒盖,收纳盒本体的内部通过多组隔板隔成多组隔槽,本实用新型中收纳盒本体中的隔板可向左移动,在档案文件放置在隔槽中时通过左移隔板压紧,实现固定,固定结构稳固,防止了档案文件掉落或者被风吹落的现象,解决了不必要的麻烦;本实用新型中滑板拆装方便,便于维护,且可将滑板拆除直接进行使用,在档案文件存放在柜体中时则将滑板拆除,节省存储空间。
权利要求书1页 说明书2页 附图2页CN 210026780 U 2020.02.07C N 210026780U权 利 要 求 书1/1页CN 210026780 U1.一种档案管理用收纳盒,包括收纳盒本体(1),其特征在于:所述收纳盒本体(1)的上方设有与之相匹配的盒盖(2),收纳盒本体(1)的内部通过多组隔板(3)隔成多组隔槽(4),所述隔板(3)呈矩形板状结构活动设置在收纳盒本体(1)的内部,收纳盒本体(1)的前侧面设有滑槽(5),滑槽(5)中设置有滑板(6),滑板(6)的前侧表面右端固定焊接有移动板(8),移动板(8)的右侧面前端固定焊接有拉伸弹簧(12),拉伸弹簧(12)的右侧面固定焊接在固定板(9)的左侧面,移动板(8)的右侧面后端活动贴合有调节螺钉(10),调节螺钉(10)的右端穿过固定板(9)的右侧表面设置,且调节螺钉(10)和固定板(9)之间通过螺纹配合连接。
专利名称:一种档案管理用的档案盒专利类型:实用新型专利
发明人:吴文会,吴富东
申请号:CN201721361084.7
申请日:20171022
公开号:CN207496320U
公开日:
20180615
专利内容由知识产权出版社提供
摘要:本实用新型公开了一种档案管理用的档案盒,包括盒体,所述盒体侧壁转动连接有盒盖,所述盒盖设置于盒体的开口处的侧壁上,所述盒体的底部设有第一滑槽,所述第一滑槽的一端内壁与弹性件的一端连接,所述弹性件设置于第一滑槽靠近盒盖的一端内壁上,所述第一滑槽内设有第一滑块,所述第一滑块的侧壁与弹性件的另一端连接,所述第一滑块的上端设有放置板,所述第一滑块远离弹性件的一端侧壁上连接有钢丝,所述第一滑槽的底部转动连接有第一转动杆,且第一转动杆设置于第一滑槽远离盒盖的一端内,所述第一转动杆上套接有绕线辊,且绕线辊位于第一滑槽内。
本实用新型不仅能对档案进行有效的固定,而且还便于档案的存取。
申请人:九江职业大学
地址:332000 江西省九江市濂溪大道88号
国籍:CN
代理机构:厦门智慧呈睿知识产权代理事务所(普通合伙)
代理人:郭福利
更多信息请下载全文后查看。
专利名称:一种档案管理装置专利类型:实用新型专利
发明人:王翀
申请号:CN201520680813.X 申请日:20150906
公开号:CN204930849U
公开日:
20160106
专利内容由知识产权出版社提供
摘要:本实用新型属于档案管理技术领域,具体是一种方便查找档案的档案管理装置。
本实用新型包括箱体,所述的箱体设置有柜门,箱体的内部设置有上、中、下三层结构,每层之间通过隔板隔开,箱体的上层右侧设置有控制面板,控制面板安装有指纹识别器,箱体的上、中、下三层结构分别固定有档案存放架,每个档案存放架的下端安装有LED提示灯,所述LED提示灯与控制面板通过导线连接。
本实用新型通过识别档案员的指纹,方便查找到对应的档案材料。
另外,本实用新型制造成本不高,结构简单,实用性强,本实用新型适合在相关技术领域推广应用。
申请人:王翀
地址:065201 河北省三河市燕郊开发区防灾科技学院宿舍2号楼2单元231号
国籍:CN
更多信息请下载全文后查看。
专利名称:一种新型人事档案管理箱专利类型:实用新型专利
发明人:汪敬
申请号:CN201922094100.6
申请日:20191128
公开号:CN211269339U
公开日:
20200818
专利内容由知识产权出版社提供
摘要:本实用新型公开了一种新型人事档案管理箱,包括箱体和箱门,所述箱体的前端内部安装有箱门,所述箱门的前端外壁上设置有拉手,所述拉手下侧的箱门前端外壁上设置有锁孔,所述箱门下侧的箱体前端内部设置有拉伸抽屉,所述箱门后端的箱体内部设置有置物板,通过在档案管理箱内部加装固定分类装置,固定在置物板上的连接槽能够起到固定支撑档案的作用,即使只有少量的档案放在管理箱内部,也能够通过连接槽斜放在管理箱内部,方便对档案的查找,当有大量的档案放在管理箱内部时,可以将不同的档案用翻折板通过翻折杆转到连接槽的上端这样来分类,不同的档案用翻折板隔开,这样在查找档案时就能够节省很多时间。
申请人:汪敬
地址:635002 四川省达州市通川区西外御菁园7-14-6
国籍:CN
代理机构:合肥律众知识产权代理有限公司
代理人:刘苗
更多信息请下载全文后查看。
专利名称:一种档案管理用文件摆放装置专利类型:实用新型专利
发明人:应朝霞
申请号:CN201921629737.4
申请日:20190927
公开号:CN211021614U
公开日:
20200717
专利内容由知识产权出版社提供
摘要:本实用新型公开了一种档案管理用文件摆放装置,包括摆放架,所述摆放架的内部设置有放置板,且放置板的前端外表面设置有标签放置盒,所述标签放置盒的上端外表面设置有放置口,且标签放置盒的前端外表面设置有透明板。
本实用新型的有益效果是:设置了标签放置盒能够放置写有文件类型的名称的标签,使用者根据标签上的文件类型名称更加方便快捷的找取所需要的档案文件,同时当单层的放置板上没有放满同一类型的档案文件,放置板上有空档则容易导致排放在放置板上的档案文件倾倒从摆放架上掉落下来,从而设置的抵压板能够将排放在放置板上的档案文件抵压固定住,可以避免档案文件从放置板上倾倒掉落的情况发生。
申请人:应朝霞
地址:434000 湖北省荆州市工农路22号
国籍:CN
代理机构:成都明涛智创专利代理有限公司
代理人:丁国勇
更多信息请下载全文后查看。
专利名称:一种用于档案管理的档案袋专利类型:实用新型专利
发明人:武凡芝
申请号:CN202122733514.6
申请日:20211109
公开号:CN216467025U
公开日:
20220510
专利内容由知识产权出版社提供
摘要:本实用新型公开了一种用于档案管理的档案袋,属于档案管理技术领域,包括第一袋板、侧袋板、第二袋板、第一承重板和弹性拉片,所述第一袋板的两侧粘贴连接有侧袋板,且侧袋板的一侧粘贴连接有第二袋板,并且第二袋板的外侧粘贴连接有第二缠线片,所述第一袋板的上方粘贴连接有顶部封片,且顶部封片的外侧连接有第一缠线片。
该用于档案管理的档案袋,通过第一承重板与第二承重板构成的卡合式滑动结构,在卡合柱对第一承重板与第二承重板的卡合固定作用下,使得工作人员可以控制第一袋板与第二袋板的间距,通过侧袋板呈“M”形结构设置,使得该用于档案管理的档案袋内部空间大小可以调节,从而使得该用于档案管理的档案袋更加实用。
申请人:武凡芝
地址:273500 山东省济宁市邹城市太平东路2666号邹城市为民服务中心
国籍:CN
更多信息请下载全文后查看。
专利名称:一种档案管理用档案袋专利类型:实用新型专利
发明人:张克龙
申请号:CN202122102118.3
申请日:20210901
公开号:CN216001962U
公开日:
20220311
专利内容由知识产权出版社提供
摘要:本实用新型涉及档案管理技术领域,具体为一种档案管理用档案袋,包括第一档案袋,所述第一档案袋的顶部固定连接有连接头,所述第一档案袋的一侧固定连接有第一连接块,所述第一连接块的一侧固定连接有第一磁铁。
该档案管理用档案袋,通过第一档案袋、第一连接块、第一磁铁、第二档案袋、插片、插座、第一魔术贴、第二魔术贴、第二连接块和第二磁铁,能够对同一种资料全部进行一起存放和收纳,提高档案袋收纳的效果好容量,避免档案袋无法全部装入所有文件或者材料,需要使用多个档案袋,从而造成不便于管理及后续查档使用的情况,不仅方便使用者归类收纳,同时也方便使用者对其进行拆卸拿取,进一步提高了使用的灵活性和效果。
申请人:张克龙
地址:214021 江苏省无锡市梁溪区锦明路锦明南苑北侧(无锡市兰台档案管理服务有限公司)国籍:CN
代理机构:合肥市科融知识产权代理事务所(普通合伙)
代理人:王前程
更多信息请下载全文后查看。
专利名称:一种新型人事档案管理箱专利类型:实用新型专利
发明人:何洋芳
申请号:CN202020406594.7
申请日:20200326
公开号:CN212521244U
公开日:
20210212
专利内容由知识产权出版社提供
摘要:一种新型人事档案管理箱,包括顶部设置开口的箱体和通过合页转动覆盖在开口上的箱盖,箱体的左右两端顶部边沿分别固定有水平的把手,箱体底部的左右两端的前后两侧各支撑有尖部相对的支撑钩,箱体顶部开口边沿分别固定有对应插入支撑钩的钩槽,钩槽内分别设置有对称的水平固定插杆,固定插杆位于各条钩槽对应的弹簧腔内,且可在弹簧腔内自由滑动,固定插杆的外端延伸至钩槽内,内端则通过弹簧固定在弹簧腔内,对称的固定插杆相对一端通过拉紧状态的拉绳固定连接,拉绳的中间部位位于竖直的插杆槽内。
本实用新型既方便将上下两个档案管理箱固定连接在一起,又方便拿取时分离两个档案管理箱,更好地满足档案管理使用。
申请人:何洋芳
地址:471000 河南省洛阳市瀍河区启明南路82号
国籍:CN
代理机构:济南旌励知识产权代理事务所(普通合伙)
代理人:单玉刚
更多信息请下载全文后查看。
(19)中华人民共和国国家知识产权局(12)实用新型专利(10)授权公告号 (45)授权公告日 (21)申请号 201920633292.0(22)申请日 2019.05.06(73)专利权人 菏泽学院地址 274015 山东省菏泽市牡丹区大学路2269号(72)发明人 姜春黎 (74)专利代理机构 合肥市科融知识产权代理事务所(普通合伙) 34126代理人 陈思聪(51)Int.Cl.B42F 7/00(2006.01)(54)实用新型名称一种档案管理用快速存取托架袋(57)摘要本实用新型涉及档案装具技术领域,具体的公开了一种档案管理用快速存取托架袋,包括袋体和盖子,盖子连接在袋体的顶部,盖子可以在袋体顶部转动,盖子的端部连接有翻盖。
盖子转动盖在袋体的顶部,翻盖转动贴在袋体的近端。
袋体前后两端固设有第二磁条,多个文件袋上的第二磁条可以相互吸引,第二磁条的设置,便于托架内部多个文件袋紧密接触,从而节约放置空间,提高了托架的利用率。
袋体的左端固设有第一磁条,第一磁条可以吸附专用托架内部的铁片上,从而使文件袋放置整齐。
本实用新型优点:结构简单,操作方便,摆放整齐,空间利用率高,便于实施推广。
权利要求书1页 说明书3页 附图3页CN 210309643 U 2020.04.14C N 210309643U权 利 要 求 书1/1页CN 210309643 U1.一种档案管理用快速存取托架袋,包括袋体(1)和盖子(2),盖子(2)连接在袋体(1)的顶部,盖子(2)的端部连接有翻盖(4),其特征在于,袋体(1)前后两端固设有第二磁条(9),袋体(1)的左端固设有第一磁条(8)。
2.根据权利要求1所述的一种档案管理用快速存取托架袋,其特征在于,翻盖(4)上固设有铁片(3),袋体(1)的上端固设有磁铁(5)。
3.根据权利要求2所述的一种档案管理用快速存取托架袋,其特征在于,磁铁(5)的外围设置有开袋组件(10)。
(19)中华人民共和国国家知识产权局
(12)实用新型专利
(10)授权公告号 (45)授权公告日 (21)申请号 201920399359.9
(22)申请日 2019.03.27
(73)专利权人 王莉莉
地址 277000 山东省枣庄市薛城区太行山
路2666号枣庄市中医医院
(72)发明人 王莉莉
(74)专利代理机构 济南旌励知识产权代理事务
所(普通合伙) 31310
代理人 牛传凯
(51)Int.Cl.
B42F 7/14(2006.01)
(54)实用新型名称
一种档案管理用的档案盒
(57)摘要
本实用新型公开了一种档案管理用的档案
盒,包括收纳盒和壳体,壳体的外侧壁插接于收
纳盒内,壳体的上表面开设有放置槽,放置槽的
左侧壁一体成型有限位板,通过限位板的限位,
能够对放置到放置槽的档案进行限制,通过滑动
滑板,使卡槽将档案的边沿进行遮挡,推动滑板
能够对档案进行整理,也能够将档案固定在放置
槽内,避免档案在放置槽内晃动,将壳体插入到
收纳盒内,能够对档案进行防护,避免档案暴露
在外部,也能够在运输或者存储时避免出现档案
内文件的损坏,通过转杆、卡块、环形卡槽和缺口
的配合使用,使壳体卡在收纳盒内,避免壳体脱
离收纳盒,
进一步对档案进行防护。
权利要求书1页 说明书3页 附图3页CN 210026775 U 2020.02.07
C N 210026775
U
权 利 要 求 书1/1页CN 210026775 U
1.一种档案管理用的档案盒,其特征在于:包括收纳盒(1)和壳体(2),所述壳体(2)的外侧壁插接于收纳盒(1)内,所述壳体(2)的上表面开设有放置槽(3),所述放置槽(3)的左侧壁一体成型有限位板(4),所述放置槽(3)的右侧壁固定安装有固定板(5),所述固定板(5)的上表面开设有两个对称的滑槽(6),所述滑槽(6)的内侧壁滑动连接有滑块(7),所述滑块(7)的外侧壁铰接有连接杆(8),所述放置槽(3)的内侧壁滑动连接有滑板(9),所述滑板(9)的左侧壁开设有卡槽(10),所述连接杆(8)的左端与滑板(9)铰接,所述滑块(7)的外侧壁开设有通孔(11),所述通孔(11)的内侧壁插接有限位杆(12),所述放置槽(3)的右侧壁固定连接有均匀分布的限位块(13)。
2.根据权利要求1所述的一种档案管理用的档案盒,其特征在于:所述壳体(2)的上表面开设有两个对称的弧形凹槽(14),所述弧形凹槽(14)的下表面与开设有条形开口(15)。
3.根据权利要求1所述的一种档案管理用的档案盒,其特征在于:所述壳体(2)的前、后侧壁均转动连接有转杆(16),所述转杆(16)的外侧壁固定连接有卡块(17),所述转杆(16)的外侧壁固定连接有把手(18),所述收纳盒(1)的外侧壁开设有与转杆(16)相匹配的缺口(19),所述缺口(19)的内侧壁开设有与卡块(17)相匹配的环形卡槽(20)。
4.根据权利要求1所述的一种档案管理用的档案盒,其特征在于:所述滑板(9)的前表面固定连接有固定块(21)。
5.根据权利要求3所述的一种档案管理用的档案盒,其特征在于:所述卡块(17)的厚度与环形卡槽(20)的内径相同。
2。