发电机复压过流(带记忆)1T
- 格式:doc
- 大小:145.00 KB
- 文档页数:3
主变复合电压过流保护
一、保护原理
变压器电压闭锁过流保护主要作为变压器相间故障的后备保护。
当为双绕组时,一般装设在高压侧。
当为三绕组时,可以每侧分别安装。
其逻辑图见图一。
图一变压器复合电压过流保护逻辑图
二、一般信息
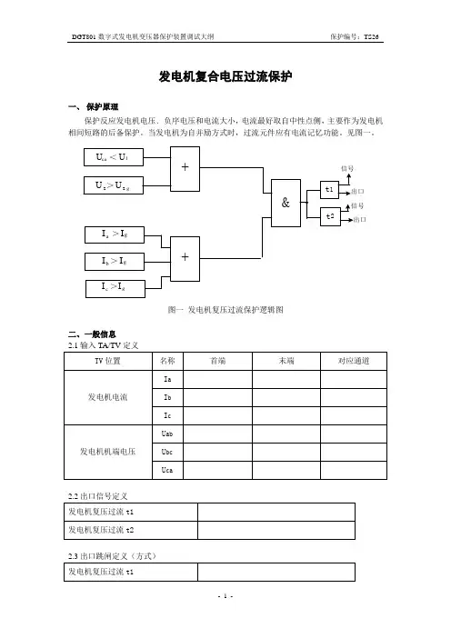
2.1输入TA/TV定义
2.2出口信号定义
注:对应的保护压板插入,保护动作时发信并出口跳闸;对应的保护压板拔掉,保护动作时只发信,不出口跳闸。
2.6投入保护
开启液晶屏的背光电源,在人机界面的主画面中观察此保护是否已投入。
(注:该保护投入时其运行指示灯是亮的。
)如果该保护的运行指示灯是暗的,在“投退保护”的子画面点击投入该保护。
2.7参数监视
点击进入主变复压过流保护监视界面,可监视保护的整定值,电流,电压,以及负序电压计算值等有关信息。
三、保护动作整定值测试
3.1 相电流定值测试
无电压输入,低电压判据满足,分别输入三相电流,缓慢增加,直至主变复压过流保护出口动作,记录数据:
3.2 低电压定值测试
使某一相电流超过整定值,加CA相电压为额定电压,缓慢降低,直至主变复压过流保护出口动作,记录数据填表:
3.3 负序电压动作值测试
使某一相电流超过整定值,外加三相不平衡电压,直至主变复压过流保护出口动作,记录数据填表:(注:因为低电压判据和负序电压判据为或门关系,测试负序电压定值时,请将低电压定值改小,再做此项测试)
四、动作时间定值测试
保护出口方式是否正确(打“√”表示):正确□错误□保护信号方式是否正确(打“√”表示):正确□错误□。
发电机复合电压启动过电流保护误动原因邵彬;柳海鹏【摘要】介绍了乌鲁瓦提水电厂发电机复压启动过电流保护结构和原理,分析了一起区外故障引起发电机复压启动过电流保护误动原因.该故障主要原因是负序电压继电器定值整定偏低,通过修正定值、改变保护出口方式、拆除电流记忆回路等措施,彻底解决了误动问题,为电网的安全稳定运行提供了保证.【期刊名称】《东北电力技术》【年(卷),期】2010(031)009【总页数】5页(P28-31,52)【关键词】发电机保护;复压过流;动作;原因分析;处理【作者】邵彬;柳海鹏【作者单位】乌鲁瓦提水力发电厂,新疆,和田,848000;乌鲁瓦提水力发电厂,新疆,和田,848000【正文语种】中文【中图分类】TM311%TM307+.3乌鲁瓦提水电厂位于新疆和田喀拉喀什河上游,距离和田市74 km。
电厂安装4台混流式立轴水轮发电机组,总装机容量为4×15 MW,发电机额定电压10.5 kV。
发电机与主变采用两机一变扩大单元接线,主变容量为2×40 000 kVA,原110 kV出线2回,110 kV侧为内桥接线,后增加1回出线(乌兵线1925),110 kV侧接线变为非标准接线(如图1所示)。
发电机保护主要由纵联差动保护、复压电压启动过电流保护、失磁保护、过励保护、定子过电压保护、过负荷保护、转子一点接地保护、定子单相接地保护、电压互感器断线保护等构成。
1 事故经过2009年5月19日,1~4号发电机10 kV厂区1线1011、2线1012,110 kV乌和线1929、乌拉线1918、乌兵线1925运行,1号、2号主变、1号厂变运行,2号厂变停运。
13:51,乌拉线1918侧发生短路故障,引起2号发电机复合电压启动过电流Ⅱ段保护动作,导致110 kV乌拉线断路器1918、110 kV乌兵线断路器1925、110 kV母联断路器1150、1号发电机出口断路器01DL、2号发电机出口断路器02DL、10 kV厂区1线断路器1011、1号厂变101CB跳闸,厂用电消失。
发电机复压过流处理方法保护反应相间短路故障,作为差动等保护的后备保护。
包括以下元件:1、电压取自本侧的YH或变压器各侧的YH。
动作判据:动作值小于低电压元件整定值。
2、负序电压元件,电压取自本侧或变压器各侧,动作判据:动作值大于负序电压元件整定值。
3、过流元件,电流取自本侧的LH,任一相电流大于过流定值。
保护原理?保护反应发电机电压?负序电压和电流大小,电流最好取自中性点侧,主要作为发电机相间短路的后备保护。
当发电机为自并励方式时,过流元件应有电流记忆功能。
见图一。
发电机一般都设置过负荷保护和过电流保护。
过负荷作为发电机异常运行工况下的过负荷保护,动作于信号或自动减负荷。
而过电流一方面作为发电机的近后备保护,同时作为相临元件的远后备保护,要求过电流保护的定值对相邻元件的短路故障应有必要的灵敏度。
由于发电机外部短路引起的过电流和发电机异常运行出现的过负荷电流在数值上差别不大,因此,为了区别过负荷和过电流,过电流保护就需要装设低电压元件(对称短路)和负序电压元件(不对称短路)作为闭锁元件(也称为起动元件),构成所谓复合电压闭锁(起动)过电流保护,该保护须低电压元件或负序电压元件与过电流元件同时动作时,才能出口动作于跳闸。
复合电压闭锁记忆过电流保护,作为发电机内部短路故障和区外短路故障的后备保护。
当发电机励磁采用自并励系统时,由于励磁变接在发电机出口,当外部发生短路故障而主保护拒动时,按理正常后备保护应动作,可由于短路故障造成发电机出口电压降低,引起励磁变的输出减少,造成发电机励磁电流减少,进而使发电机定子电流减少,不能维持短路电流,从而使保护返回,造成后备保护也拒动。
为此在复合电压闭锁过电流保护中设计了记忆过流功能,使保护装置能记忆故障初的短路电流而忽略以后的电流。
发电机复合电压过流保护
一、保护原理
保护反应发电机电压﹑负序电压和电流大小,电流最好取自中性点侧,主要作为发电机相间短路的后备保护。
当发电机为自并励方式时,过流元件应有电流记忆功能。
见图一。
图一发电机复压过流保护逻辑图
二、一般信息
注:对应的保护压板插入,保护动作时发信并出口跳闸;对应的保护压板拔掉,保护动作时只发信,不出口跳闸
2.5
2.6投入保护
开启液晶屏的背光电源,在人机界面的主画面中观察此保护是否已投入。
(注:该保护投入时其运行指示灯是亮的。
)如果该保护的运行指示灯是暗的,在“投退保护”的子画面点击投入该保护。
2.7参数监视
点击进入发电机复合电压过流保护监视界面,可监视保护的整定值,电流,电压,以及负序电压计算值等信息。
三、保护动作整定值测试
3.1 相电流定值测试
无电压输入,低电压判据满足,分别输入三相电流,并缓慢增加,直至发电机复合电压过流保护出口动作,记录数据填表:
3.2 低电压定值测试
加某一相电流超过整定值,加CA相电压为额定电压,缓慢降低,直至发电机复压过流保护出口动作,记录数据填表:
3.3 负序电压定值测试
使某一相电流超过整定值,外加三相不平衡电压,直至发电机复压过流保护出口动作,记录数据填表:(注:因为低电压判据和负序电压判据为或门关系,测试负序电压定值时,请将低电压定值改小,再做此项测试)
3.4 动作时间定值测试
保护出口方式是否正确(打“√”表示):正确□错误□
保护信号方式是否正确(打“√”表示):正确□错误□。
收稿日期:2009-06-15作者简介:熊华强(1972-),男,高级工程师,长期从事继电保护现场调试与运行维护工作。
由一次复压记忆过流保护误动引发的思考熊华强,李升健,王治(江西省电力科学研究院,江西南昌330096)摘要:本文通过介绍发生在某电厂的一次事故,详细地分析了此次事故中发电机复压记忆过流保护误动的原因,并从此保护动作行为及原理、整定的方式等方面着手,分析该保护目前存在的缺陷及容易忽视的问题,最后提出了相应的解决方案。
关键词:故障;复压记忆过流保护;措施中图分类号:TM77文献标识码:BAbstract :An accident happened in thermal power plant is presented .According to the accident ,the paper analyzed the reason of the accident as well as defects in the protection.At last,solutions are proposed.Key words :fault;repressing overcurrent protection;solution0引言在自并励发电机组中,励磁电源取自机端电压,当发电机出口短路时,引起发电机机端电压下降,此时励磁电源电压也随着下降,造成发电机励磁电流减少,进而使机端不能继续维持较大的短路电流,可能会使发电机复压过流保护返回,造成拒动。
为此,目前应用的发电机复压过流保护普遍采用了电流记忆功能,来记忆故障初始短路电流,保证可靠的保护动作。
但很多继电保护工作者在保护调试和整定工作中,误将发变组接线的发电机复压记忆过流等同于变压器复压过流保护看待或误将发电机出口有开关等同于发变组接线看待,造成不必要的保护误动,归根结底,就是忽视了发电机复压过流保护的电流记忆功能。
如调继[2009]239号文下发的《国家电网公司系统继电保护近年来典型故障通报》中通报的2008年12月6日陕西电网330kV 铜川电厂1号发电机过流保护误动,就是一起典型的发电机复压过流保护误动事例。
1#、2#发电机保护装置调试中发现的问题
1、发电机复合电压过流t1=3.3秒,根据定值要求跳10KV母线分段开关。
T2=3.6秒全停,同时应关闭主汽门。
2、发电机失磁保护在t2时间按定值单要求,需将跳闸改为发信号。
3、发电机3I0定子接地保护定值要求延时0.5s后跳闸,装置为发信号。
同时应关闭主汽门。
4、主汽门关闭,动作发电机跳闸,需改为报警。
5、发电机保护装置没有过电压保护。
没有过压保护定值。
6、发电机转子一点接地只发信号不需跳闸。
发电机保护功能中的几点修改内容
一、发电机保护动作后,对于作用于跳闸的保护,保护装置逻辑
上有的关闭主汽门,有的不关闭主汽门的问题,要求所有动作于发电机跳闸的所有保护,同时要关闭主汽门,以防止发电突然解裂后造成汽轮机超速。
此功能由保护装置厂家完成。
同时增加发电机过电压保护功能(动作信号)。
二、对于汽机“主汽门关闭”后,发电机保护装置逻辑上动作发电机跳闸问题,要求汽机“主汽门关闭”后,只发信号不需跳闸。
三、保护定值方面的修改:
1、发电机失磁保护:将两个动作时限t1(0.2秒发信、切换厂用电减出力)、t2(3秒发信)合并成一个时限3秒发信。
2、转子一点接发保护:将两个动作时限t1(3秒发信)、t2(5秒跳闸)改为发信号而不跳闸。
当出现转子回路一点接地时,投入两点接地保护。
3、增加发电机过电压保护(动作信号)。
发电机低压过流(记忆)保护
一、保护原理
保护反应发电机电压和电流大小,电流最好取自中性点侧,主要作为发电机相间短路的后备保护。
当发电机为自并励方式时,过流元件应有电流记忆功能。
见图一。
出口
图一发电机低压过流保护逻辑图
二、一般信息
2.4保护出口压板定义
只发信,不出口跳闸。
2.6投入保护
开启液晶屏的背光电源,在人机界面的主画面中观察此保护是否已投入。
(注:该保护投入时其运行指示灯是亮的。
)如果该保护的运行指示灯是暗的,在“投退保护”的子画面点击投入该保护。
2.7参数监视
点击进入发电机低压过流保护监视界面,可监视保护的整定值,电流,电压等信息。
三、保护动作整定值测试
3.1 相电流定值测试
分别输入三相电流,并缓慢增加,直至发电机低压过流保护出口动作,记录动作数据,填表:
3.2 低电压定值测试
使某一相电流超过整定值,加三相电压为额定电压,缓慢降低某组线电压,直至变压器低压过流保护出口动作,记录数据填表:
3.3 动作时间定值测试
在发电机机端侧突然加1.5倍定值电流,记录动作时间。
3.4 电流记忆时间定值测试
分别在A、B、C相加电流使保护动作,突然撤掉电流,测试保护返回时间
保护出口方式是否正确(打“√”表示):正确□错误□
保护信号方式是否正确(打“√”表示):正确□错误□
电流记忆逻辑是否正确(打“√”表示):正确□错误□。
发电机复合电压启动过流保护误动原因发表时间:2017-01-18T13:44:54.170Z 来源:《电力设备》2016年第23期作者:卢端臣[导读] 保护动作后果为跳500千伏总线和线路开关。
(西德源府谷能源有限公司陕西榆林 619407)摘要:过流保护不仅作为发电机由于外部由故障或负载不平衡引起的负序电流引起的过热保护,还是发电机与相邻设备不对称短路后制备的保护。
其中,发电模式保护应在电气条件下关闭电力运行模式保护也应锁定在发电模式。
保护动作后果为跳500千伏总线和线路开关。
关键词:发电机;复合电压启动;过流保护误动前言由于电站所接人的电网系统容量较小,网架结构不完善,常需要分网运行,因线路故障跳闸引起的水轮发电机组保护动作情况时有发生,致使发电机组事故停机,扩大了事故的范围,也大幅增加了发电机组恢复供电的时间,不利于机组的经济运行,同时事故停机次数增加也不利于机组的安全稳定运行。
1发电机复压过流保护误动的情况自并励发电机,宜采用带电流记忆的复压过电流保护。
该电厂发电机的励磁方式为自并励,因此复压过流保护应该选用带电流记忆的复压过流保护。
但在2014年前,该电厂复压过流保护的带电流记忆功能并未投入。
不过,在之后投入带电流记忆功能的一年中,该保护误动次数高达11次。
当线路故障保护动作跳闸后,该保护负序电压仍然保持在较高值,由于此时故障电流带记忆,造成该保护误动。
事后检查录波曲线,发现在线路故障跳闸后,负序电压仍长时间地保留,直至保护动作,机组解列停机,后对该保护进行校验,保护装置动作正常,未发现负序电压衰减缓慢的情况;但在改变输入电压的频率时,发现负序电压大幅增加。
因此,分析该保护误动原因:当线路保护动作跳闸后,机组远方甩负荷,调速器根据调节特性进行调节,机组频率大幅变化,造成负序电压增大达到整定值,并维持在此定值之上,加上之前瞬时出现的故障电流带记忆,当高负序电压持续时间到达整定值时,该保护动作出口。
发电机微机复合压启动的过电流保护原理及整定方法浙江旺能环保股份有限公司作者:周玉彩一、复合压启动的(记忆)过电流保护基本作用原理发电机复压(记忆)过流保护电流元件取发电机中性点侧定子电流,低电压或复合电压取自机端。
保护作发电机、发电机变压器组相间短路故障的后备保护。
1)复合电压元件满足下列条件之一时,复合电压元件动作。
U「::U op U op为低电压整定值,U1为三个线电压中最小的一个;U2A U2.OP U2.op为负序电压整定值,U2为负序电压(取相电压值)。
2)过流元件过流元件接于电流互感器二次三相回路中,当任一相电流满足下列条件时,保护动作。
I I op l°p为动作电流整定值。
3)TV异常复压闭锁机端TV出现异常时,复合电压是否动作取决于“ TV异常复压闭锁元件”控制字的整定。
“ TV异常复压闭锁元件”控制字的整定及含义:TV异常复压闭锁元件为“ 1”一TV异常后闭锁复压元件判据判别,闭锁保护动作;TV异常复压闭锁元件为“ 0”一TV异常后复压元件满足动作条件,保护为过流保护。
二、复压(记忆)过流保护逻辑框图见图1:发电机复压(记忆)过流保护作为发电机的后备保护,当用于自并励发电机的后备保护时,电流带记忆功能。
复压(记忆)过流保护由复合电压元件、三相过流元件“与”构成,过流的记忆功能可投退。
复压(记忆)过流保护配有两段各一时限,若保护出口跳分段或母联时,应不投入记忆功能。
发电机复压过流保护整定: 1、低电压元件整定:低电压元件为最小线电压,按躲过最低运行电压整定。
1) 对于汽轮发电机,动作电压可按下式整定: Uop=0.6Ug n2) 对于水轮发电机,动作电压可按下式整定: Uop=0.7Ugn式中Ugn 为发电机机端电压互感器变比。
灵敏系数按主变压器高压侧母线三相短路的条件校验。
Kse n=Uop/l ⑶k.max x Xt式中:I ⑶k.max 为主变高压侧母线金属性三相短路时的最大短路电流;Xt为变压器电抗,取X t = Zt 。
复压过流保护原理
复压过流保护是电力系统中的一种重要保护装置,它能够有效地保护电力设备
和线路不受过电流的损害。
复压过流保护原理是基于电流大小和时间特性来进行动作的,下面将详细介绍复压过流保护的原理和工作方式。
首先,复压过流保护是基于电流大小来进行动作的。
在电力系统中,当电流超
过设定值时,就会触发保护装置进行动作,从而切断故障电路,保护设备和线路不受损害。
复压过流保护通常设有多个动作段,每个段的设定值和动作时间都不同,以适应不同的故障情况。
当电流超过设定值时,对应的动作段将会被触发,从而实现对故障的快速切除。
其次,复压过流保护是基于时间特性来进行动作的。
在电力系统中,电流大小
不仅取决于故障类型,还取决于故障的位置和距离等因素。
因此,复压过流保护通常采用时间-电流特性曲线来进行动作判断。
当电流超过设定值并持续一定时间后,保护装置将会进行动作,以确保对故障的快速响应和切除。
此外,复压过流保护还具有灵敏度和可靠性高的特点。
在实际应用中,复压过
流保护能够准确地对各种故障进行判断和动作,从而保护电力系统的安全稳定运行。
同时,复压过流保护还能够对系统中的瞬时过电流和持续过电流进行准确判断,确保对故障的及时切除,最大限度地减少设备和线路的损坏。
综上所述,复压过流保护是一种基于电流大小和时间特性来进行动作判断的重
要保护装置。
它能够有效地保护电力系统不受过电流的损害,具有灵敏度和可靠性高的特点。
在实际应用中,复压过流保护发挥着重要的作用,为电力系统的安全稳定运行提供了有力保障。
复合电压启动的过电流保护工作原理复合电压启动的过电流保护,就像是你家里突然停电了,但你知道哪里的电还没断。
这时候,你可能会想到,“这电怎么这么不给力啊!”就像家里的电器突然罢工一样,电流也变得异常活跃。
想象一下,你正在享受一顿丰盛的晚餐,电视、空调、冰箱都在运转,你甚至还能听到冰箱里冰块融化的声音。
但是,突然之间,电视屏幕开始闪烁,空调吹出的风变得有些刺骨,冰箱里的冰块也开始融化。
这时,你会想:“这电流是怎么回事?怎么这么
不稳定?”
这就是复合电压启动的过电流保护在工作时的场景。
它就像是你的电力系统突然遭遇了一场“断电大作战”,电流变得异常活跃,就像是一群调皮捣蛋的孩子,到处乱跑乱窜。
这时候,过电流保护就会跳出来,它就像是你家里的保安,时刻警惕着电力系统的动态变化。
一旦发现电流异常活跃,它会立刻采取行动,确保电力系统的稳定运行。
想象一下,如果你的电力系统突然遭遇了一场“断电大作战”,而你没有及时采取保护措施,那么后果可能会很严重。
你可能会遇到停电、设备损坏等问题,甚至可能会影响到整个社区的电力供应。
所以,复合电压启动的过电流保护就显得尤为重要了。
它就像是你家里的保安,时刻警惕着电力系统的动态变化,一旦发现电流异常活跃,就会立刻采取行动,确保电力系统的稳定运行。
复合电压启动的过电流保护就像是你家里的一个“电力卫士”,时刻警惕着电力系统的动态变化,一旦发现电流异常活跃,就会立刻采取行动,确保电力系统的稳定运行。
发电机复合电压过流(记忆)保护一、保护原理保护反应发电机电压﹑负序电压和电流大小,电流最好取自中性点侧,主要作为发电机相间短路的后备保护。
当发电机为自并励方式时,过流元件应有电流记忆功能。
保护逻辑图见图一:图一发电机复压过流保护逻辑图二、一般信息2.2出口信号定义2.4保护出口压板定义只发信,不出口跳闸2.6投入保护开启液晶屏的背光电源,在人机界面的主画面中观察此保护是否已投入。
(注:该保护投入时其运行指示灯是亮的。
)如果该保护的运行指示灯是暗的,在“投退保护”的子画面点击投入该保护。
2.7参数监视点击进入发电机复合电压过流保护监视界面,可监视保护的整定值,电流,电压,以及负序电压计算值等信息。
三、保护动作整定值测试3.1 相电流定值测试无电压输入,低电压判据满足,分别输入三相电流,并缓慢增加,直至发电机复合电压过流保护出口动作,记录数据填表:3.2 低电压定值测试加某一相电流超过整定值,加CA相电压为额定电压,缓慢降低,直至发电机复压过流3.3 负序电压定值测试使某一相电流超过整定值,外加三相不平衡电压,直至发电机复压过流保护出口动作,记录数据填表:(注:因为低电压判据和负序电压判据为或门关系,测试负序电压定值时,请将低电压定值改小,再做此项测试)3.4 动作时间定值测试在发电机机端侧突然加1.5倍定值电流,记录动作时间。
3.5 电流记忆时间定值测试分别在A、B、C相加电流使保护动作,突然撤掉电流,测试保护返回时间保护出口方式是否正确(打“√”表示):正确□错误□保护信号方式是否正确(打“√”表示):正确□错误□电流记忆逻辑是否正确(打“√”表示):正确□错误□。
2019年第06期 发电机复压过流保护计算方法探讨周国平(国电科学技术研究院,江苏南京210031)摘 要 在电力系统中,继电保护保障着电气设备的安全,正确合理地定值能保证继电保护正确地动作,因此,做好继电保护的定值整定有助于保障设备和系统的安全㊂发电机复压过流保护作为发电机差动保护的后备防线,对发电机的安全运行起着重要的保障作用㊂从介绍发电机复压过流保护的两种整定计算方法入手,并对这两种计算方法的优劣进行了探讨,对发电机变压器组定值整定计算有一定的参考价值㊂关键词 继电保护;发电机复压过流保护;整定计算中图分类号 TM 7G 64D O I 10.19769/j .z d h y.2019.06.0540引言在电力系统中,继电保护的正确动作能保障设备的安全运行㊂当设备发生故障时,继电保护能协助工程师正确㊁快速地排查出故障设备,减轻或避免对设备的损坏和对系统的影响㊂而合理的保护定值,是继电保护正确动作的基础,发电机复压过流保护是发电机重要的后备保护㊂发电机复压过流保护的定值整定计算目前有两种计算方法:一种是按照躲过主变高压侧三相短路及系统振荡电流整定;另一种是按照发电机额定电流下能可靠返回进行整定㊂本文将这两种计算方法结合现场数据进行了详细的分析及探讨,以确定一种最优化的计算方法㊂1按躲过主变高压侧短路电流及系统振荡电流整定计算法依据发电厂继电保护整定计算及运行技术,发电机复压过流保护动作电流按躲过主变高压侧三相短路流过发电机的最大短路电流和躲过振荡时流过保护的最大振荡电流整定[1]㊂(1)按躲过主变高压侧三相短路流过发电机的最大短路电流整定㊂I o pI =K r e l ˑ1X ᵡd +X T ˑS (B)3U (G )其中,K r e l 取1.3,X ᵡd 为发电机阻抗标幺值,X T 为主变阻抗标幺值,S (B )为系统基准容量,U (G )为发电机机端电压㊂(2)按躲过振荡时流过发电机的最大振荡电流整定㊂I o pI =K r e l ˑ2X s l .m a x +X ᵡd +X T ˑS (B)3U (G )其中,X s l .m a x 为系统最大方式下阻抗标幺值㊂发电机过流保护定值取两个计算值中的较大值㊂2按躲过发电机额定电流整定计算法(1)发电机过流保护动作值整定依据大型发电机变压器继电保护整定计算导则,发电机过流保护动作电流按发电机额定负荷下可靠返回的条件整定[2]㊂(2)按躲过发电机额定电流整定㊂I o pI =K r e lK rI N ,其中,K r e l 取1.2,K r 取0.9,I N 为发电机额定电流㊂3两种计算方法的比较与选择3.1按躲过主变高压侧短路电流及系统振荡电流整定按躲过主变高压侧短路电流及系统振荡电流整定的过流保护定值,由于整定电流值大,在进行动作时间的整定时,无须考虑与主变后备保护及系统振荡时间的配合,因此整定时间较短,当发电机发生故障时,作为发电机差动的后备保护,能快速地切除故障,有效地起到了保护主设备的作用㊂该种计算方法由于整定电流过大,有时会无法满足灵敏度的要求㊂灵敏度系数校验,按发电机出口发生两相短路进行灵敏度计算,发电机出口发生短路时,流经发电机的短路电流为:I k =32X ᵡd ˑS B 3U (G )=12X ᵡd ˑS B U (G ) 灵敏度系数K s e n =I kI o pI >1.2㊂发电机复压过流保护按躲过主变高压侧三相短路流过发电机的最大短路电流整定时,其动作电流值为I o pI =1.3X ᵡd +X T ˑS (B)3U (G )根据上述相关公式,要使K s e n >1.2,则需满足X T >0.8X ᵡd ,即主变短路阻抗标幺值应大于发电机阻抗标幺值的80%㊂依据各个电厂主变短路阻抗及发电机阻抗标幺值数据,不是每个电厂的数据均能满足要求,表1为统计的部分电厂主变阻抗及发电机阻抗标幺值㊂331收稿日期:2019-04-04作者简介:周国平(1978 ),江苏常熟人,工程师,主要从事继电保护及励磁系统的调试及研究工作㊂表1主变及发电机阻抗值统计表电厂主变短路阻抗主变阻抗标幺值X T发电机阻抗标幺值Xᵡd X T/Xᵡd 大唐南京电厂1号机20.01%0.02560.03080.831国电铜陵电厂1号机14.73%0.02050.03080.665华电戚墅堰电厂3号机19.98%0.03550.04270.831国电肇庆电厂1号机14.17%0.03370.04250.793由表1可知,对于变压器短路阻抗较大的电厂,其阻抗标幺值X T较大,通常能满足X T>0.8Xᵡd,而对于变压器短路阻抗较小的电厂,则可能无法满足X T>0.8Xᵡd㊂同理,按躲过系统振荡时流过发电机的最大振荡电流整定的过流保护定值,也同样存在着无法满足保护灵敏度要求的问题,其灵敏度系数不仅与发电机阻抗标幺值Xᵡd和主变短路阻抗标幺值X T有关,也与系统最大方式下阻抗标幺值X s l.m a x有关,X s l.m a x值越大,灵敏度系数越高,保护越灵敏㊂同时,按躲过主变高压侧短路电流及系统振荡电流计算出的短路电流,由于其定值大于主变高压侧发生短路时流过发电机的短路电流,因此只能保护主变低压侧发生的短路故障,无法有效保护主变高压侧及线路上靠近发变组端的故障,缩短了保护的范围㊂3.2按发电机额定负荷下可靠返回的条件整定按发电机额定负荷下可靠返回的条件整定的过流保护定值,其整定值为:I o p I=1.20.9I N㊂灵敏度系数校验,按主变高压侧发生两相短路进行灵敏度计算,主变高压侧发生两相短路时,流经发电机的短路电流为:I k=3(X T+Xᵡd)+(X T+X2)ˑS B3U(G),其中X2为发电机负序阻抗㊂K s e n=I k Io p I >1.2㊂由于I o p I值偏小,灵敏度系数K s e n通常是远远大于1.2,因此一定能满足灵敏度的要求㊂按上述方法整定的发电机复压过流保护定值,保护灵敏度高,同时该定值不仅能保护发电机部分,同时也能保护主变高压侧及线路上靠近发变组端的故障,保护范围广,可以很好地作为发电机㊁变压器及线路近端的后备保护㊂由于该过流保护整定值偏小,一般无法躲过系统振荡电流,也无法躲过主变高压侧的短路电流,在整定动作时间时,应考虑躲过系统振荡时间㊁主变复压过流保护时间㊁线路保护距离Ⅱ段时间,因此,整定时间往往过长,当发变组一次设备故障时,无法快速切除故障㊂3.3两种整定方法的选择‘发电厂继电保护整定计算及其运行技术“与‘大型发电机变压器继电保护整定计算导则“对发电机复压过流保护提出了两种不同的计算方法,‘发电厂继电保护整定计算及其运行技术“要求按躲过主变高压侧短路电流及系统振荡电流整定,而‘大型发电机变压器继电保护整定计算导则“要求按发电机额定负荷下可靠返回的条件进行整定㊂在实际运行中,进行整定计算的各单位及试验院所,有采用第一种计算方法的,也有采用第二种计算方法的㊂按躲过主变高压侧短路电流及系统振荡电流整定的过流定值,由于躲过了主变高压侧短路电流和系统振荡电流,因此,动作时间短,作为发电机差动的后备保护,能快速地切除一次设备的故障,对于灵敏度系数能满足要求的电厂,建议使用该整定方法㊂由于该计算定值偏大,即使满足了现场的灵敏度,灵敏度系数也偏低,一次使用该整定方法时,建议设置Ⅱ段电流定值,Ⅰ段按躲过主变高压侧短路电流及系统振荡电流整定,时间为短延时,Ⅱ段按照躲发电机正常负荷电流整定,时间为长延时㊂按发电机额定负荷下可靠返回的条件整定的定值,动作值偏小,灵敏度高,不仅能保护发电机侧发生的故障,对主变高压侧及线路近端发生的故障,也起到了后备保护的作用,但由于动作时间整定长,不能起到快速切除一次设备的作用㊂进行整定计算时,建议首先按躲过主变高压侧短路电流及系统振荡电流整定,电流定值按Ⅱ段整定,如整定的电流定值确实偏大,在发电机出口发生两相故障,流过发电机的短路电流无法满足灵敏度时,可使用按发电机额定负荷下可靠返回的条件进行整定㊂4结语发电机复压过流保护对机组安全稳定运行起着重要的后备作用,发电机复压过流保护有两种计算方法:一种方法是按照躲过主变高压侧三相短路及系统振荡电流整定㊂该种方法的优点是动作时间短,当发变组出现故障时,能快速地切除故障,但由于动作电流整定大,往往不能满足现场灵敏的要求㊂另一种方法是按发电机额定负荷下可靠返回的条件整定㊂该种方法的优点是整定动作值灵敏度高,但由于整定动作时间较长,无法起到快速切除故障的作用㊂本文结合现场对这两种计算方法的优劣进行了详细的分析,并对此提出了一些整定建议,以便在今后的整定计算中加以应用㊂参考文献[1]许正亚.发电厂继电保护整定计算及其运行技术[M].北京:中国水利水电出版社,2009.[2]国家能源局.大型发电机变压器继电保护整定计算导则:D L/T684 2012[S].北京:中国电力出版社,2012. 4312019年第06期。
发电机复压过流处理方法发电机复压过流是指发电机在运行过程中电压或电流超过额定值的情况。
这种情况的出现可能导致发电机及其周围设备的损坏,甚至引发火灾等严重事故,因此需要采取相应措施进行处理。
下面将详细介绍发电机复压过流的处理方法。
1.分析原因:首先,需要对发电机复压过流的原因进行分析。
可能的原因有供电系统电压过高、发电机负载过大、线圈绝缘老化或损坏、回路中存在短路等。
通过分析原因,可以更好地制定处理方案。
2.及时停机:一旦发现发电机出现复压过流现象,应立即停机,切断电源。
这是最基本也是最重要的措施,能够避免进一步的损耗和事故的发生。
3.检查和维修:停机后,需要对发电机进行全面的检查和维修。
检查发电机的电缆、开关、控制器等部件是否正常,并进行必要的维修。
如果发现绝缘材料老化或损坏,应及时更换;如果发现短路情况,应进行修复。
4.安装过压保护器:为了防止再次发生发电机复压过流现象,可以安装过压保护器。
过压保护器能够监测电压,一旦电压超过额定值,即可切断电源。
过压保护器能够有效防止发电机受到电压过高的损害。
5.调整负载:如果复压过流的原因是负载过大,可以通过调整负载来解决问题。
可以降低负载的功率需求,或者增大发电机的额定容量,从而让发电机能够更好地适应负载。
6.升级设备:有时候,发电机本身的性能无法满足实际需求,也可能导致复压过流的发生。
这种情况下,可以考虑升级设备,使用更高容量的发电机或者增加发电机的辅助设备,如电容器、电感器等。
7.定期维护:定期维护发电机是预防复压过流的关键。
定期检查发电机的工作状态和绝缘状况,进行必要的清洁和维修。
同时,要定期检查电压和电流是否正常,及时发现问题并解决。
总结起来,对于发电机复压过流的处理,首先要对原因进行分析,然后及时停机,进行检查和维修,安装过压保护器,调整负载,升级设备,并定期维护。
这样可以最大程度地避免发电机复压过流的发生,确保发电机的正常运行和设备的安全。
发电机复合电压过流(记忆)保护一、保护原理保护反应发电机电压﹑负序电压和电流大小,电流最好取自中性点侧,主要作为发电机相间短路的后备保护。
当发电机为自并励方式时,过流元件应有电流记忆功能。
保护逻辑图见图一:图一发电机复压过流保护逻辑图二、一般信息注:对应的保护压板插入,保护动作时发信并出口跳闸;对应的保护压板拔掉,保护动作时只发信,不出口跳闸2.6投入保护开启液晶屏的背光电源,在人机界面的主画面中观察此保护是否已投入。
(注:该保护投入时其运行指示灯是亮的。
)如果该保护的运行指示灯是暗的,在“投退保护”的子画面点击投入该保护。
2.7参数监视点击进入发电机复合电压过流保护监视界面,可监视保护的整定值,电流,电压,以及负序电压计算值等信息。
三、保护动作整定值测试3.1 相电流定值测试无电压输入,低电压判据满足,分别输入三相电流,并缓慢增加,直至发电机复合电压过流保护出口动作,记录数据填表:3.2 低电压定值测试加某一相电流超过整定值,加CA相电压为额定电压,缓慢降低,直至发电机复压过流保护出口动作,记录数据填表:3.3 负序电压定值测试使某一相电流超过整定值,外加三相不平衡电压,直至发电机复压过流保护出口动作,记录数据填表:(注:因为低电压判据和负序电压判据为或门关系,测试负序电压定值时,3.4 动作时间定值测试3.5 电流记忆时间定值测试分别在A、B、C相加电流使保护动作,突然撤掉电流,测试保护返回时间保护出口方式是否正确(打“√”表示):正确□错误□保护信号方式是否正确(打“√”表示):正确□错误□电流记忆逻辑是否正确(打“√”表示):正确□错误□。
发电机复合电压过流(记忆)保护
一、保护原理
保护反应发电机电压﹑负序电压和电流大小,电流最好取自中性点侧,主要作为发电机相间短路的后备保护。
当发电机为自并励方式时,过流元件应有电流记忆功能。
保护逻辑图见图一:
图一发电机复压过流保护逻辑图
二、一般信息
注:对应的保护压板插入,保护动作时发信并出口跳闸;对应的保护压板拔掉,保护动作时只发信,不出口跳闸
2.6投入保护
开启液晶屏的背光电源,在人机界面的主画面中观察此保护是否已投入。
(注:该保护投入时其运行指示灯是亮的。
)如果该保护的运行指示灯是暗的,在“投退保护”的子画面点击投入该保护。
2.7参数监视
点击进入发电机复合电压过流保护监视界面,可监视保护的整定值,电流,电压,以及负序电压计算值等信息。
三、保护动作整定值测试
3.1 相电流定值测试
无电压输入,低电压判据满足,分别输入三相电流,并缓慢增加,直至发电机复合电压过流保护出口动作,记录数据填表:
3.2 低电压定值测试
加某一相电流超过整定值,加CA相电压为额定电压,缓慢降低,直至发电机复压过流保护出口动作,记录数据填表:
3.3 负序电压定值测试
使某一相电流超过整定值,外加三相不平衡电压,直至发电机复压过流保护出口动作,记录数据填表:(注:因为低电压判据和负序电压判据为或门关系,测试负序电压定值时,
3.4 动作时间定值测试
3.5 电流记忆时间定值测试
分别在A、B、C相加电流使保护动作,突然撤掉电流,测试保护返回时间
保护出口方式是否正确(打“√”表示):正确□错误□
保护信号方式是否正确(打“√”表示):正确□错误□
电流记忆逻辑是否正确(打“√”表示):正确□错误□。