虚拟仪器交通灯
- 格式:doc
- 大小:896.50 KB
- 文档页数:20
虚拟仪器课程设计报告学年:2011-2102(下)任课教师:汤占军学号:200910401352姓名:德成班级:自动化093专业:自动化系:自动化学院:信息工程与自动化学院2012年6月12Labview交通灯综合设计报告一、前言虚拟仪器(Virtual Instrumention)是基于计算机的仪器。
计算机和仪器的密切结合是目前仪器发展的一个重要方向。
粗略地说这种结合有两种方式,一种是将计算机装入仪器,其典型的例子就是所谓智能化的仪器。
随着计算机功能的日益强大以及其体积的日趋缩小,这类仪器功能也越来越强大,目前已经出现含嵌入式系统的仪器。
另一种方式是将仪器装入计算机。
以通用的计算机硬件及操作系统为依托,实现各种仪器功能。
虚拟仪器主要是指这种方式。
虚拟仪器的主要特点有:1、尽可能采用了通用的硬件,各种仪器的差异主要是软件。
2、可充分发挥计算机的能力,有强大的数据处理功能,可以创造出功能更强的仪器。
3、用户可以根据自己的需要定义和制造各种仪器。
LabVIEW是一种程序开发环境,由NI公司研制开发的,类似于C 和BASIC开发环境,但是LabVIEW与其他计算机语言的显著区别是:其他计算机语言都是采用基于文本的语言产生代码,而LabVIEW使用的是图形化编辑语言G编写程序,产生的程序是框图的形式。
LabVIEW提供很多外观与传统仪器(如示波器、万用表)类似的控件,可用来方便地创建用户界面。
用户界面在LabVIEW中被称为前面板。
使用图标和连线,可以通过编程对前面板上的对象进行控制。
这就是图形化源代码,又称G代码。
LabVIEW的图形化源代码在某种程度上类似于流程图,因此又被称作程序框图代码。
为了便于使用,LabVIEW还集成了大量的函数库以及子程序来帮助完成绝大多数的编程任务。
在使用这些子函数的时候,可以忘掉传统编程语言中的令人头痛的指针操作、存分配等编程问题。
除此之外,LabVIEW还包含了针对应用的数据采集(DAQ)、GPIB、串口、数据分析、数据显示、数据存储以及Internet网络通信的函数库。
苏州市职业大学电子信息工程学院项目实训报告课程名称:虚拟仪器应用项目名称:交通灯控制系统班级: 11电气2姓名:学号:指导教师:日期: 2013.9项目信息表交通灯控制系统项目报告第1章概述1.1引言实现路口信号灯控制系统的方法很多,可以用可编程控制器PLC、单片机、标准逻辑器件等实现。
但其功能修改及调试都需要硬件电路的支持,在一定程度上增加了设计难度。
提出基于labview的智能交通灯控制系统,可实现3种颜色灯的交替点亮、各种信息提示、实时监测交通灯工作状态等功能。
不仅编程简单、灵活、可靠性高,而且成本低、具有良好的经济效益。
为实现交通系统智能控制提供了一条新途径。
1.2设计思路近年来,在快速城市化进程和经济发展的影响下,城市交通迅速增长,交通问题成为困扰许多大城市发展的通病,已成为日趋严峻的国际性问题。
其中,十字路口则是造成交通堵塞的主要”瓶颈”。
世界发达国家都在积极探索如何最大限度地发挥道路通行能力,尽量减少交通堵塞造成的各种损失。
实现十字路口信号灯控制系统的方法有很多,可以通过可编程控制器PLC、单片机、标准逻辑器件等方案实现。
但是这些控制方法的功能修改及调试都需要硬件电路的支持,在一定程度上增加了设计难度,提高了设计成本。
随着计算机技术的迅猛发展,虚拟仪器技术在数据采集、自动测试和仪器控制领域得到广泛应用,促进并推动测试系统和测量控制的设计方法与实现技术发生了深刻的变化。
”软件就是仪器”已经成为测试与测量技术发展的重要标志。
我们设计了基于labview的智能交通灯控制系统,该系统可实现3种颜色灯的交替点亮,通过信息提示指挥车辆和行人安全通行,并能实时监测交通灯工作状态。
该系统不仅编程简单、灵活、具有较高的可靠性,而且成本低、具有良好的经济效益。
1.3基本功能1.东向红灯亮,北向绿灯亮,时长6s;2.东向红灯亮,北向黄灯亮,时长3s;3.东向绿灯亮,北向红灯亮,时长6s;4.东向黄灯亮,北向红灯亮,时长3s;第2章系统前面板设计2.1交通灯制作1.控件自定义在Labview中,在控件编辑窗口可以重新定义控件的很多属性,如颜色、名称、图片修饰、文本内容等。
信电学院(2012/2013学年第二学期)课程名称:虚拟仪器技术题目:十字交通灯专业班级:自动化1002学生姓名:王隆帅薛腾陈康学号: 1004102(05,27,14)考核成绩:2013 年5月20 日第1章绪论虚拟仪器(virtualinstrumention)是基于计算机的仪器。
计算机和仪器的密切结合是目前仪器发展的一个重要方向。
使用虚拟仪器用户可以通过操作显示屏上的“虚拟”按钮或面板,完成对被测量的采集、分析、判断、调节和存储等功能。
LabVIEW是一种程序开发环境,由美国国家仪器(NI)公司研制开发的,类似于C和BASIC开发环境,但是LabVIEW与其他计算机语言的显著区别是:其他计算机语言都是采用基于文本的语言产生代码,而LabVIEW使用的是图形化编辑语言G编写程序,产生的程序是框图的形式。
与C和BASIC一样,LabVIEW也是通用的编程系统,有一个完成任何编程任务的庞大函数库。
LabVIEW的函数库包括数据采集、GPIB、串口控制、数据分析、数据显示及数据存储,等等。
La bVIEW也有传统的程序调试工具,如设置断点、以动画方式显示数据及其子程序(子VI)的结果、单步执行等等,便于程序的调试。
虚拟仪器(virtual instrumention)是基于计算机的仪器。
计算机和仪器的密切结合是目前仪器发展的一个重要方向。
粗略地说这种结合有两种方式,一种是将计算机装入仪器,其典型的例子就是所谓智能化的仪器。
随着计算机功能的日益强大以及其体积的日趋缩小,这类仪器功能也越来越强大,目前已经出现含嵌入式系统的仪器。
另一种方式是将仪器装入计算机。
以通用的计算机硬件及操作系统为依托,实现各种仪器功能。
虚拟仪器主要是指这种方式。
下面的框图反映了常见的虚拟仪器方案。
虚拟仪器的主要特点有:尽可能采用了通用的硬件,各种仪器的差异主要是软件。
可充分发挥计算机的能力,有强大的数据处理功能,可以创造出功能更强的仪器。
学生毕业设计(论文)报告系别:电子与电气工程学院专业:电气自动化班号:电气082学生姓名:学生学号:设计(论文)题目:基于虚拟仪器的交通信号灯控制系统设计指导教师:设计地点:起迄日期:毕业设计(论文)任务书专业电气自动化班级电气082姓名一、课题名称:基于虚拟仪器的交通信号灯控制系统设计二、主要技术指标:红外线传感器:;红外波长850nm;最小对射距离10m;最大对射距离25m。
交通信号红绿灯:输出额定电压220V±10%;输出功率:≤12VA绿;发光强度::≥400cd;发光色谱: 628nm。
倒计时器:发光强度(cd);功率:30W。
三、工作内容和要求:在十字路口的红绿灯处,设1、3为南北方向是A路口,2、4为东西方向是B路口。
利用红外线车辆检测器,检测各个路口的车经过的数量,得出路口交通的车流量数,根据车流量智能调控信号灯变化。
如果南北方向车流量大,这个方向的绿灯时间就会延长。
相反,如果东西方向车流量大,南北的红灯时间就延长。
具体工作内容先理清交通信号灯的整体框架,分析研究;再确定方案,利用红外线车辆检测器设计智能交通信号灯的控制,实现红绿灯的自动指挥;最后实际调试分析,优化设计方案。
四、主要参考文献:⑴张玲,易卫明,[D],2006.⑵杨福生.《电路逻辑分析与设计》[M],2009.⑶周寿彬.《电子技术基础》[M],清华大学出版社,2007.⑷齐向东.《交通信号灯智能控制系统设计与实现》[J],太原科技大学学报,2006.⑸陈宗梅.《交通灯控制系统电路设计》[J],重庆职业技术学院学报,2008.⑹何柏涛.《车辆检测技术在辽宁高速公路的应用》[J],辽宁交通科技,2007(03).⑺王飞川,吕莉.《采用视频车辆检测器的道路监控方案》[J],2008.⑻陈传明.《智能交通信号灯配时及优化设计》[C],微机发展,2005.⑼陈叙.《交通信号灯系统的动态控制》[J],苏州大学学报(自然科学版),2007.⑽陈宗梅,《交通灯控制系统电路设计》[D],重庆职业技术学院学报,2007;学生(签名)2010 年月日指导教师(签名)2010 年月日教研室主任(签名)2010 年月日系主任(签名)2010 年月日毕业设计(论文)开题报告目录摘要Abstract第1章前言 (1)第2章虚拟仪器简介 (3)什么是虚拟仪器 (3)虚拟仪器的优势 (4)虚拟仪器的分类 (4)虚拟仪器系统的设计 (5)第3章交通信号灯控制系统设计 (9)交通灯的闪亮过程 (9)交通灯控制系统 (11)控制要求 (11)系统程序框图 (11)交通灯倒计时显示 (17)违规车辆检测电路设计 (19)第4章红外线车辆检测的控制系统 (19)车流量的计算 (20)车流滞留情况设计 (21)第5章系统调试运行 (23)数据交互与运行 (23)第6章结束语 (24)答谢辞参考文献本系统由虚拟仪器系统、LED 显示、交通灯演示系统组成。
虚拟仪器大型实验课程名称:十字路口交通信号灯的设计学期: 2012—2013第二学期分院:学生姓名:专业班级:学号:任课教师:二〇一三年六月十字路口交通信号灯的设计【摘要】虚拟仪器是将仪器技术、计算机技术、总线技术和软件技术紧密的融合在一起,利用计算机强大的数字处理能力实现仪器的大部分功能,打破了传统仪器的框架,形成的一种新的仪器模式。
虚拟仪器(virtual instrumention)是基于计算机的仪器。
计算机和仪器的密切结合是目前仪器发展的一个重要方向。
粗略地说这种结合有两种方式,一种是将计算机装入仪器,其典型的例子就是所谓智能化的仪器。
随着计算机功能的日益强大以及其体积的日趋缩小,这类仪器功能也越来越强大,目前已经出现含嵌入式系统的仪器。
另一种方式是将仪器装入计算机。
以通用的计算机硬件及操作系统为依托,实现各种仪器功能。
虚拟仪器主要是指这种方式。
鉴于LabVIEW有诸多优点,这次我们将应用LabVIEW来完成一个十字路口交通灯系统的设计。
【关键词】虚拟仪器,LABVIEW,交通信号灯目录绪论......................................................................................第一章总体设计方案 (1)1.1实现的功能 (1)1.2总体思路 (1)第二章程序的设计 (3)2.1前面板的设计 (3)2.2定时信号的产生 (4)2.3时间信号的分段 (4)2.4各组时间信号的动作 (5)2.5循环的设计 (7)第三章软件调试 (9)第四章心得总结 (12)附录 (13)绪论虚拟仪器技术就是利用高性能的模块化硬件,结合高效灵活的软件来完成各种测试、测量和自动化的应用。
自1986年问世以来,世界各国的工程师和科学家们都已将NI LabVIEW 图形化开发工具用于产品设计周期的各个环节,从而改善了产品质量、缩短了产品投放市场的时间,并提高了产品开发和生产效率。
摘要本课题是以multisim10为工作平台调试设计与仿真分析一款交通信号灯的控制系统的详细过程。
利用multisim10软件,自主编写应用程序,设计一款交通信号灯的控制系统。
目前,国内对交通信号灯控制系统的传统的设计应用中,完全由纯硬件组成的电路还是过于复杂,调试比较麻烦,故障点比较多,系统的稳定性也不太确定。
传统的基于单片机技术交通信号灯控制系统稳定性不好,一些元件不稳定,抗干扰性不足。
同时,普通的用单片机技术进行交通信号灯管理系统开发,实验速度较慢、电子元器件库比较小、版本较老。
本课题利用Multisim 10 对十字路口交通灯控制器各个单元电路和整体电路的设计和仿真。
该课题完成了设计一款交通信号灯的控制系统,并仿真实现十字路口交通信号灯交替点亮,对构建实际电路有指导意义。
这样能降低了成本,大大提高了教学和专业设计的效率。
该系统功能灵活,其实验成本低、速度快、效率高。
本课题的研究将有助于改善城市交通拥挤状况、减少交通事故的发生率、车辆的出行时间及成本。
本设计由两个主要部分组成——电路设计部分和仿真分析部分。
整个系统由秒脉冲发生器模块、交通信号灯状态控制器模块、交通信号灯显示电路模块、交通信号灯定时电路模块组成。
本设计运用的是NI公司的Multisim 10.0.1软件进行编程,自主开发。
关键词:虚拟仪器,Multisim,交通信号灯ABSTRACTThe topic is the detailed process of design and simulation of a traffic light control system by software of NI Multisim 10 .And computer software are some of the companies using NI Multisim 10 ,programming and self-development.The using of conventional domestic traffic light control system that composed entirely of pure hardware circuit is too complex,difficult debugging,more failure point,unstable system.Conventional traffic light control system by PLC technolgy is unstable ,luck of interference.Moreover, experimental speed of traffic light control system by ordinary PLC technology is slow ,smaller and older electronic components library. The topic that design and simulatin of each traffic light control system unit is used by Multisim 10. Completion of the project to design a traffic light control system before buildig actually circuits.It can reduce costs,improving the efficiency of teaching and professional design.The system is flexible,the experimental low-cost,fast and efficient.The research will help improve the situation of urban traffic congestion ,the incidence of traffic accidents and vehicle travel time and costs.This project consists of two main components-design of circuit and simulation.The system is composed of PPS generator unit,state controller unit,display circuit unit and timing circuit unit. The project is using NI Multisim 10 ,progamming and self-development.Key words:Virtual Instruments ,Multisim, Traffic light control system目录1 绪论 (1)1.1目前基于虚拟仪器的交通信号灯系统开发的现状 (1)1.2课题研究的目的和意义 (1)1.3 本文完成的主要工作 (2)2 基本交通管理方法 (3)2.1 交通信号灯的分类 (3)2.2交通信号灯使用原则 (5)2.3基本交通管理方法 (6)3 虚拟仪器技术 (9)3.1 虚拟仪器概述 (9)3.2相关技术(EDA)简介 (10)3.3 Multisim10软件的特点 (12)3.4 Multisim软件的功能 (16)3.5虚拟仪器在交通信号灯控制系统设计的应用分析 (17)4 电路设计分析 (18)4.1交通信号灯控制系统的技术指标 (18)4.2方案论证 (18)4.3方案实现 (19)5电路组成与仿真分析 (30)5.1仿真调试秒脉冲发生器 (30)5.2仿真调试交通信号灯状态控制器 (32)5.3仿真调试交通信号灯显示电路 (344)5.4仿真调试交通信号灯定时电路 (35)5.5仿真调试整个系统 (37)6结论与展望 (39)6.1结论 (39)6.2展望 (39)参考文献致谢1 绪论1.1目前基于虚拟仪器的交通信号灯系统开发的现状目前,国内对交通信号灯控制系统的传统的设计应用中,完全由纯硬件组成的电路还是过于复杂,调试比较麻烦,故障点比较多,系统的稳定性也不太确定。
第3章设计的思路及方案3.1基本设计的思路本次论文设计,我采用布尔显示型作为交通灯的灯来显示亮灭,采用高低电频对程序框图里灯的亮灭进行控制,通过外循环设计交通灯的运行,分别在东西南北四个方向上放置十二个红绿灯,以此来指挥车辆的通行。
为了方便观察设计现象,我们设汽车跟人的通行时间都是10秒,此设计路况有八种情况,按一定规律循环点亮和熄灭。
确保每一个通行路口设计的合理性,让汽车和人都有充分的行走时间,使交通通畅,减少事故。
3.2 系统设计方案利用LabVIEW设计交通灯,原理是通过设计出图形化模块,以此来控制各个路口的闪灭的长短,这次论文设计我设计了八个不同的行车通行方案,汽车及人行道的通行时间都是20秒,但在实际道路当中,会出现行车时间重叠的情况,这样既可以保证行车时间较长,提高效率,防止交通堵塞,在这8种循环当中,保证了每个路口得都有其它3个路口的车进入,相邻路口顺时针行使通行2次,相对直线路口通行3次,相对需拐弯路口通行1次,一共通行6次,而且每个人行道都有两批人次通过,其设计的8种情况如下图所示,其中箭头方向表示车辆可以通行且方向,绿色粗直线表示人行道通行。
(1)状态1, 车行走方向:在北边转弯向西方向行驶;在北边直行向南方向行驶;在南边直行向行驶北方向,;在南边转弯向东方向行驶;人行走方向:无。
图3.1 状态1车行走方向(2)状态2,车行走方向:在东边直行向西方向行驶;在西边直行向东方向行驶;人行走方向:在北边的东西方向;在南边的东西方向。
图3.2 状态2车行走方向(3)状态3,车行走方向:在北边直行向南方向行驶;在南边直行向北方向行驶;人行走方向:在东边的南北方向;在西边的南北方向。
图3.3 状态3车行走方向(4)状态4,车行走方向:在东边直行向西方向行驶;在东边转弯向北方向行驶;在西边直行向东方向行驶;在西边转弯向南方向行驶。
人行走方向:无。
图3.4状态车行走方向(5)状态5 车行走方向:在西边直行向东方向行驶;在东边转弯向南向西方向行驶;在南边转弯向东方向行驶;人行走方向:北边东西的方向。
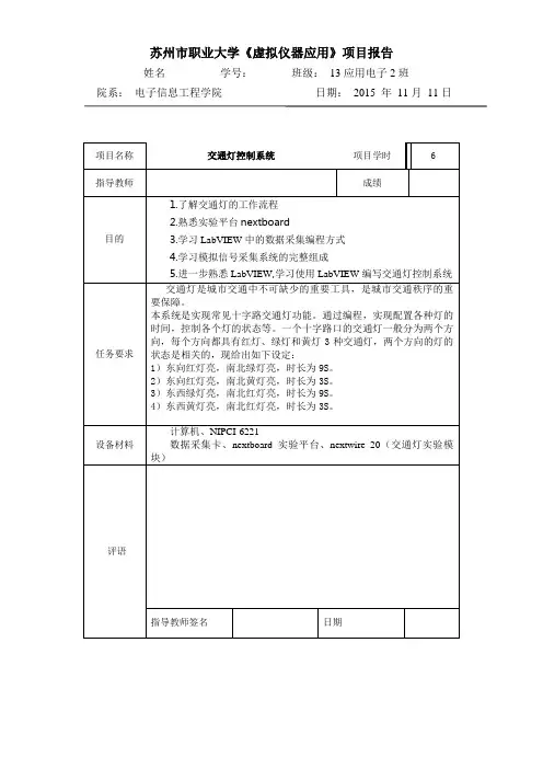
苏州市职业大学《虚拟仪器应用》项目报告姓名学号:班级:13应用电子2班院系:电子信息工程学院日期:2015 年11月11日交通灯控制系统项目报告第1章概述1.1项目描述1.1.1系统功能描述在城市道路的交叉路口通常设置有绿灯、黄灯和红灯3种状态的交通灯,它们的作用是:当绿灯亮时,表示车辆可通行;当黄灯亮时,提醒正在交叉路口中行驶的车辆赶快离开;当红灯亮,车辆要在停车线后停驶。
交通灯涉及两个方向车流的控制,何时亮何种颜色的灯,时长多久,对这些都需要进行逻辑分析和运算。
目前最复杂的交通灯还带有左转和右转提示灯。
功能设定如下:1.东向红灯亮,北向绿灯亮,时长为9s。
2.东向红灯亮,北向黄灯亮,时长为3s。
3.东向绿灯亮,北向红灯亮,时长为9s。
4.东向黄灯亮,北向红灯亮,时长为3s。
1.1.2实践环境硬件设备:计算机、NI PCI-6221 数据采集卡、Nextboard实验平台、Nextwire_20(交通灯实验模块)。
交通灯原理图如图1-1所示。
图1-1原理图软件:LabVIEW(2011以上版本)、nextpad,采集卡驱动第2章系统前面版设计2.1布置前面板在控件选板中选择新式-容器-选项卡控件,放置在前面板上。
在选项卡控件上右击,在显示项中去掉标签选项。
把“选项卡1”修改为“交通灯控制”、“选项卡2”修改为“通道设置”。
在选项卡控件上右击,选择“在后面添加选项卡”选项,并把该选项修改为“系统描述”。
在“系统描述”选项卡中,对系统进行简单的描述,界面如下图2-1 控件系统描述“交通灯控制”选项卡中,放置该系统所需要的交通灯显示,在VI运行中,该选项卡界面是人机交互界面如图2-2所示。
图2-2 控件交通灯控制在“通道设置”选项卡中放置通道号,如下图所示图2-3 控件系统描述2.2设计交通灯控件1控件的属性控制1)在前面板上打开控件选板,在布尔控件子选板里面找到指示灯,放置在前面板上。
在控件上用右键单击鼠标,在打开的快捷菜单中,把“显示项”里面“标签”选项的勾选去掉。
虚拟仪器的交通灯设计摘要:本文提出了一种基于虚拟仪器的交通灯设计,该设计采用了LabVIEW软件进行开发,实现了灵活、可定制的交通信号灯控制系统。
该系统利用虚拟仪器技术,实现了对交通灯的控制、显示和记录。
该交通灯控制系统可以满足不同交通场景下的需求,为城市交通管理和应急处置提供了技术支持。
关键词:虚拟仪器;交通灯;LabVIEW;城市交通;应急处置正文:近年来,随着城市化进程的加速和交通流量的增加,交通管理成为城市管理中的一个重要领域。
其中,交通信号灯作为交通管理的核心设备之一,其正确、稳定和高效的运行,对道路交通的安全和顺畅起着至关重要的作用。
因此,如何设计一种灵活、可定制的交通信号灯控制系统,成为了城市交通管理和应急处置的重要问题。
为解决该问题,本文提出了一种基于虚拟仪器的交通灯设计。
该设计采用了LabVIEW软件进行开发,利用虚拟仪器技术,实现对交通灯的控制、显示和记录。
该设计可以根据不同交通场景和需求,灵活地进行配置和调整,从而实现对交通信号灯的精确控制和管理。
该设计具有以下特点:1.灵活定制:该设计可以根据不同场景和需求,灵活配置和调整交通信号灯的参数和模式,从而适应不同的交通流量和道路情况。
2.控制精准:该设计利用虚拟仪器技术,实现了对交通信号灯的精确控制和切换,能够提升交通信号灯控制的稳定性和准确性。
3.数据记录:该设计可以对交通信号灯的运行数据进行记录和保存,从而为交通管理和应急处置提供数据支持。
该交通灯控制系统的开发使用了LabVIEW软件,采用了面向对象、事件驱动和图形化编程等技术,具有良好的可维护性、可扩展性和可重用性。
结论:本文设计了一种基于虚拟仪器的交通灯控制系统,实现了交通信号灯的灵活、可定制和高效控制;该设计可以为城市交通管理和应急处置提供技术支持,具有较大的实用价值。
该虚拟仪器的交通灯设计具有一定的创新性和实用性,对于城市交通管理和应急处置等领域都具有一定的推广价值。
基于虚拟仪器LabVIEW的智能交通灯系统设计作者:覃传妹来源:《环球市场信息导报》2016年第03期城市道路上车流量不断增多,交通灯在维持安全有序的交通秩序上扮演着重要角色。
为了保证交叉路口车量快速、安全通过,各种智能化的交通灯应运而生,基于LabVIEW的智能交通灯系统不但满足了上述条件,还有实时监控路况和方便维护、改善系统等优点。
本文通过虚拟仪器软硬件结合实现十字路口红绿灯指示、绿灯倒计时、车流量检测等功能。
虚拟仪器以计算机为核心,通过各类数据采集板卡,使计算机与外部通信。
本文用虚拟仪器LabVIEW软件编程,在用户界面显示十字路口红绿灯仿真图、绿灯倒计时,通过数据采集板卡PCI-6221实时输出信号控制下位机的红绿灯同步亮灭,红外传感器检测主干道车流量并发送信号到上位机显示。
整个系统实时性高、维护简单、成本低廉,交警可以在附近控制室内的电脑上观察红绿灯情况十字路口红绿灯设计主干道南北向:绿灯亮15s,红灯亮10s;转向灯:南北向绿灯亮5s,东西向绿灯亮5s东西向:绿灯亮10s,红灯亮15s。
红绿灯程序设计:用case结构,当为真时把所有显示控件都清零,为假时执行红绿灯操作,红绿灯用布尔指示灯代替;通过“时间计数器(取系统时间)”和“商与余数”函数求出一个轮回红绿灯运行总时间35s;“判断范围并强制转换”函数可以控制各路红绿灯亮的时间,总共用到4个,每一个布尔量输出端口都连一个case结构,其执行原理是:比如南北绿灯和东西红灯同时亮15s,那么“判断范围并强制转换”函数的输入端口上限设为15,下限设为0,当在0-15s这个范围内时执行case结构里面的“真”分支,点亮南北绿灯和东西红灯亮15s,当不在这个时间范围内时看是不是在16s-20s范围内,是的话又控制第二个case结构,点亮南北转向绿灯,延时5s,期间要把原先亮的东西红灯、南北绿灯灭掉。
多个case结构嵌套使用。
程序如图1所示。
绿灯倒计时程序设计:从“判断范围并强制转换”函数输出的值通过取反再加上各路绿灯亮的时间再加1即可。
基于虚拟仪器技术labview的交通灯设计作者:吴义满来源:《数字技术与应用》2013年第02期摘要:目的:设计交通灯。
方法:运用虚拟仪器技术labview设计。
结果:设计了预定功能的交通灯。
结论:运用labview设计交通灯系统,编程、调试与修改简单,增加功能方便。
关键词:虚拟仪器技术 labview 交通灯中图分类号:TP3 11 文献标识码:A 文章编号:1007-9416(2013)02-0149-02交通灯通常指由红、黄、绿三种颜色灯组成用来指挥交通的信号灯。
在道路十字路口,每条道路上有一组红,黄,绿灯和倒计时显示器,用以指挥车辆和行人有序地同行。
基于虚拟仪器技术,利用labview而设计的交通灯,可以用来模拟真实交通灯而进行工作。
使用虚拟仪器技术,工程师可以利用图形化开发软件labview方便、高效的创建完全自定义的解决方案,以满足灵活多变的需求趋势。
[1]设计的交通灯是利用虚拟仪器技术labview而完成的,可以完成用于自动控制十字路口交通灯的明暗和倒计时器的状态,指挥各种车辆和行人安全通行。
1 总体设计方案1.1 实现的功能要完成一个十字交通信号灯的设计,这个交通信号灯系统能为向北和向东两个方向行驶的车辆指示能否通行。
这个交通路口每一个方向上的红绿黄灯按绿—黄—红的顺序循环,每个循环的时间为70s,其中通行(绿灯)的时间为30s,等待通行(黄灯)的时间为5s,禁止通行(红灯)的时间为35s。
当停止键按下时,循环停止。
1.2 设计思路通过采用基于虚拟仪器labview的交通灯控制系统的设计,自动控制十字路口两组红、黄、绿交通灯的状态转换的方法,指挥各种车辆和行人安全通行,实现十字路口交通管理的自动化。
同时还提供人行横道的指示和时间显示。
(图1-1)2 程序的设计2.1 主界面的设计主界面的设计尽量符合实际应用情况。
北灯下面有个数字显示的是相应灯亮的倒计时,东灯左边显示的数字也是相应灯亮的倒计时。
虚拟仪器课程设计——智能交通灯控制系统模拟班级:学号:姓名:指导老师:施刚交通灯模拟设计说明书交通灯是由红、黄、绿三种颜色灯组成的用来指挥交通的信号灯。
在我国交通法律上规定:绿灯亮时,准许车辆通行,黄灯亮时,已越过停止线的车辆可以继续通行;红灯亮时,禁止车辆通行。
设计目的:设计这款交通灯模拟系统可以真实直观的反映出十字路口红绿灯亮灭情况,有利于驾驶员学习相关的交通规则,连接上相应的硬件设备还可以作为一款十字路口的交通灯控制系统。
程序特点:这款交通灯模拟系统基于labview软件开发,界面全部自己设计,简洁明了。
具有红绿交替变化功能、倒计时功能和灯光闪烁功能,并且配备有操作板可以人为设置各路口红绿灯的时间,现实中可以根据实际路况进行有目地的调整,使交通更加通畅。
设计过程:1.首先用布尔圆形指示灯来创建交通灯,三个布尔圆形指示灯设置好开关时属性加上凸盒形成红黄绿指示灯,用一个while循环配合使用层叠顺序结构实现最简单的红绿黄灯交替变化,模拟出十字路口通行状态,但功能简单。
2.通过实际路口的观察,确认需要添加倒计时模块。
用七个布尔方形指示灯排列出LED灯,并加到簇中,通过数组的索引来控制簇里各控件来模拟LED灯,之后又加上一个算法成功实现交通灯倒计时功能。
3.现实十字路口的黄灯是闪烁而不是常亮,为了能更好的模拟需要添加一个能够使黄灯闪烁的模块,这个模块通过层叠顺序结构实现控制灯的亮灭是最简单的方法,添加等待时间为半秒,一次亮灭为一秒,顺序执行三次即可实现灯的闪烁。
4.在界面设计的时候画出斑马线,添加一个控制台,可以设定东西、南北红灯时间,还有交通管制控制按钮。
5.最后设计了一个登录界面用来控制使用权限。
在后面板上程序调用上开始时出现了没反应的情况,后来通过修改子vi节点设置才解决。
6.为了使倒计时LED灯的颜色和指示灯颜色相同,使用了可见属性结点,运行时颜色不同的灯不可见,只有相同颜色的灯可见,使倒计时的颜色看起来好像一个LED灯变换了三种颜色。
基于Multisim 10的十字路口交通灯控制器的设计与仿真聂 茹(华南理工大学广州汽车学院,广东广州 510800)摘 要:介绍运用Multisim 10仿真软件,设计一个十字路口交通灯控制器。
该控制器实现了对十字路口交通信号灯控制。
利用Multisim 10这种高效的设计平台,能够方便地设计电路,并用虚拟仪器库进行仿真以及验证电路是否达到设计要求。
与传统的设计方法相比,它具有省时、低成本、高效率的优越性。
关键词:Multisim 10;交通控制器;EDA ;CAD中图分类号:TP23 文献标识码:A 文章编号:10042373X (2010)1120179203Design and Simulation of T raff ic Lights Controller at the Crossroads B ased on Multisim10N IE Ru(Guangzhou Auto College ,South China University of Technology ,Guangzhou 510800,China )Abstract :A traffic lights controller at the crossroads was designed based on Multisim10simulation software ,and the traffic signal lights control at the crossroads was realized.It is easy to design the electric circuit by using high efficient Multisim 10design platform ,make the simulation by virtual instrument libraries ,and verify the electric circuit whether or not meet the design requirements.It has superiority of time 2saving ,low 2cost and efficient by comparing with the traditional design method.K eywords :Multisim 10;traffic controller ;EDA ;CAD收稿日期:20092122210 引 言随着计算机与微电子技术的发展,电子设计自动化EDA 领域已成为电子技术发展的主体[1]。
1前言1.1选题背景与意义虚拟仪器(Virtual Instrumention)是基于计算机的仪器。
计算机和仪器的密切结合是目前仪器发展的一个重要方向。
粗略地说这种结合有两种方式,一种是将计算机装入仪器,其典型的例子就是所谓智能化的仪器。
随着计算机功能的日益强大以及其体积的日趋缩小,这类仪器功能也越来越强大,目前已经出现含嵌入式系统的仪器。
另一种方式是将仪器装入计算机。
以通用的计算机硬件及操作系统为依托,实现各种仪器功能。
虚拟仪器的主要特点有:1、尽可能采用了通用的硬件,各种仪器的差异主要是软件。
2、可充分发挥计算机的能力,有强大的数据处理功能,可以创造出功能更强的仪器。
3、用户可以根据自己的需要定义和制造各种仪器。
LabVIEW是一种程序开发环境,由NI公司研制开发的,类似于C和BASIC开发环境,但是LabVIEW与其他计算机语言的显著区别是:其他计算机语言都是采用基于文本的语言产生代码,而LabVIEW使用的是图形化编辑语言G编写程序,产生的程序是框图的形式。
LabVIEW提供很多外观与传统仪器(如示波器、万用表)类似的控件,可用来方便地创建用户界面。
用户界面在LabVIEW中被称为前面板。
使用图标和连线,可以通过编程对前面板上的对象进行控制。
这就是图形化源代码,又称G代码。
LabVIEW的图形化源代码在某种程度上类似于流程图,因此又被称作程序框图代码。
为了便于使用,LabVIEW还集成了大量的函数库以及子程序来帮助完成绝大多数的编程任务。
在使用这些子函数的时候,可以忘掉传统编程语言中的令人头痛的指针操作、内存分配等编程问题。
除此之外,LabVIEW还包含了针对应用的数据采集(DAQ)、GPIB、串口、数据分析、数据显示、数据存储以及Internet网络通信的函数库。
1.2 交通灯介绍交通灯通常指由红、黄、绿三种颜色灯组成用来指挥交通的信号灯。
绿灯亮时,准许车辆通行,黄灯亮时,已越过停止线的车辆可以继续通行;红灯亮时,禁止车辆通行。
近年来,在快速城市化进程和经济发展的影响下,城市交通迅速增长,交通问题成为困扰许多大城市发展的通病,已成为日趋严峻的国际性问题。
其中,十字路口则是造成交通堵塞的主要”瓶颈”。
世界发达国家都在积极探索如何最大限度地发挥道路通行能力,尽量减少交通堵塞造成的各种损失。
我们设计了基于labview的智能交通灯控制系统,该系统可实现3种颜色灯的交替点亮,通过信息提示指挥车辆和行人安全通行,并能实时监测交通灯工作状态。
该系统不仅编程简单、灵活、具有较高的可靠性,而且成本低、具有良好的经济效益。
本次课程设计在掌握了LabVIEW基本构建知识及相关控件知识运用的基础上,完成对向前向右交通信号灯的设计。
2总体设计方案2.1 实现的功能本次设计要完成一个十字交通信号灯的设计,这个交通信号灯系统能为向北和向东两个方向行驶的车辆指示能否通行。
这个交通路口每一个方向上的红绿黄灯按绿—黄—红的顺序循环,每个循环的时间为70s,其中通行(绿灯)的时间为30s,等待通行(黄灯)的时间为5s,禁止通行(红灯)的时间为35s。
当停止键按下时,循环停止。
2.2 总体思路此次设计可以用六盏灯来指示路口的红绿灯状况,它们分别是下文中的东红、东黄、东绿、北红、北黄、北绿。
信号灯按一定规律循环点亮,每盏红灯亮35秒,每盏黄灯亮5秒,每盏绿灯亮30秒。
每个循环包括四个阶段。
第一阶段:北黄和东红灯点亮,时间为5秒。
第二阶段:北红和东绿灯点亮,时间为30秒。
第三阶段:东黄和北红灯点亮,时间为5秒。
第四阶段:北绿和东红灯点亮,时间为30秒。
每个循环用时70秒。
东、北两个方向分别放置一个时间显示器来显示离下一个信号到来的时间。
用计数器产生以秒为单位的计时信号,再将产生的时间信号进行分段,每到一个时间段时系统进行相应的动作。
该系统框图如下:图2-1 总体流程图3程序的设计3.1 前面板的设计前面板是VI的用户界面。
创建VI时,通常应先设计前面板,然后在前面板上创建输入/输出任务。
本课程设计中前面板比较简单,只需要用六盏灯、两个时间显示器、一个停止按键即可。
其中的六盏灯,红、黄、绿各两盏,在控件选板中选择指示灯,将它放在前面板合适的位置,单击鼠标右键,更改指示灯的属性,改变指示灯的大小,做出一个合适的指示灯,依同样的步骤可以做好另外五个,将六个灯均分为两组,每组都包含红黄绿三种颜色的灯,再用框将每组灯框起来,做成一个交通灯。
在每组交通灯合适的位置放置一个数值显示控件作为交通灯的计时器。
在前面板合适的位置放置一个开关按钮,控制循环的停止。
这样交通灯系统的前面板就做好了。
面板设计如图3-1所示。
图3-1 交通灯前面板示意图3.2 定时信号的产生毫秒计时器在LabVIEW中的一个计时单元,它的图标与用途如图3-2所示。
在函数选板的【编程】→【定时】子选板中选择时间计数器选定该单元。
毫秒计数器对时间信号计数,要产生一个一秒为单位的时间信号,所以还得用毫秒计数值除以1000,取商得到以秒为单位的时间信号。
接线如图3-3所示:图3-2 时间计数器图3-3 时间计数器接线图3.3时间信号的分段将得到的时间信号除以每个循环所用的时间70s,取余数。
得到的余数x的范围为0<=x<70,当0<=x<5时,条件满足,执行第一个条件结构里面的程序,北黄和东红灯点亮。
当5<=x<35时,条件满足,执行第二个条件结构里的程序,北红和东绿灯点亮。
当35<=x<40时,条件满足,东黄和北红灯点亮。
当40<=x<70时,x<40的条件不满足,执行条件结构里面为假的程序,北绿和东红灯点亮。
时间分段的程序结构如图3-4所示。
图3-4 时间分段程序这里用到了判定范围并强制转换控件,应用这个控件可以判定输入的数是否在上限和下限之间。
它的图标和作用如图3-5所示。
如果输出信号在范围之内,“?”接口将产生一个信号,此信号恰可以输入到条件结构作为分支选择器信号。
图3-5 判定范围并强制转换控件3.4各组时间信号的动作条件结构是LabVIEW最基本的结构之一,条件结构类似于文本编程语言中的switch 语句或者if…then…else语句。
条件结构可以从【结构】子选板中创建,它的图标及功能如图3-6所示。
图3-6 条件结构在条件结构中,选择端口相当于switch语句中的“表达式”,框图表示符相当于“表达式n”。
编程时,将外部控制条件连接至选择端口上,程序运行时选择端口会判断送来的控制条件,引导选择结构执行相应框架中的内容。
在本程序中的控制条件为从判定范围并强制转换“?”端口输出地判断值。
当各组条件满足时,将执行各条件结构里的程序。
每个条件结构里的程序基本相同。
用需要点亮的灯与布尔真常量连接,不需要点亮的与布尔假常量连接,而时间显示器则用一定的值减去输入的时间量,以实现倒计时的功能,各结构里的程序略有不同,具体程序如图3-7到图3-10所示。
3.4.1第一阶段余数在0至5秒之间,此时东红和北黄两个灯点亮,向东方向的时间显示器东灯显示为离红灯熄灭的时间(从6s到1s),向北方向的时间显示器北灯显示为离黄灯熄灭的时间(从6s到1s)。
图3-7 条件结构13.4.2第二阶段当北黄灯点亮5秒后,即余数大于5并且小于35时,条件结构2条件满足,北红和东绿两个灯点亮,向东方向的时间显示器显示离东绿(通行)熄灭的时间(从30s到1s),向北方向的显示离红灯(禁止通行)熄灭的时间(从35s到6s)。
图3-8 条件结构23.4.3第三阶段当东绿灯点亮30秒后,即余数大于35并且小于40时,条件结构3条件满足,东黄灯点亮, 而北红未到熄灭的时间,继续点亮。
向东方向的时间显示器显示离东黄(准备转换)熄灭的时间(从6s到1s),向北方向的继续显示离红灯(禁止通行)熄灭的时间(从6s到1s)。
图3-9 条件结构33.4.4第四阶段当北黄灯点亮5秒后,即余数大于40并且小于70时,条件结构4为假的条件满足,北绿和东红两个灯点亮,向东方向的时间显示器显示离东红(禁止通行)熄灭的时间(从35s到6s),向北方向的显示离绿灯(通行)熄灭的时间(从30s到1s)。
图3-10 条件结构43.5程序的设计对同一路口灯亮顺序的控制:红绿黄灯的亮灯顺序是固定的,即假设初始状态为绿灯,接下来是黄灯,红灯。
在LabVIEW环境下,由于顺序框架的使用比较灵活,在编辑状态时可以很容易的改变层叠式顺序结构各框架的顺序。
鉴于以上因素,该模块主要通过顺序结构实现信号灯的交替点亮。
而对于两个交叉路口则需要采用两个顺序结构,而每个顺序结构则需要三个帧,每个帧顺序完成绿黄红信号灯的亮与灭。
程序框图如下图图3-11 程序设计图部分模块介绍(1)右侧的while 循环中包括一个for 循环,两个常量数组(一个用来控制灯的逻辑,一个用来控制灯的等待时间),一个数值至布尔数组转换控件,一个等待时间控件,一个布尔的控件作为停止按钮,一个NI ELVISmx Digital Writer 作为软件与面包板的连接。
图3-12 通道选择数值至布尔数组转换控件使整数或定点数转换为布尔数组。
如连线整数至数字接线端,依据整数位数的不同,布尔数组可返回含有8个、16个、32个或64个元素的布尔数组。
如连线定点数至数字接线端,则布尔数组返回数组的大小等于该定点数的字长。
数组第0个元素对应于整数二进制表示的补数的最低有效位。
其控件图如下所示:图 3-13数值至布尔数组转换控件4软件调试这次所设计的十字路口交通灯有四种运行状态:状态1、状态2、状态3、状态4。
各种状态的效果在下文中将会讲到。
运行状态1,北红灯亮35s—6s,东绿灯亮30s—1s,此时往东方向的车辆可以通行,通行时间总共为30s,向北方向禁止通行,禁止时间总共为35s。
时间显示器显示的为离下一个状态到来的时间,如图4-1所示,东灯显示器显示为26,表明再过26s绿灯将转变为黄灯,彼时向东方向将禁止通行;北灯显示器显示为31,表明再过31s向北将允许通行。
其面板图如下:图4-1 运行状态1运行状态2,北红灯亮6s—1s,东黄灯亮6s—1s,此时往东方向的车辆准备禁止通行。
准备时间总共为5s,向北方向的车辆准备通过。
时间显示器显示的为离下一个状态到来的时间,如图4-2所示,两个显示器都显示为5,表明再过5s向北方向将转变为绿灯,向东方向转为红灯,彼时向东方向将禁止通行,向北方向将允许通行。
其面板图如下:图4-2 运行状态2运行状态3,北绿灯亮30s—1s,东红灯亮35s—6s,此时往东方向的车辆禁止通行。
禁止时间总共为35s(还有5s在下一个状态中体现);向北方向的车辆允许通行,通行时间总共为30s。