瓦楞纸箱板自动码垛机机械手设计初探_徐雪萌
- 格式:pdf
- 大小:1.52 MB
- 文档页数:4
用于机器人码垛的夹手结构的改进创新摘要:现如今,部分厂家为了提高纸箱在转运的过程中的稳定性,已经开始采用机械手来夹持纸箱,并对纸箱进行转运。
在机械手夹持纸箱时,主要是通过两个夹持板来夹持固定纸箱,机械手使用时,其夹持的稳定性不高,而且,纸箱的表面受到的夹紧力也不均匀,容易造成纸箱的表面损伤。
因此,现对这种机器手进行创新改进,进一步促进夹持的稳定性。
关键词:码垛;机器人;稳定性;夹手结构;前言机器人码垛是一种自动化装卸技术,广泛应用于物流和制造业领域。
夹手结构作为机器人码垛系统的重要组成部分,扮演着关键的角色。
夹手结构是一种特殊设计的装置,用于机器人在码垛过程中抓取、移动和放置物体。
夹手结构的主要作用是实现物体的稳定抓取和精确放置。
它通常由夹爪、传感器、执行器和控制系统等组成。
夹爪是夹手结构的核心部件,可以根据需要选择不同形状、材料和机械原理的夹爪。
传感器用于检测物体的位置、形状和重量等信息,以便控制系统作出相应的动作。
执行器负责夹手的开合和旋转等动作。
控制系统则负责协调夹手的运动和与机器人其他部件的配合。
而夹手结构的重要性不言而喻。
它直接影响到机器人码垛系统的效率和准确性。
一个优秀的夹手结构可以实现高速抓取和精确放置,提高物体处理的速度和质量。
它还能适应不同形状、尺寸和材料的物体,增强机器人的适应性和灵活性。
然而,目前夹手结构在某些方面仍存在一些研究缺陷。
首先,夹手结构的设计和优化需要考虑到不同物体的特性和要求,这需要更深入的研究和实践。
其次,夹手结构在面对复杂环境和不确定性因素时,如何保证稳定的抓取和放置仍然是一个挑战。
此外,夹手结构的耐久性和可靠性也需要进一步改进,以满足长时间、高强度的工作需求。
1.国内外发展现状分析在国内,许多研究机构和高校积极投入到这一领域的研究中,取得了一系列显著的成果。
首先,国内研究者对夹手结构的设计进行了深入研究。
他们关注于夹爪的形状、材料和机构设计等方面,以提高抓取物体的稳定性和可靠性。
码垛机机械手的整体设计毕业设计1.前言1.1 选题背景及意义1.1.1 国内外研究现状目前国内的码垛设备厂的专业化程度还不高,很多企业是兼业生产。
只有上海、山东、江苏、辽宁、浙江、广东等省市有专业厂较多。
长期以来,包装生产线只是把物料包装好,后续的搬运工作完全由搬运工人完成。
造成这种局面的原因有很多,但主要是由于我国生产力水平较低,劳动力便宜,科研技术人才缺乏。
随着知识经济时代的到来,这种局面必将会被打破。
总的来说,我国码垛设备制造工业经过近20年的努力,在数量、质量、水平方面均有较大的进展,为我国建立一个门类齐全、技术先进、水平相当、独立完善的码垛设备生产系统奠定了坚实的基础。
但要想在未来的国际竞争中占有一席之地,还必须要找出自身缺点和不足,特别是要找出与北美、日本、西欧等国家的差距。
现在,码垛机已经获得日益广泛的应用。
随着组装运的发展,向货板上装货呈现出自动化的发展趋势,出现了码垛机,完成硬纸箱、塑料箱、油桶等物品堆放与自动搬运等操作。
特别是自动仓库的出现,更加速了码垛机的广泛应用。
1.1.2 选题的目的及意义在现在市场上,码垛机的种类较多,而本次课题针对太阳能热水器成品的码垛进行设计。
通过结构改进,提高其码垛性能,并以此加深、巩固所学基础知识,并将知识有机的整合到一起,提高自己的设计水平和动手能力。
1.2 方案设计及论证码垛机工作时,伺服电机通过同步齿形带带动导轨架进行水平移动,机械手将成品从生产线取下,同时伺服电机通过同步齿形带带动滚珠丝杠螺母副带动机械手竖直运动,将产品整齐地码在架子上。
设计参数:1.码垛高度:3m2.导轨架移动速度:1.5m/s3.生产能力:5垛/小时4.货物尺寸:宽500-800mm,长800-2000mm1.2.1 水平传动方案初步设计首先,应满足机器的功能要求,如传递功率大小、转速和运动形式。
此外,还应满足工作平稳、传动效率较高、传动距离远、结构简单、工艺性好、使用维护方便等特点。
搬运码垛机器人毕业设计1. 引言搬运码垛机器人是一种自动化装卸货物的设备,它可以高效地从一个位置将货物搬运到另一个位置。
本文将介绍一个基于码垛机器人的毕业设计项目。
2. 设计目标本毕业设计的目标是设计和开发一种搬运码垛机器人,能够实现以下功能: - 通过视觉系统识别并定位堆码地点; - 利用机器人臂和夹爪完成货物搬运; - 自动化控制系统实现自主导航和路径规划; - 系统具备高度安全性和可靠性。
3. 毕业设计的硬件系统3.1 机器人底盘机器人底盘是整个系统的基础,它提供了机器人移动的能力。
我们将采用Omni轮底盘,因其具备良好的机动性和灵活性。
3.2 视觉系统视觉系统用于定位和识别堆码的位置。
我们将使用相机和图像处理算法,能够有效地检测和识别货物的位置和状态。
3.3 机械臂和夹爪机械臂和夹爪用于搬运货物。
我们将采用多关节机械臂和可调节夹爪,以适应不同尺寸和形状的货物。
3.4 自动化控制系统自动化控制系统是整个系统的核心,负责控制机器人的移动、机械臂和夹爪的操作,以及路径规划和导航等功能。
我们将使用嵌入式控制器和ROS(机器人操作系统)来实现。
4. 毕业设计的软件系统4.1 路径规划与导航路径规划与导航是搬运码垛机器人的重要功能之一。
我们将使用SLAM(同步定位和地图构建)算法进行环境建模和地图生成,以及A*算法进行路径规划和导航。
4.2 机器视觉算法机器视觉算法包括图像处理和目标识别等技术。
我们将使用OpenCV等开源库进行图像处理,并采用卷积神经网络(CNN)和支持向量机(SVM)等算法进行目标识别。
4.3 控制与通信控制与通信模块包括机器人的控制和与其他设备的通信。
我们将使用嵌入式控制器和ROS进行机器人的控制,以及使用TCP/IP和串口等协议进行通信。
5. 毕业设计的测试与验证为了验证搬运码垛机器人的设计和功能,我们将进行一系列的测试和实验。
首先,我们将进行单元测试来验证各个模块的功能和性能。
码垛机械手设计1. 引言码垛机械手是一种自动化设备,用于将货物从生产线上提取,按照特定的顺序码垛到指定的位置。
它可以大大提高生产效率、减少人力成本,并减少人工操作中的错误率。
本文将介绍一个基于机器人技术的码垛机械手的设计方案。
2. 设计目标本项目的设计目标如下:•实现自动提取货物,并按照指定的顺序进行码垛。
•提高码垛速度,减少操作时间。
•提高码垛的准确性,减少错误率。
•确保机械手在操作过程中的安全性。
3. 系统组成本系统主要由以下几部分组成:•控制系统:负责控制机械手的运动和动作。
•传感器系统:用于感知周围环境,以便机械手能够准确地定位和操作货物。
•机械结构:包括机械臂、夹具等,用于提取和码垛货物。
4. 控制系统设计控制系统是整个码垛机械手的核心部分,它通过控制机械臂和夹具的运动,实现货物的提取和码垛。
控制系统的设计要考虑以下几个方面:•控制算法:选择合适的控制算法,以实现机械臂的精确运动和夹具的准确操作。
常见的控制算法包括PID控制、模糊控制等。
•控制器选择:根据实际需求选择合适的控制器,如PLC、单片机等。
控制器需要具备足够的计算能力和接口来连接传感器和执行器。
•通信方式:控制系统与其他部分之间需要进行数据交换和指令传递,可以选择有线或无线通信方式。
常用的通信方式有RS232、RS485、以太网等。
5. 传感器系统设计传感器系统是码垛机械手的感知器官,它能够感知周围环境中的货物位置、大小、形状等信息,以便机械手能够准确地定位和操作货物。
传感器系统的设计要考虑以下几个方面:•位置传感器:用于确定机械臂和夹具的位置和姿态。
常用的位置传感器有编码器、光电传感器等。
•距离传感器:用于测量机械臂和货物之间的距离,以便控制机械臂运动的幅度。
常用的距离传感器有超声波传感器、激光传感器等。
•视觉传感器:用于获取货物的外观信息,以便机械手能够准确地识别货物的种类和属性。
常用的视觉传感器有摄像头、激光扫描仪等。
码垛机械手的设计及电气控制摘要本文介绍了码垛机械手的组成和作用,提出了机械手码垛的成套基本方案,垛层排列方案的优选,论述了机械手的控制方法,采用作图法求解机械手的垂直升降运动轨迹和运动轨迹的修正,提高了机械手的运动柔性和抓载能力。
关键词机械手码垛物流仓储Electric control system of Robot PalletizerXian Hwasun Packaging Technology Research InstituteZHANG You-liang GOU Xiang-min 710014Abstract::This article introduces the structure and function of Robot Palletizer,relate to the whole basic solution of system,Discuss the control method of robot,stack layer is optimize arranged ,the track of vertical lift motion is modified with the motion graphics representation , also improve the flexible of the motion and the ahold power .Key words:robot, Palletizer,logistics, storage.随着我国经济的持续发展和科学技术的突飞猛进,现代物流作为现代经济的重要组成部分和工业化进程中最为经济合理的综合服务模式,正在全国范围内得以迅速发展。
自动化立体仓库作为现代物流系统的重要组成部分,是一种多层存放货物的高架仓库系统,它是在不直接进行人工干预的情况下自动地存储和取出物流的系统。
码垛机是完成自动化立体仓库中最重要的设备之一,是货物堆放到立体仓库的前端设备,它能够把单一的物料码放到一起,便于运输,提高了生产效率。
山东本森智能装备机器人码垛瓦楞纸板搬运机器人是物流自动化领域的一种重要设备,主要用于自动化堆叠和搬运瓦楞纸板。
以下是对该类机器人的详细解答:一、概述机器人码垛瓦楞纸板搬运机器人采用先进的机器人技术和自动化技术,结合控制系统、传感器技术、夹具和输送设备等,能够实现对瓦楞纸板的快速、准确、高效的码垛和搬运作业。
这种机器人广泛应用于纸箱制造、仓储物流等行业,能够显著提高生产效率,降低人力成本,并改善工作环境。
二、主要特点1.高效性:机器人能够快速地完成码垛和搬运任务,大幅提高生产效率。
与人工操作相比,机器人不受疲劳和速度限制,能够持续高效工作。
2.准确性:机器人配备有光电传感器、距离传感器等高精度设备,能够准确检测物料到达预定位置,确保抓取和放置的准确性。
同时,通过精确的轨迹规划和运动控制,机器人能够精准地将瓦楞纸板放置在指定位置,堆叠整齐、稳定。
3.灵活性:机器人适用于不同形状、尺寸和重量的瓦楞纸板。
通过更换不同的夹具和调整参数,机器人可以适应不同规格和类型的瓦楞纸板,实现灵活多样的码垛和搬运需求。
4.耐用性:机器人采用高质量的材料和制造工艺,具有较长的使用寿命和较低的故障率。
同时,它们易于维护保养,降低了使用成本。
三、工作原理机器人码垛瓦楞纸板搬运机器人的工作原理主要包括以下几个关键步骤:1.识别与定位:机器人通过传感器和视觉系统识别并定位待搬运的瓦楞纸板。
2.抓取:机器人根据预设的程序和算法,使用夹具精准地抓取瓦楞纸板。
3.搬运与放置:机器人根据码垛目标位置和堆叠规则,计算最优路径,将抓取到的瓦楞纸板搬运至指定位置并精准放置。
四、应用优势1.提高生产效率:机器人能够快速地完成码垛和搬运任务,显著提高了生产效率。
2.降低人力成本:机器人替代了传统的人工码垛和搬运方式,降低了人力成本。
3.提高产品质量:机器人的精确操作能够确保瓦楞纸板堆叠整齐、稳定,提高了产品质量。
4.改善工作环境:机器人的使用减少了工人的劳动强度,改善了工作环境的安全性。
山东本森智能装备瓦楞纸板码垛生产线工业机器人是现代包装和物流行业中不可或缺的重要设备,它们通过高度自动化和智能化的操作,显著提高了瓦楞纸板的码垛效率,降低了人力成本,并确保了码垛的准确性和稳定性。
以下是对这类工业机器人的详细分析:一、概述瓦楞纸板码垛生产线工业机器人是一种结合了机械、电子、计算机和自动控制技术的高科技产品。
它们专为处理各种形状、尺寸和重量的瓦楞纸板而设计,通过预设的程序和精确的控制系统,机器人能够自动完成瓦楞纸板的抓取、搬运和堆叠任务。
二、工作原理瓦楞纸板码垛生产线工业机器人的工作原理主要包括以下几个关键步骤:1.输送系统:瓦楞纸板从生产线或其他源头通过输送带、滚筒线等输送系统输送到机器人的工作区域。
2.传感器检测:机器人配备的传感器(如光电传感器、距离传感器或视觉系统)检测瓦楞纸板的位置和姿态,确保抓取时机准确。
3.抓取动作:机器人根据预设程序,精确控制各轴运动,使夹具到达物料上方并执行抓取动作。
4.搬运路径规划:机器人根据码垛目标位置和堆叠规则,计算最优路径,将抓取到的瓦楞纸板搬运至码垛位。
5.定位放置:机器人将瓦楞纸板精准放置在码垛位上,确保堆叠整齐、稳定。
三、特点1.高效性:瓦楞纸板码垛生产线工业机器人能够持续、高速地进行码垛作业,显著提高生产效率。
某些型号的机器人甚至可以达到每分钟码垛数十个瓦楞纸板箱的速度,且可以24小时不间断工作。
2.精准性:通过高精度的传感器和控制系统,机器人能够实现对瓦楞纸板的精准定位和抓取,避免了因人工操作而产生的误差和损失。
3.灵活性:机器人具备多个自由度的关节设计,能够灵活应对各种复杂的码垛需求。
通过更换不同的夹具,机器人可以适应不同规格和类型的瓦楞纸板,实现灵活多样的码垛需求。
4.稳定性:采用先进的控制系统和驱动技术,确保了机器人在工作过程中的稳定性和可靠性。
即使在长时间连续工作的情况下,也能保持较高的工作效率和准确性。
5.降低人工成本:使用瓦楞纸板码垛生产线工业机器人可以显著减少对人工的依赖,降低人工成本。
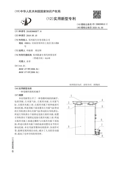
(19)中华人民共和国国家知识产权局(12)实用新型专利(10)授权公告号 (45)授权公告日 (21)申请号 201920668877.6(22)申请日 2019.05.10(73)专利权人 郑州新生印务有限公司地址 450041 河南省郑州市上街区龙江路9号(72)发明人 申振锁 周宏铎 (74)专利代理机构 郑州隆盛专利代理事务所(普通合伙) 41143代理人 余菲(51)Int.Cl.B65G 47/90(2006.01)B65G 57/03(2006.01)(54)实用新型名称一种卷膜码垛机机械手(57)摘要本实用新型公开了一种卷膜码垛机机械手,包括顶板、左夹紧气缸、左弧形夹板、右夹紧气缸、右弧形夹板上部、右弧形夹板下部和底部可移动托板,所述顶板下面设置有左夹紧气缸带动的左导轨滑台和右夹紧气缸带动的右导轨滑台,所述左导轨滑台下面固定连接左弧形夹板,装置右导轨滑台下面固定连接右弧形夹板上部,所述右弧形夹板上部通过螺栓与右弧形夹板下部连接,所述右弧形夹板下部的底部设置有水平的可移动托板。
本实用新型整体结构简单,各部件可靠,能够实现码垛自动化,减少了人员的劳动强度,提高了仓库空间的利用率。
权利要求书1页 说明书4页 附图2页CN 209889813 U 2020.01.03C N 209889813U权 利 要 求 书1/1页CN 209889813 U1.一种卷膜码垛机机械手,其特征在于:包括顶板(1)、左夹紧气缸(2)、左弧形夹板(3)、右夹紧气缸(4)、右弧形夹板上部(5)、右弧形夹板下部(6)和底部可移动托板(8),所述顶板(1)下面设置有左夹紧气缸(2)带动的左导轨滑台和右夹紧气缸(4)带动的右导轨滑台,所述左导轨滑台下面固定连接左弧形夹板(3),装置右导轨滑台下面固定连接右弧形夹板上部(5),所述右弧形夹板上部(5)通过螺栓与右弧形夹板下部(6)连接,所述右弧形夹板下部(6)的底部设置有水平的底部可移动托板(8)。
瓦楞纸箱板自动码垛机机械手设计初探徐雪萌,张永宇,张映霞,徐云(河南工业大学,郑州450007)摘要:目的研究高效的、可集成于瓦楞纸箱生产线终端的瓦楞纸箱板自动码垛装置。
方法方法通过对六自由度码垛机器人和机械式码垛装置进行研究,在分析其优缺点的基础上,结合企业的技术要求设计瓦楞纸箱板自动码垛装置。
在设计方案中采用AHP 法,结合企业的要求和生产现场的状况,选择机械式码垛设计方案。
结果结果确定了新型瓦楞纸板箱码垛成套装置设计方案,论述了其工作原理并讨论了关键装置的设计要点,对抓取机械手的结构和运动轨迹进行了分析与优化。
结论结论该设计方案采用2个机械手分别完成单层码垛和整层抓取操作,设计合理,满足企业的使用要求。
关键词:瓦楞纸板箱;码垛机;机械手中图分类号:TB486+.03文献标识码:A文章编号:1001-3563(2015)09-0082-04Design of Manipulators for Corrugated Box Board Automatic PalletizingSystemXU Xue-meng ,ZHANG Yong-yu ,ZHANG Ying-xia ,XU Yun(Henan University of Technology ,Zhengzhou 450007,China )ABSTRACT :The aim of this work was to design an efficient automatic palletizing system which can be integrated to the end of the production line of corrugated box board.By studying on the 6DOF palletizing robot and mechanical palletizing machine,based on the analysis of their advantages and disadvantages,the automatic palletizing system of corrugated box board was designed according to the request of the company.The AHP method was adopted in the design scheme,and the mechanical palletizing design scheme was chosen based on the request of the company and the situation of the production site.The design scheme for the novel corrugated box board automatic palletizing system was determined,the working principle and design essentials of the key device were introduced,and the structure and trajectory of the crawling manipulators were analyzed and optimized.In conclusion,this design scheme adopted two manipulators for single-layer stacking and whole-layer crawling operations,respectively.The design was reasonable,meeting the requirements of the corrugated boxes company.KEY WORDS :corrugated box board ;palletizing machine ;manipulator收稿日期:2014-10-13作者简介:徐雪萌(1972—),女,河南南阳人,硕士,河南工业大学副教授,主要研究方向为包装工程。
自动码垛机是将生产线上的产品按照一定的排列方式码放在托盘上,形成货运单元,便于适应机械化、大型化和高速化的现代物流操作。
自动码垛机以其高速性、智能性、稳定性、可集成性等性能广泛应用于各种产品的生产线上,如食品饮料行业码垛、水泥自动装车码垛、工业品码垛等[1—3]。
自动码垛机按智能化水平分为机器人码垛机和机械式码垛机[4—5]。
瓦楞纸箱板自动码垛机是将完成纸板成形、印刷、模切、打捆后的瓦楞纸箱板码放到托盘上,以解决人工码垛劳动强度大等问题,并提高工作效率。
1瓦楞纸箱板自动码垛机设计技术要求1.1设计参数要求郑州某纸箱制造企业提出的纸箱自动码垛机设包装工程PACKAGING ENGINEERING82第36卷第9期计参数要求:纸箱板的最小切长为488mm,最大切长为584mm;最小切宽为766mm,最大切宽为1114mm;纸箱板的最小面积为0.182m 2,最大面积为0.321m 2;每平方米质量最小值为0.43kg/m 2,最大值为0.56kg/m 2);每捆个数最少20个,最多50个;托盘尺寸的长×宽×高=1500mm×1500mm×250mm;码放速度为15~17捆/分;码放高度应≤1900mm。
1.2纸箱板码垛机设计特点分析设计参数可以看出,待设计的纸箱板自动码垛装置应具有的特点:码垛速度高,码垛一捆纸箱板的时间为3.5~4s;最大码放质量大,依据纸箱面积、定量和每捆的个数,单捆最大码放质量为18kg,考虑工作系数,设计最大码放质量为20kg,即机械手的公称抓取质量为20kg;一层四捆的码放质量为80kg;最大码放高度约为1900mm;设备可靠性好,纸箱板在码放过程中不能变形、破损;全自动码放、安全、经济、效率高。
2瓦楞纸箱板自动码垛机总体设计方案2.1堆码方式的选择产品在托盘上堆码的方式有4种:重叠式、交错式、纵横式和旋转式[6],各种堆码方式见图1,要求托盘表面的利用率不低于80%。
在选择瓦楞纸箱板码垛方式时,要结合纸箱板自动码垛机的特点、托盘与产品的尺寸关系及不同码垛方式的特点。
该机因码垛高度高、质量大,因此每层选择稳定性较好的旋转式,奇数层和偶数层选择交错跺的码垛方式。
2.2瓦楞纸箱板自动码垛机设计方案2.2.1设计方案的选择自动码跺装置方案设计可以采用机器人码垛和机械式码垛(直角坐标机器人码垛)2种方案,设计方案采用AHP 法[7],从设备功能、工作性能、经济性、可靠性等方面进行具体分析,并建立相应数学模型,结合企业的要求和生产现场的条件,选择机械式码垛设计方案(直角坐标机器人)。
瓦楞纸箱板自动码垛机工作原理见图2。
机械式码垛机的核心部件是直线运动单元即直线导轨,由精制铝型材、齿形带、直线运动滑轨和伺服电机等组成。
整个系统的承载都集中到了安放导轨的型材上,导轨必须有足够的强度和刚度,以保证所需的机械强度和直线度。
滑块导轨系统由滑动导轨和运动滑块组成,传动装置可根据不同任务要求采用齿形带、齿条与齿轮啮合或滚珠丝杠。
该机特点是负载范围大,从几公斤到几吨;运行速度快,且速度可调整;动作灵活,可以完成复杂的码垛任务;可靠性高,维护简单。
2.2.2工作原理与工作过程整机主要组成部分包括瓦楞纸箱板输送缓冲装置、托盘输送装置、直线导轨、机械手1、机械手2、伸缩架、机架、电机和控制系统等。
为适应高速和奇数、偶数层摆放方式,本机使用2个机械手。
工作过程为:码放机械手1将在缓冲输送装置上待码垛的单捆纸箱板抓起并上升,而后移动到单层码放工位,在此工位位置下降,并按照预定的堆码方式将纸箱板放到跺盘图1产品堆码方式示意Fig.1Product palletizingdiagram图2瓦楞纸箱板自动码垛机示意Fig.2Diagram of automatic palletizing system for corrugated boxboard1.纸箱板2.单层码放位3.栈板4、11.机械手15.伸缩架6、10.机械手27.码放的纸箱板8.托盘9.托盘输送装置12.纵向导轨13.横向导轨徐雪萌等:瓦楞纸箱板自动码垛机机械手设计初探832015年5月上,循环4次,完成一层纸箱板的码垛。
机械手2按照旋转跺奇数层和偶数层的码垛规律,将机械手1码放好的整层纸箱板码放在托盘上,直到规定的层数,完成1次工作循环。
该机如果只使用1个机械手,在技术上有2个难点:奇数层和偶数层纸板的码放形式不同,机械手完成奇数层和偶数层码放运动轨迹不同;随着托盘上被码放纸板的层数增加,机械手在z轴方向的向下运动(完成将纸板放在托盘上)的距离减小。
如果使用1个机械手,其运动复杂,将增加机械手运动控制的难度。
使用2个机械手可将复杂的运动简单化,机械手1只完成将4捆纸箱板码放在跺盘上,每次工作循环的运动轨迹相同;机械手2的运动满足奇数层和偶数层的码放要求,以及改变机械手z轴方向的运动距离以适应码放高度的变化。
文中码垛机码垛一捆纸板的时间约为3.5~4s,机械手1完成一个工艺循环所需的时间为14~16s,机械手2完成一个工艺循环的时间约为4s。
依据企业车间预留的空间尺寸4m×3m×2m,可选择直线导轨的最大速度为3~5m/s,最大加速度为50~100 m/s2,来满足生产节拍的要求。
2.3瓦楞纸箱板自动码垛机设计要点2.3.1码垛机械手类型选择和运动轨迹分析常用的码垛机械手的类型分为夹托式、夹板式、真空吸盘和混合抓取等4种形式。
夹托式机械手主要用于高速码垛,夹板式机械手用于箱盒的码垛,真空吸取式机械手利用真空吸盘码放,混合抓取机械手适合几个工位的协作码放。
机械手的驱动方式有液压、气动和电动等3种方式。
文中为防止纸箱板在码放过程中被划破或变形,采用夹托式手指形机械手,抓取时手指的位置应避开纸箱的切口位置。
依据负载要求,该机的驱动装置采用电动和气动相结合的方式[8]。
机械手1和机械手2均可采用类似的结构。
瓦楞纸箱板码垛机械手结构示意见图3。
码垛机械手1为4自由度机械手,在码放过程中完成x,y,z轴移动和绕z轴旋转,z方向移动距离约为1.5m。
x,y,z方向的移动由交流伺服电机提供动力,旋转可由驱动气缸带动,由PLC控制伺服电机和驱动气缸启停。
由于抓取的质量较大,产生的运动惯量较大,所以运动中采用水平、垂直、旋转交替分开运动,以增加机械手的稳定性和协调性[9—10]。
为分析机械手1的运动轨迹,见图4,设O点为码垛机械手1的初始位置,以O为原点建立直角坐标系xOy,F点为主传送链上待抓取纸箱板的中心,码垛的跺盘放置于y轴上,A,B,C,D分别为跺盘上四捆纸箱板的中心,则机械手在完成一层四捆码垛过程中所运动的行程为S=x A+y A+x B+y B+x C+y C+x D+y D,(x A,x B,x C,x D分别为抓取过程中机械手1完成四捆纸箱板码垛沿x方向的行程,y A,y B,y C,y D分别为抓取过程中机械手1沿y方向的行程。