汽车线束接插件图表
- 格式:pdf
- 大小:2.03 MB
- 文档页数:17
线路结构图 1-21 门后门F-01(2) 高置刹车灯F-02(1-B) 除雾器(+)F-03(1) 后门电线和除雾器电线组合F-04(2-B) 后门电线和高置刹车灯电线组合F-05(4) 后窗刮雨器马达F-06(2) 车牌号灯F-07(2) 后门开关F-08(6-B) 后门锁执行器F-09(1-B) 除雾器(-)1-22 线路结构图注:2-1 单个零件安装位置内容继电器………………………………2-2 ECU(电子控制装置)………………2-4 传感器………………………………2-7 电磁阀……………………………2-11 二极管……………………………2-13 检查接头…………………………2-14 保险丝接线和保险丝……………2-16 地线………………………………2-17 接地………………………………2-182-2 单个零件安装位置-继电器继电器名称符号名称符号ABS警报灯继电器 B 风扇控制继电器 A 附加套筒继电器 C 雾灯继电器 AA/C压缩机继电器 A 燃料泵继电器 A 交流发电机继电器 C 喇叭继电器 A 鼓风机继电器 C 喷油器驱动控制继电器<4G93-GDI> A 除雾器继电器 C 电动车窗继电器 C 发动机控制继电器 A 节流阀控制伺服继电器<4G93-GDI> D单个零件安装位置-继电器 2-32-4 单个零件安装位置-ECUECU名称符号名称符号4轮驱动指示器-ECU J 喷油器驱动器<4G93-GDI> BABS-ECU C 动力车窗主开关(带有内置的CPU)(出口到香港的汽车)LA/T-ECU I柱开关(带有内置的柱-ECU) E 动力车窗马达(带有内置的CPU)(出口到香港的汽车)N发动机-ECU KETACS-ECU G SRS-ECU H 风扇控制器 D 遮阳篷顶-ECU M 前-ECU A节流阀控制器<4G93-GDI> K 麻醉器-ECU(出口到澳大利亚的汽车) F单个零件安装位置-ECU 2-52-6 单个零件安装位置-ECU单个零件安装位置-传感器 2-7传感器名称符号名称符号加速踏板位置传感器<4G93-GDI> J 燃料压力传感器<4G93-GDI> D空气流量传感器<4G93> H G传感器KP 输入轴传感器<A/T> NA/T控制电磁阀总成(带有内置的A/T流体温度传感器)刹车真空传感器<4G93-GDI> A 输出轴传感器<A/T> NO增压传感器<4G18-MPI> B 氧含量传感器<带有催化转换器的汽车>R凸轮轴位置传感器 F 侧面碰撞传感器<带有催化转换器的汽车>曲轴转角传感器I 节流阀位置传感器 C (防)爆震传感器<4G93 > E 汽车速度传感器Q发动机冷却剂温度传感器G 车轮速度传感器前M鳍状热传感器L 后S2-8 单个零件安装位置-传感器单个零件安装位置-传感器 2-92-10 单个零件安装位置-传感器单个零件安装位置-电磁阀 2-11电磁阀名称符号名称符号A/T控制电磁阀总成(带有内置的电磁阀)D 净化控制电磁阀<MPI(带有催化转换器的汽车)>CEGR电磁阀<MPI> C <GDI> C 液力装置 B 电磁阀A A电磁阀B A2-12 单个零件安装位置-电磁阀单个零件安装位置-二极管 2-132-14 单个零件安装位置-检查接头检查接头名称符号名称符号诊断接头 F 空闲接头<用于雾灯> B,E检查接头 A 空闲接头<用于导航系统> B,C,D单个零件安装位置-检查接头 2-152-16 单个零件安装位置-保险丝接线和保险丝保险丝接线和保险丝名称符号名称符号专用保险丝(No.1-17) A 多功能保险丝(No.1-12) B 专用保险丝(No.18-21) B 保险丝接线(No.1-7) A单个零件安装位置-地线 2-17 地线2-18 单个零件安装位置-接地接地左向驾驶汽车单个零件安装位置-接地 2-192-20 单个零件安装位置-接地单个零件安装位置-接地 2-213-1 电路图内容接线盒(J/B)……………………3-3 接线接头(J/C)……………………3-5集中连接点………………………3-7 配电系统…………………………3-14 起动系统…………………………3-20 点火系统……………………………3-22充电系统…………………………3-23 发动机控制系统4G94-MPI……………………………3-26 冷却系统……………………………3-35 ELC-4A/T…………………3-36 前照灯………………………………3-42尾灯,位置灯和车牌灯…………3-46雾灯…………………………………3-50室内灯和行李室灯3门…………………………………3-525门…………………………………3-54 门灯左向驾驶汽车<3门>………………3-56左向驾驶汽车<5门> ………………3-57 转向信号灯和危险警报灯…………3-58停车灯……………………………3-62 倒车灯…………………………………3-63喇叭………………………………3-64 仪表和量表………………………3-65 刹车警报灯………………………3-68 燃料警报灯………………………3-68 油压警报灯………………………3-69 安全带警报灯……………………3-69电动车窗左向驾驶汽车<3门>………………3-71 左向驾驶汽车<5门>………………3-73 中央门锁定系统不带自动车门锁系统的左向驾驶汽车<3门>………………………………3-76 不带自动车门锁系统的左向驾驶汽车<5门>………………………………3-78 带自动车门锁系统的左向驾驶汽车<3门>………………………………3-80 带自动车门锁系统的左向驾驶汽车<5门>………………………………3-84 加热器……………………………3-89 手动空调……………………………3-92挡风玻璃雨刮器和清洗器………3-96后雨刮器和清洗器左向驾驶汽车<M/T>………………3-1003-2左向驾驶汽车<A/T>………………3-102 除雾器………………………………3-104远距控制镜…………………………3-105前照灯清洗器……………………3-106 无线电和磁带播放器………………3-108时钟………………………………3-110 点烟器……………………………3-111 外接电源插座……………………3-112 制动防抱死滑系统(ABS)………3-113安全气囊系统(SRS) ………………3-118遮阳篷顶……………………………3-120超级选择四轮驱动-i 系统………3-122照明监视蜂鸣器…………………3-124 点火钥匙提示蜂鸣器………………3-126变阻器…………………………………3-128速度警报蜂鸣器……………………3-129电路图 3-3 接线盒(J/B)3-4 电路图<左向驾驶汽车>电路图 3-5 接线接头(J/C)3-6 电路图电路图 3-7集中连接点保险丝连接(发动机室的继电器盒)编号电路箱颜色额定容量(A)1 ABS电路黄色602 多功能保险丝No. 10,11,12 电路黄色603 保险丝连接No. 1,2 专用保险丝No. 2,7,8 蓝色1004 专用保险丝No. 21,电动车窗电路绿色405 点火开关粉红色306 发动机控制电路,ELC-4A/T电路和冷却电路浅蓝色207 空气调节器和冷却电路绿色40(发动机室的继电器盒)3-8 电路图专用保险丝。
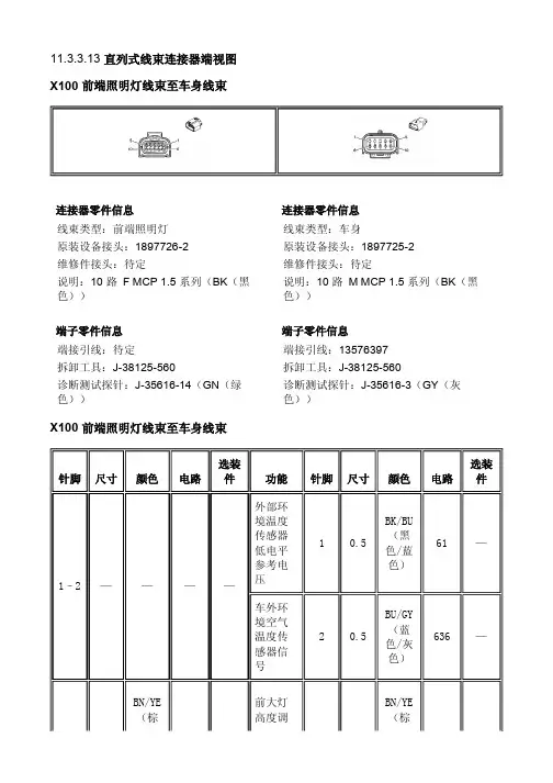
11.3.1.1 线束布线图前桥- 左侧线束布线图标(1) X122 前桥- 左侧线束及前桥- 左侧加长线束(2) X121 车身线束/前端照明灯线束及前桥- 左侧线束前桥- 右侧线束布线图标(1) X127 前桥- 右侧线束及前桥- 右侧加长线束(2) X126 车身线束/前端照明灯线束和右前桥线束车身线束/车身后部线束布线图标(1) X410 车身线束/车身后部线束及后围板线束车身线束/前端照明灯线束布线汽车技师帮技术资料----别克君威维修电路图( 线束布线)图标(1) X115 车身线束/前端照明灯线束及左侧前大灯线束(2) X139 车身线束及蓄电池车身线束布线(第 1 页,共 3 页)图标(1) X315 车身线束及前排乘客座椅线束(2) X310 车身线束及驾驶员座椅线束车身线束布线(第 2 页,共 3 页)图标(1) X205 车身线束及仪表板线束(2) X206 车身线束和仪表板线束(3) X207 车身线束及仪表板线束车身线束布线(第 3 页,共 3 页)图标(1) X200 车身线束和仪表板线束中央控制台线束布线汽车技师帮技术资料----别克君威维修电路图( 线束布线)图标(1) X302 仪表板线束及控制台线束(2) X300 仪表板线束和控制台线束(3) X303 车身线束及控制台线束驾驶员车门线束布线图标(1) X500 车身线束和驾驶员车门线束电子空气调节控制单元线束布线汽车技师帮技术资料----别克君威维修电路图( 线束布线)图标(1) X212 仪表板线束及暖风、通风与空调系统线束(C68)(2) X213 车身线束及电气辅助加热器加长线束发动机冷却系统线束布线(第1 页,共 2 页)图标(1) X132 车身线束/前端照明灯线束及发动机冷却系统线束(2) X130 车身线束/前端照明灯线束及发动机冷却系统线束发动机冷却系统线束布线(第2 页,共 2 页)图标(1) X130 车身线束/前端照明灯线束及发动机冷却系统线束发动机线束布线(LDK)图标(1) X145 发动机线束及喷油器线束前保险杠线束布线图标(1) X110 车身线束/前端照明灯线束及前围板线束前排乘客车门线束布线图标(1) X600 车身线束和乘客车门线束燃油箱线束布线(不带F46)图标(1) X430 车身线束及燃油箱线束仪表板线束布线图标(1) X303 车身线束及控制台线束(2) X300 仪表板线束和控制台线束(3) X301 仪表板线束及控制台线束左后车门线束布线图标(1) X700 车身线束和左后车门线束举升门线束布线汽车技师帮技术资料----别克君威维修电路图( 线束布线)图标(1) X906 车身线束及举升门- 右侧加长线束(2) X901 车身线束及举升门- 左侧加长线束(3) X902 车身线束及举升门- 左侧加长线束(4) X911 举升门- 左侧加长线束和举升门线束(5) X912 举升门- 左侧加长线束和举升门线束(6) X916 举升门- 右侧加长线束和举升门线束驻车加热器线束布线图标(1) X216 驻车加热器线束及驻车加热器加长线束(2) X215 驻车加热器线束及驻车加热器加长线束(3) X217 驻车加热器线束及驻车加热器线束后围板线束布线图标(1) X410 车身线束/车身后部线束及后围板线束右后车门线束布线图标(1) X800 车身线束和右后车门线束车顶/车顶内衬线束布线图标(1) X322 车身线束及顶灯线束挂车挂接装置线束布线图标(1) X88 挂车连接器(2) X415 车身线束车身后部线束及挂车挂接装置线束挂车挂接装置线束布线图标(1) X88 挂车连接器(2) X415 车身线束车身后部线束及挂车挂接装置线束。
玉柴DELPHI电控单体泵柴油机车辆线束说明1、整车线束与发动机线束的连接电路图见“整车线路图”,共18根导线。
2、所有导线的线径见“玉柴欧III电控单体泵柴油机车辆电路连接图”。
3、欧三电控发动机采用电子油门,由油门怠速开关和油门传感器组成,共五根线。
电子油门踏板由玉柴提供,油门线束由整车厂加工制作,其中A、B、C、D、F分别对应于油门接插件上的标号。
4、“整车线路图”中的自动变速箱通讯接口为CAN1总线通讯,采用双绞线,30个/米,长度、走向和接线端子定义由整车厂根据需要确定;整车标定接口为CAN2总线通讯,采用双绞线,30个/米,安装在仪表盘下方(由整车厂确认,建议置于仪表盘下方,以便于诊断仪的即插即用,并保证诊断接口防尘防水,远离大功率元器件,避免强大的电磁干扰)。
其中CAN2H与标定接插件引脚1相连,CAN2L 与标定接插件引脚2相连。
标定接插件的电源和地由整车提供。
硬件接口接插件由玉柴指定,整车厂采购并安装。
5、欧三电控发动机控制器采用车辆蓄电池供电,其中控制器电源负极直接接到蓄电池负极,控制器电源正极通过主继电器与蓄电池正极连接。
该继电器在控制器接收到点火信号后由控制器控制与蓄电池的接通,继电器规格:24V,15A6、要求在点火开关电路上串联一个安全开关,以保证在故障时迅速切断控制电源。
7、要求在汽车的仪表板上安装故障指示灯,规格24V,1A(最大值),并集成限压限流电阻(如果采用发光二极管,限流电阻为5KΩ左右)。
8、要求整车厂在汽车仪表板上提供怠速微调使能开关:常开式,单向开关,24V9、要求整车厂在汽车的仪表板上提供怠速微调上升开关:自动复位式,24V10、要求整车厂在汽车的仪表板上提供怠速微调下降开关:自动复位式,24V11、空调请求开关:常开式,单向开关,24V12、整车线束与发动机线束的接插件分为电源(2端子)和信号(16端子)接插件,由整车线束厂采购并根据实际需要长度制作;需要整车提供的物理接口还包括电子油门接口和整车标定接口。