第十九届上海市高中物理竞赛(TI杯)考试及解答
- 格式:doc
- 大小:655.00 KB
- 文档页数:8
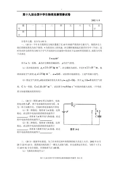
2002年第十九届全国中学生物理竞赛预复赛试题及解答目录第十九届全国中学生物理竞赛预赛试卷 (1)第十九届全国中学生物理竞赛预赛试题参考解答、评分标准 (4)第十九届全国中学生物理竞赛复赛试题 (16)第十九届全国中学生物理竞赛复赛试题参考解答 (19)第十九届全国中学生物理竞赛预赛试卷全卷共七题,总分为140分.一、(15分)今年3月我国北方地区遭遇了近10年来最严重的沙尘暴天气.现把沙尘上扬后的情况简化为如下情景:v 为竖直向上的风速,沙尘颗粒被扬起后悬浮在空中(不动).这时风对沙尘的作用力相当于空气不动而沙尘以速度v 竖直向下运动时所受的阻力.此阻力可用下式表达2f Av αρ=其中α为一系数,A 为沙尘颗粒的截面积,ρ为空气密度.(1)若沙粒的密度 33S 2.810kg m ρ=⨯⋅-,沙尘颗粒为球形,半径42.510m r =⨯-,地球表面处空气密度30 1.25kg m ρ=⋅-,0.45α=,试估算在地面附近,上述v 的最小值1v .(2)假定空气密度ρ随高度h 的变化关系为0(1)Ch ρρ=-,其中0ρ为0h =处的空气密度,C 为一常量,411.1810m C -=⨯-,试估算当19.0m s v =⋅-时扬沙的最大高度.(不考虑重力加速度随高度的变化)二、(20分)图预19-2所示电路中,电池的电动势为E ,两个电容器的电容皆为C ,K 为一单刀双掷开关。
开始时两电容器均不带电(1)第一种情况,现将K 与a 接通,达到稳定,此过程中电池内阻消耗的电能等于__________;再将K 与a 断开而与b 接通,此过程中电池供给的电能等于___________。
(2)第二种情况,现将K 与b 接通,达到稳定,此过程中电池内阻消耗的电能等于__________;再将K 与b断开而与a 接通,此过程中电池供给的电能等于___________。
三、(20分)据新华社报道,为了在本世纪初叶将我国的航天员送上太空,2002年3月25日22时15分,我国成功地发射了一艘无人试验飞船。
2019年上海市普通高中学业水平等级性考试物理试卷考生注意:1.试卷满分100分,考试时间60分钟。
2.本考试分设试卷和答题纸。
试卷包括三部分,第一部分为选择题,第二部分为填空题,第三部分为综合题。
3.答题前,务必在答题纸上填写姓名、报名号、考场号和座位号,并将核对后的条形码贴在指定位置上。
作答必须涂或写在答题纸上,在试卷上作答一律不得分。
第一部分的作答必须涂在答题纸上相应的区域,第二、三部分的作答必须写在答题纸上与试卷题号对应的位置.一、选择题(共40分。
第1-8小题,每小题3分,第9-12小题,每小题4分。
每小题只有一个正确答案。
)1.以下运动中加速度保持不变的是( )(A)简谐振动 (B)匀速圆周运动 (C)竖直上抛运动 (D)加速直线运动2.原子核内部有( )(A)质子 (B)α粒子 (C)电子 (D)光电子3.一个做简谐振动的弹簣振子,t=0时位于平衡位置,其机械能随时间变化的图像应为()4.泊松亮斑是光的( )(A)干涉现象,说明光有波动性 (B)衍射现象,说明光有波动性(C)干涉现象,说明光有粒子性 (D)衍射现象,说明光有粒子性5.将相同质量,相同温度的理想气体放入相同容器,体积不同,则这两部分气体()(A)平均动能相同,压强相同 (B)平均动能不同,压强相同(C)平均动能相同,压强不同 (D)平均动能不同,压强不同6.以A、B为轴的圆盘,A以线速度ⅴ转动,并带动B转动,A、B之间没有相对滑动则()(A)A、B转动方向相同,周期不同(B)A、B转动方向不同,周期不同(C)A、B转动方向相同,周期相同(D)A、B转动方向不同,周期相同7.一只甲虫沿着树枝缓慢地从A点爬到B点,此过程中树枝对甲虫作用力大小()(A)变大(B)变小(C)保持不变(D)先增大后减小8.两波源Ⅰ、Ⅱ在水槽中形成的波形如图所示,其中实线表示波峰,虚线表示波谷,则以下说法正确的是()(A)a点振动始终加强(B)b点振动始终加强(C)a、b两点振动始终加强(D)a、b两点振动都不加强9.如图所示为一定质量气体状态变化时的p-T图像,由图像可知,此气体的体积()(A)先不变后变大(B)先不变后变小(C)先变大后不变(D)先变小后不变10.如图所示电路,若将滑动变阻器滑片向上移动,则a、b环中感应电流的方向是()(A)a环顺时针,b环顺时针(B)a环顺时针,b环逆时针(C)a环逆时针,b环顺时针(D)a环逆时针,b环逆时针11.如图,在薄金属圆筒表面上通以与其轴线平行、分布均匀的恒定电流时,该圆筒的形变趋势为()(A)沿轴线上下压缩(B)沿轴线上下拉伸(C)沿半径向内收缩(D)沿半径向外膨胀12.电影通过倒放演员从高处跳下的场景能模仿出他们轻松跳上高处的镜头,则从观众的视角看来速度变化()(A)低处比高处快,加速度向下 (B)高处比低处快,加速度向上(C)低处比高处快,加速度向上 (D)高处比低处快,加速度向下参考答案 一、选择题(共40分。
第十九届全国中学生物理竞赛预赛试题参考解答、评分标准一、参考解答(1)在地面附近,沙尘扬起要能悬浮在空中,则空气阻力至少应与重力平衡,即201Av mg αρ= ① 式中m 为沙尘颗粒的质量,而2A r π= ②3s 43m r πρ= ③得 1v =④ 代入数据得 11 4.0m s v =⋅- ⑤(2)用h ρ、h 分别表示19.0m s v =⋅-时扬沙到达的最高处的空气密度和高度,则有0h (1)Ch ρρ=- ⑥此时式①应为2h Av mg αρ= ⑦由②、③、⑥、⑦可解得20s 4113r g h C v ραρ⎛⎫=- ⎪⎝⎭⑧ 代入数据得 36.810m h =⨯ ⑨评分标准:本题15分。
1. 第一小题8分。
其中①式3分,②式1分,③式1分,④式2分,⑤式1分。
2. 第二小题7分。
其中⑥式1分,⑦式1分,⑧式3分,⑨式2分。
二、参考解答(1)212C E ,0 (2)214C E ,212C E评分标准:本题20分。
(1)10分。
其中每个空5分。
(2)10分。
其中每个空5分。
三、参考解答(1)神舟3号(2)设飞船飞行时间为t ,绕地球飞行的圈数为N ,周期为T ,飞船的质量为m ,离地面的平均高度为h ,地球半径为R ,地球质量为M ,则有t T N= ① 222()()mM G m R h T R h π⎛⎫=+ ⎪+⎝⎭② 2Mm Gmg R = ③ 由①、②、③式解得 1/322224gR t h R N π⎛⎫=- ⎪⎝⎭ ④由题给数据可知55.853610s t =⨯,代入t 及其它有关数据得52.910m h =⨯ ⑤评分标准:本题20分(1)4分(2)16分。
其中①、②、③、④式各3分,⑤式4分(答案在52.710m ⨯~53.110m ⨯之间均给这4分)四、参考解答根据题设的条件,可知:开始时A 中氦气的质量3He 4.00310kg m -=⨯,B 中氪气的质量3Kr 83.810kg m -=⨯,C 中氙气的质量3Xe 131.310kg m -=⨯。
第十九届全国中学生物理竞赛预赛试卷全卷共七题,总分为140分. 一、(15分)今年3月我国北方地区遭遇了近10年来最严重的沙尘暴天气.现把沙尘上扬后的情况简化为如下情景:v 为竖直向上的风速,沙尘颗粒被扬起后悬浮在空中(不动).这时风对沙尘的作用力相当于空气不动而沙尘以速度v 竖直向下运动时所受的阻力.此阻力可用下式表达2f Av αρ=其中α为一系数,A 为沙尘颗粒的截面积,ρ为空气密度.(1)若沙粒的密度 33S 2.810kg m ρ=⨯⋅-,沙尘颗粒为球形,半径42.510m r =⨯-,地球表面处空气密度30 1.25kg m ρ=⋅-,0.45α=,试估算在地面附近,上述v 的最小值1v .(2)假定空气密度ρ随高度h 的变化关系为0(1)Ch ρρ=-,其中0ρ为0h =处的空气密度,C 为一常量,411.1810m C -=⨯-,试估算当19.0m s v =⋅-时扬沙的最大高度.(不考虑重力加速度随高度的变化)二、(20分)图预19-2所示电路中,电池的电动势为E ,两个电容器的电容皆为C ,K 为一单刀双掷开关。
开始时两电容器均不带电(1)第一种情况,现将K 与a 接通,达到稳定,此过程中电池内阻消耗的电能等于__________;再将K 与a 断开而与b 接通,此过程中电池供给的电能等于___________。
(2)第二种情况,现将K 与b 接通,达到稳定,此过程中电池内阻消耗的电能等于__________;再将K 与b 断开而与a 接通,此过程中电池供给的电能等于___________。
三、(20分)据新华社报道,为了在本世纪初叶将我国的航天员送上太空,2002年3月25日22时15分,我国成功地发射了一艘无人试验飞船。
在完成预定任务后,飞船于4月1日16时51分安全着陆,共绕地球飞行108圈。
(1)飞船的名称是什么?2002年9(2)飞船在运行期间,按照地面指挥控制中心的指令成功地实施了数百个动作,包括从椭圆轨道变换成圆轨道等.假如把飞船从发射到着陆的整个过程中的运动都当作圆周运动处理,试粗略估计飞船离地面的平均高度.已知地球半径66.3710m R =⨯,地球表面处的重力加速度29.80m s g =⋅-四、(20分)如图预19-4所示,三个绝热的、容积相同的球状容器A 、B 、C ,用带有阀门K1、K2的绝热细管连通,相邻两球球心的高度差 1.00m h =.初始时,阀门是关闭的,A 中装有1mol 的氦(He ),B 中装有1mol 的氪(Kr ),C 中装有lmol 的氙(Xe ),三者的温度和压强都相同.气体均可视为理想气体.现打开阀门K1、K2,三种气体相互混合,最终每一种气体在整个容器中均匀分布,三个容器中气体的温度相同.求气体温度的改变量.已知三种气体的摩尔质量分别为31He 4.00310kg mol μ--=⨯⋅31Kr 83.810kg mol μ--=⨯⋅ 31Xe 131.310kg mol μ--=⨯⋅在体积不变时,这三种气体任何一种每摩尔温度升高1K ,所吸收的热量均为 3/2R ,R 为普适气体常量.五、(20分)图预19-5中,三棱镜的顶角α为60︒,在三棱镜两侧对称位置上放置焦距均为 30.0cm f =的两个完全相同的凸透镜L1和 L2.若在L1的前焦面上距主光轴下方14.3cm y =处放一单色点光源S ,已知其像S '与S 对该光学系统是左右对称的.试求该三棱镜的折射率.六、(20分)一个长为1L ,宽为2L ,质量为m 的矩形导电线框,由质量均匀分布的刚性杆构成,静止放置在不导电的水平桌面上,可绕与线框的一条边重合的光滑固定轴ab 转动,在此边中串接一能输出可变电流的电流源(图中未画出)。
第十九届全国中学生物理竞赛复赛试题一、(20分)某甲设计了1个如图复19-1所示的“自动喷泉”装置,其中A 、B 、C 为3个容器,D 、E 、F 为3根细管,管栓K 是关闭的.A 、B 、C 及细管D 、E 中均盛有水,容器水面的高度差分别为1h 和1h 如图所示.A 、B 、C 的截面半径为12cm ,D 的半径为0.2cm .甲向同伴乙说:“我若拧开管栓K ,会有水从细管口喷出.”乙认为不可能.理由是:“低处的水自动走向高外,能量从哪儿来?”甲当即拧开K ,果然见到有水喷出,乙哑口无言,但不明白自己的错误所在.甲又进一步演示.在拧开管栓K 前,先将喷管D 的上端加长到足够长,然后拧开K ,管中水面即上升,最后水面静止于某个高度处.(1).论证拧开K 后水柱上升的原因.(2).当D 管上端足够长时,求拧开K 后D 中静止水面与A 中水面的高度差.(3).论证水柱上升所需能量的来源. 二、 (18 分) 在图复19-2中,半径为R 的圆柱形区域内有匀强磁场,磁场方向垂直纸面指向纸外,磁感应强度B 随时间均匀变化,变化率/B t K ∆∆=(K 为一正值常量),圆柱形区外空间没有磁场,沿图中AC 弦的方向画一直线,并向外延长,弦AC 与半径OA 的夹角/4απ=.直线上有一任意点,设该点与A 点的距离为x ,求从A 沿直线到该点的电动势的大小.三、(18分)如图复19-3所示,在水平光滑绝缘的桌面上,有三个带正电的质点1、2、3,位于边长为l 的等边三角形的三个顶点处。
C 为三角形的中心,三个质点的质量皆为m ,带电量皆为q 。
质点 1、3之间和2、3之间用绝缘的轻而细的刚性杆相连,在3的连接处为无摩擦的铰链。
已知开始时三个质点的速度为零,在此后运动过程中,当质点3运动到C 处时,其速度大小为多少? 四、(18分)有人设计了下述装置用以测量线圈的自感系数.在图复19-4-1中,E 为电压可调的直流电源。
第十七届上海市高中基础物理知识竞赛(TI 杯)考生注意:1、答卷前,考生务必先将区(县)、学校、姓名、准考证号等填写清楚。
2、本卷满分150分。
考试时间120分钟。
3、计算题要有解题步骤,无过程只有答案不得分。
24、 本卷重力加速度 g 的大小均取10m/s 。
5、 全部答案做在答题纸上。
6、 本卷允许使用TI 图形计算器。
一 •单选题(每小题 4分,共36分)1 •某物体做直线运动,遵循的运动方程为 x = 6t — t2 (其中,x 单位为m , t 单位为s )。
则该物体在0-4s 时间内经过的路程为()(A) 8m(B ) 9m( C ) 10m(D ) 11m2 •假设航天飞机在太空绕地球做匀速圆周运动。
一宇航员利用机械手将卫星举到机 舱外,并相对航天飞机静止释放该卫星,则被释放的卫星将()(A)向着地球做自由落体 (B )沿圆周轨道切线方向做直线运动 (C )停留在轨道被释放处 (D )随航天飞机同步绕地球做匀速圆周运动 3•如图所示,一弹簧秤固定于 0点,滑轮质量不计,被悬挂的砝码质量分别为 m j 、m 2和m 3,且m j = m 2+ m 3,这时弹簧秤示数为 T 。
若把m 2 从右边移挂到左边的 m 1上,则弹簧秤示数将()4•单手抛接4个小球是一项杂技节目。
假设表演过程中演员手中始终 只有一个小球,且在抛出手中小球的同时即刻接到另一个下落的小球,另外,每次抛接球点的离地高度与抛接球的力度相同。
已知每隔 0.4s 从演员手中抛出一球,则相 对抛球点,被抛出的小球能到达的最大高度为( ) (A ) 0.4m(B ) 0.8m(C ) 1.8m( D ) 3.2mE p -t 图、动能 E k -h 图,其中 t 为时间,h 为 下落高度。
以 水平地面为 零势能面,则下列图中错误的图像()6 •如图所示为一种“滚轮一一平盘无级变速器”示意图。
变速器由固定于主动轴上 的平盘和可随从动轴移动的圆柱形滚轮组成。
第十九届上海市高中基础物理知识竞赛(TI 杯)考生注意:1、答卷前,考生务必先将区(县)、学校、姓名、准考证号等填写清楚。
2、本卷满分150分。
考试时间120分钟。
3、计算题要有解题步骤,无过程只有答案不得分。
4、本卷重力加速度g 的大小均取10m/s 2。
5、全部答案做在答题纸上。
6、本卷允许使用TI 图形计算器。
一.单选题(每小题4分,共36分)1.一个质点做方向不变的直线运动,加速度的方向始终与速度方向相同,但加速度大小逐渐减小直到为零,在此过程中()(A )位移逐渐增大,当加速度减小到零后,位移将不再增大 (B )位移逐渐增大,当加速度减小到零后,位移将逐渐减小 (C )速度逐渐增大,当加速度减小到零时,速度达到最大值 (D )速度逐渐增大,当加速度减小到零时,速度达到最小值2.如图所示,放在光滑水平面上的木块原先以速率v 0向右做匀速直线运动。
现有一随时间从零开始做线性变化的水平力F 向左作用在木块上。
在这个过程中,以向右为正方向,能正确描述木块运动的图线是下图中的()3.动车组是由几节自带动力的车厢(动车)和几节不带动力的车厢(拖车)编成的组。
设动车组运行过程中的阻力与质量成正比,每节动车与拖车的质量相等,每节动车的额定功率都相等,若开一节动车带三节拖车时,最大速率为120km/h ,那么当开五节动车带三节拖车时,最大速率为()(A )60km/h(B )240km/h(C )300km/h(D )600km/h4.下图甲是一列沿x 轴正方向传播的波在所示t =1.0s 时刻的波形图,图乙是参与波动的某一质点的振动图像,则以下说法中正确的是()(A )波速是8m/s(B )图中Q 质点比P 质点先回到平衡位置 (C )图乙可能是图甲中质点M 的振动图像(D )图乙可能是图甲中质点N 的振动图像5.如右图所示,小圆环A 吊着一个质量为m 2的物块并套在一个竖直放置的大圆环上。
另有一根一端拴着质量为m 1的物块的细绳,跨过固定在大圆环最高点B 处的一个小滑轮后,另一端系在小圆环Av 0(A ) (B ) (C ) (D )-上。
第十九届全国中学生物理竞赛预赛试题参考解答、评分标准一、参考解答(1)在地面附近,沙尘扬起要能悬浮在空中,则空气阻力至少应与重力平衡,即201Av mg αρ= ①式中m 为沙尘颗粒的质量,而2A r π= ②3s 43m r πρ= ③得 1v ④ 代入数据得 11 4.0m s v =⋅- ⑤(2)用h ρ、h 分别表示19.0m s v =⋅-时扬沙到达的最高处的空气密度和高度,则有0h (1)Ch ρρ=- ⑥此时式①应为2h Av mg αρ= ⑦由②、③、⑥、⑦可解得20s 4113r g h C v ραρ⎛⎫=- ⎪⎝⎭⑧ 代入数据得 36.810m h =⨯ ⑨评分标准:本题15分。
1. 第一小题8分。
其中①式3分,②式1分,③式1分,④式2分,⑤式1分。
2. 第二小题7分。
其中⑥式1分,⑦式1分,⑧式3分,⑨式2分。
二、参考解答(1)212C E ,0 (2)214C E ,212C E评分标准:本题20分。
(1)10分。
其中每个空5分。
(2)10分。
其中每个空5分。
三、参考解答(1)神舟3号(2)设飞船飞行时间为t ,绕地球飞行的圈数为N ,周期为T ,飞船的质量为m ,离地面的平均高度为h ,地球半径为R ,地球质量为M ,则有t T N= ① 222()()mM G m R h T R h π⎛⎫=+ ⎪+⎝⎭② 2Mm Gmg R = ③ 由①、②、③式解得 1/3224gR t h R N π⎛⎫=- ⎪⎝⎭ ④由题给数据可知55.853610s t =⨯,代入t 及其它有关数据得52.910m h =⨯ ⑤评分标准:本题20分(1)4分(2)16分。
其中①、②、③、④式各3分,⑤式4分(答案在52.710m ⨯~53.110m ⨯之间均给这4分)四、参考解答根据题设的条件,可知:开始时A 中氦气的质量3He 4.00310kg m -=⨯,B 中氪气的质量3Kr 83.810kg m -=⨯,C 中氙气的质量3Xe 131.310kg m -=⨯。
第十九届全国中学生物理竞赛预赛试题参考解答、评分标准一、参考解答(1)在地面附近,沙尘扬起要能悬浮在空中,则空气阻力至少应与重力平衡,即201Av mg αρ= ① 式中m 为沙尘颗粒的质量,而2A r π= ②3s 43m r πρ= ③得 1v =④ 代入数据得 11 4.0m s v =⋅- ⑤(2)用h ρ、h 分别表示19.0m s v =⋅-时扬沙到达的最高处的空气密度和高度,则有0h (1)Ch ρρ=- ⑥此时式①应为2h Av mg αρ= ⑦由②、③、⑥、⑦可解得20s 4113r g h C v ραρ⎛⎫=- ⎪⎝⎭⑧ 代入数据得 36.810m h =⨯ ⑨评分标准:本题15分。
1. 第一小题8分。
其中①式3分,②式1分,③式1分,④式2分,⑤式1分。
2. 第二小题7分。
其中⑥式1分,⑦式1分,⑧式3分,⑨式2分。
二、参考解答(1)212C E ,0 (2)214C E ,212C E 评分标准:本题20分。
(1)10分。
其中每个空5分。
(2)10分。
其中每个空5分。
三、参考解答(1)神舟3号(2)设飞船飞行时间为t ,绕地球飞行的圈数为N ,周期为T ,飞船的质量为m ,离地面的平均高度为h ,地球半径为R ,地球质量为M ,则有t T N= ① 222()()mM G m R h T R h π⎛⎫=+ ⎪+⎝⎭② 2Mm Gmg R = ③ 由①、②、③式解得 1/322224gR t h R N π⎛⎫=- ⎪⎝⎭ ④由题给数据可知55.853610s t =⨯,代入t 及其它有关数据得52.910m h =⨯ ⑤评分标准:本题20分(1)4分(2)16分。
其中①、②、③、④式各3分,⑤式4分(答案在52.710m ⨯~53.110m ⨯之间均给这4分)四、参考解答根据题设的条件,可知:开始时A 中氦气的质量3He 4.00310kg m -=⨯,B 中氪气的质量3Kr 83.810kg m -=⨯,C 中氙气的质量3Xe 131.310kg m -=⨯。
上海市第十五届职业高中基础物理知识竞赛(TI杯)考生注意:1、答卷前,考生务必先将区(县)、学校、姓名、准考证号等填写清楚。
2、本卷满分150分。
考试时间120分钟。
3、计算题要有解题步骤,无过程只有答案不得分。
4、本卷重力加速度g的大小均取10m/s2。
5、全部答案做在答题纸上。
6、本卷允许使用TI图形计算器。
一.单选题(每小题3分,共27分)1.自从采用调控房价政策以来,曾经有一段时间,全国部分城市的房价上涨出现减缓趋势。
一位同学将房价的“上涨”类比成运动中的“增速”,将房价的“下降”类比成运动中的“减速”,据此类比方法,你觉得“房价上涨出现减缓趋势”可以类比成运动中的()(A)速度增大,加速度增大(B)速度增大,加速度减小(C)速度减小,加速度减小(D)速度减小,加速度增大2.如图所示,在上海某中学的实验室中有一单摆,在它的正下方放置一个方位刻度盘。
开始时,单摆沿方位刻度盘0-180︒的方向摆动,经过数小时后,单摆的摆动为()(A)沿0-180︒的刻度方向摆动(B)沿刻度盘顺时针转过的某一刻度方向摆动(C)沿刻度盘逆时针转过的某一刻度方向摆动(D)无法确定3.如图所示,靠在一起的两条绳子串着一个发声频率一定的发声器,绳的两端分别由相向而立的两个实验者甲和乙拿着。
实验时,当乙将其一端的两绳头靠在一起,甲用两手快速扩大其一端的两绳头间距时,发声器将沿绳向乙方向快速运动。
当发声器靠近乙后,甲将两绳头靠在一起,乙用两手快速扩大其一端的两绳头间距时,发声器将沿绳向甲方向快速运动。
在此交替操作过程中甲乙两人听到发声器的声音是()(A)当发声器离开乙时,甲听到发声器音调变低(B)当发声器离开甲时,乙听到发声器音调变高(C)当发声器离开乙时,甲听到发声器音调不变(D)当发声器离开甲时,甲听到发声器音调不变4.如图所示,“神舟”飞船升空后,进入距地球近地点高度200km,远地点高度343km的椭圆轨道上飞行。
上海市第十九届高二物理竞赛(浦东新区建平中学杯)初赛试题说明:1. 本卷满分100分,答卷时间90分钟。
2.本卷的解答结果写在答卷纸上。
3.本卷中重力加速度g取10m/s2一.单项选择题(每小题3分,共30分。
每小题给出的四个答案中只有一个是正确的)1.物理学的发展史是物理学的一个重要组成部分,通过学习科学大师们的研究方法和探究精神有助于提高同学们的科学素养,本题所列举的科学家都是为物理学发展做出突出贡献的杰出人物。
下列表述正确的是()A.牛顿发现了万有引力定律,并测出了引力常数B.法拉第发现了电磁感应现象,使人类社会进入电的时代C.伽利略发现了行星运动三大定律D.麦克斯韦从理论上预言了电磁波的存在,并用实验方法给予证实2.a、b两物体从同一位置沿同一直线运动,它们的速度图象如图所示,下列说法正确的是()A.a、b加速运动时,物体a的加速度大于物体b的加速度B.20秒时,a、b两物体相距最远C.60秒时,物体a在物体b的前方D.40秒时,a、b两物体速度相等,相距200 m3.以速度v0水平抛出一小球,如果从抛出到某时刻小球的竖直分位移与水平分位移大小相等,以下判断正确的是()A.此时小球的竖直分速度大小等于水平分速度大小B.此时小球的速度大小为2v0C.此时小球速度的方向与位移的方向相同D.小球运动的时间为2 v0/g4.大爆炸理论认为,我们的宇宙起源于137亿年前的一次大爆炸。
除开始瞬间外,在演化至今的大部分时间内,宇宙基本上是匀速膨胀的。
上世纪末,某超新星的观测显示,宇宙正在加速膨胀,面对这个出人意料的发现,宇宙学家探究其背后的原因,提出宇宙的大部分可能由暗能量组成,它们的排斥作用导致宇宙在近段天文时期内开始加速膨胀。
如果真是这样,则标志宇宙大小的宇宙半径R和宇宙年龄t的关系,大致是下面哪个图( )5.使带电的金属球靠近不带电的验电器,验电器的箔片张开。
下列各图表示验电器上感应电荷的分布情况,正确的是()6.如图所示,厚壁容器的一端通过胶塞插进一支灵敏温度计和一根气针,另一端有个用卡子卡住的可移动胶塞。
上海市高二物理竞赛上海市第一届高二物理竞赛(94) (2)上海市第二届高二物理竞赛(95) (6)上海市第三届高二物理竞赛(96) (10)上海市第四届高二物理竞赛(97) (14)上海市第五届高二物理竞赛(98) (18)上海市第六届高二物理竞赛(99) (22)上海市第七届高二物理竞赛(00) (26)上海市第八届高二物理竞赛(01) (30)上海市第九届高二物理竞赛(02) (34)上海市第十届高二物理竞赛(04) (38)上海市第十一届高二物理竞赛(05) (42)上海市第十二届高二物理竞赛(06) (46)上海市第十三届高二物理竞赛(07) (50)上海市第十四届高二物理竞赛(08) (54)上海市第十五届高二物理竞赛(09) (58)上海市第十六届高二物理竞赛(10) (62)上海市第十七届高二物理竞赛(11) (70)R (71)O (71)上海市第十八届高二物理竞赛(12) (74)上海市第一届高二物理竞赛(94) (80)上海市第二届高二物理竞赛(95) (80)上海市第三届高二物理竞赛(96) (80)上海市第四届高二物理竞赛(97) (81)上海市第五届高二物理竞赛(98) (81)上海市第六届高二物理竞赛(99) (81)上海市第七届高二物理竞赛(00) (82)上海市第八届高二物理竞赛(01) (82)上海市第九届高二物理竞赛(02) (82)上海市第十届高二物理竞赛(04) (83)S (84)R (84)上海市第十一届高二物理竞赛(05) (86)上海市第十二届高二物理竞赛(06) (87)上海市第十三届高二物理竞赛(07) (88)上海市第十四届高二物理竞赛(08) (89)上海市第十五届高二物理竞赛(09) (90)上海市第十六届高二物理竞赛(10) (91)上海市第十七届高二物理竞赛(11) (93)上海市第十八届高二物理竞赛(12) (97)上海市第一届高二物理竞赛(94)一 填空题(每格2分,共20分)1 理想气体是一种理想化的气体模型,真实气体只有在____________的情况下可以看作理想气体。
全国中学生(高中)物理竞赛初赛试题(含答案)一、选择题1. 下列哪个物理量在单位时间内保持不变?A. 加速度B. 速度C. 力D. 动能答案:B解析:速度是物体在单位时间内移动的距离,因此在单位时间内保持不变。
2. 一个物体在水平面上做匀速直线运动,下列哪个力是物体所受的合力?A. 重力B. 支持力C. 摩擦力D. 合力为零答案:D解析:物体做匀速直线运动时,所受的合力为零,即所有力的矢量和为零。
3. 下列哪个物理现象是光的折射?A. 镜子成像B. 光在水中的传播速度变慢C. 彩虹D. 光在空气中的传播速度变快答案:C解析:彩虹是光的折射现象,光在通过水滴时发生折射,形成七彩的光谱。
4. 下列哪个物理量是描述物体旋转状态的?A. 速度B. 加速度C. 角速度D. 力答案:C解析:角速度是描述物体旋转状态的物理量,表示物体在单位时间内旋转的角度。
5. 下列哪个物理现象是光的干涉?A. 镜子成像B. 光在空气中的传播速度变慢C. 彩虹D. 双缝干涉答案:D解析:双缝干涉是光的干涉现象,光通过两个狭缝后发生干涉,形成明暗相间的条纹。
二、填空题1. 物体在匀速直线运动时,所受的合力为零,即所有力的矢量和为零。
这个原理称为__________。
答案:牛顿第一定律解析:牛顿第一定律指出,物体在不受外力作用时,将保持静止或匀速直线运动状态。
2. 光在真空中的传播速度为__________m/s。
答案:3×10^8解析:光在真空中的传播速度是一个常数,为3×10^8m/s。
3. 下列哪个物理现象是光的衍射?A. 镜子成像B. 光在水中的传播速度变慢C. 彩虹D. 光通过狭缝后发生弯曲答案:D解析:光通过狭缝后发生弯曲的现象称为光的衍射,是光波与障碍物相互作用的结果。
4. 物体在匀速圆周运动时,所受的向心力大小为__________。
答案:mv^2/r解析:物体在匀速圆周运动时,所受的向心力大小为mv^2/r,其中m为物体质量,v为物体速度,r为圆周半径。