电池级碳酸锂分析规程
- 格式:pdf
- 大小:180.64 KB
- 文档页数:11
荧光分析碳酸锂安全操作及保养规程荧光分析是一种广泛应用于化学分析实验室的分析技术,可以用于测定各种元素的含量和性质。
碳酸锂作为一种常见的化合物,也可以通过荧光分析进行检测和分析。
在进行荧光分析碳酸锂的操作过程中,需要注意安全操作和保养规程,以确保实验过程的安全性和准确性。
下面是荧光分析碳酸锂的安全操作及保养规程:1.实验前准备-在进行实验之前,应先了解荧光分析的基本原理和操作步骤。
同时,熟悉荧光分析仪器的结构和使用方法,了解仪器的安全操作要求。
-检查实验室的荧光分析仪器和器材的状况,确保其完好无损并且正常工作。
-准备并检查实验所需的荧光分析试剂和标准样品,确保其质量和标定值正确。
2.实验操作-在进行荧光分析实验时,必须严格按照实验操作规程进行,遵守实验室的安全操作规定。
-使用实验室必需品,如实验手套、护目镜、防护服等,保护好自己的安全。
-严格控制实验室环境的卫生和整洁,确保实验仪器和器材的安全使用。
-仪器的操作过程中,需要进行化学废物的收集和处理,避免对环境造成污染。
3.仪器保养-定期检查和维护荧光分析仪器的状态,确保其正常工作。
-按照仪器的使用说明书进行定期的维护和保养,如清洁仪器表面、更换灯管等。
-使用仪器时要注意防潮、防尘和防震,保证仪器和器材的安全性和稳定性。
-在长期不使用仪器时,应进行仪器的定期检修和保养,以延长仪器的使用寿命。
4.安全储存-荧光分析仪器和试剂应储存在专门的存放柜中,并按照要求分类存放。
-荧光分析试剂应放置在干燥、阴凉和通风良好的地方,避免阳光直射和高温。
总之,荧光分析碳酸锂的操作过程中,要注意安全操作和保养规程,确保实验过程的安全和准确性。
同时,荧光分析仪器的安全使用和保养也是非常重要的,可以延长仪器的使用寿命和保证仪器的准确性。
在进行荧光分析实验时,要做好实验前的准备工作,严格按照实验操作规程进行操作,以确保实验的顺利进行。
冶金冶炼M etallurgical smelting 电池级碳酸锂制备工艺研究解析李伟达(长沙有色冶金设计研究院有限公司,湖南 长沙 410019)摘 要:针对电池级碳酸锂制备工艺展开分析,介绍几种不同制备工艺的区别,分析制备工艺应用过程中需要关注问题以及今后发展趋势,以期能够优化电池级碳酸锂制备效果。
关键词:电池级碳酸锂;制备工艺;电解法;重结晶法中图分类号:TQ131.11 文献标识码:A 文章编号:1002-5065(2021)05-0009-2Study and analysis of preparation technology of battery grade lithium carbonateLI Wei-da(CINF Engineering Co., Ltd.,Changsha 410019,China)Abstract: The preparation process of battery-grade lithium carbonate was analyzed, the differences of several different preparation processes were introduced, and the problems needing attention in the application of the preparation process and the future development trend were analyzed, in order to optimize the preparation effect of battery-grade lithium carbonate.Keywords: battery-grade lithium carbonate; Preparation technology; Electrolytic process; Recrystallization method碳酸锂属于白色粉末状无机化合物,它广泛用于电池、半导体、玻璃、陶瓷、医药和其他行业,是不可替代的一种锂化合物。
电池级碳酸锂生产检测方法
本文主要介绍电池级碳酸锂生产过程中常用的检测方法,包括物理检测、化学检测和电化学检测三个方面。
物理检测方面,主要包括粒度分析、比表面积测定、密度测定和颜色检测等方法。
其中,粒度分析可以通过激光粒度仪或者筛分仪进行,比表面积测定可以使用比表面积仪进行,密度测定则需要使用密度计进行。
颜色检测则可通过目测或者比色法进行。
化学检测方面,主要包括全分析、离子分析、水分含量测定和杂质含量测定等方法。
其中,全分析和离子分析可以使用化学分析仪进行,水分含量测定则需要使用卡尔费伦法或者Karl Fischer滴定法
等方法进行。
杂质含量测定则需要根据杂质种类选择不同的检测方法,如ICP-AES、ICP-MS等。
电化学检测方面,主要包括循环伏安法、恒流充放电法和电化学阻抗谱等方法。
这些方法可用于评估电池级碳酸锂的电化学性能,如容量、循环寿命、内阻等。
总之,以上介绍的检测方法可以帮助生产厂家及时监控电池级碳酸锂的品质,保证产品质量。
- 1 -。
碳酸锂含量的测定碳酸锂含量的测定适用范围:锂含量大于95%.试剂:1、溴甲酚绿溶液:我称取0.1克溴甲酚绿,溶于100毫升乙醇(95%)中。
2、甲基红—溴甲酚绿指示剂:移取30毫升溴甲酚绿溶液与10毫升甲基红溶液混匀。
3、甲基红溶液:称取0.2克甲基红,溶于100毫升乙醇(95%)中。
4、盐酸标准滴定溶液0.3mol/l配制:移取25毫升盐酸(密度1.19g/ml),置于1000毫升容量瓶,以水稀释至刻度,摇匀。
标定:标定与试料的测定平行进行。
称取三份0.7200g,预先在270度-300度高温灼烧2h,并置于干燥器中冷却至室温的碳酸钠(基准试剂),分别置于250毫升三角瓶中,加50毫升水溶解,加入10滴甲基红—溴甲酚绿指示剂,用盐酸标准滴定至溶液由绿色变为酒红色,煮沸20分钟驱除二氧化碳,冷却继续滴定溶液变酒红色为终点。
误差:盐酸耗量不应超过0.1毫升。
随同标定做空白试验。
盐酸标准滴定溶液的实际浓度按式(1)计算C=m?1000v?v0?52.9952.99是12碳酸钠为基本单位的摩尔质量。
式中c-盐酸标准溶液的实际浓度,单位为摩尔每升m-碳酸钠的质量gv-滴定碳酸钠消耗盐酸标准溶液的体积。
mlV0-滴定空白溶液消耗盐酸标准的滴定溶液的体积ml甲基红—溴甲酚绿指示剂:一份甲基红溶液(2g/l),三份溴甲酚绿溶液混合。
碳酸锂试样在250度-260度烘2h,置于干燥器中,冷却至室温。
试样称取0.5000克,精确至0.0001随同标定做空白试验。
将试料置于250毫升三角瓶中,加水20毫升,0.1-0.2毫升甲基红—溴甲酚绿指示剂,用盐酸标准滴定至溶液由绿色变为酒红色,煮沸20分钟驱除二氧化碳,冷却继续滴定溶液变酒红色为终点。
碳酸锂百分含量计算按公式Li2co3=c×(v1?v0)×0.03694m0×100-Ca(%)×1.844式中c-盐酸标准溶液的实际浓度,单位为摩尔每升V1-滴定试样消耗盐酸标准溶液的体积。
荧光分析碳酸锂安全操作及保养规程在荧光分析实验室中,碳酸锂作为一种重要的试剂被广泛使用。
然而,碳酸锂具有一定的危险性,必须严格控制操作和保养。
为了确保实验室安全,本文将介绍荧光分析碳酸锂安全操作及保养规程。
一、操作规程1. 个人防护在操作碳酸锂前,应穿戴好实验室必备的个人防护用品,包括实验室无菌服、手套、防护眼镜、口罩等防护用品,确保操作时不会直接接触碳酸锂,从而避免危险的接触。
2. 准备工作在操作碳酸锂前,还需进行准备工作。
首先,应清洁好操作区域,将操作台面和易受溅泼的仪器表面全部擦干净,并备好所需的实验器材和实验液。
其次,应在实验室保安员的陪同下,获取必要的操作手册和清单,以确保所有相关规定均得到遵循。
3. 操作步骤在碳酸锂的取样和溶解过程中,必须遵循严格的操作步骤。
在取样过程中,使用专用的试管或容器,确保所取得的碳酸锂量适宜,不会造成实验中的误差。
在溶解过程中,应严格按照操作手册中的说明进行,不得超标或者倒错溶剂等。
在操作过程中,应注意下列几点:•确保操作区域良好通风;•避免碳酸锂与酸、氢氧化物等强酸性、碱性试剂发生反应;•操作过程中如有突发情况,应立即通知实验室管理人员进行处理。
4. 清洗与保养在操作完毕后,应及时将实验器材进行清洗,并将碳酸锂残渣全部清除干净。
同时,还需进行实验台面的清洁和整理,确保实验室的环境整洁有序。
为了延长仪器寿命和保证实验安全,还需定期对仪器进行保养维护。
二、保养规程1. 仪器保养荧光分析仪和其他相关仪器需要定期进行保养维护,以确保其正常工作和仪器寿命。
一般而言,应在操作后对仪器进行拆卸、清洗、检查、修理以及重要零部件的更换等步骤。
同时,还需对仪器运行状况进行检测,对于出现问题的情况及时处理。
2. 试剂保养在操作过程中,碳酸锂的质量会直接影响实验结果。
因此,在使用碳酸锂时,还需要采取措施对其进行保养。
其中包括:•碳酸锂储存:碳酸锂需要储存在干燥通风的地方,避免暴晒或潮湿。
1、主要内容与适用范围本标准规定了碳酸锂中锂含量的测定。
本标准适用于碳酸锂中锂含量的测定。
测定范围:碳酸锂含量大于95%。
2、引用标准GB/T 11064.1-1989碳酸锂、单水氢氧化锂、氯化锂化学分析方法 酸碱滴定法测定碳酸锂量GB/T 1467-2008 冶金产品化学分析方法标准的总则和一般规定3、方法提要试料在一定水中,以甲基红—溴甲酚绿为指示剂,用HCl 标准滴定溶液滴定试料的总碱度,以消耗HCl 标准滴定溶液的量计算碳酸锂中锂的含量。
4、 试剂4.1甲基红—溴甲酚绿指示剂(2g/L 甲基红乙醇溶液与1g/L 溴甲酚绿乙醇溶液1:3混合)4.2 HCl 标准滴定溶液[C=0.3mol/L]4.2.1 配制: 量取225ml 浓盐酸,用纯水稀释至9L ,摇匀。
置于塑料桶中密封保存,待标。
4.2.2 标定平行称取四份0.32g 于270—300℃高温炉中灼烧至恒重的工作基准试剂无水碳酸钠于250ml 锥形瓶中,加入约20ml 水,加0.1-0.2ml 溴甲酚绿-甲基红指示液,用配制好的盐酸溶液滴定至溶液由绿色变为暗红色,煮沸2min ,冷却后继续滴至溶液再呈暗红色,即为终点。
同时作空白试验。
双人标定。
4.2.3 计算HCl 标准滴定溶液(4.2)的实际浓度按式(1)计算:1000*)(20MV V m C -=…………………………………………⑴ 式中 C ─HCl 标准滴定溶液的浓度数值,单位为摩尔每升(mol/L ); m ─ 碳酸钠基准物的质量的准确数值,单位为克(g );M ─碳酸钠基准物的摩尔质量,单位为克每摩尔(g/mol);V ─HCl 标准滴定溶液的体积数值,单位为毫升(ml );V 0 ─ 空白试验标准滴定溶液的体积数值,单位为毫升(ml )。
5、分析步骤5.1试料称取0.25g 试料,精确至0.0001g 。
独立进行两次试验,结果取其平均值。
5.2空白试验随同试料作空白试验。
电池级碳酸锂(产品)操作规程1.碳酸锂量的测定1.1方法提要试料在一定量水中溶解,以甲基红-溴甲酚绿为指示剂,用盐酸标准滴定溶液滴定试料的总碱度,以消耗盐酸标准滴定溶液的量计算碳酸锂的含量,试料中钙含量应换算为碳酸锂含量从计算结果中减去。
1.2试剂1.2.1盐酸标准滴定溶液c(HCI)=0.30mol/L1.2.2甲基红(0.2%)+ 溴甲酚绿(0.1%)乙醇溶液(1+3)1.3分析步骤1.3.1称取试料0.5g置于三角瓶中,加20ml水,加入10滴甲基红-溴甲酚绿指示剂用盐酸标准滴定溶液滴定至试液由绿色变为酒红色,煮沸2min,驱除二氧化碳,冷却,继续滴定至溶液呈酒红色即为终点。
1.3.2计算碳酸锂的含量以碳酸锂的质量分数wLi2CO3计,数值以%表示W(Li2CO3)=c×(V1-V2)×36.94÷(m0×1000)×100-w Ca×1.844·············C——盐酸标准滴定溶液的实际溶度,单位为摩尔每升(mol/L);V1——滴定试液消耗盐酸标准滴定溶液的体积,单位为毫升(ml);V2——滴定空白消耗盐酸标准滴定溶液的体积,单位为毫升(ml);36.94——以(1/2Li2CO3)为基本单元的摩尔质量,单位为摩尔每升(mol/L);M0——试料的质量,单位为克(g);Ca——钙的质量分数,数值以%表示;w1.844——钙对碳酸锂的换算因数1.4允许差同一化验室,分析结果误差不超过0.1%2.水分的测定2.1方法提要试料于255℃干燥并测定损失量2.2仪器2.2.1称量瓶:70×35mm2.2.2电烘箱:能控制温度250±5℃2.3分析步骤2.3.1称取10g原始试样,记为m0,精确至0.001g2.3.2独立进行两次测定,取其平均值2.3.3将预先在250±5℃的电烘箱内烘至3小时,并于干燥器中冷却的试料置于称量瓶中称量,记为m2;2.3.4将称入试料的称量瓶置于温度调节到250±5℃的烘箱中,将盖架在瓶顶上勿盖严一并放入烘至3小时,取出称量瓶并全部盖严放置干燥器中,冷却后,并称量记为m1,精确至0.001g2.3.5计算按公式计算水分的质量分数(%)(H2O)=m2-m1÷m0×100··············Wm2——烘干前盛有试料的称量瓶及其盖的质量,单位为克(g)m1——烘干后盛有试料的称量瓶及其盖的质量,单位为克(g)m0——试料的质量,单位为克(g)2.4允许差同一化验室,分析结果误差不超过0.03%3. 灼失量的测定3.1方法提要试料置于高温炉中,在550±5℃灼烧至恒重3.2仪器坩埚:30ml高温炉:附有测温热电偶及毫伏计3.3分析步骤3.3.1称取5g试样,记为m0,精确至0.0001g3.3.2独立进行两次测定,取其平均值3.3.3将预先在550±5℃的电烘箱内烘至30min,并于干燥器中冷却的试料置于坩埚中称量,记为m2;3.3.4将称入试料的坩埚(坩埚使用前灼30min)置于温度调节到550±5℃的高温炉中,将盖架在瓶顶上勿盖严一并放入烘至30min至1小时,取出坩埚并全部盖严放置干燥器中,冷却后,并坩埚记为m1,精确至0.0001g3.3.5计算按公式计算水分的质量分数(%)(H2O)=m2-m1÷m0×100··············Wm2——烘干前盛有试料的称量瓶及其盖的质量,单位为克(g)m1——烘干后盛有试料的称量瓶及其盖的质量,单位为克(g)m0——试料的质量,单位为克(g)3.4允许差同一化验室,分析结果误差不超过0.010%4. 氟量的测定4.1方法提要试料以硝酸分解,用柠檬酸钠-硝酸钾溶液作离子强度调节液,在PH值为7.0的条件下,以氟离子选择电极测定氟量4.2试剂硝酸(1+3)GR盐酸(1+1)GR盐酸(5+95)GR氢氧化钠溶液(40g/L)柠檬酸钠-硝酸钾溶液:称取294g二水合柠檬酸钠和20g硝酸钾,置于500ml烧杯中,加水溶解后,移入1000ml容量瓶中,以水稀释至刻度,摇匀。
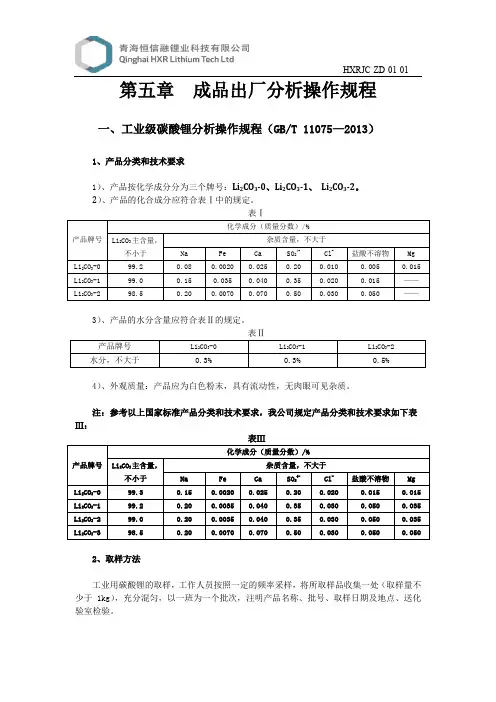
第五章成品出厂分析操作规程一、工业级碳酸锂分析操作规程(GB/T 11075—2013)1、产品分类和技术要求1)、产品按化学成分分为三个牌号:Li2CO3-0、Li2CO3-1、Li2CO3-2。
2)、产品的化合成分应符合表Ⅰ中的规定。
表Ⅰ3)、产品的水分含量应符合表Ⅱ的规定。
表Ⅱ4)、外观质量:产品应为白色粉末,具有流动性,无肉眼可见杂质。
注:参考以上国家标准产品分类和技术要求,我公司规定产品分类和技术要求如下表Ⅲ:2、取样方法工业用碳酸锂的取样,工作人员按照一定的频率采样,将所取样品收集一处(取样量不少于1kg),充分混匀,以一班为一个批次,注明产品名称、批号、取样日期及地点、送化验室检验。
3、试验方法3.1主含量的测定3.1.1测定原理试料在一定量水中,以甲基红-溴甲酚绿为指示剂,用盐酸标准溶液滴定试料的总碱度,以消耗盐酸标准溶液的量计算碳酸锂的含量,试样中钙含量应换算为碳酸锂含量从计算结果中减去。
3.1.2样品处理将样品混合后,平铺成圆堆形,分成四等分,取相对的两份混合,然后再平分,重复三次;(四分法)最后取试样称重后在250~260℃灼烧2h并于干燥器中冷却至室温,待测。
3.1.3试剂①盐酸标准溶液[c(HCl)=0.3mol/L]:量取33mL盐酸(ρ=1.19g/mL)于1000mL容量瓶中,以水稀释至刻度,摇匀。
②甲基红-溴甲酚绿混合指示剂:用③+④体积比3:1混合即可。
③溴甲酚绿溶液(0.1%):称取0.3g溴甲酚溶于300mL乙醇(95%)溶液中;④甲基红溶液(0.2%):称取0.2g甲基红溶于100mL乙醇(95%)溶液中;3.1.4分析步骤3.1.4.1标定盐酸标准溶液标定于试料的测定平行进行。
称取三份0.72g(称准至0.0001g)预先在270~300℃灼烧2h并于干燥器中冷却至室温的碳酸钠(基准试剂),分别置于250mL三角瓶中,各加入25~30mL水溶解,加入3-4滴甲基红-溴甲酚绿指示剂,用盐酸标准溶液滴定至溶液由绿色变为酒红色,加热煮沸驱除二氧化碳,冷却,继续滴定至酒红色即为终点。
碳酸锂技术指标碳酸锂是锂电池的重要原材料之一,其质量直接影响着锂电池的性能和安全性。
因此,在生产和使用碳酸锂的过程中,需要对其各项技术指标进行严格的控制。
本文将从碳酸锂的纯度、粒度、比表面积、水分、杂质等多个方面,探讨碳酸锂技术指标的相关内容。
一、纯度碳酸锂的纯度是指其中所含的碳酸锂的质量百分比。
高纯度的碳酸锂可以提高锂电池的能量密度和循环寿命,因此纯度是碳酸锂最重要的技术指标之一。
一般来说,工业级碳酸锂的纯度要求在98%以上,而电池级碳酸锂的纯度则要求更高,通常在99.5%以上。
为了保证碳酸锂的高纯度,生产过程中需要采用精细的化工技术和设备,并严格控制原料的杂质含量和生产环境的清洁度。
二、粒度碳酸锂的粒度是指其颗粒的大小和分布情况。
粒度的大小直接影响着碳酸锂在锂电池中的反应速率和利用率。
如果粒度过大,会导致反应速率变慢,利用率降低;而如果粒度过小,则容易引起粉尘污染和安全问题。
因此,在碳酸锂的生产和使用过程中,需要对其粒度进行严格的控制。
一般来说,电池级碳酸锂的粒度要求比较细,通常在几微米到几十微米之间,以保证其在锂电池中的良好分散性和反应活性。
三、比表面积比表面积是指单位质量物质所具有的表面积。
对于碳酸锂来说,比表面积的大小直接影响着其与电解液的接触面积和反应速率。
比表面积越大,反应速率越快,但同时也会增加碳酸锂与空气的接触面积,容易引起氧化和吸潮等问题。
因此,在碳酸锂的生产和使用过程中,需要根据实际情况对其比表面积进行控制。
一般来说,电池级碳酸锂的比表面积要求适中,既要保证其与电解液的充分接触,又要避免过多的表面缺陷和氧化反应。
四、水分水分是碳酸锂中常见的杂质之一,其含量直接影响着碳酸锂的质量和稳定性。
如果水分含量过高,会导致碳酸锂在储存和使用过程中吸潮结块,严重影响其分散性和反应活性;同时还会引起电池内部的短路和安全问题。
因此,在碳酸锂的生产和储存过程中,需要采取有效的措施控制其水分含量。
1范围本规程适用于电池级碳酸锂产品的检验。
测定范围:碳酸锂量大于95.00%.2规范性引用文件GB/T11064-2013(所有部分)碳酸锂、单水氢氧化锂、氯化锂化学分析方法YS/T582-2013电池级碳酸锂附录AGB/T6284化工产品中水分测定的通用方法干燥减量法GB/T6678化工产品采样总则GB/T19077.1粒度分析激光衍射法第1部分:通则IEC62321电子电气产品中限用的六种物质(铅,汞,镉,六价铬,多溴联苯,多溴联苯醚)浓度的测定程序3一般规定3.1本试验方法中使用的部分试剂具有毒性或腐蚀性,操作者须小心谨慎!3.2使用易燃品时,严禁使用明火加热。
3.3本标准所用试剂和水在没有注明其他要求时,均指分析纯试剂和GB/T6682中规定的三级水;所有原子吸收法或电感耦合等离子发射光谱法所用的试剂和水均指优级纯试剂和GB/T6682中规定的二级水。
3.4试验中所用标准滴定溶液、杂质标准溶液、制剂及制品,在没有注明其他要求时,均按HG/T3696.1、HG/T3696.2、HG/T3696.3的规定制备。
3.5外观质量:产品呈白色粉末状,目视无可见夹杂物。
4检验方法4.1外观质量:产品呈白色粉末状,目视无可见夹杂物。
4.2碳酸锂(Li2CO3)含量的测定(酸碱滴定法)4.2.1方法提要试料在一定量的水中溶解,以甲基红-溴甲酚绿为指示剂,用盐酸标准滴定溶液滴定试液的总碱度,以消耗盐酸标准滴定溶液的量计算碳酸锂的含量。
试料中钙含量应换算为碳酸锂含量从计算结果中减去。
4.2.2试剂除非另有说明,本部分所用试剂均为分析纯试剂,所用水均为去离子水(二级水)。
4.2.2.1甲基红-溴甲酚绿指示剂:溴甲酚绿溶液:甲基红溶液=3:1。
4.2.2.2溴甲酚绿溶液:称取0.1g 溴甲酚绿,溶于100mL 乙醇(95%)溶液中。
4.2.2.3甲基红溶液:称取0.2g 甲基红,溶于100mL 乙醇(95%)溶液中。
中国颗粒学会标准T/CSP XXXX-XXXX颗粒技术 电池级碳酸锂P article Technology: Battery-grade lithium carbonate(工作组修改稿)19.120. A28目次前言............................................................................. - 2 -引言............................................................................. - 3 -1范围 (4)2规范性引用文件 (4)3技术要求 (5)3.1 化学成分..................................................................... - 5 -3.2 理化参数..................................................................... - 5 -4试验方法 (6)4.1 产品的外观质量............................................................... - 6 -4.2 产品的化学成分............................................................... - 6 -5检验要求 (6)5.1 检查和验收................................................................... - 6 -5.2 组批......................................................................... - 7 -5.3 取样......................................................................... - 7 -5.4 本标准规定的检验分为出厂检验和型式检验。
1.目的:规范化学分析测碳酸锂含量的操作方法,以确保该方法操作的标准化及规范化。
2.适用范围:本规定适用化学分析测碳酸锂含量的操作。
3.内容:3.1 检测原理样品在一定量的水中,以甲基红-溴甲酚绿为指示剂,用盐酸标准滴定溶液滴定样品溶液。
根据消耗的盐酸标准滴定溶液的体积计算出碳酸锂的含量。
232222Li CO HCl LiCl CO H O +=+↑+3.2 试剂3.2.1 盐酸标准滴定溶液:c (HCl )=0.5mol/L3.2.2 溴甲酚绿-甲基红指示液3.3 仪器设备3.3.1 滴定管:50mL3.3.2 电子分析天平:精确到0.0001g3.3.3 锥形瓶:250 mL3.3.4 万用电炉3.4 分析步骤称取0.5000 g(准确到0.0001 g)试样于干燥洁净的250 mL 锥形瓶中,加入50 mL 去离子水使其充分溶解。
加入10滴溴甲酚绿-甲基红指示剂,用盐酸标准滴定溶液滴定至试样溶液由绿色变成酒红色,加热煮沸2min ,驱除二氧化碳,冷却至室温,继续滴定至酒红色即为滴定终点。
同时做空白试验。
最后计算碳酸锂含量。
3.5 结果计算碳酸锂的质量分数w ,按式(1)计算式中:c ——盐酸标准滴定溶液的浓度数值,单位为mol /L ;V 1——空白试验消耗盐酸标准滴定溶液的体积数值,单位为mL ; %1001000/84.36)(c 21⨯⨯-⨯=m V V wV2——试料消耗盐酸标准滴定溶液的体积数值,单位为mL;36.84——碳酸锂的相对分子质量,单位为g/mol;m——称取的试料质量的数值,单位为g。
4.记录表单:《碳酸锂含量分析记录表》。
电池级碳酸锂行业标准电池级碳酸锂是目前锂离子电池主要正极材料之一,其品质直接决定着锂离子电池的性能和安全性,因此需要制定相应的行业标准以保证产品质量。
本文将介绍电池级碳酸锂的行业标准。
一、标准名称、范围和引用标准2.标准范围:本标准规定了电池级碳酸锂的技术要求、试验方法、检验规则、包装、标志、运输和贮存等内容。
3.引用标准:GB/T 19596-2004 锂离子电池术语二、术语和定义1.电池级碳酸锂:用于制作锂离子电池正极材料的碳酸锂。
其主要性能指标包括简支电池容量、循环寿命、容量保持率等。
2.简支电池容量:电池在规定的放电电流、放电时间和环境温度下输出的能量,通常以安时(Ah)表示。
3.循环寿命:电池经过多次充放电循环后仍能保持规定容量的次数。
4.容量保持率:电池在规定的储存条件下,经过规定时间储存后输出的能量与初始容量之比。
三、技术要求1.外观质量:电池级碳酸锂应为白色结晶粉末,无杂质、异物和结块现象。
2.理化性能:①简支电池容量:应在标称值的范围内,标准要求为≥140mAh/g。
②循环寿命:应在规定次数内,标准要求为≥1000次。
③容量保持率:应在规定时间内,标准要求为≥90%。
3.杂质含量:①铁(Fe)含量不得大于0.005%。
⑥锂(Li)含量应在标称值的范围内。
4.其它性能指标:pH值、颗粒大小分布、比表面积等指标应符合标准要求。
四、试验方法1.简支电池容量:采用恒定电流放电法测定。
2.循环寿命:采用循环充放电法测定。
3.容量保持率:采用存放法测定。
4.杂质含量:采用化学分析法测定。
5.其它性能指标:分别采用相应的试验方法测定。
五、检验规则1.抽样方法:按照质量检验总则中的规定进行。
2.检验项目:依据技术要求和试验方法确定。
3.判定原则:合格的产品,按规定标志、包装、运输、储存并发货;不合格的产品,应做好处理和追溯工作。
六、包装、标志、运输和贮存1.包装:按照国家标准或合同要求进行。
2.标志:应注明产品名称、规格型号、生产厂家、生产日期、批号等信息。
电池级碳酸锂和氢氧化锂电池级碳酸锂和氢氧化锂,是一种重要的锂资源,在锂离子电池制造过程中起着至关重要的作用。
本文将从化学性质、生产工艺、应用领域等方面介绍电池级碳酸锂和氢氧化锂。
1.化学性质碳酸锂是一种无色晶体,分子式为Li2CO3。
在水中微溶,易吸潮,易于吸收二氧化碳形成碳酸氢锂。
常温常压下,碳酸锂具有良好的热稳定性和稳定的化学性质,不易分解。
碳酸锂分解温度为1290℃,在空气中加热灼烧时,会分解为氧化锂和二氧化碳。
碳酸锂在碱性和酸性溶液中均易溶解,但在中性溶液中几乎不溶,这也是锂离子电池中采用碳酸锂作为正极材料的原因。
2.生产工艺电池级碳酸锂的生产工艺一般采用矿物碳酸锂和天然盐湖矾石中的锂矿为原料,经过破碎、选矿、焙烧、水化等步骤制得。
其中,矿物碳酸锂生产工艺包括“硫酸法”和“盐酸法”两种。
硫酸法:将矿物碳酸锂加入浓硫酸中,反应生成硫酸锂和碳酸二氢锂。
然后,将碳酸二氢锂加入水溶中,再经过蒸发结晶、离心干燥等步骤即可。
3.应用领域电池级碳酸锂是锂离子电池制造的重要原材料之一。
锂离子电池具有能量密度高、自放电率低、循环寿命长、质量轻等优点,已广泛用于移动通讯、笔记本电脑、平板电脑、电子书、无人机、电动汽车等领域。
随着人们对新能源和绿色环保产品的需求不断增加,未来锂离子电池市场将有更广阔的发展前景。
二、氢氧化锂氢氧化锂是一种无色晶体,分子式为LiOH。
易溶于水,而且在水中具有碱性。
氢氧化锂的热稳定性较好,在常温常压下不易分解。
但在高温下,LiOH易失水变成氢氧化锂鬼钾(Li2O)。
氢氧化锂的生产工艺主要有电解法、碳酸锂法和氧化锌法。
电解法:利用锂矿含锂盐溶液进行电解制取氢氧化锂。
该法生产成本高,但产品纯度高。
碳酸锂法:利用碳酸锂和氢氧化钠在高温下反应生成氢氧化锂。
该法生产效率高,但纯度较低。
氢氧化锂是制备其他锂化合物所必需的原材料,常常用于制备高纯度的碳酸锂、氟化锂、硝酸锂等制品。
此外,氢氧化锂还被广泛应用于合成药物、涂料、油漆、颜料等行业,在石油、化工、电子等领域都有重要的用途。
化学分析测碳酸锂含量操作规程一、实验目的本实验旨在通过化学分析方法测量样品中碳酸锂的含量。
二、实验原理碳酸锂与过硫酸钠反应生成二氧化碳,通过收集生成的二氧化碳量来确定样品中碳酸锂的含量。
三、实验仪器与试剂1.仪器:酸度计、电子天平、容量瓶、蒸馏水装置、电磁搅拌器。
2.试剂:过硫酸钠、无水碳酸钠、无水乙醇。
四、实验步骤1.样品处理:(1)将待测样品取出一定质量放入容量瓶中。
(2)用蒸馏水稀释至容量,彻底溶解样品。
(3)用酸度计检测样品的酸碱度,如果酸碱度不符合要求,则需调整至中性。
2.标准曲线的制备:(1)将无水碳酸钠准确称取一定质量,溶解在少量蒸馏水中。
(2)连续地加入过硫酸钠,继续搅拌,收集生成的二氧化碳。
(3)收集的二氧化碳通入设备中的碱溶液中,生成碳酸钠溶液。
(4)将生成的碳酸钠溶液滴加无水乙醇中直至呈饱和状态。
(5)用酸度计检测饱和碳酸钠溶液的酸碱度,并进行调整。
3.样品的测定:(1)取一定体积的饱和碳酸钠溶液,称称取质量。
(2)预先装好适量的无水乙醇。
(3)将取样液挂置于装有饱和碳酸钠溶液的加热器中,使其蒸发完全。
(4)将残渣加入无水乙醇中,用酸度计检测酸碱度,并调整至中性。
(5)置于常温下静置片刻,使碳酸钠充分溶解。
(6)用电子天平准确称取一定质量的碳酸钠溶液。
(7)将称取好的碳酸钠溶液放入冷凝管中,加入过硫酸钠并加热。
(8)热解完成后,将冷凝管接入收集装置,并加入少量饱和碳酸钠溶液。
(9)将收集的二氧化碳溶于无水乙醇中,溶液呈饱和状态。
(10)用酸度计检测样品的酸碱度,并调整至中性。
五、数据处理与结果计算1.记录实验过程中药品的加入量和溶解程度。
2.对每组样品进行计算,得出平均值。
3.根据标准曲线,计算样品中碳酸锂的含量。
六、实验安全注意事项1.操作时戴好防护眼镜和实验手套,避免药品溅入眼睛或皮肤。
2.防止药品的误食,特别是有毒品。
3.加热操作时注意安全,避免破裂风险。
七、实验总结通过本实验,成功测量了样品中碳酸锂的含量,并得出了准确的结果。
电池级碳酸锂行业标准ICS 77.120.99H 64YS 中华人民共和国有色金属行业标准YS/T 582-201X代替YS/T 582-2006电池级碳酸锂Battery grade lithium carbonate(送审稿)201×-××-××发布201×-××-××实施发布中华人民共和国工业和信息化部YS/T 582—201×前言本标准按照GB/T 1.1-2009给出的规则起草。
本标准代替YS/T 582-2006《电池级碳酸锂》。
本标准与YS/T 582-2006相比主要变化如下:——调整了部分产品指标;——增加磁性物质和有害物质要求;——更改了水分的测定方法。
本标准由全国有色金属标准化技术委员会(SAC/TC 243)归口。
本标准起草单位:四川天齐锂业股份有限公司、佛山市邦普循环科技有限公司等。
本标准主要起草人:金鹏、霍立明、涂明江、江虎成、勾海霞、宋双兵本部分所代替标准的历次版本发布情况为:——YS/T 582-2006。
IYS/T 582—201×电池级碳酸锂1 范围本标准规定了电池级碳酸锂的要求、试验方法、检验规则及标志、包装、运输、贮存、质量证明书和合同(或订货单)内容。
本标准适用于以各种方法生产的电池级碳酸锂。
2 规范性引用文件下列文件对于本文的应用是必不可少的。
凡是注明日期的引用文件,仅注日期的版本适用于本文件。
凡是不注日期的引用文件,其最新版本(包括所有的修订单)适用于本文件。
GB 191 包装储运图示标志GB/T 11064 (所有部分) 碳酸锂、单水氢氧化锂、氯化锂化学分析方法GB/T 19077.1 粒度分析激光衍射法GB/T 6284 化工产品中水分测定的通用方法干燥减量法IEC 62321 电子电气产品中限用的六种物质(铅,汞,镉,六价铬,多溴联苯,多溴联苯醚)浓度的测定程序欧盟理事会第2011/65/EU号指令附件? 有害物质的限量3 术语3.1 磁性物质主要是指过渡元素铁、锌、铬及其合金等带有磁性的物质。
《电池级碳酸锂》行业标准编制说明一、任务来源及要求《电池级碳酸锂》行业标准是根据工业和信息化部《关于印发2011年第一批行业标准制修订计划的通知》(工信厅科[2011] 75号)精神,由四川天齐锂业股份有限公司负责制(修)定,项目计划编号:2010-3500T-YS,项目完成时间为2012年。
二、产品的概况1、产品的性质、用途碳酸锂化学式是Li2CO3,相对分子质量为73.89。
性状为白色单斜晶体或粉末,微溶于水;溶于稀酸,不溶于醇。
比重2.11,熔点723℃, 沸点1230℃。
碳酸锂用途广泛,在电池、铝电解、钢连铸保护渣、特种玻璃、陶瓷、医药、核工业、高档Al-Li合金、特种玻璃和背投彩电工业等重要工业菱悦都是不可或缺的原料。
随着近期全球新能源开发的热潮,碳酸锂在锂电池中的应用越来越被大家所关注。
电池级碳酸锂是生产锂电池正极材料(主要有钴酸锂、锰酸锂、磷酸铁锂等)以及电解液的关键核心原料。
由于电动汽车对锂电池需求巨大,“十二五”期间,可以预期电动汽车将迎来广阔的发展前景,电池级碳酸锂也进入发展的快车道。
国内主要的生产厂家有四川天齐锂业股份有限公司、江西赣锋锂业股份有限公司、新疆昊鑫锂业开发有限公司等,国外厂家有SQM、FMC、Chemetal等。
2、生产工艺生产电池级碳酸锂的方法按原料分可分为矿石法和盐湖法。
其中矿石法主要包括石灰石焙烧法、硫酸法、硫酸盐法等;盐湖提锂包括沉淀法、煅烧法和浓缩法等方法。
三、编制原则1、本标准的编制原则原标准YS/T 582-2006(电池级碳酸锂)(以下称原标准),无论是规范格式,还是具体技术要求等方面,均有不适宜现状之处,为指导合理利用资源、调整产品结构、满足市场需要和使供需双方公平受益,标准格式按照GB/T 1.1-2009《标准化工作导则第1部分:标准的结构和编写规则》的要求进行修订。
修订的标准有利于规范市场,切实可行,具有可操作性,同时充分考虑生产企业、使用单位及相关各方面的意见和建议。
1范围本规程适用于电池级碳酸锂产品的检验。
测定范围:碳酸锂量大于95.00%.2规范性引用文件GB/T11064-2013(所有部分)碳酸锂、单水氢氧化锂、氯化锂化学分析方法YS/T582-2013电池级碳酸锂附录AGB/T6284化工产品中水分测定的通用方法干燥减量法GB/T6678化工产品采样总则GB/T19077.1粒度分析激光衍射法第1部分:通则IEC62321电子电气产品中限用的六种物质(铅,汞,镉,六价铬,多溴联苯,多溴联苯醚)浓度的测定程序3一般规定3.1本试验方法中使用的部分试剂具有毒性或腐蚀性,操作者须小心谨慎!3.2使用易燃品时,严禁使用明火加热。
3.3本标准所用试剂和水在没有注明其他要求时,均指分析纯试剂和GB/T6682中规定的三级水;所有原子吸收法或电感耦合等离子发射光谱法所用的试剂和水均指优级纯试剂和GB/T6682中规定的二级水。
3.4试验中所用标准滴定溶液、杂质标准溶液、制剂及制品,在没有注明其他要求时,均按HG/T3696.1、HG/T3696.2、HG/T3696.3的规定制备。
3.5外观质量:产品呈白色粉末状,目视无可见夹杂物。
4检验方法4.1外观质量:产品呈白色粉末状,目视无可见夹杂物。
4.2碳酸锂(Li2CO3)含量的测定(酸碱滴定法)4.2.1方法提要试料在一定量的水中溶解,以甲基红-溴甲酚绿为指示剂,用盐酸标准滴定溶液滴定试液的总碱度,以消耗盐酸标准滴定溶液的量计算碳酸锂的含量。
试料中钙含量应换算为碳酸锂含量从计算结果中减去。
4.2.2试剂除非另有说明,本部分所用试剂均为分析纯试剂,所用水均为去离子水(二级水)。
4.2.2.1甲基红-溴甲酚绿指示剂:溴甲酚绿溶液:甲基红溶液=3:1。
4.2.2.2溴甲酚绿溶液:称取0.1g 溴甲酚绿,溶于100mL 乙醇(95%)溶液中。
4.2.2.3甲基红溶液:称取0.2g 甲基红,溶于100mL 乙醇(95%)溶液中。
4.2.2.4盐酸标准滴定溶液:c(HCl)≈0.30mol/L。
配制:移取25mL 盐酸(p=1.19g/mL)置于1000mL 容量瓶中,以水稀释至刻度混匀。
标定:称取三份预先在270~300℃高温炉灼烧2h,并置于干燥器中冷却至室温的碳酸钠基准物0.55~0.60g (精确至0.0001g)分别置于250mL 三角瓶中,加入50mL 水溶解,加入10滴甲基红-溴甲酚绿指示剂,用盐酸标准滴定溶液滴定至溶液由绿色变为酒红色,煮沸2min,驱除二氧化碳,冷却,继续滴定至溶液再呈酒红色即为终点,同时做空白试验。
盐酸标准滴定溶液的浓度按下式计算:99.52)(10000⨯-⨯=V V m c 式中:c——盐酸标准滴定溶液的实际浓度(mol/L)。
m——碳酸钠的质量(g)。
V——滴定碳酸钠消耗盐酸标准滴定溶液的体积(mL)。
V 0——滴定空白溶液消耗盐酸标准滴定溶液的体积(mL)。
52.99——以(l/2Na 2CO 3)为基本单元的摩尔质量(g/mol)。
4.2.3试样试样预先在250~260℃烘2h,置于干燥器中,冷却至室温。
4.2.4分析步骤称取0.50g 试样(精确至0.0001g)置于250mL 三角瓶中,加入20mL 水,10滴甲基红-溴甲酚绿指示剂,用盐酸标准滴定溶液(0.30mol/L)滴定至试液由绿色变为酒红色,煮沸2min,驱除二氧化碳,冷却,继续滴定至溶液呈酒红色即为终点。
4.2.5碳酸锂的含量以碳酸锂的质量分数W Li2CO3计(%)按下式计算:844.1100100094.36)(02132⨯-⨯⨯⨯-=Ca CO Li w m V V c w 式中:c——盐酸标准滴定溶液的实际浓度(mol/L)。
V 1——滴定试液消耗盐酸标准滴定溶液的体积(mL)。
V2——滴定空白消耗盐酸标准滴定溶液的体积(mL)。
36.94——以(1/2Li2CO3)为基本单元的摩尔质量(g/mol)。
m——试料的质量(g)。
WCa——钙的质量分数,以%表示。
1.844-钙对碳酸锂的换算因数。
所得结果应表示到小数点后二位。
4.2.6精密度4.2.6.1重复性在重复性条件下获得的两次独立测试结果的测定值,在以下给出的平均值范围内,这两个测试结果的绝对差值不超过重复性限(r),超过重复性限(r)的情况不超过5%。
重复性限(r)按下表数据采用线性内插法求得。
WLi2CO3/%95.6097.4699.40 r/%0.150.150.164.2.6.2允许差实验室之间分析结果的差值应不大于下表所列允许差。
氢氧化锂的质量分数/%允许差/%>95.000.304.3碳酸锂(Li2CO3)含量的测定(电位滴定法)4.3.1方法提要选用适当的指示电极和参比电极与被测溶液组成一个工作电池,随着滴定剂的不断加入,由于发生酸碱滴定反应,被测离子的浓度不断发生变化,因而导致指示电极的电位随之变化,在滴定终点附近,被测离子浓度发生突变,引起电极电位的突跃,根据电极电位的突跃可确定滴定终点。
4.3.2试剂及仪器4.3.2.1盐酸标准滴定溶液:c(HCl)≈0.30mol/L。
4.3.2.2智能电位自动滴定仪。
4.3.3分析步骤样品分析前的准备工作:检查棕色瓶中的盐酸是否充足、上次标定时间(判断是否在有效期内,是否需重新标定);检查管路、针筒中是否存在气泡,若有则要进行排气操作。
称取约0.25g试样(精确至0.0001g)置于100mL塑料筒里,加入30ml水,置于样品架上,在软件的工作平台界面上的样品数据表中,双击空白处进行样品信息的输入(样品编号、质量、方法,对应自动进样架上的位置编号)选择默认方法为:Li2CO3-自动,进入自动滴定程序。
在样品架上按下“Start”键,上下键选择样品数量进行样品数量设置,按下“OK”键,再按“Back”键,上下键选择起始滴定位置,按下“OK”。
按下进样架上的“Start”键,再点击工作平台界面中的“开始测量”,进行自动滴定。
滴定完成后,在数据库中查看滴定结果。
4.3.4允许差平行样之间分析结果差值应不大于下表所列允许差。
碳酸锂的质量分数/%允许差/%>95.000.164.4碳酸锂中杂质(钙、镁、铜、铅、锌、镍、锰、镉、铝、铁、硼、铬)含量的测定4.4.1方法提要试料以硝酸分解,在硝酸介质中,于ICP上采用标准曲线法测定钙、镁、铜、铅、锌、镍、锰、镉、铝、硅、铁、铬、硼的含量。
本操作规程适用于碳酸锂、单水氢氧化锂中钙、镁、铜、铅、锌、镍、锰、镉、铝、铁、硼、铬量的测定,测定范围为锰、镉、锌、镍、硅、铁、铬、硼0.0001%~0.0080%;钙、铝、镁、铜0.0002%~0.0080%;铅0.0004%~0.0080%。
4.4.2试剂及仪器除非另有说明,本部分所用试剂均为优级纯试剂,分析用水均为二次去离子水。
4.4.2.1硝酸溶液:1+1。
4.4.2.2标准系列溶液浓度为0.00mg/L、0.20mg/L、0.50mg/L、1.00mg/L、2.00mg/L的1%硝酸基体十二元素混标液。
4.4.2.3高纯氩气:Ar≥99.99%。
4.4.2.4电感耦合等离子发射光谱仪。
4.4.3分析步骤4.4.3.1试样碳酸锂、氯化锂试样预先在250℃烘2h,置于干燥器中冷却至室温。
单水氢氧化锂试样应装满于塑料器皿中,密封贮存。
4.4.3.2测定4.4.3.2.1称取1.25~1.35g 试样(精确至0.0001g)置于100mL 烧杯中,缓慢加入5mL 硝酸(1+1),于低温处溶至清亮,冷却,移入100mL 容量瓶中,以水稀释至刻度,摇匀。
4.3.3.2.2在下表规定的波长测试条件下绘制标准曲线(0mg/L,0.2mg/L,0.5mg/L,1.00mg/L,2.00mg/L 共5个点,要求线性不小于0.999,各点校准误差不超过5%)。
元素Fe Cu Pb Zn Ni 波长/nm 238.204324.754220.353213.856231.604元素Ca Mg Mn Cd Al 波长/nm 396.847280.270259.373228.802257.510元素Cr Na K B Si 波长/nm267.716589.592766.490249.678288.1584.4.3.3在等离子发射光谱仪上,将分析试液(4.4.3.2.1)于绘制好的工作曲线(4.4.3.2.2)上测得试样浓度。
4.4.4元素的含量以各元素的质量分数W X 计(%)按下式计算:10010)(60101)(⨯⨯⨯-=-m V p p w x 式中:p 1——试液中各元素的浓度(μg/mL)。
p 0——空白溶液各元素的浓度(μg/mL)。
V——测定试液的体积(mL)。
m 0——试料的质量(g)。
所得检测结果应表示至二位小数,小于0.1%时表示至三位小数,小于0.01%时表示四位小数。
4.4.5精密度4.4.5.1重复性在重复性条件下获得的两次独立测试结果的测定值,在以下给出的平均值范围,这两个测试结果的绝对差值不超过重复性限(r),超过重复性限(r)的情况不超过5%。
重复性限(r),按下表数据采用线性内插法或外延法求得。
W(Al)/%0.000380.00200.0060 r/%0.000040.00030.0003 W(Ca)/%0.000510.00150.0053 r/%0.00020.00020.0005 W(Cd)/%0.000490.00150.0055 r/%0.000070.00020.0004 W(Cu)/%0.000510.00150.0055 r/%0.000080.00010.0008 W(Mg)/%0.000510.00150.0054 r/%0.000080.00020.0005 W(Mn)/%0.000510.00150.0054 r/%0.000080.00020.0008 W(Ni)/%0.000510.00150.0054 r/%0.000090.00020.0009 W(Pb)/%0.000510.00150.0054 r/%0.000100.00020.0006 W(Zn)/%0.000510.00150.0053 r/%0.000080.00020.0009 W(Cr)/%0.000490.00150.0055 r/%0.000070.00020.0004 W(Fe)/%0.000380.00200.0060 r/%0.000040.00030.0003 W(Si)/%0.000380.00200.0060 r/%0.000040.00030.0003 W(B)/%0.000510.00150.0054r/%0.000100.00020.0006 4.4.5.2允许差实验室之间分析结果差值应不大于下表所列允许差。