欧文斯科宁钢结构建筑保温隔热系统精品PPT课件
- 格式:ppt
- 大小:18.30 MB
- 文档页数:95
欧文斯科宁®钢结构坡屋面系统Building Energy Efficiency System, AP Owens Corning (China) Investment Co., Ltd.2006提纲1.欧文斯科宁®钢结构坡屋面系统简介2.主要技术要点分析3.系统主要特点4.服务模式-BEEs简介Part I欧文斯科宁®钢结构坡屋面系统简介你的屋顶是一个重要的部分,保护你防御强风、雨雪、冷暖变化。
实际上,屋顶构成了你房屋外部印象的几乎一半。
这意味着,你的屋顶不仅应当性能可靠,还要外表美观。
欧文斯科宁®钢结构坡屋面系统欧文斯科宁®提供的全面屋面解决方案,为和澳大利亚博斯格公司联合研发的,采用轻型钢结构作为承重,整合应用欧文斯科宁一系列行业领先材料,实现轻质高强、安装简便的屋顶系统,满足防水防渗、保温节能、安全可靠、美观耐久的要求。
屋檐通风欧文斯科宁®钢结构坡屋面系统屋檐通风欧文斯科宁®提供的全面屋面解决方案,为和澳大利亚博斯格公司联合研发的,采用轻型钢结构作为承重,整合应用欧文斯科宁一系列行业领先材料,实现轻质高强、安装简便的屋顶系统,满足防水防渗、保温节能、安全可靠、美观耐久的要求。
欧文斯科宁®钢结构坡屋面系统欧文斯科宁®提供的全面屋面解决方案,为和澳大利亚博斯格公司联合研发的,采用轻型钢结构作为承重,整合应用欧文斯科宁一系列行业领先材料,实现轻质高强、安装简便的屋顶系统,满足防水防渗、保温节能、安全可靠、美观耐久的要求。
多彩玻纤维瓦屋面系统配件保温材料防水材料屋面排水系统室外用通风吊顶板屋面通风防冷凝配件外墙饰面材料–天然色彩、品种繁多–自防水性能–耐久性能、抗风性能–20~50年的质量保证–平屋脊瓦、斜屋脊瓦–屋顶通风配件–出屋面构件防水配件–檐口、山墙泛水–保温玻璃棉产品系列–保温挤塑板产品系列–屋面防水垫毡–屋面防水加强层–檐口及斜天沟泛水–檐沟、落水、排水管等系统配件供应–外形美观、安装方便–耐久性能–外形美观、安装方便–檐口通风配件–通风、防冷凝配件–安装方便–外墙挂板保温系统–外墙外保温系统–文化石产品系列欧文斯科宁®钢结构坡屋面系统产品欧文斯科宁®多彩玻纤维瓦欧文斯科宁是全世界最大的玻璃纤维沥青瓦制造商和供应商,每年的产销量约为3亿平米。
建筑保温隔热技术培训课件01.概述02.外墙保温系统03.屋面保温系统04.门窗保温系统建筑保温隔热技术随着节能环保日益成为时代的主题,作为能耗大户的建筑行业也受到了越来越多的关注,关于建筑节能的相关标准规范也逐渐健全,人们对于建筑节能的认识也逐步提高。
建筑围护结构对建筑节能设计起着重要作用,是建筑节能设计的重要内容。
采用合适的围护结构节能技术,使建筑能更好的满足保温、隔热、采光、通风的要求,在低能耗的情况下保证室内良好的物理环境,是建筑围护结构节能设计的初衷。
围护结构的节能技术主要包括外墙、屋面和门窗的保温节能三个方面。
在建筑围护结构中,墙体在采暖能耗中所占的比例最大,约占建筑总能耗的32%~36%,因此,如何改善墙体的保温性能成为节能的重中之重。
外墙保温节能技术主要有外墙外保温和外墙内保温,此外还有夹心保温及复合墙体保温技术等。
(1)外墙外保温外墙外保温是倡导推广的主要保温形式,其保温方式最为直接、效果也是最好,是目前应用最多的一项。
主要优点:避免热桥的形成;有利于提高建筑结构的耐久性,建筑内墙的温度变化平缓,减少了墙体因温度变化而产生的裂缝、变形和破损,延长了结构的使用寿命;利于节能建筑改造,不用对建筑原有的结构进行变动,不会对使用面积产生影响,改造时也对原有居民的生活影响甚微,有效的避免了改造方与原居民的纠纷问题。
主要缺点:对保温体系各材料要求较严格;材料要求配套及彼此相容性好;对保温系统的耐候性和耐久性提出了较高要求;施工难度大,要有素质较好的施工队伍和技术支持。
(2)外墙内保温外墙内保温是在墙体结构内侧覆盖一层保温材料,通过粘接剂使之固定在墙体结构内侧,之后在保温材料外侧作保护层及饰面。
主要优点:施工较为容易,仅在一个层高范围内施工,不需搭设脚手架。
同时,它对饰面和保温材料的防水、耐湿性等技术指标的要求不高。
纸面石膏板、石膏抹面砂浆等均可满足使用要求,取材方便。
主要缺点:保温隔热效果差,热桥保温处理困难,容易出现结露现象;占用室内使用面积,不利于室内装修;不利于既有建筑的节能改造,保温层易出现裂缝。
欧文斯科宁福满乐® 挤塑泡沫板在幕墙建筑中的应用一 、公司简介欧文斯科宁成立于1938年,总部位于美国俄亥俄州托莱多市。
在六大洲超过30个国家和地区的制造、销售和研究机构中约有17,000名员工。
自1955年美国财富500强排名以来,欧文斯科宁公司是1877家公司中连年榜上有名的71家公司之一。
欧文斯科宁公司是全球领先的建筑材料和复合材料制造商,为顾客提供多种系统解决方案以满足不同需求。
欧文斯科宁公司通过提供优质产品和系统应用方案,不断为世界各地的建筑提供一流的节能功能、舒适环境和持久的美观保护,同时降低能源消耗,保护自然环境。
1994年欧文斯科宁在香港设立了亚太总部,正式开展其在亚太地区的业务。
2004年5月,欧文斯科宁建筑材料亚太区总部正式迁入中国上海。
二、欧文斯科宁福满乐®聚苯乙烯挤塑泡沫板简介欧文斯科宁福满乐®聚苯乙烯挤塑泡沫板因为其优越的保温、抗水和抗压性能,与传统保温材料相比极具优势,适用于多种新建或翻建土木建筑工程。
福满乐®是欧文斯科宁Foamular ®- metric 聚苯乙烯挤塑泡沫板的中文注册商标。
福满乐®板是一种粉红色硬质挤塑聚苯乙烯保温隔热材料,是采用欧文斯科宁公司独家专利的生产技术制造的,由聚苯乙烯树脂及其它添加剂挤压成型的板材。
挤压的过程制造出拥有连续均匀的表皮及闭孔式蜂窝结构的板材,这些蜂窝结构的互联壁由一致的厚度,完全不会出现空隙,因此挤压过程形成的均匀组织令该产品具有优越的保温隔热性能、良好的抗湿防潮性能和高抗压性能。
福满乐®板的先进制造技术可实现不同的密度,令产品有不同的抗压强度,强度范围从150~700Kpa ,同时拥有同样低值的导热系数。
大多数的应用只要求250Kpa 或以下的抗压强度,例如墙体内外保温,幕墙保温应用,屋面系统等,亦有多种应用要求250Kpa 以上的抗压强度的,例如冷库地面、公路铁路路基、机场跑道基层、广场和停车库等。
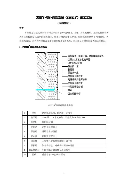
惠围®外墙外保温系统(FEWEIS®)施工工法(面砖饰面)前言本系统是以欧文斯科宁公司生产的外墙专用挤塑板(XPS)为保温材料,采用粘钉结合方式将挤塑板固定在墙体的外表面上,用聚合物砂浆作保护层,以耐碱玻纤网格布为增强层,外饰面为面砖、水性弹性涂料或幕墙等的外墙外保温系统,本工法是针对外饰面为面砖的情况。
1、FEWEIS®面砖系统基本构造FEWEIS®面砖系统基本构造2、FEWEIS®面砖系统适用范围2.1本工法适用于各类新建、扩建和改建的外墙外保温工程,也适用于各类既有建筑的节能改造工程。
适用建筑物高度?层数?2.2 建筑物主体墙身在正负风压作用下其层间位移小于1/360。
3、FEWEIS®面砖系统施工工艺流程及操作特点3.1 施工条件3.1.1经过工程验收达到国家验收质量标准的结构承重墙面或非承重墙面在找平层施工完毕后,待找平层干燥并已验收合格,即可进行外墙外保温施工。
根据气候的不同,找平层干燥时间一般在7-14天,等到墙体发白,检测墙体含水量低于10%,PH值小于10时可以认为已经干燥。
进行外墙外保温施工的墙体基层墙面的尺寸偏差应符合下表的规定:基层墙体的允许偏差和检查方法3.1.2门窗边框与墙体连接应预留出保温层的厚度,缝隙应分层填塞严密,做好门窗表面的保护工作。
当现场无法把门窗边框先安装到位,需要先进行外保温施工时,在门窗洞口位置应预留出一定尺寸不贴挤塑板,并保持预留位置挤塑板上下交错粘贴。
预留尺寸可按照一块挤塑板长度留设。
3.1.3外墙面上的雨水管卡、预埋件、支架和设备穿墙管道等安装到位,并预留出外保温层的厚度。
如需要先进行保温层的施工,则应和土建、安装等施工单位确认需安装部件的位置,施工时可根据实际需要留出空隙,待部件安装到位后进行修补,修补的具体方法同墙面孔洞的修补。
3.1.4施工现场环境温度和基层表面温度在施工及施工后24小时内均不得低于5摄氏度,风力不大于5级,雨天不能施工。