轴承游隙表
- 格式:doc
- 大小:80.50 KB
- 文档页数:11
表1深沟球轴承(圆柱孔)的径向游隙单位u m表2调心球轴承的径向游隙(1)圆柱孔轴承单位 u m表2调心球轴承的径向游隙(2)圆锥孔轴承单位 um表5四列圆柱滚子轴承的径向游隙(圆柱孔)单位 um表3圆柱滚子轴承的径向游隙(1)圆柱孔轴承单位 u m表4调心滚子轴承的径向游隙(1)圆柱孔轴承单位 u m表4调心滚子轴承的径向游隙(2)圆锥孔轴承单位 u m轴承游隙标准查询业讲法:所谓内部游隙是轴承外轮、内轮、钢球间的游隙量。
一般固定内轮把外轮上下方向运动时的运动量称为径向游隙,左右方向运动时的运动量称为轴向游隙。
在轴承运转中,内部游隙的大小是左右振动、发热、疲劳寿命等性能的主要因素。
深沟球轴承用普通径向内部游隙表示,在实际测定中,为了得到稳定的测定值,加上了规定的负载,因轴承的弹性变形,此时的测定值比实际值大,所以经过修正可求得真正的游隙。
径向内部游隙和轴向内部游隙的关系:轴向内部游隙由钢球直径、内外轮沟道半径、径向内部游隙的值决定,是普通径向游隙的10倍左右。
作为想减小安装后的轴向内部游隙,选择小的径向游隙和大的过盈量配合是危险的。
游隙的常见代号:C3——向心轴承径向游隙,比标准游隙大;MC3——小型、微型球轴承径向游隙标准游隙。
详细如下:C1——向心轴承径向游隙,比C2游隙小。
C2——向心轴承径向游隙,比标准游隙小。
CN(省略)——向心轴承径向标准游隙。
C3——向心轴承径向游隙,比标准游隙大。
C4——向心轴承径向游隙,比C3游隙大。
C5——向心轴承径向游隙,比C4游隙大。
CC1——圆柱滚子轴承(不可互换)径向游隙,比CC2游隙小。
CC2——圆柱滚子轴承(不可互换)径向游隙,比标准游隙小。
CC——圆柱滚子轴承(不可互换)径向标准游隙。
CC3——圆柱滚子轴承(不可互换)径向游隙,比标准游隙大。
CC4——圆柱滚子轴承(不可互换)径向游隙,比CC3游隙大。
CC5——圆柱滚子轴承(不可互换)径向游隙,比CC4游隙大。
轴承游隙表集团档案编码:[YTTR-YTPT28-YTNTL98-UYTYNN08]表1深沟球轴承(圆柱孔)的径向游隙单位u m表3圆柱滚子轴承的径向游隙(1)圆柱孔轴承单位 um表4调心滚子轴承的径向游隙(1)圆柱孔轴承单位 um表4调心滚子轴承的径向游隙(2)圆锥孔轴承单位 um轴承游隙标准查询m)柱内径隙(μm)锥内孔隙(μm)业讲法:所谓内部游隙是轴承外轮、内轮、钢球间的游隙量。
一般固定内轮把外轮上下方向运动时的运动量称为径向游隙,左右方向运动时的运动量称为轴向游隙。
在轴承运转中,内部游隙的大小是左右振动、发热、疲劳寿命等性能的主要因素。
深沟球轴承用普通径向内部游隙表示,在实际测定中,为了得到稳定的测定值,加上了规定的负载,因轴承的弹性变形,此时的测定值比实际值大,所以经过修正可求得真正的游隙。
径向内部游隙和轴向内部游隙的关系:轴向内部游隙由钢球直径、内外轮沟道半径、径向内部游隙的值决定,是普通径向游隙的10倍左右。
作为想减小安装后的轴向内部游隙,选择小的径向游隙和大的过盈量配合是危险的。
游隙的常见代号:C3——向心轴承径向游隙,比标准游隙大;MC3——小型、微型球轴承径向游隙标准游隙。
详细如下:C1——向心轴承径向游隙,比C2游隙小。
C2——向心轴承径向游隙,比标准游隙小。
CN(省略)——向心轴承径向标准游隙。
C3——向心轴承径向游隙,比标准游隙大。
C4——向心轴承径向游隙,比C3游隙大。
C5——向心轴承径向游隙,比C4游隙大。
CC1——圆柱滚子轴承(不可互换)径向游隙,比CC2游隙小。
CC2——圆柱滚子轴承(不可互换)径向游隙,比标准游隙小。
CC——圆柱滚子轴承(不可互换)径向标准游隙。
CC3——圆柱滚子轴承(不可互换)径向游隙,比标准游隙大。
CC4——圆柱滚子轴承(不可互换)径向游隙,比CC3游隙大。
CC5——圆柱滚子轴承(不可互换)径向游隙,比CC4游隙大。
MC1——小型,微型球轴承径向游隙,比MC2游隙小。
轴承游隙选择说明及游隙对照表滚动轴承的游隙分为径向游隙ur和轴向游隙ua。
它们分别表示一个套圈固定时,另一套圈沿径向和轴向由一个极限位置到另一个极限位置的移动量。
各类轴承的径向游隙ur和轴向游隙ua之间有一定的对应关系,如图1 所示。
径向游隙又分为原始游隙、安装游隙和工作游隙。
原始游隙指未安装前的游隙。
各种轴承的原始游隙分组数值见表1〜表7.合理的轴承游隙的选择,应在原始游隙的基础上,考虑因配合、内外圈温度差以及载荷等因素所引起的游戏变化,以使工作游隙接近于最佳状态。
由于过盈配合和温度的影响,轴承的工作游隙小于原始游隙。
0组径向游隙值适用于一般的运转条件、常规温度及常用的过盈配合,即对球轴承不得超过j5、k5(轴)和J6 (座孔);对滚子轴承不得超过k5、m5 (轴)和 K6 (座孔)。
当采用轴较紧配合、内外圈温差较大、需要降低摩擦力矩及深沟球轴承承受较大轴向载荷或需改善调心性能的场合,宜采用3、4、5组游隙值;当旋转精度要求较高或需严格限制轴向位移时,宜采用2组游隙值。
对于球轴承,最适宜的工作游隙是趋于0。
对于滚子轴承,可保持少量的工作游隙。
在要求支撑刚性良好的部件中(例如机床主轴),轴承应有一定的预紧。
角接触球轴承、圆锥滚子轴承以及内圈带锥孔的轴承等,由于结构特点可以在安装或使用过程中调整游隙。
表1 深沟球轴承的径向游隙(GB/T4604-1993)(口 m)Rm表2圆柱孔调心球轴承的径向游隙(08/14604-1993)Rm表3圆锥孔调心球轴承的径向游隙(08/14604-1993)um表4圆柱孔圆柱滚子轴承的径向游隙(08/14604-1993)注:滚针轴承的径向间隙:除冲压外圈滚针轴承和重系列滚针轴承外,有内、外圈和保持架的滚针轴承采用本表中给出的圆柱滚子轴承的径向游隙值。
有内、外圈的重系列滚针轴承和内圈作为一个分离零件交货的有保持架滚针轴承,其径向游隙由内圈滚道直径和滚针组件内径决定。
所谓轴承游隙,即指轴承在未安装于轴或轴承箱时,将其内圈或外圈的一方固定,然后便未被固定的一方做径向或轴向移动时的移动量。
根据移动方向,可分为径向游隙和轴向游隙。
运转时的游隙(称做工作游隙)的大小对轴承的滚动疲劳寿命、温升、噪声、振动等性能有影响.测量轴承的游隙时,为得到稳定的测量值,一般对轴承施加规定的测量负荷。
因此,所得到的测量值比真正的游隙(称做理论游隙)大,即增加了测量负荷产生的弹性变形量。
但对于滚子轴承来说,由于该弹性变形量较小,可以忽略不计.安装前轴承的内部游隙一般用理论游隙表示。
游隙的选择从理论游隙减去轴承安装在轴上或外壳内时因过盈配合产生的套圈的膨胀量或收缩后的游隙称做“安装游隙”。
在安装游隙上加减因轴承内部温差产生的尺寸变动量后的游隙称做“有效游隙”。
轴承安装有机械上承受一定的负荷放置时的游隙,即有效游隙加上轴承负荷产生的弹性变形量后的以便称做“工作游隙”。
如图1所示,当工作游隙为微负值时,轴承的疲劳寿命最长但随着负游隙的增大疲劳寿命同显著下降。
因此,选择轴承的游隙时,一般使工作游隙为零或略为正为宜。
图1工作游隙与疲劳寿命的关系另外,需提高轴承的刚性或需降低噪声时,工作游隙要进一步取负值,而在轴承温升剧烈时,工作游隙则要进一步取正值等等,还必须根据使用条件做具体分析。
表1深沟球轴承(圆柱孔)的径向游隙单位um表2调心球轴承的径向游隙(1)圆柱孔轴承单位um表2调心球轴承的径向游隙(2)圆锥孔轴承单位um表3圆柱滚子轴承的径向游隙(1)圆柱孔轴承单位um表4调心滚子轴承的径向游隙(2)圆锥孔轴承单位um轴承类型的选择选择轴承类型时,全面掌握轴承的使用条件是至关重要的。
下表列出了主要的分析项目:具有所需旋转精度的轴承类型[轴承的尺寸精度和旋转精度已由GB按轴承类型标准化了]。
深沟球轴承轴向-径向游隙的查询和计算在生产实际中,我们经常会遇到需要根据轴承的轴向游隙大小来判断轴承是否合格的问题,而轴承的轴向游隙在标准中并没有明确的规定,给工作带来极大不便。
下表是笔者资料中收集的FAG深沟球轴承轴向游隙速查表,希望能给从事相关工作的朋友提供帮助。
注:上表中d=轴承内径(mm)Ga=轴承轴向游隙(μm)Gr=轴承径向游隙(μm)图表说明:利用本图表可以方便利用已知深沟球轴承的径向游隙查询对应该轴承的轴向游隙。
也就是说必须要知道轴承的径向游隙,轴承径向游隙可由GB/T4604‐1993查得,也可以通过下表查询。
深沟球轴承径向游隙表举例说明:已知轴承径向游隙查询轴向游隙轴承6206C3的径向游隙范围从上表可以查出是在13‐28μm之间,从表中6200系列轴承对应现轴径30mm的坐标结相交点引一条垂直线向上与对应径向间隙值Gr相交,可以得到两个近似的交点,13μm位于10和15μm之间,28μm位于20和30μm之间,然后将这两个交点水平对应到相应的Ga/Gr倍率,可以得出13μm对应的倍率约为12.5,28μm对应的倍率约为8.3(如下图中虚线所示),然后就可以计算出该轴承的轴向游隙范围:Ga min=13X12.5=162.5μmGa max=28X8.3=232.4μm可以得出结论:该轴承的正常轴向游隙范围在162‐232μm之间.在实际中,可以根据轴承的安装配合值来查询计算获得轴承的轴向游隙数据,以便进行轴承预紧量的调整。
如果能够熟练使用此表格,还可以根据测量所得的轴向游隙值反算出轴承的径向游隙值,具体的方法需要感兴趣的朋友自己摸索。
(以上方法经笔者使用准确率在90%以上,具体能否得到权威认可有待继续验证。
)。
SKF轴承游隙表的选择及测量SKF轴承游隙表的选择:用户购买轴承一般只会告诉什么类型,等级,很少对SKF轴承游隙表要求,业务人员必须轴承的使用条件,在轴承,速度,温度是直接相关的选择轴承间隙。
一般3500rpm电机的转速是根据厘米以下清除,如高温、高转速电机要求较大间隙。
进口轴承间隙装配后孔和外圆的缩小而导致减少,清除减少=过盈量×60%(轴承是铝除外)。
例如,进口轴承在装配间隙is0.01mm,装配干涉for0.01mm轴承,进口轴承装配间隙0.004mm。
理论上,SKF轴承零间隙时的噪音和使用寿命达到最佳状态,但在实际操作中考虑的温升问题,进口轴承在装配后清除0.002mm-0.004mm更好。
SKF轴承游隙,即指SKF轴承在未安装于轴或轴承箱时,将其内圈或外圈的一方固定,然后便未被固定的一方做径向或轴向移动时的移动量。
一般说来,轴承旋转时的持续时间长,停止缓慢,灵活性就好。
反之,旋转时间短,停止突然,灵活性就不好。
根据移动方向,可分为径向游隙和轴向游隙。
整套轴承径向游隙的测量并不容易,测量力使套圈和滚动体本身及其接触处产生弹性变形,变形量是造成测量误差的多因素,它与测量力、接触状态和滚动体的位置都有关。
轴承旋转灵活性一般在水平位置检查,通常将内圈固定(或手持内圈),用手转动外圈,检查轴承旋转时是否有异常声响及阻滞现象。
因轴承结构型式及尺寸不同,对其旋转灵活性亦应有不同的要求。
比如单列向心球轴承、单列向心推力球轴承,由于滚动体与套圈之间的接触面积小,这些SKF轴承旋转时就比较轻快,而双列向心球面轴承和推力滚子轴承,由于滚动体与滚道的接触面积较大,而外圈的重量又较小,在检查其旋转灵活性时,虽加上一定负荷,但其轻快程度仍不及单列向心球轴承。
对特大型轴承,当将其旋转时,应没有卡住现象,而对旋转声响一般不予检查。
表1深沟球轴承(圆柱孔)的径向游隙单位u m表2调心球轴承的径向游隙(1)圆柱孔轴承单位 um表2调心球轴承的径向游隙(2)圆锥孔轴承单位 um表5四列圆柱滚子轴承的径向游隙(圆柱孔)单位 um表3圆柱滚子轴承的径向游隙(1)圆柱孔轴承单位 um表4调心滚子轴承的径向游隙(1)圆柱孔轴承单位 um表4调心滚子轴承的径向游隙(2)圆锥孔轴承单位 um轴承游隙标准查询业讲法:所谓内部游隙是轴承外轮、内轮、钢球间的游隙量。
一般固定内轮把外轮上下方向运动时的运动量称为径向游隙,左右方向运动时的运动量称为轴向游隙。
在轴承运转中,内部游隙的大小是左右振动、发热、疲劳寿命等性能的主要因素。
深沟球轴承用普通径向内部游隙表示,在实际测定中,为了得到稳定的测定值,加上了规定的负载,因轴承的弹性变形,此时的测定值比实际值大,所以经过修正可求得真正的游隙。
径向内部游隙和轴向内部游隙的关系:轴向内部游隙由钢球直径、内外轮沟道半径、径向内部游隙的值决定,是普通径向游隙的10倍左右。
作为想减小安装后的轴向内部游隙,选择小的径向游隙和大的过盈量配合是危险的。
游隙的常见代号:C3——向心轴承径向游隙,比标准游隙大;MC3——小型、微型球轴承径向游隙标准游隙。
详细如下:C1——向心轴承径向游隙,比C2游隙小。
C2——向心轴承径向游隙,比标准游隙小。
CN(省略)——向心轴承径向标准游隙。
C3——向心轴承径向游隙,比标准游隙大。
C4——向心轴承径向游隙,比C3游隙大。
C5——向心轴承径向游隙,比C4游隙大。
CC1——圆柱滚子轴承(不可互换)径向游隙,比CC2游隙小。
CC2——圆柱滚子轴承(不可互换)径向游隙,比标准游隙小。
CC——圆柱滚子轴承(不可互换)径向标准游隙。
CC3——圆柱滚子轴承(不可互换)径向游隙,比标准游隙大。
CC4——圆柱滚子轴承(不可互换)径向游隙,比CC3游隙大。
CC5——圆柱滚子轴承(不可互换)径向游隙,比CC4游隙大。
表1深沟球轴承(圆柱孔)的径向游隙单位表2调心球轴承的径向游隙表2调心球轴承的径向游隙(2)圆锥孔轴承单位 um表5四列圆柱滚子轴承的径向游隙(圆柱孔)单位 um(1)圆柱孔轴承单位 um(1)圆柱孔轴承单位 um(2)圆锥孔轴承单位 um轴承游隙标准查询业讲法:所谓内部游隙是轴承外轮、内轮、钢球间的游隙量。
一般固定内轮把外轮上下方向运动时的运动量称为径向游隙,左右方向运动时的运动量称为轴向游隙。
在轴承运转中,内部游隙的大小是左右振动、发热、疲劳寿命等性能的主要因素。
深沟球轴承用普通径向内部游隙表示,在实际测定中,为了得到稳定的测定值,加上了规定的负载,因轴承的弹性变形,此时的测定值比实际值大,所以经过修正可求得真正的游隙。
径向内部游隙和轴向内部游隙的关系:轴向内部游隙由钢球直径、内外轮沟道半径、径向内部游隙的值决定,是普通径向游隙的10倍左右。
作为想减小安装后的轴向内部游隙,选择小的径向游隙和大的过盈量配合是危险的。
游隙的常见代号:C3——向心轴承径向游隙,比标准游隙大;MC3——小型、微型球轴承径向游隙标准游隙。
详细如下:C1——向心轴承径向游隙,比C2游隙小。
C2——向心轴承径向游隙,比标准游隙小。
CN(省略)——向心轴承径向标准游隙。
C3——向心轴承径向游隙,比标准游隙大。
C4——向心轴承径向游隙,比C3游隙大。
C5——向心轴承径向游隙,比C4游隙大。
CC1——圆柱滚子轴承(不可互换)径向游隙,比CC2游隙小。
CC2——圆柱滚子轴承(不可互换)径向游隙,比标准游隙小。
CC——圆柱滚子轴承(不可互换)径向标准游隙。
CC3——圆柱滚子轴承(不可互换)径向游隙,比标准游隙大。
CC4——圆柱滚子轴承(不可互换)径向游隙,比CC3游隙大。
CC5——圆柱滚子轴承(不可互换)径向游隙,比CC4游隙大。
MC1——小型,微型球轴承径向游隙,比MC2游隙小。
MC2——小型,微型球轴承径向游隙,比MC3游隙小。
轴承游隙是轴承内/ 外圈和滚动体之间的组合间隙量。
所谓径向游隙和轴向游隙,即内圈或外圈一方固定,另一套圈相对其在径向和轴向上的移动量。
径向游隙:非预紧状态,承受径向载荷的轴承,其径向游隙G为:沿径向任意角度方向,在无外载荷作用时外圈相对于内圈从一个径向偏心极限位置,移向相反极限位置的径向距离的算术平均值。
轴向游隙:非预紧状态,能在两个方向上承受轴向载荷的轴承,其轴向内部游隙G为:无外载荷作用时,一个套圈相对另一套圈,从一个轴向极限位置移向相反的极限位置的轴向距离的平均值。
为了获得精确的测量结果,通常会向轴承施加规定的测量载荷来测量游隙。
因此,测出的游隙值(为了区别,有时也称为“测量游隙”)总是比理论内部游隙(向心轴承也称“几何游隙”)大出测量载荷造成的弹性变形量。
所以,可以通过弹性变形量纠正测量游隙,从而得到理论内部游隙。
然而,滚子轴承的这一弹性变形很小,可以忽略不计。
深沟球轴承的径向内部游隙。
单位:μm小型球轴承和微型球轴承的径向内部游隙。
单位:μm1. 标准游隙为MC3。
调心球轴承的径向内部游隙。
单位:μm圆柱滚子轴承、滚针轴承的径向内部游隙(圆柱孔)。
单位:μm(1)游隙CC9 适用ISO 精度等级5 级、4 级的锥孔圆柱滚子轴承。
(2)CC 是圆柱滚子轴承、无内圈有保持架滚针轴承的非互换性普通游隙代号。
调心滚子轴承的径向内部游隙。
单位:μm双列及成对双联圆锥滚子轴承的径向内部游隙。
单位:μm成对双联角接触球轴承的轴向内部游隙(测量游隙)。
单位:μm点接触球轴承的轴向内部游隙(测量游隙)。
单位:μm。
SKF轴承游隙一. 深沟球安装前游隙二. 角接触球轴承配对游隙三. 自对中球轴承的径向内隙四. 带圆柱孔的圆柱滚子轴承的径向内隙五. 带一个圆柱孔的球面滚子轴承的径向内隙六. 带一个锥孔的球面滚子轴承的径向内隙七. 带锥孔球面滚子轴承的安装一.深沟球安装前游隙表3: 深沟球轴承的径向内隙孔径 径向内隙C2 常规 C3 C4 C5d以上 包括 最小 最大 最小 最大 最小 最大 最小 最大 最小 最大 mm μm2,5 6 0 7 2 13 8 23 - - - -6 10 07 2 138 23 14 29 20 3710 18 0 9 3 18 11 25 18 33 25 4518 24 0 10 5 20 13 28 20 36 28 4824 30 1 11 5 20 13 28 23 41 30 53 30 40 1 11 6 20 15 33 28 46 40 6440 50 1 11 6 23 18 36 30 51 45 73 50 65 1 15 8 28 23 43 38 61 55 90 65 80 1 15 10 30 25 51 46 71 65 10580 100 1 18 12 36 30 58 53 84 75 120 100 120 2 20 15 41 36 66 61 97 90 140 120 140 2 23 18 48 41 81 71 114 105 160140 160 2 23 18 53 46 91 81 130 120 180 160 180 2 25 20 61 53 102 91 147 135 200 180 200 2 30 25 71 63 117 107 163 150 230200 225 2 35 25 85 75 140 125 195 175 265 225 250 2 40 30 95 85 160 145 225 205 300 250 280 2 45 35 105 90 170 155 245 225 340280 315 2 55 40 115 100 190 175 270 245 370 315 355 3 60 45 125 110 210 195 300 275 410 355 400 3 70 55 145 130 240 225 340 315 460400 450 3 80 60 170 150 270 250 380 350 520 450 500 3 90 70 190 170 300 280 420 390 570 500 560 10 100 80 210 190 330 310 470 440 630560 630 10 110 90 230 210 360 340 520 490 700 630 710 20 130 110 260 240 400 380 570 540 780 710 800 20 140 120 290 270 450 430 630 600 860800 900 20 160 140 320 300 500 480 700 670 960 900 1 000 20 170 150 350 330 550 530 770 740 1 040 1 000 1 120 20 180 160 380 360 600 580 850 820 1 1501 120 1 250 20 190 170 410 390 650 630 920 890 1 260 1 250 1 400 30 200 190 440 420 700 680 1 000 - -1 400 1 600 30 210 210 470 450 750 730 1 060 - -1 600 1 800 60 250 250 520 520 830 830 1 220 1 2201 650二.角接触球轴承配对游隙表1:轴向内隙可通用匹配的单列角接触球轴承背靠背或面对面布置孔径轴向内隙等级d CA CB CC以上包括最小最大最小最大最小最大mm μm10 18 5 13 15 23 24 32 18 30 7 15 18 26 32 40 30 50 9 17 22 30 40 4850 80 11 23 26 38 48 60 80 120 14 26 32 44 55 67 120 180 17 29 35 47 62 74180 250 21 37 45 61 74 90 250 315 26 42 52 68 90 106表2:单列角接触球轴承的轴向内隙G型设计,适用于背靠背或面对面通用配对布置孔径轴向内隙系列d 718 A 719 A 70 A 70 B 72 B 74 B以上包括最小最大最小最大最小最大最小最大最小最大最小最大mm μm30 60 - - - - - - - - - - 24 64 60 70 - - - - - - - - - - 24 74 100 160 - - - - 24 76 26 76 - - - -160 240 - - - - 15 68 20 72 - - - - 240 280 15 68 15 68 15 68 20 72 30 80 - - 280 300 15 68 15 68 30 80 30 80 30 80 - -300 320 15 68 30 80 30 80 30 80 30 80 - - 320 400 15 68 40 100 40 100 40 100 30 80 - - 400 420 40 100 40 100 40 100 40 100 40 100 - -420 460 40 100 40 100 40 100 40 100 60 120 - - 460 500 60 120 60 120 60 120 60 120 60 120 - - 500 750 - - - - 160 260 - - - - - -表3: 通用匹配单列角接触球轴承预负荷背靠背或面对面布置孔径预负荷等级d GA GB GC以上包括最小最大最大最小最大最小最大最小最大最小最大mm μm N μm N μm N10 18 +4 -4 80 -2 -10 30 330 -8 -16 230 660 18 30 +4 -4 120 -2 -10 40 480 -8 -16 340 97030 50 +4 -4 160 -2 -10 60 630 -8 -16 450 1 28050 80 +6 -6 380 -3 -15 140 1 500 -12 -24 1 080 3 05080 120 +6 -6 410 -3 -15 150 1 600 -12 -24 1 150 3 250 120 180 +6 -6 540 -3 -15 200 2 150 -12 -24 1 500 4 300180 250 +8 -8 940 -4 -20 330 3 700 -16 -32 2 650 7 500 250 315 +8 -8 1 080 -4 -20 380 4 250 -16 -32 3 000 8 600三.自对中球轴承的径向内隙自对中球轴承的径向内隙孔径径向内隙C2 常规C3 C4d以上包括最小最大最小最大最小最大最小最大mm μm带圆柱孔的轴承2.5 6 1 8 5 15 10 20 15 256 10 2 9 6 17 12 25 19 3310 14 2 10 6 19 13 26 21 3514 18 3 12 8 21 15 28 23 3718 24 4 14 10 23 17 30 25 3924 30 5 16 11 24 19 35 29 4630 40 6 18 13 29 23 40 34 5340 50 6 19 14 31 25 44 37 5750 65 7 21 16 36 30 50 45 6965 80 8 24 18 40 35 60 54 8380 100 9 27 22 48 42 70 64 96100 120 10 31 25 56 50 83 75 114 120 140 10 38 30 68 60 100 90 135带锥形孔的轴承24 30 9 20 15 28 23 39 33 5030 40 12 24 19 35 29 46 40 5940 50 14 27 22 39 33 52 45 6550 65 18 32 27 47 41 61 56 8065 80 23 39 35 57 50 75 69 9880 100 29 47 42 68 62 90 84 116100 120 35 56 50 81 75 108 100 139四.带圆柱孔的圆柱滚子轴承的径向内隙表1:带圆柱孔的圆柱滚子轴承的径向内隙孔径径向内隙C1 SPC2 C2 常规C3 C4 C5d以上包括最小最大最小最大最小最大最小最大最小最大最小最大最小最大mm μm- 24 - - - - 0 25 20 45 35 60 50 75 65 90 24 30 5 15 10 25 0 25 20 45 35 60 50 75 70 95 30 40 5 15 12 25 5 30 25 50 45 70 60 85 80 10540 50 5 18 15 30 5 35 30 60 50 80 70 100 95 125 50 65 5 20 15 35 10 40 40 70 60 90 80 110 110 14065 80 10 25 20 40 10 45 40 75 65 100 90 125 130 16580 100 10 30 25 45 15 50 50 85 75 110 105 140 155 190 100 120 10 30 25 50 15 55 50 90 85 125 125 165 180 220 120 140 10 35 30 60 15 60 60 105 100 145 145 190 200 245140 160 10 35 35 65 20 70 70 120 115 165 165 215 225 275 160 180 10 40 35 75 25 75 75 125 120 170 170 220 250 300 180 200 15 45 40 80 35 90 90 145 140 195 195 250 275 330200 225 15 50 45 90 45 105 105 165 160 220 220 280 305 365 225 250 15 50 50 100 45 110 110 175 170 235 235 300 330 395 250 280 20 55 55 110 55 125 125 195 190 260 260 330 370 440280 315 20 60 60 120 55 130 130 205 200 275 275 350 410 485 315 355 20 65 65 135 65 145 145 225 225 305 305 385 455 535 355 400 25 75 75 150 100 190 190 280 280 370 370 460 510 600400 450 25 85 85 170 110 210 210 310 310 410 410 510 565 665 450 500 25 95 95 190 110 220 220 330 330 440 440 550 625 735 500 560 25 105 105 210 120 240 240 360 360 480 480 600 690 810560 630 25 115 115 230 140 260 260 380 380 500 500 620 780 900 630 710 30 130 130 260 145 285 285 425 425 565 565 705 865 1 005 710 800 35 145 145 290 150 310 310 470 470 630 630 790 975 1 135800 900 40 160 160 320 180 350 350 520 520 690 690 860 1 095 1 265 900 1 000 - - - - 200 390 390 580 580 770 770 960 1 215 1 405 1 000 1 120 - - - - 220 430 430 640 640 850 850 1 060 1 355 1 5651 120 1 250 - - - - 230 470 470 710 710 950 950 1 190 1 510 1 750 1 250 1 400 - - - - 270 530 530 790 790 1 050 1 050 1 310 1 680 1 940 1 400 1 600 - - - - 330 610 610 890 890 1 170 1 170 1 450 1 9202 2001 600 1 800 - - - - 380 700 700 1 020 1 020 1 340 1 340 1 6602 160 2 480 1 800 2 000 - - - - 400 760 760 1 120 1 120 1 480 1 480 1 840 2 390 2 760五.带一个圆柱孔的球面滚子轴承的径向内隙表2:带一个圆柱孔的球面滚子轴承的径向内隙孔径径向内隙d C2 常规C3 C4 C5以上包括最小最大最小最大最小最大最小最大最小最大mm μm18 24 10 20 20 35 35 45 45 60 60 75 24 30 15 25 25 40 40 55 55 75 75 95 30 40 15 30 30 45 45 60 60 80 80 10040 50 20 35 35 55 55 75 75 100 100 125 50 65 20 40 40 65 65 90 90 120 120 150 65 80 30 50 50 80 80 110 110 145 145 18580 100 35 60 60 100 100 135 135 180 180 225 100 120 40 75 75 120 120 160 160 210 210 260 120 140 50 95 95 145 145 190 190 240 240 300140 160 60 110 110 170 170 220 220 280 280 350 160 180 65 120 120 180 180 240 240 310 310 390 180 200 70 130 130 200 200 260 260 340 340 430200 225 80 140 140 220 220 290 290 380 380 470 225 250 90 150 150 240 240 320 320 420 420 520 250 280 100 170 170 260 260 350 350 460 460 570280 315 110 190 190 280 280 370 370 500 500 630 315 355 120 200 200 310 310 410 410 550 550 690 355 400 130 220 220 340 340 450 450 600 600 750400 450 140 240 240 370 370 500 500 660 660 820450 500 140 260 260 410 410 550 550 720 720 900 500 560 150 280 280 440 440 600 600 780 780 1 000560 630 170 310 310 480 480 650 650 850 850 1 100 630 710 190 350 350 530 530 700 700 920 920 1 190 710 800 210 390 390 580 580 770 770 1 010 1 010 1 300800 900 230 430 430 650 650 860 860 1 120 1 120 1 440 900 1 000 260 480 480 710 710 930 930 1 220 1 220 1 570 1 000 1 120 290 530 530 780 780 1 020 1 020 1 330 1 330 1 7201 120 1 250 320 580 580 860 860 1 120 1 120 1 460 1 460 1 870 1 250 1 400 350 640 640 950 950 1 240 1 240 1 620 1 6202 060 1 400 1 600 400 720 720 1 060 1 060 1 380 1 380 1 800 1 800 2 3001 600 1 800 450 810 810 1 180 1 180 1 550 1 5502 000 2 000 2 550六.带一个锥孔的球面滚子轴承的径向内隙表3: 带一个锥孔的球面滚子轴承的径向内隙孔径径向内隙d C2 常规C3 C4 C5以上包括最小最大最小最大最小最大最小最大最小最大mm μm24 30 20 30 30 40 40 55 55 75 - -30 40 25 35 35 50 50 65 65 85 85 10540 50 30 45 45 60 60 80 80 100 100 13050 65 40 55 55 75 75 95 95 120 120 16065 80 50 70 70 95 95 120 120 150 150 20080 100 55 80 80 110 110 140 140 180 180 230100 120 65 100 100 135 135 170 170 220 220 280 120 140 80 120 120 160 160 200 200 260 260 330 140 160 90 130 130 180 180 230 230 300 300 380160 180 100 140 140 200 200 260 260 340 340 430 180 200 110 160 160 220 220 290 290 370 370 470 200 225 120 180 180 250 250 320 320 410 410 520225 250 140 200 200 270 270 350 350 450 450 570 250 280 150 220 220 300 300 390 390 490 490 620 280 315 170 240 240 330 330 430 430 540 540 680315 355 190 270 270 360 360 470 470 590 590 740 355 400 210 300 300 400 400 520 520 650 650 820 400 450 230 330 330 440 440 570 570 720 720 910450 500 260 370 370 490 490 630 630 790 790 1 000 500 560 290 410 410 540 540 680 680 870 870 1 100 560 630 320 460 460 600 600 760 760 980 980 1 230630 710 350 510 510 670 670 850 850 1 090 1 090 1 360 710 800 390 570 570 750 750 960 960 1 220 1 220 1 500 800 900 440 640 640 840 840 1 070 1 070 1 370 1 370 1 690900 1 000 490 710 710 930 930 1190 1 190 1 520 1 520 1 860 1 000 1 120 530 770 770 1 030 1 030 1 300 1 300 1 670 1 670 2 050 1 120 1 250 570 830 830 1 120 1 120 1 420 1 420 1 830 1 830 2 2501 250 1 400 620 910 910 1 230 1 230 1 560 1 5602 000 2 000 2 450 1 400 1 600 680 1 000 1 000 1 350 1 350 1 720 1 720 2 200 2 200 2 700 1 600 1 800 750 1 110 1 110 1 500 1 500 1 920 1 920 2 400 2 400 2 950七.带锥孔球面滚子轴承的安装表5: 带锥孔球面滚子轴承的安装轴承内孔径 减少量径向游隙轴向驱紧量 s 1) 允许的剩余2)径向游隙在 锁定螺母拧紧角度 α d锥度 1:12锥度 1:30轴承带初始内部游隙安装后 锥度 1:12以上 包括 最小最大 最小 最大 最小 最大常规C3 C4mmmmmmmm度数24 30 0,015 0,020 0,3 0,35 - - 0,015 0,020 0,035 110 30 40 0,020 0,025 0,350,4 - - 0,015 0,025 0,040 120 40 50 0,025 0,030 0,4 0,45 - - 0,020 0,030 0,050 13050 65 0,030 0,040 0,45 0,6 - - 0,025 0,035 0,055 110 65 80 0,040 0,050 0,6 0,7 - - 0,025 0,040 0,070 130 80 100 0,045 0,0600,7 0,9 - - 0,035 0,050 0,080 150100 120 0,050 0,070 0,75 1,1 1,9 2,7 0,050 0,065 0,100 - 120 140 0,065 0,090 1,1 1,4 2,7 3,5 0,055 0,080 0,110 - 140 160 0,075 0,100 1,2 1,6 3,0 4,0 0,055 0,090 0,130 -160 180 0,080 0,110 1,3 1,7 3,2 4,2 0,060 0,100 0,150 - 180 200 0,090 0,130 1,4 2,0 3,5 5,0 0,070 0,100 0,160 - 200 225 0,100 0,140 1,6 2,2 4,0 5,5 0,080 0,120 0,180 -225 250 0,110 0,150 1,7 2,4 4,2 6,0 0,090 0,130 0,200 - 250 280 0,120 0,170 1,9 2,7 4,7 6,7 0,100 0,140 0,220 - 280 315 0,130 0,190 2,0 3,0 5,0 7,5 0,110 0,150 0,240 -315 355 0,150 0,2102,43,36,08,20,120 0,170 0,260-355 400 0,170 0,230 2,6 3,6 6,5 9,0 0,130 0,190 0,290 - 400 450 0,200 0,260 3,1 4,0 7,7 10 0,130 0,200 0,310 -450 500 0,210 0,280 3,3 4,4 8,2 11 0,160 0,230 0,350 - 500 560 0,240 0,320 3,7 5,0 9,2 12,5 0,170 0,250 0,360 - 560 630 0,260 0,350 4,0 5,4 10 13,5 0,200 0,290 0,410 -630 710 0,300 0,400 4,6 6,2 11,5 15,5 0,210 0,310 0,450 - 710 800 0,340 0,450 5,3 7,0 13,3 17,5 0,230 0,350 0,510 - 800 900 0,370 0,500 5,7 7,8 14,3 19,5 0,270 0,390 0,570 -900 1 000 0,410 0,550 6,3 8,5 15,8 21 0,300 0,430 0,640 - 1 000 1 120 0,450 0,600 6,8 9,0 17 23 0,320 0,480 0,700 - 1 120 1 250 0,490 0,650 7,4 9,8 18,5 25 0,340 0,540 0,770 -1 250 1 400 0,550 0,720 8,3 10,8 21 27 0,360 0,590 0,840 - 1 400 1 600 0,600 0,800 9,1 11,9 22,7 29,8 0,400 0,650 0,920 -1 600 1 800 0,670 0,900 10,2 13,4 25,4 33,6 0,440 0,720 1,020。
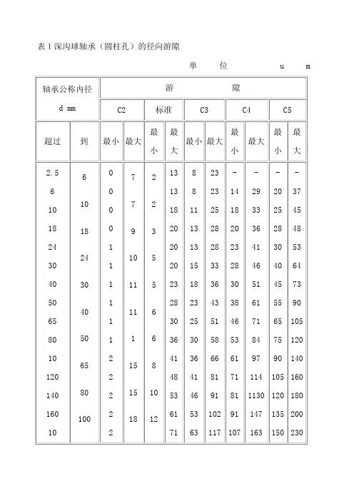
表1深沟球轴承(圆柱孔)的径向游隙单位
表2调心球轴承的径向游隙
(1)圆柱孔轴承单位 um
表5四列圆柱滚子轴承的径向游隙(圆柱孔)单位 um
表3圆柱滚子轴承的径向游隙
(1)圆柱孔轴承单位 um
表4调心滚子轴承的径向游隙
(1)圆柱孔轴承单位 um
表4调心滚子轴承的径向游隙
(2)圆锥孔轴承单位 um
轴承游隙标准查询
业讲法:所谓内部游隙是轴承外轮、内轮、钢球间的游隙量。
一般固定内轮把外轮上下方向运动时的运动量称为径向游隙,左右方向运动时的运动量称为轴向游隙。
在轴承运转中,内部游隙的大小是左右振动、发热、疲劳寿命等性能的主要因素。
深沟球轴承用普通径向内部游隙表示,在实际测定中,为了得到稳定的测定值,加上了规定的负载,因轴承的弹性变形,此时的测定值比实际值大,所以经过修正可求得真正的游隙。
径向内部游隙和轴向内部游隙的关系:轴向内部游隙由钢球直径、内外轮沟道半径、径向内部游隙的值决定,是普通径向游隙的10倍左右。
作为想减小安装后的轴向内部游隙,选择小的径向游隙和大的过盈量配合是危险的。
游隙的常见代号:
C3——向心轴承径向游隙,比标准游隙大;
MC3——小型、微型球轴承径向游隙标准游隙。
详细如下:
C1——向心轴承径向游隙,比C2游隙小。
C2——向心轴承径向游隙,比标准游隙小。
CN(省略)——向心轴承径向标准游隙。
C3——向心轴承径向游隙,比标准游隙大。
C4——向心轴承径向游隙,比C3游隙大。
C5——向心轴承径向游隙,比C4游隙大。
CC1——圆柱滚子轴承(不可互换)径向游隙,比CC2游隙小。
CC2——圆柱滚子轴承(不可互换)径向游隙,比标准游隙小。
CC——圆柱滚子轴承(不可互换)径向标准游隙。
CC3——圆柱滚子轴承(不可互换)径向游隙,比标准游隙大。
CC4——圆柱滚子轴承(不可互换)径向游隙,比CC3游隙大。
CC5——圆柱滚子轴承(不可互换)径向游隙,比CC4游隙大。
MC1——小型,微型球轴承径向游隙,比MC2游隙小。
MC2——小型,微型球轴承径向游隙,比MC3游隙小。
MC3——小型,微型球轴承径向游隙标准游隙。
MC4——小型,微型球轴承径向游隙,比MC3游隙大。
MC5——小型,微型球轴承径向游隙,比MC4游隙大。
MC6——小型,微型球轴承径向游隙,比MC5游隙大。
CM——电机用深沟球轴承,圆柱滚子轴承的径向游隙。
CT——电机用圆柱滚子轴承的径向游隙。