轴承标准游隙表
- 格式:xls
- 大小:246.00 KB
- 文档页数:94
轴承游隙标准轴承内部游隙(初始间隙)是指轴承安装在轴或壳体上之前的内部间隙量。
如下图所示,当内圈或外圈中的一个固定,另一个可以自由移动时,位移可以在轴向或径向发生,该位移量(径向或轴向)称为内部间隙,根据方向,称为径向游隙或轴向游隙。
当测量轴承的内部间隙时,向滚道施加轻微的测量负载,以便可以准确测量内部间隙,然而,此时,轴承在测量载荷下发生轻微弹性变形,间隙测量值(测量间隙)略大于真实间隙,必须补偿真实轴承间隙与弹性变形导致的增加量之间的差异,这些补偿值如下表所示。
一、游隙选择。
运行条件下轴承的内部间隙(有效间隙)通常小于安装和运行前相同轴承的初始间隙,这是由包括轴承配合、内外环之间的温差等因素造成的。
由于轴承的工作间隙会影响轴承寿命、发热、振动、噪声等,因此在选择最合适的轴承游隙时必须慎之又慎。
初始间隙和工作(有效)间隙之间的内部间隙差(过盈配合引起的间隙减少量,或由于内外环之间的温差引起的间隙变化)可以通过公式δff=δ-(δf+δ)计算,其中:δff代表有效内部间隙,单位毫米;δ代表轴承内部间隙,单位毫米;δf代表因干涉而减少的间隙量,单位毫米;δ代表内外环温差引起的间隙减少量,单位毫米。
当轴承以过盈配合安装在轴和壳体上时,内圈将膨胀,外圈将收缩,从而减少轴承的内部间隙,膨胀或收缩量取决于轴承的形状、轴或壳体的形状、各个零件的尺寸以及所用材料的类型。
差分的范围约为有效干扰的70%-90%,可以通过公式δf=(0.70~0.90)·Δdeff计算,其中:δf代表因干涉而减少的间隙量,单位毫米;Δdeff代表有效干扰,单位毫米。
在操作过程中,通常外圈比内圈或旋转部件的温度低5到10C,然而,如果壳体的冷却效果大,则轴连接到热源,或加热物质通过空心轴传导,内外圈之间的温差可能更大,因此,由于内外圈的胀差,内部间隙量进一步减少,可以通过公式δ=α·Δ·D计算,其中:δ代表由于热差而减少的间隙量,单位毫米;α代表轴承钢线膨胀系数12.5x10/°C;Δ代表内外环温差,单位°C;D代表外圈滚道直径,单位毫米。
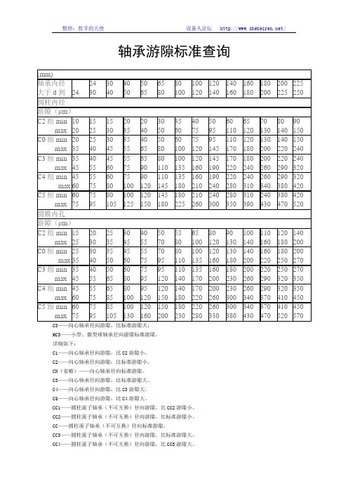
轴承游隙表集团档案编码:[YTTR-YTPT28-YTNTL98-UYTYNN08]表1深沟球轴承(圆柱孔)的径向游隙单位u m表3圆柱滚子轴承的径向游隙(1)圆柱孔轴承单位 um表4调心滚子轴承的径向游隙(1)圆柱孔轴承单位 um表4调心滚子轴承的径向游隙(2)圆锥孔轴承单位 um轴承游隙标准查询m)柱内径隙(μm)锥内孔隙(μm)业讲法:所谓内部游隙是轴承外轮、内轮、钢球间的游隙量。
一般固定内轮把外轮上下方向运动时的运动量称为径向游隙,左右方向运动时的运动量称为轴向游隙。
在轴承运转中,内部游隙的大小是左右振动、发热、疲劳寿命等性能的主要因素。
深沟球轴承用普通径向内部游隙表示,在实际测定中,为了得到稳定的测定值,加上了规定的负载,因轴承的弹性变形,此时的测定值比实际值大,所以经过修正可求得真正的游隙。
径向内部游隙和轴向内部游隙的关系:轴向内部游隙由钢球直径、内外轮沟道半径、径向内部游隙的值决定,是普通径向游隙的10倍左右。
作为想减小安装后的轴向内部游隙,选择小的径向游隙和大的过盈量配合是危险的。
游隙的常见代号:C3——向心轴承径向游隙,比标准游隙大;MC3——小型、微型球轴承径向游隙标准游隙。
详细如下:C1——向心轴承径向游隙,比C2游隙小。
C2——向心轴承径向游隙,比标准游隙小。
CN(省略)——向心轴承径向标准游隙。
C3——向心轴承径向游隙,比标准游隙大。
C4——向心轴承径向游隙,比C3游隙大。
C5——向心轴承径向游隙,比C4游隙大。
CC1——圆柱滚子轴承(不可互换)径向游隙,比CC2游隙小。
CC2——圆柱滚子轴承(不可互换)径向游隙,比标准游隙小。
CC——圆柱滚子轴承(不可互换)径向标准游隙。
CC3——圆柱滚子轴承(不可互换)径向游隙,比标准游隙大。
CC4——圆柱滚子轴承(不可互换)径向游隙,比CC3游隙大。
CC5——圆柱滚子轴承(不可互换)径向游隙,比CC4游隙大。
MC1——小型,微型球轴承径向游隙,比MC2游隙小。
轴承游隙所谓轴承游隙,即指轴承在未安装于轴或轴承箱时,将其内圈或外圈的一方固定,然后便未被固定的一方做径向或轴向移动时的移动量。
根据移动方向,可分为径向游隙和轴向游隙。
运转时的游隙(称做工作游隙)的大小对轴承的滚动疲劳寿命、温升、噪声、振动等性能有影响。
测量轴承的游隙时,为得到稳定的测量值,一般对轴承施加规定的测量负荷。
因此,所得到的测量值比真正的游隙(称做理论游隙)大,即增加了测量负荷产生的弹性变形量。
但对于滚子轴承来说,由于该弹性变形量较小,可以忽略不计。
安装前轴承的内部游隙一般用理论游隙表示。
游隙的选择从理论游隙减去轴承安装在轴上或外壳内时因过盈配合产生的套圈的膨胀量或收缩后的游隙称做“安装游隙”。
在安装游隙上加减因轴承内部温差产生的尺寸变动量后的游隙称做“有效游隙”。
轴承安装有机械上承受一定的负荷放置时的游隙,即有效游隙加上轴承负荷产生的弹性变形量后的以便称做“工作游隙”。
如图1所示,当工作游隙为微负值时,轴承的疲劳寿命最长但随着负游隙的增大疲劳寿命同显着下降。
因此,选择轴承的游隙时,一般使工作游隙为零或略为正为宜。
图1工作游隙与疲劳寿命的关系另外,需提高轴承的刚性或需降低噪声时,工作游隙要进一步取负值,而在轴承温升剧烈时,工作游隙则要进一步取正值等等,还必须根据使用条件做具体分析。
color=#000000>表1深沟球轴承(圆柱孔)的径向游隙单位um表2调心球轴承的径向游隙(1)圆柱孔轴承单位 um表2调心球轴承的径向游隙(2)圆锥孔轴承单位 um表5四列圆柱滚子轴承的径向游隙(圆柱孔)单位 um表3圆柱滚子轴承的径向游隙(1)圆柱孔轴承单位 um表4调心滚子轴承的径向游隙(1)圆柱孔轴承单位 um表4调心滚子轴承的径向游隙(2)圆锥孔轴承单位 um轴承类型的选择选择轴承类型时,全面掌握轴承的使用条件是至关重要的。
下表列出了主要的分析项目:具有所需旋转精度的轴承类型[轴承的尺寸精度和旋转精度已由GB按轴承类型标准化了]。
表1深沟球轴承(圆柱孔)的径向游隙单位u m表2调心球轴承的径向游隙(1)圆柱孔轴承单位 um表2调心球轴承的径向游隙(2)圆锥孔轴承单位 um表5四列圆柱滚子轴承的径向游隙(圆柱孔)单位 um表3圆柱滚子轴承的径向游隙(1)圆柱孔轴承单位 um表4调心滚子轴承的径向游隙(1)圆柱孔轴承单位 um表4调心滚子轴承的径向游隙(2)圆锥孔轴承单位 um轴承游隙标准查询业讲法:所谓内部游隙是轴承外轮、内轮、钢球间的游隙量。
一般固定内轮把外轮上下方向运动时的运动量称为径向游隙,左右方向运动时的运动量称为轴向游隙。
在轴承运转中,内部游隙的大小是左右振动、发热、疲劳寿命等性能的主要因素。
深沟球轴承用普通径向内部游隙表示,在实际测定中,为了得到稳定的测定值,加上了规定的负载,因轴承的弹性变形,此时的测定值比实际值大,所以经过修正可求得真正的游隙。
径向内部游隙和轴向内部游隙的关系:轴向内部游隙由钢球直径、内外轮沟道半径、径向内部游隙的值决定,是普通径向游隙的10倍左右。
作为想减小安装后的轴向内部游隙,选择小的径向游隙和大的过盈量配合是危险的。
游隙的常见代号:C3——向心轴承径向游隙,比标准游隙大;MC3——小型、微型球轴承径向游隙标准游隙。
详细如下:C1——向心轴承径向游隙,比C2游隙小。
C2——向心轴承径向游隙,比标准游隙小。
CN(省略)——向心轴承径向标准游隙。
C3——向心轴承径向游隙,比标准游隙大。
C4——向心轴承径向游隙,比C3游隙大。
C5——向心轴承径向游隙,比C4游隙大。
CC1——圆柱滚子轴承(不可互换)径向游隙,比CC2游隙小。
CC2——圆柱滚子轴承(不可互换)径向游隙,比标准游隙小。
CC——圆柱滚子轴承(不可互换)径向标准游隙。
CC3——圆柱滚子轴承(不可互换)径向游隙,比标准游隙大。
CC4——圆柱滚子轴承(不可互换)径向游隙,比CC3游隙大。
CC5——圆柱滚子轴承(不可互换)径向游隙,比CC4游隙大。
表1深沟球轴承(圆柱孔)的径向游隙单位表2调心球轴承的径向游隙表2调心球轴承的径向游隙(2)圆锥孔轴承单位 um表5四列圆柱滚子轴承的径向游隙(圆柱孔)单位 um(1)圆柱孔轴承单位 um(1)圆柱孔轴承单位 um(2)圆锥孔轴承单位 um轴承游隙标准查询业讲法:所谓内部游隙是轴承外轮、内轮、钢球间的游隙量。
一般固定内轮把外轮上下方向运动时的运动量称为径向游隙,左右方向运动时的运动量称为轴向游隙。
在轴承运转中,内部游隙的大小是左右振动、发热、疲劳寿命等性能的主要因素。
深沟球轴承用普通径向内部游隙表示,在实际测定中,为了得到稳定的测定值,加上了规定的负载,因轴承的弹性变形,此时的测定值比实际值大,所以经过修正可求得真正的游隙。
径向内部游隙和轴向内部游隙的关系:轴向内部游隙由钢球直径、内外轮沟道半径、径向内部游隙的值决定,是普通径向游隙的10倍左右。
作为想减小安装后的轴向内部游隙,选择小的径向游隙和大的过盈量配合是危险的。
游隙的常见代号:C3——向心轴承径向游隙,比标准游隙大;MC3——小型、微型球轴承径向游隙标准游隙。
详细如下:C1——向心轴承径向游隙,比C2游隙小。
C2——向心轴承径向游隙,比标准游隙小。
CN(省略)——向心轴承径向标准游隙。
C3——向心轴承径向游隙,比标准游隙大。
C4——向心轴承径向游隙,比C3游隙大。
C5——向心轴承径向游隙,比C4游隙大。
CC1——圆柱滚子轴承(不可互换)径向游隙,比CC2游隙小。
CC2——圆柱滚子轴承(不可互换)径向游隙,比标准游隙小。
CC——圆柱滚子轴承(不可互换)径向标准游隙。
CC3——圆柱滚子轴承(不可互换)径向游隙,比标准游隙大。
CC4——圆柱滚子轴承(不可互换)径向游隙,比CC3游隙大。
CC5——圆柱滚子轴承(不可互换)径向游隙,比CC4游隙大。
MC1——小型,微型球轴承径向游隙,比MC2游隙小。
MC2——小型,微型球轴承径向游隙,比MC3游隙小。
轴承分类简介深沟球轴承最具代表性的滚动轴承,用途广泛可承受径向负荷与双向轴向负荷适用于高速旋转及要求低噪声、低振动的场合带钢板防尘盖或橡胶密封圈的密封型轴承内预先充填了适量的润滑脂外圈带止动环或凸缘的轴承,即容易轴向定位,又便于外壳内的安装最大负荷型轴承的尺寸与标准轴承相同,但内、外圈有一处装填槽,增加了装球数,提高了额定负荷主要适用的保持架:钢板冲压保持架(波形、冠形…单列;S形…双列)铜合金或酚醛树脂切制保持架、合成树脂成形保持架主要用途:汽车:后轮、变速器、电气装置部件电气:通用电动机、家用电器其他:仪表、内燃机、建筑机械、铁路车辆、装卸搬运机械、农业机械、各种产业机械角接触球轴承套圈与球之间有接触角,标准的接触角为15°、30°和40°接触角越大轴向负荷能力也越大接触角越小则越有利于高速旋转单列轴承可承受径向负荷与单向轴向负荷DB组合、DF组合及双列轴承可承受径向负荷与双向轴向负荷DT组合适用单向轴向负荷较大,单个轴承的额定负荷不足的场合高速用ACH型轴承球径小、球数多,大多用于机床主轴角接触球轴承适用于高速及高精度旋转结构上为背面组合的两个单列角接触球轴承共用内圈与外圈,可承受径向负荷与双向轴向负荷无装填槽轴承也有密封型主要适用的保持架:钢板冲压保持架(碗形…单列;S形、冠形…双列)铜合金或酚醛树脂切制保持架、合成树脂成形保持架主要用途:单列:机床主轴、高频马达、燃汽轮机、离心分离机、小型汽车前轮、差速器小齿轮轴双列:油泵、罗茨鼓风机、空气压缩机、各类变速器、燃料喷射泵、印刷机械四点接触球轴承可承受径向负荷与双向轴向负荷单个轴承可代替正面组合或背面组合的角接触球轴承适用于承受纯轴向负荷或轴向负荷成份较大的合成负荷该类轴承承受任何方向的轴向负荷时都能形成其中的一个接触角(α),因此套圈与球总在任一接触线上的两面三刀点接触主要适用的保持架:铜合金切制保持架主要用途:飞机喷气式发动机、燃汽轮机调心球轴承由于外圈滚道面呈球面,具有调心性能,因此可自动调整因轴或外壳的挠曲或不同心引起的轴心不正圆锥孔轴承通过使用紧固件可方便地安装在轴上钢板冲压保持架:菊形…12、13、22…2RS、23…2RS葵形…22、23木工机械、纺织机械传动轴、立式带座调心轴承圆柱滚子轴承圆柱滚子与滚道呈线接触,径向负荷能力大,即适用于承受重负荷与冲击负荷,也适用于高速旋转N型及NU型可轴向移动,能适应因热膨胀或安装误差引起的轴与外壳相对位置的变化,最适应用作自由端轴承NJ型及NF型可承受一定程度的单向轴向负荷,NH型及NUP型可承受一定程度的双向轴向负荷内圈或外圈可分离,便于装拆NNU型及NN型抗径向负荷的刚性强,大多用于机床主轴主要适用的保持架:钢板冲压保持架(Z形)、铜合金切制保持架、销式保持架、合成树脂成形保持架主要用途:中型及大型电动机、发电机、内燃机、燃汽轮机、机床主轴、减速装置、装卸搬运机械、各类产业机械实体型滚针轴承有内圈轴承的基本结构与NU型圆柱滚子轴承相同,但由于采用滚针,体积可以缩小,并可承受大径向负荷无内圈轴承要把具有合适精度和硬度的轴的安装面作为滚道面使用主要适用的保持架:钢板冲压保持架主要用途:汽车发动机、变速器、泵、挖土机履带轮、提升机、桥式起重机、压缩机圆锥滚子轴承该类轴承装有圆台形滚子,滚子由内圈大挡边引导设计上使得内圈滚道面、外圈滚道面以及滚子滚动面的各圆锥面的顶点相交于轴承中心线上的一点单列轴承可承受径向负荷与单向轴向负荷,双列轴承可承受径向负荷与双向轴向负荷适用于承受重负荷与冲击负荷按接触胸(α)的不同,分为小锥角、中锥角和大锥角三种型式,接触角越大轴向负荷能力也越大外圈与内组件(内圈与滚子和保持架组件)可分离,便于装拆后置辅助代号"J"或"JR"的轴承具有国际互换性该类轴承还多使用英制系列产品主要适用的保持架:钢板冲压保持架、合成树脂成形保持架、销式保持架主要用途:汽车:前轮、后轮、变速器、差速器小齿轮轴。
轴承游隙标准查询
C3——向心轴承径向游隙,比标准游隙大;
MC3——小型、微型球轴承径向游隙标准游隙。
详细如下:
C1——向心轴承径向游隙,比C2游隙小。
C2——向心轴承径向游隙,比标准游隙小。
CN(省略)——向心轴承径向标准游隙。
C3——向心轴承径向游隙,比标准游隙大。
C4——向心轴承径向游隙,比C3游隙大。
C5——向心轴承径向游隙,比C4游隙大。
CC1——圆柱滚子轴承(不可互换)径向游隙,比CC2游隙小。
CC2——圆柱滚子轴承(不可互换)径向游隙,比标准游隙小。
CC——圆柱滚子轴承(不可互换)径向标准游隙。
CC3——圆柱滚子轴承(不可互换)径向游隙,比标准游隙大。
CC4——圆柱滚子轴承(不可互换)径向游隙,比CC3游隙大。
CC5——圆柱滚子轴承(不可互换)径向游隙,比CC4游隙大。
MC1——小型,微型球轴承径向游隙,比MC2游隙小。
MC2——小型,微型球轴承径向游隙,比MC3游隙小。
MC3——小型,微型球轴承径向游隙标准游隙。
MC4——小型,微型球轴承径向游隙,比MC3游隙大。
MC5——小型,微型球轴承径向游隙,比MC4游隙大。
MC6——小型,微型球轴承径向游隙,比MC5游隙大。
CM——电机用深沟球轴承,圆柱滚子轴承的径向游隙。
CT——电机用圆柱滚子轴承的径向游隙。
轴承分类简介深沟球轴承最具代表性的滚动轴承,用途广泛可承受径向负荷与双向轴向负荷适用于高速旋转及要求低噪声、低振动的场合带钢板防尘盖或橡胶密封圈的密封型轴承内预先充填了适量的润滑脂外圈带止动环或凸缘的轴承,即容易轴向定位,又便于外壳内的安装最大负荷型轴承的尺寸与标准轴承相同,但内、外圈有一处装填槽,增加了装球数,提高了额定负荷主要适用的保持架:钢板冲压保持架(波形、冠形…单列;S形…双列)铜合金或酚醛树脂切制保持架、合成树脂成形保持架主要用途:汽车:后轮、变速器、电气装置部件电气:通用电动机、家用电器其他:仪表、内燃机、建筑机械、铁路车辆、装卸搬运机械、农业机械、各种产业机械角接触球轴承套圈与球之间有接触角,标准的接触角为15°、30°和40°接触角越大轴向负荷能力也越大接触角越小则越有利于高速旋转单列轴承可承受径向负荷与单向轴向负荷DB组合、DF组合及双列轴承可承受径向负荷与双向轴向负荷DT组合适用单向轴向负荷较大,单个轴承的额定负荷不足的场合高速用ACH型轴承球径小、球数多,大多用于机床主轴角接触球轴承适用于高速及高精度旋转结构上为背面组合的两个单列角接触球轴承共用内圈与外圈,可承受径向负荷与双向轴向负荷无装填槽轴承也有密封型主要适用的保持架:钢板冲压保持架(碗形…单列;S形、冠形…双列)铜合金或酚醛树脂切制保持架、合成树脂成形保持架主要用途:单列:机床主轴、高频马达、燃汽轮机、离心分离机、小型汽车前轮、差速器小齿轮轴双列:油泵、罗茨鼓风机、空气压缩机、各类变速器、燃料喷射泵、印刷机械四点接触球轴承可承受径向负荷与双向轴向负荷单个轴承可代替正面组合或背面组合的角接触球轴承适用于承受纯轴向负荷或轴向负荷成份较大的合成负荷该类轴承承受任何方向的轴向负荷时都能形成其中的一个接触角(α),因此套圈与球总在任一接触线上的两面三刀点接触主要适用的保持架:铜合金切制保持架主要用途:飞机喷气式发动机、燃汽轮机调心球轴承由于外圈滚道面呈球面,具有调心性能,因此可自动调整因轴或外壳的挠曲或不同心引起的轴心不正圆锥孔轴承通过使用紧固件可方便地安装在轴上钢板冲压保持架:菊形…12、13、22…2RS、23…2RS葵形…22、23木工机械、纺织机械传动轴、立式带座调心轴承圆柱滚子轴承圆柱滚子与滚道呈线接触,径向负荷能力大,即适用于承受重负荷与冲击负荷,也适用于高速旋转N型及NU型可轴向移动,能适应因热膨胀或安装误差引起的轴与外壳相对位置的变化,最适应用作自由端轴承NJ型及NF型可承受一定程度的单向轴向负荷,NH型及NUP型可承受一定程度的双向轴向负荷内圈或外圈可分离,便于装拆NNU型及NN型抗径向负荷的刚性强,大多用于机床主轴主要适用的保持架:钢板冲压保持架(Z形)、铜合金切制保持架、销式保持架、合成树脂成形保持架主要用途:中型及大型电动机、发电机、内燃机、燃汽轮机、机床主轴、减速装置、装卸搬运机械、各类产业机械实体型滚针轴承有内圈轴承的基本结构与NU型圆柱滚子轴承相同,但由于采用滚针,体积可以缩小,并可承受大径向负荷无内圈轴承要把具有合适精度和硬度的轴的安装面作为滚道面使用主要适用的保持架:钢板冲压保持架主要用途:汽车发动机、变速器、泵、挖土机履带轮、提升机、桥式起重机、压缩机圆锥滚子轴承该类轴承装有圆台形滚子,滚子由内圈大挡边引导设计上使得内圈滚道面、外圈滚道面以及滚子滚动面的各圆锥面的顶点相交于轴承中心线上的一点单列轴承可承受径向负荷与单向轴向负荷,双列轴承可承受径向负荷与双向轴向负荷适用于承受重负荷与冲击负荷按接触胸(α)的不同,分为小锥角、中锥角和大锥角三种型式,接触角越大轴向负荷能力也越大外圈与内组件(内圈与滚子和保持架组件)可分离,便于装拆后置辅助代号"J"或"JR"的轴承具有国际互换性该类轴承还多使用英制系列产品主要适用的保持架:钢板冲压保持架、合成树脂成形保持架、销式保持架主要用途:汽车:前轮、后轮、变速器、差速器小齿轮轴。
轴承游隙标准
所谓轴承游隙,即指轴承在未安装于轴或轴承箱时,将其内圈或外圈的一方固定,然后便未被固定的一方做径向或轴向移动时的移动量。
根据移动方向,可分为径向游隙和轴向游隙。
运转时的游隙(称做工作游隙)的大小对轴承的滚动疲劳寿命、温升、噪声、振动等性能有影响。
测量轴承的游隙时,为得到稳定的测量值,一般对轴承施加规定的测量负荷。
因此,所得到的测量值比真正的游隙(称做理论游隙)大,即增加了测量负荷产生的弹性变形量。
但对于滚子轴承来说,由于该弹性变形量较小,可以忽略不计。
安装前轴承的内部游隙一般用理论游隙表示。
游隙的选择
从理论游隙减去轴承安装在轴上或外壳内时因过盈配合产生的套圈的膨胀量或收缩后的游隙称做“安装游隙”。
在安装游隙上加减因轴承内部温差产生的尺寸变动量后的游隙称做“有效游隙”。
轴承安装有机械上承受一定的负荷放置时的游隙,即有效游隙加上轴承负荷产生的弹性变形量后的以便称做“工作游隙”。
如图1所示,当工作游隙为微负值时,轴承的疲劳寿命最长但随着负游隙的增大疲劳寿命同显著下降。
因此,选择轴承的游隙时,一般使工作游隙为零或略为正为宜。
图1工作游隙与疲劳寿命的关系
另外,需提高轴承的刚性或需降低噪声时,工作游隙要进一步取负值,而在轴承温升剧烈时,工作游隙则要进一步取正值等等,还必须根据使用条件做具体分析。
表2调心球轴承的径向游隙
表3圆柱滚子轴承的径向游隙
(1)圆柱孔轴承单位 um
表4调心滚子轴承的径向游隙
(1)圆柱孔轴承
单位 um
表4调心滚子轴承的径向游隙
(2)圆锥孔轴承单位 um。
表1深沟球轴承(圆柱孔)的径向游隙单位
u m
表5四列圆柱滚子轴承的径向游隙(圆柱孔)单位 um
表4调心滚子轴承的径向游隙
(2)圆锥孔轴承单位 um
隙由钢球直径、内外轮沟道半径、径向内部游隙的值决定,是普通径向游隙的10倍左右。
作为想减小安装后的轴向内部游隙,选择小的径向游隙和大的过盈量配合是危险的。
游隙的常见代号:
C3——向心轴承径向游隙,比标准游隙大;
MC3——小型、微型球轴承径向游隙标准游隙。
详细如下:
C1——向心轴承径向游隙,比C2游隙小。
C2——向心轴承径向游隙,比标准游隙小。
CN(省略)——向心轴承径向标准游隙。
MC4——小型,微型球轴承径向游隙,比MC3游隙大。
MC5——小型,微型球轴承径向游隙,比MC4游隙大。
MC6——小型,微型球轴承径向游隙,比MC5游隙大。
CM——电机用深沟球轴承,圆柱滚子轴承的径向游隙。
CT——电机用圆柱滚子轴承的径向游隙。
轴承游隙欧阳学文所谓轴承游隙,即指轴承在未安装于轴或轴承箱时,将其内圈或外圈的一方固定,然后便未被固定的一方做径向或轴向移动时的移动量。
根据移动方向,可分为径向游隙和轴向游隙。
运转时的游隙(称做工作游隙)的大小对轴承的滚动疲劳寿命、温升、噪声、振动等性能有影响。
测量轴承的游隙时,为得到稳定的测量值,一般对轴承施加规定的测量负荷。
因此,所得到的测量值比真正的游隙(称做理论游隙)大,即增加了测量负荷产生的弹性变形量。
欧阳学文创作但对于滚子轴承来说,由于该弹性变形量较小,可以忽略不计。
安装前轴承的内部游隙一般用理论游隙表示。
游隙的选择从理论游隙减去轴承安装在轴上或外壳内时因过盈配合产生的套圈的膨胀量或收缩后的游隙称做“安装游隙”。
在安装游隙上加减因轴承内部温差产生的尺寸变动量后的游隙称做“有效游隙”。
轴承安装有机械上承受一定的负荷放置时的游隙,即有效游隙加上轴承负荷产生的弹性变形量后的以便称做“工作游隙”。
如图1所示,当工作游隙为微负值时,轴承的疲劳寿命最长但随着负游隙的增大疲劳寿命同显著下降。
因此,选择轴承的游隙时,一般使工作游隙为零或略为正为宜。
图1工作游隙与疲劳寿命的关系欧阳学文创作另外,需提高轴承的刚性或需降低噪声时,工作游隙要进一步取负值,而在轴承温升剧烈时,工作游隙则要进一步取正值等等,还必须根据使用条件做具体分析。
color=#000000>表1深沟球轴承(圆柱孔)的径向游隙单位um欧阳学文创作表2调心球轴承的径向游隙(1)圆柱孔轴承单位 um欧阳学文创作欧阳学文创作表2调心球轴承的径向游隙(2)圆锥孔轴承单位 um欧阳学文创作表5四列圆柱滚子轴承的径向游隙(圆柱孔)单位 um欧阳学文创作欧阳学文创作表3圆柱滚子轴承的径向游隙(1)圆柱孔轴承单位 um欧阳学文创作表4调心滚子轴承的径向游隙(1)圆柱孔轴承单位 um欧阳学文创作欧阳学文创作表4调心滚子轴承的径向游隙(2)圆锥孔轴承单位 um欧阳学文创作欧阳学文创作轴承类型的选择选择轴承类型时,全面掌握轴承的使用条件是至关重要的。
轴承游隙所谓轴承游隙,即指轴承在未安装于轴或轴承箱时,将其内圈或外圈的一方固定,然后便未被固定的一方做径向或轴向移动时的移动量。
根据移动方向,可分为径向游隙和轴向游隙。
运转时的游隙(称做工作游隙)的大小对轴承的滚动疲劳寿命、温升、噪声、振动等性能有影响。
测量轴承的游隙时,为得到稳定的测量值,一般对轴承施加规定的测量负荷。
因此,所得到的测量值比真正的游隙(称做理论游隙)大,即增加了测量负荷产生的弹性变形量。
但对于滚子轴承来说,由于该弹性变形量较小,可以忽略不计。
安装前轴承的内部游隙一般用理论游隙表示。
游隙的选择从理论游隙减去轴承安装在轴上或外壳内时因过盈配合产生的套圈的膨胀量或收缩后的游隙称做“安装游隙”。
在安装游隙上加减因轴承内部温差产生的尺寸变动量后的游隙称做“有效游隙”。
轴承安装有机械上承受一定的负荷放置时的游隙,即有效游隙加上轴承负荷产生的弹性变形量后的以便称做“工作游隙”。
如图1所示,当工作游隙为微负值时,轴承的疲劳寿命最长但随着负游隙的增大疲劳寿命同显著下降。
因此,选择轴承的游隙时,一般使工作游隙为零或略为正为宜。
图1工作游隙与疲劳寿命的关系另外,需提高轴承的刚性或需降低噪声时,工作游隙要进一步取负值,而在轴承温升剧烈时,工作游隙则要进一步取正值等等,还必须根据使用条件做具体分析。
单位um表3圆柱滚子轴承的径向游隙(1)圆柱孔轴承单位 um表4调心滚子轴承的径向游隙(1)圆柱孔轴承单位 um表4调心滚子轴承的径向游隙(2)圆锥孔轴承单位 um轴承类型的选择选择轴承类型时,全面掌握轴承的使用条件是至关重要的。
下表列出了主要的分析项目:具有所需旋转精度的轴承类型[轴承的尺寸精度和旋转精度已由GB 按轴承类型标准化了]。