(完整版)kmust期末理论力学试卷及答案1
- 格式:doc
- 大小:345.51 KB
- 文档页数:4
一、选择题(每题2分,共20分)1.若平面力系对一点A 的主矩等于零,则此力系( )。
A .不可能合成为一个力 B .不可能合成为一个力偶C .一定平衡D .可能合成为一个力偶,也可能平衡2.刚体在四个力的作用下处于平衡,若其中三个力的作用线汇交于一点,则第四个力的作用线( )。
A .一定通过汇交点B .不一定通过汇交点C .一定不通过汇交点3.将平面力系向平面内任意两点简化,所得主矢相等,主矩也相等,且主矩不为零,则该力系简化的最后结果为( )。
A .一个力 B .一个力偶 C .平衡4.图1中,已知P =60kN ,F =20kN静摩擦系数f s =0.5,动摩擦系数f d =0.4,则物体所受 摩擦力的大小为( )。
A .25kN B .20kN C .17.3kN5.一点做曲线运动,开始时的速度s m v /100=,恒定切向加速度2/4s m a =τ,则2s 末该点的速度大小为( )。
A .2m/sB .18m/sC .12m/sD .无法确定6.圆轮绕某固定轴O 转动,某瞬时轮缘上一点的速度v 和加速度a 如图2所示,试问哪些情况下是不可能的?( ) A .(a )、(b )运动是不可能的 B .(a )、(c )运动是不可能的 C .(b )、(c )运动是不可能的 D .均不可能7.如图3所示平行四边形机构,在图示瞬时,杆O 1A以角速度ω转动,滑块M 相对AB 杆运动,若取M 动点,动系固联在AB 上,则该瞬时动点M 的牵连速度与杆AB 间的夹角为( )。
A .00 B .300 C .600图28.平面机构如图4所示,选小环M 为动点,动系固联 在曲柄OCD 杆上,则动点M 的科氏加速度的方向( )。
A .垂直于CD B .垂直于AB C .垂直于OM D .垂直于纸面9.如图5所示,两物块A 、B ,质量分别为A m 和B m 初始静止。
如A 沿斜面下滑的相对速度为r v ,设B 向左运动的速度为v ,根据动量守恒定律理有(A .v m v mB r A =θcos B.v m v m B r A=C.v m v v m B r A =+)cos (θD. v m v v m B r A =-)cos (θ10.已知刚体质心C 到相互平行的z '、z 轴之间的距离分别为a 、b ,刚体的质量为m ,对z 轴的转动惯量为z J ,则'z J 的计算公式为( )。
大学理论力学期末考试题库及答案1. 题目:简述牛顿三定律的内容。
答案:牛顿第一定律(惯性定律)指出,物体在没有受到外力作用时,将保持静止或匀速直线运动状态;牛顿第二定律(加速度定律)表明,物体的加速度与作用在物体上的合外力成正比,与物体质量成反比,方向与合外力方向相同;牛顿第三定律(作用与反作用定律)说明,对于任何两个相互作用的物体,它们之间的力是大小相等、方向相反的。
2. 题目:什么是角动量守恒定律?答案:角动量守恒定律是指在没有外力矩作用的情况下,一个系统的总角动量保持不变。
3. 题目:请解释达朗贝尔原理。
答案:达朗贝尔原理是将动力学问题转化为静力学问题的一种方法。
它基于牛顿第二定律,通过引入惯性力,将动力学方程转化为平衡方程。
4. 题目:什么是虚功原理?答案:虚功原理是分析力学中的一个基本原理,它指出,一个保守系统中,如果系统从一个平衡位置发生微小的虚位移,那么系统内所有力对这些虚位移所做的虚功之和为零。
5. 题目:简述拉格朗日方程的一般形式。
答案:拉格朗日方程的一般形式为:\( \frac{d}{dt}(\frac{\partial L}{\partial \dot{q}_i}) -\frac{\partial L}{\partial q_i} = Q_i \),其中 \( L \) 是拉格朗日量,\( q_i \) 是广义坐标,\( \dot{q}_i \) 是广义速度,\( Q_i \) 是广义力。
6. 题目:请解释什么是哈密顿原理。
答案:哈密顿原理,也称为最小作用量原理,它指出在所有可能的路径中,实际发生的过程是使作用量取极小值的路径。
作用量是拉格朗日量 \( L \) 对时间的积分。
7. 题目:什么是刚体的转动惯量?答案:刚体的转动惯量是衡量刚体对旋转运动的抵抗程度的物理量,它与刚体的质量分布和旋转轴的位置有关。
8. 题目:请解释什么是势能。
答案:势能是物体由于其位置或状态而具有的能量形式,它与物体的位形有关,通常与保守力相关。
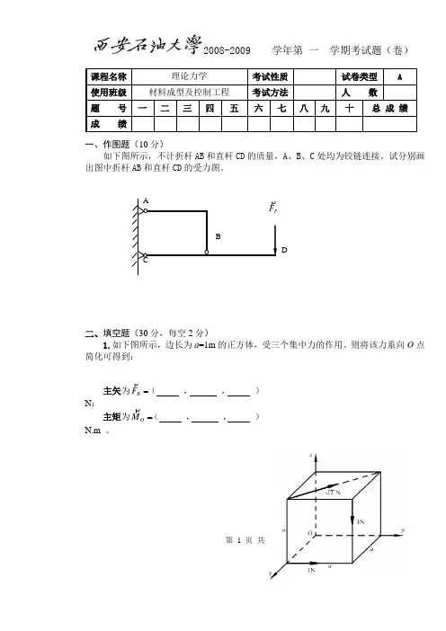
第 1 页 共 5 页2008-2009 学年第 一 学期考试题(卷)一、作图题(10分)如下图所示,不计折杆AB 和直杆CD 的质量,A 、B 、C 处均为铰链连接。
试分别画出图中折杆AB 和直杆CD 的受力图。
二、填空题(30分,每空2分)1.如下图所示,边长为a =1m 的正方体,受三个集中力的作用。
则将该力系向O 点简化可得到:主矢为=R F( , , )N ;主矩为=O M( , , )N.m 。
D2.如下图所示的平面机构,由摇杆A O 1、B O 2,“T 字形”刚架ABCD ,连杆DE 和竖直滑块E 组成,21O O 水平,刚架的CD 段垂直AB 段,且AB =21O O ,已知l BO AO ==21,DE=l 4 ,A O 1杆以匀角速度ω绕1O 轴逆时针定轴转动,连杆DE 的质量均匀分布且大小为M 。
根据刚体五种运动形式的定义,则“T 字形”刚架ABCD 的运动形式为 ,连杆DE 的运动形式为 。
在图示位置瞬时,若A O 1杆竖直,连杆DE 与刚架CD 段的夹角为o CDE 60=∠,则在该瞬时:A 点的速度大小为 ,A 点的加速度大小为 ,D 点的速度大小为 ,连杆DE 的速度瞬心到连杆DE 的质心即其中点的距离为 ,连杆DE 的角速度大小为 ,连杆DE 的动量大小为 ,连杆DE 的动能大小为 。
三、计算题(20分)如左下图所示,刚架结构由直杆AC 和折杆BC 组成,A 处为固定端,B 处为辊轴支座,C 处为中间铰。
所受荷载如图所示。
已知F=40 kN ,M= 20kN ·m ,q=10kN/m ,a=4m 。
试求A 处和B 处约束力。
四、计算题(20分)机构如右上图所示,1O 和2O 在一条竖直线上,长度mm A O 2001=的曲柄A O 1的一端A 与套筒A 用铰链连接,当曲柄A O 1以匀角速度s rad /21=ω绕固定轴1O 转动时,套筒A 在摇杆B O 2上滑动并带动摇杆B O 2绕固定轴2O 摆动。
理论力学复习题1一、是非题(正确用√,错误用×)1:作用在一个刚体上的任意两个力成平衡的必要与充分条件是:两个力的作用线相同,大小相等,方向相反。
( )2:作用在一个物体上有三个力,当这三个力的作用线汇交于一点时,则此力系必然平衡。
( ) 3:刚体的运动形式为平动,若刚体上任一点的运动已知,则其它各点的运动随之确定。
( )4: 瞬时速度中心点的速度等于零,加速度一般情况下不等于零。
( )5:一个质点只要运动,就一定受到力的作用,而且运动的方向就是它受力的方向。
( )二、选择题(单选题)1. 一重W 的物体置于倾角为α的斜面上,若摩擦系数为f ,且tg α<f ,若增加物体重量,则物体会 () 。
A: 静止不动; B: 向下滑动; C: 运动与否取决于平衡条件。
2. 一动点作平面曲线运动,若其速率不变,则其速度矢量与加速度矢量( ) 。
A :平行;B :夹角随时间变化;C :垂直;D :不能确定3. 牵连运动是指( )A.动系相对于静系的运动B.牵连点相对于动系的运动C.静系相对于动系的运动D.牵连点相对于静系的运动4. 图示均质杆OA 质量为m 、长度为l ,则该杆对O 轴转动惯量为( )A .12m lB .12m 2lC .3mlD .3m 2l5.质点系动量守恒的条件是( )。
A :作用于质点系的内力主矢恒等于零;B :作用于质点系的外力主矢恒等于零;C :作用于质点系的约束反力主矢恒等于零;D :作用于质点系的主动力主矢恒等于零;三、已知图示结构中的F 、a ,试求结构A 、B 的约束反力。
一.选择题(每题3分,共15分。
请将答案的序号填入划线内。
)1.空间同向平行力系1F 、2F 、3F 和4F ,如图所示。
该力系向O 点简化,主矢为'R F,主矩为OM ,则 (B )(A) 主矢主矩均不为零,且'R F 平行于O M(B) 主矢主矩均不为零,且'RF 垂直于O M(C) 主矢不为零,而主矩为零 (D) 主矢为零,而主矩不为零2.已知点M 的运动方程为ct b s +=,其中b 、c 均为常数,则( C )。
(A) 点M 的轨迹必为直线 (B) 点M 必作匀速直线运动 (C) 点M 必作匀速运动 (D) 点M 的加速度必定等于零3.如图所示若尖劈两侧与槽之间的摩擦角均为m ϕ,则欲使尖劈被打入后不致自动滑出,θ角应为( C )(A) θ≤m ϕ (B) θ≥m ϕ(C) θ≤2m ϕ (D) θ≥2m ϕ4.若质点的动能保持不变,则( D )。
(A) 该质点的动量必守恒 (B)(C) 该质点必作变速运动 (D) 5.直管AB 以匀角速度ω绕过点O 且垂直于管子轴线的定轴转动,小球M 在管内相对于管子以匀速度r v 运动,在如图所示瞬时,小球M 正好经过轴O 点,则在此瞬时小球M 的绝对速度a v 和绝对加速度a a 大小是( D )。
(A)a v =,a a = (B) a rv v =,0a a =(C) 0a v =,2a r a v ω= (D) a r v v =,2a ra v ω=二.填空题(每空2分,共30分。
请将答案填入划线内。
)1.平面汇交力系平衡的几何条件是 各力构成的力多边形自行封闭 ;平面汇交力系平衡的解析条件是0x F =∑、0y F =∑。
2.空间力偶的三个要素是 力偶矩的大小 、 力偶作用面的方位 和 力偶的转向 。
3.如图所示,均质长方体的高度30h cm =,宽度20b cm =,重量600G N =,放在粗糙水平面上,它与水平面的静摩擦系数0.4s f =。
理论力学部分第一章静力学基础一、是非题(每题3分,30分)1.力有两种作用效果,即力可以使物体的运动状态发生变化,也可以使物体发生变形。
()2.在理论力学中只研究力的外效应。
()3.两端用光滑铰链连接的构件是二力构件。
()4.作用在一个刚体上的任意两个力成平衡的必要与充分条件是:两个力的作用线相同,大小相等,方向相反。
()5.作用于刚体的力可沿其作用线移动而不改变其对刚体的运动效应。
()6.三力平衡定理指出:三力汇交于一点,则这三个力必然互相平衡。
()7.平面汇交力系平衡时,力多边形各力应首尾相接,但在作图时力的顺序可以不同。
()8.约束力的方向总是与约束所能阻止的被约束物体的运动方向一致的。
()9. 力偶只能使刚体发生转动,不能使刚体移动。
()10.固定铰链的约束反力是一个力和一个力偶。
()二、选择题(每题4分,24分)1.若作用在A点的两个大小不等的力F1和F2,沿同一直线但方向相反。
则其合力可以表示为。
①F1-F2;②F2-F1;③F1+F2;2.作用在一个刚体上的两个力F A、F B,满足F A=-F B的条件,则该二力可能是。
①作用力和反作用力或一对平衡的力;②一对平衡的力或一个力偶。
③一对平衡的力或一个力和一个力偶;④作用力和反作用力或一个力偶。
3.三力平衡定理是。
①共面不平行的三个力互相平衡必汇交于一点;②共面三力若平衡,必汇交于一点;③三力汇交于一点,则这三个力必互相平衡。
4.已知F1、F2、F3、F4为作用于刚体上的平面共点力系,其力矢关系如图所示为平行四边形,由此。
①力系可合成为一个力偶;②力系可合成为一个力;③力系简化为一个力和一个力偶;④力系的合力为零,力系平衡。
5.在下述原理、法则、定理中,只适用于刚体的有。
①二力平衡原理;②力的平行四边形法则;③加减平衡力系原理;④力的可传性原理;⑤作用与反作用定理。
6.关于约束的说法正确的是 。
① 柔体约束,沿柔体轴线背离物体。
② 光滑接触面约束,约束反力沿接触面公法线,指向物体。
《理论力学》期末考试卷模拟试卷01一.判断题(认为正确的请在每题括号内打√,否则打×;每小题3分,共15分)(√)1.几何约束必定是完整约束,但完整约束未必是几何约束。
(×)2.刚体做偏心定轴匀速转动时,惯性力为零。
(×)3.当圆轮沿固定面做纯滚动时,滑动摩擦力和动滑动摩擦力均做功。
(√)4.质点系动量对时间的导数等于作用在质点系上所有外力的矢量和。
(√)5.平面运动随基点平动的运动规律与基点的选择有关,而绕基点转动的规律与基点选取无关。
二.选择题(把正确答案的序号填入括号内,每小题3分,共30分)1.如图1所示,楔形块A,B自重不计,并在光滑的mm,nn 平面相接触。
若其上分别作用有大小相等,方向相反,作用线相同的二力P,P’,则此二刚体的平衡情况是( A )(A)二物体都不平衡(B)二物体都能平衡(C)A平衡,B不平衡(D)B平衡,A不平衡2.如图2所示,力F作用线在OABC平面内,则力F对空间直角坐标Ox,Oy,Oz轴之距,正确的是( C )(A)m x(F)=0,其余不为零(B)m y(F)=0,其余不为零(C)m z(F)=0,其余不为零(D)m x(F)=0, m y(F)=0, m z(F)=03.图3所示的圆半径为R,绕过点O的中心轴作定轴转动,其角速度为ω,角加速度为ε。
记同一半径上的两点A,B的加速度分别为a A,a B(OA=R,OB=R/2),它们与半径的夹角分别为α,β。
则a A,a B的大小关系,α,β的大小关系,正确的是(B )(A)BAaa2=, α=2β(B)BAaa2=, α=β(C)BAaa=, α=2β(D)BAaa=, α=βy图14.直管AB 以匀角速度ω绕过点O 且垂直于管子轴线的定轴转动,小球M 在管子内相对于管子以匀速度v r 运动。
在图4所示瞬时,小球M 正好经过轴O 点,则在此瞬时小球M 的绝对速度v ,绝对加速度a 是(D )(A )v=0,a =0 (B )v=v r, a =0 (C )v=0,r v a ω2=,← (D )v=v r , r v a ω2=,← 5. 图5所示匀质圆盘质量为m ,半径为R ,可绕轮缘上垂直于盘面的轴转动,转动角速度为ω,则圆盘在图示瞬时的动量是( B ) (A )K=0 (B )K=mR ω,↓ (C )K=2mR ω ,↓ (D )K=mR ω2 ,←6. 条件同前题(5),则圆盘的动能是(D )(A )2221ωmR T = (B )2241ωmR T =(C )22ωmR T = (D )2243ωmR T =7. 匀质半圆盘质量为m ,半径为R ,绕过圆心O 并垂直于盘面的定轴转动(图6),其角速度为ω,则半圆盘对点O 的动量矩的大小L 0 是( C )。
理论力学期末测试试题1-1、自重为P=100kN的T字形钢架ABD,置于铅垂面内,载荷如下列图.其中转矩M=20kN.m ,拉力F=400kN,分布力q=20kN/m,长度l=1m.试求固定端A的约束力.解:取T型刚架为受力对象,画受力图其中耳一;q •次-3(ikN工已二“产看十骂—F£m6<r = 0工弓=0 ^-?-Fcos600 = 0一.一^ A必-W-Fi/十外必60F + F疝g= 0i^ = 3164kN 为二SOQkNMi= - IlSSkNm1-2如下列图,飞机机翼上安装一台发动机,作用在机翼OA上的气动力按梯形分布:解:q i=60kN/m, q2 =40kN/m ,机翼重P i=45kN ,发动机重P2 =20kN ,发动机螺旋桨的反作用力偶矩M=18kN.m .求机翼处于平衡状态时,机翼根部固定端.所受的力.幅研究机翼.把梯形教荷分解为一三角形载荷与一轮修救荷,其合力分利为Fja = y(^)- q2) , 9 = 90 kN,F k2= 9 * = 36° kN分别作用在矩赛.点3m与4.5 m处,如下列图,由= 口,F山=01Y = 0, F% - K - P# 1 中k=0SM0(F1 = Q t Mo - 3.6P| — 4.2尸工一M + 3F RI + 4.$F R1 = 0解得For = 0T F Q,=- 3S5 k\, M0 二-1 626 kN * m1-3图示构件由直角弯杆EBD以及直杆AB组成,不计各杆自重,q=10kN/m , F=50kN , M=6kN.m ,各尺寸如图.求固定端A处及支座C的约束力.6 m 1 i m } I m !M 先研究构架EBD如图(b),由WX= 0, F小-F sin30' = 0E Y = 0.F HJ + F3 - F mfi30 = 02A什⑺=0T F2 T - M + 2F = 0 解得= 25 kN. = 87.3 kN. F/ =-44 kN 再研究AB梁如图(a).由解:XX = 04 -如* 6 sinJO* * F旭一Fn, = 0XV - 0,为-1 6 (xx3tf . F* 二UEM八F) - 0, - 2 * -j * & * fl coeJO -白产皿"0懈得F〞 = 40 kN. F A I= 113 3 kN. M A= 575,S kN - m it愿也可先研究EBD,求得F*之后.再研究整体,求a处反力।这样祈减少平街方程数■但计算鼠并未明髭减少,1-4:如下列图结构, a, M=Fa, F1 F2 F,求:A, D处约束力.以上修为明究时聚.受力如下列图.广%-0 加-:'=. T工… 4・%七.二工9口 : 0 A<P -I %'二昌1'二小l nF吗一:F /=F1-5、平面桁架受力如下列图. ABC为等边三角形,且AD=DB .求杆CD的内力.H 翌体受力如图Q).由工M A(F)=0,方,/\ *F\B"4B - F - 1■心・sinbU- - Q 6蹲得Fw 一§F⑸.反将桁架微升.研究右边局部,如图化)所 \ __________________示,由人汽J^*Wf)= g Fft* ■ DB * sinfiO f+ F.nc , flH - F , £)P - sinGO,= 0 %⑻解樗Ffp = -|F/再研究节点匚,如图(cl由尔工K =①(Ftr- F在加曲,=0 代〞的EV = 0, -(F CF +F C¥)m&S0,- F QJ = Q *3 57ffl解得Fm =一与F t) 866F(压)本剧晟筒单的解法是.菖先断定QE杆为零杆,再觎取&BDF来研兆,只由一个方覆LM a(f> =.,即可健出R* ,读者不妨一试.1-6、如下列图的平面桁架,A端采用钱链约束,B端采用滚动支座约束, 各杆件长度为1m.在节点E和G上分别作用载荷F E=10kN, F G=7 kN.试计算杆1、2和3的内力.解:取圣体.求支庄为束力.工…小口口小0%+品一3%A取= 9kN / = SLN用盘面法,取疗架上边局部,s城■ g一月1 y〔峪3.“ 一/.」二9▽5=.&+鸟/疝16.“ 一鸟二0 E氏=0 F{\H 十巴83600 —.^ = l04kN(aj ^=l.l?kN 但弓।牛iilkNlji】2-1图示空间力系由6根桁架构成.在节点A上作用力F,此力在矩形ABDC平面内,且与铅直线成45o角.A EAK= A FBM.等腰三角形EAK , FBM和NDB在顶点A, B和D处均为直角,又EC=CK=FD=DM .假设F=10kN ,求各杆的内力.解节点受力分别如图所开:,对节点八,由工X —0, F1 sin45 - % sin45 = 0+ F sin45' = 0£Y " F3= 0, —F] C3s45 —F± COH45-F cos45 - 0解得Fi = F:= -5kN〔压〕, F3=一7.07 kN〔压〕再对节点B,由SX ~ 0, F$ stn45* - F< sin45, ; 0EV = 0. Fi sin45 - F3 = 0三2 士0, 一居a>s45 - F? crt?45" - F6 co^45' = 0 解得F4 = 5 kN〔拉〕,R=5卜^1〔拉〕,5& =- 10 kN〔压〕2-2杆系由钱链连接, 位于正方形的边和对角线上,如下列图.在节点D沿对角线LD方向作用力F D.在节点C沿CH边铅直向下作用力F.如钱链B, L和H是固定的,杆重不计, 求各杆的内力.求解TY = 0,SZ = 0,求二 0,F| 4M5* + Fj + F. sn45 = 0 厕 4,30 图解得 Fi = F D (1C),F $ =F J =二 Ji F 虱电然后研究节点c ,由SX = 0, - Fj - F*W cut45' - 0v3 £Y = ar -Fj - Fi — sin45 = 0心SZ = 0h - F, - F - F4言=0得 Fj = 7年户口,匕=-/5匹口. Fs M- (F + \2F D )2-3 重为R=980 N,半径为r =100mm 的滚子A 与重为P 2 = 490 N 的板B 由通过定滑轮 C 的柔绳相连.板与斜面的静滑动摩擦因数f s =0.1 o 滚子A 与板B 间的滚阻系数为8C 为光滑的.求各杆的内力. 先研究节点D,由- F)cts?45 + F 口 au45 - 0=0.5mm,斜面倾角a =30o,柔绳与斜面平行,柔绳与滑轮自重不计,钱链 拉动板B 且平行于斜面的力 F 的大小.〔l i 设闻拄口有向下漆动慧等.取国校DFsu 话出—凡-H-3=0EFf =❶ /一 Fcosfl = 0一% /Vine 7- co*?i 算豉圄杜.有向匕浪动越势.虢S ]社“ 三H 』二UJ£ 一%】R l J 'O U _EF F - 0 及-Fai%一.又Mn>« =的&- /J(siii 口 \ — u.凶 81J JI ,13.jp."系怩平衍叶F4五河n 日一)co* 6}工A4 尸I 五m n 8一 3 cow R'\-3/c - 0 1氏-A& =0 工尸j 二.尸M -FCQ博.二.只浪不滑3t.应点 门“用=¥斗型8那么上之£ y K 同理一圆柱.有向上填动趋势时得二二三 K 间柱匀速蛇淳时. f一 R2-4两个均质杆AB 和BC 分别重P i 和P 2 ,其端点A 和C 用球较固定在水平面, 另一端B 由 球镀链相连接,靠在光滑的铅直墙上,墙面与 AC 平行,如下列图.如 AB 与水平线的交角 为45o, / BAC=90.,求A 和C 的支座约束力以及墙上点B 所受的压力.解先研究AB 杆,受力如图(b),由। n 投阅柱.有向下滚动越舜O题4.27-SMjF)三0, 一几,QA = 0 得1 0 再取AB、CD两杆为一体来研究,受力如图(月海茉:由EM AC(F)= 0t(P[ + Pj) <WG45_F N* AB 热in45 —0XX = 0,九十 % = 0工My(F)= 0, Fc - AC - pj • AC = 0 LNZ 〞开工+如一2】一丹=0(F) —0, -(F AT+ FQ • OA - Fc y *- AC= 0工M塞2 K = 0, % + % + Fn = 0解得Fx = y(Pi + Pj)»Fer =.产值=2^P:t町=Pi +yp2>F o= 0,%=-2(P[ + 尸口3-1:如下列图平面机构中,曲柄OA=r,以匀角速度°转动.套筒A沿BC杆滑动.BC=DE ,且BD=CE=l.求图示位置时,杆BD的角速度和角加速度.解:].动点:滑块T 动系:贰广杆绝对运动:国周运动〔.点〕相对运动:直线运动〔£「二)j|iij V V V&加速度4_ 3/十&*)疝13伊_ J5诏r(/+r)耳cos30Q ST?收属/(/ + r)cz w= 1—1=----- 不 ------w BD 3 户3-2 图示钱链四边形机构中, O i A = O2B =100mm ,又QO2 = AB,杆O〔A以等角速度=2rad/s绕轴01转动.杆AB上有一套筒C,此套筒与杆CD相较接.机构的各部件都在同一铅直面内.求当①二60o时杆CD的速度和加速度.〔15分〕解取CD杆上的点C为动点,AB杆为动系,时动点作速度分析和加速度分析,如图S〕、〔b〕所示,图中式中口月=〔八一4 •田二0一2 ir〕/s5 - 0iA • J = 0*4 m/s2 解出杆CD的速度.加速度为G =-UA coep = 0. I mA&3 = since;= 0,3464 m/s2«1aAM1Al1V!4-1:如下列图凸轮机构中,凸轮以匀角速度3绕水平.轴转动,带动直杆AB沿铅直线上、下运动,且O, A, B共线.凸轮上与点A接触的点为A',图示瞬时凸轮轮缘线上' '点A的曲率半径为 A ,点A的法线与OA夹角为e , OA=l.求该瞬时AB的速度及加速度.〔15 分〕绝对运动: 相对运动: 奉连道处:2.速度大小 方向 1, 二、Ja 】iH=「WkmH I丫3,加速度 比=凡."'+ %r 门 大小9炉『『、;"2 方向 / /4-2:如下列图,在外啮合行星齿轮机构中,系杆以匀角速度 定,行星轮半径为r,在大轮上只滚不滑.设 A 和B 是行星轮缘 上的两点,点 A 在O 1O 的延长线上,而点 B 在垂直于o 1o 的半径上.求:点 A 和B 的加速度.解:2.选基点为〔〕亓*二后.*疗;口 +疗;. 大小0 *忒0 1时 方向“ J JJi7A ~ a ? +^C?I .轮I 作平面运动,瞬心为「沿"轴投勉乙8々4 * ■献i 1+ .1绕O i 转动.大齿轮固S 二「" 直线运动 曲线运动 定购林动 功系:凸轮. C 凸轮外边瘴〕〔.轴〕大小,方向?% ="g =仃口+ "什=fuclaii——=闺.㈢11 -4-3: 动.摇杆OC铅直,〔科氏加速度〕如下列图平面机构, AB长为1,滑块A可沿摇杆OC的长槽滑OC以匀角速度3绕轴O转动,滑块B以匀速v 1沿水平导轨滑动.图示瞬时AB与水平线OB夹角为300.求:此瞬时AB杆的角速度及角加速度.〔20分〕* *沿】:方向投彩大小方句V4B COS30J LD F福:速度分析1-杆.〞作平面运动,族点为瓦V A = V S - y AP2.动点:滑块.心动系:〞抨沿£方向强彩以一=1■沿吃方向表恁% ; gin 30" -4?os 对15-1如下列图均质圆盘,质量为m 、半径为R,沿地面纯滚动,角加速为3.求圆盘对图中A,C 和P 三点的动量矩. 平行轴定理:4二=一十/嫉 一或点P 为睡心 3hL ? = ^^R-\ L e =mP 2it 〕\ 1相?\"= -15-2 〔动量矩定理〕:如下列图均质圆环半径为 r,质量为m,其上焊接刚杆 OA,杆加生度介册 0f Ai = = 3VJtv 2AB点「为眉心上匚二J屯+ 1师;-G长为r,质量也为m.用手扶住圆环使其在OA水平位置静止.设圆环与地面间为纯滚动.独汰庵一方「.斗管力加玛所示建丸平为走动微分方程2f -月—+Y2由朱加R先K熹法瑞拽彩到水平强错乱两个才向20 r3"悟105-3 11-23 〔动量矩定理〕均质圆柱体的质量为m,半径为r,放在倾角为60o的斜面上, 一细绳绕在圆柱体上,其一端固定在A点,此绳和A点相连局部与斜面平行,如下列图.如圆柱体与斜面间的东摩擦因数为f=1/3,求圆柱体的加速度.〔15〕(15)解:解IW柱受力与运动分析如图.平而运动徽分方程为nta〔;= mg sin60* 一尸一Fj,.=F\ —fiig CQt^ff』社- 〔F=—广〕『式中F = /Fv» ac - fQ解得口c=O.355q5-4 11-28 〔动量矩定理〕均质圆柱体A和B的质量均为m,半径均为r, 一细绳缠在绕固定轴.转动的圆柱A上,绳的另一端绕在圆柱B上,直线绳段铅垂,如下列图.不计摩擦.求:〔1〕圆柱体B下落时质心的加速度;〔2〕假设在圆柱体A上作用一逆时针转向力偶矩M,试问在什么条彳^下圆柱体B的质心加速度将向上.〔15分〕解:解“〕两轮的受力与运动分析分别如用w.1 2 ET™r=近]对E轮,有以轮与直樊和切点为基点,明轮心B的加速度〃工,M t s4解得5g〔2〕再分别对两卷作受力与运动分析如图〔b〕对内轮,有fflaa =ntg -Ppj~2 tfrr~afj —rFj2依然存运动学关系dj}二皿用+的日J但Q.i中也B〕令< 0,可解得31柱体B的质心加速度向上的条件:M〉217UJT6-1:轮O的半径为R1 ,质量为ml,质量分布在轮缘上;均质轮C的半径为R2 , 质量为m2 ,与斜面纯滚动,初始静止.斜面倾角为.,轮.受到常力偶M驱动. 求: 轮心C走过路程s时的速度和加速度.〔15分〕韩:轮C1月轮0扶同作为一个质点系九一a『w 一阁7j = o石—,血人"吊斗!岫甘&岫对网」言必二% =9 1V :3/聚TH得J弘口日=-^―〔+3JJL〕旭〕中二二¥ =:羡居迎日一式G〕是函数关系式.两端计『求导,得-〔Jffij + 访看网收=M -Kin H - 鸟2 例U 尸―- :〔加1+.%啊〕局6-2均质杆 OB=AB=l,质量均为 m,在铅垂面内运动,AB 杆上作用一不变的力偶矩M,系统初始静止,不计摩擦.求当端点 A 运动到与端点 .重合时的速度. 〔15分〕解:由于A 京不离并地面,那么,EAO= /BOA.牝=可=H嫌同:是否可以利用求寻求此蜓时的商和速段? 〔H 与行没 有必然联系,角度不是时间的函数.〕6-3:重物m,以v 匀速下降,钢索刚度系数为 k .求轮D 突然卡住时,钢索的最大张 力.〔15分〕1J 上口『9-"将『〔1-E 穹 2/ V itt由「二心〞;有6-4均质杆 AB 的质量m=4kg,长l=600mm,均匀圆盘B 的质量为6kg,半径为r=600mm, 作纯滚动.弹簧刚度为 k=2N/mm,不计套筒A 及弹簧的质量.连杆在与水平面成 30o 角时无 初速释放.求〔1〕当AB 杆达水平位置而接触弹簧时,圆盘与连杆的角速度;〔2〕弹簧的最大压缩量 max o 〔 15分〕彝:卡住前E 二些 s* kF - kS SJ - mg - 2.45kN卡隹后取点物平街位苜1为更力加弹性力的 搴势T ; 一"解U〕该系统初始静tL.动能为杆达水平位置时.B 点是33杆的速度瞬心,网盅的角速度3H = 0,设杆的角速度为那么业,山幼能近理,得\ * ;配%品-0 = mg * ~ 5in341,解得连杆的角速度号〞:4;殳巴丝⑵AB杆达水平位置接触赢亚,统的动能为“,弹簧达到最大压缩量bz.的瞬时,系魂再次鄢止.动能丁;:= 0.由72 - 7】二五得0 _ [■闻]品=-J 6ra«二+ mJ片0 W *■解得1AM= 87.1 mm。
理论力学期末考试试卷(含答案)(word版可编辑修改)编辑整理:尊敬的读者朋友们:这里是精品文档编辑中心,本文档内容是由我和我的同事精心编辑整理后发布的,发布之前我们对文中内容进行仔细校对,但是难免会有疏漏的地方,但是任然希望(理论力学期末考试试卷(含答案)(word版可编辑修改))的内容能够给您的工作和学习带来便利。
同时也真诚的希望收到您的建议和反馈,这将是我们进步的源泉,前进的动力。
本文可编辑可修改,如果觉得对您有帮助请收藏以便随时查阅,最后祝您生活愉快业绩进步,以下为理论力学期末考试试卷(含答案)(word版可编辑修改)的全部内容。
同济大学课程考核试卷(A 卷) 2006— 2007学年第一学期命题教师签名: 审核教师签名:课号: 课名:工程力学 考试考查:此卷选为:期中考试( )、期终考试( )、重考( )试卷年级 专业 学号 姓名 得分题号 一 二 三 四 五 六 总分 题分 301015151515100得分一、 填空题(每题5分,共30分)1刚体绕O Z 轴转动,在垂直于转动轴的某平面上有A ,B 两点,已知O Z A =2O Z B ,某瞬时a A =10m/s 2,方向如图所示。
则此时B 点加速度的大小为__5m/s 2 ;(方向要在图上表示出来)。
与O z B 成60度角。
2刻有直槽OB 的正方形板OABC 在图示平面内绕O 轴转动,点M 以r =OM =50t 2(r 以mm 计)的规律在槽内运动,若t 2=ω(以rad/s 计),则当t =1s 时,点M 的相对加速度的大小为_0.1m/s 2_;牵连加速度的大小为__1.6248m/s 2__。
科氏加速度为_22.0m/s 2_,方向应在图中画出。
方向垂直OB ,指向左上方。
3质量分别为m 1=m ,m 2=2m 的两个小球M 1,M 2用长为L 而重量不计的刚杆相连。
现将M 1置于光滑水平面上,且M 1M 2与水平面成︒60角。
可编辑修改精选全文完整版理论力学题库简答题1-1.简述伽利略相对性原理和牛顿运动定律成立的参考系。
答:(1)内容:不能借助任何力学实验来判断参考系是静止的还是在匀速直线运动;(2)相对与惯性系作匀速直线运动的参考系都是惯性参考系;(3)牛顿运动定理只能在惯性系成立。
1-2. 简述有心力的性质. 并证明质点在有心力作用下只能在一个平面内运动.证明:只要证明角动量是一个常矢量即可.性质:(1)力的作用线始终通过一定点;(角动量是一个常矢量或质点始终在垂直于角动量的平面内运动)(2) 角动量守恒,或掠面速度守恒;(3) 有心力是保守力, 或机械能守恒.1-3.什么情况下质心与几何中心、重心重合?质心系有何特性?(1) 密度均匀物体质心与几何中心重合;(2) 重力加速度为常量时物体质心与重心重合;质心系的特性:(1) 质心系中各质点相对于质心的总动量为零;(2) 质心系的惯性力矩为零;(3) 质心系的惯性力做功为零。
1-4.太阳和地球组成的两体系统中,分别以地球、太阳、质心为参照系,简述地球、太阳的运动情况。
答: (1)质心参照系中地球、太阳的运动:地球,太阳相对于质心作椭圆运动。
(2)地球参照系中太阳运动:太阳相对于地球作椭圆运动。
(3)太阳参照系中地球的运动:地球相对于太阳作椭圆运动。
2-1.分别说明质点组动量守恒定律、动量矩守恒定律、机械能守恒定律成立的条件。
2-2.说明 质点组 对某定点,如原点O ,的动量矩守恒定律成立的条件(要求写出分量式)。
质点组对原点O 的动量矩守恒定律成立的条件为:0)(1=⨯=∑=e i n i i F r M ,分量守恒。
即: 对x 轴:0)()(1=-∑=e iy i e iz n i i F z F y ;对y 轴:0)()(1=-∑=e iz i e ixn i i F x F z ; 对z 轴:0)()(1=-∑=e ixi e iy n i i F y F x 。
理论力学期末考试和答案一、选择题(每题2分,共20分)1. 质点系的动量守恒定律成立的条件是()。
A. 质点系所受合外力为零B. 质点系所受合外力不为零C. 质点系所受合外力为任意值D. 质点系所受合外力不为零,但合外力矩为零答案:A2. 质心的位置坐标可以通过()计算得到。
A. 质点系中所有质点的位置坐标B. 质点系中所有质点的质量C. 质点系中所有质点的位置坐标和质量D. 质点系中所有质点的动量答案:C3. 刚体绕定轴转动的转动惯量I与刚体的质量M和形状有关,与()无关。
A. 刚体的质量分布B. 刚体的形状C. 刚体绕定轴的转动半径D. 刚体绕定轴的转动速度答案:D4. 刚体平面运动中,角速度与线速度的关系是()。
A. 线速度与角速度成正比B. 线速度与角速度成反比C. 线速度与角速度无关D. 线速度与角速度成正比,且与转动半径成正比答案:D5. 刚体绕定轴转动的动能公式为()。
A. E_k = 1/2 * I * ω^2B. E_k = 1/2 * M * v^2C. E_k = 1/2 * M * ω^2D. E_k = 1/2 * I * v^2答案:A6. 两个质点m1和m2组成的系统,它们之间的万有引力为F,当它们相距为r时,系统的引力势能为()。
A. U = -G * m1 * m2 / rB. U = G * m1 * m2 / rC. U = -G * m1 * m2 * rD. U = G * m1 * m2 * r答案:A7. 质点系的动能守恒定律成立的条件是()。
A. 质点系所受合外力为零B. 质点系所受合外力不为零C. 质点系所受合外力为任意值D. 质点系所受合外力不为零,但合外力矩为零答案:A8. 刚体绕定轴转动的角动量守恒定律成立的条件是()。
A. 刚体所受合外力矩为零B. 刚体所受合外力不为零C. 刚体所受合外力为任意值D. 刚体所受合外力矩不为零答案:A9. 刚体的平行轴定理表明,刚体绕任意轴的转动惯量I与绕通过质心的平行轴的转动惯量I_c之间的关系是()。
大学理论力学期末考试题库及答案一、选择题(每题2分,共20分)1. 质点系的质心位置取决于()。
A. 质点系的总质量B. 质点系中各质点的质量C. 质点系中各质点的位置D. 质点系中各质点的速度答案:C2. 刚体的转动惯量与()有关。
A. 质量B. 质量分布C. 质量分布和形状D. 形状3. 两个质点组成的系统,若两质点间的作用力大小相等,方向相反,则这两个力()。
A. 是一对平衡力B. 是一对作用力和反作用力C. 是一对内力D. 不能确定答案:B4. 质点沿直线做匀加速运动,加速度为a,初速度为v0,则经过时间t后的速度v为()。
A. v = v0 + atB. v = v0 - atC. v = v0 + 1/2atD. v = v0 - 1/2at5. 两个质点组成的系统,若两质点间的作用力大小相等,方向相反,则这两个力()。
A. 是一对平衡力B. 是一对作用力和反作用力C. 是一对内力D. 不能确定答案:B6. 刚体绕固定轴转动时,其转动惯量与()有关。
A. 质量B. 质量分布C. 质量分布和形状D. 形状答案:C7. 质点沿直线做匀加速运动,加速度为a,初速度为v0,则经过时间t后的位移s为()。
A. s = v0t + 1/2at^2B. s = v0t - 1/2at^2C. s = v0t + at^2D. s = v0t - at^2答案:A8. 刚体绕固定轴转动时,其角加速度与()有关。
A. 质量B. 质量分布C. 质量分布和形状D. 形状答案:B9. 质点沿直线做匀加速运动,加速度为a,初速度为v0,则经过时间t后的位移s为()。
A. s = v0t + 1/2at^2B. s = v0t - 1/2at^2C. s = v0t + at^2D. s = v0t - at^2答案:A10. 两个质点组成的系统,若两质点间的作用力大小相等,方向相反,则这两个力()。
A. 是一对平衡力B. 是一对作用力和反作用力C. 是一对内力D. 不能确定答案:B二、填空题(每题2分,共20分)1. 质点系的质心位置取决于质点系中各质点的________和________。
……………………………………总………………………………………蓝………………………………………………`议t ……………………………………(器如`关芒器,蓝衔)恁茫一二邸;E 峚诚信应考,考试作弊将带来严重后果!本科生期末测试1《理论力学I 》2020-2021(1)注意事项: 1. 开考前请将密封线内各项信息填写清楚;2. 所有答案请直接答在试卷上;3 考试形式:(闭)卷;4. 本试卷共(六)大题,满分100分,考试时间120分钟。
这斯题号四五六总分得分、题号答案判断题(正确打”守,错误打"x"'将答案填在下表中,每小题1分,共10分)I : I : I \I : I : I : I : I : I : I 10✓....l 2345.6.□宜驴.. 789.力在两个坐标轴上的投影与力沿这两个坐标轴方向进行分解得到的分力的意义是相同的。
力偶无合力的意思是说力偶的合力为零。
质点系惯性力系的主矢与简化中心的选择有关,而惯性力系的主矩与简化中心的选择无关。
平面力系向某点简化之主矢为零,主矩不为零。
则此力系可合成为一个合力偶,且此力系向任一点简化之主矩与简化中心的位置无关。
某瞬时刚体上各点的速度矢量都相等而各点的加速度矢量不相等,因此该刚体不是作平动。
两齿轮咄合传动时,传动比等千主动轮与从动轮的转速比,若主动轮转速增大,则传动比也随之增大。
若刚体内各点均作圆周运动,则此刚体的运动必是定轴转动。
不管质点做什么样的运动,也不管质点系内各质点的速度为何,只要知道质点系的质量,质点系质心的速度,即可求得质点系的动晕。
质点系的内力不能改变质点系的动量与动量矩。
10. 刚体受到一群力作用,不论各力作用点如何,此刚体质心的加速度都一样。
芯#1二单项选择题(8小题,每题2分,共16分,将答案填在下表中。
)I:: I�I : I: I : I /I86 I87 I :I勹1.二力平衡条件的使用范围是()A刚体B刚体系统C变形体 D.任何物体或物体系统2.不经计算,可直接判定出图示析架中零力杆的根数为()A. 3B. 5 FC 6 D.93.某一瞬时,作平面运动的平面图形内任意两点的加速度在此两点连线上投影相等,则可以断定该瞬时平面图形的()A.角速度m=OB.角加速度a=0C.OJ a同时为0D m a均不为04.图示平行四连杆机构O,AB02AB C为-刚性三角形板,则C点的切向加速度为:()A.a, =A01·a CB.a,=AC a .ch Ct)C.a,=C01·a1矿111111° D.a r =B C-aB 。
《理论力学》——期末考试答案一、单选题1.力对点之矩决定于( )。
A.力的大小B.力臂的长短C.力的大小和力臂的长短D.无法确定正确答案:C2.动点相对于动坐标系的运动称为( )的运动。
A.牵连运动B.相对运动C.绝对运动D.圆周运动正确答案:B3.动点的牵连速度是指该瞬时牵连点的速度,它相对的坐标系是( )。
A.动坐标系B.不必确定的C.静坐标系D.静系或动系都可以正确答案:C4.在质点系动能定理中,应注意外力或内力做的功之和不等于合外力或( )做的功。
A.重力B.浮力C.合内力D.牵引力正确答案:C5.将平面力系向平面内任意两点进行简化,所得主矢量和主矩都相等,且主矩不为零,则该力系简化的最后结果为( )。
A.合力偶B.合力C.平衡力系D.无法进一步合成正确答案:A6.超静定结构的超静定次数等于结构中( )。
A.约束的数目B.多余约束的数目C.结点数D.杆件数正确答案:B7.静不定系统中,多余约束力达到3个,则该系统静不定次数为( )A.3次B.6次C.1次D.不能确定正确答案:A8.关于平面力偶系、平面汇交力系、平面一般力系,最多能够得到的相互独立的平衡方程的个数依次是( )。
A.2、1、3B.2、2、3C.1、2、2D.1、2、3正确答案:D9.平面任意力系向一点简化,应用的是( )。
A.力的平移定理B.力的平衡方程C.杠杆原理D.投影原理正确答案:A10.对于平面力系,一个平衡方程可解( )未知量。
A.1个B.2个C.3个D.不一定正确答案:A11.一平面力系由两组平面平行力系组成(这两组平面平行力系之间互不平行),若力系向某A点简化结果为一合力,下述说法正确的是( )。
A.这两组平面平行力系必然都各自向A点简化为一合力B.这两组平面平行力系可能都各自简化为一力偶C.可能一组平面平行力系向A点简化得到一个力和一个力偶,而另一组平面平行力系向A点简化得到一合力D.可能这两组平面平行力系都各自向A点简化得到一个力和一个力偶正确答案:D12.在任何情况下,在几何可变体系上增加一个二元体后构成的体系是几何( )体系。
大学理论力学期末考试题库及答案一、单项选择题(每题2分,共20分)1. 牛顿第一定律描述的是:A. 物体在没有外力作用下的运动状态B. 物体在受到平衡力作用下的运动状态C. 物体在受到非平衡力作用下的运动状态D. 物体在受到任何力作用下的运动状态答案:A2. 动量守恒定律适用于:A. 只有当系统所受合外力为零时B. 只有当系统所受合外力不为零时C. 任何情况下D. 只有当系统所受合外力为零时,以及系统内部力远大于外部力时答案:A3. 角动量守恒的条件是:A. 系统不受外力矩作用B. 系统受外力矩作用C. 系统受外力矩作用,但外力矩为零D. 系统不受外力作用答案:A4. 刚体定轴转动的转动惯量I与物体的质量m和半径r的关系是:A. I = kr^2B. I = krC. I = 2mrD. I = mr^2答案:A5. 简谐运动的周期与振幅无关,与:A. 质量有关B. 弹簧劲度系数有关C. 质量与弹簧劲度系数都有关D. 质量与弹簧劲度系数都无关答案:B6. 两质点组成的系统,若质点间距离不变,则系统的质心:A. 位置不变B. 速度不变C. 加速度不变D. 位置、速度、加速度均不变答案:A7. 某物体沿直线运动,其位移随时间的变化关系为s = 3t^2 + 4t + 5,该物体在t = 2s时的速度为:A. 10 m/sB. 14 m/sC. 16 m/sD. 20 m/s答案:C8. 一物体做匀加速直线运动,初速度为2 m/s,加速度为3 m/s^2,则物体在第3秒内的位移为:A. 9 mB. 12 mC. 15 mD. 18 m答案:B9. 两物体A和B,质量分别为m和2m,它们通过一轻质弹簧相连,置于光滑水平面上。
若对A施加一水平向右的力F,系统从静止开始运动,则A和B的加速度之比为:A. 1:2B. 1:1C. 2:1D. 3:1答案:A10. 一物体从静止开始自由下落,下落时间为t,则物体下落过程中的平均速度为:A. gt/2B. gtC. 2gtD. 3gt/2答案:A二、填空题(每题2分,共20分)11. 牛顿第二定律的数学表达式为:________。
α 昆 明 理 工 大 学 理 论 力 学 测 验 试 卷 理论力学B(1) 日期: 年 月 日
专业: 学号: 姓名:
一、 是非题 (每题2分。
正确用√,错误用×,填入括号内。
)
1、在平面任意力系中,若其力多边形自行闭合,则力系平衡。
( × )
2、若将某力沿两不相互垂直的轴分解,则其分力的大小一定不等于该力在这两个轴上的投影的大小。
( ∨ )
3、不平衡的任意力偶系总可以合成为一个合力偶,合力偶矩等于各分力偶矩的代数和。
( × )
4、若平面力系对一点的主矩为零,则此力系不可能合成为一个力偶。
( ∨ )
5、若点的法向加速为零,则该点轨迹的曲率必为零。
( × )
6、定轴转动刚体上点的速度可以用矢积表示为r v
,其中 是刚体的角速
度矢量,r
是从定轴上任一点引出的矢径。
( ∨ )
二、 选择题 (每题3分。
请将答案的序号填入划线内。
)
1、平面任意力系向作用平面内任意一点简化,其主矢与简化中心 ② ,主矩与简化中心 ① 。
①有关 ; ② 无关。
2、若斜面倾角为α,物体与斜面间的摩擦系数为f ,欲使物体能静止在斜面上,则必须满足的条件是 ③ 。
① tg f ≤α; ② tg f > α ; ③ tg α≤ f. ; ④ tg α> f 。
3、作用在一个刚体上的两个力F A 、F B ,满足F A =-F B 的条件,则该二力可能是 ② 。
① 作用力和反作用力或一对平衡的力 ; ② 一对平衡的力或一个力偶; ③ 一对平衡的力或一个力和一个力偶 ; ④ 作用力和反作用力或一个力偶。
4、汇交于O 点的平面汇交力系,其平衡方程式可表示为二力矩形式。
即
0)(i A
F m
, 0)(i B F m ,但必须 ② 。
① A 、B 两点中有一点与O 点重合 ; ② 点O 不在A 、B 两点的连线上; ③点O 应在A 、B 两点的连线上。
5、半径为r 的车轮沿固定弧面作纯滚动,若某瞬时轮子的角速度为ω,角加速度为α,则轮心O 的切向加速度和法向加速度的大小分别 为 ④ 。
① a o n =rω2,a o τ=rα;
② a o n =(R+r) ω2,a o τ=(R+r)α;
③ a o n =v o 2 / (R+r)=r 2 ω2 / (R+r),a o τ=(R+r)α; ④ a o n =v o 2 / (R+r)=r 2 ω2 / (R+r),a o τ=rα。
6、圆轮绕固定轴O 转动,情况是不可能的?答 ② 。
① (a )、(b)的运动是不可能的; ② (a ) 、(c) 的运动是不可能的; ③ (b)、(c) 的运动是不可能的; ④ 均不可能。
三、填空题 (每题4分。
请将简要答案填入划线内。
)
1、自重不计的二杆AB 、CD 在C 处光滑接触。
若作用在AB 杆上的力偶的矩为m 1,为使系统平衡,则作用在CD 上的力偶的矩m 2为 m 1cos2α 。
2、图示简支桁架,已知F 、P 和长度a 。
则杆1内力的大小为 0 ;杆2内力的大小为 -F ;杆3内力的大小为 0 。
a a a a
a
(a) (b) (c)
A B
3、正方体边长为a ,顶角A 处作用力F ,则力F M x (F ),M y (F )=
0 ,M z (F
4、点在运动过程中,在下列条件下,是什么 ① a τ≡0,a n
≡0;(答): 匀速直线运动 ;
② a τ≠0,a n
≡0;(答): 变速直线运动 ;
③ a τ≡0,a n
≠0;(答): 匀速曲线运动 ;
④ a τ≠0,a n
≠0;(答): 变速曲线运动 。
四、计算题(本题12分)
正方形物块ABCD ,边长l =2m ,受平面力系作用,如图所示。
已知q =50N/m ,F =4002N ,M =150N.m 。
试求力系最后合成的结果,并在图上标出。
五、计算题(本题12分)
均质箱盖ABCD 重3000N ,A 、B 均为铰
链支承。
已知:AD =AE =DE ,AB =3AE 。
试求撑杆DE 所受的力和B 处的约束反力。
解:向正方形物块的形心o 简化,得:
N
F X F Rx 40045cos '0主矢: N ql F Y F Ry 30010040045sin '0
N F F F Ry Rx R 500300400'''222 )()(5
4
''),'cos(
R Rx R F F i F 0
87.36),'( i F R
)
(150)(:主00Nm M F M M i
矩力系最后合成的结果是一合力: N F F R R 500' m F M d R 3.0500
150
如图。
0x M 60cos 30cos 00 AD W AD F DE N W F DE 173********
cos 60cos 00 ∴撑杆DE 所受压力:1732N
六、计算题(本题12分)
已知:轮重为W ,受F 力作用,轮与地面间滑动摩擦系数为f ,滚动摩擦系数为δ,F 力与水平成θ角。
试求一般平衡时的滑动摩擦力及滚阻。
七、计算题(本题18分)
图示结构中各杆、滑轮、绳的重量均不计,重物G 重F=1000N ,力偶的矩M=500N. m ,q=100N/m ,L=2m ,r =0.5 m 。
求平衡时支座A 、B 的反力。
AB Y B 解:取轮为研究对象;取投影轴如图: 0X 0cos S F F sin cos
r W F N
0A M 0cos F r M f )(cos a F F S 0Y 0sin N F W F )(sin b F W F N )(cos c rF M f ∵轮会首先达到最大滚动摩阻力偶矩,则由: max M M f sin cos F W F rF N 式得:
sin cos cos
r W F S
sin cos cos
r r W M f 解:取整体为研究对象;
X 0
B
M
)2(22 F r L qL M L X A L
F r L qL L M X A )2(2 0
A B X X )
(2100 N X X A B 取折杆BC 为研究对象;
)
(2100 N 0C
M 022
rF qL L X L Y B B )
(19502 N L rF qL X Y B B 由整体的平衡方程:
Y 0
F qL Y Y A B )
(750 N F qL Y Y B A。