玻璃杯参数
- 格式:docx
- 大小:13.24 KB
- 文档页数:1
玻璃杯的分类一、按材质分类1. 普通玻璃杯:普通玻璃杯是最常见的一种,由普通玻璃制成,透明度高,质地脆弱。
2. 钢化玻璃杯:钢化玻璃杯采用特殊工艺加工而成,具有较好的耐热性和耐冷性,不易破裂,安全性高。
3. 水晶玻璃杯:水晶玻璃杯制作工艺复杂,材质精良,透明度高,质地坚硬,具有较好的光学性能和装饰性。
二、按形状分类1. 圆杯:圆杯是最常见的形状,通常用于盛放饮料和水。
2. 方杯:方杯的外形呈方形,边缘光滑,适用于盛放咖啡、茶和果汁等饮品。
3. 高脚杯:高脚杯具有高脚和小口径的特点,适用于盛放红酒和香槟等酒类。
4. 酒杯:酒杯是专门用于盛放酒类的杯子,种类繁多,包括红酒杯、白酒杯、啤酒杯等。
三、按功能分类1. 带盖杯:带盖杯通常用于盛放咖啡和茶等热饮,盖子可以保持饮品的温度,并防止溅出。
2. 双层杯:双层杯由两层玻璃组成,中间隔有一层空气,具有保温效果,适用于盛放热饮。
3. 隔热杯:隔热杯采用特殊材质制成,可以有效隔热,避免烫手,适用于盛放热饮。
四、按装饰分类1. 印花玻璃杯:印花玻璃杯在杯身上印有花纹、图案或文字,增加了装饰性和观赏性。
2. 彩色玻璃杯:彩色玻璃杯采用彩色玻璃制成,色彩鲜艳,适合用于装饰和礼品。
3. 雕花玻璃杯:雕花玻璃杯采用精细的雕刻工艺制成,图案精美,具有较高的观赏性。
五、按用途分类1. 日常用杯:日常用杯是最常见的一种,适用于盛放水、饮料、咖啡等日常饮品。
2. 办公用杯:办公用杯通常具有保温效果,适合在办公室使用,方便随时喝水。
3. 客厅用杯:客厅用杯通常具有较好的装饰性,适用于在客厅茶几上放置,供客人使用。
六、按容量分类1. 小杯:容量小于100ml的杯子,适合盛放浓缩咖啡、酒精饮品等。
2. 中杯:容量在100ml到300ml之间的杯子,适合盛放茶、果汁等。
3. 大杯:容量大于300ml的杯子,适合盛放水、饮料等。
七、按品牌分类1. 国际品牌:如星巴克、雀巢等,具有较高的知名度和市场份额。
塑料容器都有一个小小身份证——一个三角形的符号,一般就在塑料容器的底部。
三角形里边有1~7 数字,每个编号代表一种塑料容器,它们的制作材料不同,使用上禁忌上也存在不同。
塑料名称------- 代码与对应的缩写代号如下所示:聚酯——— 01—PET (宝特瓶)高密度聚乙烯—— 02—HDPE聚氯乙烯———— 03—PVC低密度聚乙烯—— 04—LDPE聚丙烯————— 05—PP (能耐 100度以上的温度)聚苯乙烯———— 06—PS (耐热60-70 度,装热饮料会产生毒素,燃烧时会释放苯乙烯)其他塑料代码—— 07—Others 其中的 PP、PE、PVC是英文名称的缩写。
中文名称分别是聚丙烯、聚乙烯、聚氯乙烯,英文全称分别是:polypropylene、polyethylene、polyvinyl chloride“1 号”PET:矿泉水瓶、碳酸饮料瓶饮料瓶别循环使用装热水使用:耐热至70℃,只适合装暖饮或冻饮,装高温液体、或加热则易变形,有对人体有害的物质融出。
并且,科学家发现,1 号塑料品用了 10 个月后,可能释放出致癌物 DEHP,对睾丸具有毒性。
因此,饮料瓶等用完了就丢掉,不要再用来做为水杯,或者用来做储物容器乘装其他物品,以免引发健康问题得不偿失。
“2 号”HDPE:清洁用品、沐浴产品清洁不彻底建议不要循环使用使用:可在小心清洁后重复使用,但这些容器通常不好清洗,残留原有的清洁用品,变成细菌的温床,你最好不要循环使用。
“3 号”PVC:目前很少用于食品包装最好不要购买使用:这种材质高温时容易有有害物质产生,甚至连制造的过程中它都会释放,有毒物随食物进入人体后,可能引起乳癌、新生儿先天缺陷等疾病。
目前,这种材料的容器已经比较少用于包装食品。
如果在使用,千万不要让它受热。
“4 号”LDPE:保鲜膜、塑料膜等保鲜膜别包着在食物表面进微波炉使用:耐热性不强,通常,合格的 PE 保鲜膜在遇温度超过110℃时会出现热熔现象,会留下一些人体无法分解的塑料制剂。
玻璃杯标准
摘要:
1.玻璃杯的定义和用途
2.玻璃杯的标准分类
3.玻璃杯的主要性能指标
4.我国玻璃杯标准的现状与发展
正文:
玻璃杯是一种常见的玻璃制品,广泛应用于生活、餐饮、科研等领域。
玻璃杯具有透明、耐热、易清洗等特点,是人们日常生活中的常用器具。
玻璃杯的标准主要分为以下几类:按用途分类,如食品用、药品用等;按形状分类,如圆柱形、球形、异形等;按容量分类,如50ml、100ml、250ml 等;按厚度分类,如2mm、3mm、5mm 等。
玻璃杯的主要性能指标包括:耐热性能、耐酸碱性能、透明度、机械强度、容量准确度等。
这些性能指标直接影响着玻璃杯的使用寿命和适用范围。
我国玻璃杯标准的现状已取得显著成果,但仍有一定的发展空间。
我国已经制定了一系列玻璃杯的国家标准和行业标准,对产品质量、生产工艺等方面进行了详细规定,为行业的健康发展提供了有力保障。
然而,随着科技的发展和人们生活需求的变化,部分标准需要不断修订和完善,以适应新的市场需求。
总之,玻璃杯作为生活中不可或缺的器具,其标准的制定和执行具有重要意义。
杯子的类别名称
杯子的类别名称
一、塑料杯
1、泡沫杯:指利用泡沫制成的,无热熔胶的杯子,通常为一次性使用的,具有轻质、抗压性能好、环保等特点。
2、硬聚氯乙烯杯:指利用硬聚氯乙烯制成的杯子,具有体积小、重量轻、容积小、抗压性能好,通常用于西餐、雪糕、热饮料等。
3、抗油塑料杯:指利用抗油聚丙烯酸酯(PP)制成的杯子,具有耐高温、耐油、耐压等性能,通常用于酸奶、咖啡、热油炸食物等。
二、玻璃杯
1、加厚玻璃杯:指厚玻璃制成的杯子,具有外观美观、把热耐受较好等特点,通常用于水杯、酒杯、茶杯等。
2、晶莹玻璃杯:指玻璃质量较好的杯子,外观晶莹剔透,且有一定厚度,比较适合用于水杯、茶杯等。
3、节能玻璃杯:指采用节能玻璃制成,具有高温热能保持较好特性,通常用于酒杯、热饮杯等。
三、陶瓷杯
1、磁性陶瓷杯:指采用陶瓷制成的杯子,具有抗酸碱、耐摩擦、耐高温等特点,通常用于酒杯、茶杯、水杯、咖啡杯等。
2、珐琅陶瓷杯:指采用珐琅陶瓷制成的杯子,具有耐高温、耐磨损、耐腐蚀等特点,通常用于茶杯、咖啡杯、水杯等。
3、装饰陶瓷杯:指采用装饰陶瓷制成的杯子,具有质感好、附
有图案等特点,通常用于水杯、茶杯、酒杯等。
热转印温度与时间参数设置以下仅供参考,请根据实际情况上下调整。
使用普通彩色喷墨转印纸进行转印温度可偏高,用热升华转印纸时则偏低。
烫印图案不良问题提示色彩偏淡:温度太低或压力不均或时间过短。
图案模糊:时间过长导致油墨扩散。
图案表面无光泽:压力过大或温度过高。
图案有疤痕:烫印时间过长。
图案色彩深浅不一:压力不均或物件转印涂层不均。
粘纸:温度太高或时间过长获物件转印涂层不良。
图案容易掉色:转印的温度太低或时间太短。
产品名称温度(摄氏度)时间(秒,指到达设定温度后继续烫印的时间)陶瓷马克杯170-180 60-90(烤杯机,慢烤)玻璃杯160-170 60-90(烤杯机,慢烤)金属运动水壶160-170 60-90(烤杯机,慢烤)变色杯160-170 60-90(烤杯机,慢烤)瓷盘160-180 60-90(烤盘机,慢烤)瓷片180 80-90(烫画机,速烤)金属产品170-180 80-90(烫画机,速烤,包括金属名片、珠光板等)鼠标垫180 60(烫画机,速烤)拼图180 60(烫画机,速烤)抱枕180 60(烫画机,速烤)T恤(1)使用普通热升华转印纸(只适用于白色涤纶、化纤类面料),180摄氏度60秒(烫画机,速烤);(2)使用T恤转印纸,具体请根据烫画纸说明书进行操作,例如:L V浅色T恤转印纸,185摄氏度25秒,热撕;L V深色T恤转印纸,165摄氏度25秒,冷撕。
使用热转印多功能数码转印机的参数产品名称温度(华氏度)时间(秒,指到达设定温度后继续烫印的时间)陶瓷马克杯起始温度230,最高温度330 40(烤杯机,慢烤)玻璃杯起始温度230,最高温度310-320 40(烤杯机,慢烤)金属运动水壶起始温度230,最高温度310-320 40(烤杯机,慢烤)变色杯起始温度230,最高温度310-320 40(烤杯机,慢烤)瓷盘起始温度230,最高温度300-320 40(烤盘机,慢烤)瓷片起始温度230,最高温度330 40(烫画机,慢烤)金属产品起始温度230,最高温度300 40(烫画机,慢烤,包括金属名片、珠光板、金属挂件等)鼠标垫起始温度356,最高温度356 60(烫画机,速烤)拼图起始温度356,最高温度356 60(烫画机,速烤)抱枕起始温度356,最高温度356 60(烫画机,速烤)T恤(1)使用普通热升华转印纸(只适用于白色涤纶、化纤类面料),起始温度356华氏度,最高温度356华氏度,60秒(烫画机,速烤);(2)使用T恤转印纸,具体请根据烫画纸说明书进行操作,例如:L V浅色T恤转印纸,起始温度365华氏度,最高温度365华氏度,25秒,热撕;L V深色T恤转印纸,起始温度330华氏度,最高温度330华氏度,25秒,冷撕。
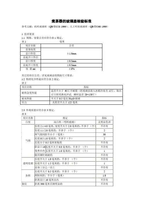
煮茶器的玻璃壶检验标准参考文献:机吹玻璃杯(QB/T3558-1999)、人工吹制玻璃杯(QB/T3560-1999)1 技术要求1.1规格、容量公差应符合表1规定。
表1 毫米其它的形位公差,详见玻璃壶的图面尺寸要求。
1.2 物理化学性能应符合表2规定。
表22.3 外观质量应符合表3规定。
表33 检测方法按《玻璃壶测试方法》的规定进行。
4 验收规则4.1 在同一时间内交付的同一品种产品为一批。
4.2 每批产品中抽取100只样品作外观质量检验,漏检率超过7%时,应取加倍数量进行复验,若仍不符合规定要求时,则该批产品由厂方负责重新检验,合格后出厂。
4.3 每批产品中抽取100至样品做应力、耐热急变性能测定,如不合格时再取加倍数量进行复验,复验仍不合格,则该批产品为不合格品。
4.4 每批产品抽取数只作耐水性能测定,如不合格则该批产品为不合格品。
5 包装和标志5.1 根据订货合同规定数进行包装,壶和壶之间用软性材料隔开,避免两壶发生接触。
5.2 标志5.2.1 外包装必须注明:制造国或制造厂名称、产品名称、型号、规格、数量、毛重、净重和外包装体积尺寸、装箱日期,两端应有不易擦掉的“玻璃易碎”、“小心轻放”等标志。
根据订货要求,在内包装纸盒外面注明:产品名称、型号。
6 运输和保管 6.1 运输6.1.1 运输时防止受潮,避免剧烈震动,禁止与油类、酸碱类物质放在一起,严禁与氟化物接触。
6.1.2 搬运时箱盖朝上,箱头向外,露出有色标志,注意轻拿轻放。
6.2 保管库内存放须离地一定距离,注意干燥通风,堆放高度应符合消防规定。
注:保质期不少于半年,具体保质期由各地工贸双方协议解决。
附录A产品疵病名词解释 (补充件)A1 白度高白料(明料玻璃壶)无色透明程度。
A2 透明疙瘩熔融不均匀的玻璃体。
A3 杂粒不透明的粒状杂物。
A4 壶口圆度壶口不圆,其最大直径与最小直径之差。
A5 壶身高低偏斜一只壶的壶身最高处与最低处的高度差。
克芮思托玻璃杯检验报告近日,我们对市场上广为流传的克芮思托玻璃杯进行了一系列的检验,以确保其质量和性能符合标准。
以下是检验结果的详细报告。
一、外观质量检验克芮思托玻璃杯外观质量检验主要包括玻璃杯的形状、表面光洁度和无明显瑕疵等方面。
经过仔细观察和检测,我们发现克芮思托玻璃杯外观质量良好,形状规整,表面光洁度高,无气泡、划痕或其他明显瑕疵,符合相关标准要求。
二、材质成分检验克芮思托玻璃杯主要由硼硅酸盐玻璃制成,具有优异的耐热性和耐冷性。
经过化学成分分析,我们确认克芮思托玻璃杯的材质成分符合相关标准,不含有害物质,对人体无毒无害。
三、耐温性能检验克芮思托玻璃杯的耐温性能是评价其综合质量的重要指标。
我们通过对克芮思托玻璃杯进行热冲击试验和冷冲击试验,以模拟日常使用中的温度变化。
结果显示,克芮思托玻璃杯经受住了温度变化的考验,无爆裂、无开裂现象,具有良好的耐温性能。
四、安全性能检验安全性是消费者选购克芮思托玻璃杯时非常关注的问题。
我们对克芮思托玻璃杯的边缘加工、抗摔性能和耐磨性进行了测试。
结果表明,克芮思托玻璃杯的边缘加工光滑,无毛刺,不易划伤嘴唇;抗摔性能良好,经受一定程度的摔打后仍不易破碎;耐磨性能出色,不易被划伤,长时间使用也不会出现明显磨损。
五、使用体验检验为了更好地了解克芮思托玻璃杯的使用体验,我们邀请了一些消费者进行试用,并收集了他们的反馈意见。
消费者普遍认为克芮思托玻璃杯的重量适中,握感舒适,口感良好,使用起来非常方便。
同时,克芮思托玻璃杯的保温性能也得到了消费者的一致好评。
经过我们的检验,克芮思托玻璃杯在外观质量、材质成分、耐温性能、安全性能和使用体验等方面均符合相关标准要求。
消费者可以放心购买和使用克芮思托玻璃杯,它将为您带来舒适的使用体验和安全的品质保障。
我们将继续关注市场上各类产品的质量和安全性能,为消费者提供更多准确无误的检验报告,以保障消费者权益,共同构建安全可靠的消费环境。
玻璃杯检测标准嘿,你知道吗?在杯子的世界里,玻璃杯就像是一位高贵的公主,备受大家的喜爱。
但要想成为真正完美的公主,那可得符合一系列严格的检测标准哟!要是不符合,这“公主”可就要闹脾气啦!**一、外观大阅兵:颜值即正义**在玻璃杯的世界里,外观可不能有“瑕疵脸”!“长得好看不是万能的,但长得不好看是万万不能的!” 玻璃杯的外观就像是人的脸蛋,不能有气泡、结石、裂纹这些“痘痘”和“伤疤”。
气泡就像藏在皮肤下的小炸弹,随时可能让杯子破裂;结石如同脸上的黑痣,影响美观;而裂纹则是致命的皱纹,一不注意就会让杯子彻底崩溃。
你想想,要是你正端着一杯美味的果汁,突然发现杯子上有个大大的气泡或者裂纹,那心情得多糟糕呀!所以在生产过程中,工人们得像挑剔的美容师一样,对每一个玻璃杯进行细致的检查,确保它们的外观完美无瑕。
比如那些知名品牌的玻璃杯,外观精致得简直绝绝子,yyds!**二、尺寸精准战:分毫不能差**“差之毫厘,谬以千里!”玻璃杯的尺寸可不是能随便糊弄的。
这就好比你去买衣服,尺码不合适,穿起来那得多别扭呀!对于玻璃杯来说,高度、直径、厚度都得精确到毫米级别。
高度要是不对,放在桌子上就像个站不稳的小醉汉;直径不合适,拿在手里就会感觉怪怪的;厚度不均匀,那冷热变化的时候就容易“闹情绪”。
想象一下,你满心欢喜地买了个杯子准备泡茶,结果因为尺寸不合适,水倒多了会溢出来,倒少了又觉得不够喝,多烦人呐!所以厂家在生产时,会使用各种精密的测量工具,就像给玻璃杯做一场严格的“体检”,确保每个尺寸都符合标准,让我们用起来顺手又顺心。
**三、耐热大考验:冰火两重天**“经得起高温,扛得住寒冷,这才是真英雄!”玻璃杯的耐热性能那可是相当重要。
你总不希望倒杯热水它就炸裂,或者放冰箱里拿出来就碎成渣吧!耐热就像玻璃杯的“超级铠甲”,优质的玻璃杯能够在冷热交替的极端环境下安然无恙。
这就好比一个武林高手,既能在炎炎烈日下练功,又能在冰天雪地中打坐。
玻璃杯的分类
玻璃杯是我们日常生活中常见的饮具之一,它的种类也是非常多样化的。
根据不同的材质、形状、用途等方面的不同,我们可以将玻璃杯分为以下几类。
一、普通玻璃杯
普通玻璃杯是我们最常见的一种玻璃杯,它通常是由普通的玻璃材料制成,形状比较简单,没有太多的装饰。
这种玻璃杯的优点是价格便宜,易于清洗,但缺点是比较脆弱,容易破碎。
二、钢化玻璃杯
钢化玻璃杯是一种比较耐用的玻璃杯,它的制作过程是将普通玻璃杯加热至高温,然后迅速冷却,使其表面形成一层厚度较大的压缩应力层,从而增强了玻璃的强度和耐冲击性。
这种玻璃杯的优点是比较耐用,不易破碎,但价格相对较高。
三、陶瓷玻璃杯
陶瓷玻璃杯是一种比较特殊的玻璃杯,它的外观和质感类似于陶瓷,但实际上是由玻璃材料制成的。
这种玻璃杯的优点是外观美观,手感舒适,但缺点是比较重,不太适合携带。
四、隔热玻璃杯
隔热玻璃杯是一种专门用于保温的玻璃杯,它的内部通常有一层真空隔热层,可以有效地保持饮料的温度。
这种玻璃杯的优点是保温效果好,适合在冬季使用,但缺点是价格相对较高。
五、定制玻璃杯
定制玻璃杯是一种可以根据个人需求进行定制的玻璃杯,可以根据不同的材质、形状、印刷等要求进行定制。
这种玻璃杯的优点是可以满足个性化需求,但价格相对较高。
玻璃杯的种类繁多,我们可以根据自己的需求选择不同的玻璃杯。
无论是普通玻璃杯还是隔热玻璃杯,都有其独特的优点和缺点,我们需要根据实际情况进行选择。
富光玻璃杯的检测报告富光玻璃杯是一种常见的玻璃材质制成的杯子,具有高透明度、耐热耐寒、易清洗等特点。
为了确保富光玻璃杯的质量,需要进行检测。
以下是富光玻璃杯的检测报告。
一、外观检测富光玻璃杯外观应无明显瑕疵,如气泡、裂纹、凹陷等。
经过外观检测,富光玻璃杯表面光滑平整,无明显瑕疵。
二、透光性检测富光玻璃杯的透光性是其重要的特性之一。
透光性检测可以通过将杯子内部充满液体,观察液体在杯子内部的透明度来进行。
经过透光性检测,富光玻璃杯透明度良好,无明显的模糊或浑浊现象。
三、耐热性检测富光玻璃杯应具备一定的耐热性,以确保在热饮料或者高温环境下使用时不会破裂或变形。
耐热性检测可以通过将富光玻璃杯放置在高温环境下,如沸水中,观察是否出现破裂或变形。
经过耐热性检测,富光玻璃杯表现出良好的耐热性,无破裂或变形现象。
四、耐寒性检测富光玻璃杯应具备一定的耐寒性,以确保在冷饮料或者低温环境下使用时不会破裂或变形。
耐寒性检测可以通过将富光玻璃杯放置在低温环境下,如冰箱中,观察是否出现破裂或变形。
经过耐寒性检测,富光玻璃杯表现出良好的耐寒性,无破裂或变形现象。
五、抗压性检测富光玻璃杯应具备一定的抗压性,以确保在正常使用过程中不会因外力而破裂。
抗压性检测可以通过施加一定的压力在富光玻璃杯上,观察是否出现破裂现象。
经过抗压性检测,富光玻璃杯表现出良好的抗压性,无破裂现象。
六、耐酸碱性检测富光玻璃杯应具备一定的耐酸碱性,以确保在使用过程中不会因酸碱溶液的侵蚀而破裂或产生变色。
耐酸碱性检测可以通过将富光玻璃杯浸泡在不同浓度的酸碱溶液中,观察是否出现破裂或变色现象。
经过耐酸碱性检测,富光玻璃杯表现出良好的耐酸碱性,无破裂或变色现象。
经过多项检测,富光玻璃杯在外观、透光性、耐热性、耐寒性、抗压性和耐酸碱性等方面表现出良好的性能。
富光玻璃杯的优良品质保证了用户在使用过程中的安全和舒适感受。
无论是日常使用还是商业用途,富光玻璃杯都是一种值得信赖的选择。
北京常规标准玻璃仪器技术参数
1. 母液容量:标准玻璃仪器通常具有不同容量的母液容器,例如
50ml、100ml、250ml、500ml等。
2. 均匀度:标准玻璃仪器的均匀度参数通常在0.1-0.2mm之间。
这意味着仪器的加工精度能够达到这个范围内的误差。
3. 测量范围:标准玻璃仪器通常有不同的测量范围,例如体积计的测量范围可以是0-100ml,滴定管的测量范围可以是0-50ml等。
4. 分度值:标准玻璃仪器通常具有不同的分度值,例如10ml体积计的分度值可以是0.1ml,50ml滴定管的分度值可以是0.1ml等。
5.材质:标准玻璃仪器通常采用优质玻璃材质制成,具有良好的耐热性和耐腐蚀性。
6.准确度:标准玻璃仪器的准确度通常在0.1%以内。
这意味着仪器的测量结果与实际值的偏差不会超过0.1%。
7.温度范围:标准玻璃仪器通常具有适用于不同温度范围的特性,例如高温度下的耐热性,低温度下的耐冷性。
8.适用领域:标准玻璃仪器通常可用于化学实验、生物实验、物理实验等不同领域的实验和测量。
9.使用方法:标准玻璃仪器的使用方法通常简单易懂,可以根据具体仪器的特性和实验要求进行相应操作。
10.维护保养:标准玻璃仪器通常需要定期进行清洗和保养,以保证仪器的准确度和可靠性。
总之,北京常规标准玻璃仪器具有良好的加工精度、准确度和耐用性,适用于多种实验和测量领域的需求。
正确使用和维护这些仪器,可以提高
实验的准确性和可靠性,为科研和工业生产提供有力支持。
1、适用X围:本标准适用于各系列玻璃杯。
2、检验标准:根据GB2828〔相当于MIL,STD-105D〕中规定的正常一次抽样方案进展批的随机抽样。
3、产品包装4、产品包装分为销售包装和运输包装5、保温容器应先用塑料薄膜套装后,再装入销售包装盒内。
6、运输包装上应有厂名、货号、容量、规格、品名、数量等标志。
7、运输包装上应有防潮、轻产品包装上的尺寸应按照设计尺寸进展采纳,包装物与玻璃容器包装后,不应有晃动,不应有包装变形。
8、产品的封箱应用透明胶带密封,封箱方式采用一次纵向封口,两次侧边封口方式。
特殊产品加用打包带封箱保护。
9、检验水平:产品缺陷:一般检验水平Ⅱ尺寸/产品性能:特殊检验水平S-210、接收质量限:严重缺陷:AQL=0主要缺陷:AQL=1.0次要缺陷:AQL=4.0类别序号检验工程缺陷描述和检测要求检测工具缺陷分级玻皮气泡不允许存在。
用指甲或大头针挤压而破裂的薄皮气泡不允许存在主要直径<0.8mm的小气泡,在20mm*20mm X围不超过过3个,且101气泡气泡直径位置0.8-11-1.51.5-2.5累计正主面000其他面410气泡总数壁部手柄处21不超过8目测卡尺放大镜次要产卡带处21个品缺底部211陷注:气泡直径=〔长+宽〕/2玻璃中未熔或难熔的不透明的夹杂物。
凸出外表,且锋利划指甲的结石不允许存在。
目测102结石四周有裂纹的结石不允许存在。
埋入或嵌入玻璃内的结石见下表卡尺放大主要直径壁部手柄处卡带处底部镜<10111以透明瘤状存在于玻璃中的不均匀物质直径壁部手柄处卡带处底部<22111 目测卡尺103节瘤次要与周围玻璃有明显不同的折射的细条纹,是由于玻璃不均匀而产104条纹生的。
目测次要明显的、多结的和绳状的不允许存在,其他的可进展封样一种延伸的可贯穿于产品厚度的裂纹,在检查灯下,可目测到裂105裂纹纹的亮点。
目测主要不允许存在用锋利的物品用力划出,在玻璃外表形成的一种线形磨损,在检106划伤查灯下可以目测到发光的划痕。
玻璃杯制造工艺一、原料准备玻璃杯制造的第一步是准备原料。
原料包括各种不同类型的玻璃,如硼硅酸盐玻璃、钠钙玻璃等。
根据不同的产品需求,选择合适的原料。
二、配料制备配料制备是制造玻璃杯的重要环节。
根据产品配方,将各种原料按照一定的比例混合在一起,形成玻璃料。
配料过程中需要严格控制原料的纯度、粒度、水分等参数,以确保产品质量。
三、熔制熔制是将配料在高温下熔化成玻璃液的过程。
熔制过程中需要控制温度、时间、气氛等因素,以保证玻璃液的成分和性质稳定。
熔制完成后,需要进行冷却和除杂处理,以确保产品质量。
四、成型成型是玻璃杯制造的关键环节。
根据产品形状和尺寸要求,将玻璃液倒入模具中,经过冷却和脱模后得到玻璃杯毛坯。
成型过程中需要控制温度、压力、时间等因素,以保证产品的形状和尺寸精度。
五、加工与装饰加工与装饰是玻璃杯制造的最后环节。
根据产品要求,对玻璃杯毛坯进行加工和装饰处理,如切割、磨削、抛光、喷砂、印刷等。
加工与装饰过程中需要控制加工参数和装饰效果,以保证产品的外观和质量。
六、质量控制在玻璃杯制造过程中,需要进行严格的质量控制。
通过抽样检验、过程控制、成品检验等方式,确保产品质量符合标准要求。
同时,对生产过程中的关键参数进行监控和记录,以便追溯和改进生产过程。
七、包装与储存最后,对制造完成的玻璃杯进行包装和储存。
包装过程需要注意防震、防潮、防尘等因素,以保证产品的安全和美观。
储存过程中需要控制温度和湿度等环境因素,以保证产品质量稳定。
总之,玻璃杯制造工艺包括原料准备、配料制备、熔制、成型、加工与装饰、质量控制和包装与储存等多个环节。
每个环节都需要严格控制质量和工艺参数,以确保产品的质量和稳定性。
玻璃杯评语玻璃杯是我们日常生活中常见的餐具之一,它的质量和设计直接影响着我们的用餐体验。
在这里,我将从不同的角度出发,对玻璃杯进行评价。
1. 材质:玻璃杯的材质直接关系到它的质量和安全性。
优质的玻璃杯应该选用高硼硅玻璃或普通玻璃,这些材质不含重金属,不易破裂,也不会对人体造成危害。
2. 透明度:玻璃杯的透明度是其美观程度的重要指标。
好的玻璃杯应该具有高透明度,让人们可以清晰地看到杯中的饮料,增加用餐的美感。
3. 容量:玻璃杯的容量大小应该根据不同的用途来选择。
一般来说,早餐用的玻璃杯容量较小,而晚餐用的玻璃杯容量较大,以适应不同的饮料需求。
4. 设计:玻璃杯的设计也是其美观程度的重要因素。
好的玻璃杯应该具有简洁、大方、美观的设计,让人们在用餐时感到愉悦。
5. 手感:玻璃杯的手感也是其重要的评价指标之一。
好的玻璃杯应该手感舒适,不易滑落,让人们在用餐时感到安心。
6. 耐热性:玻璃杯的耐热性也是其重要的评价指标之一。
好的玻璃杯应该具有较高的耐热性,可以承受高温的饮料,不易破裂。
7. 耐冷性:玻璃杯的耐冷性也是其重要的评价指标之一。
好的玻璃杯应该具有较高的耐冷性,可以承受低温的饮料,不易破裂。
8. 易清洗:玻璃杯的易清洗程度也是其重要的评价指标之一。
好的玻璃杯应该易于清洗,不易残留污渍,方便人们的使用。
9. 安全性:玻璃杯的安全性也是其重要的评价指标之一。
好的玻璃杯应该具有较高的安全性,不易破裂,不会对人体造成危害。
10. 价格:玻璃杯的价格也是其重要的评价指标之一。
好的玻璃杯应该价格适中,既能满足人们的需求,又不会过于昂贵,让人们可以轻松购买。
透明pvc软玻璃技术参数表透明PVC软玻璃是一种常见的塑料材料,具有透明度高、柔软、耐候性好等特点。
以下是透明PVC软玻璃的一些常见技术参数,这些参数通常用于评估和比较不同规格和型号的产品。
1. 基本参数1.1 厚度•定义:透明PVC软玻璃的厚度,通常以毫米(mm)为单位。
•典型取值:0.2mm、0.5mm、1.0mm、1.5mm等。
1.2 宽度•定义:透明PVC软玻璃的宽度,通常以米(m)为单位。
•典型取值:1.2m、1.5m、2.0m等。
1.3 长度•定义:透明PVC软玻璃的长度,通常以米(m)为单位。
•典型取值:10m、20m、30m等。
2. 物理性能2.1 透明度•定义:透明PVC软玻璃透光性能的指标,通常以百分比表示。
•测试方法:使用透光度计测量。
•典型取值:85%以上。
2.2 柔软性•定义:透明PVC软玻璃的柔韧性和弯曲性,通常通过弯曲测试来评估。
•测试方法:弯曲试验,观察是否出现裂纹和变形。
•结果:应具有较好的柔软性,不易断裂。
2.3 耐候性•定义:透明PVC软玻璃在不同气候条件下的耐久性能,包括耐紫外线、耐高温等。
•测试方法:暴露于自然环境或进行人工气候老化试验。
•结果:应具有较好的耐候性,不易因气候变化而变色、变黄或老化。
2.4 抗拉强度•定义:透明PVC软玻璃的抗拉性能,通常以兆帕(MPa)为单位。
•测试方法:使用拉伸试验机进行拉伸测试。
•典型取值:根据不同厚度可在20-30 MPa 范围内。
3. 化学性能3.1 耐化学性•定义:透明PVC软玻璃对一些常见化学物质的耐受性。
•测试方法:将样品浸泡于酸碱溶液中,观察变化。
•结果:应具有较好的耐化学性,不易受到化学物质侵蚀。
3.2 阻燃性•定义:透明PVC软玻璃的阻燃性能,通常使用UL94标准进行评估。
•测试方法:使用垂直燃烧试验,根据火焰传播速度和自熄时间评定阻燃等级。
•结果:应符合相应的阻燃等级要求,如V-0、V-1等。
4. 生产工艺4.1 制造工艺•定义:透明PVC软玻璃的生产工艺,包括挤出、压延等。
银河l6玻璃水容量全文共四篇示例,供读者参考第一篇示例:银河L6玻璃水杯是一款设计精美、造型简约、功能齐全的水杯产品。
这款水杯采用高品质玻璃材质制作,具有耐热、抗磨损、不易变色等特点,是现代家庭中必备的水杯之一。
银河L6玻璃水杯的容量设计非常合理,通常容量为300ml至500ml不等,可满足日常饮水需要。
这种容量设计考虑了人体饮水量的需求,既不会过大导致装水太多而浪费,也不会过小导致频繁添加水。
银河L6玻璃水杯的容量设计非常贴心和实用。
银河L6玻璃水杯的设计风格简约时尚,外观精致大方。
采用透明的玻璃材质制作,水杯内部清晰可见,能够直观地观察水杯内部的水量,方便随时了解自己的饮水情况。
而且,水杯的外形设计优美,线条流畅,手感舒适,它不仅仅是一款实用的饮水工具,更是一道美丽的装饰品,为家居环境增添了一份雅致。
银河L6玻璃水杯具有良好的保温性能。
玻璃材质本身就有一定的保温效果,加上精心设计的杯盖和杯身密封性强,可以有效地延长水的保温时间,使您随时都能享受到温暖的饮水。
而且,玻璃材质无味无毒,不会释放有害物质,您可以放心使用,保障整个家庭的健康。
银河L6玻璃水杯的清洁和保养非常方便。
玻璃材质本身就具有耐磨、易清洗的特点,您只需用清水冲洗即可,也可以选择用中性洗涤剂清洗,然后用清水冲净即可。
而且,建议不要将水杯放入洗碗机清洗,以避免水杯变形或被破坏。
注意不要用过硬的物品刮擦水杯表面,以免划伤玻璃,影响外观。
银河L6玻璃水杯以其合理的容量设计、优美的外观,良好的保温性能和方便的清洁保养等特点,成为现代家庭中不可或缺的饮水利器。
它不仅是一款实用的饮水工具,更是一道美丽的装饰品,为家居环境增添一份舒适和优雅。
选择银河L6玻璃水杯,让您的生活更加美好和健康!第二篇示例:银河L6玻璃水容量是一个备受关注的话题,因为它在市场上备受喜爱并广泛使用。
随着人们对身体健康的重视,越来越多的人开始关注水的质量和容量,以确保每天都能摄入足够的水分。