运筹学第3版熊伟编著习题答案
- 格式:doc
- 大小:31.01 MB
- 文档页数:137
【解】模型 4。
D=50, A=40, H=10f 2HAD2一10一40一50 25200(元) 则每隔0.4月生产一次,每次生产量为20件。
10.2某化工厂每年需要甘油 100吨,订货的固定成本为 100元,甘油单价为7800元/吨,每 吨年保管费为32元,求:(1)最优订货批量;(2)年订货次数;(3)总成本。
【解】模型 4。
D=100 , A=100 , H=32 , C=7800小 J 2AD''2 100 100 冲Q上-上厂绚件)n D/Q 4(次) f . 2 HAD CD2一32一100一100 7800 100 780800(元)则(1)最优订货批量为 25件;(2)年订货4次;(3)总成本为780800元。
10.3工厂每月需要甲零件 3000件,每件零件120元,月存储费率为1.5%,每批订货费为 150元,求经济订货批量及订货周期。
【解】模型 4。
D=3000 , A=150 , H=120 X 0.015= 1.8, C=120Q 磐 FP 0707(件) t Q/D 0.24(月)f 2HAD CD 2 1.8 150 3000 120 3000 361272.79(元)则经济订货批量为 707件,订货周期为0.24月。
10.4某公司预计年销售计算机 2000台,每次订货费为 500元,存储费为32元/ (年台),缺货费为100元/年台。
试求:(1)提前期为零时的最优订货批量及最大缺货量; (2)提前期为10天时的订货点及最大存储量。
【解】模型 3。
D=2000 , A=500 , H=32 , B=100, L=0.0274(年)R = LD — S = 0.0274X 2000 — 69= 55-69 = — 14 (件)(1)最优订货批量为 287台,最大缺货量为 69台;⑵再订货点为—14台,最大存储量习题十10.1某产品每月用量为 优生产批量及生产周期。
熊伟编《运筹学》习题九详细解答n 1 1 2 p习题九9.1某蛋糕店有一服务员,顾客到达服从=30人/小时的Poisson 分布,当店里只有一个顾客时,平均服务时间为1.5分钟,当店里有2个或2个以上顾客时,平均服务时间缩减至 1分钟。
两种服务时间均服从负指数分布。
试求: (1)此排队系统的状态转移图;(2)稳态下的概率转移平衡方程组;3)店内有2个顾客的概率; 4)该系统的其它数量指标。
(2) 由转移图可得稳态下的差分方程组如下: / / FCFS ]排队模型,该系统的状态转移图如下:1Pp 。
2^ ( 1)PP 2P 3( 2)EPn 1 2Pn 1(2)P n23 nP RP2 P 0 P3 2 PPnP n 11 1 21 21 2Po (3)已知 30(人/小时)1 11^— =40(人/小时)2= 丁 = 60(人/小时) 1.5 1 60 60 nP 0[1百]1n 11 21F 0 130 330 40260 p[1亡10.4P n3 10.4 0.15 4 2(4)系统中的平均顾客数(队长期望值)系统中顾客等待时间9.2某商店每天开10个小时,一天平均有90个顾客到达商店,商店的服务平均速度是每小时服务10个,若假定顾客到达的规律是服从Poisson 分布,商店服务时间服从负指数分布, 试求:(1)在商店前等待服务的顾客平均数。
(2)在队长中多于2个人的概率。
(3)在商店中平均有顾客的人数。
(4)若希望商店平均顾客只有2人,平均服务速度应提高到多少。
【解】此题是属于[M/M/1]:[ / /FCFS]系统,其中:=9 (个/小时) =10(个/小时)/ =9/10(1) L q2/(1)8.1 (个)(2) P(N 2)30.729⑶ L /(1 )9 (个)⑷L/( )22 9 1813.5(个/小时) 229.3为开办一个小型理发店,目前只招聘了一个服务员,需要决定等待理发的顾客的位子应设立多少。
运筹学(第3版)习题答案P36 P74 P88 P105 P142 P173 P195 P218 P248 P277 P304 品P343 P371全书420页第1章 线性规划工厂每月生产A 、B 、C 三种产品 ,单件产品的原材料消耗量、设备台时的消耗量、资源限量及单件产品利润如表1-23所示.产品 资源 A B C 资源限量 材料(kg) 4 2500 设备(台时) 3 1400 利润(元/件)101412310和130.试建立该问题的数学模型,使每月利润最大.【解】设x 1、x 2、x 3分别为产品A 、B 、C 的产量,则数学模型为123123123123123max 1014121.5 1.2425003 1.6 1.21400150250260310120130,,0Z x x x x x x x x x x x x x x x =++++≤⎧⎪++≤⎪⎪≤≤⎪⎨≤≤⎪⎪≤≤⎪≥⎪⎩ 建筑公司需要用5m 长的塑钢材料制作A 、B 两种型号的窗架.两种窗架所需材料规格及数量如表1-24所示:型号A 型号B 每套窗架需要材料长度(m ) 数量(根)长度(m) 数量(根)A 1:2 2B 1: 2 A 2:3 B 2:23需要量(套)300400问怎样下料使得(1)用料最少;(2)余料最少. 【解 方案 一 二 三 四 五 六 七 八 九 十 需要量 B1 2 1 1 1 0 0 0 0 0 0 800 B2 2 0 1 0 0 2 1 1 0 0 0 1200 A1 2 0 0 1 0 0 1 0 2 1 0 600 A2120 2 3 900 余料(m) 0 1 1 1 01设x j (j =1,2,…,10)为第j 种方案使用原材料的根数,则 (1)用料最少数学模型为10112342567368947910min 28002120026002239000,1,2,,10jj j Z x x x x x x x x x x x x x x x x x x j ==⎧+++≥⎪+++≥⎪⎪+++≥⎨⎪+++≥⎪⎪≥=⎩∑ (2)余料最少数学模型为2345681012342567368947910min 0.50.50.52800212002*********0,1,2,,10j Z x x x x x x x x x x x x x x x x x x x x x x x x j =++++++⎧+++≥⎪+++≥⎪⎪+++≥⎨⎪+++≥⎪⎪≥=⎩某企业需要制定1~6月份产品A 的生产与销售计划。
n 1 1 2 p习题九9.1某蛋糕店有一服务员,顾客到达服从 =30人/小时的Poisson 分布,当店里只有一个顾 客时,平均服务时间为 1.5分钟,当店里有2个或2个以上顾客时,平均服务时间缩减至 1分钟。
两种服务时间均服从负指数分布。
试求: (1) 此排队系统的状态转移图; (2) 稳态下的概率转移平衡方程组; 3) 店内有2个顾客的概率; 4) 该系统的其它数量指标。
(2) 由转移图可得稳态下的差分方程组如下: / / FCFS ]排队模型,该系统的状态转移图如下:1Pp 。
2^ ( 1)PP 2P 3( 2)EPn 1 2Pn 1(2)P n23 nP RP2 P 0 P3 2 PPnP n 11 1 21 21 2Po (3)已知 30(人/小时)1 11^— =40(人/小时)2= 丁 = 60(人/小时) 1.5 1 60 60nP 0[1百]1n 11 21F 0 130 330 40260 p[1亡10.4P n3 10.4 0.15 4 2(4)系统中的平均顾客数(队长期望值)系统中顾客等待时间9.2某商店每天开10个小时,一天平均有 90个顾客到达商店,商店的服务平均速度是每小 时服务10个,若假定顾客到达的规律是服从 Poisson 分布,商店服务时间服从负指数分布, 试求:(1) 在商店前等待服务的顾客平均数。
(2) 在队长中多于2个人的概率。
(3) 在商店中平均有顾客的人数。
(4) 若希望商店平均顾客只有 2人,平均服务速度应提高到多少。
【解】此题是属于[M/M/1]:[ / /FCFS]系统,其中:=9 (个/小时) =10(个/小时)/ =9/10(1) L q2/(1)8.1 (个)(2) P(N 2)30.729⑶ L /(1 )9 (个)⑷L/( )22 9 1813.5(个/小时) 229.3为开办一个小型理发店,目前只招聘了一个服务员,需要决定等待理发的顾客的位子应 设立多少。
运筹学第三版课后习题答案第一章:引论1.1 课后习题习题1a)运筹学是一门应用数学的学科,旨在解决实际问题中的决策和优化问题。
它包括数学模型的建立、问题求解方法的设计等方面。
b)运筹学可以应用于各个领域,如物流管理、生产计划、流程优化等。
它可以帮助组织提高效率、降低成本、优化资源分配等。
c)运筹学主要包括线性规划、整数规划、指派问题等方法。
习题2运筹学的应用可以帮助组织提高效率、降低成本、优化资源分配等。
它可以帮助制定最佳的生产计划,优化供应链管理,提高运输效率等。
运筹学方法的应用还可以帮助解决紧急情况下的应急调度问题,优化医疗资源分配等。
1.2 课后习题习题1运筹学方法可以应用于各个领域,如物流管理、生产计划、供应链管理、流程优化等。
在物流管理中,可以使用运筹学方法优化仓储和运输的布局,提高货物的运输效率。
在生产计划中,可以使用运筹学方法优化产品的生产数量和生产周期,降低生产成本。
在供应链管理中,可以使用运筹学方法优化订单配送和库存管理,提高供应链的效率。
在流程优化中,可以使用运筹学方法优化业务流程,提高整体效率。
习题2在物流管理中,可以使用运筹学方法优化车辆的调度和路线规划,以提高运输效率和降低成本。
在生产计划中,可以使用运筹学方法优化生产线的安排和产品的生产量,以降低生产成本和提高产能利用率。
在供应链管理中,可以使用运筹学方法优化供应链各个环节的协调和调度,以提高整体效率和减少库存成本。
在流程优化中,可以使用运筹学方法优化业务流程的排布和资源的分配,以提高流程效率和客户满意度。
第二章:线性规划基础2.1 课后习题习题1线性规划是一种数学优化方法,用于解决包含线性约束和线性目标函数的优化问题。
其一般形式为:max c^T*xs.t. Ax <= bx >= 0其中,c是目标函数的系数向量,x是决策变量向量,A是约束矩阵,b是约束向量。
习题2使用线性规划方法可以解决许多实际问题,如生产计划、供应链管理、资源分配等。
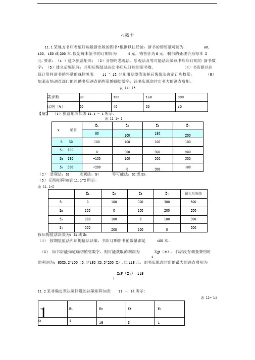
习题十一11.1 某地方书店希望订购最新出版的图书.根据以往经验,新书的销售量可能为50,100,150或200本.假定每本新书的订购价为4元,销售价为6元,剩书的处理价为每本2元.要求:(1)建立损益矩阵;(2)分别用悲观法、乐观法及等可能法决策该书店应订购的新书数字 ;(3)建立后悔矩阵,并用后悔值法决定书店应订购的新书数.(4)书店据以往统计资料新书销售量的规律见表11-13,分别用期望值法和后悔值法决定订购数量;(5)如某市场调查部门能帮助书店调查销售量的确切数字,该书店愿意付出多大的调查费用。
表11-13(21423(3)后悔矩阵如表11.1-2所示。
23(4)按期望值法和后悔值法决策,书店订购新书的数量都是100本。
(5)如书店能知道确切销售数字,则可能获取的利润为()iiix p x ∑,书店没有调查费用时的利润为:50×0.2+100×0.4+150×0.3+200×0.1=115元,则书店愿意付出的最大的调查费用为()115iiix p x -∑11.2某非确定型决策问题的决策矩阵如表11-14所示:表11-14(1定出相应的最优方案.(2)若表11-14中的数字为成本,问对应于上述决策准则所选择的方案有何变化?【解】(1)悲观主义准则:S3;乐观主义准则:S3;Lapalace准则:S3;Savage准则:S1;折衷主义准则:S3。
(2)悲观主义准则:S2;乐观主义准则:S3;Lapalace准则:S1;Savage准则:S1;折衷主义准则:S1或S2。
11.3在一台机器上加工制造一批零件共10 000个,如加工完后逐个进行修整,则全部可以合格,但需修整费300元.如不进行修理数据以往资料统计,次品率情况见表11-15.表11-15(1)用期望值决定这批零件要不要整修;(2)为了获得这批零件中次品率的正确资料,在刚加工完的一批10000件中随机抽取130个样品,发现其中有9件次品,试修正先验概率,并重新按期望值决定这批零件要不要整修.【解】(1)先列出损益矩阵见表11-19(2)修正先验概率见表11-2011.4某工厂正在考虑是现在还是明年扩大生产规模问题.由于可能出现的市场需求情况不一样,预期利润也不同.已知市场需求高(E1)、中(E2)、低(E3)的概率及不同方案时的预期利润,如表11-16所示.表11-16(单位:万元)事件概率方案E1E2E3P(E1)=0.2 P(E2)=0.5 P(E3)=0.3现在扩大10 8 -1明年扩大8 6 1①肯定得8万元或0.9概率得10万和0.1概率失去1万;②肯定得6万元或0.8概率得10万和0.2概率失去1万;③肯定得1万元或0.25概率得10万和0.75概率失去1万。
习题九9.1某蛋糕店有一服务员,顾客到达服从λ=30人/小时的Poisson 分布,当店里只有一个顾客时,平均服务时间为1.5分钟,当店里有2个或2个以上顾客时,平均服务时间缩减至1分钟。
两种服务时间均服从负指数分布。
试求: (1)此排队系统的状态转移图; (2)稳态下的概率转移平衡方程组; (3)店内有2个顾客的概率; (4)该系统的其它数量指标。
【解】(1)此系统为]//[:]1//[FCFS M M ∞∞排队模型,该系统的状态转移图如下:(2)由转移图可得稳态下的差分方程组如下:⎪⎪⎩⎪⎪⎨⎧+=++=++=+=+-nn n P P P P P P P P P P P )()()(21212232111220110λμμλλμμλλμμλμλ 011P P μλ=∴ 02122P P μμλ= 022133P P μμλ= 0121P P n n n -=μμλ (3)已知小时)(人==小时)(人==小时)(人/606011/40605.11/3021μμλ= 由1i i P ∞==∑得011121102[1]111n n n P P λμμλμλμ∞-=-+=⎡⎤⎢⎥⎢⎥=+⎢⎥-⎢⎥⎣⎦∑令 1212303301,404602λλρρμμ======,有111021012011234[1][1]0.41112n n n n P p p p ρρλρρμμ----=+=+=--==则 2120310.40.1542P P ρρ==⨯⨯= (4)系统中的平均顾客数(队长期望值))(2.1)5.01(14.043)1(1...)321(222010320101210人=-⨯⨯=-=+++===∑∑∞=-∞=ρρρρρρρP P P n nP L n n n n在队列中等待的平均顾客数(队列长期望值))(4.02114.0432.11...)...1()1(2011222201111人=-⨯-=--=+++++-=-=-=-∞=∞=∞=∑∑∑ρρρρρρp L P L P nP P n L n n nn n n n q 系统中顾客逗留时间1.20.04()30LW λ===小时 系统中顾客等待时间)(013.0304.0小时===λqq L W9.2某商店每天开10个小时,一天平均有90个顾客到达商店,商店的服务平均速度是每小时服务10个,若假定顾客到达的规律是服从Poisson 分布,商店服务时间服从负指数分布,试求:(1)在商店前等待服务的顾客平均数。
习题十11.1某地方书店希望订购最新出版的图书•根据以往经验,新书的销售量可能为 50,100, 150或200本.假定每本新书的订购价为4元,销售价为6元,剩书的处理价为每本 2元.要求:(1 )建立损益矩阵;(2)分别用悲观法、乐观法及等可能法决策该书店应订购的 新书数字;(3)建立后悔矩阵,并用后悔值法决定书店应订购的新书数. (4)书店据以往统计资料新书销售量的规律见表11 - 13,分别用期望值法和后悔值法决定订购数量;(5)如某市场调查部门能帮助书店调查销售量的确切数字,该书店愿意付出多大的调查费用。
表 11- 13表- (2) 1 4 23(3)后悔矩阵如表11.1-2所示。
表2 3(4) 按期望值法和后悔值法决策,书店订购新书的数量都是 100本。
(5) 如书店能知道确切销售数字,则可能获取的利润为X j p (x ),书店没有调查费用时i的利润为:50X0.2+100 >0.4+150 X0.3+200 X ).仁115元,则书店愿意付出的最大的调查费用为X i P (X j ) 115i11.2某非确定型决策冋题的决策矩阵如表 11 — 14所示:表 11- 14(1)若乐观系数a =0.4,矩阵中的数字是利润,请用非确定型决策的各种决策准则分别确定出相应的最优方案.(2)若表11 - 14中的数字为成本,问对应于上述决策准则所选择的方案有何变化?【解】(1)悲观主义准则:S3 ;乐观主义准则:S3 ; Lapalace准则:S3 ; Savage准则:3 ;折衷主义准则:S3。
(2 )悲观主义准则:S2 ;乐观主义准则:S3 ; Lapalace准则:S1 ; Savage准则: S1 ;折衷主义准则:S1或S2。
11.3在一台机器上加工制造一批零件共 10 000个,如加工完后逐个进行修整,则全部可以合格,但需修整费 300元.如不进行修理数据以往资料统计,次品率情况见表11- 15.(1 )用期望值决定这批零件要不要整修;(2)为了获得这批零件中次品率的正确资料,在刚加工完的一批10000件中随机抽取130个样品,发现其中有9件次品,试修正先验概率,并重新按期望值决定这批零件要不要整修.【解】(1)先列出损益矩阵见表 11-19(2)修正先验概率见表11-20表11.4某工厂正在考虑是现在还是明年扩大生产规模问题. 由于可能出现的市场需求情况不一样,预期利润也不同•已知市场需求高( E i )、中(E 2)、低(E 3)的概率及不同方案时的预 期利润,如表11 — 16所示.表11— 16(单位:万元)肯定得8万元或0.9概率得10万和0.1概率失去1万;②肯定得6万元或0.8概率得10万 和0.2概率失去1万;③肯定得1万元或0.25概率得10万和0.75概率失去1万。
习题四4.1工厂生产甲、乙两种产品,由A、E二组人员来生产。
A组人员熟练工人比较多,工作效率高,成本也高;E组人员新手较多工作效率比较低,成本也较低。
例如,A组只生产甲产品时每小时生产10件,成本是50元有关资料如表4.21所示。
表 4.21二组人员每天正常工作时间都是8小时,每周5天。
一周内每组最多可以加班10小时,加班生产的产品每件增加成本5元。
工厂根据市场需求、利润及生产能力确定了下列目标顺序:P1:每周供应市场甲产品400件,乙产品300件P2:每周利润指标不低于500元P3:两组都尽可能少加班,如必须加班由A组优先加班建立此生产计划的数学模型。
4.1【解】解法一:设X1, X2分别为A组一周内正常时间生产产品甲、乙的产量,X3, X4分别为A组一周内加班时间生产产品甲、乙的产量;X5, X6分别为B组一周内正常时间生产产品甲、乙的产量,X7, X8分别为B组一周内加班时间生产产品甲、乙的产量。
总利润为80(X1 X3 X5 X7) (5055X3 45X5 50X7)75(X2 X X6 X s) (45X2 50X4 40X6 45x030X1 30X2 25X3 25X4 35X5 35X6 30X7 30X8生产时间为A 组:0.1捲0.125X20.1X30.125X4B 组:0.125x50.2X60.125X70.2沧数学模型为:min Z p1(d1d2) P2d3 P3(d 4 d5) P4(d6 2d?)X1 X3 X5 X7 d1 d1 400X2 X4 X6 X8 d2 d2 30030为30X225X325X435X535X630X730XS d3500400.1X10.125X2 d4d4400.125X5 0.2X6 d5d50.1X3 0.125x4 d6d6 100.125X70.2X8 d7d7 10X j 0,d i ,d i 0,i 1,2丄,7; j 1,2,L ,8解法二:设X1, X2分别为A组一周内生产产品甲、乙的正常时间,X3, X4分别为A组一周内生产产品甲、乙的加班时间;X5, X6分别为B组一周内生产产品甲、乙的正常时间,X7, X8分别为B组一周内生产产品甲、乙的加班时间。
习题二1 •某人根据医嘱,每天需补充A、B、C三种营养,A不少于80单位,B不少于150单位,C不少于180单位.此人准备每天从六种食物中摄取这三种营养成分. 已知六种食物每百克的营养成分含量及食物价格如表2-22所示.(1)试建立此人在满足健康需要的基础上花费最少的数学模型;(2)假定有一个厂商计划生产一中药丸,售给此人服用,药丸中包含有A , B , C三种营养成分•试为厂商制定一个药丸的合理价格,既使此人愿意购买,又使厂商能获得最大利益,建立数学模型.表 2-221 X j jmin Z 0.5% 0.4X0.8X30 .9x40.3X50.2X613x125x214X3 40X48X5 11X6 8024x19x230X325X412X5 15X6 15018x17x221X3 34X410X5 180x1> x2、X、X4、X、X6 0(2 )设V i为第i种单位营养的价格,则数学模型为max w 80y1 150 y2180 y313V1 24 y2 18y3 0.525y1 9y2 7y30.414y1 30 y221y30.840y1 25y2 34 y3 0.98y1 12y2 10y3 0.311y1 15y2 0.5力,丫2”302 •写出下列线性规划的对偶问题max 2X14X2min w % 4y2八X1 3X2 1 ”y1 y2 2(1)X15X2 4 3y1 5y2 4X1,X2 0 y1, y2 0min w 9% 6y 2 2y 3+5y 4 10 y 5 3y i 6y 2 y 3 g 衣 2 对偶问题为:2y i 2y 2 3 y i 5y 2 出 6 6y i y 2 2y 37y i 无约束;y 2 0, y 3, 0, y 4 0, X 5 03 .考虑线性规划mi nZ 12X 120X 2X 1 4X 2 4 X 1 5X 22 2X 1 3X 27X 1, X 2 0(1) 说明原问题与对偶问题都有最优解; ⑵通过解对偶问题由最优表中观察出原问题的最优解; ⑶利用公式C B B^1求原问题的最优解; (4)利用互补松弛条件求原问题的最优解.【解】(1)原问题的对偶问题为maxw 4% 2y 2 7y 3 y i y 2 2y 312min Z 2x i X 2 3x 3 x 1 2X 210(2)1 2X i 3X 2 X 38X ,X 无约束,X 0maxw 10y i 8y 2 y i y 22 【解】2y i 3y 21y 2 3叶无约束;y 2 0maxZX 1 2X 24X 3 3X 410X 1X 2 X 3 4X 48(3)7X 1 6X 2 2X 3 5X 4 104X 1 8X 2 6X 3 X 4 6X 1,X 2 0,X 3 0,X 4无约束min w 8y 1 10y 2 6y 3【解】10 y 1 7y 2 4y 31 y 1 6y2 8y3 2 y 1 2y 2 6y 34 4y 1 5y 2 y 33y 1 无约束;y 2 0, y 3 0 max Z 2X -I 3X 2 6X 3 7X 43X -I 2X 2 X 3 6X 4 9 6X -I 5X 3 X 4X 1 2X 2 X 3 62X 45 X 1 10X 10, X 2,X 3, X 4无约束max Z2X -I 3X 2 6X 3 7X 43X 1 2X 2 X 3 6X 4 9 6X -| 5X 3 X 46【解】 X 1 2X 2 X 3 2X 42X -I 5 X -I10X - 0, X , X , X 无约束4y i 5y 3*20y j 0,j 1,2,3容易看出原问题和对偶问题都有可行解,女口X = (2, 1)、Y = (1 , 0, 1),由定理2.4知都有最优解。
运筹学答案(熊伟)下习题七7.2(1)分别用节点法和箭线法绘制表7-16的项目网络图,并填写表中的紧前工序。
(2)用箭线法绘制表7-17的项目网络图,并填写表中的紧后工序表7-16工序ABCDEFG-IC,E,F,HJD,GKC,ELIMJ,K,L紧前工序---ACAF、D、B、E表7-17紧后工序D,EGEGGG工序紧前工序A-B-C-DBEBFA,BGBHD,G紧后工序FE,D,F,GI,H,I,H,IIKJKJMLMM-【解】(1)箭线图:节点图:(2)箭线图:7.3根据项目工序明细表7-18:(1)画出网络图。
(2)计算工序的最早开始、最迟开始时间和总时差。
(3)找出关键路线和关键工序。
表7-18工序紧前工序A-BA6CA12DB,C19EC6FD,E7GD,E8工序时间(周)9【解】(1)网络图(2)网络参数工序A000B9156C990D21210E213413F40411G40400最早开始最迟开始总时差(3)关键路线:①→②→③→④→⑤→⑥→⑦;关键工序:A、C、D、G;完工期:48周。
7.4表7-19给出了项目的工序明细表。
表7-19工序紧前工序ABC--5-7D12E8F17GE16HD,G8IEJKLM15N12A,BBB,CEHF,JI,K,LF,J,L工序时间(天)81451023(1)绘制项目网络图。
(2)在网络图上求工序的最早开始、最迟开始时间。
(3)用表格表示工序的最早最迟开始和完成时间、总时差和自由时差。
(4)找出所有关键路线及对应的关键工序。
(5)求项目的完工期。
【解】(1)网络图(2)工序最早开始、最迟开始时间(3)用表格表示工序的最早最迟开始和完成时间、总时差和自由时差工序tTESTEFTLSTLF总时差S自由时差FA80891790B5050500C7077700D12820172999E851351300F1772472400G1613 29132900H82937293700I14132733472020J51318192466K103747374700L232 447244700M154762476200N124759506233(4)关键路线及对应的关键工序11→○12;关键工序:B,E,G,H,K,M关键路线有两条,第一条:①→②→⑤→⑥→⑦→○11→○12;关键工序:C,F,L,M第二条:①→④→⑧→⑨→○(5)项目的完工期为62天。
规划数学(运筹学)第三版课后习题答案习题1(1)习题 11 ⽤图解法求解下列线性规划问题,并指出问题具有唯⼀最优解、⽆穷最优解、⽆界解还是⽆可⾏解。
≥≥+≥++=0x x 42x 4x 66x 4x 3x 2x minz )a (21212121, ??≥≥+≤++=0x ,x 124x 3x 2x 2x 2x 3x maxz )b (21212121≤≤≤≤≤++=8x 310x 512010x 6x x x maxz )c (212121≥≤+-≥-+=0x ,x 23x 2x 2x 2x 6x 5x maxz )d (21212121 答案: (a)唯⼀解3*,)5.0,75.0(*==z X T); (b)⽆可⾏解;(c)唯⼀解16*,)6,10(*==z X T); (d)⽆界解)2 ⽤单纯形法求解下列线性规划问题。
≥≤+≤++=0x ,x 82x 5x 94x 3x 5x 10x maxz )a (21212121≥≤+≤+≤+=0x ,x 5x x 242x 6x 155x x 2x maxz )b (212121221 答案:(a)唯⼀解5.17*,)5.1,1(*==z X T),对偶问题5.17*,)786.1,357.0(*==w Y T; (b)唯⼀解5.8*,)5.1,5.3(*==z X T),5.8*,)5.0,25.0,0(*==w Y T3 ⽤⼤M 法和两阶段法求解下列线性规划问题,并指出属于哪⼀类解。
≥≥-≥+-≥+++-=0x x x 0x 2x 2x 2x 6x x x 2x x 2x maxz )a (3,2,13231321321 ≥≥+≥++++=0x ,x ,x 62x 3x 82x 4x xx 3x 2x minz )b (32121321321答案:(a)⽆界解;(b)唯⼀解8*,)0,8.1,8.0(*==z X T),对偶问题8*,)0,1(*==w Y T4已知线性规划问题的初始单纯形表(如表1-54所⽰)和⽤单纯形法迭代后得到的表(如表1-55所⽰)如下,试求括弧中未知数a ~l 的值。
第7章网络计划7.1(1)分别用节点法和箭线法绘制表7-16的项目网络图,并填写表中的紧前工序。
(2) 用箭线法绘制表7-17的项目网络图,并填写表中的紧后工序表7-16工序 A B C D E F G紧前工序--- A A、C -B、D、E、F紧后工序D,E G E G G G -表7-17工序 A B C D E F G H I J K L M 紧前工序- - - B B A,B B D,G C,E,F,H D,G C,E I J,K,L 紧后工序F E,D,F,G I,K H,J I,K I H,J I L M M M-【解】(1)节点图:箭线图:(2)节点图:箭线图:7.2根据项目工序明细表7-18:(1)画出网络图。
(2)计算工序的最早开始、最迟开始时间和总时差。
(3)找出关键路线和关键工序。
表7-18工序 A B C D E F G 紧前工序- A A B,C C D,E D,E 工序时间(周)9 6 12 19 6 7 8【解】(1)网络图(2)网络参数工序 A B C D E F G最早开始0 9 9 21 21 40 40最迟开始0 15 9 21 34 41 40总时差0 6 0 0 13 1 0(3)关键路线:①→②→③→④→⑤→⑥→⑦;关键工序:A、C、D、G;完工期:48周。
7.3表7-19给出了项目的工序明细表。
表7-19工序 A B C D E F G H I J K L M N 紧前工序- - - A,B B B,C E D,G E E H F,J I,K,L F,J,L 工序时间(天) 8 5 7 12 8 17 16 8 14 5 10 23 15 12 (1)绘制项目网络图。
(2)在网络图上求工序的最早开始、最迟开始时间。
(3)用表格表示工序的最早最迟开始和完成时间、总时差和自由时差。
(4)找出所有关键路线及对应的关键工序。
(5)求项目的完工期。
【解】(1)网络图(2)工序最早开始、最迟开始时间(3)用表格表示工序的最早最迟开始和完成时间、总时差和自由时差 工序 tT EST EFT LST LF 总时差S 自由时差F A 8 0 8 9 17 9 0 B 5 0 5 0 5 00 C 7 0 7 7 7 0 0 D 12 8 20 17 29 9 9 E 8 5 13 5 13 0 0 F 17 7 24 7 24 0 0 G 16 13 29 13 29 0 0 H 8 29 37 29 37 0 0 I 14 13 27 33 47 20 20 J 5 13 18 19 24 6 6 K 10 37 47 37 47 0 0 L 23 24 47 24 47 0 0 M154762 47 62 0 0 N 12 47 59506233(4)关键路线及对应的关键工序关键路线有两条,第一条:①→②→⑤→⑥→⑦→○11→○12;关键工序:B,E,G ,H,K,M 第二条:①→④→⑧→⑨→○11→○12;关键工序:C,F,L,M (5)项目的完工期为62天。
运筹学(第3版)习题答案第1章 线性规划 P36第2章 线性规划的对偶理论 P74 第3章 整数规划 P88 第4章 目标规划 P105第5章 运输与指派问题P142 第6章 网络模型 P173 第7章 网络计划 P195 第8章 动态规划 P218 第9章 排队论 P248 第10章 存储论P277 第11章 决策论P304第12章 多属性决策品P343 第13章 博弈论P371 全书420页第1章 线性规划1.1 工厂每月生产A 、B 、C 三种产品 ,单件产品的原材料消耗量、设备台时的消耗量、资源限量及单件产品利润如表1-23所示.310和130.试建立该问题的数学模型,使每月利润最大.【解】设x 1、x 2、x 3分别为产品A 、B 、C 的产量,则数学模型为123123123123123max 1014121.5 1.2425003 1.6 1.21400150250260310120130,,0Z x x x x x x x x x x x x x x x =++++≤⎧⎪++≤⎪⎪≤≤⎪⎨≤≤⎪⎪≤≤⎪≥⎪⎩ 1.2 建筑公司需要用5m 长的塑钢材料制作A 、B 两种型号的窗架.两种窗架所需材料规格及数量如表1-24所示:问怎样下料使得(1)用料最少;(2)余料最少. 【解设x j (j =1,2,…,10)为第j 种方案使用原材料的根数,则 (1)用料最少数学模型为10112342567368947910min 28002120026002239000,1,2,,10jj j Z x x x x x x x x x x x x x x x x x x j ==⎧+++≥⎪+++≥⎪⎪+++≥⎨⎪+++≥⎪⎪≥=⎩∑ (2)余料最少数学模型为2345681012342567368947910min 0.50.50.52800212002*********0,1,2,,10j Z x x x x x x x x x x x x x x x x x x x x x x x x j =++++++⎧+++≥⎪+++≥⎪⎪+++≥⎨⎪+++≥⎪⎪≥=⎩1.3某企业需要制定1~6月份产品A 的生产与销售计划。