多层混合结构房屋抗震设计
- 格式:ppt
- 大小:1.93 MB
- 文档页数:76
混合结构一般构造措施1 一般规定1.1 混合结构是指由钢框架、钢支撑框架、混合框架、或钢框筒、混合框筒与钢筋(或钢骨)混凝土核心筒(或剪力墙)组成的结构, 可分为双重抗侧力体系和非双重抗侧力体系。
1.2抗震设计的高层建筑混合结构应根据其使用功能的重要性分为甲、乙、丙三个抗震设防类别。
建筑抗震设防类别的划分和抗震设防标准应符合现行国家标准《建筑工程抗震设防分类标准》(GB50223)和《建筑抗震设计规范》(GB50011)的规定。
1.3 高层建筑混合结构不应采用严重不规则的结构体系, 并应符合下列要求:1应具有必要的承载能力、刚度和变形能力。
2应避免因部分结构或构件的破坏而导致整个结构丧失承受重力荷载、风荷载和地震作用的能力。
3 对可能出现的薄弱部位, 应采取有效措施予以加强。
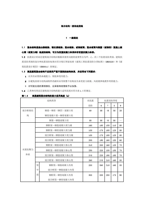
1.4乙类和丙类高层建筑混合结构的最大适用高度应符合表1.4的规定。
表1.4 高层建筑混合结构的最大适用高度(m)注: 1.当混合框架中的柱采用钢管混凝土或钢框架采用支撑框架时, 高度限值在有可靠依据时可适当防宽。
2.房屋高度指室外地面至主要屋面高度, 不包括局部突出屋面的水箱、电梯机房、构架等高度。
3.双重抗侧力体系非双重抗侧力体系应符合第5条的规定。
4.混合框架和钢骨混凝土剪力墙(核心筒)中的钢骨或钢管的延伸高度, 不应小于结构总高度的60%。
5.非双重抗侧力体系7度的最大适用高度仅适用于0.1g。
6.平面和竖向均不规则的结构或ⅳ类场地上的结构, 最大适用高度应适当降低。
1.5 多遇地震时, 高层建筑混合结构框架—剪力墙和框架—核心筒中框架部分的最小地震层剪力标准值应满足下式的要求, 式中框架部分层剪力分担率β的最小值应按表1.5取值;框架部分的最小地震层剪力也不应小于按结构整体分析得到的框架部分的地震层剪力。
V fi≥βV i (1.5)式中 V fi——地i楼层框架部分的地震层剪力;V i——地i楼层的总地震层剪力;β——框架部分的地震层剪力分担率。
《建筑抗震设计规范》(gb50011-2001)问答3.新规范中为何无烟囱、水塔等构筑物及钢筋混凝土异型柱结构的抗震设计内容?嵌固条件较好一般指下面两种情况:60.对医院、教学楼等横墙较少的多层砌体范围可否按7.3.14条的规定采取加强措施并满足抗震承载力要求,其高度和层数仍按表7.1.2的规定采用?3.新规范中为何无烟囱、水塔等构筑物及钢筋混凝土异型柱结构的抗震设计内容?嵌固条件较好一般指下面两种情况:60.对医院、教学楼等横墙较少的多层砌体范围可否按7.3.14条的规定采取加强措施并满足抗震承载力要求,其高度和层数仍按表7.1.2的规定采用?9.住宅工程中顶层为坡屋顶,屋顶是否需设水平楼板?顶层为坡屋顶时层高有无限制?总高度应如何计算?《建筑抗震设计规范》(gb50011-2001)第7章的适用范围是烧结普通粘土砖、烧结多孔粘土砖、混凝土小型空心砌块等及材料性能满足要求的烧结砖和蒸压砖砌体承重的多层房屋,以及底层或底部二层框架-抗震墙和多层的多排柱内框架砖砌体房屋。
多层砌体房屋中采用砌体墙和现浇钢筋混凝土墙混合承重的结构类型,在建筑方案和结构布置上超出了抗震规范第7章的适用范围,不符合国家标准的规定,属于超规范、规程设计。
1)山墙和钢筋混凝土排架柱结构材料不同,不仅侧移刚度不同,而且承载力也不同,在地震作用下,山墙和钢筋混凝土排架柱的受力和位移不协调不利抗震,可导致结构破坏,这种震害不少。
32.若多层砌体房屋的层数低于规范表7.3.1中砖房构造柱设置要求的最低层数,其构造柱应如何设置?在砖房总高度、总层数已达限值的情况下,若在其上再加一层轻钢结构房屋,因抗震规范中无此种结构形式的有关要求,两种结构的阻尼比不同,上下部分刚度存在突变,属于超规范、超规程设计,设计时应按国务院《建筑工程勘察设计管理条例》第29条的要求执行,即需由省级以上有关部门组织的建设工程技术专家委员会进行审定。
29.钢筋混凝土柱厂房为什么不采用山墙(砌体隔墙)承重?24.新规范中第7.1.8条1款要求底部框架-抗震墙房屋结构布置中,上部砌体抗震墙与底部框架梁或抗震墙对齐或基本对齐,在定量上如何把握?30.规范规定多层砌体房屋的总高度指室外地面到主要屋面板顶或檐口的高度,半地下室从地下室地面算起,全地下室和嵌固条件较好的半地下室允许从室外地面算起,嵌固条件较好一般是指什么情况?2)屋盖系统(屋面板、屋架和支撑)在两个端部不封闭,屋盖地震作用传递途径变化,在6度时山尖墙就有震害,其破坏后将引起屋盖的破坏。
砖混结构房屋抗震加固方法介绍2010-05-03 09:53关键词:抗震;加固;砖混结构;施工方法多层砖混结构房屋是我国现存民用建筑中主要的结构形式之一。
砖混结构房屋占我国民用建筑总量的百分之九十以上。
刚刚发生的汶川大地震,多层砖混结构破坏十分严重。
事实再一次证明:做好现有的未经抗震设计砖混结构房屋的抗震加固是十分必要的,保证现有的砖混结构民用住宅、重要建筑在地震中不倒是工程界急需解决的热点问题之一。
1 砖混结构抗震加固方法简介从结构抗震机理出发,抗震加固可以分为减小地震作用加固法、增大结构抗震能力加固法和多道防线抗震加固法。
减小地震作用主要是通过增大结构周期或加大结构阻尼来实现,一般应用于大型公共建筑的抗震加固,如北京火车站中央大厅、北京饭店西楼等;增大结构抗震能力的加固方法,如增大墙体抗震性能的外包钢筋混凝土面层、钢筋网水泥砂浆面层加固法;增大结构整体性的压力灌浆加固法、增设圈梁(构造柱)加固法、拉结钢筋加固法;通过增设抗震墙来降低抗震能力薄弱构件所承受地震作用的增设墙体法等,这些方法施工相对简单,大量应用于多层的砖混结构当中,尤其是民用建筑中。
多道抗震防线加固是建筑物采用多重抗侧力体系,第一道防线的的抗侧力构件在强烈的地震作用下遭到破坏后,后备的第二道乃至第三道防线的抗侧力构件立即接替,抵挡后续的地震冲击,可保证建筑物安最低限度的全,免于倒塌。
从结构抗震加固方法[1]上来讲,抗震加固施工方法主要有外加固法,内加固法,夹板墙加固法。
外加固法一般结合砖混结构的层数及抗震鉴定的结果,需要在建筑外侧增加不同数量的构造柱,圈梁,以及保证构造柱、圈梁和抗震墙体协同工作的拉杆。
这种方法一般不占用室内建筑面积,用于住宅楼,对住户影响较小,但对建筑立面造型影响较大;内加固法基本原理同外加固法,也需要增设构造柱,圈梁及拉杆,必要时,如原有抗震墙体间距过大,需加设抗震墙体,内加固法不会改变建筑立面造型,一般适用于公共建筑,特别是临街建筑;夹板墙加固法为在加固原有抗震墙体的基础上提高抗震性能,目前最常用的是钢筋网水泥砂浆面层加固法,即在要加固墙体的单面或双面加设钢筋网,用锚筋、插入短筋、拉结筋等方法把钢筋网四周与楼板或大梁、柱或墙体连接。
抗震结构设计第四版答案【篇一:《抗震结构设计》模拟试题1-4及答案 2】xt>一、填空题1、根据建筑使用功能的重要性,按其受地震破坏时产生的后果,将建筑分为、个抗震设防类别。
2、多层混合结构房屋的结构布置方案应优先采用结构布置方案,其次采用结构布置方案。
3、建筑场地类别的划分主要根据和因为场地覆盖层厚度对建筑物的震害有一定影响。
4和采用不同的抗震等级,并应符合相应的计算和构造措施要求。
5、建筑结构抗震验算基本方法包括和。
二、名词解释1、场地2、液化3、时程分析法4、抗震设防烈度5、地震影响系数三、简答题1、简述建筑场地类别划分依据?2、影响液化的因素主要有哪些?3、简述两阶段设计的基本内容。
4、什么是“强柱弱梁”?四、计算题1、计算7度时三层砖房的各楼层地震作用标准值和总水平地震作用标准值。
各楼层的重力荷载代表值和层高度见表1 表12eiiiti《抗震结构设计》模拟试题一答案一、填空1、甲类、已类、丙类、丁类。
2、横墙承重、纵横墙承重3、土层的等效剪切波速,场地的覆盖层厚度。
4、建筑物的类型,高度 5、结构抗震承载力的验算,结构抗震变形验算。
二、名词解释1、场地:指建筑物所在的区域,其范围大体相当于厂区、居民点和自然村的区域,范围不应太小,一般不小于0.5km2。
2、液化:指物体有固体转化为液体的一种现象。
3、时程分析法:是由建筑结构的基本运动方程,输入对应于建筑场地的若干条地震加速度记录或人工加速度波形(时程曲线),通过积分计算求得在地面加速度随时间变化周期内结构内力和变形状态随时间变化的全过程,并以此进行结构构件截面抗震承载力验算和变形验算。
4、抗震设防烈度:按国家规定权限批准作为一个地区抗震设防依据的地震烈度。
5、地震影响系数:即设计反应谱,它是地震系数(地面峰值加速度与重力加速度的比值)与地震动力放大系数(或称标准反应谱)的乘积。
它与建筑所在地的设防烈度、影响本地区的地震的震级和震中距,以及建筑场地条件有关,是根据现有的实际强地震记录的反应谱统计分析并结合我国的经济条件确定的。
建筑抗震设计规范1总则1.0.1为贯彻执行国家有关建筑工程、防震减灾的法律法规并实行以预防为主的方针,使建筑经抗震设防后,减轻建筑的地震破坏,避免人员伤亡,减少经济损失,制定本规范。
按本规范进行抗震设计的建筑,其基本的抗震设防目标是:当遭受低于本地区抗震设防烈度的多遇地震影响时,主体结构不受损坏或不需修理可继续使用;当遭受相当于本地区抗震设防烈度的设防地震影响时,可能发生损坏,但经一般性修理仍可继续使用;当遭受高于本地区抗震设防烈度的罕遇地震影响时,不致倒塌或发生危及生命的严重破坏。
使用功能或其他方面有专门要求的建筑,当采用抗震性能化设计时,具有更具体或更高的抗震设防目标。
1.0.2抗震设防烈度为6度及以上地区的建筑,必须进行抗震设计。
1.0.3本规范适用于抗震设防烈度为6、7、8和9度地区建筑工程的抗震设计以及隔震、消能减震设计。
建筑的抗震性能化设计,可采用本规范规定的基本方法。
抗震设防烈度大于9度地区的建筑及行业有特殊要求的工业建筑,其抗震设计应按有关专门规定执行。
注:本规范“6度、7度、8度、9度”即“抗震设防烈度为6度、7度、8度、9度”的简称。
1.0.4抗震设防烈度必须按国家规定的权限审批、颁发的文件(图件)确定。
1.0.5一般情况下,建筑的抗震设防烈度应采用根据中国地震动参数区划图确定的地震基本烈度(本规范设计基本地震加速度值所对应的烈度值)。
1.0.6建筑的抗震设计,除应符合本规范要求外,尚应符合国家现行有关标准的规定。
2术语和符号2.1术语2.1.1抗震设防烈度seismic precautionary intensity按国家规定的权限批准作为一个地区抗震设防依据的地震烈度。
一般情况,取50年内超越概率10%的地震烈度。
2.1.2抗震设防标准seismic precautionary criterion衡量抗震设防要求高低的尺度,由抗震设防烈度或设计地震动参数及建筑抗震设防类别确定。
浅谈砖混结构上部轻钢加层的加固以及设计合某多层砖混结构加层的设计改造项目,叙述了加层的可行性,提出了一种轻钢与砖混组成的混合结构的实用抗震计算分析方法。
本文结合工程实例,分析了原结构为砖混结构,上部采用轻钢结构加层时,对原有下部结构的加固处理方法。
标签:轻钢加层;抗震加固;反梁房屋加层是指在原有房屋的顶层再往上增加楼层。
加层前必须对原建筑的设计、施工、使用情况及现状进行充分、全面的调查分析,并由有关部门出具房屋抗震能力鉴定报告,决定是否加固,是进行抗震加固还是强度加固,或者是同时进行抗震、强度加固,同时考虑地震作用时加层部分的鞭鞘效应。
加层计算应对原有建筑的承载力进行验算,包括地基承载力验算;砖混结构的承重墙承载力验算;原屋面板改为楼面板,其承载力的验算;原顶层楼梯梁的验算。
砖混结构的加固方法有多种:扩大砌体截面加固、外加钢筋混凝土加固、外包钢加固、钢筋网水泥砂浆层加固、增加圈梁、拉杆等。
1.墙体的补强与加固1.1新设抗震墙当多层砖混房屋抗震横墙的最大间距不满足GB 50011-2010《建筑抗震设计规范》时,应采取的措施:(1)使用上允许将大开间改为小开间时,在抗震横墙间距超限值处增设新的抗震横墙。
若建筑平面不允许增设抗震横墙时,可采取加强楼面及屋面刚度的方法。
(2)原有隔墙为轻质隔墙时,可将其拆除后改为抗震横墙。
原有隔墙为半砖墙时,可采取双面夹板墙加固成抗震墙。
(3)新加或改造的抗震墙,均应自下至上连续贯通,确保剪力往下传递,如上层不需设抗震横墙可在该层终止。
(4)对于平面形状复杂、质量和刚度分布很不均匀的房屋,应该着重验算质量中心和刚度中心的偏心距。
当偏心率2e/L≤0.1,7度时可不计算扭转的影响;当偏心率2e/L≤0.05,8、9度时可不计算扭转的影响(L为房屋的长度)。
当偏心率超过上述限制时,可结合加固增加抗震墙或夹板墙,将偏心距减小到许可范围,减小扭转的影响。
如隔墙原来无基础,则应新增基础。
四种抗震房屋介绍1、木柱人字架坡顶房(四脚落地式)这类房屋的主要抗震措施有:①在梁柱节点处加斜撑;②屋架间加剪力撑;③山柱移至里墙皮;④隔墙采用轻质材料。
屋顶可以做成泥顶或瓦顶。
2、砖墙承重房屋(硬搁式)主要抗震措施:①水泥白灰混合砂浆砌筑墙体,砂浆标号应大于10号;②檐口转角部位可配置适当钢筋;③中间的两个人字架房屋用螺栓与外墙锚固在一起;④屋架中间用剪刀撑来加强稳定性。
屋面可以用水泥或粘土瓦制成。
3、平顶房屋主要抗震措施:①门架梁柱间加斜撑;②屋面厚度不超过20厘米;③土柱与檐檩间加斜撑;④内外墙同时咬砌,砂浆标号不小于10号,窗户不要开得太大,窗边至山墙的宽度不小于24厘米;(5)烟囱不能削弱墙体。
4、硬山搁檩四出檐式砖房或土房硬山搁檩砖房的外墙厚37厘米,内墙24厘米,砂浆标号不低于10号,在檐头转角和丁字接头部位可适当配用钢筋或 8号铅丝,并注意檩条与墙的锚固。
硬山搁檩土坯房可在基础上砌50-80厘米左右石墙或砖墙柱,以利防洪;屋面可做成草顶或瓦顶,坡度为1:2。
一、新房优于二手房老房从抗震的角度来说,一般老房子在这方面考虑得比较少,标准也相应较低,而在上世纪90年代之后,新建的建筑在这方面都有比较高的要求,在抗震性能上是可以放心的。
一般说抗震标准会根据实际情况每10年进行一次调整,随着社会经济各方面的发展,它也是越来越严格,标准也在不断地提高。
从这一点来说,年代越是久远的房子抗震性能就要差一些。
二、钢结构住宅抗震力强住宅最常见的建筑结构形式主要包括:钢结构、框架结构、砖混结构。
其中,钢结构住宅抗震力最强,框架结构次之,砖混结构最后。
钢结构,是以钢材制作为主的结构。
钢材的特点是强度高、自重轻、刚度大,由于钢材料的匀质性和韧性好,可有较大变形,能很好地承受动力荷载,具有很好的抗震能力。
框架结构,(目前,高层住宅的建筑结构主要采用这种方式。
)即由钢筋混凝土浇灌成承重梁柱,组成骨架,再用空心砖或预制的加气混凝土、膨胀珍珠岩、陶粒等轻质板材作隔墙分户装配而成的住宅结构。