矩阵键盘单片机识别实验与程序
- 格式:docx
- 大小:58.18 KB
- 文档页数:11
51单片机矩阵键盘原理51单片机矩阵键盘原理矩阵键盘是一种常用的输入设备,可以通过少量的I/O口控制多个按键。
51单片机作为嵌入式系统中常用的控制器,也可以通过控制矩阵键盘来实现输入功能。
1. 矩阵键盘的结构矩阵键盘由多个按键组成,每个按键都有一个引脚与其他按键共用,形成了一个按键矩阵。
例如,4x4的矩阵键盘有16个按键,其中每行和每列各有4个引脚。
2. 矩阵键盘的工作原理当用户按下某一个按键时,该按键所在行和列之间会形成一个电路通路。
这时,51单片机可以通过扫描所有行和列的电路状态来检测到用户所按下的具体按键。
具体实现过程如下:(1)将每一行引脚设置为输出状态,并将其输出高电平;(2)将每一列引脚设置为输入状态,并开启上拉电阻;(3)逐一扫描每一行引脚,当发现某一行被拉低时,则表示该行对应的某一个按键被按下;(4)记录下该行号,并将该行引脚设置为输入状态,其余行引脚设置为输出状态;(5)逐一扫描每一列引脚,当发现某一列被拉低时,则表示该列对应的是刚才所记录下的行号及其对应的按键;(6)通过行号和列号确定具体按键,并进行相应的处理。
3. 代码实现下面是一个简单的51单片机矩阵键盘扫描程序:```c#include <reg52.h> //头文件sbit row1 = P1^0; //定义引脚sbit row2 = P1^1;sbit row3 = P1^2;sbit row4 = P1^3;sbit col1 = P1^4;sbit col2 = P1^5;sbit col3 = P1^6;sbit col4 = P1^7;unsigned char keyscan(void) //函数定义{unsigned char keyvalue; //定义变量while(1) //循环扫描{row1=0;row2=row3=row4=1; //设置行状态 if(col1==0){keyvalue='7';break;} //读取按键值 if(col2==0){keyvalue='8';break;}if(col3==0){keyvalue='9';break;}if(col4==0){keyvalue='/';break;}row2=0;row1=row3=row4=1;if(col1==0){keyvalue='4';break;}if(col2==0){keyvalue='5';break;}if(col3==0){keyvalue='6';break;} if(col4==0){keyvalue='*';break;}row3=0;row1=row2=row4=1; if(col1==0){keyvalue='1';break;} if(col2==0){keyvalue='2';break;} if(col3==0){keyvalue='3';break;} if(col4==0){keyvalue='-';break;}row4=0;row1=row2=row3=1; if(col1==0){keyvalue='C';break;} if(col2==0){keyvalue='0';break;} if(col3==0){keyvalue='=';break;} if(col4==0){keyvalue='+';break;}}return keyvalue; //返回按键值}void main() //主函数{unsigned char key;while(1) //循环读取{key = keyscan(); //调用函数}}```以上代码实现了一个简单的矩阵键盘扫描程序,可以通过调用`keyscan()`函数来获取用户所按下的具体按键值。
实验一矩阵键盘检测一、实验目的:1、学习非编码键盘的工作原理和键盘的扫描方式。
2、学习键盘的去抖方法和键盘应用程序的设计。
二、实验设备:51/AVR实验板、USB连接线、电脑三、实验原理:键盘接口电路是单片机系统设计非常重要的一环,作为人机交互界面里最常用的输入设备。
我们可以通过键盘输入数据或命令来实现简单的人机通信。
1、按键的分类一般来说,按键按照结构原理可分为两类,一类是触点式开关按键,如机械式开关、导电橡胶式开关等;另一类是无触点式开关按键,如电气式按键,磁感应按键等。
前者造价低,后者寿命长。
目前,微机系统中最常见的是触点式开关按键(如本学习板上所采用按键)。
按键按照接口原理又可分为编码键盘与非编码键盘两类,这两类键盘的主要区别是识别键符及给出相应键码的方法。
编码键盘主要是用硬件来实现对键的识别,非编码键盘主要是由软件来实现键盘的识别。
全编码键盘由专门的芯片实现识键及输出相应的编码,一般还具有去抖动和多键、窜键等保护电路,这种键盘使用方便,硬件开销大,一般的小型嵌入式应用系统较少采用。
非编码键盘按连接方式可分为独立式和矩阵式两种,其它工作都主要由软件完成。
由于其经济实用,较多地应用于单片机系统中(本学习板也采用非编码键盘)。
2、按键的输入原理在单片机应用系统中,通常使用机械触点式按键开关,其主要功能是把机械上的通断转换成为电气上的逻辑关系。
也就是说,它能提供标准的TTL 逻辑电平,以便与通用数字系统的逻辑电平相容。
此外,除了复位按键有专门的复位电路及专一的复位功能外,其它按键都是以开关状态来设置控制功能或输入数据。
当所设置的功能键或数字键按下时,计算机应用系统应完成该按键所设定的功能。
因此,键信息输入是与软件结构密切相关的过程。
对于一组键或一个键盘,通过接口电路与单片机相连。
单片机可以采用查询或中断方式了解有无按键输入并检查是哪一个按键按下,若有键按下则跳至相应的键盘处理程序处去执行,若无键按下则继续执行其他程序。
《单片机原理及应用》课程设计题目:4×4矩阵式键盘与单片机连接与编程专业:测控技术与仪器班级:机电082-1 姓名:学号:指导老师:组员:( 2011.7 .13)目录第1节引言 (2)1.1 4*4矩阵式键盘系统概述 (2)1.2 本设计任务和主要内容 (3)第2节系统主要硬件电路设计 (4)2.1 单片机控制系统原理 (4)2.2 单片机主机系统电路 (5)2.2.1 时钟电路 (8)2.2.2 复位电路 (8)2.2.3 矩阵式键盘电路 (8)2.3 译码显示电路 (9)第3节系统软件设计 (13)3.1 软件流程图 (13)3.2 系统程序设计 (14)第4节结束语 (17)参考文献 (18)第一节引言矩阵式键盘乃是当今使用最为广泛的键盘模式,该系统以N个端口连接控制N*N个按键,即时在LED数码管上。
单片机控制的据这是键盘显示系统,该系统可以对不同的按键进行实时显示,其核心是单片机和键盘矩阵电路部分,主要对按键与显示电路的关系、矩阵式技术及设备系统的硬件、软件等各个部分进行实现。
1.1 4*4矩阵式键盘识别显示系统概述矩阵式键盘模式以N个端口连接控制N*N个按键,实时在LED数码管上显示按键信息。
显示按键信息,既降低了成本,又提高了精确度,省下了很多的I/O端口为他用,相反,独立式按键虽编程简单,但占用I/O口资源较多,不适合在按键较多的场合应用。
并且在实际应用中经常要用到输入数字、字母、符号等操作功能,如电子密码锁、电话机键盘、计算器按键等,至少都需要12到16个按键,在这种情况下如果用独立式按键的话,显然太浪费I/O端口资源,为了解决这一问题,我们使用矩阵式键盘。
矩阵式键盘简介:矩阵式键盘又称行列键盘,它是用N条I/O线作为行线,N条I/O线作为列线组成的键盘。
在行线和列线的每个交叉点上设置一个按键。
这样键盘上按键的个数就为N*N个。
这种行列式键盘结构能有效地提高单片机系统中I/O口的利用率。
一、实验目的1.掌握4×4矩阵式键盘程序识别原理2.掌握4×4矩阵式键盘按键的设计方法二、设计原理(1)如图14.2所示,用单片机的并行口P3连接4×4矩阵键盘,并以单片机的P3.0-P3.3各管脚作输入线,以单片机的P3.4-P3.7各管脚作输出线,在数码管上显示每个按键“0-F”的序号(2)键盘中对应按键的序号排列如图14.1所示三、参考电路740)this.width=740" border=undefined>图14.2 4×4矩阵式键盘识别电路原理图740)this.width=740" border=undefined>图14.1 4×4键盘0-F显示740)this.width=740" border=undefined>图14.3 4×4矩阵式键盘识别程序流程图四、电路硬件说明(1)在“单片机系统”区域中,把单片机的P3.0-P3.7端口通过8联拨动拨码开关JP3连接到“4×4行列式键盘”区域中的M1-M4,N1-N4端口上(2)在“单片机系统”区域中,把单片机的P0.0-P0.7端口连接到“静态数码显示模块”区域中的任何一个a-h端口上;要求:P0.0对应着a,P0.1对应着b,……,P0.7对应着h五、程序设计内容(1)4×4矩阵键盘识别处理(2)每个按键都有它的行值和列值,行值和列值的组合就是识别这个按键的编码矩阵的行线和列线分别通过两并行接口和CPU通信键盘的一端(列线)通过电阻接VCC,而接地是通过程序输出数字“0”实现的键盘处理程序的任务是:确定有无键按下,判断哪一个键按下,键的功能是什么?还要消除按键在闭合或断开时的抖动两个并行口中,一个输出扫描码,使按键逐行动态接地;另一个并行口输入按键状态,由行扫描值和回馈信号共同形成键编码而识别按键,通过软件查表,查出该键的功能六、程序流程图(如图14.3所示)七、汇编源程序;;;;;;;;;;定义单元;;;;;;;;;;COUNT EQU 30H;;;;;;;;;;入口地址;;;;;;;;;;ORG 0000HLJMP STARTORG 0003HRETIORG 000BHRETIORG 0013HRETIORG 001BHRETIORG 0023HRETIORG 002BHRETI;;;;;;;;;;主程序入口;;;;;;;;;;ORG 0100HSTART: LCALL CHUSHIHUA LCALL PANDUANLCALL XIANSHILJMP START ;;;;;;;;;;初始化程序;;;;;;;;;; CHUSHIHUA: MOV COUNT#00H RET;;;;;;;;;;判断哪个按键按下程序;;;;;;;;;; PANDUAN: MOV P3#0FFHCLR P3.4MOV A P3ANL A#0FHXRL A#0FHJZ SW1LCALL DELAY10MSJZ SW1MOV A P3ANL A#0FHCJNE A#0EH K1MOV COUNT#0LJMP DKK1: CJNE A#0DH K2MOV COUNT#4LJMP DKK2: CJNE A#0BH K3 MOV COUNT#8 LJMP DKK3: CJNE A#07H K4 MOV COUNT#12K4: NOPLJMP DKSW1: MOV P3#0FFH CLR P3.5MOV A P3ANL A#0FHXRL A#0FHJZ SW2LCALL DELAY10MS JZ SW2MOV A P3ANL A#0FHCJNE A#0EH K5 MOV COUNT#1 LJMP DKK5: CJNE A#0DH K6 MOV COUNT#5 LJMP DKK6: CJNE A#0BH K7 MOV COUNT#9 LJMP DKK7: CJNE A#07H K8 MOV COUNT#13K8: NOPLJMP DKSW2: MOV P3#0FFH CLR P3.6MOV A P3ANL A#0FHXRL A#0FHJZ SW3LCALL DELAY10MS JZ SW3MOV A P3ANL A#0FHCJNE A#0EH K9 MOV COUNT#2 LJMP DKK9: CJNE A#0DH KA MOV COUNT#6 LJMP DKKA: CJNE A#0BH KB MOV COUNT#10 LJMP DKKB: CJNE A#07H KC MOV COUNT#14 KC: NOPLJMP DKSW3: MOV P3#0FFH CLR P3.7MOV A P3ANL A#0FHXRL A#0FHJZ SW4LCALL DELAY10MSJZ SW4MOV A P3ANL A#0FHCJNE A#0EH KDMOV COUNT#3LJMP DKKD: CJNE A#0DH KE MOV COUNT#7LJMP DKKE: CJNE A#0BH KF MOV COUNT#11LJMP DKKF: CJNE A#07H KG MOV COUNT#15KG: NOPLJMP DKSW4: LJMP PANDUAN DK: RET ;;;;;;;;;;显示程序;;;;;;;;;; XIANSHI: MOV A COUNT MOV DPTR#TABLE MOVC A@A+DPTRMOV P0 ALCALL DELAYSK: MOV A P3ANL A#0FHXRL A#0FHJNZ SKRET ;;;;;;;;;;10ms延时程序;;;;;;;;;;DELAY10MS: MOV R6#20D1: MOV R7#248DJNZ R7$DJNZ R6D1RET;;;;;;;;;;200ms延时程序;;;;;;;;;;DELAY: MOV R5#20LOOP: LCALL DELAY10MSDJNZ R5LOOPRET;;;;;;;;;;共阴码表;;;;;;;;;;TABLE: DB 3FH06H5BH4FH66H6DH7DH07H DB 7FH6FH77H7CH39H5EH79H71H ;;;;;;;;;;结束标志;;;;;;;;;;END八、C语言源程序#include<AT89X51.H>unsigned char code table[]={0x3f0x660x7f0x390x060x6d0x6f0x5e0x5b0x7d0x770x790x4f0x070x7c0x71};void main(void){ unsigned char i j k key;while(1){ P3=0xff; //给P3口置1//P3_4=0; //给P3.4这条线送入0//i=P3;i=i&0x0f; //屏蔽低四位//if(i!=0x0f) //看是否有按键按下//{ for(j=50;j>0;j--) //延时//for(k=200;k>0;k--);if(i!=0x0f) //再次判断按键是否按下//{ switch(i) //看是和P3.4相连的四个按键中的哪个// { case 0x0e:key=0;break;case 0x0d:key=1;break;case 0x0b:key=2;break;case 0x07:key=3;break;}P0=table[key]; //送数到P0口显示//}}P3=0xff;P3_5=0; //读P3.5这条线//i=P3;i=i&0x0f; //屏蔽P3口的低四位//if(i!=0x0f) //读P3.5这条线上看是否有按键按下// { for(j=50;j>0;j--) //延时//for(k=200;k>0;k--);i=P3; //再看是否有按键真的按下//i=i&0x0f;if(i!=0x0f){ switch(i) //如果有显示相应的按键//{ case 0x0e:key=4;break;case 0x0d:key=5;break;case 0x0b:key=6;break;case 0x07:key=7;break;}P0=table[key]; //送入P0口显示//}}P3=0xff;P3_6=0; //读P3.6这条线上是否有按键按下// i=P3;i=i&0x0f;if(i!=0x0f){ for(j=50;j>0;j--)for(k=200;k>0;k--);i=P3;i=i&0x0f;if(i!=0x0f){ switch(i){ case 0x0e:key=8;break;key=9;break;case 0x0b:key=10;break;case 0x07:key=11;break;}P0=table[key];}}P3=0xff;P3_7=0; //读P3.7这条线上是否有按键按下// i=P3;i=i&0x0f;if(i!=0x0f){ for(j=50;j>0;j--)for(k=200;k>0;k--);i=P3;i=i&0x0f;if(i!=0x0f){ switch(i){ case 0x0e:key=12;break;case 0x0d:key=13;break;key=14;break;case 0x07:key=15;break;}P0=table[key];}}}}九、注意事项在硬件电路中,要把8联拨动拨码开关JP2拨下,把8联拨动拨码开关JP3拨上去。
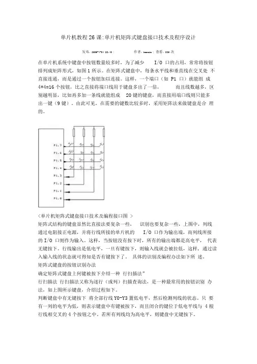
单片机教程26课:单片机矩阵式键盘接口技术及程序设计发布:2009-4-04 22:40 | 作者:hnrain | 查看:885 次在单片机系统中键盘中按钮数量较多时,为了减少I/O 口的占用,常常将按钮排列成矩阵形式,如图1所示。
在矩阵式键盘中,每条水平线和垂直线在交叉处不直接连通,而是通过一个按钮加以连接。
这样,一个端口(如P1 口)就能组成4*4=16个按钮,比之直接将端口线用于键盘多出了一倍,而且线数越多,区别越明显,比如再多加一条线就能组成20键的键盘,而直接用端口线则只能多出一键(9键)。
由此可见,在需要的键数比较多时,采用矩阵法来做键盘是合理的。
<单片机矩阵式键盘接口技术及编程接口图>矩阵式结构的键盘显然比直接法要复杂一些,识别也要复杂一些,上图中,列线通过电阻接正电源,并将行线所接的单片机的I/O 口作为输出端,而列线所接的I/O 口则作为输入。
这样,当按钮没有按下时,所有的输出端都是高电平,代表无键按下。
行线输出是低电平,一旦有键按下,则输入线就会被拉低,这样, 通过读入输入线的状态就可得知是否有键按下了。
具体的识别及编程办法如下所述。
矩阵式键盘的按钮识别办法确定矩阵式键盘上何键被按下介绍一种行扫描法”行扫描法行扫描法又称为逐行(或列)扫描查询法,是一种最常用的按钮识别办法,如上图所示键盘,介绍过程如下。
判断键盘中有无键按下将全部行线Y0-Y3置低电平,然后检测列线的状态。
只要有一列的电平为低,则表示键盘中有键被按下,而且闭合的键位于低电平线与4根行线相交叉的4个按钮之中。
若所有列线均为高电平,则键盘中无键按下。
判断闭合键所在的位置在确认有键按下后,即可进入确定具体闭合键的过程。
其办法是:依次将行线置为低电平,即在置某根行线为低电平时,其它线为高电平。
在确定某根行线位置为低电平后,再逐行检测各列线的电平状态。
若某列为低,则该列线与置为低电平的行线交叉处的按钮就是闭合的按钮。
单片机矩阵键盘扫描的两种方式单片机矩阵键盘扫描的两种方式矩阵键盘扫描方式:第一种:逐行扫描法,就是一行一行的扫描。
实现代码如下(键盘连接P2口):#define NO_KEY 0XFF#define KEY_LO() P2 &= 0XF0#define KEY_HI() P2 |= 0X0F#define KEY_L(i) P2 &= ~(1<<i)#define KEY_RD() ((P2>>4) & 0x0f)UINT8 OnceKey(void){UINT8 line = 0;UINT8 key = NO_KEY;//key valueKEY_LO();if (KEY_RD() == 0X0F){KEY_HI();return NO_KEY;}for (line=0; line<4; line ++){KEY_HI();KEY_L(line);key = KEY_RD();switch (key){case ROW_FIRST:key = 4*line + 0;break;case ROW_SECOND:key = 4*line + 1;break;case ROW_THIRD:key = 4*line + 2;break;case ROW_FOURTH:key = 4*line +3;break;default :key = 0x0f;break;}if (key < 0x10){return key;}}return NO_KEY;}第二种,线性反转法。
就是行和列分别读出。
实现代码如下:#define CVT(i) ((i)==(~1)&0x0f)? 0: ((i)==(~2)&0x0f)? 1: ((i)==(~4)&0x0f)? 2: ((i)==(~8)&0x0f)? 3: 4;#define KEY0_3HI() P2 |= 0X0F#define KEY0_3LO() P2 &= 0XF0#define KEY4_7HI() P2 |= 0XF0#define KEY4_7LO() P2 &= 0X0F#define KEY0_3RD() (P2 & 0X0F)#define KEY4_7RF() ((P2>>4) & 0X0F)UINT8 OnceKey(void){UINT8 line = NO_KEY;UINT8 row = NO_KEY;UINT8 key;KEY0_3HI();KEY4_7LO();line = KEY0_3RD();//读入行的值if (0x0f == line){key = NO_KEY;}else{KEY0_3LO();KEY4_7HI();row = KEY4_7RD();//读入列的值if (0x0f == row){key = NO_KEY;}else{key = CVT(line)*4 + CVT(row);}}KEY0_3HI();KEY4_7HI();return key; }。
键盘是单片机常用输入设备,在按键数量较多时,为了节省I/O口等单片机资源,一般采取扫描的方式来识别到底是哪一个键被按下。
即通过确定被按下的键处在哪一行哪一列来确定该键的位置,获取键值以启动相应的功能程序。
矩阵键盘的四列依次接到单片机的P1.0~P1.3,四行依次接到单片机的P1.4~P1.7;同时,将列线上拉,通过10K电阻接电源。
查找哪个按键被按下的方法为:一个一个地查找。
先第一行输出0,检查列线是否非全高;否则第二行输出0,检查列线是否非全高;否则第三行输出0,检查列线是否非全高;如果某行输出0时,查到列线非全高,则该行有按键按下;根据第几行线输出0与第几列线读入为0,即可判断在具体什么位置的按键按下。
下面是具体程序:void Check_Key(void){unsigned char row,col,tmp1,tmp2;tmp1 = 0x10;//tmp1用来设置P1口的输出,取反后使P1.4~P1.7中有一个为0for(row=0;row<4;row++) // 行检测{P1 = 0x0f; // 先将p1.4~P1.7置高P1 =~tmp1; // 使P1.4~p1.7中有一个为0tmp1*=2; // tmp1左移一位if ((P1 & 0x0f) < 0x0f)// 检测P1.0~P1.3中是否有一位为0,只要有,则说明此行有键按下,进入列检测{tmp2 = 0x01; // tmp2用于检测出哪一列为0for(col =0;col<4;col++) // 列检测{if((P1 & tmp2)==0x00)// 该列如果为低电平则可以判定为该列{key_val =key_Map[ row*4 +col ];// 获取键值,识别按键;key_Map为按键的定义表return; // 退出循环}tmp2*=2; // tmp2左移一位}}}} //结束。
学号姓名专业电气工程及其自动化班级实验5 行列式键盘实验一、实验目的(1)、学习掌握行列式键盘接口方法(2)、学习掌握行列式键盘编程方法。
二、实验内容用单片机P1口接4*4键盘,P0口接共阳数码管,编程实现键字的显示。
P1.0-P1.3为行,P1.4-P1.7为列。
先给端口设处置FEH,相当于给第一行置0,然后分写列值,如果对应的列值为0,说明该行与该列交叉处的键是按下的,接下来扫描第二行,与第一行的操作相同。
这就是行列式键盘扫描原理。
当扫描到某行的键按下时,就退出扫描,然后取键值,再将键值对应的额编码送P0端口显示。
三、实验设备计算机(已安装Keil和Proteus软件)元器件:A T89C51, CAP, CAP-ELEC, CRYSTAL, RES, 7SEG-COM-AN-GRN, RESPACK-7, BUTTON四、实验硬件电路实验源程序:#include<reg51.h>charled_mod[]={0x3f,0x06,0x5b,0x4f,0x66,0x6d,0x7d,0x07,0x6f,0x77,0x7c,0x58,0x5e,0x79,0x7 1};charkey_buf[]={0xee,0xde,0xbe,0x7e,0xed,0xdd,0xbd,0x7d,0xeb,0xdb,0xbb,0x7b,0xe7,0xd7,0xb7,0x 77};char getkey(void){char key_scan[]={0xef,0xdf,0xbf,0x7f};char i=0,j=0;for(i=0;i<4;i++){P1=key_scan[i];if((P1&0x0f)!=0x0f){for(j=0;j<16;j++){if(key_buf[j]==P1)return j;}}}return -1;}void main(void){char key=0;P0=0x00;while(1){key=getkey();if(key!=1)P0=~led_mod[key]; }}五、实验要求(1)、根据实验内容设计相应的调试程序,并通过仿真,运行正确。
5、4×4键盘矩阵按键实验一、实验目的及要求键盘实质上是一组按键开关的集合。
通常,键盘开关利用了机械触点的合、断作用。
键的闭合与否,反映在行线输出电压上就是呈高电平或低电平,如果高电平表示键断开,低电平则表示键闭合,反之也可。
通过对行线电平高低状态的检测,便可确认按键按下与否。
为了确保CPU对一次按键动作只确认一次按键有效,还必须消除抖动。
当按键较多时会占用更多的控制器端口,为减少对端口的占用,可以使用行列式键盘接口,本实验中采用的4×4键盘矩阵可以大大减少对单片机的端口占用,但识别按键的代码比独立按键的代码要复杂一些。
在识别按键时使用了不同的扫描程序代码,程序运行时LED灯组会显示相应按键的键值0~15的二进制数。
本实验中P2端口低4位连接是列线,高4位连接的是行线。
二、实验原理(图)三、实验设备(环境):1、电脑一台2、STC-ISP(V6.85I)烧写应用程序3、Keil应用程序四、实验内容(算法、程序、步骤和方法):#include<STC15F2K60S2.h> //此文件中定义了STC15系列的一些特殊功能寄存器#include"intrins.h"#define uint unsigned int#define uchar unsigned charuchar code dsy_code[]={0x01,0x02,0x03,0x04,0x05,0x06,0x07,0x08,0x09,0x0A,0x0B,0x0C,0x0D,0x0E,0x0 F,0xff};uchar Pre_keyno=16,keyno=16;void delayMS(char x){uchar i;while(x--)for(i=0;i<120;i++) ;}void keys_scan(){uchar tmp;P2=0x0f;delayMS(5);tmp=P2^0x0f;switch(tmp){case 1:keyno=0;break;case 2:keyno=1;break;case 4:keyno=2;break;case 8:keyno=3;break;default:keyno=16;}P2=0xf0;delayMS(5);tmp=P2>>4^0x0f;switch(tmp){case 1:keyno+=0;break;case 2:keyno+=4;break;case 4:keyno+=8;break;case 8:keyno+=12;break;}}main(){P0=0x00;while(1){P2=0xf0;if(P2!=0xf0)keys_scan();if(Pre_keyno!=keyno){P0=~dsy_code[keyno];Pre_keyno=keyno;}delayMS(50);}}五、实验结论(结果):本实验实现了XXX功能,核心算法采用了XXX的方式,达到了预期目的。
华南农业大学实验报告专业班次08电信1 组别200831120102 题目实验四矩阵键盘实验姓名陈建泽日期2010.11.03一、实验目的1. 学习非编码键盘的工作原理和键盘的扫描方式。
2. 学习键盘的去抖方法和键盘应用程序的设计。
二、实验设备:STC89C52单片机实验板、串口下载线、USB连接线、电脑三、实验原理键盘是单片机应用系统接受用户命令的重要方式。
单片机应用系统一般采用非编码键盘,需要由软件根据键扫描得到的信息产生键值编码,以识别不同的键。
本板采用4*4矩阵键盘,行信号分别为P1.0-P1.3,列信号分别为P1.4-P1.7。
具体电路连接见下图矩阵键盘电路原理图对于键的识别一般采用逐行(列)扫描查询法,判断键盘有无键按下,由单片机I/O口向键盘送全扫描字,然后读入列线状态来判断。
成绩:教师:日期:四、实验步骤1. 分析实验所用到的电路原理图,根据需要连接跳线帽(由于P1.3和P1.4管脚和实时时钟芯片DS1302复用,所有在做矩阵键盘实验的时候务必拔去板上的DS1302芯片,以免产生干扰)。
2.按不同的键,用数码管的最后一位显示按键的键值。
3. 画出流程图。
4.根据流程图编写实验程序,并完成调试。
五、实验流程图矩阵键盘实验流程图六、实验程序/******************实验四 矩阵键盘实验****************/;实验名称:矩阵键盘实验;功 能:4*4矩阵键盘,按不同的键,用数码管的最后一位显示按键的键值。
1.置所有行值为低电平2.读取列的状态,给 A 开始A !=0? 延时10ms ,去抖动 置行计数器R0=00H 列列计数器R1=00H 置行输出扫描初始值为0FEH 输出行扫描字,置某一行为低 有列被按下? 行计数器增1 行扫描字左移一位 最后一行? 判断具体是哪一列按下 存列号到R1 计算键值并显示;编写人:陈建泽;编写时间:2010年11月2日/**********************程序代码************************/ORG 0000H ;上电或复位后初始化引导程序地址AJMP MAIN ;跳转到主程序ORG 0000HAJMP MAINORG 0030HMAIN: MOV P2,#0F7H ;选通数码管最后一位MOV P1,#0F0H ;令所有行为低电平MOV R7,#100 ;让P1输出稳定DJNZ R7,$MOV A,P1 ;先确定是否有键按下ANL A,#0F0HXRL A,#0F0H ;与上一句作用,判断是否有按键按下JZ MAIN ;无则重新扫描LCALL D10MS ;延时10ms,去除抖;判断是否确实有按键按下MOV A,#00HMOV R0,A ;R0做行计数器,初始值为0MOV R1,A ;R1做列计数器,初始值为0MOV R2,#0FEH ;R2低4位为行扫描子,初始值为1111 1110B SKEY0:MOV A,R2MOV P1,A ;输出行扫描字,先扫第一行MOV R7,#10 ;让P1输出稳定DJNZ R7,$MOV A,P1 ;读列值ANL A,#0F0HXRL A,#0F0H ;取列值JNZ LKEY ;A不为零,则确实有按键按下了;然后转去判断具体是哪一列INC R0 ;增1,记录准备扫描的下一行MOV A,R2RL A ;不带进位位,左移一位,准备扫描下一行MOV R2,AMOV A,R0 ;判断是否已经四行都扫描完了CJNE A,#04H,SKEY0AJMP MAIN ;都扫描完则循环开始;判断具体列值LKEY: JNB ACC.4,NEXT1 ;若ACC.4为1,则是第一列有按键按下了MOV A,#00H ;存0列号到R1MOV R1,AAJMP DKEY ;去计算键值并显示NEXT1:JNB ACC.5,NEXT2MOV A,#01H ;存1列号到R1MOV R1,AAJMP DKEYNEXT2:JNB ACC.6,NEXT3MOV A,#02H ;存2列号到R1MOV R1,AAJMP DKEYNEXT3:JNB ACC.7,MAIN ;到第四列都检测不到,则从新开始MOV A,#03H ;存3列号到R1MOV R1,AAJMP DKEY;计算键值并显示键值DKEY: MOV A,R0 ;取行号给AMOV B,#04HMUL ABADD A,R1 ;根据键值=行号*4+列号计算出具体键值AJMP SQR ;根据键值查询字型码/*********************查表子程序***************************/SQR: MOV DPTR,#TAB ;表首地址给DPTRMOVC A,@A+DPTR ;查第一个字型的字型码MOV P0,A ;送段码,数码管显示具体值AJMP MAIN ;返回开始TAB: DB 0C0H,0F9H,0A4H,0B0H,99H, 92H, 82H, 0F8H ;共阳极字型码表0——7 DB 80H, 90H, 88H, 83H, 0C6H,0A1H,86H, 8EH ;共阳极字型码表8——F/*********************10ms延时子程序**********************/D10MS:MOV R6,#10L1:MOV R5,#248DJNZ R5,$DJNZ R6,L1RETEND/*********************程序编写结束*************************/根据实验流程图,编写出一下实验程序。
单片机实验五报告_单片机键盘实验一、实验目的本次单片机键盘实验的主要目的是让我们深入了解单片机与键盘的接口技术,掌握如何通过编程实现对键盘输入的检测和响应,从而提高我们在单片机应用开发中的实际操作能力。
二、实验原理在单片机系统中,键盘通常是作为输入设备使用的。
常见的键盘有独立式键盘和矩阵式键盘两种类型。
独立式键盘是每个按键单独占用一根 I/O 线,其优点是电路简单,编程容易,但缺点是占用较多的 I/O 口资源。
矩阵式键盘则是将按键排列成矩阵形式,通过行线和列线的交叉来识别按键。
这种方式可以有效地节省 I/O 口资源,但电路和编程相对复杂一些。
在本次实验中,我们采用了矩阵式键盘。
其工作原理是通过逐行扫描或者逐列扫描的方式,检测行线和列线的电平状态,从而确定按下的按键。
三、实验设备及材料1、单片机开发板一块2、计算机一台3、编程软件(如 Keil C51)4、下载工具(如 STCISP)四、实验步骤1、硬件连接将矩阵式键盘与单片机的 I/O 口进行连接,注意行线和列线的对应关系。
连接好电源和地线,确保硬件电路正常工作。
2、软件编程打开编程软件,创建一个新的工程。
编写初始化程序,包括设置 I/O 口的工作模式、中断等。
编写键盘扫描程序,通过循环扫描行线和列线的电平状态,判断是否有按键按下。
当检测到按键按下时,根据按键的编码执行相应的操作,如在数码管上显示按键值、控制 LED 灯的亮灭等。
3、编译和下载对编写好的程序进行编译,检查是否有语法错误。
如果编译成功,使用下载工具将程序下载到单片机中。
4、实验调试观察硬件电路的工作状态,看是否有异常现象。
按下不同的按键,检查程序的响应是否正确。
如果出现问题,通过调试工具(如单步调试、断点调试等)查找并解决问题。
五、实验代码以下是本次实验的部分关键代码:```cinclude <reg51h>//定义键盘的行和列define ROW_NUM 4define COL_NUM 4//定义行线和列线的端口sbit ROW1 = P1^0;sbit ROW2 = P1^1;sbit ROW3 = P1^2;sbit ROW4 = P1^3;sbit COL1 = P1^4;sbit COL2 = P1^5;sbit COL3 = P1^6;sbit COL4 = P1^7;//定义按键值的编码unsigned char code KeyCodeMapROW_NUMCOL_NUM ={{'1','2','3','A'},{'4','5','6','B'},{'7','8','9','C'},{'','0','','D'}};//键盘扫描函数void KeyScan(){unsigned char i, j, temp;unsigned char keyValue = 0;//逐行扫描for (i = 0; i < ROW_NUM; i++){//先将所有行线置高电平ROW1 = ROW2 = ROW3 = ROW4 = 1;//将当前行线置低电平switch (i){case 0: ROW1 = 0; break;case 1: ROW2 = 0; break;case 2: ROW3 = 0; break;case 3: ROW4 = 0; break;}//读取列线的电平状态temp = COL1 | COL2 | COL3 | COL4;//如果有列线为低电平,则表示有按键按下if (temp!= 0xF0){//延迟去抖动delay_ms(10);//再次读取列线的电平状态temp = COL1 | COL2 | COL3 | COL4; if (temp!= 0xF0){//确定按下的按键for (j = 0; j < COL_NUM; j++){if ((temp &(1 << j))== 0){keyValue = KeyCodeMapij;break;}}//执行相应的操作switch (keyValue){case '1'://具体操作break;case '2':break;//其他按键的操作}}}}}//主函数void main(){while (1){KeyScan();}}```六、实验结果及分析在实验过程中,我们成功地实现了对矩阵式键盘的输入检测,并能够根据不同的按键执行相应的操作。
矩阵式键盘实验报告矩阵键盘设计实验报告南京林业大学实验报告基于AT89C51单片机4x4矩阵键盘接口电路设计课程院系班级学号姓名指导老师机电一体化设计基础机械电子工程学院杨雨图2013年9月26日一、实验目的1、掌握键盘接口的基本特点,了解独立键盘和矩阵键盘的应用方法。
2、掌握键盘接口的硬件设计方法,软件程序设计和贴士排错能力。
3、掌握利用Keil51软件对程序进行编译。
4、用Proteus软件绘制“矩阵键盘扫描”电路,并用测试程序进行仿真。
5、会根据实际功能,正确选择单片机功能接线,编制正确程序。
对实验结果能做出分析和解释,能写出符合规格的实验报告。
二、实验要求通过实训,学生应达到以下几方面的要求:素质要求1.以积极认真的态度对待本次实训,遵章守纪、团结协作。
2.善于发现数字电路中存在的问题、分析问题、解决问题,努力培养独立工作能力。
能力要求1.模拟电路的理论知识2.脉冲与数字电路的理念知识3.通过模拟、数字电路实验有一定的动手能力4.能熟练的编写8951单片机汇编程序5.能够熟练的运用仿真软件进行仿真三、实验工具1、软件:Proteus软件、keil51。
2、硬件:PC机,串口线,并口线,单片机开发板四、实验内容1、掌握并理解“矩阵键盘扫描”的原理及制作,了解各元器件的参数及格元器件的作用。
2、用keil51测试软件编写AT89C51单片机汇编程序3、用Proteus软件绘制“矩阵键盘扫描”电路原理图。
4、运用仿真软件对电路进行仿真。
五.实验基本步骤1、用Proteus绘制“矩阵键盘扫描”电路原理图。
2、编写程序使数码管显示当前闭合按键的键值。
3、利用Proteus软件的仿真功能对其进行仿真测试,观察数码管的显示状态和按键开关的对应关系。
4、用keil51软件编写程序,并生成HEX文件。
5、根据绘制“矩阵键盘扫描”电路原理图,搭建相关硬件电路。
6、用通用编程器或ISP下载HEX程序到MCU。
矩阵键盘显示实验报告20 -20 学年第学期学院电子信息学院课程矩阵键盘显示实验姓名学号指导老师日期 20XX年XX月XX日矩阵键盘显示实验一、实验目的1、掌握矩阵键盘检测的原理和方法;2、掌握按键消抖的方法;3、再次熟悉数码管的显示。
二、实验任务从4×4矩阵键盘输入4位字符(如“15EF”),并显示于4位数码管。
三、实验原理在键盘中按键数量较多时,为了减少I/O口的占用,通常将按键排列成矩阵形式,如图1-1所示。
在矩阵键盘中,每条水平线和垂直线在交叉处不直接连通,而是通过一个按键加以连接。
图1-1 矩阵键盘矩阵键盘的按健识别方法很多,其中最常见的方法是行扫描法。
行扫描法又称为逐行(或列)扫描查询法,是一种最常用的按键识别方法,下面介绍矩阵键盘的扫描过程。
(1)判断有无键按下第一步:向所有的列输出口线输出低电平;第二步:然后将行线的电平状态读入;第三步:判断读入的行线值。
若无键按下,所有的行线仍保持高电平状态;若有键按下,行线中至少应有一条线为低电平。
(2)去除按键的抖动去抖原理:当判断到键盘上有键按下后,则延时一段时间再判断键盘的状态,若仍为有键按下状态,则认为有一个键按下,否则当作按键抖动来处理。
(3)按键识别(列或行扫描法)在确认有键按下后,即可进入确定具体闭合键的过程。
其方法是:依次将列(行)线置为低电平,即在置某根列(行)线为低电平时,其列(行)线为高电平,再逐行(列)检测各行(列)线的电平状态。
若某行为低电平,则该行线与置为低电平的列线交叉处的按键就是闭合的按键。
(4)求按键的键值根据闭合键的行值row和列值col采用计算法(如健值=行号×4+列号)或查表法将闭合键的行值和列值转换成所定义的键值。
电路原理图如下图所示。
图1-2 键盘显示实验电路四、程序流程图五、实验结果及分析总结(1)实验测试效果图如下:(2)分析总结:1、在这次的实验中我们将初始化部分、键盘扫描部分、数码管显示部分等分别写成了独立的函数,这样的程序看起来简洁、明了,在使用的时候直接调用就好了。
;******************************************************;*标题: 51单片机4×4矩阵式键盘识别汇编程序;*******************************************************; 0 1 2 3 ---P20; 4 5 6 7 ---P21; 8 9 10 11 ---P22; 12 13 14 15 ---P23; | | | |; P24 P25 P26 P27;******************************************************************ORG 0000hAJMP MAINORG 0030hMAIN:MOV DPTR,#TAB ;将表头放入DPTRLCALL KEY;调用键盘扫描程序MOVC A,@A+DPTR ;查表后将键值送入ACCMOV P0,A;将Acc值送入P0口CLR P1.3 ;开显示LJMP MAIN ;返回调用子程序反复循环显示;----------------------------------------------------------------------KEY:LCALL KS ;调用检测按键子程序JNZ K1 ;有键按下继续LCALL DELAY2 ;无键按下调用延时去抖动程序AJMP KEY;返回继续检测有无按键按下K1:LCALL DELAY2LCALL DELAY2 ;有键按下继续延时去抖动LCALL KS ;再一次调用检测按键程序JNZ K2 ;确认有按下进行下一步AJMP KEY;无键按下返回继续检测K2:MOV R2,#0EFH ;将扫描值送入R2暂存MOV R4,#00H ;将第一列的列值00H送入R4暂存,R4用于存放列值。
K3:MOV P2,R2 ;将R2的值送入P1口L6:JB P2.0,L1 ;P1.0等于1跳转到L1MOV A,#00H ;将第一行的行值00H送入ACCAJMP LK ;跳转到键值处理程序JB P2.1,L2 ;P1.1等于1跳转到L2MOV A,#04H ;将第二行的行值送入ACCAJMP LK ;跳转到键值理程序进行键值处理L2:JB P2.2,L3 ;P1.2等于1跳转到L3MOV A,#08H ;将第三行的行值送入ACCAJMP LK ;跳转到键值处理程序L3:JB P2.3,NEXT ;P1.3等于1跳转到NEXT处MOV A,#0cH ;将第四行的行值送入ACCLK:ADD A,R4 ;行值与列值相加后的键值送入APUSH ACC ;将A中的值送入堆栈暂存K4:LCALL DELAY2 ;调用延时去抖动程序LCALL KS ;调用按键检测程序JNZ K4 ;按键没有松开继续返回检测POP ACC ;将堆栈的值送入ACCRETNEXT:INC R4 ;将列值加一MOV A,R2 ;将R2的值送入AJNB ACC.7,KEY;扫描完成跳至KEY处进行下一回合的扫描RL A;扫描未完成将A中的值右移一位进行下一列的扫描MOV R2,A;将ACC的值送入R2暂存AJMP K3 ;跳转到K3继续KS:MOV P2,#0FH ;将P1口高四位置0低四位值1MOV A,P2 ;读P1口XRL A,#0FH ;将A中的值与A中的值相异或RET ;子程序返回DELAY2: ;40ms延时去抖动子程序8*FA*2=40ms MOV R5,#08HL7:MOV R6,#0FAHL8:DJNZ R6,L8DJNZ R5,L7RETDB 0C0H;0DB 0F9H;1DB 0A4H;2DB 0B0H;3DB 099H;4DB 092H;5DB 082H;6DB 0F8H;7DB 080H;8DB 090H;9DB 088H;ADB 083H;bDB 0C6H;CDB 0A1H;dDB 086H;EDB 08EH;F END。
矩阵式键盘的连接方法和工作原理什么是矩阵式键盘?当键盘中按键数量较多时,为了减少I/O 口线的占用,通常将按键排列成矩阵形式。
在矩阵式键盘中,每条水平线和垂直线在交叉处不直接连通,而是通过一个按键加以连接。
这样做有什么好处呢?大家看下面的电路图,一个并行口可以构成4*4=16 个按键,比之直接将端口线用于键盘多出了一倍,而且线数越多,区别就越明显。
比如再多加一条线就可以构成20 键的键盘,而直接用端口线则只能多出一个键(9 键)。
由此可见,在需要的按键数量比较多时,采用矩阵法来连接键盘是非常合理的。
矩阵式结构的键盘显然比独立式键盘复杂一些,识别也要复杂一些,在上图中,列线通过电阻接电源,并将行线所接的单片机4 个I/O 口作为输出端,而列线所接的I/O 口则作为输入端。
这样,当按键没有被按下时,所有的输出端都是高电平,代表无键按下,行线输出是低电平;一旦有键按下,则输入线就会被拉低,这样,通过读入输入线的状态就可得知是否有键按下了,具体的识别及编程方法如下所述:二.矩阵式键盘的按键识别方法确定矩阵式键盘上任何一个键被按下通常采用“行扫描法”或者“行反转法”。
行扫描法又称为逐行(或列)扫描查询法,它是一种最常用的多按键识别方法。
因此我们就以“行扫描法”为例介绍矩阵式键盘的工作原理:1.判断键盘中有无键按下将全部行线X0-X3 置低电平,然后检测列线的状态,只要有一列的电平为低,则表示键盘中有键被按下,而且闭合的键位于低电平线与4 根行线相交叉的4 个按键之中;若所有列线均为高电平,则表示键盘中无键按下。
2.判断闭合键所在的位置在确认有键按下后,即可进入确定具体闭合键的过程。
其方法是:依次将行线置为低电平(即在置某根行线为低电平时,其它线为高电平),当确定某根行线为低电平后,再逐行检测各列线的电平状态,若某列为低,则该列线与置为低电平的行线交叉处的按键就是闭合的按键。
下面给出一个具体的例子:单片机的P1 口用作键盘I/O 口,键盘的列线接到P1 口的低4 位,键盘的行线接到P1 口的高4位,也就是把列线P1.0-P1.3 分别接4 个上拉电阻到电源,把列线P1.0-P1.3 设置为输入线,行线P1.4-P1.7 设置为输出线,4 根行线和4 根列线形成16 个相交点,如上图所示。
4×4矩阵键盘51单片机识别实验与程序
1.实验任务
如图所示,用AT89S51的并行口P1接4×4矩阵键盘,以-作输入线,以-作输出线;在数码管上显示每个按键的“0-F”序号。
对应的按键的序号排列如图所示
图
2.硬件电路原理图
图
3.系统板上硬件连线
(1.把“单片机系统“区域中的-端口用8芯排线连接到“4X4行列式键盘”
区域中的C1-C4 R1-R4端口上;
(2.把“单片机系统”区域中的AD0-AD7端口用8芯排线连接到“四路静态数码显示模块”区域中的任一个a-h端口上;要求:AD0对应着a,AD1
对应着b,……,AD7对应着h。
4.程序设计内容
(1.4×4矩阵键盘识别处理
(2.每个按键有它的行值和列值,行值和列值的组合就是识别这个按键的编码。
矩阵的行线和列线分别通过两并行接口和CPU通信。
每个按键
的状态同样需变成数字量“0”和“1”,开关的一端(列线)通过电
阻接VCC,而接地是通过程序输出数字“0”实现的。
键盘处理程序的
任务是:确定有无键按下,判断哪一个键按下,键的功能是什么;还
要消除按键在闭合或断开时的抖动。
两个并行口中,一个输出扫描码,
使按键逐行动态接地,另一个并行口输入按键状态,由行扫描值和回
馈信号共同形成键编码而识别按键,通过软件查表,查出该键的功能。
5.程序框图
图
C语言源程序
#include <>
unsigned char code table[]={0x3f,0x06,0x5b,0x4f, 0x66,0x6d,0x7d,0x07,
0x7f,0x6f,0x77,0x7c,
0x39,0x5e,0x79,0x71};
unsigned char temp;
unsigned char key; unsigned char i,j;
void main(void) {
while(1)
{
P3=0xff;
P3_4=0;
temp=P3;
temp=temp & 0x0f; if (temp!=0x0f) {
for(i=50;i>0;i--)
for(j=200;j>0;j--); temp=P3;
temp=temp & 0x0f; if (temp!=0x0f) {
temp=P3;
temp=temp & 0x0f; switch(temp)
{
case 0x0e:
key=7;
break;
case 0x0d:
key=8;
break;
case 0x0b:
key=9;
break;
case 0x07:
key=10;
break;
}
temp=P3;
P1_0=~P1_0;
P0=table[key]; temp=temp & 0x0f; while(temp!=0x0f) {
temp=P3;
temp=temp & 0x0f; }
}
}
P3=0xff;
P3_5=0;
temp=P3;
temp=temp & 0x0f; if (temp!=0x0f) {
for(i=50;i>0;i--)
for(j=200;j>0;j--); temp=P3;
temp=temp & 0x0f; if (temp!=0x0f) {
temp=P3;
temp=temp & 0x0f; switch(temp)
{
case 0x0e:
key=4;
break;
case 0x0d:
key=5;
break;
case 0x0b:
key=6;
break;
case 0x07:
key=11;
break;
}
temp=P3;
P1_0=~P1_0;
P0=table[key]; temp=temp & 0x0f; while(temp!=0x0f) {
temp=P3;
temp=temp & 0x0f; }
}
}
P3=0xff;
P3_6=0;
temp=P3;
temp=temp & 0x0f; if (temp!=0x0f) {
for(i=50;i>0;i--)
for(j=200;j>0;j--); temp=P3;
temp=temp & 0x0f; if (temp!=0x0f) {
temp=P3;
temp=temp & 0x0f; switch(temp)
{
case 0x0e:
key=1;
break;
case 0x0d:
key=2;
break;
case 0x0b:
key=3;
break;
case 0x07:
key=12;
break;
}
temp=P3;
P1_0=~P1_0;
P0=table[key]; temp=temp & 0x0f; while(temp!=0x0f) {
temp=P3;
temp=temp & 0x0f; }
}
}
P3=0xff;
P3_7=0;
temp=P3;
temp=temp & 0x0f; if (temp!=0x0f) {
for(i=50;i>0;i--)
for(j=200;j>0;j--); temp=P3;
temp=temp & 0x0f; if (temp!=0x0f) {
temp=P3;
temp=temp & 0x0f; switch(temp)
{
case 0x0e:
key=0;
break;
case 0x0d:
key=13;
break;
case 0x0b:
key=14;
break;
case 0x07:
key=15;
break;
}
temp=P3;
P1_0=~P1_0;
P0=table[key]; temp=temp & 0x0f; while(temp!=0x0f) {
temp=P3;
temp=temp & 0x0f;
} } } } }。