内墙抹灰质量控制检查表
- 格式:doc
- 大小:102.50 KB
- 文档页数:2
抹灰工程检验批质量验收记录表GB50210—2001030202□□单位工程名称汾阳市杏花新区小相村9#楼分部及部位主体一层外墙施工单位名称山西宏图建设有限公司项目经理庞崇斌施工工艺标准名称及编号建筑装饰装修工程施工质量验收规范施工质量验收规范的规定施工单位检查记录主控项目1 抹灰前基层表面的尘土、污垢、油渍等应清除干净,并应洒水润湿基层清理干净,洒水润湿,保温板接缝处及阴阳角钢丝网挂设完毕√2装饰抹灰工程所用材料的品种和性能应符合设计要求。
水泥的凝结时间和安定性复验应合格。
砂浆的配合比应符合设计要求水泥、砂子经复检符合要求√3抹灰工程应分层进行。
当抹灰总厚度大于或等于35mm时,应采取加强措施。
不同材料基体交接处表面的抹灰,应采取防止开裂的加强措施,当采用加强网时,加强网与各基体的搭接宽度不应小于100mm检查隐蔽工程验收记录和施工记录,对照检查,符合规范规定要求√4各抹灰层之间及抹灰层与基体之间必须粘接牢固,抹灰层应无脱层、空鼓和裂缝粘结牢固,抹灰层无脱层、空鼓和裂缝,符合规范要求√一般项目1高级抹灰表面应光滑、洁净、颜色均匀、无抹缝、分格缝和灰线应清晰、美观符合要求普通抹灰表面光滑、洁净、接搓平整,分割缝应清晰符合设计和质量验收规范要求2 护角、孔洞、槽、盒周围的抹灰表面应整齐、光滑、管道后面的抹灰表面应平整。
经检查,护角,槽,盒周围的抹灰表34装饰抹灰分格条(缝)的设置应符合设计要求,宽度和深度应均匀,表面应平整光滑,棱角应整齐符合设计及规范要求,宽度和深度均匀,表面平整光滑、棱角整齐√5有排水要求的部位应做滴水线(槽)。
滴水线(槽)应整齐顺直,滴水线应内高外低,滴水槽的宽度和深度均不应小于10mm整齐顺直,符合设计及规范要求√6允许偏差(mm)项目普通抹灰高级抹灰实测值立面垂直度 4 3 3 2 3 1 2 4 2 1 5 2 √表面平整度 4 3 0 3 0 1 1 2 3 0 0 1 √阳角方正 4 3 1 3 2 4 3 0 2 3 4 1 √分格条(缝)直线度 4 3 3 0 4 1 3 4 1 2 3 0 √墙裙、勒脚上口直线度 4 3 4 3 2 2 4 4 0 0 0 1 √施工单位检查结果施工班组长:专业施工员:项目专业质检员:监理(建设)单位验收结论专业监理工程师:(建设单位项目专业技术负责人)年月日年月日说明030202一、装饰抹灰工程的检验批应按下列规定划分:1.相同材料、工艺和施工条件的室外抹灰工程每500~1000m2应划分为一个检验批。
抹灰工程施工质量验收表格项目名称:__________ 工程地点:__________施工单位:__________ 检验单位:__________工程负责人:__________ 验收人:__________一、基础验收1. 土壤承载力符合设计要求:□是□否2. 基础平整度符合要求:□是□否3. 基础材料是否符合强度要求:□是□否4. 基础尺寸是否符合设计要求:□是□否5. 基础渗漏情况:□无□有二、墙体验收1. 墙体平整度:□符合设计要求□有偏差2. 墙体垂直度:□符合设计要求□有偏差3. 墙体表面光洁度:□符合设计要求□有裂缝、麻面4. 墙体防水层施工情况:□合格□不合格5. 墙体保温层施工情况:□合格□不合格6. 墙体强度检测:______MPa7. 墙体抹灰层厚度:______mm三、抹灰层验收1. 抹灰底层厚度是否均匀:□是□否2. 抹灰面层厚度是否均匀:□是□否3. 抹灰层密实度:□符合要求□不符合要求4. 抹灰层表面光滑度:□符合设计要求□有砂眼、空鼓5. 抹灰层抗压强度:______MPa6. 抹灰层粘结强度:______MPa7. 抹灰层平整度:□符合设计要求□有波浪状四、验收结论经验收人员对上述项目进行实地验收,对验收结果进行了逐项检查和评定。
根据实际情况,结合相关规范标准,对工程施工质量进行了综合评定。
1. 基础验收结论:__________2. 墙体验收结论:__________3. 抹灰层验收结论:__________五、质量整改意见根据上述验收结果,对存在质量问题的部分提出整改意见:1. 基础处理不符合要求的地方需重新整改;2. 墙体出现偏差、表面裂缝等问题,需重新整理、修补;3. 抹灰层出现空鼓、波浪状等问题,需要重新抹灰。
六、质量验收结论上述工程经过整改后,对工程质量进行重新验收:经过重新整改,基础处理、墙体和抹灰层的质量问题得到了解决,符合设计要求。
经验收合格。
抹灰工程检验批质量验收记录表
说明
030202
一、装饰抹灰工程的检验批应按下列规定划分:
1.相同材料、工艺和施工条件的室外抹灰工程每500~1000m2应划分为一个检验批。
不足500m2也应
划分为一个检验批。
2.相同材料、工艺和施工条件的室内抹灰工程每50个自然间(大面积房间和走廊按抹灰面积30m2为一间)
应划分为一个检验批,不足50间也应划分为一个检验批。
二、检查数量应符合下列规定:
1.室内每个检验批应至少抽查10%,并不得少于3间;不足3间时应全数检查。
2.室外每个检验批每100m2应至少抽查一处,每处不得小于10m2。
三、主控项目的检验方法:
1.检查施工记录。
2.检查产品合格证书、进场验收记录、复验报告和施工记录。
3.检查隐蔽工程验收记录和施工记录。
4.观察;用小锤轻击检查;检查施工记录。
四、一般项目的检验方法:
1.观察;手模检查。
2.观察。
3.观察;尺量检查。
4.允许偏差的检查方法:
(1)立面垂直度,用2m垂直检测尺检查。
(2)表面平整度,用2m靠尺和塞尺检查。
(3)阴角方正,用直角检测尺检查。
(4)分格条(缝)直线度,拉5m线,不足5m拉通线,用钢直尺检查。
(5)墙裙、勒脚上口直线度,拉5m线,不足5m拉通线,用钢直尺检查。
饱食终日,无所用心,难矣哉。
——《论语•阳货》。
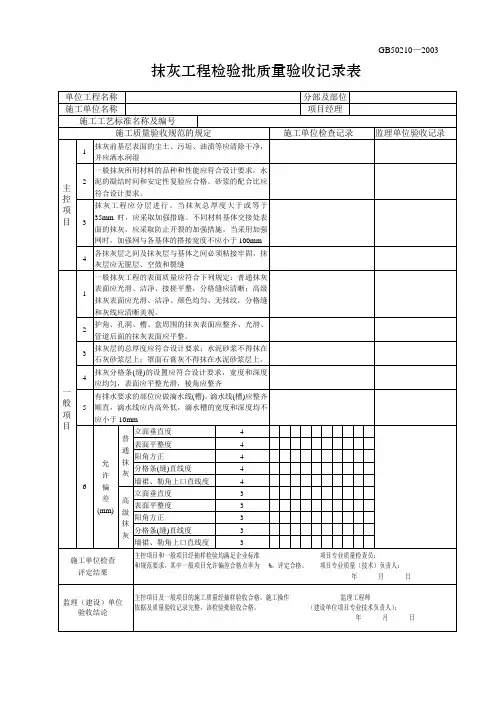
GB50210—2003抹灰工程检验批质量验收记录表单位工程名称分部及部位施工单位名称项目经理施工工艺标准名称及编号施工质量验收规范的规定施工单位检查记录监理单位验收记录主控项目1抹灰前基层表面的尘土、污垢、油渍等应清除干净,并应洒水润湿2一般抹灰所用材料的品种和性能应符合设计要求。
水泥的凝结时间和安定性复验应合格。
砂浆的配合比应符合设计要求。
3抹灰工程应分层进行。
当抹灰总厚度大于或等于35mm时,应采取加强措施。
不同材料基体交接处表面的抹灰,应采取防止开裂的加强措施,当采用加强网时,加强网与各基体的搭接宽度不应小于100mm 4各抹灰层之间及抹灰层与基体之间必须粘接牢固,抹灰层应无脱层、空鼓和裂缝一般项目1一般抹灰工程的表面质量应符合下列规定:普通抹灰表面应光滑、洁净、接槎平整,分格缝应清晰;高级抹灰表面应光滑、洁净、颜色均匀、无抹纹,分格缝和灰线应清晰美观。
2护角、孔洞、槽、盒周围的抹灰表面应整齐、光滑、管道后面的抹灰表面应平整。
3抹灰层的总厚度应符合设计要求;水泥砂浆不得抹在石灰砂浆层上;罩面石膏灰不得抹在水泥砂浆层上。
4抹灰分格条(缝)的设置应符合设计要求,宽度和深度应均匀,表面应平整光滑,棱角应整齐5有排水要求的部位应做滴水线(槽)。
滴水线(槽)应整齐顺直,滴水线应内高外低,滴水槽的宽度和深度均不应小于10mm6允许偏差(mm)普通抹灰立面垂直度 4表面平整度 4阳角方正 4分格条(缝)直线度 4墙裙、勒角上口直线度 4高级抹灰立面垂直度 3表面平整度 3阳角方正 3分格条(缝)直线度 3墙裙、勒角上口直线度 3施工单位检查评定结果主控项目和一般项目经抽样检验均满足企业标准项目专业质量检查员:和规范要求,其中一般项目允许偏差合格点率为 %,评定合格。
项目专业质量(技术)负责人:年月日监理(建设)单位验收结论主控项目及一般项目的施工质量经抽样验收合格,施工操作监理工程师依据及质量验收记录完整,该检验批验收合格。
内墙抹灰工程质量验收
记录表
Company Document number:WTUT-WT88Y-W8BBGB-BWYTT-19998
抹灰工程检验批质量验收记录表
说明
030202
一、装饰抹灰工程的检验批应按下列规定划分:
1.相同材料、工艺和施工条件的室外抹灰工程每500~1000m2应划分为一个检验批。
不足500m2也应
划分为一个检验批。
2.相同材料、工艺和施工条件的室内抹灰工程每50个自然间(大面积房间和走廊按抹灰面积30m2
为一间)应划分为一个检验批,不足50间也应划分为一个检验批。
二、检查数量应符合下列规定:
1.室内每个检验批应至少抽查10%,并不得少于3间;不足3间时应全数检查。
2.室外每个检验批每100m2应至少抽查一处,每处不得小于10m2。
三、主控项目的检验方法:
1.检查施工记录。
2.检查产品合格证书、进场验收记录、复验报告和施工记录。
3.检查隐蔽工程验收记录和施工记录。
4.观察;用小锤轻击检查;检查施工记录。
四、一般项目的检验方法:
1.观察;手模检查。
2.观察。
3.观察;尺量检查。
4.允许偏差的检查方法:
(1)立面垂直度,用2m垂直检测尺检查。
(2)表面平整度,用2m靠尺和塞尺检查。
(3)阴角方正,用直角检测尺检查。
(4)分格条(缝)直线度,拉5m线,不足5m拉通线,用钢直尺检查。
(5)墙裙、勒脚上口直线度,拉5m线,不足5m拉通线,用钢直尺检查。