内墙抹灰检查验收单
- 格式:doc
- 大小:24.50 KB
- 文档页数:1
一般抹灰隐蔽工程验收记录统表工程名称科技综合楼项目经理叶龙章分项工程名称抹灰专业工长徐金富隐蔽工程项目内墙施工单位江苏江都建设集团有限公司施工标准名称及代号GB502010-2002 施工图名称及编号隐蔽工程部位车库层内墙一层-五层内墙质量要求施工单位自查记录监理(建设)单位验收记录抹灰前基层表面的尘土、污垢、油渍、板皮等应清除干净,并应洒水润湿。
基层表面清除干净穿方洞等孔洞应填堵密实空洞填堵密实填充墙与框架梁、柱之间的加强措施设置应到位符合要求抹灰前砼表面应进行毛化处理符合要求施工单位自查结论符合设计及规范要求,合格。
施工单位项目技术负责人:年月日监理(建设)单位验收结论监理工程师(建设单位项目负责人):年月日钢筋隐蔽工程验收记录统表第1页共1页工程名称扬州工业职业技术学院食堂项目经理王圣分项工程名称地下室外板墙防水专业工长隐蔽工程项目防水工程施工单位江苏邗建集团有限公司施工标准名称及代号GB50204-2002 施工图名称及编号隐蔽工程部位质量要求施工单位自查记录监理(建设)单位验收记录基层清理合格后浇带细部做法合格管道部位细部做法合格施工单位自查结论钢筋工程自查合格,符合设计要求。
施工单位项目技术负责人:2005年6月5日监理(建设)单位验收结论监理工程师(建设单位项目负责人):年月日注:如果绘制图纸的附本记录后。
钢筋隐蔽工程验收记录统表第1页共1页工程名称扬州工业职业技术学院食堂项目经理王圣分项工程名称二层顶板后浇带专业工长方庆明隐蔽工程项目钢筋工程施工单位江苏邗建集团有限公司施工标准名称及代号GB50204-2002 施工图名称及编号隐蔽工程部位质量要求施工单位自查记录监理(建设)单位验收记录纵向受力钢筋的品种、规格、数量、位置等。
符合设计要求钢筋的连接方式、接头位置、接头数量、接头面积百分率等。
符合规范、设计要求箍筋、横向钢筋的品种、规格、数量、间距等。
符合规范、设计要求钢筋的保护层、钢筋网片的间距、网眼尺寸等安装位置。
内墙抹灰检验批质量验收记录范文1.本次验收合格。
This acceptance is qualified.2.内墙抹灰层平整度良好。
The smoothness of the internal wall plastering layer is good.3.抹灰层与基层粘结牢固。
The plastering layer has good adhesion with the base layer.4.抹灰层厚度符合设计要求。
The thickness of the plastering layer meets the design requirements.5.抹灰层表面无粗糙、开裂及空鼓现象。
There is no rough, cracking, or hollow phenomenon on the surface of the plastering layer.6.内墙抹灰层材料质量符合标准。
The quality of the material for the internal wall plastering layer meets the standard.7.抹灰层养护时间到位。
The curing time of the plastering layer is in place.8.现场施工符合施工工艺要求。
The on-site construction meets the construction process requirements.9.抹灰工艺流程合理、操作规范。
The plastering process is reasonable and the operation is standard.10.施工现场整洁,安全意识强。
The construction site is clean, and there is a strong safety awareness.11.检验记录内容详细、真实可靠。
一般抹灰隐蔽工程质量验收记录工程名称:XX大厦装修工程工程位置:XX市XX区XX路XX号建设单位:XX公司施工单位:XX装修工程有限公司验收日期:YYYY年MM月DD日一、验收项目1.抹灰层材料的验收(1)检查抹灰材料是否符合要求,包括粘结剂、砂子、外加剂等;(2)检查抹灰材料是否有潮湿、开裂或变质等情况;(3)检查抹灰层材料的合格证明及检测报告。
2.抹灰施工质量的验收(1)检查抹灰层的均匀性、表面平整度和厚度;(2)检查抹灰层与墙体结合是否牢固;(3)检查抹灰层的饰面是否有剥落、开裂或空鼓等现象;(4)检查抹灰层表面的光滑度以及是否有抹灰工艺要求的纹理效果等。
3.抹灰工艺的验收(1)检查抹灰工艺是否符合设计要求;(2)检查抹灰层的分层、缝隙处理是否规范;(3)检查抹灰工艺中的粉尘控制措施是否到位;(4)检查抹灰过程中的保护措施是否得当。
4.隐蔽工程的验收(1)检查抹灰层下的基层工程质量,包括墙体结构的强度、平整度等;(2)检查抹灰层与其他隐蔽工程如水电管道、通风管道等的协调性;(3)检查抹灰层周边的防水处理是否符合要求。
二、验收结果根据以上验收项目的检查结果,得出以下结论:1.抹灰层材料的验收结果:符合要求,合格。
(1)检查说明:抹灰材料的质量完全符合装修设计图纸和相关要求。
(2)复验要求:无。
2.抹灰施工质量的验收结果:符合要求,合格。
(1)检查说明:抹灰层的平整度、厚度和牢固程度完全符合相关要求。
(2)复验要求:无。
3.抹灰工艺的验收结果:符合要求,合格。
(1)检查说明:抹灰工艺符合装修设计图纸和相关要求,没有违规操作。
(2)复验要求:无。
4.隐蔽工程的验收结果:符合要求,合格。
(1)检查说明:抹灰层下的基层工程质量良好,与其他隐蔽工程协调性良好。
(2)复验要求:无。
三、验收意见经过细致检查,抹灰隐蔽工程的质量达到设计要求和相关标准,各项检测均合格,具备交付使用的资格。
建议验收通过,并督促施工单位做好相应的后续修补工作。
一般抹灰工程检验批质量验收记录GB50210-2001《建筑装饰装修工程质量验收规范》2006-10-24 中华人民共和国国家标准建筑装饰装修工程质量验收规范Code for construction qialityacceptptance of building decorationGB 50210-2001主编部门:中华人民共和国建设部批准部门:中华人民共和国建设部施行日期:2002年 3月1 日(摘取)4 抹灰工程4.1 一般规定4.1.1 本章适用于一般抹灰、装饰抹灰和清水砌体勾缝等分项工程的质量验收。
4.1.2 抹灰工程验收时应检查下列文件和记录:1 抹灰工程的施工图、设计说明及其他设计文件。
2 材料的产品合格证书、性能检测报告、进场验收记录和复验报告。
3 隐蔽工程验收记录。
4 施工记录。
4.1.3 抹灰工程应对水泥的凝结时间和安定性进行复验。
4.1.4 抹灰工程应对下列隐蔽工程项目进行验收:l 抹灰总厚度大于或等于35mm时的加强措施。
2 不同材料基体交接处的加强措施。
4.1 .5 各分项工程的检验批应按下列规定划分:1 相同材料、工艺和施工条件的室外抹灰工程每 500一 1000m2应划分为一个检验批,不足 500m²也应划分为一个检验批。
2 相同材料、工艺和施工条件的室内抹灰工程每50个自然问(大面积房间和走廊按抹灰面积30m2为一间)应划分为一个检验批,不足50间也应划分为一个检验批。
4.1 .6 检查数量应符合下列规定:l 室内每个检验批应至少抽查10%,并不得少于3间;不足3间时应全数检查。
2 室外每个检验批每100m2应至少抽查一处,每处不得小于10m2。
4.1 .7 外墙抹灰工程施工前应先安装钢木门窗框。
护栏等,并应将墙上的施工孔洞堵塞密实。
4.1 .8 抹灰用的石灰膏的熟化期不应少于15d;罩面用的磨细石灰粉的熟化期不应少于3d。
4.1.9 室内墙面、柱面和门洞口的阳角做法应符合设计要求、设计无要求时,应采用1 :2水泥砂浆做暗护角,其高度不应低于Zm,每侧宽度不应小于50mm。
φ
εδχβα表C010305
抹灰隐蔽报审、报验表
工程名称致:(项目监理机构)
我方已完成
一层内墙抹灰工作,经自检合格,
请予以审查或验收。
附件:φε
δχβα隐蔽验收工程记录φ
εδχβ检验批质量验收记录φ
εδχβ分项工程质量验收记录φ
εδχβ施工检验或试验机构资质φεδχβ其他
项目经理部(盖章)
项目技术负责人(签字)
年 月 日
审查或验收意见:
项目监理机构(盖章)
专业监理工程师(签字)
年 月 日
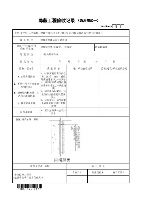
隐蔽工程验收记录(通用)
工程名称建设单位
施工单位监理单位
隐蔽部位一层内墙抹灰隐验日期年月日
隐蔽验收内容及图表,并附图像资料
隐验依据:施工图图号建施-
1、主要使用材料:水泥砂浆、钢丝网、玻璃纤维网格布,质量证明文件齐全有效,复检合格。
2、抹灰前基层表面全部清理干净、平整,混凝土墙面并涂刷界面处理剂。
3、抹灰所用的水泥、砂、钢丝网、玻纤网的品种和性能符合设计要求,砂浆配合比符合设计要求。
4、楼梯间抹灰工程按照分层且满铺钢丝网进行抹灰;剩余房间砌体墙与混凝土结构交接处采用玻纤网加强处理,钢丝网、玻纤网的规格、安装宽度、固定情况均符合设计要求;抹灰总厚度符合设计及规改要求。
5、各抹灰层之间及抹灰层与基体之间粘接劳固,抹灰层无脱层,空鼓和裂缝,表面光滑、清洁、无抹纹。
隐检内容已做完,请予以检查。
验
收
意
见
专业监理工程师:
年月日
施工单位项目经理项目技术负责人专业工长质量检查员。
说明
1、该表单为公司分包、分项工程合同(申请施工结算报告)的附件,是工程完工后我公司对施工单位完成工程质量的检验依据;也是工程决算及付款的依据。
2、要求:
1)每项工程完工后,由房产公司工程部与施工单位共同对该项工程进行验收,并填写该表单,参加验收人员签字(一式三份,我公司留存二份,施工单位留存一份)。
2)验收合格后,(同鼻窦炎收一起随工程结算报告资料一同上传,相关部门留档)要求一份验收单(原件)必须转财务留档,作为申请工程付款的依据;另一份验收单(原件)必须转预算部留档。
如工程验收结论是要求整改或不合格,也要填写该表单,参验人员签字后由施工单位和房产工程部留存,做为该项工程跟进和整改的依据。
3)工程验收,公司具体参加人员为:具体负责该项目工程师、工程部经理、总工程师、工程部分管副总。
施工单位人员自定,但要求该项工程负责人必须参加。
4)验收合格后,房产工程部将验收单(复印件)一式两份转物业公司,与物业公司落实工程交接事宜;另转公司客服部一份做为质保期内工程效验记录。
11。