仓储物流环评
- 格式:pdf
- 大小:1.12 MB
- 文档页数:50
智能化物流中心环评报告一、引言为了推动物流行业的智能化发展,某公司计划建设一座智能化物流中心,并需进行环境影响评价,以确保项目实施过程中对环境的保护。
本报告将详细评估该智能化物流中心对环境的潜在影响,并提供相应的环境保护措施。
二、项目概述该智能化物流中心位于某市郊区,占地面积约XX平方米。
主要功能包括货物仓储、分拨配送、运输管理和信息系统运营等。
项目计划引入先进的物联网技术、智能设备和数据处理系统,以实现货物流转、信息处理和运输管理的高效性和智能化。
三、环境评价1. 空气环境影响评估(1)项目将引入电动车辆和低排放车辆进行货物运输,减少尾气排放,对空气质量改善具有积极作用。
(2)智能设备的运行将采用清洁能源,如太阳能和风能,减少了对传统能源的依赖,降低了空气污染的风险。
2. 水环境影响评估(1)项目将建设污水处理系统,对分拨过程中产生的废水进行处理,确保达标排放。
(2)对雨水收集系统进行规划设计,将雨水用于植物绿化和公共卫生使用,减少对自来水的需求。
3. 噪声环境影响评估(1)在设备选择和布局时,尽量选择低噪声设备,并合理规划设备的放置,减少噪声对周边居民的干扰。
(2)设置隔声墙、隔声窗等措施,减少噪声传播,确保周边环境的安静。
4. 固体废物环境影响评估(1)建设合理的垃圾分类和回收机制,最大限度地减少物流中心产生的固体废物。
(2)合理利用废弃物料,进行资源循环利用,降低资源的消耗。
5. 生态环境影响评估(1)在物流中心周边进行绿地规划和植树造林,增加植被覆盖,改善周边环境质量。
(2)定期开展生态环境监测,及时发现和解决潜在问题,确保生态环境的稳定性。
四、环境保护措施1. 空气环境保护(1)采用电动车辆和低排放车辆进行货物运输,减少尾气排放。
(2)提供充电设施,鼓励员工使用电动车辆代步。
2. 水环境保护(1)建设污水处理系统,确保分拨过程中产生的废水达标排放。
(2)规划设计雨水收集系统,减少对自来水的需求。
仓储公司环评报告摘要本报告旨在对某仓储公司进行环境影响评价,评估其在运营过程中可能产生的环境影响,并提出相应的环境保护措施。
通过详细的调研和数据分析,本报告得出了以下结论:仓储公司的运营对周边环境有一定程度的影响,但采取相应的环境保护措施能够减少环境影响并确保公司的可持续发展。
1. 介绍仓储公司是一个专门从事货物储存和分配的企业,其运营过程涉及到物料的接收、存储和分拨等环节。
本报告旨在评估仓储公司运营对周边环境的影响,并提出环境保护建议,以确保公司的可持续发展。
2. 环境影响评估2.1 大气环境仓储公司由于需要使用各种机械设备进行货物的装卸和搬运,因此其运营可能会产生一定数量的废气排放。
为了减少大气污染,建议仓储公司采购经济型低排放设备,并进行设备定期维护和检修,以确保其排放达标。
2.2 水环境仓储公司使用的物料和货物包含一定比例的化学品,这可能导致废水中存在有害物质。
为了保护水环境,建议仓储公司建立废水处理设施,对废水进行处理后再排放,并严格控制化学品的使用量,避免对水环境造成不可逆转的影响。
2.3 噪声影响仓储公司的机械设备和物料搬运可能会产生一定的噪声,对周边居民和工作人员的生活和工作造成干扰。
为了减少噪音对周边环境的影响,建议仓储公司对关键设备进行隔音处理,并进行定期维护,保证噪声在可接受范围内。
3. 环境保护措施3.1 废气治理仓储公司应优先选用经济型低排放设备,同时对已有设备进行改造,以减少废气排放。
定期进行设备的维修和检修,确保设备的正常运行并减少污染物的排放。
3.2 废水处理仓储公司应建立相应的废水处理设施,对废水进行处理后排放。
严格控制化学品的使用量,确保水环境的安全和可持续性。
3.3 噪声减少对于噪声较大的关键设备,仓储公司应进行隔音处理,并定期进行维护,以确保噪声在可接受范围内。
同时,加强对员工的培训,提高他们对噪声治理的意识和技能。
4. 结论本报告通过对某仓储公司的运营进行环境影响评估,得出了以下结论:仓储公司的运营对周边环境有一定程度的影响,但通过采取相应的环境保护措施,如优先使用经济型低排放设备、建立废水处理设施以及进行噪声治理,能够减少环境影响并确保公司的可持续发展。
河北天环现代智慧物流项目环评公示摘要:1.河北天环现代智慧物流项目概述2.项目环评公示的意义3.项目环评的主要内容4.项目实施对环境的影响及应对措施5.项目的未来发展前景正文:【1.河北天环现代智慧物流项目概述】河北天环现代智慧物流项目是我国河北省重点支持的现代物流项目之一,旨在通过现代化、智能化手段提升物流行业的效率和服务水平。
该项目总投资约50 亿元人民币,占地约2000 亩,规划建设包括物流信息中心、仓储配送中心、多式联运中心、物流装备制造中心等多个功能区,构建起一个高效、绿色、智能的现代物流体系。
【2.项目环评公示的意义】项目环评公示是项目实施前的一项重要程序,旨在让公众了解项目的基本情况、环境影响及采取的环保措施,保障公众的知情权、参与权和监督权。
通过公示,可以让社会各界对项目进行全面、客观、公正的评价,提出建设性意见和建议,有利于项目的顺利实施和环境保护。
【3.项目环评的主要内容】项目环评主要从以下几个方面进行:一是项目概况,包括项目背景、建设规模、投资金额等;二是项目实施的必要性,分析项目的经济效益、社会效益等;三是项目实施对环境的影响,包括大气污染、水污染、噪声污染等方面;四是项目采取的环保措施,如废气处理、废水处理、噪声控制等;五是项目实施后的环境监测计划。
【4.项目实施对环境的影响及应对措施】根据环评报告,河北天环现代智慧物流项目在实施过程中可能产生一定程度的环境影响,如运输车辆产生的尾气污染、仓储区可能产生的泄漏污染等。
为降低环境影响,项目采取了一系列环保措施,如使用环保型运输工具、加强仓储区密封管理、建立废气废水处理设施等。
同时,项目还将按照国家相关规定,开展环境监测工作,确保项目实施对环境的影响降到最低。
【5.项目的未来发展前景】河北天环现代智慧物流项目建成后,将极大地提升河北省物流行业的整体水平,提高物流效率,降低物流成本,为河北省乃至全国的经济发展注入新的活力。
同时,项目还将带动相关产业的发展,提供众多就业岗位,促进区域经济的繁荣。
物流企业不需要环评报告概述近年来,物流业发展迅速,为国民经济的发展做出了巨大贡献。
然而,在物流企业运营过程中,环境污染等问题也引发了广泛关注。
一些人认为,物流企业应该按照相关法规要求进行环境影响评价,并需要提交环评报告。
然而,本文将从物流企业的特点、环评报告的实际价值以及存在的问题等方面,阐述为什么物流企业不需要环评报告。
物流企业的特点物流企业的主要业务是货物的运输和配送,与其他生产型企业相比,其生产过程中对环境的影响相对较小。
物流企业一般不涉及原材料的开采、加工或生产过程,仅仅是负责货物的运输和储存。
所以,与传统的制造业相比,物流企业所产生的环境影响较为有限。
另外,物流企业还具有高度的灵活性和适应性。
物流业务受市场需求的影响较大,企业可以根据需求灵活调整运输车辆和运营模式,以适应市场变化。
因此,物流企业的规模和运作方式往往难以固定,导致环评报告的编制变得复杂且不实际。
环评报告的实际价值环境影响评价(Environmental Impact Assessment,简称EIA)是对计划项目环境影响的预测、评估、控制和管理的一种决策工具。
EIA的目的是保护环境,提高可持续发展水平。
然而,对于物流企业而言,根据其特点和实际环境影响的程度,环评报告的实际价值存在一定争议。
首先,物流企业的环境影响相对较小,并且运输活动往往分散在不同地点和时间,难以进行全面的评估。
同时,物流运输线路和货物类型也多样,难以针对性地进行评估。
因此,编制环评报告的成本和所需资源较高,但其对环保工作的推进却有限。
其次,物流企业在运营过程中已经有一系列的规章制度和法规要求进行环保监管,如车辆排放标准、货物包装规范等。
这些规定已经具有一定的约束力,并通过相关部门进行监管和检查。
在这种情况下,再额外要求物流企业提交环评报告,显得多余且浪费资源。
存在的问题尽管物流企业不需要进行环评报告,但其环保工作仍面临一些问题。
首先,物流企业在实际运营中易受交通拥堵、能源消耗等外部因素的影响。
冷链物流中心建设项目环境影响评价报告一、项目概述冷链物流中心建设项目旨在满足日益增长的冷链物流需求,提供优质、高效的冷链物流服务。
本项目计划在某市兴建一个现代化的冷链物流中心,内容包括建筑、设备、运输等。
为了全面评估项目对环境可能产生的影响,进行环境影响评价,促进项目的可持续发展。
二、评价范围本次环境影响评价主要涉及以下几个方面:1. 土地利用与资源本项目将依托闲置土地进行建设,涉及土地占用、开发过程中对土壤、植被及水资源的利用。
2. 大气环境项目运作期间,涉及交通运输工具的使用、冷链设备等,可能对大气环境产生一定的影响。
此外,相关设施建设和运营过程中产生的废气、烟尘等排放物也需考虑。
3. 水环境冷链物流中心运营过程中,涉及冷却水、雨水排放等情况,直接或间接对水环境可能产生影响。
需要对水体的质量、水域生物、水资源利用等进行评估。
4. 噪声与振动项目运作会伴随着车辆、设备的运行噪声与振动,特别是夜间运输可能对周边的居民及生态环境造成一定的干扰,需要评估与控制。
5. 社会经济影响评价考虑项目建设过程及运营期对社会经济产生的广泛影响,如就业机会、交通状况、经济增长等。
三、评估方法本次环境影响评价将采用以下方法:1. 实地调查与数据收集对项目建设区域进行实地考察,了解现有环境状况,收集相关的环境数据。
2. 模型分析与预测利用环境评价模型对项目可能产生的环境影响进行预测与分析,包括土地利用、空气质量、水体水质等。
3. 数据比对与分析将实地调查收集到的数据,与环境负荷与影响指标相比对与分析,以判断是否满足相关标准。
4. 环境管理计划根据评价结果,制定环境管理计划,明确环境保护与风险控制措施,提出环境管理的具体要求。
四、环境影响评价结论基于实地考察与模型分析,本评价得出以下结论:1. 项目建设对土地资源的利用较为充分,但需注意土地复垦与保护,避免对生态系统造成破坏。
2. 项目运营期对大气环境的影响在可控范围内,建议加强设备维护与管理,控制废气排放。
物流运输中的环境影响评估在当今全球化的经济体系中,物流运输行业扮演着至关重要的角色,它是连接生产与消费、供应与需求的桥梁。
然而,随着物流运输业务的不断增长,其对环境造成的影响也日益凸显。
因此,对物流运输中的环境影响进行评估具有极其重要的意义。
物流运输活动涵盖了多种方式,包括公路运输、铁路运输、水路运输和航空运输等。
每种运输方式在能源消耗、温室气体排放、空气污染、噪音污染以及土地利用等方面都有着不同程度的影响。
公路运输是目前最常见和广泛使用的物流运输方式之一。
大量的货车在公路上行驶,不仅消耗了大量的燃油,还排放出大量的二氧化碳、氮氧化物和颗粒物等污染物。
这些污染物对空气质量产生了严重的负面影响,导致雾霾天气的频繁出现,对人们的健康构成威胁。
此外,公路运输还会产生噪音污染,尤其是在城市地区,交通噪音严重干扰了居民的生活和工作。
铁路运输在能源效率和环境影响方面相对优于公路运输。
然而,铁路建设可能会占用大量的土地资源,对生态系统造成破坏。
而且,电力驱动的铁路机车在发电过程中也可能产生一定的污染物排放。
水路运输通常被认为是较为环保的运输方式,因为其单位运输量的能源消耗和污染物排放相对较低。
但是,大型船舶的燃料燃烧会排放硫氧化物和氮氧化物,对沿海地区的空气质量产生影响。
此外,港口的建设和运营也可能导致水域生态系统的破坏和海洋污染。
航空运输虽然运输速度快,但却是能源消耗和温室气体排放最高的运输方式之一。
飞机燃料的燃烧会产生大量的二氧化碳和其他污染物,对全球气候变化产生显著影响。
物流运输中的环境影响不仅体现在运输过程中,还包括物流设施的建设和运营。
物流园区、仓库和配送中心的建设需要占用土地,可能导致森林砍伐、湿地破坏和生物多样性减少。
同时,这些设施的能源消耗和废弃物排放也对环境造成了压力。
为了准确评估物流运输对环境的影响,需要综合考虑多个因素。
首先是运输距离和货物重量。
较长的运输距离和较重的货物通常会导致更高的能源消耗和污染物排放。
河北天环现代智慧物流项目环评公示摘要:一、引言二、河北天环现代智慧物流项目简介1.项目背景2.项目目标3.项目规划三、环评公示内容1.环评报告概述2.主要环境影响及对策3.环保设施及措施四、公众参与及反馈1.公示期限2.公众反馈途径3.反馈处理及采纳情况五、项目实施与监管1.项目实施进度2.环保监管措施3.持续改进与优化六、总结正文:一、引言河北天环现代智慧物流项目作为我国现代物流行业的重要组成部分,一直备受关注。
本文将围绕该项目进行环评公示的内容进行介绍,以期为公众提供全面、准确的信息。
二、河北天环现代智慧物流项目简介1.项目背景随着我国经济的快速发展,物流行业在国民经济中的地位日益重要。
河北天环现代智慧物流项目正是在这一背景下应运而生,旨在提升河北省物流行业整体水平,推动区域经济发展。
2.项目目标项目旨在打造一个集信息化、智能化、绿色环保于一体的现代化物流园区,提高物流效率,降低物流成本,为客户提供优质服务。
3.项目规划项目规划包括建设现代化仓储设施、智能物流配送中心、绿色环保物流园区等,总面积达到XX 平方米。
三、环评公示内容1.环评报告概述根据环评报告,项目在建设过程中可能产生一定程度的环境影响,主要包括土地利用变化、交通运输、废水排放等方面。
2.主要环境影响及对策针对可能产生的环境影响,项目方提出了相应的对策,如优化交通运输线路,采取绿色建筑材料,建设污水处理设施等。
3.环保设施及措施项目将严格按照国家环保标准,建设环保设施,包括污水处理站、废气处理设施等,确保污染物达标排放。
四、公众参与及反馈1.公示期限环评公示期限为XX 天,自XX 年XX 月XX 日至XX 年XX 月XX 日。
2.公众反馈途径公众可通过电话、信函、电子邮件等方式向项目方提出反馈意见。
3.反馈处理及采纳情况项目方将对收到的反馈意见进行认真处理,对合理的意见将予以采纳,对不合理的意见将予以解释说明。
五、项目实施与监管1.项目实施进度项目已进入实施阶段,各项工作正按照计划稳步推进。
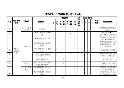
建设项目基本情况项目名称甘肃迪硕工贸有限公司危险化学品仓储物流建设项目(变更)建设单位甘肃迪硕工贸有限公司法人代表魏祥联系人赵喜通讯地址甘肃省酒泉市瓜州县北大桥工业园区联系电话186****3166传真--邮政编码736100建设地点瓜州工业集中区(柳沟片区)经二路西侧,纬一路北侧立项审批部门--批准文号--建设性质新建行业类别及代码G5942危险化学品仓储占地面积(平方米)33489绿化面积(平方米)300m2总投资(万元)4900其中:环保投资(万元)50环保投资占总投资比例(%)1.02%评价经费(万元)--预期投产日期2021年4月工程内容及规模简述:1、项目建设背景进入“十三五”时期,甘肃省物流产业亟待抓住新一轮战略机遇,扩大产业规模,将其培育成全省优势产业。
进一步加快物流基础设施建设,整合物流资源,形成网络化的物流基础设施体系;不断推动物流技术、物流装备、物流信息化在物流领域的应用与发展,降低物流成本,提升物流效率,促进全省传统产业转型升级和竞争力提升;不断改革创新管理体制,消除影响物流一体化运作的制度障碍,促进大物流格局尽快形成。
通过构建适合在甘肃省培育发展的新兴产业所需的物流环境,打造物流供应链支撑下的产业组织服务中心,将成为全省产业二次扩张的创新手段,并为甘肃省带来全新的产业物流增量需求。
甘肃迪硕工贸有限公司紧紧围绕整体发展战略,遵循上中下游“全面、协调、可持续发展和效益最大化”原则,按照“量入为出、控制总量,突出重点、有保有压”的思路,统筹规划,调整结构,紧跟市场,不断优化投资项目,积极推进甘肃迪硕工贸有限公司危险化学品仓储物流的建设。
本项目的建设具有产业规模化、集约化的示范效应,积极响应了国家及甘肃省酒泉市仓储及物流发展规划要求,同时对优化公司产业结构,优化资源配置,提高经济效益做出积极贡献,也为酒泉市危化品储备产业的可持续发展奠定坚实基础。
2020年3月,甘肃迪硕工贸有限公司委托酒泉成蹊环保管家环境科技咨询有限公司编制完成了《甘肃迪硕工贸有限公司危险化学品仓储物流建设项目环境影响报告表》,酒泉市生态环境局瓜州分局于2020年3月17日对本项目进行批复(瓜环表【2020】7号),同意项目建设。
(2023)智能仓储物流设备项目环评报告表(一)智能仓储物流设备项目环评报告表本次智能仓储物流设备项目环评报告表旨在对该项目进行环保评估,从而确保项目的环保性和可持续性。
项目概述该项目涉及智能化仓储设备的研发、生产和销售,包括货架、输送设备、拣选系统等。
该项目将有效提高仓库运营效率,降低物流成本,为用户提供更高效的物流服务。
环境保护措施污染防治工程措施•安装污染防治设备,包括除尘器、噪音隔离器等,确保在生产过程中不会产生对环境的污染。
•严格执行国家、地方的环保法规和标准,如严格控制废气、废水排放。
•建设保护区域,采取有效的措施防止各种污染物通过风、水、土壤扩散。
资源节约措施•优化生产流程,减少能源的消耗。
•采用高效节能的生产设备。
•严格控制物流过程中的资源消耗,例如纸箱、木材等原材料。
生态恢复措施•对周边环境进行植树造林,增加植被覆盖率。
•对生产过程中所产生的废弃物进行处理,有效维护当地环境。
环保风险评估结果经过环保评估,该项目在合理施工下,对环境无明显的污染或破坏风险。
同时,该项目所采取的环保措施也能有效保护周边环境,达到了环保要求。
结尾总结来看,该项目在兼顾经济利益的基础上,注重环保问题,展现出了责任和担当。
该报告表的出台有利于企业在经营发展中始终保持环保意识,加强规范管理,为可持续发展制定更加全面、详实、切实可行的环境保护措施,也能为保护我们美丽湖北提供帮助和参考。
建议与展望为了更好地推进该项目的环保工作,我们建议:1.建立完善的环保管理机制,加强对员工环保意识的培训,确保所有环保措施得到有效执行;2.常年聘请专业的环保机构,实时监测和掌握环境质量情况,及时制定调整计划;3.参加国家或省级的环保评选,并开展一系列环境保护公益活动,宣传和推广该项目的环保意识。
我们相信,在以上建议的支持下,该项目在环保方面的成果将能够得到巩固和进一步发展。
结语本次智能仓储物流设备项目环评报告表旨在全面客观地评估项目对环境的影响,以及项目所采取的环保措施。
仓储物流环评范文一、项目概况本项目仓储物流中心的环境影响评价报告。
仓储物流中心计划占地面积为X平方米,主要用于物流仓储及相关服务。
本报告将对该项目的环境影响进行评估,并提出相应的环境保护和改善措施。
二、环境影响评价内容1.建设活动对周边环境的影响:主要包括土地利用、水资源、噪声、空气质量、固体废弃物等方面。
2.运营活动对周边环境的影响:主要包括运输车辆排放物的影响、噪声、固体废弃物处理等方面。
3.环境敏感区的评估:对于周边环境敏感区域进行评估,包括水源保护区、自然保护区等。
4.环境监测与管理措施:提出合理的环境监测与管理措施,保证项目的运营符合环境法规和标准。
三、环境影响评估结果1.建设活动影响评估结果:本项目建设活动对土地利用造成一定的影响,但影响范围较小且可以通过补偿措施得到有效管理;水资源利用量相对较低,不会对周边水资源造成较大的影响;建设过程中的噪声和空气质量污染可以通过采取科学合理的施工技术和管理措施来减少;固体废弃物的处理符合相关法规要求。
2.运营活动影响评估结果:运输车辆的排放物有一定的影响,但可以通过提高车辆技术水平和采用清洁能源车辆来降低污染物的排放;运营过程中的噪声对周边居民的影响较小,但仍需要采取减噪措施;固体废弃物的处理应符合相关法规要求。
3.环境敏感区评估结果:该项目周边无明显的环境敏感区,对周边特殊保护区域的影响较小。
四、环境保护和改善措施1.建设期间环境保护措施:a.严格执行相关法规,按照规划要求进行土地利用和开发;b.采用低噪声施工设备,减少噪声污染;c.定期清理现场,妥善处理施工废弃物。
2.运营期间环境保护措施:a.优化车辆调度,减少运输车辆的数量;b.鼓励使用清洁能源车辆,减少尾气排放;c.定期检查和维护车辆排放系统,确保其正常运行;d.在周边居民密集区域设置噪声防护设施,减少噪声对居民的影响;e.实施固体废弃物分类处理,加强垃圾清运工作。
3.环境监测与管理措施:a.建立环境监测系统,对空气质量、水质和噪声等因素进行定期监测;b.设立环境管理岗位,负责环境监测和整改工作;c.定期组织环境培训,提高员工的环保意识和管理水平;d.定期向上级环保部门上报环境监测数据和整改情况。
目录
1建设项目基本情况 (1)
2建设项目所在地自然环境社会环境简况 (4)
3环境质量状况 (7)
4评价适用标准 (10)
5建设项目工程分析 (14)
6项目主要污染物产生及预计排放情况 (21)
7环境影响分析 (22)
8建设项目拟采取的防治措施及预期治理效果 (33)
9结论与建议 (35)
附件
附件1 环评委托书;
附件2 建设单位营业执照、组织机构代码证;
附件3 质保单;
附件4 审批登记表;
附件5 土地合同;
附件6 规划选址意见
附件7 备案通知书。
附图
附图1建设项目所在地理位置图;
附图2建设项目周围状况图;
附图3建设项目区域水系图;
附图4厂区平面布置图。
仓储项目环评影响报告
40。
物流园环评报告1. 引言本文档为物流园环境影响评价报告,旨在对拟建物流园的环境影响进行全面评估,并提出相应的环境保护措施和建议。
物流园作为一个集中存储、处理和分配货物的综合性场所,对周边环境可能产生一定的影响,因此需进行环境影响评价,以保障周边环境的稳定和可持续发展。
2. 项目概况2.1 项目背景物流园作为一个现代物流的综合性场所,吸引了众多物流企业的关注。
拟建的物流园位于城市东部郊区,总占地面积约1000亩,主要用于存储、转运和分配货物。
2.2 项目规划根据设计方案,物流园将包括货物集散中心、物流仓储区、配送服务区、行政办公区以及相关的基础设施设备。
其中,货物集散中心将实现货物的集中处理和转运,物流仓储区将提供货物存储和管理服务,配送服务区将提供物流配送服务,行政办公区将满足管理和行政工作的需求。
3. 环境影响评价3.1 影响评价范围根据国家环境保护部的相关规定,本次环境影响评价将对物流园建设及运营过程中可能产生的环境影响进行评估。
评价范围包括但不限于水环境、大气环境、土壤环境、噪声环境、生态环境等。
3.2 环境影响评价方法本次环境影响评价采用综合评价方法,结合实地调查、监测数据和模型分析,对物流园建设和运营过程中的环境影响进行定量和定性分析。
具体方法包括环境质量监测、环境风险评估、环境模型预测等。
3.3 环境影响评价结果根据评估结果,物流园建设和运营将对周边环境产生一定的影响,主要包括:1.水环境:物流园的建设将增加对水资源的需求,可能对周边地表水和地下水资源造成一定压力。
因此,应采取严格的水资源管理措施,确保水环境的可持续利用。
2.大气环境:物流园的运营将产生一定的机动车尾气排放和粉尘扬尘,可能对空气质量产生一定影响。
因此,应加强车辆尾气治理、扬尘控制等措施,保障周边空气环境质量。
3.噪声环境:物流园的运营将产生一定的噪声,可能对周边居民和野生动物的生活产生干扰。
因此,应采取隔音措施和合理规划建设区域,减少噪声对周边环境的影响。
危化品仓储环评审批原则
1.安全性原则:危化品仓储环评审批的首要考虑是安全性。
审批机关会评估危化品仓储项目的安全措施和应急预案,并要
求项目方对潜在的危险进行有效控制,确保项目不会对周边环
境和人员的安全造成重大威胁。
2.法律合规原则:危化品仓储环评审批需要符合相关法律法
规的规定。
审批机关会检查项目方是否具备合法的资质和许可证,并针对环保、安全等方面的合规性进行评估。
3.环境保护原则:审批机关会对危化品仓储项目对环境的影
响进行评估。
这包括评估项目对空气、土壤、水体等方面的影响,以及项目方对环境保护的措施和计划。
审批机关通常会要
求项目方采取相应的措施减少或避免对环境的负面影响。
4.公众参与原则:危化品仓储环评审批过程中,公众的参与
是重要的一环。
审批机关通常会组织公众听证会或公众座谈会,征求公众对项目的意见和建议,并加以考虑。
这有助于提高审
批的透明度和公正性,确保公众的权益得到保护。
5.可行性原则:审批机关会评估危化品仓储项目的可行性。
这包括评估项目方的能力和经验,评估项目所需的技术和设备
是否成熟可行,以及评估项目所需的资源是否可获得。
仓储环评报告一、项目概述本项目为仓储业务建设项目,包括新建仓库、进出口货物储存和运输配送业务。
建设地点为城市工业园区,占地面积为10000平方米。
本仓储环评报告旨在评估本项目对环境的影响,并提出相应的环保措施。
二、环境评估1. 项目对大气环境的影响:本项目将采用电动叉车进行卸货和装货操作,减少了内燃机车辆对大气的污染,但是由于货物的运输和储存等操作,会产生一定的扬尘和废气等污染物。
因此,建设过程中应加强建筑物围合,进行喷淋降尘,安装除尘设施等措施,减少污染物排放。
2. 项目对水环境的影响:本项目将使用消防水池和防火系统,但也可能出现不可预期的泄漏和污染等情况。
因此,建筑物周围应采取有效的防渗措施,防止污染物渗入地下水。
并进行定期检查和维护,保障消防系统的正常运行。
3. 项目对土壤环境的影响:本项目的建设不会造成明显的土地开采和破坏,但可能会产生货物的储存和运输过程中的二次污染。
因此,应在周围建设绿化带,通过植被的吸附和固定,减少污染物对土壤的侵害。
4. 项目对噪声环境的影响:本项目将产生一定的噪声,主要来自货车和叉车的运行以及货物的装卸等操作。
为减少噪声对周围环境的影响,应采取消音、隔音措施加以减少。
三、环保措施1. 控制噪声污染:采用静音装置和噪音屏障等减少噪声的传播和影响。
2. 减少气体污染:采用除尘、除臭等设备减少空气污染物的排放。
3. 防止水污染:在建筑物周围加强防渗措施,防止污染物渗入地下水。
4. 减少土壤污染:在周围建设绿化带,通过植被的吸附和固定,减少污染物对土壤的侵害。
5. 废弃物管理:对储存的废弃物和垃圾进行定期清理和分类处理,减少对环境的污染。
四、监测与评估针对本项目的环境影响,应制定相应的监测方案和评估方法,通过实时监测和评估,及时发现和纠正环境问题。
对环境影响较大的情况,据实情况及时上报环保部门,并制定应急预案。
五、结论在建设过程中,应根据本仓储环评报告提出的建议和措施,对项目涉及的环境问题进行有效的预防和治理,保证建设过程对周围生态环境的污染控制在合理的范围内。
仓储物流安全评价报告(模板4)1. 背景介绍仓储物流安全是指在仓储和物流过程中采取一系列措施来预防事故和确保人员和物品的安全。
对于仓储物流公司来说,安全评价是一个重要的工作,为了确保仓储和物流业务的安全运行,评估仓储物流的风险和安全状况是必不可少的。
2. 目的和范围本报告旨在对仓储物流公司进行安全评价,包括评估仓储和物流过程中的风险和控制措施,识别潜在的安全问题,并提供改进建议。
本评价范围包括仓储设施、物流流程、人员安全管理和应急预案等方面。
3. 评估方法本次评估采用综合评估方法,在采集相关数据、检查现场和访谈相关人员的基础上进行。
评估依据包括国家相关法规、标准和业界最佳实践。
评估过程分为以下几个步骤:3.1 数据收集通过查阅仓储物流公司的相关文件和记录,以及与相关人员的交流,收集相关数据,包括仓储设施的规模和布局、物流流程的描述、人员培训和资质等信息。
3.2 现场检查在评估过程中,我们对仓储设施进行了现场检查,包括仓库的结构和设备、货物的存放和堆放方式、设施的维护情况等方面。
同时,我们还检查了物流过程中的关键环节,如装卸和运输设备的状况、物品包装和标识等。
3.3 人员访谈我们与仓储物流公司的相关人员进行了面对面的访谈,包括仓库管理人员、物流运输人员、安全部门负责人等。
通过访谈了解他们对安全问题的认识和重视程度,以及他们所采取的安全措施和应急预案。
3.4 数据分析通过对收集到的数据进行比较和分析,我们评估了仓储物流公司的安全风险和控制措施的有效性。
根据评估结果,我们进行了问题识别和改进建议。
4. 评估结果4.1 仓储设施评估根据现场检查和数据分析,仓储设施的布局和设备均符合相关标准和要求。
然而,在一些区域存在堆放不规范和通道堵塞的问题,需加强规范和管理。
4.2 物流流程评估物流流程的运作较为稳定,但存在装卸设备的老化和维护不及时的情况。
同时,物品包装和标识的标准化程度有待提高,可能会导致物品的损坏和混乱。