机械原理典型例题(第六章齿轮)12-11-10
- 格式:ppt
- 大小:583.50 KB
- 文档页数:28
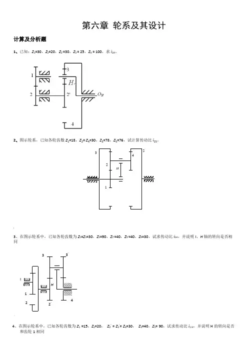
第六章 轮系及其设计计算及分析题1、已知:Z 1=30,Z 2=20,Z 2’=30,Z 3 = 25,Z 4 = 100,求i 1H 。
2、图示轮系,已知各轮齿数Z 1=18,Z 2= Z 4=30,Z 3=78,Z 5=76,试计算传动比i 15。
12 34 5 H|3、在图示轮系中,已知各轮齿数为Z 1=Z 3=30,Z 2=90,Z 2’=40,Z 3’=40,Z 4=30,试求传动比i 1H ,并说明I 、H 轴的转向是否相同—4、在图示轮系中,已知各轮齿数为Z 1 =15,Z 2=20, Z 2’ = Z 3’= Z 4=30, Z 3=40,Z 5= 90,试求传动比i 1 H ,并说明H 的转向是否和齿轮1相同1I22’ 33’4 H5、在图示轮系中,已知各轮的齿数为Z 1= 20, Z 2=30,Z 3=80, Z 4=25,Z 5=50,试求传动比i 15。
6、在图示轮系中,已知各轮齿数为Z 1=19,Z 2=76, Z 2’= 40,Z 3=20,Z 4= 80,试求传动比i 1H 。
7、在图示轮系中,已知各轮齿数为Z 1= 20,Z 2’= 25,Z 2= Z 3=30,Z 3’= 20,Z 4=75,试求:(1)轮系的传动比i 1H 。
(2)若n 1=1000r/min ,转臂H 的转速n H =|1 22’ 34 5[3’45 1 2{H12 32’ 3’4 H8、已知图示轮系中各轮的齿数Z 1=20,Z 2=40,Z 3=15,Z 4=60,轮1的转速为n 1=120 r/min ,转向如图。
试 求轮3的转速n 3 的大小和转向。
@9、在图示轮系中,已知各轮齿数为Z 1= Z 3= Z 4=20,Z 2=40,Z 5= 60, n 1 = 800r/min ,方向如图所示,试求n H 的大小及转向。
10、在图示轮系中,已知各轮齿数为Z 1=16 ,Z 2=24, Z 2’= 20,Z 3=40,Z 3’= 30, Z 4= 20,Z 5=70试求轮系的传动比i 1H 。
第二章 机构的结构分析一.填空题1.组成机构的基本要素是 和 。
机构具有确定运动的条件是: 。
2.在平面机构中,每一个高副引入 个约束,每一个低副引入 个约束,所以平面机构自由度的计算公式为F = 。
应用该公式时,应注意的事项是: 。
3.机构中各构件都应有确定的运动,但必须满足的条件是: 。
二.综合题1.根据图示机构,画出去掉了虚约束和局部自由度的等效机构运动简图,并计算机构的自由度。
设标有箭头者为原动件,试判断该机构的运动是否确定,为什么?2.计算图示机构的自由度。
如有复合铰链、局部自由度、虚约束,请指明所在之处。
(a ) (b )ADECHGF IBK1234567893.计算图示各机构的自由度。
(a)(b)(c)(d)(e)(f)4.计算机构的自由度,并进行机构的结构分析,将其基本杆组拆分出来,指出各个基本杆组的级别以及机构的级别。
(a)(b)(c)(d)5.计算机构的自由度,并分析组成此机构的基本杆组。
如果在该机构中改选FG 为原动件,试问组成此机构的基本杆组是否发生变化。
6.试验算图示机构的运动是否确定。
如机构运动不确定请提出其具有确定运动的修改方案。
(a)(b)第三章平面机构的运动分析一、综合题1、试求图示各机构在图示位置时全部瞬心的位置(用符号P直接在图上标出)。
ij2、已知图示机构的输入角速度ω1,试用瞬心法求机构的输出速度ω3。
要求画出相应的瞬心,写出ω3的表达式,并标明方向。
3、在图示的齿轮--连杆组合机构中,试用瞬心法求齿轮1与3的传动比ω1/ω2。
4、在图示的四杆机构中,AB l =60mm, CD l =90mm, AD l =BC l =120mm, 2ω=10rad/s ,试用瞬心法求:(1)当ϕ=165°时,点C 的速度c v ;(2)当ϕ=165°时,构件3的BC 线上速度最小的一点E 的位置及其速度的大小; (3)当0c v =u u u v时,ϕ角之值(有两个解)。
第六章 机械的平衡习题6-5解:通孔I 的失去质量为()kg b V m 766.0105014.35078004922=⨯⨯⨯⨯===-ρπφρ,I 处失去质量等效于在I 的对称处添加了一个质量为0.766kg 的质量块,因此等效后的图为质径积分别为质量I :mm kg r m I I I .6.76100766.0=⨯==κ质量II :mm kg r m II II II .1002005.0=⨯==κ取质径积比例尺mmm kg .01.0=κμ,作质径积多边形如图示,得平衡质量的质径积为 mm kg mr .1.1091091.10=⨯==κμκ方位为与x 轴正向夹角107o 。
但现在要制一通孔,则制在反向方位即可。
孔直径大小为mm m br b m 42042.0102005014.37800101.10944463==⨯⨯⨯⨯⨯⨯===Φ--ρπκρπ 孔的方位与x 轴反向成107o 夹角。
习题6-7解:先将质量块2、3的质径积向两个平衡面上分解,令l l l l ===342312,有cm kg l l r m I .30032301532222=⨯⨯==κcm kg l l r m II .1503130153222=⨯⨯==κcm kg l l r m I .3.133********=⨯⨯==κcm kg l l r m II .7.26632202032333=⨯⨯==κ质量块1和4在平衡面I 和II 上的质径积分别为cm kg r m I .4004010111=⨯==κ,cm kg r m I .3003010444=⨯==κ取质径积的作图比例尺mmm kg .1.0=κμ,作质径积的矢量图如下可得第I 个平衡面上所需质径积为285kg.cm ,第二个平衡面上所需质径积为381kg.cm 。
平衡质量分别为kg r m I IbI 7.550285===κ,方位:与x 轴正向夹角60。
第二章习题及解答2-1 如题图2-1所示为一小型冲床,试绘制其机构运动简图,并计算机构自由度。
(a)(b)题图2-1解:1)分析该小型冲床由菱形构件1、滑块2、拨叉3和圆盘4、连杆5、冲头6等构件组成,其中菱形构件1为原动件,绕固定点A作定轴转动,通过铰链B与滑块2联接,滑块2与拨叉3构成移动副,拨叉3与圆盘4固定在一起为同一个构件且绕C轴转动,圆盘通过铰链与连杆5联接,连杆带动冲头6做往复运动实现冲裁运动。
2)绘制机构运动简图选定比例尺后绘制机构运动简图如图(b)所示。
3)自由度计算其中n=5,P L=7, P H=0,F=3n-2P L-P H=3×5-2×7=1故该机构具有确定的运动。
2-2 如题图2-2所示为一齿轮齿条式活塞泵,试绘制其机构运动简图,并计算机构自由度。
(a)(b)题图2-2解:1)分析该活塞泵由飞轮曲柄1、连杆2、扇形齿轮3、齿条活塞4等构件组成,其中飞轮曲柄1为原动件,绕固定点A作定轴转动,通过铰链B与连杆2联接,连杆2通过铰链与扇形齿轮3联接,扇形齿轮3通过高副接触驱动齿条活塞4作往复运动,活塞与机架之间构成移动副。
2) 绘制机构运动简图选定比例尺后绘制机构运动简图如图(b)所示。
3)自由度计算其中n=4,P L=5, P H=1F=3n-2P L-P H=3×4-2×5-1=1故该机构具有确定的运动。
2-3 如图2-3所示为一简易冲床的初步设计方案,设计者的意图是电动机通过一级齿轮1和2减速后带动凸轮3旋转,然后通过摆杆4带动冲头实现上下往复冲压运动。
试根据机构自由度分析该方案的合理性,并提出修改后的新方案。
题图2-3解:1)分析2)绘制其机构运动简图(图2-3 b)选定比例尺后绘制机构运动简图如图(b )所示。
3)计算机构自由度并分析其是否能实现设计意图由图b 可知,45200l h n p p p F ''===== 故3(2)34(2520)00l h F n p p p F ''=-+--=⨯-⨯+--=因此,此简易冲床根本不能运动,需增加机构的自由度。
32'1O 123'O 3O 44O 2机械原理 第六章 齿轮系及其设计习题解答6.1 在图示的手摇提升装置中,已知各轮齿数为201=z ,502=z ,153=z ,304=z ,406=z 。
试求传动比16i 并指出提升重物时手柄的转向。
解:2001152040305053164216=⨯⨯⨯⨯==z z z z z z i方向:从左往右看为顺时针方向。
题 6.1 图 题 6.2 图6.2 在图示轮系中,各轮齿数为201=z ,402=z ,202='z ,303=z ,203='z ,404=z 。
试求:(1)传动比i 14;(2)如要变更i 14的符号,可采取什么措施?解: (1) 620202040304032143214-=⨯⨯⨯⨯==''z z z z z z i由于该轮系为空间定轴轮系,其方向只能用画箭头的方法判断,又轮4的轴线与轮1平行,通过画箭头判断轮4和轮1的转向相反,故在传动比前加“—”(2)如要变更i 14的符号,可将齿轮3和4变为内啮合齿轮,或在3、4间加一个惰轮。
6.3 在图示的机械式钟表机构中,E 为擒纵轮,N 为发条盘,S 、M 、及H 分别为秒针、分针和时针。
已知:721=z ,122=z ,643=z ,84=z ,605=z ,86=z ,607=z ,68=z ,89=z ,2410=z ,611=z ,2412=z ,求秒针和分针的传动比SM i 和分针与时针的传动比MH i 。
解: 该轮系为平面定轴轮系,故有 60886460)1(463524664=⨯⨯=-====z z z z n n i n n i M S SM 12682424)1(11912102129912=⨯⨯=-====z z z z n n i n n i H M MH题 6.3 图 题 6.4 图6.4 图示为一滚齿机工作台的传动机构,工作台与蜗轮5固联。
第六章 例题精选及答题技巧例5-1 某传动装置如例5-1图所示,已知:1z =60,2z =48,'2z =80,3z =120,'3z =60,4z =40,蜗杆'4z =2(右旋),涡轮5z =80,齿轮'5z =65,模数m=5 mm 。
主动轮1的转速为1n =240 r/min ,转向如图所示。
试求齿条6的移动速度6v 的大小和方向。
例5-1图解题要点:这是一个由圆柱齿轮、圆锥齿轮、蜗轮蜗杆、齿轮齿条所组成的定轴轮系。
解:为了求齿条6的移动速度6v 的大小,需要首先求出齿轮5'的转动角速度'5ω。
因此首先计算传动比15i 的大小: 322608060804012048432154325115=⨯⨯⨯⨯⨯⨯==='''z z z z z z z z n n i ===='3224015155i n n n 7.5 r/min 605.7260255⨯==''ππωn =0.785 rad/s 齿条6的移动速度等于齿轮5'的分度圆线速度,即:785.0655212155556⨯⨯⨯===''''ωωmz r v =127.6 mm/s 齿条6的运动方向采用画箭头的方法确定如例5-1图所示。
例5-2 如例5-2图所示,已知各轮齿数为1z 、2z 、3z 、4z 、5z 、6z ,1z 为主动件,转向如图箭头所示,试求:1. 传动比?/11==H H i ωω(列出表达式);2. 若已知各轮齿数1z =2z =4z =5z =20,3z =40,6z =60,求H i 1的大小及转向。
图 5-2解题要点:如例5-2图所示,从结构上看,此轮系由两部分组成,齿轮1、齿轮2、齿轮3组成定轴轮系,齿轮4、5、6及系杆H 组成行星轮系,二者之间属串联关系。
齿轮3和齿轮4属同一构件。
机械原理练习题库及参考答案一、单选题(共56题,每题1分,共56分)1.斜齿圆柱齿轮传动、人字齿圆柱齿轮传动属于()间齿轮传动。
A、交叉两轴B、平行两轴C、相交两轴正确答案:B2.锯齿形螺纹的特征代号是()。
A、RcB、TrC、B正确答案:C3.小链轮齿数不宜过少,一般应大于()个。
A、17B、15C、21正确答案:A4.当急回运动行程速比系数()是,曲柄摇杆机构才有急回运动。
A、K=0B、K>1C、K=1正确答案:B5.金属切削机床的主轴、拖板属于机器的()部分。
A、执行B、动力C、传动正确答案:A6.车床丝杠螺母的螺旋运动是采用()。
A、螺母固定不动,螺杆回转并做直线运动B、螺杆回转,螺母移动C、螺杆固定不动,螺母回转并做直线运动正确答案:B7.在轮系中,两齿轮间若增加()个惰轮时,首、末端两轮的转向相同。
A、1B、4C、2正确答案:A8.蜗轮蜗杆传动常用于()。
A、减速传动B、等速传动C、增速传动正确答案:A9.针对应用要求,找出相应的轴承类型代号,可同时承受径向载荷和单向轴向载荷的是()。
A、6208B、51308C、31308正确答案:C10.齿轮开式低速传动时,可采用()。
A、灰铸铁或球墨铸铁B、夹布胶木C、铸钢正确答案:A11.盘形凸轮轴的支承,应当选用()。
A、深沟球轴承B、调心球轴承C、推力球轴承正确答案:A12.在下列铰链四杆机构中,(1)AB=70mm,BC=60mm,CD=80mm,AD=95mm;(2)AB=80mm,BC=85mm,CD=70mm,AD=55mm;(3)AB=70mm,BC=60mm,CD=80mm,AD=85mm;(4)AB=70mm,BC=85mm,CD=80mm,AD=60mm,若以BC杆件为机架,则能形成双摇杆机构的是()。
A、(1)、(2)、(4)B、(2)、(3)、(4)C、(1)、(2)、(3)正确答案:A13.普通螺纹的特征代号用字母()表示。
第二章 平面机构的结构分析题2-1 图a 所示为一简易冲床的初拟设计方案。
设计者的思路是:动力由齿轮1输入,使轴A 连续回转;而固装在轴A 上的凸轮2与杠杆3组成的凸轮机构使冲头4上下运动,以达到冲压的目的。
试绘出其机构运动简图(各尺寸由图上量取),分析是否能实现设计意图,并提出修改方案。
解:1)取比例尺,绘制机构运动简图。
(图2-1a) 2)要分析是否能实现设计意图,首先要计算机构的自由度。
尽管此机构有4个活动件,但齿轮1和凸轮2是固装在轴A上,只能作为一个活动件,故3=n3=l p 1=h p01423323=-⨯-⨯=--=h l p p n F原动件数不等于自由度数,此简易冲床不能运动,即不能实现设计意图。
分析:因构件3、4与机架5和运动副B 、C 、D 组成不能运动的刚性桁架。
故需增加构件的自由度。
3)提出修改方案:可以在机构的适当位置增加一个活动构件和一个低副,或用一个高副来代替一个低副。
(1) 在构件3、4之间加一连杆及一个转动副(图2-1b)。
(2) 在构件3、4之间加一滑块及一个移动副(图2-1c)。
(3) 在构件3、4之间加一滚子(局部自由度)及一个平面高副(图2-1d)。
1(c)题2-154364(a)53221讨论:增加机构自由度的方法一般是在适当位置上添加一个构件(相当于增加3个自由度)和1个低副(相当于引入2个约束),如图2-1(b )(c )所示,这样就相当于给机构增加了一个自由度。
用一个高副代替一个低副也可以增加机构自由度,如图2-1(d)所示。
题2-2 图a所示为一小型压力机。
图上,齿轮1与偏心轮1’为同一构件,绕固定轴心O连续转动。
在齿轮5上开有凸轮轮凹槽,摆杆4上的滚子6嵌在凹槽中,从而使摆杆4绕C轴上下摆动。
同时,又通过偏心轮1’、连杆2、滑杆3使C轴上下移动。
最后通过在摆杆4的叉槽中的滑块7和铰链G使冲头8实现冲压运动。
试绘制其机构运动简图,并计算自由度。
第12章其他常用机构12-1棘轮机构除常用来实现间歇运动的功能外,还常用来实现什么功能?答:棘轮机构除了常用的间歇运动功能外,还能实现制动、进给、转位、分度、趙越运动等功能。
12-2某牛头刨床送进丝杠的导程为6mm,要求设计一棘轮机构,使每次送进呈可在0.2〜之间作有 级调整(共6级)。
设棘轮机构的棘爪由一曲柄摇杆机构的摇杆来推动,试绘出机构运动简图,并作必姜的计算 和说明。
解:牛头刨床送进机构的运动简图如图12-1所示,牛头刨床的横向进给是通过齿轮1、2,曲衲摇杆机构2、 3、4,練轮机构4、5、7来使与棘轮固连的丝杠6作间歇转动,从而使牛头刨床工作台实现横向间接进给。
通过 改变曲柄长度刃的大小可以改变进给的大小。
当棘爪7处于图示状态时,棘轮5沿逆时针方向作间歇进给运 动。
若将棘爪7拔出绕自身轴线转180°后再放下•由于棘爪工作面的改变.棘轮将改为沿顺时针方向间接进给。
G=^X360° = 12°O棘轮的齿数为360° 360° “0 12°设牛头刨床横向进给的初始位置如图12-1 (a)所示,则曲柄摇杆机构0。
2皿的极限位置为初始位置左右 转0/2,其中0为摇杆的摆角,极限位置如图12-1 (b)所示。
半-次进给量为0.2mm 时,帀为虽短,即得棘轮最小转角.2久 2穴 rac0 =〒仏二石".2 = 72。
每次送进量的调整方法:① 采用隐蔽棘轮罩来实现送进駅的调格:② 通过改变棘爪摆角來实现送进就的调整。
当一次进给虽为\.2tnm 时 即得棘轮最人转角当进给最为0.2/n/n 时,棘轮每次转过的角度为=—x0.2 = 6图(a)中所示,三个楝爪尖在練轮齿圈上的位置相互磅个齿風图(b)中所示,三个棘爪尖在練轮齿圈上的位買相互差I个齿距。
(a) (b)图12-212-4当电钟电压不足时,为什么步进式电钟的秒针只在原地震荡,而不能作整周回转?答:如图12-3所示为用于电钟的棘轮机构。
机械原理大作业-齿轮三、齿轮传动设计一、设计题目如图所示一个机械传动系统,运动由电动机1输入,经过机械传动系统变速后由圆锥齿轮16输出三种不同的转速。
根据表中的传动系统原始参数设计该传动系统。
1.机构运动简图1.电动机 2,4.皮带轮 3.皮带 5,6,7,8,9,10,11,12,13,14.圆柱齿轮15,16.圆锥齿轮2.机械传动系统原始参数二、传动比的分配计算电动机的转速1450/min n r ,输出转速1n =50r/min ,2n =45r/min ,3n =40r/min,带传动的最大传动比max2.5p i ,滑移齿轮的传动的最大传动比max4v i ,定轴齿轮传动的最大传动比max4d i 。
根据系统的原始参数,系统的总传动比为1i =1n n=1450/50=29.00 2i =2n n =1450/45=32.222 3i =3n n=1450/40=36.25 传动系统的总传动比由带传动、滑移齿轮传动和定轴齿轮传动三部分实现。
设带传动的传动比为max2.5p i ,滑移齿轮的传动比为1v i 、2v i 和3v i ,定轴齿轮传动的传动比为f i 则总传动比为 1max 1p v f i i i i 2max 2p v f i i i i 3max 3p v f i i i i令3max4v v i i则可得定轴齿轮传动部分的传动比为f i =maxmax 3*v p i i i =4*5.225.36=3.625 滑移齿轮传动的传动比为1v i =fp i i i *max 1=9.2*5.229=42v i =fp i i i *max 2=9.2*5.222.32=4.444定轴齿轮传动由3对齿轮传动组成,则每对齿轮的传动比为d i =3f i =3625.3=1.536三、齿轮齿数的确定根据滑移齿轮变速传动系统中对齿轮齿数的要求,可大致选择齿轮5、6、7、8、9和10、为角度变位齿轮,其齿数:52,19,41,17,50,231098765======z z z z z z 它们的齿顶高系数1ah ,顶隙系数0.25c ,分度圆压力角=20,实际中心距取mm a 73=。