手工电弧焊焊接作业指导书
- 格式:doc
- 大小:71.00 KB
- 文档页数:7
焊接作业指导书(一)、电焊作业指导书为确保生产、安装和服务的质量,使生产过程在受控状态下进行,根据国家职业技能鉴定教材内容,结合我处电焊作业实际情况,特制定电焊作业工艺规范。
一、对人员、设备、安全的要求1、对从事电焊作业的人员,必须经过培训、考试合格、取得国家颁发的特殊工种操作证方能上岗作业。
2、从事电焊作业的人员,必须按照GB9448—88《焊接与切割》的要求,正确执行安全技术操作规程。
3、应确认电焊机技术状况良好。
氧气、乙炔、发生器,经专业部门检查合格,方能投入使用。
二、手工电弧焊的工艺参数焊接工艺参数(焊接规范)是指焊接时,为保证焊接质量而选定的诸物理量。
A、焊接位置的种类:1、平焊:平焊是在水平面上任何方向进行焊接的一种操作方法。
由于焊缝处在水平位置,溶滴主要靠自重过度,34操作技术比较容易掌握,可以选用较大直径焊条和较大焊接电流,生产效率高,因此在生产中应用较为普遍。
如果焊接工艺参数选择和操作不当,打底时容易造成根部焊瘤或未焊透,也容易出现熔渣或熔化金属混杂不清或溶渣超前而引起的夹渣。
常用平焊有对接平焊、T形接头平焊和搭接接头平焊。
2、立焊:是在垂直方向进行焊接的一种操作方法,由于受重力作用,焊条溶化所形成的溶滴及溶池中的金属要下淌,造成焊缝成形困难,质量受影响。
因此,立焊时选用的焊条直径和焊接电流均应小于平焊,并采用短弧焊接。
3、横焊:是在垂直面上焊接水平焊缝的一种操作方法。
由于溶化金属受重力作用,容易下淌而产生各种缺陷,因此要采用短弧焊接,并选用较小直径焊条和较小焊接电流以及适当的运条方法。
4、仰焊:焊缝位于燃烧电弧的上方,焊工在仰视位置进行焊接。
仰焊劳动强度大,是最难焊的一种焊接位置。
由于仰焊时,熔化金属在重力作用下较易下淌,溶池形状和大小不易控制,容易出现夹渣。
未焊透,凹陷现象,运条困难,表面不易焊得平整。
焊接时,必须正确选用焊条直径和焊接35电流,以便减少溶池的面积,尽量使用厚药皮焊条和维持最短的电弧,有利于溶滴在很短时间内过渡到溶池中,促使焊缝成形。
手工电弧焊作业指导书1 适用范围1.1本作业指导书适用于工业金属管道(以下简称"管道")工程的手工电弧焊。
1.2 管道的焊接除应执行本规范的规定外,尚应执行国家现行有关标准、规范的规定。
2 焊接材料选用2.1应根据母材的化学成分,焊接性和使用条件综合考虑选用焊接材料。
2.2 材料必须具有制造厂的质量证明书,其质量不得低于国家现行标准的规定。
2.3 材料使用前,应按国家现行标准的规定进行检查和验收。
对设计选用的新材料,应由设计单位提供该材料的焊接性资料。
2.4 焊条应符合现行国家标准《碳钢焊条》GB5117、《低合金焊条》GB5118、《低温钢焊条》JB2385、《不锈钢焊条》GB983、《堆焊焊条》GB984、《铝及铝合金焊条》GB3669、《铜及铜合金焊条》GB3670、《镍及镍合金焊条》GB/T13814 的规定。
2.5 焊接材料贮存场所及烘干、去污设施,应符合国家现行标准《焊条质量管理规程》JB3223 的规定,并应建立保管、烘干、清洗和发放制度。
2.6 手工电弧焊的基本要求2.6.1 施焊前,必须具备相应项目的焊接工艺评定。
2.6.2 手工电弧焊设备处于正常工作状态。
2.6.3 焊工必须按有关规定进行考试,考试合格后,方可持证上岗,并按焊工考试合格项目施焊。
2.6.4 管子对接焊缝的中心到管子弯曲起点的距离不应小于管子外径,且不应小于100mm ,管子对接焊缝与支吊架边缘之间的距离不应小于50mm。
同一直管段上两对接焊缝中心面间的距离:当公称直径大于或等于150mm时不应小于150mm;公称直径小于150mm时不应小于管子外径。
2.6.5 不宜在焊缝及其边缘上开孔,当不可避免时,应按规定进行无损探伤。
2.6.6 焊缝的坡口和尺寸应符合设计文件规定,当无规定时,应符合现行国家标准《气焊、手工电弧焊及气体保护焊焊缝坡口基本形式与尺寸》GB985规定和GB50236-98 中的有关坡口形式规定。
手工电弧焊焊接作业指导书中国*****局集团*****机电设备安装有限公司发放号码:手工电弧焊焊接作业指导书受控状态:版本:批准:持有者:2008年 3 月发布 2008年 3 月实施目录1. 目的 (01)2. 适用范围 (01)3. 材料要求 (01)3.1 钢材选用要求 (01)3.2 焊条选用原则 (01)4. 作业条件 (03)5. 操作工艺 (04)5.1 工艺流程 (04)5.2 操作工艺 (04)6 质量标准 (12)7 成品保护 (13)8 应注意的问题 (14)8.1 技术质量 (14)8.2 安全环保措施 (14)8.3 当设计对厚板有Z向性能要求时的焊接工艺措施 (14)8.3.1选择合理的焊接接点连接形式 (15)8.3.2焊材及母材的选择 (16)8.3.3使用涂层和垫层 (16)8.3.4防止层状撕裂的工艺措施 (16)作业指导书版本:*****标题:手工电弧焊焊接页码:第 15 页共 20 页在高层及超高层钢结构中,大量采用厚板焊接。
由于钢板存在微裂纹等缺陷、Z向力学性能差,因此厚板焊接、特别是大于40mm钢板焊接时,易导致层状撕裂。
8.3.1 选择合理的焊接接点连接形式:由于规范往往只考虑节点连接的强度及施工的可行性,而对厚板焊接时的层状撕裂未做明确规定,因此在按规范要求进行焊接设计时并不能保证避免层状撕裂的现象发生。
为此,在进行大于40mm厚钢板焊接时,应选择合理的节点连接形式,如附图1以减小局部区域由于焊缝收缩引起应力集中或尽量避免钢板Z向受拉。
A、在满足要求焊透深度的前提下,采用较小的焊接坡口角度及间隙,图1a。
B、在角接接头中,采用对称坡口或偏向册板的坡口,减小板厚方向承受的收缩应力,图1b。
C、采用对称坡口,减小焊接收缩应力,图1c。
D、在T型或角接接头中,不应在厚板方向受焊接拉应力的板材端部设置焊缝,而应使该板厚度方向受拉的板材端部伸出接头焊缝区,图1d。
手工电弧焊作业指导书目录1. 目的和范围2. 引用标准3. 对焊工要求4. 焊接材料5. 焊接设备6. 焊接准备7. 装配点焊8. 焊接9. 焊接检验10. 焊接缺陷的返修11. 焊接质量检查记录12. 施工人员职责1.目的和范围:1.1.手工电弧焊是焊接生产加工中常用的焊接方法,它以焊接设备简单,焊接工艺成熟,焊接过程不受位置、空间影响而延用至今,在高空或窄小的空间和格状容器内,手工电弧焊更能显示出方便灵活性,其它焊接方法无法与之相比。
为了提高手工电弧焊焊接质量,特编制手工电弧焊焊接工艺指导书,使整个焊接过程规范化、程序化。
1. 2本指导书适用于碳钢、低合金钢制闸门、拦污栅、压力钢管等,水工金属结构产品手工电弧焊接工作。
2.引用标准2. 1 GB3375-82 焊接名词术语2.2 GB324-88 焊缝符号表示法2. 3 GB985-88 气焊、手工电弧焊及气体保护焊焊缝坡口的基本形式与尺寸2.4 GB5118-85 低合金钢焊条2. 5 GB5117-85 碳钢焊条2.6 GB983-85 不锈钢焊条2. 7 GB980-76 焊条分类及型号编制方法2.8 GB3609-83 焊接护目镜和面罩2. 9 GB2649-89 焊接接头机械性能试验取样方法2.10 GB2650-89 焊接接头冲击试验方法2. 11 GB2651-89 焊接接头拉伸试验方法2.12 GB10854-89 钢结构焊缝外形尺寸2.1 GB3323-87 钢熔化焊对接接头射线照相和质量分级2.2 GB11345-89 钢焊缝手工超声波探伤方法和探伤结果分级2.3 DL/T5018-94 钢闸门制造安装及验收规范2.4 DL5017-93 压力钢管制造及验收规范2.5 SL36-92 水工金属结构焊接通用技术条件2.6 SL35-92 水工金属结构焊工考试规则3.焊工:3.1凡参加水工金属结构Ⅰ、Ⅱ类焊缝焊接的焊工必须按SL53-92《水工金属结构焊工考试规则》或《锅炉压力容器焊工考试规则》考试合格。
手工电弧焊技术操作指导书一、引言手工电弧焊是一项重要的金属连接技术,用于连接各种金属材料,如钢铁、铜等。
本指导书旨在为初学者提供有关手工电弧焊技术的操作指导,以确保焊接过程安全、高效,并获得质量优良的焊缝。
二、安全措施在进行手工电弧焊操作之前,请务必采取以下安全措施以确保个人安全:1. 确保工作区域通风良好,并穿戴适当的个人防护装备,如耐热手套、防飞溅面罩等。
2. 确保焊接设备完好无损,并接地良好,避免电击风险。
3. 永远不要直接注视焊弧,以免损伤眼睛。
三、准备工作在进行手工电弧焊操作之前,您需要进行以下准备工作:1. 确保工件表面清洁,去除油脂、锈迹和其他污物,以确保焊接质量。
2. 选择适当的电极和焊丝,根据焊接材料类型和厚度进行选择。
3. 调整焊接电流,根据焊接需求和材料类型进行调整。
四、操作步骤以下是手工电弧焊的基本操作步骤:1. 将工件安放在焊接位置,并用夹具固定。
2. 调整焊接设备,确保合适的电弧长度和焊接电流。
3. 通过按下焊枪扳机,触发电弧,并将电弧接触材料表面。
4. 将焊丝缓慢地加入电弧中,形成焊缝。
5. 控制焊丝的加入速度和焊接速度,以确保焊缝质量。
6. 完成焊接后,松开焊枪扳机并等待焊缝冷却。
7. 进行必要的后续处理和清洁工作,以去除焊渣和其他残留物。
五、常见问题及解决方法1. 焊接时出现溅渣:增加电流,并将焊丝缓慢地加入电弧中。
2. 焊缝不牢固:可能是焊接速度过快或焊丝供给不足,应根据情况进行调整。
3. 焊接中出现气孔:检查焊接设备是否正常工作,确保工件表面干净。
4. 焊接过程中发生烧穿:可能是电弧长度过长或电流过大,应调整焊接参数。
六、总结手工电弧焊是一项需要技术和经验的操作,通过遵守本指导书的操作步骤和安全措施,您将能够进行安全有效的手工电弧焊操作。
请务必熟悉焊接设备的使用说明,并根据实际需求进行操作调整。
通过实践和不断的学习,您将逐渐掌握手工电弧焊技术,并成为一个优秀的焊接工。
手工电弧焊作业指导书一、概述手工电弧焊是一种常用的焊接方法,广泛应用于各个行业中。
本指导书旨在为手工电弧焊操作人员提供详细的操作指导和安全注意事项,以保证焊接作业的质量和安全。
二、操作流程1. 准备工作a) 确保焊接设备完好,电源正常,保护装置齐全。
b) 确定使用正确的焊接材料和焊条。
c) 戴上防护手套、护目镜和耳塞等个人防护装备。
d) 确保焊接区域周围没有易燃、易爆物品。
2. 准备焊工件a) 清除焊工件表面的污垢和氧化物。
b) 对于厚度大于3mm的工件,可以进行坡口处理来增加焊接强度。
3. 调整焊接参数a) 根据焊接材料和工件厚度,选择合适的焊接电流和电极直径。
b) 根据焊接位置和角度,调整焊接电流和电弧长度。
4. 开始焊接a) 用打火机或点火装置点燃焊条的一端。
b) 手握焊条,将焊条的另一端送入焊接区域。
c) 保持适当的焊接角度和速度,使焊接电弧保持稳定。
5. 焊接技巧a) 手持电弧焊是通过手部和手腕的操作完成的,需要练习才能掌握。
b) 焊接时,要注意保持手的稳定和焊接电弧的稳定。
手部运动要轻柔,保持焊接速度均匀。
c) 在焊接不同角度的工件时,要根据需要调整焊接电弧的角度和长度,以提高焊接质量。
d) 在焊接过程中,焊铁电弧要与焊接缝保持一定的间距,以确保熔渣完全清除。
6. 完成焊接a) 在焊接后,不要立即触摸焊接区域,等待它冷却下来。
b) 检查焊接区域,确保焊接缝均匀,没有气孔和裂纹。
c) 如有需要,可以对焊接区域进行打磨和抛光,以提高外观质量。
三、安全注意事项1. 操作人员必须穿戴个人防护装备,包括防护手套、护目镜、耳塞、防火服等。
2. 确保焊接区域周围没有易燃、易爆物品,并保持良好的通风环境。
3. 在焊接过程中,避免将焊接电弧直接照射到皮肤上,以防止电弧灼伤。
4. 使用合格的焊接设备,定期检查焊接设备的正常运行状态。
5. 在焊接过程中,保持专注并集中注意力,避免分心导致意外事故发生。
四、常见问题解决方法1. 焊接区域出现气孔:可能是焊接电弧与焊接缝之间的距离过大或焊接参数调整不当。
实验一:手工电弧焊实验目的了解手弧焊的基本理论,熟练掌握手工电弧焊的基本操作及焊接规范参数调整的方法。
观察焊接电流,焊接电压及焊条直径对焊缝成型的影响。
实验内容焊条类型的选择及焊接规范的正确预置,各种焊接位置的操作及焊接规范对焊接成型的影响。
实验要求1、在5秒钟内完成引弧,并建立稳定电弧。
2、能够将一根完整的焊条不断弧烧完。
3、焊缝熔宽、堆高均匀,无气孔、夹渣。
4、测试分析焊接电流对焊缝成型的影响。
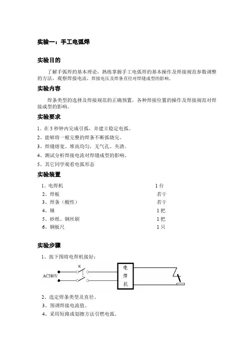
5、其它同学观看电弧形态实验装置1、电焊机1台2、焊板若干3、焊条(酸性)若干4、锤1把5、砂纸、钢丝刷1把6、钢板尺1只实验步骤1、按下图将电焊机接好:2、选定焊条类型及直径。
3、预调焊接电流值。
4、采用短路或划擦方法引燃电弧。
实验数据及处理1、选择几组成型最好的焊接数据记录下表中。
2、记录所选焊件的堆高、熔宽、气孔、夹渣等。
实验报告要求1、按以上记录说明最佳规范的参数。
2、分析手工电弧焊设备及工作原理。
3、说明焊接电流的调整方法。
4、说明手工电弧焊常见缺陷的种类。
思考题1、手工电弧焊设备是否允许若干焊接部位同时工作?2、为获得焊接所需要的外特性采用电阻限流的方式是否可行?3、普通电焊条用无药皮的等直径铁丝是否可以建立稳定电弧?4、自命题。
实验二:钨极氩弧焊实验实验目的通过本实验进一步了解钨极氩弧焊的工作过程和焊接中的一些特殊现象,巩固课堂所学的相关概念和原理。
此外对钨极氩弧焊的设备和工艺参数的调整方法也进行初步的了解,并掌握一定的实际操作技术。
实验设备1.WSE-500P交直流脉冲氩弧焊机;2.钨极氩弧焊专用焊枪(一把)2.焊接附具(焊帽、保护服、工具)3.氩气(一瓶)实验原理钨极氩弧焊时,电极只起发射电子、产生电弧的作用,电极本身不熔化,常采用熔点较高的钨棒或钍钨棒作为电极,有时又叫TIG 焊。
焊接过程可以用手工进行,也可以自动进行。
根据实际焊件尺寸可选择是否采用添丝,同时还可选择电流种类(直流、脉冲、交流)。
金工车间手工电弧焊作业指导书(金工车间,60*90,1块)手工电弧焊应根据焊件材质、结构厚度、焊接位置等选择焊接参数。
焊缝内在质量及其宽度、余高等应满足图纸和标准有关规定,为确保产品焊接工艺适应性,焊工可根据具体情况作适当调整。
一、焊条直径选择2、依据焊缝位置平焊可比其它位置焊接的焊条直径大一些。
3、依据焊缝层次和焊件性质在进行多层焊接时,为使焊件焊透,对第一层焊接应采用小直径,对某些要防止过热,控制线能量的焊件应选用小直径的焊条。
4、焊接后的表面需加工的则焊缝高度要随之加大,并保证原焊缝加工后的实际尺寸。
二、根据焊条直径确定焊接电流I=Kd I:焊接电流K:系数d:焊条直径2、根据焊缝位置,确定焊接电流平焊位置,熔池容易控制,电流大些影响不大,在其它位置焊接时,电流应比平焊电流小些,在使用碱性焊条时,电流宜小些。
三、焊缝表面质量分级应按JB/T5943-91《工程机械焊接件通用技术条件》表16标准。
四、装对焊接零件时,两个焊件(或焊边的相互偏移量)应按JB/T5943-91《工程机械焊接件通用技术条件》表11标准。
五、焊缝形状偏差和外部缺陷应符合JB/T5943-91《工程机械焊接件通用技术条件》表17标准。
六、焊缝的检验规则1、焊接件应有质检部门按图纸有关技术文件进行检查和验收。
2、焊接件应逐件进行几何形状与尺寸及焊缝外部缺陷检验。
3、焊缝内部缺陷检验可进行射线探伤,如发现有缺陷时应在原缺陷附近作补充透视,直到全部透视。
评为合格的焊缝,经质检部门同意后方可返修,同一焊缝最多返修不多于二次,禁止用捻缝、氧乙炔火焰吹熔及敷焊等方式修补。
电焊工作业指导书 HEN system office room 【HEN16H-HENS2AHENS8Q8-HENH1688】电焊工作业指导书1、目的?通过本指导书的实施,确保产品焊接质量处于受控状态。
2、适用范围适用于公司内部手工电弧焊操作人员。
3、危害危险因素电焊作业的危害因素包括:触电、高温、电弧辐射、焊接烟尘、有害气体、放射性物质、噪声、高频电磁场、燃烧和爆炸等。
4、材料设备及装备工具焊接材料符合技术要求,不允许表面有严重的擦伤,划痕,杂质,锈斑。
应根据母材的化学成分和对焊接接头的机械性能的要求,合理选用焊条。
设备及工艺,装备,工具直流多功能焊机、焊条、防护罩、护目镜、榔头、防辐射服、尖嘴钳、安全帽5、工艺准备熟悉图纸和有关工艺要求,充分了解所焊接的零件几何形状和尺寸要求。
按图纸的要求材料规格领料,并检查材料是否符合工艺的要求。
检查设备是否完好,备好生产所需工具。
放置好挡风板,以防发生安全事故。
提前划好半成品和成品堆放区域,做好生产准备。
6、工艺过程施焊前焊接人员应检查焊机接线是否正确、牢靠,外壳是否可靠接地,闸箱内保险是否完好,一切正常方可合闸。
一般包括在焊缝两边20mm左右区域内不得有铁锈、氧化皮、焊渣、油污等、检验拼装质量是否达到工艺要求。
装配焊接过程中,可用适当的工具(如:榔头)进行调整。
装配焊接过程中,应首先进行定位焊,板愈薄,定位焊缝可短些,间距可密些。
薄板,定位焊缝长 3mm~5mm,间距 30mm~150mm;中厚板,定位焊缝长15mm~50mm,间距 100mm~150mm。
焊接的顺序应保证使焊接构件的收缩应力和变形趋于最小。
严禁运转风扇对准焊接熔池,当有风经过时应暂停焊接。
收弧时应将弧坑填满。
禁止在非焊区内引弧,临时点焊若是以后焊缝的一部分,则所用焊材及其要求应和正式焊缝一样。
焊接中如发现电弧燃烧不稳、焊条性能不良、焊缝出现裂纹,气孔等现象,应停止施焊,找出原因及时处理。
手工电弧焊焊接作 业 指 导 书发放号码:手工电弧焊焊接作 业 指 导 书受控状态: 版 本: 批 准: 持 有 者:年 月发布 年 月实施目 录1. 目的 .................................................... 01 2. 适用范围 (01)手工电弧焊焊接 作业指导书3. 材料要求 (01)3.1 钢材选用要求 (01)3.2 焊条选用原则 (01)4. 作业条件 (03)5. 操作工艺 (04)5.1 工艺流程 (04)5.2 操作工艺 (04)6 质量标准 (12)7 成品保护 (13)8 应注意的问题 (14)8.1 技术质量 (14)8.2 安全环保措施 (14)8.3 当设计对厚板有Z向性能要求时的焊接工艺措施 (14)8.3.1选择合理的焊接接点连接形式 (15)8.3.2焊材及母材的选择 (16)8.3.3使用涂层和垫层 (16)8.3.4防止层状撕裂的工艺措施 (16)文件编号:某公司作业指导书版本:标题:手工电弧焊焊接页码:第页共 20 页1. 目的:指导施工队伍及相关工种进行手工焊焊接作业。
2. 适用范围:本作业指导书适用钢结构制作与安装手工电弧焊焊接。
指导书规定了一般低碳钢、普通低合金钢的手工电弧焊的基本要求。
3. 材料要求3.1 钢材选用要求钢材应按施工图的要求选用,其性能和质量必须符合国家标准和行业标准的规定,并应具有质量证明书或检验报告。
3.2 焊条选用原则A、符合使用要求,焊缝金属的性能要符合使用要求(达到设计要求),一般要求焊缝金属的力学性能,包括抗拉强度,塑性和冲击韧性达到母材金属标准规定的性能指标的下限值。
B、尽量降低成本,尽量选用生产率高成本低的焊条,即“低成本”原则。
C、结构钢焊条的选择a.根据母材的抗拉强度,按照“等强”原则选择抗拉强度级别相同的焊条。
由于熔敷金属的抗拉强度比焊条牌号的名义强度高不少,在焊接高强钢时因母材熔入影响,焊缝金属实际抗拉强度比焊条牌号的名义强度高得多。
手工电弧焊作业指导书一、总则1、焊工资格凡参加本工程焊接施工的焊工,必须持有劳动部门颁发的锅炉压力容器焊工考试合格证书,施焊的钢材种类、焊接方法和焊接位置均应与焊工本人考试合格项目相符。
2、焊接环境2.1 施焊现场应设焊条二级库,内设干湿温度表,用以测定相对湿度、环境温度。
2.2 焊接环境应符合安全生产的规定,对镍基合金的焊接场所应考虑与碳素钢加工区的隔绝。
2.3 应加强对施工现场环境的监测,当出现下列情况时,应采取有效措施,方可施焊。
2.3.1 风速:大于2m/s ;2.3.2 相对湿度大于90%;2.3.3 雨雪天气;2.3.4 环境温度低于:碳素钢,-20℃;合金钢,-10℃;3、焊条管理3.1 本次施焊所用焊条为:碳钢与碳钢焊接按GB5117-95 标准执行,焊条至少采用J427;合金与合金或合金与碳钢焊接按ASME 标准第Ⅸ卷执行。
焊条必须有出厂合格证明书。
质保书内的化学成份及机械性能,必须符合国标有关规定。
3.2 焊条烘烤,发放与使用管理焊条的贮存库应保持干燥,相对湿度不大于60%,焊条存放应距离地面及墙面300mm。
3.2.1 焊条入库时,材料员应对焊接材料的外观进行检查,其包装不应有破损、受潮等现象,并核对包装上的标记,其型号、牌号、规格、生产批号是否与质量证明文件相一致并符合标准要求。
3.2.2 现场的焊条烘烤和发放工作由专人管理,并建立烘烤发放台帐。
3.2.3 焊材烘烤应按“焊接材料烘烤发放通知单”的要求进行。
3.2.4 焊条烘烤应分层堆放,且每层焊条堆放不应超过隔层高度的2/3。
3.2.5 焊工使用时,应存放在具有保温效果的保温筒内,焊条存放时间不宜过长,否则应按原烘烤制度重新干燥,重新烘烤次数不宜超过二次。
3.2.6 回收的焊条应核对标记并检查药皮是否损坏,并在焊条尾部用白色油漆作出明显标记。
3.2.7 发放时,应先发放回收和重新烘烤的焊条,焊工领到回收和重新烘烤的焊条应优先使用。
手工电弧焊焊接作业指导发放号码:手工电弧焊焊接作业指导书受控状态:______________________版本:批准:持有者:年月发布年月实施•、廿的确保焊接的质量和焊接安全,杜绝虚焊,咬边现象。
二、适用范围本作业指导书适用于公司所有的焊接过程指导。
三、焊接要求(1)焊接接头与开坡口焊接前,要根据焊件厚度、结构形式和对强度的要求等,选择焊接接头形式。
常用的接头形式有对接、搭接、角接和T字接等。
开坡口:rtr丁电弧熔化金属的深度,一•般为3〜4毫米,所以在焊件比较厚吋,必须把焊件接口处去掉一部分金属才能焊透,称为开坡口。
(2)焊缝形式焊缝按空间位置可分为平焊缝、立焊缝、横焊缝及仰焊缝等四种形式。
其中平焊应用最为普遍,焊接时液体金属不会外流,容易操作,焊缝质量容易保证;而立焊和仰焊正好相反,在实践中较少应用。
(3)操作技术%1引弧。
引弧时,首先将焊条与工件接触造成短路,然后提起2〜4毫米,使焊条与工件之间形成电弧。
引弧有两种方法:直提法和擦划法。
%1运条。
屯弧引燃后,焊条末端要有三个基本动作,即沿焊条中心线均匀地向下送进,以维持电弧长度;沿焊接方向移动,以形成焊缝;作横向摆动,以获得较宽的焊缝。
运条方法有多种:直线形运条法和多层多道焊。
用此法焊接时,rfl于焊条不摆动,电弧较稳定,所以能获得较大的熔深,但焊缝宽度较窄。
一般用于不开坡口的对接平焊、多层焊的第一层焊缝往复直线运条法此法的特点是焊接速度较快、焊缝窄、散热快,所以适用于薄板和接头间隙较大的多层焊的第一层焊缝的焊接。
锯齿形运条法此法是将焊条末端作锯齿形连续摆动,并在焊缝两侧稍停片刻以防止产生咬口。
这种方法多用于较厚钢板的焊接,如平焊、仰焊和立焊的对接焊缝以及填角焊缝等。
曲于这种方法操作容易,所以在实际生产中应用较广。
月牙形运条法此法是将焊条末端沿焊接方向作月牙形的左右摇动,同时要在焊缝两侧边作片刻的停留,以保证焊缝两侧冇足够的熔深,并防止产生咬口。
文件编号:*****/Z DS06-2-2012手弧焊焊接特殊过程作业指导书编制:校对:审定:会签:批准:*****有限公司2019年10月25 日手弧焊焊接特殊过程作业指导书页码:第2 页共8 页1、总则1.1、本作业指导书适用于本厂各种金属结构件的手工电弧焊点焊、连弧焊等。
1.2、本作业指导书编制时,参考了如下标准:GB/T985.1-2008 气体、焊条电弧焊、气体保护焊和高能束焊的推荐坡口。
GB/T5117-1995 碳钢焊条1.3、本作业指导书是有关焊接工序时须遵守的一般规则,结构有特殊要求时,应严格按照其具体要求执行。
2、焊接人员焊接工种是熟练的技术工种,因此焊接技术工人必须经过相应的焊接理论和实际操作的培训,经考核合格者才能从事焊接工种。
重要、复杂设备须经过专门培训有操作证的人员专人操作。
3、焊接设备3.1、焊接设备必须符合相应标准的规定,必须完整配套,并配有显示电流、电压等焊接工艺参数的标识牌。
3.2、焊接设备的放置必须符合其规定要求,各种配套件设施的安装、联接必须齐全,符合其安装说明。
3.3、焊接设备工作时,网路电压波动必须在允许范围内,大功率或有特殊要求的焊接设备,应配备专用电源或稳压装置。
3.4、焊接设备及与之配套的仪器、仪表必须妥善保管和维护,定期测试和检修,使焊接设备保持良好的、可靠的使用状态。
3.5、焊接设备须由经过专门培训,持有操作证书的人员操作使用,必须在符合规定的技术条件要求下使用。
4、焊接材料4.1、各种焊接材料须按规定技术要求择优定点选购,须具备制造单位的质量证明文件,并盖有检查部门的合格印记,经验收合格后方能入库和使用。
4.2、焊接材料须按其种类、牌号、规格存放,不能混放,存放环境应符合焊接材料存放规定,焊条存放应保证能够防潮、防锈。
手弧焊焊接特殊过程作业指导书页码:第3 页共8 页4.3、焊接材料如存放期间发生变化,如焊芯生锈、药皮受潮等现象,须经检验合格后方能使用,否则必须报废。
********************有限公司管理体系文件SC–SOP–08电弧焊作业指导书Version1.0起草部门:生产部编制:审核:批准:发布日期:2022-05-11实施日期:2022-05-18 ********************有限公司发布实施2022年05月18日标题:电弧焊作业指导书编号SC-SOP-08修订年月日版本 1.0更改记录修订次实施日期页码对应条款更改内容文件更改单号实施2022年05月18日标题:电弧焊作业指导书编号SC-SOP-08修订年月日版本 1.01.焊工焊工必须取得本公司上岗证。
2.焊接规范的选择2.1焊条直径及焊接电流为提高劳动生产率,希望采用较大直径的焊条和较大的焊接电流。
但是受到焊接结构的尺寸、板厚、焊接位置和质量要求等条件的限制,又必须把焊条直径和焊接电流控制在一定范围之内。
2.1.1焊条直径主要取决于焊件的厚度,厚度越大所选用的焊条直径越粗。
但焊板对接接头坡口内,第一层焊接时要用较细的焊条。
另外,焊接接头型式不同时,焊条直径也应有所不同。
对根部不要求完全均匀焊透的不开坡口的角接、丁字接、搭接焊缝和背面铲根封底焊的对接焊缝,其焊条直径可参照下表选取。
焊条直径的选择焊件厚度(毫米)≤44~12>12焊条直径(毫米)不超过焊条厚度 3.0~4.0≥4.0对根部要求安全均匀焊透的开坡口的丁字、角接焊缝以及背面不铲根封底焊的对接焊缝,在第一遍焊接时应采用小直径电焊条,不论其板厚多大,最好采用直径不超过3.2毫米的焊条焊接,不然将不易得到良好的焊透及良好的背面成形。
2.1.2焊接电流增大焊接电流能提高生产率,但电流过大易造成焊缝咬边、烧穿等缺陷,同时增大飞溅,也会使焊件生产过热,组织发生改变;而电流过小也易造成夹渣、未焊透等缺陷,焊接接头力学性能降低,且降低生产率。
故应适当地选择电流。
下表可供选电流时参考。
但是同样直径的焊条焊接不同厚度的钢板时,电流亦不同。
手工电弧焊施工作业指导书一、施焊操作:1 引弧:带有垫板或帮条的接头,引弧应在钢板或帮条上进行。
无钢筋垫板或无帮条的接头,引弧应在形成焊缝的部位,防止烧伤主筋。
2 定位:焊接时应先焊定位点再施焊。
3 运条:运条时的直线前进、横向摆动和送进焊条三个动作要协调平稳。
4 收弧:收弧时,应将熔池填满,拉灭电弧时,应将熔池填满,注意不要在工作表面造成电弧擦伤。
5 多层焊:如钢筋直径较大,需要进行多层施焊时,应分层间断施焊,每焊一层后,应清渣再焊接下一层。
应保证焊缝的高度和长度。
6 熔合:焊接过程中应有足够的熔深。
主焊缝与定位焊缝应结合良好,避免气孔、夹渣和烧伤缺陷,并防止产生裂缝。
7 平焊:平焊时要注意熔渣和铁水混合不清的现象,防止熔渣流到铁水前面。
熔池也应控制成椭圆形,一般采用右焊法,焊条与工作表面成70°。
8 立焊:立焊时,铁水与熔渣易分离。
要防止熔池温度过高,铁水下坠形成焊瘤,操作时焊条与垂直面形成60°~80°角。
使电弧略向上,吹向熔池中心。
焊第一道时,应压住电弧向上运条,同时作较小的横向摆动,其余各层用半圆形横向摆动加挑弧法向上焊接。
9 横焊;焊条倾斜70°~80°,防止铁水受自重作用坠到厂坡口上。
运条到上坡口处不作运弧停顿,迅速带到下坡口根部作微小横拉稳弧动作,依次均速进行焊接。
10 仰焊:仰焊时宜用小电流短弧焊接,溶地宜薄,里应确保与母材熔合良好。
第一层焊缝用短电弧作前后推拉动作,焊条与焊接方向成8°~90°角。
其余各层焊条横摆,并在坡口侧略停顿稳弧,保证两侧熔合。
11 钢筋帮条焊:11.1 钢筋帮条焊适用于Ⅰ、Ⅱ、Ⅲ级钢筋。
钢筋帮条焊宜采用双面焊,不能进行双面焊时,也可采用单面焊。
帮条宜采用与主筋同级别、同直径的钢筋制作,其帮条长度l见表4-15。
如帮条级别与主筋相同时,帮条的直径可以比主筋直径小一个规格。
如帮条直径与主筋相同时,帮条钢筋可比主筋低一个级别。
胜利油田胜利动力机械集团有限公司工艺文件
WZFX1-3230-1 手工电弧焊焊接作业指导书
编制:校对:审核:批准:
山东胜动燃气综合利用有限责任公司
手工电弧焊焊接作业指导书
1.工艺参数的选择
选择合适的焊接工艺参数,对提高焊接质量和提高生产效率是十分必要的。
焊接工艺参数(焊接规范)是指焊接时,为保证焊接质量而选定的诸多物理量。
1.1焊条的选用原则
a)相同钢号结构的焊接件,应按钢材抗拉强度等级选择等级相同或稍高的焊条;
b)不同钢号结构件焊接件,一般按抗拉强度等级低的选用焊条;
c)焊接结构刚性大,受力情况复杂的工件,应选用比母材抗拉强度低一级的焊条;
d)同一强度等级的酸性焊条或碱性焊条的选定,主要依据焊接件的结构形状、钢板厚度、载荷性质和钢材的抗裂性能而定。
通常对要求塑性好、冲击韧性高、抗裂能力强或低温性能好的结构,要选用碱性焊条。
如果结构受力不复杂,母材质量较好,要尽量选用较经济的酸性焊条;
e)铸钢的含碳量一般都比较高,而且厚度大,形状复杂,很容易产生裂纹,一般应选用碱性焊条,并采取适当的工艺措施(如预热)进行焊接;焊接不锈钢或耐热钢等有特殊性能要求的钢材,应选用相应的专用焊条,以保证焊缝的主要化学成分和性能与母材相同。
1.2焊条直径
主要依据焊件的厚度,焊接位置,焊道层数及接头形式来决定。
焊接件厚度较大时,应选用较大直径焊条。
平焊时,可采用较大电流焊接。
焊条直径也相应选大。
横焊、立焊或仰焊时,因焊接电流比平焊小,焊条直径也相应小些。
多层焊的打底焊,用较小直径焊条。
最后收焊时可选用较大直径焊条。
焊件厚度与焊条直径推荐值见表(mm)
1.3焊接电流的选择
选择焊接电流时,要考虑的因素很多,如:焊条直径、药皮类型、工件厚度、接头类型、焊接位置、焊道层次等。
但主要由焊条直径、焊接位置、焊道层次来决定。
1.3.1 焊条直径焊条直径越粗,焊接电流越大。
下表供参考
1.3.2 焊接位置
平焊位置时,可选择偏大一些焊接电流。
横、立、仰焊位置时,焊接电流应比平焊位置小10%~20%。
角焊电流比平焊电流稍大一些。
1.3.3焊道层次
打底及单面焊双面成型,使用的电流要小一些。
碱性焊条选用的焊接电流比酸性焊条小10%左右。
不锈钢焊条比碳钢焊条选用的焊接电流小20%左右。
总之,电流过大过小都产生焊接缺陷。
电流过大时,焊条易发红,使药皮变质,而且易造成咬边、弧坑等缺陷,同时还会使焊缝过热,促使晶粒粗大。
1.4 电弧电压
电弧电压主要决定于弧长。
电弧长,则电弧电压高;反之,则低。
在焊接过程中,一般希望弧长始终保持一致,而且尽可能用短弧焊接。
所谓短弧是指弧长为焊条直径的0.5~1.0倍,超过这个限度即为长弧。
1.5焊接速度
为保证焊缝所要求尺寸和质量的前提下,由操作者灵活掌握。
速度过慢,热影响区加宽,晶粒粗大,变形也大;速度过快,易造成未焊缝,未熔合,焊缝成型不良好等缺陷。
1.6焊接电流种类和极性的选择
焊接电源种类:交流、直流
极性选择:正接、反接
正接:焊件接电源正极,焊条接电源负极的接线方法
反接:焊件接电源负极,焊条接电源正极的接线方法
极性的选择:碱性焊条常采用直流反接,否则,电弧燃烧不稳定,飞溅严重,噪声大;酸性焊条使用直流电源时通常采用直流正接。
2. 手工电弧焊的工艺步骤
2.1 将焊机放置在工件附件,并确定交流电开关的位置以防备突发事件。
确保焊机接地,如果用发电机给焊机供电,应确定发电机的开关位置。
2.2 确保焊机和工件周围区域干燥。
2.3 确保电弧附近没有易燃物质,现场准备好灭火器材。
2.4 根据工作要求,选择合适的焊条
2.5 设置适当的极性和焊接电流。
2.6 将电缆连接到工件上,必要时把现场的地面打扫干净
2.7 准备好焊条、焊接安全用具(防护面罩、防护帽、防护手套和皮鞋)。
从步骤2.1开始就应该带防护眼睛,并一直与防护面罩一起使用。
2.8 开启焊机,将焊条夹入焊钳,拉下防护面罩,然后引弧并开始焊接。
3. 焊接件下料要求
焊接件的下料要求参照Q/SDL 43001《焊接通用技术条件》第5条之规定。
碳钢、低合金钢焊缝坡口基本形式及尺寸见Q/SDL 43001《焊接通用技术条件》表6.1.2.1 4. 装对与焊接
焊接件装配前须经检查合格后方可进行装配对焊焊接
4.1 焊前拼装
4.1.1.1 拼装定位焊的要求:
a) 定位焊所采用的焊接材料与工艺参数应与正式焊缝相同;
b) 其焊缝高度与宽度不应超过最终焊缝尺寸
c) 不应有裂纹、未熔合、气孔、夹杂等缺陷存在
4.1.2 对接焊缝拼装的错边量要求:
a) 沿钢板厚度方向的错边量不大于钢板厚度的10%,且最大不得超过2mm
b) 沿钢板宽度方向的错边量不得大于2mm
c) 对接型材轮廓的错边量不得大于1mm
4.1.3 搭接焊缝的搭接宽度位置偏差应在-2mm~+5mm之间;
4.1.4 拼装焊缝零件间相互位置偏差最大不得超过±3mm
4.1.5 拼装管路时,管件拼装错边量要求:
a) 当管壁厚度小于等于5mm时,其错边量不大于0.5mm
b) 当管壁厚度大于5mm时,错边量应不大于管壁厚度的10%,且最大不得超过2.5mm
4.2 装配定位完毕的结构件,经检查合格后方可焊接,焊接前应将焊缝表面的锈蚀、氧化皮、油、油漆、水、污物等清理干净。
4.3 电弧焊接时必须做到:
a) 符合图样规定的焊缝形式和尺寸
b) 焊接顺序合理
5. 焊缝
5.1 对需要进行机械性能试验的重要结构件,应进行焊接试验,实验板的材料厚度,焊接参
数规范;
5.2 多层焊接应在未焊下层前,将已焊层的熔渣和金属飞溅物清楚,如发现有气孔、夹渣、裂纹等缺陷应铲除重焊
5.3 多层焊缝应用锤击内层焊缝应减少焊接应力和变形,第一层和组后一层不得锤击
5.4 焊接的焊缝应满足下列要求:、
a) 焊缝尺寸应符合图样要求
b) 焊缝表面要形成均匀的鱼鳞状波纹,并在全长保持一致
c) 各类焊接焊缝周围的溅沫、熔渣应清除干净
d) 不允许有气孔、咬边、夹渣、未焊透、裂纹等缺陷
附:手工电弧焊焊接工艺参数。