生猪运输车辆备案登记表
- 格式:doc
- 大小:16.94 KB
- 文档页数:6
保税港区货车备案登记表
( 临时卡 )
车辆备案信息
车牌号车自重 (kg)
品牌型号
驾驶员联系电话
单位名称
备注
盖章:
车板备案信息
车牌号车自重(kg)
车板类型车板号
单位名称
备注
盖章:
填表说明:
一﹑除“备注信息”以外每个选项都为必填项,请逐项据实填写清楚。
二﹑“车辆备案信息”填写注意项:
1﹑车重单位为千克(kg),普通箱式车为整车自重,车板备案信息不填,
(拖挂车为车头自重)
2、更新IC卡时,备注栏填写IC卡号,只需 1 份此表;如以前办理过IC
卡并退回的,再次办理也为更新
办理IC卡时,备注栏不填,提供2份此表和《行驶证》、《驾驶证》复印件
三﹑“车板备案信息”填写注意项:
1﹑挂车必填,普通车不填
2﹑车牌号为:挂车车牌号
3、车板号为:挂车车身号
4、车板类型实际车板类型,如: 20 或 40。
猪鸡低蛋白配合饲料团体标准发布㊀㊀近日ꎬ中国饲料工业协会批准发布«仔猪㊁生长育肥猪配合饲料»«蛋鸡㊁肉鸡配合饲料»两项团体标准ꎬ这是我国饲料和养殖业贯彻落实绿色发展理念ꎬ立足国情大力推进节本降耗和源头减排所采取的重要举措ꎬ也是进一步提升产业竞争力的有效措施ꎮ㊀㊀与现行的2008年版«仔猪㊁生长育肥猪配合饲料»«产蛋后备鸡㊁产蛋鸡㊁肉用仔鸡配合饲料»国家标准相比ꎬ两项团体标准增设了粗蛋白质㊁总磷上限值ꎬ下调了部分指标的下限值ꎬ增加了限制性氨基酸品种ꎬ重新划分了动物生长阶段ꎬ增加了我国特色养殖品种黄羽肉鸡的相关指标ꎮ㊀㊀两项标准的出台将有效减少豆粕等蛋白饲料原料用量ꎮ据测算ꎬ猪配合饲料平均蛋白水平下调1.5个百分点ꎬ有望将生产1公斤猪肉的蛋白质消耗从0.45公斤降至0.39公斤ꎬ降幅达13%ꎻ蛋鸡㊁肉鸡配合饲料蛋白水平也将降低约1个百分点ꎮ新标准在全行业全面推行后ꎬ养殖业豆粕年消耗量有望降低约1100万吨ꎬ带动减少大豆需求约1400万吨ꎬ对于保障我国饲料和养殖业蛋白原料供给和提高利用效率ꎬ将发挥积极作用ꎬ有利于提升我国饲料工业水平ꎬ促进高质量发展ꎮ㊀㊀(农村大众报)湖北首次出现非洲猪瘟疫情:发病22头猪ꎬ死亡4头㊀㊀新京报讯(记者李玉坤)农业农村部新闻办公室11月7日发布ꎬ湖北省罗田县排查出非洲猪瘟疫情ꎮ记者了解到ꎬ这是湖北首次出现非洲猪瘟ꎮ11月7日18时ꎬ农业农村部接到中国动物疫病预防控制中心报告ꎬ经中国动物卫生与流行病学中心(国家外来动物疫病研究中心)确诊ꎬ湖北省罗田县一养殖场排查出非洲猪瘟疫情ꎮ该养殖场存栏生猪821头ꎬ发病22头ꎬ死亡4头ꎮ疫情发生后ꎬ农业农村部立即派出督导组赴当地ꎮ当地已按照要求启动应急响应机制ꎬ采取封锁㊁扑杀㊁无害化处理㊁消毒等处置措施ꎬ对全部病死和扑杀猪进行无害化处理ꎮ同时ꎬ禁止所有生猪及其产品调出封锁区ꎬ禁止生猪运入封锁区ꎮ目前ꎬ上述疫情已得到有效处置ꎮ(新京报)运猪车要如何备案?农业农村部这样回答㊀㊀近日ꎬ农业农村部印发了«农业农村部公告第79号»ꎬ就非洲猪瘟应急期间的生猪运输车辆监管提出要求ꎮ就公告有关内容ꎬ记者采访了农业农村部畜牧兽医局负责人ꎮ问:出台生猪运输车辆监管的措施ꎬ是出于哪些考虑?答:当前ꎬ非洲猪瘟防控形势十分严峻ꎬ疫情在14个省份发生ꎬ已传入我国南方腹地生猪养殖大省ꎮ据流行病学调查结果显示ꎬ生猪长距离调运是疫情跨区域传播的主要原因ꎬ内蒙古㊁河南的非洲猪瘟疫情均是跨省调运生猪引发的ꎬ而不符合动物防疫要求以及未清洗㊁消毒运输车辆具有较高的疫情传播风险ꎮ同时ꎬ有不法分子受利益驱使违法违规调运生猪ꎬ引发个别地区非洲猪瘟疫情ꎮ强化车辆的监管是非洲猪瘟应急响应期间应对这些问题的必然要求ꎬ也是防范疫情继续发展蔓延的重要措施ꎮ国务院办公厅印发的«关于进一步做好非洲猪瘟防控工作的通知»95国内外动态(国办发明电 2018 12号)已对活畜禽承运车辆备案作出了明确部署ꎬ我部«公告»就是落实国务院有关工作部署的具体措施ꎮ问:为什么提出生猪运输车辆条件?答:生猪等活畜禽在运输过程中存在个体间交叉感染㊁群体间以车辆为媒介感染等风险ꎬ其产生的粪便等废弃物也可能将动物疫病传入途经地ꎮ满足动物防疫要求的生猪运输车辆ꎬ能够有效防范非洲猪瘟等动物疫病在运输途中传播扩散ꎮ因此ꎬ«公告»中明确规定了车辆应满足的条件ꎬ进一步规范运输车辆及调运行为ꎬ有利于推进解决 活猪到处运ꎬ病毒跟着跑 的问题ꎮ问:生猪运输车辆应当如何进行备案?答:运输生猪车辆的备案申请主体是承运人ꎬ承运人首先应当确保生猪运输车辆符合«公告»列明的条件要求ꎮ符合条件要求的ꎬ可以向承运人所在县级畜牧兽医主管部门备案ꎬ并按«公告»要求提交相关材料的原件和复印件ꎮ县级畜牧兽医主管部门办理备案时ꎬ要现场核实相关信息ꎬ检查车辆是否符合«公告»列明的条件ꎬ对符合条件的车辆出具备案表ꎮ备案过程中要准确记录备案车辆的品牌㊁颜色㊁型号㊁牌照㊁车辆所有者㊁运载量等信息ꎬ并按要求详细录入全国动物检疫电子出证系统ꎮ问:为什么要对生猪运输活动提出要求?答:«公告»对生猪运输活动提出了一些具体的要求ꎬ主要是出于两方面考虑:一方面是出于防范和追溯非洲猪瘟等动物疫病的实际需要ꎮ要求承运人在装载前和卸载后对生猪运输车辆进行消毒㊁严格按照动物检疫证明载明的目的地和数量等内容承运生猪㊁配备车辆定位跟踪系统并保存相关信息是防范和追溯非洲猪瘟继续经调运扩散蔓延的重要手段ꎬ特别是要求承运人对车辆清洗消毒ꎬ可以有效清除车辆携带的病原体ꎬ阻断病原体以车辆为媒介传播扩散ꎬ从而保护生猪在运输过程中的卫生安全ꎮ另一方面ꎬ是维护生猪产品质量安全的要求ꎮ我国国土幅员辽阔ꎬ气候差异较大ꎬ容易造成动物在运输途中发生应激反应ꎬ甚至死亡ꎬ存在引发动物产品质量安全事件和环境污染问题的可能ꎮ因此ꎬ«公告»对生猪运输过程中的饲喂饮水㊁装载量和装载密度㊁温度控制等方面作出规定ꎬ降低生猪在运输过程中出现应激反应的风险ꎬ也体现了«良好农业规范»(GB/T20014.11-2005)对运输过程的具体要求ꎮ问:«公告»发布后将如何加强监管?答:一方面ꎬ«公告»中明确提出了动物卫生监督机构在接到产地检疫申报后ꎬ要严格查验运输车辆备案情况ꎬ发现运输车辆未备案的ꎬ责令改正ꎬ并通报畜牧兽医主管部门ꎻ发现未按规定清洗㊁消毒ꎬ承运未附有动物检疫证明生猪ꎬ未按规定备案等情形的要按照«中华人民共和国动物防疫法»有关规定处理ꎮ另一方面ꎬ我部将会同交通运输㊁公安等部门密切协作配合ꎬ强化联合执法ꎬ完善各项监督管理机制ꎬ重拳打击违法违规调运生猪等行为ꎬ真正形成监督执法的强大合力ꎬ始终保持对违法违规调运行为的严厉惩处和有效震慑ꎮ(猪场动力网)10月份我国进口大豆692万吨ꎬ高于去年同期的586万吨㊀㊀海关总署发布的初步统计数据显示ꎬ10月份我国进口大豆692万吨ꎬ较9月份801万吨的进口量减少109万吨ꎬ但高于去年同期586万吨的进口量ꎮ今年1-10月份我国累计进口大豆7693万吨ꎬ较去年同期的7731万吨减少38万吨ꎬ减幅为0.5%ꎮ㊀㊀10月份我国进口食用植物油(不含棕榈油硬脂)47万吨ꎬ较9月份58万吨的进口量减少11万吨ꎬ也低于去年同期60万吨的进口量ꎮ今06 中国饲料添加剂㊀㊀㊀㊀㊀㊀㊀㊀㊀㊀㊀2018年第11期(总第199期)。
农业农村部办公厅关于组织做好生猪运输车辆备案等有关工作的通知文章属性•【制定机关】农业农村部•【公布日期】2018.11.07•【文号】农办牧〔2018〕63号•【施行日期】2018.11.07•【效力等级】部门规范性文件•【时效性】现行有效•【主题分类】畜牧业正文农业农村部办公厅关于组织做好生猪运输车辆备案等有关工作的通知农办牧〔2018〕63号各省、自治区、直辖市畜牧兽医(农业、农业农村、农牧)厅(局、委、办),新疆生产建设兵团畜牧兽医局:为贯彻落实全国非洲猪瘟防控工作电视电话会议精神和《国务院办公厅关于进一步做好非洲猪瘟防控工作的通知》(国办发明电〔2018〕12号)要求,严格执行农业农村部公告第79号(以下简称“公告”)有关规定,全面强化生猪运输车辆备案等监管措施,有效防范非洲猪瘟疫情跨区域传播,现就有关事项通知如下。
一、严格落实生猪运输车辆备案要求公告对生猪运输车辆备案有关要求作出了具体规定,并明确了1个月的过渡期限。
各地畜牧兽医主管部门要高度重视车辆备案工作,充分认识实施这一应急管理措施的重要意义和作用,紧紧抓住1个月过渡期,通过张贴公告、发放明白纸和网络新媒体等方式广泛宣传公告内容,使交易、养殖、运输、屠宰生猪的单位和个人详细知晓,自觉配合做好备案,确保从2018年12月1日起全面实施生猪运输车辆备案和监管。
二、规范开展生猪运输车辆备案办理县级畜牧兽医主管部门要按照公告要求,查验承运人提交的有关材料,留存相关证件复印件,在指定场所对生猪运输车辆实施严格的现场检查。
对于符合条件的生猪运输车辆,出具生猪运输车辆备案表随车同行。
生猪运输车辆备案表长29.7cm、宽21cm,由省级畜牧兽医主管部门统一印制,有效期暂定为半年。
三、及时报送运输车辆备案信息省级畜牧兽医主管部门要按照公告第四条要求记录的内容,收集本省(区、市)生猪运输车辆备案信息,填写生猪运输车辆备案信息采集表(附后),于2018年11月30日前发送至中国动物疫病预防控制中心(电子邮箱:****************)。
生猪车辆备案实施方案一、背景。
随着生猪养殖业的发展,生猪运输车辆数量逐渐增加,为了规范生猪运输车辆管理,保障生猪运输安全、产品质量和市场秩序,制定生猪车辆备案实施方案,对生猪运输车辆进行备案管理,是当前亟需解决的问题。
二、实施目标。
1.规范生猪运输车辆管理,提高运输车辆的安全性和规范化水平;2.加强对生猪运输车辆的监管,保障生猪运输安全和产品质量;3.促进生猪运输车辆的合理利用,提高运输效率,降低运输成本。
三、实施内容。
1.生猪运输车辆备案登记。
所有从事生猪运输的车辆必须进行备案登记,包括车辆基本信息、车主信息、车辆检验合格证明等相关资料的备案登记。
2.生猪运输车辆安全检查。
对备案登记的生猪运输车辆进行定期的安全检查,确保车辆的安全性和运行状态符合相关标准要求。
3.生猪运输车辆驾驶员资质要求。
生猪运输车辆的驾驶员必须持有相应的从业资格证书,具备一定的驾驶技能和生猪运输相关知识,确保驾驶员的素质和能力符合要求。
4.生猪运输车辆违规处理。
对违反备案规定、安全检查不合格或驾驶员资质不符合要求的生猪运输车辆,将按照相关规定进行处理,包括暂停备案资格、罚款甚至吊销备案资格。
四、实施要求。
1.各地区生猪运输车辆备案管理工作要严格按照相关法律法规和标准要求执行,确保备案工作的严肃性和规范性。
2.对备案登记的生猪运输车辆要建立档案管理,定期进行复核和更新,确保备案信息的及时性和准确性。
3.加强对生猪运输车辆的监督检查,发现问题及时处理,确保备案管理工作的有效性和可行性。
五、实施效果。
1.规范生猪运输车辆管理,提高了生猪运输车辆的安全性和规范化水平。
2.加强对生猪运输车辆的监管,保障了生猪运输安全和产品质量。
3.促进了生猪运输车辆的合理利用,提高了运输效率,降低了运输成本。
六、总结。
生猪车辆备案实施方案的出台,对规范生猪运输车辆管理,保障生猪运输安全和产品质量,促进生猪运输车辆的合理利用具有重要意义。
各地区要严格按照实施方案的要求,认真做好生猪车辆备案管理工作,确保实施效果的可持续性和稳定性。
货运代理备案登记表
货运代理(代办)备案登记表
道路运输企业名称:
法定代表人:
联系电话:
经济性质:
营业执照号经营范围单位地址:
邮编:
联系人:
联系电话:
提交材料:1.《企业法人营业执照》复印件或者《营业执照》复印件;
2.法定代表人身份证明及其复印件;
3.经办人身份证明及其复印件和委托书;4。
依相关规定需要提交的其他材料
声明:我声明本表及其他相关材料提供的信息均真实可靠。
我承诺将遵守有关道路运输法律、法规和规章的规定。
登记单位(印章)
负责人签名年月日
运管机构意见:
运管机构(备案专用印章)
年月日
《道路运输管理工作规范》第三章道路货物运输管理工作规范第一节道路货物运输经营许可;第六条、货运代理(代办)备案管理从事货运代理(代办)等货运相关服务的经营者取得《企业法人营业执照》后,持《企业法人营业执照》原件及复印件,填写《货运代理(代办)备案登记表》,提交法定代表人身份证明及其复印件、经办人身份证明及其复印件和委托书,申请办理备案登记;材料齐全的,道路运输管理机构出具《货运代理(代办)备案证明》。
生猪运输备案管理制度一、总则为了规范生猪运输过程中的操作和管理,保障生猪的健康和安全,并有效减少运输过程中的损失,制定本备案管理制度。
二、备案内容1. 生猪运输车辆备案管理:(1)生猪运输车辆备案申报:所有从事生猪运输的车辆,必须提前进行备案申报,申请备案时需提供车辆所有人的资料及证件,车辆的相关信息等。
(2)生猪运输车辆备案审核:经过备案申报后,相关部门需要对车辆进行审核,确保车辆具备运输生猪的条件和资质。
(3)备案公示:备案通过后,将车辆信息进行公示,公示内容包括车辆所有人的姓名、车辆牌照号码、车辆类型、运输生猪的品种及数量等。
2. 生猪运输人员备案管理:(1)生猪运输人员备案申报:所有从事生猪运输的人员,必须提前进行备案申报,申请备案时需提供个人资料及相关证件。
(2)生猪运输人员备案审核:经过备案申报后,相关部门需要对人员进行审核,确保人员具备从事生猪运输的资质和能力。
(3)备案公示:备案通过后,将人员信息进行公示,包括姓名、身份证号码、从事生猪运输的时间和经验等。
3. 生猪运输流程管理:(1)运输准备:生猪运输前,需要检查车辆的运行状态,保证车辆符合运输要求,同时检查生猪的健康状况,确保生猪没有传染病等。
(2)生猪上车:在生猪上车过程中,需要小心翼翼,避免生猪受伤或过度惊吓。
(3)运输过程:在运输过程中,需要保持车速稳定,避免急刹车或急加速,同时要保持通风良好,确保生猪的舒适度。
(4)到达目的地:到达目的地后,需要及时将生猪卸载,并对车辆进行清洁消毒,以防疾病传播。
4. 生猪运输追溯管理:(1)生猪运输追溯备案:在生猪运输过程中,需要对每次运输进行备案管理,包括车辆信息、人员信息、生猪信息等。
(2)生猪运输追溯查询:对于每次生猪运输,相关部门需要建立追溯查询系统,确保能够随时查询到生猪的运输轨迹和相关信息。
5. 其他管理:(1)紧急处理:在生猪运输过程中,如果遇到紧急情况,需要及时采取应急措施,保障生猪的安全和健康。
关于实行生猪运输车辆备案制度的公告为做好非洲猪瘟疫情防控工作,根据《中华人民共和国农业农村部公告》第79号规定和《安徽省农业委员会办公室关于做好生猪运输车辆备案等有关工作的通知》(皖农办牧﹝2018﹞132号)要求,现就加强生猪运输车辆监管有关事项公告如下:
一、实行生猪运输车辆备案制度,生猪运输车辆承运人应在2018年11月30日前,到承运人所在地县级动物卫生监督机构进行登记;对于符合备案条件的生猪运输车辆,由县级畜牧兽医主管部门出具《生猪运输车辆备案表》,有效期为半年,并随车同行。
从2018年12月1日起,未经登记备案的,不得从事生猪运输活动。
二、生猪运输车辆应当符合以下条件:
(一)采用专用机动车辆,车辆载重、空间等与所运输的生猪大小、数量相适应;
(二)厢壁及底部耐腐蚀、防渗漏;
(三)具有防止动物粪便和垫料等渗漏、遗撒的设施,便于清洗、消毒;
(四)随车配有简易清洗、消毒设备;
(五)具有其他保障动物防疫的设施设备。
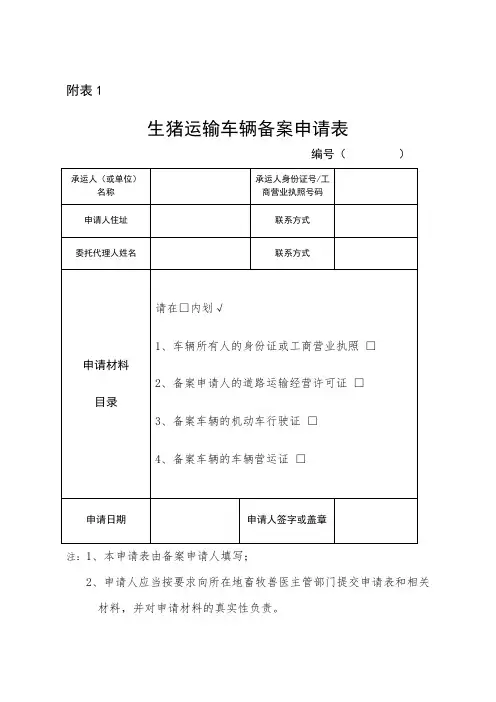
三、办理生猪运输车辆备案时应当提交下列材料的原件及复印件:
(一)车辆所有人的身份证或工商营业执照;
(二)备案申请人的道路运输经营许可证;
(三)备案车辆的机动车行驶证;
(四)备案车辆的车辆营运证。
四、跨县调运生猪的车辆,应当配备车辆定位跟踪系统,相关信息记录保存半年以上。
五、发现生猪运输车辆有未按规定进行清洗、消毒,承运未附有动物检疫证明生猪,以及未按规定备案等情形的,由动物卫生监机构按照《中华人民共和国动物防疫法》有关规定处理。
特此公告
萧县非洲猪瘟疫情应急指挥部办公室
2018年11月20日。
道路运输服务业备案登记表道路运输服务业备案登记表【申请单位信息】申请单位全称:申请单位地址:单位负责人姓名:单位负责人联系号码:单位联系方式:【申请事项】备案登记事项:备案登记理由:备案登记有效期:【申请材料】1. 申请表格(1份)2. 营业执照副本(复印件)3. 法定代表人联系(复印件)4. 经营许可证(复印件)5. 道路运输从业资格证(复印件)6. 车辆行驶证(复印件)7. 车辆登记证书(复印件)8. 违章记录清单(复印件)9. 运输合同书(原件)10. 其他相关证明材料(复印件)【备案审查程序】1. 登记申请材料递交(受理人员记录材料、审核完整性)2. 材料初审(审查申请表格、必备证明材料)3. 现场核查(核对车辆情况、实地考察)4. 存档备案(登记存入备案档案库)【法律名词及注释】1. 备案登记:依法对特定事项进行书面登记,作为法律依据和证明材料。
2. 营业执照副本:企业法人或个体工商户的经营许可证明文件,由工商行政管理部门颁发。
3. 法定代表人联系:法人或企业负责人的联系明文件。
4. 经营许可证:道路运输服务业经营者从事运输服务的合法证明文件,由运输管理部门颁发。
5. 道路运输从业资格证:从事道路运输服务业的业务人员的资格证明文件。
6. 车辆行驶证:机动车所有人的合法证明文件,记录车辆的基本信息和行驶情况。
7. 车辆登记证书:机动车所有人的合法证明文件,记录车辆的登记信息和车主信息。
8. 违章记录清单:车辆在道路行驶过程中发生的违章行为记录。
9. 运输合同书:道路运输服务业经营者与用户之间签订的运输合同,约定双方的权利义务。
【附件】1. 申请表格2. 营业执照副本复印件3. 法定代表人联系复印件4. 经营许可证复印件5. 道路运输从业资格证复印件6. 车辆行驶证复印件7. 车辆登记证书复印件8. 违章记录清单复印件9. 运输合同书原件10. 其他相关证明材料复印件【法律名词及注释】1. 备案登记:依法对特定事项进行书面登记,作为法律依据和证明材料。
附件1:生猪运输车辆备案登记表注:本表一式三份,生猪运输车辆承运人、区动物防疫监督所和区农林局各执一份。
附件2:1 / 6生猪运输车辆承运人告知书全国有月初我国首次发生非洲猪瘟疫情以来,2018年8形势严峻。
疫情复杂,多个省份先后发生多起非洲猪瘟疫情,为认真贯彻落实国家和省委、省政府部署,严防外疫传入与扩散蔓延,切实做好非洲猪瘟防控工作,现将有关要求告知如下:b5E2RGbCAP一、凡是从事生猪运输的车辆承运人都应到承运人所在地县(市、区)级畜牧兽医主管部门进行登记备案,详细填写《生猪运输车辆备案登记表》,取得《生猪运输车辆备案表》并随车同行。
在我区从事生猪运输的车辆承运人都应到我局进行登记备案。
未经登记备案的,不得在我区从事生猪运输活动。
p1EanqFDPw二、所有生猪运输车辆的承运人都应与承运人所在地县(市、区)级畜牧兽医主管部门签订《生猪运输车辆承运人质量安全承诺书》,做到遵纪守法,诚信经营。
DXDiTa9E3d三、生猪运输车辆承运人应建立生猪运输台账,将当日贩运的生猪数量、购销地点、养殖场户名称、销售去向等逐项登记,确保信息真实准确,发生问题时能够及时进行溯源。
RTCrpUDGiT四、生猪运输车辆承运人或其所属司机在运输生猪过程2 / 6 中如发现生猪精神异常、发病或死亡等异常情况时,要立即向当地畜牧兽医主管部门或动物卫生监督机构报告,严格按有关规定进行处置,不得销售或随意抛弃。
5PCzVD7HxA五、我局或区动物防疫监督所将定期或者不定期开展生猪运输车辆承运人运输生猪活动的巡查监管,对未登记备案、不履行质量安全承诺、不规范建立生猪运输台账以及其他违反国家有关法律法规行为的生猪贩运车辆所有者进行查处,并列入“黑名单”,注销备案资格。
jLBHrnAILg六、生猪运输车辆承运人要严格遵守动物防疫有关法律法规,保证服从畜牧兽医主管部门和动物卫生监督机构的有关监管和监督检查。
xHAQX74J0X七、生猪运输车辆承运人要严禁承运未附有有效动物检疫合格证明的生猪,严禁承运发生非洲猪瘟疫情地区的生猪,运输生猪时严禁途经发生非洲猪瘟疫情的地区。
x x 县畜禽运输车辆备案编号:xxxxxxxxxx备案申请审批表申请项目名称:畜禽运输车辆备案申请人姓名:备案申请时间:年月日申请受理时间:年月日备案核准时间:年月日备案机关:xxxxxxxxxx归档日期:年月日申请车辆备案时需要提交的附件材料及核对表(请在申请表提交前,由申请人逐项核对完整齐备后再提交申请材料)一、提交的申请材料要求(一)xxx畜禽运输车辆备案申请表(二)备案车主身份证复印件(三)机动车辆行驶证复印件(四)聘用驾驶员身份证复印件和授权委托书(五)申请人、聘用驾驶员的机动车驾驶证、从业资格证复印件(六)道路运输经营许可证复印件(七)备案车辆的车辆营运证复印件(八)卫星定位装置按照发票或者凭证复印件。
(出县、跨省运输车辆提供)(九)畜禽运输车辆依法运输的承诺书、责任书(十)车辆照片。
按照说明要求位置拍照、冲印并已经粘贴二、车辆要求:(一)采用专用机动车辆,车辆载重、空间等与所运输的生猪等动物大小、数量相适应;(二)厢壁及底部耐腐蚀、防渗漏(车箱底部侧板、后门需要加装防渗漏密封胶条),防止动物粪便和垫料等渗漏、遗撒的设施,便于清洗、消毒;(三)随车配有简易清洗、消毒设备(背负农用喷雾器;配备高效消毒剂)(四)具有其他保障动物防疫的必要设施设备;(五)车辆必须符合交通管理部门、运政管理部门、农业机械管理部门上路行驶运营的法定条件。
温馨提示:只有上述要求材料齐全有效、车辆改造符合条件、消毒设备配齐后,您的备案申请我机关才给予受理。
xx县畜禽运输车辆备案申请表注:1、申请人应当如实向畜牧兽医部门提交有关材料和反映情况,并对申请材料实质内容的真实性负责;2、本申请书由xx县畜牧兽医中心受理后存档。
xx县畜禽运输车辆备案审批表xx县畜禽运输车辆备案信息采集表(猪□禽□牛□羊□其它动物)注:编号和有效期不需填写(彩印 5 寸相片,车主自行拍照及冲印)车辆正面照片(要求号码牌明显)↑车辆车厢尾部照片(要求号码牌明显)↑(彩印 5 寸相片,车主自行拍照及冲印)车厢的斜角全景照片↑车厢防渗漏设施的特写照片↑备案运输动物车辆消毒设施照片粘贴表(彩印 5 寸相片,车主自行拍照及冲印)车辆配备的消毒设备、消毒液堆放在车头前照片↑车辆安装的 GPS、北斗星等卫星定位跟踪系统照片↑(跨县运输生猪动物车辆需提供相片)备案信息表。
农业农村部:生猪运输车辆需备案建立生猪运输台账
佚名
【期刊名称】《北方牧业》
【年(卷),期】2018(0)22
【摘要】为了有效防范非洲猪瘟疫情跨区域传播,农业农村部发布《关于组织做好生猪运输车辆备案等有关工作的通知》(以下简称《通知》),再次对生猪运输车辆备案等监管措施做出要求。
运生猪车辆要在1个月内备案《通知》明确要求大家严格执行农业农村部公告第79号的有关规定。
【总页数】1页(P18-18)
【关键词】生猪运输;运输车辆;备案;农村;农业;台账;非洲猪瘟;监管措施
【正文语种】中文
【中图分类】S851.314
【相关文献】
1.农业农村部办公厅关于组织做好生猪运输车辆备案等有关工作的通知 [J], 农业农村部办公厅
2.农业农村部办公厅关于组织做好生猪运输车辆备案等有关工作的通知 [J], 农业农村部办公厅
3.农业农村部等三部门:加强生猪调运监管严管严控生猪运输车辆 [J],
4.农业农村部办公厅关于组织做好生猪运输车辆备案等有关工作的通知 [J], 农业农村部办公厅;
5.海南省农业农村厅办公室关于组织做好生猪运输车辆备案有关工作的通知 [J], 海南省农业农村厅办公室;
因版权原因,仅展示原文概要,查看原文内容请购买。
附件1:
生猪运输车辆备案登记表
注:本表一式三份,生猪运输车辆承运人、区动物防疫监督所和区农林局各执一份。
附件2:
1 / 6
生猪运输车辆承运人告知书
全国有月初我国首次发生非洲猪瘟疫情以来,2018年8形势严峻。
疫情复杂,多个省份先后发生多起非洲猪瘟疫情,为认真贯彻落实国家和省委、省政府部署,严防外疫传入与扩散蔓延,切实做好非洲猪瘟防控工作,现将有关要求告知如下:b5E2RGbCAP
一、凡是从事生猪运输的车辆承运人都应到承运人所在地县(市、区)级畜牧兽医主管部门进行登记备案,详细填写《生猪运输车辆备案登记表》,取得《生猪运输车辆备案表》并随车同行。
在我区从事生猪运输的车辆承运人都应到我局进行登记备案。
未经登记备案的,不得在我区从事生猪运输活动。
p1EanqFDPw
二、所有生猪运输车辆的承运人都应与承运人所在地县(市、区)级畜牧兽医主管部门签订《生猪运输车辆承运人质量安全承诺书》,做到遵纪守法,诚信经营。
DXDiTa9E3d
三、生猪运输车辆承运人应建立生猪运输台账,将当日贩运的生猪数量、购销地点、养殖场户名称、销售去向等逐项登记,确保信息真实准确,发生问题时能够及时进行溯源。
RTCrpUDGiT
四、生猪运输车辆承运人或其所属司机在运输生猪过程2 / 6 中如发现生猪精神异常、发病或死亡等异常情况时,要立即向当地畜牧兽医主管部门或动物卫生监督机构报告,严格按有关规定进行处置,不得销售或随意抛弃。
5PCzVD7HxA
五、我局或区动物防疫监督所将定期或者不定期开展生猪运输车辆承运人运输生猪活动的巡查监管,对未登记备案、不履行质量安全承诺、不规范建立生猪运输台账以及其他违反国家有关法律法规行为的生猪贩运车辆所有者进行查处,并列入“黑名单”,注销备案资格。
jLBHrnAILg
六、生猪运输车辆承运人要严格遵守动物防疫有关法律法规,保证服从畜牧兽医主管部门和动物卫生监督机构的有关监
管和监督检查。
xHAQX74J0X
七、生猪运输车辆承运人要严禁承运未附有有效动物检疫合格证明的生猪,严禁承运发生非洲猪瘟疫情地区的生猪,运输生猪时严禁途经发生非洲猪瘟疫情的地区。
LDAYtRyKfE
八、生猪运输车辆承运人应当建立清洗消毒记录。
严禁运输过程中使用未经消毒的运输工具。
生猪装载前及卸载后要及时对车辆进行清洗消毒。
Zzz6ZB2Ltk
新会区农林局年月日
3 / 6
附件3:
生猪运输车辆承运人质量安全承诺书
一、不承运动物疫情高风险区的生猪。
二、不承运病死或死因不明的生猪。
三、不承运依法应当检疫未经检疫或检疫不合格的生猪。
四、不承运染疫或疑似染疫的生猪。
五、不承运含有“瘦肉精”等违禁物质的生猪。
六、不承运其他不符合国务院兽医主管部门有关动物防疫规定的生猪。
七、在承运过程中如发现生猪精神异常、发病或死亡等异常情况时,保证及时向区农林局或区动物防疫监督所报告,严格按有关规定进行处置,做到不销售、不随意抛弃。
dvzfvkwMI1 八、保证服从管理,接受区农林局或区动物防疫监督所的监督检查,做到遵纪守法,诚信经营。
九、发现违法违规调运以及生产、销售、贩运、使用“瘦肉精”等国家明令动物禁用化合物行为的,立即向当地畜牧兽医主管部门或动物卫生监督机构举报。
rqyn14ZNXI
注:承诺书一式两份,一年一签,生猪车辆承运人和区4 / 6 农林局各执一份。
(此页无正文)
承运人签名或盖章:新会区农林局
联系方式:(盖章)
年月日年月日
5 / 6
附件4
生猪运输车辆备案条件和资料
一、生猪运输车辆备案应当具备的条件
(一)生猪运输车辆应当符合以下条件:
1、采用专用机动车辆,车辆载重、空间等与所运输的生猪大小、数量相适应;
2、厢壁及底部耐腐蚀、防渗漏;
3、具有防止动物粪便和垫料等渗漏、遗撒的设施,便于清洗、消毒;
4、随车配有简易清洗、消毒设备;
5、具有其他保障动物防疫的设施设备。
(二)供港澳生猪运输车辆也要进行备案管理。
跨省(自治区、直辖市)运输生猪的车辆以及发生疫情省份及其相邻省份内跨县调运生猪的车辆,必须配备车辆定位跟踪系统且相关信息记录保存半年以上,未配备车辆定位跟踪系统的生猪运输车辆不予备案。
EmxvxOtOco
二、生猪运输车辆备案时应当提交的材料
(一)车辆所有人的身份证或工商营业执照;
(二)备案申请人的道路运输经营许可证;
(三)备案车辆的机动车行驶证;
(四)备案车辆的车辆营运证。
以上资料需提供原件和复印件。
6 / 6。