装饰装修施工工程识图方法
- 格式:docx
- 大小:333.72 KB
- 文档页数:3
如何识图(一)1.先看现场平面布置图,了解工程概况及周围建筑对本工程的影响。
2.再看施工组织,大概了解工程的具体施工情况。
3.看施工结构图和建筑图,两图结合看,整体了解工程概况。
4.详细看施工图结合结构施工图集查看做法,建筑施工图结合建筑施工做法图集。
5.结构图从轴线尺寸看,查看剪力墙、柱、梁、板等配筋是否有无前后出入,结构是否与建筑图相符。
梁、板等原位标高是否正确,卫生间板面是否标注详细,沉降缝处的结构处理是否合适,楼梯的做法是否详细,各种洞口的详细做法。
6.建筑图看每层的布置是否合理,非承重墙及承重墙的布置是否合理,梁、柱等布置是否美观,位置、尺寸与结构图是否一致,各种洞口有无遗漏。
7.建筑做法是否合理,防水材料,涂料,瓷砖等(二)建筑图纸符号大全在建筑设计图中,l表示是梁、ll表示是连续梁、ql表示圈梁、jl表示基础梁、tl表示是梯梁、dl表示是地梁,z表示柱、gz表示构造柱、kz表示框架柱,m表示是门、c表示是窗。
@表示钢筋间距Φ表示钢筋型号,下面谈谈一些经验,1、正规的建筑设计,要有设计者签名,建筑图纸负责人签名,审定者签名,校对人签名,并加盖出图章,注册执业章。
2、建筑设计图纸中,长度一般以mm为,有加以说明的除外;看图时注意结合“建筑用料说明”与其他图纸进行综合。
“建筑用料说明”中,在各小项的前面有打上“√ ”的,为该设计所采用的做法。
没有打勾的,非该设计所采用的做法。
3、如在建筑设计图中:“c20钢筋砼jl(240400)配4φ16络φ6@200箍。
”解读为:强度为c的钢筋混凝土结构的基础梁,宽240mm,高400mm,配4条直径16厘(16 mm)螺纹的主钢筋,每间隔200mm箍一个直径6厘的钢筋长方形环络。
(长方形环络长约340--350 mm ,宽约180mm--190mm)。
4、如在建筑设计图中:“c20砼小柱(240240)配4φ12箍]6@200。
”其中,“]6@2 00”为不规范标注,应为“φ6@200”。
装修图纸怎么看装修设计图纸符号大全装修施工涉及一套完整的设计方案,但面对设计师提供的各类装修图纸,如,户型图、平面图、水电线路图等,很多装修业主表示很茫然,看不懂。
那么,装修图纸包括哪些?各类装修图纸怎么看呢?装修图纸怎么看1.原始建筑测量图即原始房型图:房间的具体尺寸、墙体厚度、层高、房间梁柱位置尺寸、门窗洞口的尺寸位置、各项管井的位置、功能、尺寸等项目,对于原始建筑测量图来说,最重要的就要是测量和标注准确无误。
2.装饰平面布局图装饰平面布局图即通常所说的设计图,我们需要的注意的是看装修公司提供的设计图上,每一处进行布置或者改造的地方是否有详细的标注,是否符合我们所提出的设计要求,是否存在安全隐患等等。
3.天花吊顶布置图天花吊顶布置图的要求是需要标明天花造型的尺寸定位、灯具位置,以及天花底面相对于本层地面建筑面层的高度,同时还要注全各房间的名称。
4.地面材质图地面材质图的主要要求是,标明需要铺设的地面材料种类、地面拼花、材料尺寸。
5.配电系统图首先插座的数量是否能满足日常生活的需求,同时还要留出一定的富于空间,其次插座的位置安排是否合理,不能让插座被其他的家居装饰所遮挡,影响使用,最后还需要特别注意,线路所通过的区域是否存在潜在的安全隐患。
装修设计图纸大全Part1:了解装修基本信息装修主要图纸介绍主要图纸也就是装修过程中,主要装修环节的示意图,让户主和施工人员清楚设计者的构想。
装修的主要图纸包括原始建筑测量图、平面布局图、天花吊顶布局图等。
1、原始建筑测量图什么是原始建筑测量图呢?原始建筑测量图包括房间的具体开间尺寸、墙体厚度、层高、房间梁柱位置尺寸、门窗洞口的尺寸位置、各项管井(上下水、煤气管道、空调暖管、进户电源)的位置、功能、尺寸等项目,它是一切设计图纸的基础,如果一开始的测量图纸出现偏差,此后的设计图纸和施工都会因此出现误差,导致整个工程无法正常进行。
因此,要重点把握原始建筑测量图!2、装饰平面布局图装饰平面布局图中具备的内容十分之多。
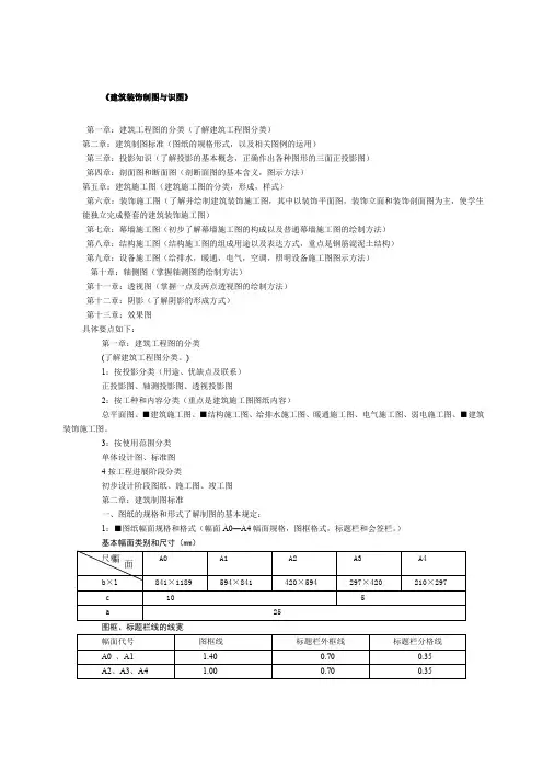
《建筑装饰制图与识图》第一章:建筑工程图的分类(了解建筑工程图分类)第二章:建筑制图标准(图纸的规格形式,以及相关图例的运用)第三章:投影知识(了解投影的基本概念,正确作出各种图形的三面正投影图) 第四章:剖面图和断面图(剖断面图的基本含义,图示方法) 第五章:建筑施工图(建筑施工图的分类,形成,样式)第六章:装饰施工图(了解并绘制建筑装饰施工图,其中以装饰平面图,装饰立面和装饰剖面图为主,使学生能独立完成整套的建筑装饰施工图)第七章:幕墙施工图(初步了解幕墙施工图的构成以及普通幕墙施工图的绘制方法) 第八章:结构施工图(结构施工图的组成用途以及表达方式,重点是钢筋混泥土结构) 第九章:设备施工图(给排水,暖通,电气,空调,照明设备施工图图示方法) 第十章:轴侧图(掌握轴测图的绘制方法)第十一章:透视图(掌握一点及两点透视图的绘制方法) 第十二章:阴影(了解阴影的形成方式) 第十三章:效果图 具体要点如下:第一章:建筑工程图的分类 (了解建筑工程图分类。
)1:按投影分类(用途、优缺点及联系) 正投影图、轴测投影图、透视投影图2:按工种和内容分类(重点是建筑施工图图纸内容)总平面图、■建筑施工图、■结构施工图、给排水施工图、暖通施工图、电气施工图、弱电施工图、■建筑装饰施工图。
3:按使用范围分类 单体设计图、标准图 4按工程进展阶段分类初步设计阶段图纸、施工图、竣工图 第二章:建筑制图标准一、图纸的规格和形式了解制图的基本规定:1:■图纸幅面规格和格式(幅面A0—A4幅面规格,图框格式,标题栏和会签栏。
) 基本幅面类别和尺寸(mm ) 尺寸 A0 A1 A2 A3 A4 b ×l 841×1189594×841420×594297×420210×297c 105a25图框、标题栏线的线宽 幅面代号 图框线 标题栏外框线 标题栏分格线 A0 、A1 1.40 0.70 0.35 A2、A3、A4 1.000.700.35幅 面2:比例(图样的比例是图中图形和实物的相应要素的线性尺寸之比。
装饰装修施工工程识图
方法
LG GROUP system office room 【LGA16H-LGYY-LGUA8Q8-LGA162】
装饰装修施工工程识图方法
建筑工程造价2017-08-04 07:41
一、概述
(一)装饰施工图的特点
1.装饰施工图涉及的面广
2.装饰施工图的比例较大
3.装饰施工图的图例没有统一的标准,有时须加文字注释。
4.标准定型化设计少
5.装饰施工图细腻、生动
(二)装饰施工图的内容与排列
装饰施工图图纸的排列原则是:
表现性图纸在前,技术性图纸在后,装饰施工图在前,室内配套设备施工图在后,基本图在前,详图在后,先施工的在前,后施工的在后。
二、建筑装饰平面图
(一)楼地面装饰平面图
1.楼地面装饰平面图的形成与图示方法
楼地面装饰平面图是用一个假想的水平剖切平面在窗台略上的位置剖切后,移去上面的部分,向下所做的正投影图。
与建筑平面图基本相似,不同之处是在建筑平面图的基础上增加了装饰和陈设的内容。
2.楼地面装饰平面图的图示内容
(1)建筑平面的基本结构和尺寸
(2)装饰结构的平面位置和型式,以及饰面材料和工艺要求
(3)装饰结构与配套设施的的尺寸标注
(4)室内家具、陈设、织物、绿化的摆放位置及说明
(5)视图符号
圆圈直径可选择8~12mm
3.楼地面装饰平面图的识读
(二)顶棚装饰平面图
1.顶棚装饰平面图的形成
顶棚装饰平面图一般采用镜像投影的方法表示,即假想在地面上放一面镜子,顶棚构造在镜子中的成像,称为顶棚平面图。
顶棚平面图反映房间顶棚的形状、装饰做法及所属设备的位置、尺寸等内容。
2.顶棚平面图的内容
(1)表明墙柱和门窗洞口的位置
(2)表明顶棚装饰造型的平面形式和尺寸,并通过附加文字说明其所用材料、色彩、及工艺要求。
(3)表明顶部灯具的种类、式样、规格、数量及布置形式和安装位置。
(4)表明空调通风口、顶部消防报警等装饰内容及设备的位置等。
3.顶棚装饰平面图的识读
三、建筑装饰立面图
1.建筑装饰立面图的形成与作用
(1)形成:
将建筑物装饰的外部墙面或内部墙面向与其平行的投影面所作的正投影图称为装饰立面图。
室内装饰立面图目前采用的方法主要有三种:
①一种是假想将室内空间垂直剖开,移去剖切平面和观察者之间的部分,对剩余部分所作的正投影图。
②第二种是假想将室内各墙面沿面与面相交处拆开,移去不予图示的墙面,将剩余墙面及其装饰布置,沿铅直投影面所作的投影。
③第三种是设想将室内各墙面沿某轴阴角拆开,依次展开,直至都平行于同一投影面,形成的立面展开图。
(2)作用:
反映墙面或柱面的装饰造型、饰面处理以及剖切到顶棚的端面形状、投影到的灯具或风管等内容。
2.建筑装饰立面图的内容
3.装饰立面图的识读
四、建筑装饰剖面图与详图
1、概念:建筑装饰剖面图是用假想的剖切平面将建筑某部位垂直剖开得到的正投影图。
2、用途:主要表示该部位的内部构造情况
出顶棚的装饰做法。