超声波热量表
- 格式:ppt
- 大小:1.45 MB
- 文档页数:19
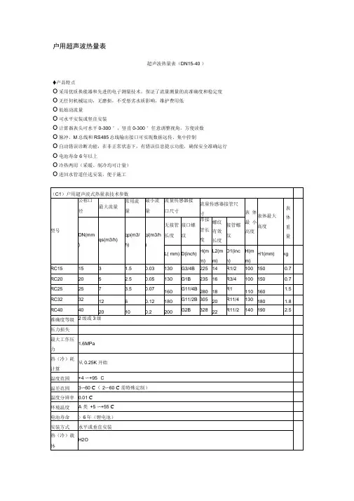
户用超声波热量表超声波热量表(DN15-40)◆产品特点⊙采用优质换能器和先进的电子测量技术,保证了流量测量的高准确度和稳定度⊙无任何机械运动,无磨损,不受恶劣水质影响,维护费用低⊙低始动流量⊙可水平安装或竖直安装⊙计算器表头可水平0-300°,竖直0-300°任意调整视角,方便读数⊙脉冲、M总线和RS485总线输出接口可实现数据远传、集中控制⊙自动错误诊断功能,在非正常状态下,有错误信息提示功能,确保安全准确运行⊙电池寿命6年以上⊙冷热两用(采暖、制冷均可计量)⊙进回水管道任选安装,便于施工(C1)户用超声波式热量表技术参数型号公称口径最大流量常用流量最小流量流量传感器接口尺寸流量传感器接管尺寸表体最小高度表体最大高度表体重量DN(mm)qs(m3/h)qp(m3/h)qi(m3/h)无接管长度接口螺纹带接管长度螺纹有效长度接管螺纹L(mm) D(inch)H(mm)L2(mm)D1(inch)H(mm)H1(mm) kgRC15 15 3 1.5 0.03 130 G3/4B 225 14 R1/2 100 150 0.7 RC20 20 5 2.5 0.05 130 G1B 235 16 R3/4 100 150 0.7 RC25 25 7 3.5 0.07 160 G11/4B 280 18 R1 110 160 1.5 RC32 32 12 6 0.12 180 G11/2B 305 20 R11/4 130 180 1.8 RC40 40 20 10 0.2 200 G2B 328 22 R11/2 140 190 2.5 准确度等级2级或3级压力损失最大工作压力1.6MPa热(冷)耗计算从0.25K开始温度范围+4 ~+95℃温差范围 3 ~60℃(2 ~60℃需特殊定制)温度分辨率0.01℃环境温度A类+5 ~+55℃电池寿命≥ 6年(锂电池)安装方式水平或垂直安装热(冷)载体H2O温度传感器PT1000铂电阻显示位数8位管网超声波热量表或者大口径管网超声波热量表◆产品特点⊙采用优质换能器和先进的电子测量技术,保证了流量测量的高准确度和稳定度⊙无任何机械运动,无磨损,不受恶劣水质影响,维护费用低⊙低始动流量⊙可水平安装或竖直安装⊙计算器表头可水平0-300°,竖直0-300°任意调整视角,方便读数⊙脉冲、M总线和RS485总线输出接口可实现数据远传、集中控制⊙自动错误诊断功能,在非正常状态下,有错误信息提示功能,确保安全准确运行⊙电池寿命6年以上⊙冷热两用(采暖、制冷均可计量)⊙进回水管道任选安装,便于施工(C4)管网超声波式热量表技术参数公称口径DN(mm)50 65 80 100 125 150 200 250 300 350 400 450 500 最大流量qs(m3/h)30 50 80 120 200 300 500 800 1200 1500 1800 2400 3000 常用流量qp(m3/h)15 25 40 60 100 150 250 400 600 750 900 1200 1500 最小流量qi(m3/h)0.6 1 1.6 2.4 4 6 10 16 24 30 36 48 60 重量(kg) 6 7 8 10 17 22 32 50 80 110 140 160 200外形尺寸L(mm) 200 200 225 250 350 350 350 400 450 500 550 600 650D(mm) 165 185 200 220 250 285 340 405 460 520 580 640 715H(mm) 190 210 220 240 500 530 580 650 700 755 810 870 930K(mm) 125 145 160 180 210 240 295 355 410 470 525 585 650n-MA 4-M16 4-M16 8-M168-M168-M168-M2012-M2012-M2412-M2416-M2416-M2720-M2720-M30×2流量最大读数(m3)99999999 热量最大读数(MWh)999999.99准确度等级2级或3级压力损失最大工作压力 1.6MPa热(冷)耗计算从0.25K开始温度范围+4 ~+95℃温差范围 3 ~60℃(2 ~60℃需特殊定制)温度分辨率0.01℃环境温度A类+5 ~+55℃电池寿命≥ 6年(锂电池)安装方式水平或垂直安装热(冷)载体H2O温度传感器PT1000铂电阻显示位数8位管网超声波热量表管网热量表使用说明一、使用场合本系列热量表主要用于测量管网,住宅小区,企业的供暖或制冷系统,使用的温度范围:4~95℃二、工作原理在供热系统中,热水通过释放(制冷系统为吸收)热量给用户供热,在一定的时间内,其热量与进出水管的温差、流过热水的体积成正比。
3)具有M-bus总线或RS485总线,可实现数据远传、便于集中管理。
4)可水平或垂直安装。
5)冷、热两用(采暖、制冷均可计量),可用于中央空调系统。
技术参数1)性能参数及外形尺寸:2)工作压力≤1.6MPa3)温度测量范围:4-95 ℃4)温差范围:(3-75)K5)环境等级:A类6)精度等级:2级或3级7)防护等级:IP548)压力损失:≤0.025MPa9)静态工作电流:≤10 uA10)电池寿命: ≥ 6 年11)PT1000铂电阻线长1.5米超声波热量表6)精度等级:2级或3级7)防护等级:IP548)压力损失:≤0.025MPa9)静态工作电流:≤10 uA10)电池寿命: ≥ 6 年11)PT1000铂电阻线长1.5米热量表产品名称:单流束热量表产品规格: DN15-25产品类别:热量表产品信息:产品特点:1)一体化设计,结构紧凑、牢固,抗破坏性能好;2)可实现冷、热两用;3)采用硬质合金顶尖,利用金刚石加工而成,寿命是普通的10倍以上;4)采用红宝石轴承,有效提高耐磨强度;5)采用超耐磨衬套,无限制的延长使用寿命;6)外壳全部采用铜锻压生产,硬度高、表面光滑、不会变污生锈、产生气孔、发生漏水现象;7)可水平或垂直安装。
技术参数及外型尺寸:①工作压力≤1.6MPa②温度测量范围:(4~95)℃③温差范围:(3~75)K④环境温度:(-5~+55)℃⑤环境等级:A类⑥精度等级:3级或2级⑦防护等级:IP54⑧压力损失:≤0.025MPa⑨静态工作电流:≤ 10uA⑩电池寿命:≥6年热量表产品名称:立式多流束热量表产品规格: DN20-25产品类别:热量表产品信息:用途:热能表是用于测量及显示水流经热交换系统所释放或吸收热量的仪表,安装在热交换的入口或出口,用以对采暖设施中的热耗进行计量及收费控制的智能型热能表。
工作原理:在热交换系统中安装热能表,当水流经系统时,根据流量传感器给出的流量和配对温度传感器给出的供回水温度,以及水流经的时间,通过计算器计算并显示该系统所释放或吸收的热量。
户用超声波热量表超声波热量表(DN15-40 )♦产品特点O采用优质换能器和先进的电子测量技术,保证了流量测量的高准确度和稳定度O无任何机械运动,无磨损,不受恶劣水质影响,维护费用低O低始动流量O可水平安装或竖直安装O计算器表头可水平0-300 °,竖直0-300 °任意调整视角,方便读数O脉冲、M总线和RS485总线输出接口可实现数据远传、集中控制O自动错误诊断功能,在非正常状态下,有错误信息提示功能,确保安全准确运行O电池寿命6年以上O冷热两用(采暖、制冷均可计量)O进回水管道任选安装,便于施工管网超声波热量表或者大口径管网超声波热量表♦产品特点O采用优质换能器和先进的电子测量技术,保证了流量测量的高准确度和稳定度O无任何机械运动,无磨损,不受恶劣水质影响,维护费用低O低始动流量O可水平安装或竖直安装O计算器表头可水平0-300 °,竖直0-300 °任意调整视角,方便读数O脉冲、M总线和RS485总线输出接口可实现数据远传、集中控制O自动错误诊断功能,在非正常状态下,有错误信息提示功能,确保安全准确运行O电池寿命6年以上O冷热两用(采暖、制冷均可计量)管网超声波热量表管网热量表使用说明一、使用场合本系列热量表主要用于测量管网,住宅小区,企业的供暖或制冷系统,使用的温度范围:4〜95 C二、工作原理在供热系统中,热水通过释放(制冷系统为吸收)热量给用户供热,在一定的时间内,其热量与进岀水管的温差、流过热水的体积成正比。
流经流量计的热水量通过磁钢耦合传送给计算器,进岀水管间的温差通过安装在管道上的配对温度传感器传输给计算器,计算器根据流过流量传感器的热水体积、温差进行时间积分来达到计算能量消耗的目的。
三、特点•公称口径:DN50〜200,•最小温差3C•采用沃特曼原理•满足EN1434及CJ128三级表要求•使用微功耗芯片,锂电池的寿命大于5年•可选远传M-BUS输出,方便应用于远传系统•可更换结算日期•同时使用于热量及冷量的测量•安装于进水端(根据客户要求,可提供装于回水端的仪表) •PT1000的配对温度传感器•温度分辨率0.01 C四、计量特性•水压:不超过1.6Mpa•计量等级及最大允许误差本热量表的计量等级为3级,其误差限符合以下曲线:E= ±( 4+4 △ 0 min/ △ 0 +0.05qp/q ) %其中△ 0 min为热量表的最小温差,△ 0为实际温差。
超声波热量表使用说明书地址:唐山市路北区创业服务中心211号电话:传真:网址:E-mail:一、概述超声波热量表是参考欧洲标准EN1434 和OIML-R75号国际规程开发设计的高性能、低功耗电子式测量仪表,用来测量和显示载热(冷)液体流经冷热交换系统释放(吸收)热量。
超声波热量表由流量传感器、微处理器和配对温度传感器组成。
微处理器通过流量传感器得到流量信号,从测温电路得到出口和入口水温信号,根据标准热量计算公式计算出系统交换的能量。
用户可选用具有M-BUS通信接口或无线传输通信接口的RLB-C型超声波热量表,超声波热量表可和采集器、集中器以及配套软件组成远传抄表管理系统,管理部门可以随时抄取表中数据,方便对用户用热量的管控。
超声波热量表符合国家建设部颁布的CJ128-20XX《热量表》产品标准。
M-BUS接口或无线接口通讯协议符合建设部CJ/T188-20XX《户用计量仪表数据传输技术条件》的要求;无线数传模块符合工信部无[20XX]423号《微功率(短距离)无线电设备的技术要求》。
二、性能特点1、低电压报警。
2、自动数据纠错技术。
3、温度传感器断路和短路报警。
4、高清晰度宽温度型LCD显示。
5、流量分8段校准,准确度高。
6、超低功耗(静态功耗小于7uA)。
7、管段为直通一体结构采用锻压工艺制造而成。
8、测量机构无运动部件,永无磨损,计量精度不受使用周期影响。
9、具备光电接口,采用红外工具可以实现抄表。
10、安装极为方便,水平或垂直安装。
11、数据传输采用M-BUS或无线传输通信接口,通信距离远。
三、使用方法1、超声波热量表一直循环显示:累积热量:累积 XXX kW·h累积流量:累积 XXX。
XX m3瞬时流量:瞬时 XXX。
XXX m3/h温度:入口 XX。
X 出口 XX。
X ℃温差:温差X。
X K累积工作时间:累积 XXX h2、数据通讯(不带数据通讯的仪表无此功能)用户可选用具有M-BUS通信接口或无线传输通信接口的RLB-C型超声波热量表,配合采集器、集中器、管理软件等可实现远程抄表。
一、超声波热量表原理:1、基本原理:热量表是将一对温度传感器分别安装在通过载热流体的上行管和下行管上,流量计安装在流体入口或回流管上,流量计发出与流量成正比的脉冲信号,一对温度传感器给出表示温度高低的模拟信号,而积算仪采集来自流量和温度传感器的信号,利用计算公式算出热交换系统获得的热量。
热水所提供的热量与热水的进回水温差及热水流量成正比例关系。
热水流量采用声波时差法原理进行测量,进回水温度则通过铂电阻温度计测量。
热能表积算仪将热水流量和进回水温度进行数据运算处理,最后得出所消耗掉的热量,单位为 kWh 、 MWh、MJ 或 GJ。
2、计算方法:a、焓差法(依据供回水温度、流量对水流时间进行积分来计算)Q =Q:系统释放或吸收的热量;:水的质量流量:水的体积流量:供水和回水温度的水的焓值差b、热系数法(根据供回水温差、水的累积流量)Q =K=V :水的体积:供水和回水的温差k :热系数(具体密度及焓的取值参见GB/T 32224-2015附录A)二、超声波热量表的选用1、机械部分a、热量表外形尺寸选用:热量表公称口径;公称压力;热量表全长、热量表计算器长度、高度、计算器高度、表接螺纹、流量计表体材质等。
保证热量表可以正确安装在设备无干涉、且后期检修方便。
b、热量表技术数据选用:包含热量表的最小流量、最大流量、过载流量、热量表温度范围、公称流量下的压力损失、最大温差、最小温差、测算精度、热量表防护等级等。
2、电气及软件部分热量表供电方式:一般为24V和230V(具体参见说明书)。
温度传感器类型、传感器导线长度(严禁自行加长、截短或更换导线)、热量表的通讯方式及通讯接口、流量计计量周期、用户M-Bus抄表系统、流量计数据存储量。
三、换热机组超声波热量表的应用1、超声波流量计的应用a、确保安装位置的管段不会产生气泡,否则会影响测量精度,表头可倾斜45°安装。
b、热量表安装位置应方便后期拆解维护,热量表上游应安装过滤器。
大口径超声波热量表使用说明书地址:唐山市路北区创业服务中心号电话:传真:网址:一、概述超声波热量表与控制器配套组成整套卡大口径预付费热量表使用。
型超声波热量表与控制器无线方式连接,分体结构,可将控制器安装在用户容易操作的地方,以方便用户对热量的查看和管控。
超声波热量表由控制器和基表组成,控制器由流量传感器、微处理器和配对温度传感器组成。
微处理器通过流量传感器和基表得到流量信号,从测温传感器得到出口和入口水温信号,根据标准热量计算公式计算出系统交换的能量,定时向控制器以无线的方式上传总用热量,控制器核减用户的剩余量,当用户所购热量用完时控制器控制电动阀关阀停止供暖。
超声波热量表是参考欧洲标准和号国际规程开发设计的高性能、低功耗电子式热量表。
符合国家建设部颁布的《热量表》产品标准。
二、关键技术()低电压报警。
()自动数据纠错技术。
()高清晰度宽温度型显示。
()流量分段校准,准确度高。
()超低功耗(静态功耗小于)。
()管段为直通一体结构采用锻压工艺制造而成。
()测量机构无运动部件,永无磨损,计量精度不受使用周期影响。
()具备光电接口,通讯距离以上,采用红外工具可以实现抄表。
()安装极为方便,水平或垂直安装。
()以无线方式定时上传数据,和控制器之间无任何连线,安装简单。
()非接触卡(射频卡)技术:采用我公司的专利射频卡技术(专利号:),应用无线方式传输数据,彻底解决防水、防潮、防攻击难题。
() 定时开关阀功能:有效防止因阀门长期未开关而锈死现象。
三、安装方法超声波热量表与控制器安装在管道上,表在前、阀在后,表与控制器无需任何接线连接,只需通过捷宝把热量表的地址设置为控制器的控制器编号,便可正常使用。
(出厂已设置好地址)注意事项:()建议在型超声波热量表前加装过滤器。
()建议在过滤器前安装阀门,方便检修清理过滤器。
()安装前请先冲洗管道防止管道内有麻丝砂石等杂物。
()装时不要扳动、转动、碰击管道内部零部件,避免磕碰表体。
超声波式热量表
超声波式热量表是一种采用超声波技术进行测量并显示热能值的物理仪器,对模拟热量表具有很大的改进。
它能够精确测量物体的温度,还能够读取或记录连
续的温度变化。
1. 优点
(1) 该仪器可以准确地测量物体的温度,其准确度较高;
(2) 具有较好的热效率和稳定性,能够持续的记录温度的变化;
(3) 使用简便,仪器结构简单,操作方便;
(4) 使用寿命长,仪器厂家提供丰富的售后服务;
2. 缺点
(1) 由于采用超声波技术,对操作人员的安全问题需要更多的考虑;
(2) 价格昂贵,普通消费者难以负担;
(3) 测量结果会受外界环境条件的影响,需多次测量,才能准确地记录温度变化。
3. 应用
(1) 超声波式热量表可以广泛的应用于矿产工程、家电制造、机械制造及动力
系统的监控中;
(2) 也可用于医药行业、实验室、学校等,检测热效应,用于长期稳定性温度控制;
(3) 广泛应用于产品质量检测,达到测量精度高、精确定量的效果;
(4) 也可以用于节能建筑、环境控制和环境温度检测等领域。
超声波热量表使用中容易忽略的几个问题在工业生产和科学研究中,超声波热量表作为一种重要的测量工具,被广泛应用于流体热量测量和能量计量。
然而,由于其特殊的工作原理和使用环境的复杂性,一些使用中容易被忽略的问题可能会影响测量结果的准确性和可靠性。
为了更好地使用超声波热量表,我们需要对这些问题进行全面的评估和处理。
1. 测量介质的状态不稳定在使用超声波热量表进行热量测量时,介质的状态如果不稳定,会对测量结果造成影响。
介质的流速、温度、压力等参数的变化都会对超声波传播速度产生影响,进而影响测量的准确性。
在实际使用中,需要注意介质状态的稳定性,尽量减小外部环境对介质的影响。
2. 转换精度和稳定性的影响超声波热量表中的转换器和传感器是关键的部件,其精度和稳定性直接影响测量的准确性。
然而,由于长期工作和使用条件的差异,转换器和传感器的性能会逐渐下降,导致测量结果不准确。
在使用过程中需要定期检测和维护这些部件,确保其性能处于良好状态。
3. 测量管道的影响超声波热量表需要安装在介质流动的管道中进行测量,而管道的材质、形状、直径等因素都会对超声波的传播和反射产生影响。
特别是在复杂的管道结构中,超声波的传播路径可能会受到阻碍或发生折射,导致测量结果不准确。
在安装和使用超声波热量表时,需要充分考虑管道的影响,并采取相应的措施进行校正和修正。
总结回顾:超声波热量表在工业生产和科学研究中起着至关重要的作用,然而在使用过程中容易忽略一些影响测量准确性的问题。
介质状态的不稳定、转换器和传感器的影响以及测量管道的影响都是需要重点关注和解决的问题。
通过定期的维护和检测,以及对介质和管道状态的监测,可以有效地提高超声波热量表的测量准确性和可靠性。
个人观点和理解:作为超声波热量表的使用者,在日常工作中需要充分了解其工作原理和影响因素,以便更好地应对使用中容易出现的问题。
通过不断学习和实践,可以更好地发挥超声波热量表的作用,为工业生产和科学研究提供更加准确和可靠的数据支持。
超声波热量表使用中容易忽略的几个问题超声波热量表使用中容易忽略的几个问题导语:超声波热量表(Ultrasonic Heat Meter)作为一种先进的热量计量仪表,广泛应用于供暖、制冷、空调等能源计量领域。
它的工作原理是利用超声波传播速度与介质温度的关系,测量流体的流量和温度,从而计算出流体的热量。
然而,在实际使用过程中,很多人往往忽略了一些重要的问题,导致热量测量的准确性受到影响。
本文将深入探讨超声波热量表使用中容易忽略的几个问题,并给出相应的建议和解决方案。
一、管道安装位置及布线问题:在使用超声波热量表时,管道的安装位置和布线是非常重要的。
错误的安装位置和布线会导致管道流体的流速和温度测量不准确,从而影响热量计量的结果。
为了确保准确性,应遵循以下原则:1. 安装位置选择:应选择流速稳定、无气泡和异物的管段,避免安装在弯头、机组进出口管道等位置。
2. 布线合理:布线应符合超声波热量表的要求,尽量避免与其他电源、信号干扰源等线路交叉或并行。
二、超声波传感器位置安装问题:超声波传感器的位置安装也是影响热量测量准确性的重要因素。
不正确的安装位置会使超声波传感器无法正常接收信号,从而导致测量结果出现误差。
以下是一些需要注意的事项:1. 安装位置选择:超声波传感器应尽量安装在水流速度较低、流向稳定、无气泡和较少浊度的位置。
2. 安装角度正确:超声波传感器应与管道轴线保持垂直,并且在安装时要注意避免与其他部件碰撞。
三、气泡和杂质对测量结果的影响:气泡和杂质是超声波热量表容易忽略的问题之一。
气泡的存在会改变水流速度和波的传播速度,从而影响热量计量的准确性。
管道内的杂质也会对超声波的传播和接收产生干扰。
为了解决这个问题,可以采取以下措施:1. 安装气泡除尘器:在超声波热量表安装前,可以在流量计上游位置安装气泡除尘器,以减少气泡的存在。
2. 定期清洗管道:定期清洗管道,特别是在水质较差的环境中,以避免杂质对测量结果的影响。
供暖超声波热量表安全操作及保养规程导语在供暖行业,超声波热量表是一种重要的计量工具,它能够精确地测量供暖系统中的水流量和温度,从而计算出能够提供的供暖热量。
但是,如果不正确地使用和保养这些热量表,可能会导致误差的出现,甚至可能会造成安全隐患。
因此,为了保障供暖系统的安全和正常运行,我们需要了解超声波热量表的正确操作和保养规程。
安全操作规程1. 安装位置超声波热量表应该安装在供暖管道的水平段上,管道两端需要留有一定的直管段。
安装时应避免管道的弯曲、翻转和轴向位移等情况,否则会导致测量误差。
2. 电源接线超声波热量表的电源线应采用隔离式或双重绝缘的电缆,电缆的截面积应根据工程实际需要选定,并满足电缆引出口的要求。
3. 信号接线超声波热量表的信号线应采用抗干扰性能好的屏蔽电缆,信号线长度应控制在50米以内,信号线在引出口处应尽可能靠近金属管壁接地。
4. 操作须知在使用超声波热量表时,应注意以下几点:•开机前应检查电源电压和电流是否正常,同时检查电缆接头是否牢固。
•设置好热量表的相关参数,包括采样周期、报警条款、温度补偿等内容。
•清洗管道后应对热量表进行校准,以确保测量精度。
•不能将超声波热量表直接暴露在阳光下,避免影响温度传感器的准确度。
•在进行维护和更换超声波热量表时,应关闭相关管道的阀门,防止水流涌入。
保养规程1. 定期清洗超声波热量表应定期进行清洗,以保证传感器的敏感度和测量精度。
清洗时应注意避免用刷子等硬物擦拭传感器表面,以免刮花或损坏传感器。
2. 确保密封性能超声波热量表的密封性能对测量精度有着很大的影响,因此需要确保设备的密封性能。
定期检查热量表的密封部位,如发现泄漏问题及时进行处理。
3. 定期校验超声波热量表的校验周期一般为一年,校验时需要专业的仪器和设备。
如果在使用过程中发现测量精度异常,需要及时进行校准,以确保供暖系统的热量计量精度。
4. 防止冻裂在北方地区,冬季气温低下,超声波热量表易受冻裂破坏。
超声波热量表使用说明书地址:唐山市路北区创业服务中心号电话:传真:网址:一、概述超声波热量表是参考欧洲标准和号国际规程开发设计的高性能、低功耗电子式测量仪表,用来测量和显示载热(冷)液体流经冷热交换系统释放(吸收)热量。
超声波热量表由流量传感器、微处理器和配对温度传感器组成。
微处理器通过流量传感器得到流量信号,从测温电路得到出口和入口水温信号,根据标准热量计算公式计算出系统交换的能量。
用户可选用具有通信接口或无线传输通信接口的型超声波热量表,超声波热量表可和采集器、集中器以及配套软件组成远传抄表管理系统,管理部门可以随时抄取表中数据,方便对用户用热量的管控。
超声波热量表符合国家建设部颁布的《热量表》产品标准。
接口或无线接口通讯协议符合建设部《户用计量仪表数据传输技术条件》的要求;无线数传模块符合工信部无[]号《微功率(短距离)无线电设备的技术要求》。
二、性能特点、低电压报警。
、自动数据纠错技术。
、温度传感器断路和短路报警。
、高清晰度宽温度型显示。
、流量分段校准,准确度高。
、超低功耗(静态功耗小于)。
、管段为直通一体结构采用锻压工艺制造而成。
、测量机构无运动部件,永无磨损,计量精度不受使用周期影响。
、具备光电接口,采用红外工具可以实现抄表。
、安装极为方便,水平或垂直安装。
、数据传输采用或无线传输通信接口,通信距离远。
三、使用方法、超声波热量表一直循环显示:累积热量:累积·累积流量:累积瞬时流量:瞬时温度:入口出口℃温差:温差累积工作时间:累积、数据通讯(不带数据通讯的仪表无此功能)用户可选用具有通信接口或无线传输通信接口的型超声波热量表,配合采集器、集中器、管理软件等可实现远程抄表。
不同数据通讯接口的仪表选配相应采集器。
使用前在上位机建立地址档案,表地址出厂时已设定(仪表号为位数字编码),由热量表、集中器、采集器、上位机等组成的集中抄表系统组建完成后,管理部门就可以随时抄取表中数据。
本仪表数据通讯示意图如下:注:、一个系统中热量表的地址不能重复;、接口的热量表的通讯线不区分正负极,通过总线连接到采集器接口即可。
超声波热量表工作原理与结构特征●热能表定义:用于测量及显示热交换回路中载热液体所释放(吸收)的热量的计量器具。
热量表用法定计量单位显示热量。
●工作原理:由热源供应的热水(冷水)以较高(低)的温度流入热交换系统(散热器,换热器或由它们组成的复杂系统),以较低(高)的温度流出,在此过程中,通过热量交换向用户释放或吸收热量(注:该过程包括采暖系统和制冷系统能量交换过程)。
当水流经热交换系统时,根据流量传感器给出的流量和配对温度传感器给出的供回水温度,以及水流经的时间,通过计算并显示该系统所释放或吸收的热量。
其基本公式为:=式中:---释放放或吸收的热量,J或W*h;---流经热量表的水的质量流量,Kg/h;---流经热量表的水的体积流量,m3/h;ρ---流经热量表的水的密度,Kg/h;---在热交换系统的入口和出口温度下,水的焓值差,J/Kg;τ---时间,h●结构特征热量表由以下三部分组成(图1):图1●计算器(积分仪):用于接收流量传感器和配对温度传感器的信号,并进行计算,累积,存储和显示热交换系统中的热量。
●流量传感器(流量计):热能表最重要的部件,其性能直接体现热能表整体的性能、质量和档次。
其功能主要是在热交换回路中用于产生载热液体的流动信号,该信号是体积或质量的函数,也可以是体积流量或质量流量的函数。
●温度传感器(配对铂电阻):在热交换回路中用于同时测量载热液体在入口和出口的温度信号。
流量计的结构与工作原理RC型超声波式热能表也是由流量计,温度传感器,计算器三部分组成,其不同之处在于流量计的测量方式是通过测量超声波在液体中的传播速度来实现流量测量的。
其原理是:的那个超声波在流体中传播时,声波传送速度信息将加载上流体的速度信息(见图2),因为这两种信号的叠加,就使声波在顺流和逆流时的传播速度不相等,因此通过测量这两种不同的速度信息,经过计算可得出流体的流速,然后再换算成流量,从而实现了流量的测量。
2024年超声波热量表市场分析现状引言超声波热量表是一种测量能量消耗的设备,它利用超声波技术来测量流体的体积流量和温度差,从而计算出流体的热量消耗。
在能源管理和流量控制领域,超声波热量表具有广泛的应用前景。
本文将分析超声波热量表市场的现状,并探讨其未来的发展趋势。
市场规模超声波热量表市场具有巨大的潜力。
据统计,2019年全球超声波热量表市场规模达到XX亿元,预计到2025年将增长到XX亿元。
市场增长的主要驱动因素包括能源管理需求的增加、流量监测技术的改进以及政府对能源的节约和环保要求的提高。
市场分析超声波热量表市场根据应用领域可以分为工业领域和民用领域。
工业领域在工业领域,超声波热量表主要用于能源管理和流量控制。
工业领域对能源消耗的监测和控制要求非常严格,超声波热量表可以提供准确和可靠的数据,帮助企业实现能源的节约和效率化管理。
目前,工业领域是超声波热量表市场的主要应用领域之一,占据了市场的主要份额。
在民用领域,超声波热量表主要用于住宅和商业建筑的能源计量和费用结算。
随着人们对节能减排的重视和对能源消耗的监测需求的增加,超声波热量表在民用领域的应用逐渐扩大。
预计未来几年,随着智能家居和绿色建筑的发展,民用领域将成为超声波热量表市场增长的主要动力之一。
地区分布超声波热量表市场的地区分布不均衡。
目前,发达国家在超声波热量表市场占据主导地位,北美和欧洲是最大的市场。
这些地区有较高的能源消耗和环保要求,对超声波热量表的需求较大。
而发展中国家在市场规模上相对较小,但是随着经济发展和能源需求的增加,这些国家的市场潜力也在不断释放。
市场竞争超声波热量表市场竞争激烈,主要厂商包括ABB、Honeywell、Siemens等知名企业。
这些企业拥有强大的研发能力和广泛的市场渠道,他们不断推出新产品来满足市场需求,并与客户建立紧密的合作关系。
此外,一些本土企业也开始崭露头角,通过技术创新和价格竞争来争夺市场份额。
未来发展趋势超声波热量表市场的未来发展将受到多种因素的影响。
艾科,管道式超声波热量表(带485协议)
摘要:
一、引言
二、产品概述
三、技术参数
四、应用领域
五、结论
正文:
【引言】
艾科公司是一家专注于热量计量领域的企业,致力于为用户提供高品质、高精度的热量计量产品。
管道式超声波热量表(带485协议)是艾科公司推出的一款具有高性能、稳定可靠的热量计量仪表。
【产品概述】
管道式超声波热量表(带485协议)采用超声波技术进行热量测量,具有高精度、高稳定性、低功耗等优点。
产品支持485协议,可实现远程通讯和数据传输,方便用户进行远程监控和管理。
此外,该款热量表还具有防尘、防水、防震等功能,适用于各种恶劣环境。
【技术参数】
1.测量范围:0-10000m/h
2.测量精度:±1%
3.工作温度:-20℃-+50℃
4.工作电源:DC 12V
5.通讯方式:RS485
【应用领域】
艾科管道式超声波热量表(带485协议)广泛应用于暖通空调、热水供应、能源计量等领域,满足用户对热量计量的需求。
此外,该产品还适用于大型公共建筑、酒店、学校、医院等场所,方便集中管理和控制热量消耗。
【结论】
艾科管道式超声波热量表(带485协议)凭借其优越的性能和稳定性,成为热量计量领域的理想选择。
该产品不仅具备高精度、低功耗等优点,还能实现远程通讯和数据传输。
超声波热量表一、用途与特点超声波式热能表将流量计、计算器集成为一体,具有结构紧凑、安装方便等特点。
该表采用优质压电陶瓷换能器,保证了高准确度和稳定性,UHM系列整体式超声波热量表是为了解决采暖和中央空调在用户范畴内的热量计量问题。
整体式超声波热量表没有活动零部件,机械寿命长。
超低功耗设计,采用一次性锂电池供电可以达到6年以上。
解决了机械式热量表在寿命和性能方面的不足。
二、结构与外形尺寸图2.1结构图20~40口径结构图 50~200口径结构图2.2外形尺寸图20~40口径外形尺寸50~200口径外形尺寸流量范围4.1 LCD 可显示内容见下图:图形字符LCD (M60557)4.2 显示内容1秒,显示会在当前值、分月值和其它信息之间跳转。
如果按压时间不超过1秒即松开按键,显示会在( ) 当前值、( ) 分月值和 ( )其它信息内部循环。
4.3 显示单位本产品显示单位和计量单位标准产品的能量单位为KWH、流量单位为M3。
如需其他计量单位需要,请在定货中说明。
4.4 显示和按键其他说明4.4.1“月计费日期”显示内容为“PD= XX”,XX代表本月累计数据截止日期;出厂默认“31”号。
表示在每月的31日0点0分保存该月能量记录,并开始下一个月的能量记录。
4.4.2历史分月记录总共18条,如果不足18条,则只显示已经有的记录。
4.4.3“累计工作小时”单位显示“h”,单位是小时;4.4.4“软件和协议版本号”显示“VEr.X.X X.X”,前一个代表软件版本号,后一个代表通信协议版本号。
4.4.5“出厂编号”代表本机的物理地址编号,必须与外贴编号相同。
“出厂编号”是唯一的,由厂家出厂时设定。
在M-BUS系统中也作为通信的唯一地址标识。
4.4.6“电池电压”显示内容为“VCC= X.XX”,单位无显示,默认单位为伏特;当电池电压低于2.9±0.1V时,会在非电池电压显示状态,显示“”,以提示电池电压不够。