控制器键盘功能
- 格式:docx
- 大小:82.70 KB
- 文档页数:5
功能菜单说明:操作键盘说明:键盘按键多数具有复用功能,如【9 消音】键,在不同的操作界面下具有【消音】键或数字【9】键的功能;在监控界面下(待机界面、事件查看界面下),所有按键的下排功能起作用,如【9 消音】键,具有【消音】,键功能【2 ↑】键,具有数字【↑】键(上翻)功能;在非监控界面下,所有按键的上排功能起作用,如【9 消音】键,具有数字【9】键功能。
1.1.1进入主菜单在监控状态下,按【功能】键,按提示输入密码后【4】【5】【8】【7】,便可进入菜单界面对系统进行操作。
1.1.2消音当系统中有启动喷放、火警、联动、故障时,控制器会发出相应的报警声,消音功能可对该报警声进行消音;当有新的火警或故障时,控制器将恢复发火警或故障声。
监控状态下按【消音】键,或选中“操作”--“消音”菜单项即可消音。
说明:控制器在火警状态消音后,产生新的故障或联动信息时均会发出相应的声响。
1.1.3自检自检用于日常维护中检查各显示器件与声响是否正常。
监控状态下按【自检】键,或选中“功能”-进入主菜单后,选择“自检”菜单项,按提示输入系统操作密码,系统进行自检操作,液晶屏全亮/全灭,LED灯全部点亮,然后系统回到监控状态。
1.1.4复位监控状态下按【复位】键,或选中或选中“功能”-进入主菜单后,选择“复位”菜单项,按提示输入系统操作密码,系统会提示是否复位,按【1】键确认进行复位,按【2】键退出。
当系统进入喷放阶段,可以通过按下【复位】键,停止正在喷放的状态,同时清除系统的状态。
在监视状态下,按下【复位】键或进入第一级菜单选择【复位】,便可对系统进行复位,可以复位掉火警信息可以使各类报火警的设备(探测器、手报、输入模块等)、已经动作的输出模块和火警继电器恢复到正常工作状态。
注意:系统有些状态是不可以复位掉,比如【启动】按钮按下,复位后仍然存在的状态和信息均会在 20 S内重新建立1.1.5手自动转换选中【手自动】或选中“功能”--“手自动转换”菜单项,按提示输入系统操作密码,进入系统手自动状态设置界面。
keystation88说明书
一、产品概述
KeyStation 88是一款功能强大的键盘式MIDI控制器,适用于音乐制作、演奏和演出。
它具有88个标准键盘,配备力度感应,可实现逼真的钢琴音色。
此外,KeyStation 88还具备多种控制功能,如弯音轮、调制轮和八度切换等,可帮助您在音乐制作中获得更多创意自由。
二、产品特点
1. 88键标准键盘,带力度感应
2. 多种控制功能:弯音轮、调制轮、八度切换等
3. 可通过USB连接电脑,即插即用
4. 兼容各种音乐制作软件
5. 长久耐用,适合长时间演出和创作
三、使用方法
1. 将KeyStation 88通过USB线连接到电脑,等待驱动程序自动安装完毕。
2. 打开音乐制作软件(如Ableton Live、FL Studio等),选择相应的MIDI输入设备为KeyStation 88。
3. 根据需要调整键盘力度、音色等参数,开始创作或演奏。
4. 利用弯音轮、调制轮和八度切换等功能,丰富乐曲的动态和音色变化。
5. 完成乐曲后,可以通过音乐制作软件的导出功能,保存或分享作品。
四、注意事项
1. 请勿在潮湿环境或高温环境中使用KeyStation 88,以免对产品造成损害。
2. 在使用过程中,请勿用力敲击键盘或拉扯线缆,以免损坏键盘或导致连接不稳定。
3. 如发现产品有任何异常或故障,请及时联系售后客服寻求帮助。
控制器的操作方法详解控制器是计算机系统中重要的硬件设备之一,它负责接收和发送各种信号、指令,对计算机的运行进行控制。
在本文中,我们将详细介绍控制器的操作方法。
一、控制器的基本操作方法1.1 启动/关闭控制器控制器的启动操作一般是通过按下电源按钮来实现的。
在启动过程中,控制器会自检硬件设备,并加载操作系统。
关闭控制器则需要通过操作系统提供的关闭功能来完成,避免直接断电造成数据丢失或硬件损坏。
1.2 导航和选择功能控制器通常会提供导航按钮或者触摸屏等方式,用于在不同菜单或功能之间进行切换。
通过导航按钮,用户可以浏览不同的选项,并进行选择。
选择功能常用于确认特定操作或进入下一层次的功能菜单。
1.3 输入数据和指令控制器一般提供键盘、鼠标、触摸屏等输入设备,以便用户输入数据和指令。
通过这些输入设备,用户可以输入文本、数字等数据,执行操作指令,以便控制器进行相应的处理。
二、控制器的进阶操作方法2.1 快捷键和功能组合键控制器通常提供一些快捷键,用于快速执行某些功能。
例如,通过组合键Ctrl + S可以保存当前操作进度,Ctrl + Z可以撤销上一步操作,Ctrl + C可以复制选中内容等。
这些快捷键通常可以加快用户的操作效率。
2.2 多任务处理一些高级控制器支持多任务处理,允许用户同时进行多项操作。
用户可以通过切换操作窗口或者使用分屏功能来同时处理不同的任务。
这个操作方法在提高工作效率和操作便捷性方面非常有用。
2.3 定时和计划任务控制器有时会提供定时功能,用户可以设置一些操作在特定的时间自动执行。
例如,备份数据定时任务、系统巡检定时任务等。
这些定时任务可以事先设置好,大大减少了用户手动操作的繁琐性。
三、控制器的高级操作方法3.1 自定义操作某些控制器允许用户进行自定义操作,以满足个性化需求。
用户可以通过设置或脚本等方式,对控制器的行为进行调整。
自定义操作方法让控制器的功能更加灵活、多样化。
3.2 远程操作随着网络技术的发展,许多控制器支持远程操作。
个人资料整理,仅限个人学习使用,请勿商用电子围栏键盘控制器说明书型号:电子围栏键盘控制器本型号的电子围栏键盘控制系统使用的电子围栏主机有:四线制LCD电子围栏主机、四线制LED电子围栏主机、六线制LCD电子围栏主机、六线制LED电子围栏主机。
目录电子围栏键盘控制器简介- 1 -一、按键定义说明- 2 -1.1、F1按键- 2 -1.2、F2按键- 2 -1.3、F3按键- 2 -1.4、F4按键- 2 -1.5、* 按键- 2 -1.6、# 按键- 2 -1.7、0~9 数字按键- 2 -二、常用操作说明- 3 -2.1、密码操作- 3 -2.2、打开或关闭防区操作- 3 -2.3、防区编号修改操作- 3 -2.4、防区的布防和撤防操作- 3 -2.5、防区实时状态查看操作- 4 -2.6、报警信息的查看操作- 4 -2.7、报警复位操作- 4 -2.8、报警灵敏度操作- 4 -2.9、报警输出时间设置操作- 4 -三、其他几个特别的说明- 5 -3.1、报警声音及报警提示音说明- 5 -3.2、无线控制功能说明- 5 -3.3、多点控制功能说明- 5 -3.4、自动布撤防功能说明- 6 -3.5、脉冲幅值及脉冲周期设置功能说明- 6 -3.6、液晶背光说明- 6 -四、电子围栏键盘控制器的10孔接头说明- 6 -五、电子围栏键盘控制器的常见问题解决方法- 7 -5.1、键盘控制器屏幕不亮- 7 -5.2、布撤防控制时脉冲主机没有响应- 7 -5.3、报警恢复后还是会有提示音- 7 -电子围栏键盘控制器简介本键盘控制器具有以下的优点:◆具有自动定时布撤防功能,自动布撤防的时间以及防区状态可以自由设定,能够智能自动的对防区进行布撤防控制;◆具有市电断电和恢复提示功能,能够及时的提醒用户各个主机的电源状态;◆具有通信失败报警功能,能够及时的提示用户各个脉冲主机与控制室之间的通信线路故障;◆具有无线控制功能(本功可选配),可以多个无线遥控器一起控制;◆可以2个控制点同时进行控制;◆可以通过RS485总线对多达32个电子围栏防区进行全面控制;◆可以对全部或部分防区进行关闭、布防、撤防,各个防区高低压转换功能;◆对电压可调的脉冲主机,可以设置该主机的脉冲输出电压值;◆对脉冲周期可调的脉冲主机,可以设置该主机的脉冲周期值;◆可以自动记录最新的128条报警信息,报警信息详细明了(包括报警防区号,类别(短路、断路、防拆),报警时间);◆有报警时,会自动的突出显示正在报警的信息;◆轮巡一周的时间短,可以快速的反映防区状态以及报警信息;◆可以对各个防区的围栏主机进行报警复位;◆可以任意设定围栏主机的防区号;◆可以设定围栏主机的报警灵敏度;◆可以设定围栏主机的报警输出的时间;◆可以设定整个系统的时间;◆可以循环显示已经打开的防区的状态信息(包括防区输出的实际电压值或者防区的报警状态);◆具有通用的开关量报警输出功能;◆智能关闭液晶背光,更节能省电;◆界面友好,人性化操作;◆具有密码登录功能,安全可靠,同时还可以对密码进行修改;一、按键定义说明1.1、F1按键此按键有两种功能:(1). 为“确认”按键。
海湾GST-9000用户使用说明 1.1 常规键盘操作1.1.1 键盘按键的分类控制器键盘示意图如图1-1、1-2所示。
选 中浏览火警信息查询消 音警报器火警确认窗口切换复 位火警传输消音/启动直接控制图1-1空 格取 消确 认系统设置图形/文本启动/停动屏蔽/自 检用户设置取消屏蔽7 PQRS *08 TUV 5 JKL 2 ABC 14 GHI3 DEF 6 MNO 9 WXYZ#+=图1-2按照控制器各按键的功能来划分,可以分为信息查询类按键、特殊功能类按键、设置功能类按键、字符键和操作键。
信息查询类按键:指用户查询各类信息时,用来进行显示信息切换的按键,属于用户经常操作的按键,包括:“浏览火警”、“信息查询”、“窗口切换”、“图形/文本”。
特殊功能类按键:指用户操作控制器时,完成相应的命令,改变系统状态的按键,包括:“火警确认”、“消音”、“警报器消音/启动”、“火警传输直接控制”、“复位”、“自检”、“启动/停动”、“屏蔽/取消屏蔽”。
设置功能类按键:指用户需要设置控制器的参数、调试及改变控制器设置时使用的按键,包括:“系统设置”、“用户设置”。
操作键:指用户进行各种操作时均可能用到的按键,包括:、、或、选“确认”、“取消”。
中、本控制器除具有本机键盘外,还可配接标准键盘,并具有触摸屏操作功能,可利用外接键盘及触摸屏进行数据输入或菜单选择等操作。
1.2信息查询按下“信息查询”液晶屏将显示图1-3所示界面。
图1-31.2.1历史记录查询选择“1、历史记录查询”可对运行记录、火警记录和操作记录进行查询。
如图1-4所示。
图1-4运行记录查询进入“1、运行记录查询”,可检查运行记录信息,如图1-5所示。
运行记录包括所有的报警信息,发出的命令和进行的设置。
每条信息包括序号、信息类型、信息发生的时间、二次码、设备类型及注释信息。
本控制器可查询系统最新发生的3200条记录。
图1-5火警记录查询进入“2、火警记录查询”,可检查火警记录信息,如图1-6所示。
复盛GD 螺杆空压机控制器使用说明1.控制器功能介绍本机配备了功能完善的G 隘控器和控制元器件。
为确保机组的正 常运行,操作人员必须熟悉监控器面板上的各种标记的含义, 对面板 上显示的参数和信号能做出正确的判断。
监控器通过大屏液晶(LCD)显示机组的温度、压力、运行时间及 工作状态。
操作人员可以通过监控器面板上的键盘来控制压缩机,设定控制参数,显示需要的参数。
系统图上的指示灯反映各显示参数所 处的位置(参照图1.1 )。
红灯点亮表示重故障报警,黄等点亮表示 轻故障报警。
图 1.1显示排气温度T1 : 000 'C 排气压力 P1: 0. 00 Mpa 运行操作 停机/境位 一般运行 低用疑运行 自动运行2 .控制器键盘介绍运行状态、自动运行状态切换到低用量运行状态。
状态、低用量运行状态切换到自动运行状态。
升级才能使用)在密码输入和参数修改状态增加设定值。
设定范围0~9,设定递增单位1。
在密码输入和参数修改状态增加设定值。
设定范围9~0,设定递减单位1。
在密码输入和参数修改状态循环右移设定位。
在密码输入和参数修改状态循环左移设定位。
晶显示内容进行操作。
如对应菜单为“显示”,按下此键后会进入显行状态、 停机/复位 一般运行手动停机及消除报警信号。
启动运行空压机并可从停机、低用量运自动运行状态切换到一般运行状态。
低用量运行启动运行空压机并可从停机、一舟自动运行启动运行空压机并可从停机、一般运行联控运行可实现多台空压机联控功能(此功能需在密码输入和参数修改后确认设定值,马达测试。
此键为液晶显示右方由上至下第一键,可对相应液示包含的下级菜单。
晶显示内容进行操作。
如对应菜单为“查询”,按下此键后会进入查询包含的下级菜单。
此键为液晶显示右方由上至下第二键,可对相应液f 1 ――此键为液晶显示右方由上至下第三键,可对相应液晶显示内容进行操作。
如对应菜单为“参数”,按下此键后会进入参数包含的下级菜单。
此键为液晶显示右方由上至下第四键,可对相应液晶显示内容进行操作。
ZT-K78⼆维英⽂主控键盘控制器ZT-K7 8ZAXTEAM主键盘控制器(KEYBOARD CONTROLLER )使⽤说明书Operation Instruction温馨提⽰:感谢您使⽤本公司产品。
为了让您能够尽快熟练的操作本机,请您仔细阅读我们为您配备内容详细的使⽤说明书,从中您可以获取有关产品安全注意事项、产品介绍以及产品使⽤⽅法等⽅⾯的知识。
当您阅读完说明书后,请将它妥善保存好,以备⽇后参考。
如果您在产品的使⽤过程中发现什么问题,请联系产品技术服务⼈员。
谢谢您的合作!申明:在编写此说明书时我们⾮常⼩⼼谨慎,并认为此说明书中所提供的信息是正确可靠的,然⽽难免会有错误和疏漏之处,请您多加包涵并热切欢迎您的指正。
但是我们将不对本⼿册可能出现的问题和疏漏负责。
同时,由于我们⽆法控制⽤户对本⼿册可能造成的误解,因此,将不负责在使⽤本⼿册的过程中出现的事故或由此引起的损坏。
对于因使⽤本产品所造成的任何损坏第三⽅的索赔不负责任。
对于因软件的误操作、产品维修、或其它意外情况等引起资料的删改或丢失不负任何责任,也不对由此造成的其它间接损失负责。
本产品的发⾏和销售由原始购买者在许可协议条款下使⽤。
未经允许,任何单位和个⼈不得将本说明书全部或部分复制、再⽣或翻译成其它机器可读形式的电⼦媒介。
本说明书若有任何修改恕不另⾏通知。
因软件版本升级⽽造成的与本说明书不符,以软件为准。
注:本设备在出⼚前已经过严格的质量测试,符合国家电磁辐射标准。
⾹港智腾电⼦有限公司/doc/c01c612267ec102de2bd8952.htmlHONG KONG ZAXTEAM ELECTRONIC CO.,LTD.ZA X T E AMZA XT EA M⽬录第⼀部分键盘操作 (4)1.1 设备概述 (4)1.2 开机运⾏ (5)1.3 键盘登录 (6)1.4 键盘注销 (6)第⼆部分控制监控主机 (6)2.1 选择监视器 (6)2.2 选择图像 (6)2.3 向前、向后切换图像 (7)2.4 图像保持 (7)2.5 主机⾃由切换 (7)2.6 主机程序切换 (8)2.7 主机同步切换 (9)2.8 主机群组切换 (9)2.9 保存主机当前设置 (10)2.10 ⽹络主机控制 (10)2.11 监控主机菜单设置 (10)第三部分控制摄像机 (11)3.1 选择摄像机 (11)3.2 控制摄像机⽅向 (11)3.3 控制摄像机镜头 (12)3.4 预置位操作 (12)3.5 图像返回 (12)3.6 ⾃动巡视 (12)3.7 轨迹扫描 (13)3.8 区域扫描 (13)3.9 云台⾃动扫描 (14)3.10 操作辅助功能 (14)3.11 智能摄像机菜单设置 (14)第四部分控制报警主机 (15)4.1 选择警点 (15)4.2 防区警点设防、撤防 (15)4.3 报警应答.....................................................................15 4.4 警点状态查询 (15) 4.5 报警联动开、关 (15)4.6 报警联动时间 (16)第五部分控制数字录像机 (16)5.1 选择数字录像机 (16)5.2 图像监控 (16)5.3 多画⾯监控 (16)5.4 图像浏览 (16)5.5 图像抓拍 (16)5.6 图像播放、暂停 (17)5.7 图像快退、快进 (17)5.8 图像段⾸、段末 (17)5.9 图像录制 (17)5.10 图像停⽌ (17)5.11 信息显⽰ (17)5.12 录像机菜单设置 (17)5.13 退出控制数字录像机 (17)第六部分键盘设置 (17)6.1 通讯速率设置 (18)6.2 控制协议设置 (18)6.3 操作员设置 (19)6.4 常规设置 (19)6.5 语⾔选择 (20)6.6 版本信息 (20)6.7 退出 (20)第七部分键盘连接 (21)7.1 键盘与智能摄像机、解码器连接⽰意图 (21) 7.2 键盘与监控主机连接⽰意图 (22)7.3 键盘与报警主机连接⽰意图 (23)7.4 键盘与数字录像机连接⽰意图 (24)安全事项 (25)Z A X TE AMZ AX TE AM主键盘控制器KEYBOARD CONTROLLER第⼀部分键盘操作1.1 设备概述:主键盘控制器是以操作控制安防监控主机、智能摄像机、数字录像机、报警主机为特⾊的操作设备。
电子围栏键盘控制器说明书型号:四线制键盘控制器目录电子围栏键盘控制器简介:...................................................................................................... - 1 -一、电子围栏键盘控制器的按键定义说明.............................................................................. - 1 -1.1、F1按键....................................................................................................................... - 1 -1.2、F2按键....................................................................................................................... - 1 -1.3、F3按键....................................................................................................................... - 1 -1.4、F4按键....................................................................................................................... - 2 -1.5、* 按键........................................................................................................................ - 2 -1.6、# 按键........................................................................................................................ - 2 -1.7、0~9 数字按键.......................................................................................................... - 2 -二、电子围栏键盘控制器的开机和关机.................................................................................. - 2 -2.1、开机............................................................................................................................ - 2 -2.2、关机............................................................................................................................ - 2 -三、电子围栏键盘的各个界面的说明...................................................................................... - 2 -3.1、‘开机状态界面’.................................................................................................... - 2 -3.2、‘输入密码界面’.................................................................................................... - 3 -3.3、 7个一级菜单的界面............................................................................................... - 3 -3.4、‘查看防区状态界面’............................................................................................ - 4 -3.5、‘查看报警信息界面’............................................................................................ - 5 -3.6、‘围栏与PC通信中界面’...................................................................................... - 5 -四、电子围栏键盘控制器的其他几个特别的说明.................................................................. - 5 -4.1、键盘告警说明............................................................................................................ - 5 -4.2、报警信息提示说明.................................................................................................... - 6 -4.3、液晶背光说明............................................................................................................ - 6 -五、电子围栏键盘控制器的10孔接头说明............................................................................ - 6 -电子围栏键盘控制器简介:本键盘控制器具有以下的优点:●界面友好,人性化操作;●具有密码登录功能,安全可靠,同时还可以对密码进行修改;●通过RS485总线对1~16路电子围栏主机进行全面控制;●可以任意设定围栏主机的防区号;●可以设定围栏主机的报警检测延时的时间;●可以设定整个系统的时间;●可以对全部或部分防区进行关闭、布防、撤防,各个防区高低压转换功能;●可以记录16条报警信息,报警信息详细明了(包括报警防区号,类别(短路、断路、防拆),报警时间);●可以对各个防区的围栏主机进行报警复位;●可以循环显示已经打开的防区的状态信息(包括防区输出的实际电压值或者防区的报警状态);●可以接PC机,由PC客户端软件来对各个防区进行控制;●具有12V的警号输出功能,报警的时间可以在1~9分钟自由设定;●轮巡一周的时间短,可以快速的反映防区状态以及报警信息;●有报警时,会自动的突出显示正在报警的信息;●智能关闭液晶背光,更节能省电;一、电子围栏键盘控制器的按键定义说明1.1、F1按键此按键有两种功能:①. 为“确认”按键。
火灾报警控制器使用说明书JB-TG-YJ5088 型智能火灾报警控制器采用目前先进的大规模集成电路技术与功能强大的微处理器,对安装在现场的火灾探测器实时传递的模拟量值等进行处理,能够准确地反映安装现场的探测情况。
由于采用模拟量检测技术,提高了火灾报警的可靠性,并具有黑匣子存储功能,可随时进行信息查询和分析。
显示部分采用大屏幕液晶,操作全部采用纯中文菜单,具有良好人机界面,火警故障信息也全部采用纯中文显示,并且带打印机的控制器能实时的打印出火警故障信息及类型和位置,便于使用和掌握。
系统加电后,控制器自检测每个回路上所安装的探测点,同时在液晶显示屏上显示纯中文操作菜单。
系统共有五个主菜单,它们分别是:1.系统设置该菜单用于设置系统的时间日期、设备类型、显示编程、区域名称、房号名称。
2.系统编程该菜单用于联动设备的编程、联动器的编程。
3.系统调试该菜单用于调试中需使用的部分功能,系统登记、清除登记、模拟量值、清除编程、清除记录等。
4.系统联动该菜单用于模块的启动、关闭信息查询。
5.信息查询菜单主要用于查询火警的历史记录、系统中目前的设备安装情况、编程数据、释放关断、系统灯的查询。
一、控制器显示及键盘说明控制面板布局如下图:1.键盘说明:本控制器中键盘分成三个部分:数字键、菜单控制键、功能键。
1.1 数字键:包括数字0-9及“+、-”键,主要用于数字输入、数字加减和翻页。
1.2 菜单控制键:←↑→↓四个键,主要用于菜单的选择及光标的移位。
1.3功能键:A.退出键:该键主要用于进行菜单操作及功能操作时,想退回主菜单及取消功能操作时使用。
B. 确认键:进行菜单功能操作时,按下此键,就执行光标所在位置的菜单功能。
C.KEY 键:系统加电后,除了消音键外所有的键全部被锁定。
解锁键盘需要按下 KEY 键,此时屏幕右下角显示“口令”二个汉字,继续键入“ 1111”,“口令”二字消失,“键盘允许”指示灯亮,说明键盘处于开启状态。
sej控制器功能代码大全位于SEJ变频器中央位置的数字操作器叫键盘,变频器整体可以分两部分,显示区和按键区,显示区提供参数设定以及显示不同的运行状态,按键控制区为使用者与变频器交互接口。
1、鸿发自动门的SEJ变频器数位操作器界面说明:2、显示内容说明(1)显示:F00.0,说明:电源投入后显示频率设定画面;(2)显示:H00.0,说明:实际运转频率;(3)显示:A00.0,说明:电机运转电流;(4)显示Frd rEu,说明:电机运转方向;(5)编码器值,行程开关为固定值。
3、按键功能说明:(1)PRG键,功能说明:功能选择键,用于选择功能菜单;(2)∧∨上下方向键,功能说明:数字修改设定键,用于修改功能代码及参数;(3)ENTER DISP键,功能说明:移位键或确定键或切换显示,短压时作为数字位移键或切换显示,长按作为设定确认键;(4)RUN键:运转指令键用于启动变频器运行;(5)STOP RESET键,功能说明:停机命令键(适用于操作器控制状态)/故障复位键。
4、按键操作说明(1)PRG键,点按,是进入或退出参数设定模式;(2)ENTER键,点按,换行/切屏;(3)ENTER键,长按(2~3秒),确认/进入;(4)∧键,点按,数值增加;∨键,点按,数值减少;5、如进入P117,操作如下(1)点按PRG键,显示PXXX(X为数字),最右的数字在闪烁,点按∧键,使其变成7;(2)点按ENTER键,中间的数字在闪烁,点按∧键,使其变成1;(3)点按ENTER键,最左边的数字在闪烁,点按∧键,使其变成1;(4)点按ENTER键,进入P117内部,显示00,点按∧键,使其变成08;(5)点按ENTER键,确认此值生效,会自动跳到下一参数,屏幕显示P118;(6)点按PRG建,退出参数设置。
矩阵控制键盘操作说明键盘概述控制器是智能电视监控系统中的控制键盘,也是个监控系统中人机对话的主要设备。
可作为主控键盘,也可作为分控键盘使用。
对整个监控系统中的每个单机进行控制。
键盘功能1.中文/英文液晶屏显示2.比例操纵杆(二维、三维可选)可全方位控制云台,三维比例操纵杆可控制摄像机的变倍3.摄像机可控制光圈开光、聚集远近、变倍大小4.室外云台的防护罩可除尘和除霜5.控制矩阵的切换、序切、群组切换、菜单操作等6.控制高速球的各种功能,如预置点参数、巡视组、看守卫设置、菜单操作等7.对报警设备进行布/撤防及报警联动控制8.控制各种协议的云台、解码器、辅助开头设置、自动扫描、自动面扫及角度设定9.在菜单中设置各项功能10.键盘锁定可避免各种误操作,安全性高11.内置蜂鸣器桌面上直接听到声音,可判断操作是否有效技术参数1.控制模式主控、分控2.可接入分控数16个3.可接入报警模块数239个4.最大报警器地址1024个5.最大可控制摄像机数量1024个6.最大可控制监视器数量 64个7.最大可控制解码器数量 1024个8.电源 AC/DC9V(最低500mA的电源)9.功率 5W10.通讯协议Matri、PEL-D、PEL-P、VinPD11.通讯波特率1200 Bit/S,2400 Bit/S,4800 Bit/S ,9600Bit/S,Start bit1,Data bit8,Stop bit1接线盒的脚定义控制线连接图 键盘按键说明Focus Far 聚焦远 Focus Near 聚焦近Zoom Tele 变倍大Zoom Wide 变倍小DVR 设备操作 DVR功能键Shift 用户登入Login 退出键Exit 报警记录查询List进入键盘主菜单MENU启动功能F1/ON 关闭功能F2/OFF液晶显示区1.蜂鸣声提示说明2.1 “嘀”一声,表示有按键操作。
2.2 “嘀,嘀,嘀”三声,表示本次操作错误或无效。
NBA2K22控制器说明键盘操作:
传球:空格键
击地传球:数字键盘1
高吊传球:数字键盘3
投篮:数字键盘5
呼叫战术:TAB
定位传球:数字键盘+
背身单打:左Shift
冲刺:数字键盘回车
向上移动球员:W
向下移动球员:S
向左移动球员:A
向右移动球员:D
专家摇杆:数字键盘8
专家摇杆:数字键盘2
专家摇杆:数字键盘4
专家摇杆:数字键盘6
呼叫暂停:PAGE UP
暂停:PAGE DOWN
比赛抬头显示:向上键
临场执教换人:向下键
临场指教快速战术/进攻战术:向左键
侧重:向右键
【菜单介绍】
辉煌生涯
走上篮球星光大道的旅途将在此开始,尽在沉浸式的端强版篮球之城。
梦幻球队
在这里打造属于你的球队,参与比赛,赢取奖励。
快速比赛
可游玩快速比赛,在线比赛,街球模式,2KU及更多。
篮球联盟
在篮球联盟中,体验体育游戏史上最高自定义化的球队模式。
WNBA
在女篮生涯中定义自己的WNBA传奇,参加表演赛等诸多活动。
功能
自定义你的《NBA 2K22》体验。
控制器的功能控制器是软件开发中一种常见的设计模式,用于协调模型和视图之间的交互。
它起到了连接视图和模型的桥梁作用,负责处理用户输入并相应地更新模型和视图。
控制器的功能非常丰富,下面将详细介绍控制器的各项功能。
1. 接收用户输入:控制器的主要功能之一是接收用户输入。
它可以监听用户的各种操作,例如按钮点击、键盘输入等。
通过接收用户输入,控制器可以获取用户的需求并作出相应的响应。
2. 协调模型和视图:控制器的另一个重要功能是协调模型和视图之间的交互。
它可以从模型中获取数据,并将数据传递给视图进行显示。
同时,当用户操作导致模型数据的改变时,控制器也可以更新模型中的数据,并通知视图进行相应的更新。
通过控制器的协调作用,模型和视图可以进行有效的交互。
3. 处理业务逻辑:控制器还承担着处理业务逻辑的功能。
在复杂的应用程序中,业务逻辑可能非常复杂,需要进行多步的处理和判断。
控制器可以负责处理这些业务逻辑,通过一系列的操作和判断,达到预期的处理结果。
4. 转发和重定向请求:在Web应用程序中,控制器还负责转发和重定向请求。
当用户发送一个请求时,控制器可以根据请求的内容选择不同的处理逻辑,并将请求转发给相应的模块进行处理。
同时,控制器还可以根据需要将请求重定向到其他URL,以实现特定的功能和跳转。
5. 进行数据验证和处理:控制器还可以进行数据验证和处理。
当用户输入数据时,控制器可以对输入数据进行验证,确保数据的有效性和合法性。
同时,在将数据传递给模型进行处理之前,控制器也可以进行数据的预处理,例如格式转换、数据清洗等。
6. 控制页面导航:在拥有多个页面的应用程序中,控制器可以负责控制页面导航。
它可以根据用户的操作,决定应该跳转到哪个页面,并将对应的页面显示给用户。
通过控制页面导航,控制器可以使应用程序的交互更加灵活和友好。
7. 处理异常和错误:在软件开发中,异常和错误是不可避免的。
控制器可以负责处理异常和错误情况,保证应用程序的稳定性和安全性。
控制器的按键设置与映射控制器作为一种常见的输入设备,广泛应用于各类电子产品中。
它能够通过按键完成对设备的操作,但在实际使用过程中,按键的设置与映射往往显得尤为关键。
本文将从控制器的按键设置与映射的原理、方法和应用案例三个方面进行探讨。
一、按键设置与映射的原理按键设置与映射的原理在于将控制器上的按键与相应的功能进行绑定。
一般而言,每个按键都对应着一种特定的信号或代码。
当用户按下某个按键时,控制器会发送相应的信号,设备则通过接收到的信号来执行相应的功能。
二、按键设置与映射的方法1. 按键设置按键设置是指通过软件或系统设置,对控制器上的按键进行功能分配。
通常,用户可以根据自己的需求对按键进行重新映射。
这种方法灵活方便,可以针对不同的情景与个人喜好进行设置。
例如,游戏中的控制器按键可以根据游戏的操作规则进行重新配置,以提高操控体验。
2. 按键映射按键映射是指将控制器上的按键与设备内部的功能进行对应。
这一过程需要程序员编写对应的代码,以实现按键与功能之间的映射关系。
通过按键映射,用户可以更加灵活地控制设备,提高应用的使用效率。
例如,将控制器的某个按键设置为音量加减键,便可以在多媒体播放器中直接通过按键来调节音量大小。
三、按键设置与映射的应用案例1. 游戏控制器游戏控制器是按键设置与映射的典型应用。
在游戏中,按键设置可以根据游戏类型进行个性化配置,让玩家更加舒适地操控游戏角色。
按键映射则可以实现将键盘上的按键映射到控制器上,简化操作流程。
2. 多媒体控制器多媒体控制器是通过按键来控制音视频等多媒体设备的一种控制器。
按键设置将不同功能的按键进行分类,如音量、播放控制、频道切换等,让用户能够直观地操作设备。
按键映射则将按键与设备内部的功能进行对应,实现快捷操作。
3. 家居自动化控制器家居自动化控制器通过按键来控制家居设备的开关、调节等功能。
按键设置可以将不同区域或设备的按键进行合理的分组,便于用户操作。
按键映射则将按键与相应的设备或功能进行绑定,实现智能化控制。
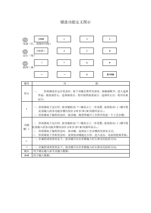
键盘功能
Alarm (Horn) Off 键按操作员要求,使报警器消音。
(中文读:呃辣姆)
在报警器处于消音前,将发电机组总开关置于自动
(AUTO)位。
参看第2.3.7 节,控制器复位程序,和第
1.2.3 节,开关和控制。
AM/PM 键提供编程时数据输入日期和时间。
Enter 键在选择菜单或编程时,输入确认。
Lamp Test 键测试控制器指示灯、报警器和数字显示(中文读:南泼)
器。
参看第1.2.3 节、开关和控制。
Menu down ↓键必要时在菜单内提供导航。
(中文读:满妞)
Menu right →键必要时在菜单内提供导航。
(中文读:满妞)Numeric 0-9 键在选择菜单或编程时,输入数字数据。
Reset Menu 键退出菜单、清除不正确的输入并且取消:(中文读:蕊色特)
自动翻页功能。
Stop Prog (Program) Run 键允许用户停止任何以前(中文读:四道普)
编入的发电机组运行程序。
参看第1.2.3 节、开关和控制。
Yes/No 键提供编程时数据应答功能。
1.2.1 指示灯
五盏指示灯显示发电机组工作状态。
参见图1-2
图1-2 指示灯
系统准备(System Ready)。
发电机组总开关处于自动(AUTO)位时,绿灯亮,系统未发现故障。
发电机组准备启动。
不在自动位 (Not in Auto)(NIA): 发电机组总开关处于不在自动(AUTO)位时,黄灯亮。
编程模式: 黄色编程灯显示用户选择编程模式,参见图1-3。
编程灯编程模式选择
灯闪光本地编程
灯持续亮远程编程
灯关闭禁止编程
图1-3 编程灯指示模式
注释: 编程模式灯的功能和本地或者远程编程模式的更多的信息,请参看第2.9 节,本地编程模式,菜单14 -编程模式。
系统警告(System Warning):黄灯亮指示有一个故障条件,但不会关闭发电机组。
一个故障使系统持续警告时,会使系统停机。
立即按实际情况排除所有系统警告。
参看第2.3.5 节,系统警告灯,了解所列项目的定义
1.2 控制器特性
控制器包括故障灯、数字显示器和键盘、开关和
控制装置、保险丝和端子板。
下列章节按总目录顺序
详细叙述这些装置。
控制器特性、附件和菜单显示取决于发动机电子控
制模块(ECM)设置和特性。
控制器特性适用于带电子控
制模块的发电机组型号和不带电子控制模块的发动
机,除非另作说明。
注释: 按下键盘上任何键,开启控制器指示灯和
显示器。
最后一次键盘输入后,指示灯和显示屏5
分钟后自动关闭。
注释: 计量值按公制或英制表示。
使用菜单7-发电机
系统,改变计量显示值。
控制器面板图.
1. 紧急停机开关5. 数字显示器
2. 报警器(需要停止报警时,操作键盘。
) 6. 键盘
3. 故障灯(操作键盘进行灯泡试验) 7. 操作指南
4. 发电机组总开关,运转/停机-复位/自动位置8. 控制器端子板(在电路板上)
1.2.4 控制器线路板
控制器有5 块电路板 -指示灯、互连、键盘、数
字显示器和主逻辑/通迅。
要了解电路板位置,参见图
1 -7。
1. 交流保险丝盒 (TB5)
2. 互连电路板TB1、TB2、TB3、和TB4 端子板和F1、F2 和F3 保险丝。
3. 主逻辑(微处理器)/通迅电路板
4. 键盘和数字显示器电路板
5. 指示灯电路板(LED 和报警器)
图1-7 控制器线路板和保险丝(控制器上视图)
指示灯(状态)电路板包括LED 状态灯、报警器、和发电机组总开关。
互连电路板提供端子板以连接控制器(用户)连接板以及/或干式触点装置和三个直流保险丝(F1、F2 和
F3)。
要了解更多的资料请参看第6.1.3 节。
键盘(薄膜开关)电路板键盘用于导航发电机组显示,并且输入数据。
数字显示器电路板真空荧光显示器(VFD)用于监视发
电机组性能和输出值。
主逻辑(微处理器)/通迅电路板提供控制器操作逻
辑电路,并且与本地计算机直接连接,并用通过调制
解调器,使用RS - 232 接口或RS - 485 连接器进行远程连接。
1.2.5 保险丝
● 1.5 - Amp(V7)保险丝保护L1 传感输入至互连
电路板。
● 1.5 - Amp(V8)保险丝保护L2 传感输入至互连
电路板。
● 1.5 - Amp(V9)保险丝保护L3 传感输入至互连
电路板。
直流电路保险丝保险丝位于控制器互连电路板上。
● 5- Amp 远程报警器( F1) 保险丝保护干式触点(如果安装的话)和控制器仪表盘灯。
● 5- Amp 控制器(F2)保险丝保护控制器电路。
● 15 - Amp 发动机和附件(F3)保险丝保护发动机/ 起动电路和附件。
1.2.6 端子板和连接器
输入和输出端子板和连接器位于互连电路板上,
参看第6 节附件。
TB1 输入端子板用于远程启动和紧急停机(E - Stop) 的输入连接。
TB2 模拟输入接线端子板提供模拟输入连接,包括非电电子保护模块传感器的连接。
TB3 附件功率输出接线端子板提供发电机组电源,用于工厂现场使用。
TB4 数字输入接线端子板连接外部设备(发动机电子保护模块和用户提供的设备)到发电机组数字输入。
P23 连接器将互连电路板连接到接线盒中控制器(用
户)接线端子板(连接器P25)。