圆钢管柱外露式铰接柱脚
- 格式:xls
- 大小:629.00 KB
- 文档页数:4
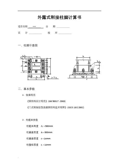
外露式刚接柱脚计算书项目名称____xxx_____ 日期_____________设计_____________ 校对_____________一、柱脚示意图二、基本参数1.依据规范《钢结构设计规范》(GB 50017-2003)《门式刚架轻型房屋钢结构技术规程》(CECS 102:2002) 2.柱截面参数柱截面高度h b =500mm柱翼缘宽度b f =500mm柱翼缘厚度t f =14mm柱腹板厚度t w =14mm3.荷载值柱底弯矩M=350mkN柱底轴力N=500kN柱底剪力V=50kN4.材料信息混凝土C25柱脚钢材Q235-B锚栓Q2355.柱脚几何特性底板尺寸 a =75mm c =100mm b t =85mm l t =75mm柱脚底板长度 L =800mm柱脚底板宽度 B =800mm柱脚底板厚度 t =30mm锚栓直径 d =39mm柱腹板与底板的焊脚高度 h f1 =10mm加劲肋高度 h s =210mm加劲肋厚度 t s =10mm加劲肋与柱腹板和底板的焊脚高度 h f2 =10mm三、计算过程1. 基础混凝土承压计算(1) 底板受力偏心类型的判别36t l L +=800/6+75/3=158.333mm 偏心距 NM e ==350×1000/500=700mm 根据偏心距e 判别式得到:abs(e)>(L/6+lt/3) 底板计算应对压区和拉区分别计算(2) 基础混凝土最大压应力和锚栓拉力a. 6/0L e ≤<锚栓拉力 0a =T)/61(max L e LBN +=σ b.)3/6/(6/t l L e L +≤<锚栓拉力 0a =T)2/(32max e L B N -=σ c. )3/6/(t l L e +>若d <60mm 则:2max 6LB M L B N ⋅⋅+⋅=σ 2min 6L B M L B N ⋅⋅-⋅=σ 柱脚底板的受压区长度 x n =m inm ax m ax σσσ-⋅L 若mm 60≥d 则:解下列方程式得到柱脚底板的受压区长度x n :0))(2/(6)2/(3n t t a e 2n 3n =---+--+x l L l L e BnA x L e x 其中,A e a 为受拉区锚栓的有效面积之和,n =E s /E c 。
外露式刚接柱脚计算书项目名称 ____xxx_____ 日期 _____________设计 _____________ 校对 _____________一、柱脚示意图二、基本参数1.依据规范《钢结构设计规范》(GB 50017-2003)《门式刚架轻型房屋钢结构技术规程》(CECS 102:2002)2.柱截面参数柱截面高度h b =500mm柱翼缘宽度b f =500mm柱翼缘厚度t f =14mm柱腹板厚度t w =14mm3.荷载值柱底弯矩M=350mkN柱底轴力N=500kN柱底剪力V=50kN4.材料信息混凝土 C25柱脚钢材 Q235-B锚栓 Q2355.柱脚几何特性底板尺寸 a =75mm c =100mm b t =85mm l t =75mm 柱脚底板长度 L =800mm 柱脚底板宽度 B =800mm 柱脚底板厚度 t =30mm 锚栓直径 d =39mm柱腹板与底板的焊脚高度 h f1 =10mm加劲肋高度 h s =210mm加劲肋厚度 t s =10mm加劲肋与柱腹板和底板的焊脚高度 h f2 =10mm三、计算过程1. 基础混凝土承压计算(1) 底板受力偏心类型的判别 36tl L +=800/6+75/3=158.333mm 偏心距 NMe ==350×1000/500=700mm根据偏心距e 判别式得到:abs(e)>(L/6+lt/3) 底板计算应对压区和拉区分别计算 (2) 基础混凝土最大压应力和锚栓拉力 a. 6/0L e ≤<锚栓拉力 0a =T)/61(max L e LBN+=σb.)3/6/(6/t l L e L +≤< 锚栓拉力 0a =T)2/(32max e L B N-=σc. )3/6/(t l L e +> 若d <60mm 则:2max 6L B ML B N ⋅⋅+⋅=σ 2min 6L B ML B N ⋅⋅-⋅=σ 柱脚底板的受压区长度 x n =m inm ax m ax σσσ-⋅L若mm 60≥d 则:解下列方程式得到柱脚底板的受压区长度x n :0))(2/(6)2/(3n t t ae 2n 3n =---+--+x l L l L e BnA x L e x其中,A e a为受拉区锚栓的有效面积之和,n =E s /E c 。
外露式钢结构刚性固定柱脚设计探讨摘要本文在矩形底板的压弯剪刚性固定柱脚设计的基础上,对拉弯剪刚性固定柱脚以及圆形底板柱脚的求解方程,进行了详细地推导,给工程技术人员在设计时一个可以借鉴的计算公式,并给出了实际的算例。
关键词钢结构拉弯剪柱脚,圆形柱脚底板,锚栓DISCUSS ABOUT THE DESIGN OF BARE AND RIGID BASE OF STEEL COLUMNAbstract On the basis of the design of rigid column base with a rectangular base plate under a combination loading of compression ,shear and bending, this article gives detailed deduction of the equations for rigid column base with a circle base plate and one under a combination loading of tension,shear and bending. It also gives calculation formula which can be used for reference for the engineers. In addition ,it presents practical cases.Key words steel column base under a combination loading of tension,shear and bend ;circle bottom plate of column base; anchor bolt.外露式钢结构刚性固定柱脚是我们工程实际中最常见的柱脚节点,这其中又以受压弯剪的矩形柱脚底板的最为普遍,我们设计中能参考的规范及手册中所介绍的公式也都是针对这种情况。
火力发电厂主厂房钢结构柱脚抗震浅析摘要:介绍三种刚性固定柱脚抗震设计方法,说明当柱脚承受地震作用大时,采用埋入式或外包式柱脚是合理性。
关键词:刚性固定柱脚;外露式;埋入式;外包式;抗震1.前言由于钢结构具有重量轻,塑性及韧性好,施工简便安装周期短以及工业化制作程度高等特点,随着社会经济日新月异的发展,钢结构结构形式得到不断改进,进而广泛应用到火力发电厂主厂房结构中。
钢结构柱脚设计作为钢结构设计过程中的一环,起着承上启下的重要作用,而且对结构的安全有着关键作用,因此柱脚的抗震设计应该得到足够的重视。
2.柱脚抗震设计柱脚按结构内力的边界条件划分,可分为铰接柱脚和刚性固定柱脚两类。
铰接柱脚计算和构造较为简单不在此详述,本文将着重介绍刚接柱脚的抗震计算及构造。
刚性固定柱脚按其构造形式可分为三种形式:露出式、埋入式和插入式柱脚。
2.1 外露式柱脚刚性固定外露式柱脚由底版、加劲肋及锚栓等组成,各部分板件都应具有足够的强度和刚度,而且相互间应可靠连接。
为满足柱脚嵌固,提高承载力和变形能力,柱脚处在形成塑性铰之前,不容许锚栓和底板发生屈曲,也不容许基础混凝土被压坏。
当考虑抗震构造要求时,还需验算柱脚的极限抗弯承载力:(3)圆钢管截面当N/Ny ≤ 0.2时,MPC = MP当N/Ny > 0.2时,MPC =1.25(1- N/Ny)MP式中N ——钢柱的轴力设计值;Ny ——钢柱的轴向屈服承载力;A ——钢柱的全截面面积;Aw ——钢柱腹板的截面面积;MP ——钢柱的全塑性受弯承载力;fy ——钢柱钢材的屈服强度。
柱脚的极限受弯承载力Mu计算方法,设截面为底板面积,由受拉边的锚栓单独承受拉力,由混凝土基础单独承受压力,受压边的锚栓不参加工作,锚栓和混凝土的强度均取设计值。
2.2 埋入式柱脚刚性固定埋入式柱脚是直接将钢柱埋入混凝土或基础梁的柱脚。
钢柱的埋入深度是影响柱脚固定度、承载力和变形能力的重要因素,其埋入深度应满足相关构造要求,即不得小于钢柱截面高度的2.5倍。
“梁圆钢管柱外隔板螺栓铰接”节点计算书一. 节点基本资料设计依据:《钢结构连接节点设计手册》(第二版)节点类型为:梁圆钢管柱外隔板螺栓铰接节点内力采用:梁端节点力采用设计方法为:常用设计梁截面:H-400*200*8*13,材料:Q235柱截面:PIPE-400*16,材料:Q235腹板螺栓群:10.9级-M20螺栓群并列布置:4行;行间距70mm;1列;螺栓群列边距:45 mm,行边距45 mm双侧焊缝,单根计算长度:l f=344-2×5=334mm腹板连接板:300 mm×90 mm,厚:8 mm间距为:a=10mm节点示意图如下:二. 荷载信息设计内力:组合工况内力设计值组合工况1 100.0 0.0否三. 验算结果一览承担剪力(kN) 25.0 最大126 满足列边距(mm) 45 最小44 满足列边距(mm) 45 最大64 满足行边距(mm) 45 最小44 满足行边距(mm) 45 最大64 满足外排行间距(mm) 70 最大96 满足中排行间距(mm) 70 最大192 满足行间距(mm) 70 最小66 满足净截面剪应力比 0.000 1 满足净截面正应力比 0.097 1 满足焊缝应力(MPa) 21.4 最大160 满足焊脚高度(mm) 5 最大9 满足焊脚高度(mm) 5 最小5 满足剪应力(MPa) 0 最大125 满足正应力(MPa) 0 最大310 满足四. 腹板螺栓群验算1 螺栓群受力计算控制工况:组合工况1,N=100 kN;V x=0 kN;螺栓群中心对角焊缝偏心:e=10+300+90/2=355 mm螺栓群偏心弯矩:M=0×355×10^-3=0 kN·m2 腹板螺栓群承载力计算行向轴力:H=100 kN螺栓采用:10.9级-M20螺栓群并列布置:4行;行间距70mm;1列;螺栓群列边距:45 mm,行边距45 mm螺栓受剪面个数为2个连接板材料类型为Q235螺栓抗剪承载力:N vt=N v=0.9n fμP=0.9×2×0.45×155=125.55kN轴向连接长度:l1=(1-1)×70=0 mm<15d0=330,取承载力折减系数为ξ=1.0折减后螺栓抗剪承载力:N vt=125.55×1=125.55 kN计算右上角边缘螺栓承受的力:N v=0 kNN h=100/4=25 kN螺栓群对中心的坐标平方和:S=∑x^2+∑y^2=24500 mm^2N mx=0 kNN my=0 kNN=[(|N mx|+|N h|)^2+(|N my|+|N v|)^2]^0.5=[(0+25)^2+(0+0)^2]^0.5=25 kN≤125.55,满足3 腹板螺栓群构造检查列边距为45,最小限值为44,满足!列边距为45,最大限值为64,满足!行边距为45,最小限值为44,满足!行边距为45,最大限值为64,满足!外排行间距为70,最大限值为96,满足!中排行间距为70,最大限值为192,满足!行间距为70,最小限值为66,满足!五. 腹板连接板计算1 腹板连接板受力计算控制工况:同腹板螺栓群(内力计算参上)连接板轴力:N l=100 kN采用一样的两块连接板连接板截面宽度为:B l=300 mm连接板截面厚度为:T l=8 mm连接板材料抗剪强度为:f v=125 N/mm^2连接板材料抗拉强度为:f=215 N/mm^2连接板全面积:A=B l*T l*2=300×8×2×10^-2=48 cm^2开洞总面积:A0=4×22×8×2×10^-2=14.08 cm^2连接板净面积:A n=A-A0=48-14.08=33.92 cm^2连接板净截面剪应力:τ=0 N/mm^2≤125,满足!连接板截面正应力计算:按《钢结构设计规范》5.1.1-2公式计算:σ=(1-0.5n1/n)N/A n=(1-0.5×4/4)×100/33.92×10=14.7406 N/mm^2≤215,满足!按《钢结构设计规范》5.1.1-3公式计算:σ=N/A=100/48×10=20.8333 N/mm^2≤215,满足!六. 腹板角焊缝验算1 腹板角焊缝验算受力计算控制工况同腹板螺栓群,其受力计算参上2 腹板角焊缝验算承载力验算焊缝受力:N=100kN;V=0kN;M=0kN·m焊脚高度:h f=5mm;角焊缝有效焊脚高度:h e=2×0.7×5=7 mm双侧焊缝,单根计算长度:l f=344-2×5=334mm3 焊缝承载力验算强度设计值:f=160N/mm^2A=l f*h e=334×7×10^-2=23.38 cm^2σN=|N|/A=|100|/23.38×10=42.77 N/mm^2正面角焊缝的强度设计值增大系数:βf=1综合应力:σ=σN/βf/2 = 42.77/1/2 =21.39 N/mm^2≤160,满足4 腹板角焊缝验算构造检查最大焊脚高度:8×1.2=9mm(取整)5≤9,满足!最小焊脚高度:8^0.5×1.5=5mm(取整)5 >= 5,满足!七. 梁腹净截面承载力验算1 梁腹净截面抗剪验算控制工况:组合工况1,V x=0 kN;腹板净高:h0=400-13-13-4×22=286 mm腹板剪应力:τ=1.2*V/(h0*T w)=1.2×0/(286×8)=0≤125,满足2 梁腹净截面抗弯验算无偏心弯矩作用,抗弯应力为0,满足!。
钢结构刚性固定柱脚的3个方法一、钢柱柱脚形式的分类(1)刚性固定柱脚:1)埋入式柱脚;2)外包式柱脚;3)插入式柱脚。
(2)铰接柱脚:外露式柱脚。
二、埋入式柱脚1、基本概念埋入式柱脚是指将钢柱底端直接埋入混凝土基础筏板、地基梁或地下室墙体内的一种刚性连接的柱脚。
其特点是埋入相对自身绝对刚性的基础中而形成刚性固定柱脚节点。
这种柱脚构造可靠,常用于高层钢结构框架柱的柱脚。
2、埋入式柱脚的受力特点(1)柱的轴向压力N,由钢柱的柱脚底板直接传递给钢筋混凝土基础;柱的轴向拉力,则是通过柱脚底板悬出部分将其上部混凝土的反向压力传递给基础,或经由锚栓(底脚螺栓)直接传给基础。
(2)柱的弯矩M有2种传递方式:1)均由H形钢柱翼缘上的抗剪圆柱头焊钉传递给基础,在实际工程设计中大多采用该方法;2)依靠钢筋混凝土对钢柱翼缘的侧向承压力所产生的抵抗拒来传递给基础。
(3)柱脚顶部的水平剪力V由钢柱翼缘与基础混凝土侧向承压力来传递。
(4)钢柱翼缘与基础混凝土在侧向承压应力状态下,由于钢柱翼缘与混凝土摩擦而产生的抵抗力,设计时不考虑。
(5)钢柱翼缘与基础混凝土之间的粘结作用设计时不考虑。
(6)在确定埋入钢柱周边对称配置的垂直纵向钢筋面积时,不考虑由钢柱承担的弯矩。
3、埋入式柱脚一般构造要求及部分细部设计计算(1)埋入式柱脚的钢柱埋入基础的深度一般可以在以下范围内采用(h c为钢柱截面的高度或管径):1)轻型工字钢截面柱:H=(2.0~2.5)h c;2)圆管形截面柱和箱形截面钢柱:H=(2.5~3.0)h c。
(2)埋入式柱脚,在钢柱埋入部分的顶部,应设置水平加劲肋或横隔板;对H形截面柱,其水平加劲肋外伸宽度的宽厚比应不大于9(235/f ay)½,对于箱型截面柱,其内部横隔板的宽厚比应不大于30(235/f ay)½。
(3)埋入式柱脚在钢柱的埋入部分,应设置圆柱头抗剪栓钉,栓钉的数量和布置,应按计算要求确定。
日本加强钢结构柱脚
日于2000年发布关于柱脚设计的建筑基准法修订公告1456号。
1.外露式柱脚
1)锚栓锚固长度≥20d。
锚栓端部弯钩长度在外。
2)柱脚底板t≥1.3倍锚栓直径。
3)底板与柱身连接应采用全熔透焊缝。
图1锚栓为M22时,锚固长度≥440mm。
底板t≥30mm。
4)锚栓截面面积不得小于柱下端截面面积的20%。
图2说明柱锚栓的不同布置。
图3表示锚栓的边距,阪神地震边距太小是柱脚破坏要因。
5)锚栓孔径不大于锚栓杆直径加5mm。
2.外包式柱脚
1)外包部分的高度不得小于钢柱宽度的2.5倍。
2)外包部分的四根主筋顶部要设弯钩。
3.埋入式柱脚
1)基础埋深应为钢柱截面高度的2倍以上。
2)混凝土保护层应大于钢柱宽度。
3)柱外周应采用φ9以上的箍筋。
柱
200×200×12 (250×250×12)
A=86.5cm 2
(110.5)
Aa=17.3cm 2
(22.1) × 4×M25,Aa ≈20.5 ○ 8×M20,Aa ≈25.0
图3 锚栓孔径
柱底板厚度 t ≥1.3d
锚板
图
1 锚栓的固定
边距
锚栓直 径+5mm
应
力
保护层厚度大于
t
箍筋ф9 箍筋。
圆形底板刚接柱脚压弯节点技术手册根据对柱脚的受力分析,铰接柱脚仅传递垂直力和水平力;刚接柱脚包含外露式柱脚、埋入式柱脚和外包式柱脚,除了传递垂直力和水平力外,还要传递弯矩。
软件主要针对圆形底板刚接柱脚压弯节点,计算主要遵循《钢结构连接节点设计手册》(第二版)中的相关条文及规定,并对相关计算过程自行推导。
设计注意事项刚性固定外露式柱脚主要由底板、加劲肋(加劲板)、锚栓及锚栓支承托座等组成,各部分的板件都应具有足够的强度和刚度,而且相互间应有可靠的连接。
为满足柱脚的嵌固,提高其承载力和变形能力,柱脚底部(柱脚处)在形成塑性铰之前,不容许锚栓和底板发生屈曲,也不容许基础混凝土被压坏。
因此设计外露式柱脚时,应注意:(1)为提高柱脚底板的刚度和减小底板的厚度,应采用增设加劲肋和锚栓支承托座等补强措施;(2)设计锚栓时,应使锚栓在底板和柱构件的屈服之后。
因此,要求设计上对锚栓应留有15%~20%的富裕量,软件一般按20%考虑。
(3)为提高柱脚的初期回转刚度和抗滑移刚度,对锚栓应施加预拉力,预加拉力的大小宜控制在5~8kN/cm2的范围,作为预加拉力的施工方法,宜采用扭角法。
(4)柱脚底板下部二次浇灌的细石混凝土或水泥砂浆,将给予柱脚初期刚度很大的影响,因此应灌以高强度微膨胀细石混凝土或高强度膨胀水泥砂浆。
通常是采用强度等级为C40的细石混凝土或强度等级为M50的膨胀水泥砂浆。
一般构造要求刚性固定露出式柱脚,一般均应设置加劲肋(加劲板),以加强柱脚的刚度;当荷载大、嵌固要求高时,尚须增设锚栓支承托座等补强措施。
圆形柱脚底板的直径和厚度应按下文要求确定;同时尚应满足构造上的要求。
一般底板的厚度不应小于柱子较厚板件的厚度,且不宜小于30mm。
通常情况下,圆形底板的长度和宽度先根据柱子的截面尺寸和锚栓设置的构造要求确定;当荷载大,为减小底板下基础的分布反力和底板的厚度,多采用补强做法,如增设加劲肋(加劲板)和锚栓支承托座等补强措施,以扩展底板的直径。
第49卷第7期当代化工 Vol.49,No.7 2020年7月 Contemporary Chemical Industry July,2020收稿日期:2020-03-12 石油化工外露式钢接柱脚设计董海印,王梅亮(中国石油集团东北炼化有限公司沈阳分公司,辽宁沈阳110167)摘要:石油化工行业中钢结构形式被大量使用,柱脚作为钢结构设计中重要的一部分应该得到足够的重视。
石油化工行业中最为常用的柱脚形式为外露式钢接柱脚,其构成主要包括柱脚底板、地脚螺栓、靴板、加劲肋、垫板、开孔等几大部分。
结合石油化工行业特点,对上述柱脚的各组成部分迚行详细的分析及研究,使石油化工行业中钢结构柱脚的设计更加合理、规范。
关键词:石油化工;钢结构外露式柱脚;钢接柱脚中图分类号:TU 318 文献标识码: A 文章编号:1671-0460(2020)07-1501-04Design of Exposed Fixed Column Base in Petrochemical IndustryDONG Hai-yin, WANG Mei-ling(CNPC Northeast Refining&Chemical Engineering Co., Ltd., Shenyang Company, Shenyang Liaoning 110167, China)Abstract: Steel structure is widely used in petrochemical industry. As an important part of steel structure design, the column base should be paid enough attention. The most common form of column foot in petrochemical industry is exposed fixed column base, its main contents include baseboard, anchor bolt, boot plate, stiffener, bearing plate and round hole. In this paper, these parts were analyzed and researched based on the characteristics of petrochemical industry, in order to make the steel structure column design more reasonable and normal.Key words: Petrochemical industry; Exposed column base; Fixed column base1 石油化工行业中钢结构外露式柱脚的重要意义及使用现状1.1 钢结构柱脚的重要性在石油化工行业结构设计中钢结构占到了60%以上,常见的结构单体如:冷换构架、反应器构架、楼梯间、装置管廊、系统管廊等,而钢柱脚是上部主体钢结构与基础连接的重要连接节点,柱脚将上部的荷载(轴力、剪力、弯矩)有效地传递至基础,保证上部结构的稳定性和安全性,同时柱脚的形式也直接影响到结构整体的内力分布与变形性能,故钢结构柱脚设计在钢结构设计中起着至关重要的作用。
钢结构柱脚随着我国经济建设的快速发展,钢结构在工业及民用建筑房屋中的应用日益广泛。
特别是近年来,随着国家的大力提倡,我国钢结构工程建设得到了空前规模的发展。
柱脚是钢结构的一个重要组成部分,具有固定位置和传力两大作用,对整个结构的安全有重大影响。
然而柱脚设计关键点往往被忽略,计算内容较多、公式复杂、钢结构工程形式多样,柱脚形式多样。
中国著名钢结构建筑本文主要从新建建筑钢柱脚形式的选用、现行新规范对柱脚的相关规定、构造及各种加层钢结构的柱脚节点做法等方面,阐述并整理柱脚设计的相关内容,为设计人员提供一定参考。
1柱脚形式选用现行规范对柱脚形式选用的规定不同类型钢结构工程柱脚查询表对于高层钢结构工程而言,地下室框架柱一般均采用组合结构,如果按照《组合规》第6.5条规定,基础底板厚度较大,柱脚设计和构造偏于严格,造成基础设计的极大浪费和不合理。
结合柱脚受力机理,可主要参考《高钢规》的规定。
对于一些执行规范较严格的地区,设计人员对柱脚的设计也可采用性能化的设计方式,即采用大震下地震组合内力对柱脚进行设计,大震下地震力组合值系数可取1.0,材料的强度采用标准值。
综合以上各规范对钢结构柱脚设计的规定,对于不同类型钢结构工程可选用的柱脚见下表。
新钢标对于柱脚的新规定1. 新钢标明确规定,插入式柱脚可用于多层钢结构框架柱,正式认可了插入式柱脚在民用建筑中的应用。
插入式柱脚之前主要出现在工业建筑的相关内容。
2. 关于抗震性能化设计中对于柱脚的另外一些相关规定,详《钢结构设计标准》(GB50017-2017)第17.2.12条。
3. 新钢标关于外包式柱脚参考了日本的相关规定,受力模式跟之前规范有更新,钢柱弯矩在外包柱脚顶部钢筋位置处最大,底板处约为零,弯矩通过钢柱和混凝土之间的压力传递。
以往受力模式假定是,轴力由钢柱底板传递,弯矩通过栓钉传递给混凝土短柱,受力模式的变化导致对栓钉的设计要求有所不同。
新钢标条文中不再写栓钉的要求,只是在图中表示栓钉为可选项,与高钢规表示“外包部分的钢柱翼缘表面宜设置栓钉”相吻合,即栓钉为构造措施。
外露式钢结构柱脚设计作者:顾赫巍来源:《中国科技博览》2016年第04期[摘要]外露式柱脚可兼做铰接与刚接,分析了外露式柱脚的受力形式,提出了外露式柱脚的构造要求,归纳了外露式柱脚的计算原理,并给出了外露式柱脚的应用局限性。
[关键词]外露式柱脚铰接刚接中图分类号:O670 文献标识码:A 文章编号:1009-914X(2016)04-0010-01引言钢结构柱脚是连接上部结构与基础的重要部分,对整个结构的安全及造价有重大影响。
柱脚按受力性能分为铰接与刚接,铰接柱脚宜采用外露式,刚接柱脚可采用外露式、埋入式及外包式。
外露式柱脚是将钢柱通过底板与锚栓固定在混凝土表面的柱脚,兼可做成铰接与刚接,其构造简单,施工方便,在实际工程中有广泛应用。
1.外露式柱脚的受力分析钢柱传来的轴力首先通过钢柱与底板间的焊缝传递给底板,再由底板把压力传给混凝土基础。
由于底板与混凝土之间不能受拉,当底板出现拉力时,由嵌固在基础中的锚栓来承担。
在柱脚中,锚栓通常不能用以承受柱脚底部的水平剪力,此部分的水平剪力应由柱脚底板与其下部的混凝土的摩擦力来抵抗。
当剪力过大时,应考虑设计剪力键来分担。
铰接柱脚仅传递轴力和剪力,不传递弯矩,弯矩仅出现在刚接柱脚的连接中。
在刚接柱脚中,弯矩由柱底板直接传给基础,通过混凝土的承压来抵抗,而由弯矩产生的拉力则通过锚栓的受拉来抵抗。
2.外露式柱脚的构造要求2.1 柱脚底板混凝土强度远远低于钢材,因而必须在钢柱柱脚处设置一块较大的钢底板,来增加基础的受力面积,使得基础顶面的压应力不大于混凝土的抗压强度设计值。
底板的厚度对于铰接柱脚不宜小于20mm,刚接不宜小于30mm,且均不应小于钢柱翼缘厚度。
底板的尺寸及厚度均应通过计算确定。
2.2 锚栓铰接柱脚的锚栓一般仅起到安装过程中固定的作用,因此锚栓的直径通常根据其与钢柱板件的厚度和底板厚度相协调的原则来确定,一般不宜小于20 mm,数量一般根据底板的面积和构造的要求确定。
工程技术幸福生活指南42幸福生活指南钢结构的柱脚形式杨艳霞信息产业电子第十一设计研究院科技工程股份有限公司南京分公司 江苏 南京 210000摘 要:本文介绍钢结构柱脚的各种形式的适用范围和注意事项。
关键词:铰接柱脚;刚接柱脚;外露式;外包式;埋入式;插入式Abstract: This paper introduces the application scope and matters needing attention of various forms of steel structure column foot. Keywords: Hinged column foot; Just answer column foot; The leakage type; Outsourcing type;Embedded type;Plug-in.0、引言 目前钢结构建筑越来越多,笔者作为工业院的一员,几乎接触到主要建筑的结构形式都是钢结构,仅仅一些辅助性的建筑才会是混凝土结构形式。
钢结构和混凝土结构最大的区别就是钢结构有很多的节点需要绘图并计算,其中就包含钢柱的柱脚节点。
1、柱脚形式的分类 1)根据钢柱柱脚的受力,可以分为两种形式,一种是铰接柱脚,一种是刚接柱脚。
铰接柱脚一般用于不带吊车的轻型门式刚架,或者承受荷载较小的钢平台。
刚接柱脚一般用于5t 以上桥式吊车的门式刚架结构和规模荷载较大的钢框架结构。
2)根据柱脚的位置可以分为四种形式:外露式柱脚、外包式柱脚、埋入式柱脚和插入式柱脚。
2、铰接柱脚 铰接柱脚一般是外露式柱脚,钢柱在基础短柱上面,是造价最低最方便施工的柱脚形式。
铰接柱脚的地脚锚栓布置在翼缘的内侧,不能承受弯矩,仅承受轴力。
在承受剪力方面,目前国内比较统一的做法刚接柱脚和铰接柱脚都不考虑锚栓受剪,如果有剪力,靠柱底摩擦力或者设置抗剪键来抵抗剪力。
3、刚接柱脚 1)刚接柱脚的外露式和铰接柱脚的外露式一样,都是钢柱底板在基础短柱上面。
外露式钢柱脚节点性能研究现状发表时间:2018-04-19T13:06:22.253Z 来源:《建筑学研究前沿》2017年第33期作者:林国旭郑彦君[导读] 钢框架结构中,柱脚节点是上部主体结构与基础连接的重要节点,能将柱下端的弯矩、轴力、剪力传递给基础。
华南理工大学 510640摘要:钢框架结构中,柱脚节点是上部主体结构与基础连接的重要节点,能将柱下端的弯矩、轴力、剪力传递给基础。
因此其工作性能直接影响到上部结构的承载能力、稳定性、内力分布和变形性能。
其中外露式钢柱脚是常用的柱脚节点,基于其特点和重要性,本文总结国内外学者对外露式柱脚节点性能的研究现状,指出目前研究存在的不足。
关键词:外露式柱脚;节点性能;研究现状1.引言在钢结构建筑中,框架的性能与柱脚性能密不可分,柱脚工作性能直接影响到上部结构的承载能力、稳定性、内力分布和变形性能[1]。
常见的钢结构柱脚按照节点构造可以分为外露式、外包式和埋入式三种。
其中外露式柱脚主要由钢柱、钢底板、锚栓和钢筋混凝土底座组成,其根据锚栓数量及位置又可以分为刚接柱脚及铰接柱脚:铰接柱脚不承受弯矩,其锚栓设置在柱翼缘内,一般为2个锚栓或者4个锚栓;刚接柱脚不发生转动,其锚栓设置在柱翼缘外,数量一般为4个及以上。
外露式柱脚相对于外包式和埋入式柱脚而言,具有现场安装定位方便、施工速度快、造价低等优点,但刚度和承载力有限,在工程中主要应用在低层和多层钢结构,例如厂房及多层住宅等。
2.国外研究现状日本学者秋山宏(1985)[2]基于柱脚底板和混凝土基础无限刚性的假定,且抗弯刚度完全由受拉侧锚栓提供,提出了一种柱脚抗弯刚度的计算公式:Thambiratnam D P等(1986)[3]以为荷载偏心率和底板厚度为变量参数,对12个不同的试件进行了轴力和弯矩作用下的试验。
当偏心距较小时,底板因混凝土开裂而失效;其他情况下的主要失效模式是底板屈服,同时荷载偏心率对应变的影响比底板厚度影响更大。