“铁马”围栏尺寸
- 格式:doc
- 大小:1.73 MB
- 文档页数:1
围挡彩钢板标准规格随着城市发展和建筑业的繁荣,围挡彩钢板作为一种常见的材料,被广泛应用于建筑工地、临时围栏以及其他需要临时隔离的场合中。
围挡彩钢板具备重量轻、安装方便、拆卸易用等优点,在施工过程中起到了重要的作用。
但是,由于市场上围挡彩钢板产品众多,规格不一,消费者如何选择符合要求的产品成为一个难题。
本文将围绕围挡彩钢板的标准规格进行探讨,帮助读者更好地了解围挡彩钢板。
首先,围挡彩钢板的标准规格通常由长度、宽度和厚度三个方面来衡量。
长度是指围挡彩钢板的横向尺寸,常见的长度为2米、2.5米、3米等。
宽度则是指围挡彩钢板的纵向尺寸,一般为0.5米、1米、1.2米等。
而厚度则是指围挡彩钢板的材料厚度,常用的厚度有0.3毫米、0.4毫米、0.5毫米和0.6毫米等。
根据实际使用需求,消费者可以根据工地场地的大小和需要的稳定性来选择合适的围挡彩钢板规格。
其次,围挡彩钢板的颜色也是消费者在选择产品时需要考虑的因素之一。
围挡彩钢板一般具备多种颜色可供选择,如白色、蓝色、绿色等。
颜色的选择要考虑与周围环境的协调性,以及工地的整体形象。
在现代城市建设中,围挡彩钢板的颜色搭配也开始受到更多关注,以美化城市环境。
此外,围挡彩钢板的防腐性能也是消费者需要关注的重点。
围挡彩钢板需要在户外使用,并且需要经受各种气候条件的考验,因此材料的抗腐蚀性能是至关重要的。
常见的围挡彩钢板材料采用镀锌钢板,其具备良好的防锈性能,可以有效延长产品的使用寿命。
除了上述几个方面,消费者在选择围挡彩钢板标准规格时,还应考虑产品的实用性、结构稳定性以及与周边环境协调性。
实用性是指产品能够满足临时围挡的功能要求,如防护能力、构造稳定等。
结构稳定性则是指围挡彩钢板在使用过程中是否能够抵御外力撞击以及自然变化带来的影响。
与周边环境的协调性包括与周围建筑物的风格、色彩等方面的匹配。
综上所述,围挡彩钢板的标准规格涵盖长度、宽度、厚度和颜色等多个方面。
消费者在选择产品时,需要根据实际需要来确定围挡彩钢板的规格,同时还需考虑产品的防腐性能、实用性、结构稳定性以及与周边环境的协调性。
一、概述工程施工围栏是施工现场的重要安全防护设施,其质量直接关系到施工人员的安全和工程的整体质量。
为了确保施工现场的安全,提高施工效率,以下是对工程施工围栏定制的规范要求。
二、材料要求1. 钢材:围栏所用钢材应采用国标Q235钢材,立柱和横杆应采用40x40mm或以上方钢,横杆应采用30x30mm或以上方钢。
2. 钢丝网:围栏所用钢丝网应采用低碳钢丝,网孔大小为50x50mm或100x100mm,网丝直径不小于2.5mm。
3. 焊接材料:焊接材料应采用符合国家标准的焊条,焊接工艺应满足施工要求。
4. 防腐涂料:围栏表面应涂刷防锈漆,涂料应符合GB/T 2576《热镀锌锌层涂层》等相关标准。
三、结构设计1. 立柱:立柱应采用国标方钢,高度不小于1.5m,底部应设有垫块,确保稳固。
2. 横杆:横杆应采用国标方钢,长度不小于2m,间距不大于1.5m。
3. 钢丝网:钢丝网应采用焊接方式固定在横杆上,确保焊接牢固。
4. 连接件:连接件应采用镀锌螺栓、螺母等,确保连接牢固。
四、尺寸要求1. 围栏宽度:围栏宽度应不小于2m,可根据施工现场实际情况进行调整。
2. 围栏高度:围栏高度应不小于1.8m,深度超过2m的基坑施工应采用不低于2.5m的围栏。
3. 围栏间距:围栏间距应不大于1.5m,确保围栏的整体稳定性。
五、施工要求1. 施工前,应对围栏材料进行检查,确保符合规范要求。
2. 施工过程中,应严格按照设计图纸进行安装,确保围栏的稳定性和安全性。
3. 围栏安装完成后,应对其进行验收,确保符合规范要求。
4. 施工过程中,应定期对围栏进行检查和维护,发现问题及时整改。
六、验收标准1. 围栏材料应符合规范要求,无锈蚀、变形等现象。
2. 围栏结构牢固,焊接质量符合要求。
3. 围栏表面防腐涂料均匀,无漏涂、脱落等现象。
4. 围栏高度、宽度、间距等尺寸符合规范要求。
5. 施工过程中,无安全事故发生。
通过以上规范要求,确保工程施工围栏的质量和安全性,为施工现场提供良好的安全保障。
铁马护栏尺寸标准1. 介绍铁马护栏是一种常见的道路安全设施,用于分隔车辆与行人区域,保护行人和车辆的安全。
而铁马护栏尺寸标准则是规定了铁马护栏的尺寸参数,以确保其具有良好的安全性和使用性。
本文将深入探讨铁马护栏尺寸标准的相关内容。
2. 铁马护栏尺寸标准的重要性2.1 提高道路安全性合适的铁马护栏尺寸标准能够提高道路的安全性。
根据不同的道路类型和用途,采用适当的尺寸可以有效分隔车辆和行人区域,减少道路事故的发生。
2.2 保护行人安全合理的铁马护栏尺寸标准可以保护行人的安全。
比如,在人流密集的地区,使用较高的铁马护栏可以防止行人突然闯入车辆道路,减少行人与车辆的接触,降低交通事故的风险。
2.3 提升交通运行效率恰当的铁马护栏尺寸标准可以提升交通运行效率。
通过合理设置护栏的高度和宽度,可以防止车辆随意变道、闯红灯等违规行为,保持交通秩序,提高道路通行能力。
3. 铁马护栏尺寸标准的技术要求3.1 高度要求铁马护栏的高度应根据不同的道路类型和用途进行合理设置。
一般来说,城市道路的铁马护栏高度应在80cm至120cm之间,高速公路的铁马护栏高度则应在120cm至160cm之间。
3.2 宽度要求铁马护栏的宽度也是十分重要的。
合适的宽度可以防止行人通过护栏,也可以减少车辆的违规行为。
一般来说,铁马护栏的宽度应在8cm至12cm之间,这样可以保持护栏的坚固性同时又不会对行人造成不便。
3.3 材料要求铁马护栏的材料要求具有一定的坚固性和耐腐蚀性。
常见的铁马护栏材料包括铝合金、镀锌钢管等。
这些材料具有较好的抗压性和抗腐蚀性,能够满足道路使用的要求。
3.4 防护设计要求合适的防护设计可以减少交通事故的发生,并降低事故的影响。
比如,在一些危险的路段,可以设置铁马护栏上的防撞装置,减少碰撞对车辆和行人的伤害。
同时,在某些特殊地点,如桥梁、弯道等,也需要根据实际情况进行专门的护栏设计,以提高防护效果。
4. 铁马护栏尺寸标准的应用范围铁马护栏尺寸标准适用于各种道路类型和用途,包括城市道路、高速公路、乡村道路等。
拒马隔离栏是一种用于道路交通安全的设施,通常由钢材制成。
它的主要作用是防止车辆越过道路中心线或进入对向车道,从而避免交通事故的发生。
拒马隔离栏的规格一般根据其高度、长度和材质等因素来确定。
以下是一些常见的拒马隔离栏规格:
1. 高度:拒马隔离栏的高度一般在1米至1.2米之间,以确保足够的安全性。
2. 长度:拒马隔离栏的长度可以根据实际需要而定,一般不超过6米。
3. 材质:拒马隔离栏一般采用高强度钢材制作,以确保其坚固耐用。
此外,拒马隔离栏还可以根据不同的使用场景进行定制。
例如,在高速公路上使用的拒马隔离栏可能会更加高大和粗壮,以适应高速行驶的车辆;而在城市道路上使用的拒马隔离栏则可能更加轻便和易于安装。
需要注意的是,在使用拒马隔离栏时,必须遵守相关的交通规则和安全标准。
例如,在安装拒马隔离栏时必须确保其牢固可靠,不得出现松动或倾斜的情况;同时,在使用拒马隔离栏时也需要注意不要将其作为支撑物或倚靠物使用,以免发生意外事故。
总之,拒马隔离栏是一种重要的交通安全设施,其规格应根据实际需要进行合理设计和选择。
在使用过程中,必须严格遵守相关的交通规则和安全标准,以确保道路交通的安全和畅通。
工地铁质栏杆计量标准一、栏杆材料工地铁质栏杆的主要材料应选用优质钢材,如Q235、Q345等。
钢材的规格和型号应符合国家相关标准,并具有质量证明文件。
二、栏杆设计1.栏杆设计应符合国家相关标准和规范,确保结构安全、稳定、耐久。
2.栏杆的形状和图案应简洁、美观,符合工程环境要求。
3.栏杆的设计应充分考虑人机工程学原理,保证操作方便、舒适。
三、栏杆尺寸1.栏杆的高度应根据使用要求和安全规范进行确定,一般不小于1.0m。
2.栏杆立柱的直径应符合设计要求,通常为20mm-80mm。
3.横梁的长度和间距应根据使用环境和设计要求进行确定,以满足使用和安全要求。
四、栏杆安装1.栏杆安装前应核对材料和配件的规格、型号、数量等是否符合设计要求。
2.安装过程中应保证栏杆的垂直度和水平度,确保整体美观和使用安全。
3.栏杆的安装位置应符合设计要求,不得随意更改。
4.安装完成后,应对栏杆进行全面检查,确保无安全隐患。
五、栏杆表面处理1.栏杆表面应进行防锈处理,如镀锌、喷塑等,以提高防腐性能和使用寿命。
2.表面处理的颜色和光泽度应符合设计要求,保持美观。
3.表面处理的质量应符合相关标准和规范,确保处理效果可靠。
六、栏杆验收1.栏杆安装完成后,应进行全面检查和验收,确保符合设计要求和安全规范。
2.验收内容应包括栏杆的材质、尺寸、安装位置、表面处理等各方面。
3.对不符合要求的栏杆应及时进行调整或更换,确保质量可靠。
七、维护保养1.使用过程中应定期对栏杆进行检查和维护,确保其安全性和美观度。
2.发现栏杆锈蚀、变形等问题应及时进行处理,防止问题扩大。
锌钢围墙护栏规格尺寸表
一、高度
锌钢围墙护栏的高度可根据用户需求定制,常规高度范围为1.2米至2.5米。
二、宽度
锌钢围墙护栏的宽度可根据用户需求定制,常规宽度范围为300毫米至600毫米。
三、立柱直径
锌钢围墙护栏的立柱直径一般为16毫米至32毫米,根据实际需求可选择不同直径。
四、管道直径
锌钢围墙护栏的管道直径通常与立柱直径相同,一般为16毫米至32毫米。
五、网孔大小
锌钢围墙护栏的网孔大小可根据用户需求定制,常规网孔大小为50毫米x50毫米至150毫米x150毫米。
六、边框厚度
锌钢围墙护栏的边框厚度一般为2毫米至5毫米,根据实际需求可选择不同厚度。
七、固定方式
锌钢围墙护栏的固定方式有多种选择,包括膨胀螺丝、地脚螺栓、预埋件等。
八、防腐处理
锌钢围墙护栏的防腐处理一般采用热浸镀锌工艺,可有效提高护栏的使用寿命。
九、材质
锌钢围墙护栏的主要材质为热镀锌钢管和低碳钢板,根据实际需求可选择不同材质。
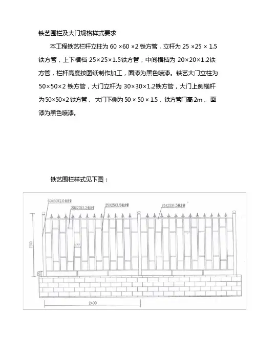
铁艺围栏及大门规格样式要求本工程铁艺栏杆立柱为60 ×60 ×2 铁方管,立杆为25 ×25 × 1.5 铁方管,上下横档25×25×1.5铁方管,中间横档为20×20×1.2铁方管,栏杆高度按图纸制作加工,面漆为黑色喷漆。
铁艺大门立柱为50×50×2 铁方管,大门立杆为30×30×1.2铁方管,大门上侧横杆为50×50×2 铁方管,大门下侧为50 × 50 × 1.5,铁方管门高 2m,面漆为黑色喷漆。
铁艺围栏样式见下图:铁艺大门样式见下图:根据施工图纸和设计要求,采购工程所需各种原材料。
围栏及大门确定材料符合图纸设计要求无误后,才能进入车间加工制作,确保不合格材料不进现场使用。
并及时报验。
制作加工工艺1、围栏及大门按照图纸设计要求,并根据图纸所示图样和现场实际尺寸制作。
2、材料进入现场制作安装之前做防锈处理,制作过程中,定位尺寸要准确。
表面进行防锈处理完好后再做面漆处理,保证表面的整洁。
保证角度拼装准确精细。
进行拼装时,焊接部位要焊平,保证平整度。
焊接部位的焊口必须满焊,做到焊口无断缝、漏焊、无沙眼,焊口要打磨光滑,平整度达标。
水平安装工艺铁艺围栏及大门均按照所提供的标准线为安装水平标准。
安装工艺1、产品到达施工现场后按图纸上所规定的位置及尺寸准确安装就位,确定好标高及垂直平整度。
应按照图纸设计要求进行定位,确保达到设计要求与验收规范。
2、预埋件安装根据图纸设计要求和施工现场的实际情况准确无误的定位。
3、铁艺围栏安装按所提供的标准线抄水平定位安装。
4、现场焊接部位的焊口必须满焊,做到焊口无断缝、漏焊、无沙眼,焊口要打磨光滑,平整度达标。
5、预埋件、铁艺围栏安装必须牢固,安装偏差根据国家规定和设计要求:直线度<3mm,垂直度<3mm,栏杆间距误差<3mm,对角线误差<3mm,预埋件垂直误差<3mm,水平误差<3mm。
铁马护栏尺寸标准(一)铁马护栏尺寸标准•铁马护栏尺寸标准是什么?•铁马护栏尺寸标准的适用范围是哪些?•铁马护栏尺寸标准的制定和修订机制有哪些?铁马护栏尺寸标准是什么?铁马护栏是一种由钢杆和固定在地面的支架组成的固定结构。
铁马护栏尺寸标准指的是对于不同的公共场所(如大型广场、交通干道、公园等)和私人领地的铁马护栏的尺寸统一标准。
铁马护栏尺寸标准的适用范围是哪些?铁马护栏尺寸标准适用于以下场合:•公共场所•私人领地在实际选型时,应根据使用场景和实际需要进行选择。
铁马护栏尺寸标准的制定和修订机制有哪些?目前,国家并没有出台统一的铁马护栏尺寸标准,而是由每个地区根据实际情况和需要自行制定和修订,不同地区可能有不同的标准。
由于铁马护栏存在一定的实用性和安全性问题,因此在制定和修订铁马护栏尺寸标准时,应充分考虑实际情况和综合分析各种因素,确保其使用的有效性和安全性。
•铁马护栏尺寸标准的主要内容都包括什么?•铁马护栏尺寸标准的实际应用有哪些难点需要解决?铁马护栏尺寸标准的主要内容都包括什么?铁马护栏尺寸标准的主要内容包括以下几个方面:•高度:通常定义为铁马护栏的垂直高度,一般根据实际情况选择,不应过高或过低。
•宽度:指铁马护栏的横向宽度,一般建议根据使用场景和实际需要进行选择。
•杆径:指铁马护栏钢杆的直径,一般建议与高度、宽度配合选择。
•间距:指铁马护栏钢杆之间的间隔距离,一般建议根据实际情况和需要进行选择。
铁马护栏尺寸标准的实际应用有哪些难点需要解决?铁马护栏尺寸标准的实际应用可能面临以下几个难点:•地形问题:地形不平或者有一些障碍物的地方需要定制尺寸才能适应。
•安全性问题:铁马护栏的高度、杆径、间距等参数需要考虑到安全性,防止车辆或人员跨越护栏造成危险。
•美观度问题:铁马护栏作为一种市政设施,在设计和选择时也需要考虑其美观度和协调性,以增强城市形象。
•维护保养问题:铁马护栏的基础设置和防腐措施需要考虑,以确保其使用寿命和稳定性,在使用中需要定期检查和维护保养。
施工围栏标准要求
施工围栏是指一种用于围住施工现场的工程设施,常用于保证施工现场的安全和防止人员、车辆误入施工区域。
因为施工现场往往存在潜在的危险和隐患,如高空作业、起重机械、挖掘机械等,所以施工围栏的设置和标准要求非常重要。
施工围栏的标准要求主要包括以下几个方面:
1. 施工围栏的材料和尺寸:施工围栏的材料一般选用钢管、铝合金、塑料等材料,尺寸一般为1.2米至1.5米高。
围栏的线径和板厚也要符合国家标准,并应经过防腐处理。
2. 施工围栏的布置和固定:施工围栏应按照现场实际情况进行布置,周围应设置警示标志,并应固定在地面上或墙面上,保证稳固。
3. 施工围栏的门和出入口:施工围栏应设置门和出入口,并应按照标准要求设置门的大小和高度,同时门应配备自动关门装置、安全锁等设施。
4. 施工围栏的颜色和标识:施工围栏应采用明黄色或橙色等醒目颜色,并应配备反光条、反光标识等设施,以增加警示效果。
5. 施工围栏的安全距离和警示标志:施工围栏的周围应设置安全距离,以保证
行人和车辆的安全。
同时,应在围栏上设置警示标志和安全提示标识,以提醒人们注意安全。
总之,施工围栏的设置和标准要求非常重要,不仅直接关系到施工现场的安全与管控,还能提高人们对施工安全的意识和重视程度。
因此,在施工现场的工程管理中,应特别注意施工围栏的设置和标准要求的执行情况,以确保现场施工的安全和有序进行。
铁马围栏安装施工方案1. 引言铁马围栏是一种常用于围合马场、农田、工地等场所的围栏材料。
本文档将介绍铁马围栏的安装施工方案,旨在为施工人员提供指导,确保安全、高效地完成安装工作。
2. 施工前准备2.1 工具与材料在开始施工前,需要准备以下工具和材料:•铁马围栏材料(包括铁栏杆、连接配件等)•地基挖掘工具(如铁锹、铁锨等)•填充土材料(如沙子、水泥等)•罗盘或测量工具•锤子、螺丝刀等手工工具•安全防护设备(如安全帽、手套、安全绳等)2.2 环境评估在施工前,需要对施工环境进行评估。
评估内容包括地面状况、地下管线等因素。
确保施工不会对环境造成损害,并保证施工进程的顺利进行。
3. 施工步骤3.1 安全措施在施工过程中,必须严格遵守安全规范,并采取适当的安全措施,以保护施工人员的安全。
施工人员必须佩戴安全帽、手套,并正确使用相关工具。
3.2 操作步骤步骤一:测量与标记使用罗盘或测量工具,测量围栏的尺寸和位置,并在地面上标记围栏的安装位置。
确保围栏的周边环境符合要求,并与业主或监理进行确认。
步骤二:挖掘地基根据标记的位置,使用地基挖掘工具挖掘适当深度和宽度的地基。
地基的深度应根据围栏高度和围栏类型来确定。
挖掘时应注意避免破坏地下管线和其他设施。
步骤三:固定支柱将围栏的支柱放入挖好的地基中,并垂直调整支柱位置。
使用填充土材料和水泥将支柱固定在地基中,确保其稳固。
步骤四:安装围栏主体将铁栏杆连接到支柱上,使用螺丝刀或其他手工工具固定连接配件。
逐段地连接铁栏杆,确保围栏的整体稳定性。
步骤五:检查与清理完成围栏主体的安装后,对整个围栏进行检查。
检查围栏的连接是否牢固,是否有松动的地方。
同时,清理施工现场,清除多余的材料和工具,确保安全干净。
3.3 完工验收施工完成后,应与业主或监理一起进行验收。
检查围栏的安装质量、围栏的外观等,确保符合要求。
如果发现问题,及时修复和修改。
4. 安全注意事项•在施工过程中,务必佩戴安全帽、手套等安全防护设备。
铁马护栏质量标准
1.材料质量
铁马护栏应使用符合国家相关标准的钢材制造,如优质碳素结构钢或低合金高强度结构钢。
材料的质量应符合相应的力学性能要求,如抗拉强度、屈服点、伸长率等。
同时,材料应具备相应的耐腐蚀性能,以满足使用环境的要求。
2.制造工艺
铁马护栏的制造工艺应严格按照相关规定执行,包括下料、成型、焊接、校正、涂装等环节。
其中,焊接质量应平整,焊缝高度应符合设计要求,不得有夹渣、气孔、未熔合等缺陷。
此外,铁马护栏的制造过程中应进行中间检验和出厂检验,确保产品质量符合要求。
3.尺寸精度
铁马护栏的尺寸精度应符合设计要求和相关标准,包括长度、高度、对角线等尺寸。
在制造过程中,应对尺寸进行严格的控制和检验,确保产品的一致性和互换性。
4.外观质量
铁马护栏的外观质量应平整、光滑,无明显的扭曲、变形、毛刺等缺陷。
涂装表面应色泽均匀,无明显色差、起泡、脱落等现象。
此外,对于铁马护栏的外观质量,还应进行抽样检验,确保符合要求。
5.承载能力
铁马护栏的承载能力应符合设计要求,包括垂直承载和水平承载能力。
在出厂前,应对产品的承载能力进行测试和检验,确保满足使用要求。
同时,在安装过程中,也应根据实际情况进行承载能力的验证和测试。
6.安装质量
铁马护栏的安装质量应符合设计要求和相关标准,包括基础的施工、立柱的安装、横梁的连接等环节。
在安装过程中,应保证基础的牢固性和稳定性,
立柱和横梁的连接应平整、紧固,无松动现象。
此外,安装完毕后,应对整体进行质量检查和验收,确保产品的使用效果和质量安全。
不锈钢护栏标准尺寸不锈钢护栏是一种常见的围栏材料,它具有耐腐蚀、抗风化、美观耐用等优点,在城市道路、园林景观、工业园区等场所都有广泛的应用。
而不锈钢护栏的标准尺寸对于其安装和使用具有重要的意义。
本文将就不锈钢护栏的标准尺寸进行详细介绍,以便广大读者更好地了解和选择适合的产品。
首先,不锈钢护栏的高度是其标准尺寸中的重要参数之一。
一般来说,不锈钢护栏的高度通常在800mm至1500mm之间,根据实际使用场所的需要进行选择。
例如,在城市道路中,一般选择1000mm至1200mm的高度,而在工业园区则可能需要更高的护栏来满足安全防护的需要。
其次,不锈钢护栏的长度也是需要考虑的标准尺寸之一。
护栏的长度一般在2000mm至3000mm之间,具体长度的选择可以根据实际安装场所的需要来确定。
在园林景观中,可能需要根据道路或者花坛的长度来选择不锈钢护栏的长度,以保证整体美观和实用性。
另外,不锈钢护栏的立柱间距也是需要考虑的标准尺寸之一。
一般来说,立柱的间距在2000mm至3000mm之间,不同的场所可能会有不同的要求。
在人流量较大的地方,可能需要更短的立柱间距来增加护栏的稳定性和安全性。
此外,不锈钢护栏的横杆间距也是需要注意的标准尺寸之一。
一般来说,横杆的间距在100mm至200mm之间,不同的场所可能会有不同的要求。
在需要防止小动物或者儿童穿越的地方,可能需要更小的横杆间距来增加护栏的防护性能。
最后,不锈钢护栏的材质和表面处理也是需要考虑的标准尺寸之一。
一般来说,不锈钢护栏的材质应选择优质的不锈钢材料,以保证其耐腐蚀和抗风化的性能。
同时,护栏的表面处理也应选用耐候性好的处理方式,如喷塑、电镀等,以保证护栏的美观和使用寿命。
综上所述,不锈钢护栏的标准尺寸涉及到高度、长度、立柱间距、横杆间距、材质和表面处理等多个方面,需要根据实际使用场所的需要进行选择。
希望本文的介绍能够帮助广大读者更好地了解和选择适合的不锈钢护栏产品。
下面由广州路虎交通给大家详细介绍一下铁马,一三四二二零八二零⑤五
名称:铁马
规格:长1300mm*高1300mm,外管38mm,内管22mm,直角
工艺:无缝铁管折弯,焊接,打磨抛光,高压喷涂
颜色:黄黑相间,主色黄色,黑色条纹
用途:一般用于施工场所的隔离与警示,也可用作工厂、车间、仓库、停车场、商业区、公共场所的安全防护。
【铁马的特点】
1. 铁马外管采用38mm,内管22mm铁管焊接加工成型后,二次酸洗除油防锈处理,进行高压喷涂,具有摆设方便,耐晒,耐腐蚀,使用寿命长的特点。
2. 款式简单大方,移动灵活,无需任何地面安装就可使用,产品可以回收,无污染。
3. 颜色鲜艳醒目,有很好的警示效果。
4.侧面具有挂钩,铁马与铁马之间可以相互连接,使得受力,承受能力更强。
【铁马产品用途】
1. 铁马一般用于施工场所的隔离,同样适用于普通道路,高速公路,十字路口,收费站,桥梁,车站,码头,危险地区,集会地点的临时隔离。
包括一些超市,小区,学校等公共场所也常用来隔离防护。
2. 铁马本身颜色鲜艳醒目,主体颜色为黄色,带有黑色条纹,黄黑相间能够更好的起到警示效果,能降低交通事故发生的几率,防止人翻,提高安全性。
工程施工围栏定制标准最新工程施工围栏是施工现场必不可少的安全设施,它能有效防止施工现场的意外事故,保护施工现场的安全。
为了保证工程施工围栏的质量和使用效果,制定一套完善的工程施工围栏定制标准至关重要。
本文将为您介绍工程施工围栏定制标准最新的相关内容。
一、材质要求1. 立柱:立柱应采用优质钢管,壁厚不应小于3.5mm。
立柱应具有足够的强度和稳定性,能承受正常使用过程中的外力。
2. 横杆:横杆应采用优质钢管,壁厚不应小于3.0mm。
横杆应具有足够的强度和稳定性,能承受正常使用过程中的外力。
3. 围网:围网应采用优质低碳钢丝,直径不应小于3.5mm。
围网应具有足够的强度和耐久性,能承受正常使用过程中的外力。
4. 连接件:连接件应采用优质钢材,表面应进行防锈处理。
连接件应具有足够的强度和稳定性,能承受正常使用过程中的外力。
二、尺寸要求1. 立柱高度:立柱高度不应小于1.2m,以保证围栏的稳定性和安全性。
2. 横杆间距:横杆间距不应大于1.5m,以保证围栏的稳定性和安全性。
3. 围网间距:围网间距不应大于5cm,以保证围栏的防护效果。
4. 立柱距离:立柱距离不应大于3m,以保证围栏的稳定性和安全性。
三、外观要求1. 围栏表面应平整,无明显凹陷或变形。
2. 围栏表面应进行防锈处理,如喷涂或镀锌。
3. 围栏颜色应鲜明,标志应清晰可见。
四、安装要求1. 围栏应安装稳固,不得倾斜或摇晃。
2. 立柱应埋设牢固,埋深不应小于0.6m。
3. 横杆应与立柱连接牢固,不得松动。
4. 围网应与横杆连接牢固,不得松动。
5. 围栏应设有足够数量的固定螺栓,以确保围栏的稳定性和安全性。
五、验收要求1. 围栏的材质、尺寸、外观和安装质量应符合相关标准和规定。
2. 围栏的防护效果应达到设计要求。
3. 围栏的稳定性、安全性和耐久性应满足正常使用要求。
总之,工程施工围栏定制标准最新应包括材质要求、尺寸要求、外观要求、安装要求和验收要求等方面的内容。
铁艺护栏的相关尺寸参数
1. 总高度:根据实际需求确定,通常在2米至
2.5米之间。
2. 高栏杆高度:一般在1.2米至1.5米之间,可根据需要调整。
3. 低栏杆高度:根据需要确定,通常在0.8米至1米之间。
4. 杆间距:根据设计要求和安全要求,通常在1.5米至2米之间。
5. 杆直径:根据设计要求,通常在16毫米至32毫米之间。
6. 横杆直径:根据设计要求,通常在20毫米至40毫米之间。
7. 铁丝直径:根据设计要求,通常在3毫米至6毫米之间。
8. 护栏宽度:根据设计要求和安全要求,通常在1.2米至1.5米之间。
9. 基础宽度:根据护栏高度和材料选择,通常在0.3米至0.5米之间。
10. 护栏颜色:可以根据需求选择任何颜色,通常使用防锈处理后的喷漆。
以上都是一般的相关尺寸参数,实际制作时需要根据具体要求和安全要求进行调整。
不锈钢护栏标准尺寸不锈钢护栏是一种常见的安全设施,广泛应用于公路、桥梁、机场、码头、工厂、学校等场所。
它具有美观、耐用、防腐、防锈、易清洁等优点,成为现代建筑中不可或缺的一部分。
不锈钢护栏的标准尺寸是指其长度、高度、厚度等方面的规定,下面我们来详细了解一下。
一、长度不锈钢护栏的长度一般为2米、2.5米、3米等,也可以根据实际需要定制。
在实际应用中,长度的选择应根据场地的实际情况来确定。
如果是在公路上使用,一般选择2.5米或3米的长度,这样可以减少连接处的数量,提高安装效率。
如果是在学校或工厂内使用,一般选择2米的长度,这样可以更好地适应场地的大小。
二、高度不锈钢护栏的高度一般为1米、1.2米、1.5米、1.8米等,也可以根据实际需要定制。
在实际应用中,高度的选择应根据场地的实际情况来确定。
如果是在公路上使用,一般选择1.2米或1.5米的高度,这样可以更好地防止车辆冲出道路。
如果是在学校或工厂内使用,一般选择1米或1.2米的高度,这样可以更好地保护行人的安全。
三、厚度不锈钢护栏的厚度一般为1.2mm、1.5mm、2.0mm等,也可以根据实际需要定制。
在实际应用中,厚度的选择应根据场地的实际情况来确定。
如果是在公路上使用,一般选择1.5mm或2.0mm的厚度,这样可以更好地承受车辆的撞击。
如果是在学校或工厂内使用,一般选择1.2mm的厚度,这样可以更好地适应场地的环境。
四、其他尺寸除了长度、高度、厚度外,不锈钢护栏还有其他的尺寸需要注意。
例如,护栏的立柱直径一般为48mm、50mm、60mm等,护栏的横杆直径一般为32mm、38mm、42mm等。
这些尺寸的选择应根据实际需要来确定,以保证护栏的稳定性和安全性。
不锈钢护栏的标准尺寸是根据实际需要来确定的,不同场地、不同用途的护栏尺寸也不同。
在选择不锈钢护栏时,应根据场地的实际情况来确定长度、高度、厚度等尺寸,以保证护栏的稳定性和安全性。
同时,还应注意护栏的立柱直径、横杆直径等其他尺寸,以保证护栏的质量和美观。
铁艺栏杆规格参数
铁艺栏杆的规格参数可以根据具体的需求而有所不同,以下是一些常见的规格参数:
1. 材质:一般采用铁艺材料制作,如铁艺花样、铁艺管材等。
2. 尺寸:根据实际情况,可以定制不同的尺寸,常见的高度为85cm、110cm、120cm等。
3. 花样设计:铁艺栏杆的花样设计可以根据个人喜好进行定制,如花朵、藤蔓、动物等。
4. 装饰部件:可以添加一些装饰部件,如雕花、铜贴等,以增加美观度。
5. 表面处理:可以选择不同的表面处理方式,如喷塑、热镀锌、喷砂、喷涂等,以增加耐用性。
6. 安全性能:要求栏杆具备一定的承载力和抗风、抗震性能,以确保使用安全。
7. 防腐蚀性能:铁艺栏杆需要具备较好的防腐蚀性能,可以采用热镀锌等处理方式。
以上是一些常见的铁艺栏杆规格参数,具体的规格可以根据实际需求和设计要求来确定。