汽车用新型罩光涂料UV 和热双固化清漆
- 格式:pdf
- 大小:100.57 KB
- 文档页数:6
罩面清漆执行标准
罩面清漆是一种高级涂料,在很多社会领域都有广泛应用,如汽车、机车、电子、家具等等。
罩面清漆不仅可以美化物品的表面,还
可以保护它们不受外界干扰,因此,其质量必须有严格的执行标准。
罩面清漆的执行标准通常由制造商、行业协会和相关政府机构制定。
在中国,国家质量监督检验检疫总局和中国标准化协会等主要制
定和负责罩面清漆的标准制定和执行工作。
罩面清漆的主要执行标准包括以下几个方面:
1.外观质量。
所有罩面清漆产品都应该具有良好的外观质量,包
括涂层均匀、光泽度高、颜色均匀等等。
2.涂层厚度。
涂层厚度直接关系到罩面清漆的保护性能和美观度,所以其厚度必须要达到标准要求,一般而言,其厚度应该在10~30微
米之间。
3.附着力。
涂层与基材间的附着力是罩面清漆的关键要素之一。
在标准测试中,一般常常使用横向剥离、交叉切割等方法来评测附着力,其评分应在标准范围内。
4.耐化学性。
罩面清漆在使用时会受到各种化学物质的侵袭,因
此其耐化学性能实际上也是关键的。
按照标准规定,其应对酸碱、水、油、溶剂等物质都有相应的抵御能力。
5.耐热性。
罩面清漆在使用过程中必须要具备一定的耐热性能,
在标准测试中,150℃烘烤24h后其外观和物理性质都应该保持稳定。
综上所述,罩面清漆的执行标准涉及到外观、涂层厚度、附着力、耐化学性和耐热性等多个方面。
因此,在选择和使用罩面清漆时,必
须要选择符合标准的产品,以确保物品的保护和美观度。
罩光漆标准
罩光漆标准是指对罩光漆的一系列要求和规范,以确保其质量和性能。
1.外观要求:罩光漆应具备良好的光亮度和光泽,并且要求均匀、平滑,无明显的划痕、气泡、污渍等缺陷。
2.色彩要求:罩光漆应按照客户要求的色彩进行配制,并且要求色彩均匀、饱满,无明显的色差。
3.干燥时间:罩光漆在涂覆后应具备合理的干燥时间,快速干燥可以提高生产效率,但同时要求干燥后不产生粘黏或易受损的薄膜。
4.耐磨性:罩光漆应具备较高的耐磨性,能够抵抗日常使用中的摩擦、刮擦等损伤,并保持较长时间的光泽。
5.环保要求:罩光漆应符合国家相关的环保标准,不包含有害物质,如重金属、挥发性有机物等,以确保对人体和环境的安全。
6.附着力:罩光漆应具备良好的附着力,能够牢固地粘附在基材上,不易剥落或脱落。
7.耐化学品性:罩光漆应具备较好的耐化学品性能,能够抵抗一些常见的化学物质、溶剂、酸碱等的腐蚀,以增强其使用寿命和稳定性。
以上是一些常见的罩光漆标准,具体标准和要求还需根据不同的应用领域和具体需求来制定。
第1篇一、前言UV光固化涂料作为一种新型环保涂料,具有固化速度快、附着力强、耐磨、耐腐蚀、耐候性好等优点,广泛应用于木材、塑料、金属、纸张、皮革等材料的表面处理。
然而,UV光固化涂料在生产、储存、使用过程中存在一定的安全隐患,为了确保工作人员的生命财产安全,特制定本安全技术说明书。
二、产品概述1. 产品名称:UV光固化涂料2. 产品用途:用于木材、塑料、金属、纸张、皮革等材料的表面处理3. 产品特点:固化速度快、附着力强、耐磨、耐腐蚀、耐候性好4. 毒性等级:低毒5. 灭火方法:二氧化碳、干粉、泡沫三、生产工艺1. 原材料准备:按配方要求,准确称量各组分,包括树脂、固化剂、颜料、助剂等。
2. 混合搅拌:将称量好的各组分在搅拌机中混合均匀。
3. 过滤:将混合均匀的涂料进行过滤,去除杂质。
4. 包装:将过滤后的涂料装入容器,进行密封包装。
5. 成品检验:对成品进行外观、粘度、固化时间等性能检验。
四、安全技术1. 生产过程(1)生产场所应通风良好,确保空气新鲜。
(2)生产过程中应穿戴防护用品,如防护眼镜、口罩、手套、工作服等。
(3)操作人员应熟悉生产工艺,严格按照操作规程进行生产。
(4)设备应定期检查、维护,确保正常运行。
2. 储存过程(1)储存场所应通风干燥,避免阳光直射。
(2)储存容器应密封良好,防止涂料挥发、变质。
(3)储存环境温度宜控制在5-30℃之间,相对湿度控制在40%-80%之间。
(4)储存期间应定期检查,确保涂料质量。
3. 使用过程(1)施工场所应通风良好,确保空气新鲜。
(2)施工人员应穿戴防护用品,如防护眼镜、口罩、手套、工作服等。
(3)施工过程中应严格按照操作规程进行,避免涂料接触皮肤、眼睛等部位。
(4)施工完成后,应清洗施工工具,防止涂料残留。
4. 污染处理(1)施工过程中产生的废弃物应按照国家相关法规进行处理。
(2)若涂料不慎溅入眼睛,应立即用清水冲洗,并寻求医生帮助。
(3)若涂料不慎接触皮肤,应立即用大量清水冲洗,并寻求医生帮助。
汽车涂装工艺与环保背景随着汽车市场竞争的日趋激烈以及环保呼声的日渐增高,汽车涂装在保证高装饰性、高防腐蚀性能的同时,对于环境保护的效果、涂装材料和涂装生产成本以及设备投资也越来越为重视。
在涂装工艺体系中,电泳漆的主要作用是防腐蚀,色漆的主要作用是满足用户对不同颜色的需求,清漆的主要作用是耐候、耐紫外线以及提高光亮度,上述三个涂层均是必不可少的。
涂装工艺可分为:一、前表面处理的作用(1)提高涂层对材料表面的附着力,材料表面有油脂、污垢、锈蚀产物等时,直接涂漆会造成漆膜对基材的附着力很弱,漆膜易整片剥落或产生各种外观缺陷。
(2)提高涂层对金属基体的防护保护能力,钢铁生锈后会产生不稳定的铁酸,它在涂层下锈蚀扩张,很快就使涂层丧失了保护功能。
如果除去铁锈在涂漆,涂层的保护作用就大大提高了(见表)。
各除锈方法对涂层防护的影响作者:一汽车集团 王锡春进入21世纪以来,汽车用涂料和涂装领域的世界性的重要课题是适应时代要求:环境保护、节能省资源和在高质量的基础上降低涂装成本。
从防止大气污染观点,要求削减VOC(挥发性有机化合物)排出量;从防止地球温暖化观点,要求削减CO2排出量;从防止水污染和克服全球缺水状况观点,要求节省用水量,提高水的循环利用率,实现零排放;同时为持续发展,必须提高资源利用率;为了实现清洁生产和随着国内外汽车市场竞争越来越激烈,利润空间大幅度变小,必须在保证高质量的基础上优化工艺降低成本。
轿车车身的三涂层涂装体系(3C3B):漆前磷化处理→阴极电泳底漆→溶剂型中涂→溶剂型面漆(和后期的底色漆+罩光清漆的面漆涂装工艺变成4C3B涂装体系),已有30年的历史。
为实现上述环保、节能省资源、降成本的时代要求,汽车涂装又一次进入了更新换代,革命性地大变革时代;依靠技术进步,更新观念,对现4C3B工艺开始动“大手术”的创新局面已经到来。
国外的经验是汽车厂、涂装材料公司和涂装设备及涂装机具公司紧密协作,联合攻关,立题分工负责。
双固化:硅氧烷型光-潮气双固化保形涂料的合成及光固化行为摘要:合成了一种以异氰酸酯为"桥"的硅氧烷-丙烯酸酯型光-潮气双固化保形涂料.探讨了引发剂、稀释剂等对其光固化行为的影响,结果表明,所合成的保形涂料存在较明显的氧阻聚现象,加入三丁胺可以抑制部分氧阻聚的影响.聚己内酯三元醇型双固化聚氨酯丙烯酸酯的合成及其固化膜性能研究摘要:以聚己内酯三元醇、异佛尔酮二异氰酸酯和羟基丙烯酸酯为原料,合成了一种新型聚氨酯丙烯酸酯.该树脂含有CC双键和未封闭的-NCO基团,可同时进行光固化和热固化反应.研究了不同双键含量对体系成膜性能的影响.结果表明,随着双键含量的上升,体系光固化后的摆杆硬度变大,耐溶剂性、玻璃化转变温度、铅笔硬度提高,但是柔韧性下降.同时发现,后期的热固化对体系的硬度和热性能有补强的作用,但是会在一定程度上导致涂膜的柔韧性下降.双固化聚氨酯丙烯酸酯的性能研究摘要:将三种双固化聚氨酯丙烯酸酯低聚物与环氧丙烯酸酯组成不同的双固化体系,利用实时红外(FT-IR)的方法研究了不同固化顺序(先光固化后热固化和先热固化后光固化)对体系中-NCO反应基团和C=C双键转化率的影响,结果显示先光固化后热固化的固化顺序更有利于体系达到高转化率.通过测试不同体系固化后的硬度和柔韧性,证明后期的热固化能大幅度提高涂膜的硬度.硅氧烷改性环氧丙烯酸酯及其紫外-湿气双固化涂层的性能摘要:以环氧树脂和丙烯酸合成环氧丙烯酸酯,再与正硅酸乙酯反应,合成硅氧烷改性的环氧丙烯酸酯.以FT- IR分析合成产物的结构和UV-湿气固化过程;研究UV-湿气双重固化硅氧烷改性环氧丙烯酸酯涂膜的性能.以正硅酸乙酯封闭环氧丙烯酸酯的羟基,使环氧丙烯酸酯的黏度降低82%;经紫外-湿气双重固化,改性环氧丙烯酸酯涂层的摆杆硬度、耐磨性、水接触角均比未改性样品大幅提升,起始热失质量温度比未改性环氧丙烯酸酯高约63℃.汽车用新型罩光涂料--UV和热双固化清漆摘要:轿车车身面漆涂装采用两涂层涂装工艺(即底色+罩光)已逐步成为面漆的典型涂装工艺,罩光涂料已成为关键的汽车涂料.介绍UV固化涂料的固化机理及其特征,新型双固化汽车用罩光涂料,双固化工艺及涂膜的优异性能以及新工艺的节能、环保效益及发展前景.有机硅改性聚氨酯丙烯酸酯光-潮气双固化体系摘要:由甲基丙烯酸羟乙酯、异佛尔酮二异氰酸酯和二-(γ-三乙氧基硅烷基丙基)胺为原料,合成了有机硅改性聚氨酯丙烯酸酯(Si-PUA)预聚物,预聚物属于宾汉流体. 用GPC凝胶渗透色谱方法测得预聚物的分子量分散度为1.12,用FTIR和光DSC示差扫描量热法(DPC)方法研究了预聚物的固化行为,光聚合反应的转化率为56.3%,用TG(热重分析)等方法研究了光、潮气固化膜的膜性能,发现光固化膜的电性能、热性能均好于潮气固化膜的膜性能.紫外光/湿气双固化聚哇氧烷树脂的制备及其固化机理的研究聚硅氧烷树脂可以通过硅羟基缩合及硅氢加成反应进行交联固化,同时固化产物具有优良的耐高低温性能和弹性的可调节性,在电子灌封以及建筑门窗密封等行业受到广泛应用,并且在诸多领域已经成为不可或缺的材料。
•UV/EB固化技术特点与应用背景•UV/EB固化技术在汽车原厂制造中的应用•车灯制造应用•汽车轮毂应用•汽车转向架轴及其它机械部件UV涂装保护•汽车保险杠与车体部件制造•汽车仪表盘与中控面板制造•汽车轮胎加工应用•车窗贴膜•汽车紧固件应用•汽车内饰应用•汽车内部、外部塑料仿金属件•UV固化汽车修补漆UV/EB 固化技术特点适应性广E nabling5 E featurers辐射固化技术特征不含溶剂快速固化,快速加工经济E conomical高效性E fficient环境友好E nvironmental Friendly 节能E nergy Saving固化能耗不足溶剂型烤漆的10%不足水性烤漆3%与溶剂型涂料固含成本相当高附着、耐磨,软硬皆可几秒钟固化UV/EB 固化技术特点与应用背景UV/EB 固化技术可以做什么?辐射固化技术—并非无所不能,但却无所不在辐射固化胶粘剂辐射固化油墨包装印刷油墨功能性油墨辐射固化涂料装饰保护涂料功能性涂料辐射固化技术与材料辐射固化复合材料FRPUV/EB 固化技术应用产业领域竹木家具辐射固化涂料油墨胶粘剂FRP复合材料包装印刷电器/电子涂装管道安装与修复LCD平板显示器核心制造OLED制造广泛粘接加工印刷电子PCB 卫生健康产品制造医疗器械与医药农林保水汽车/舰船/飞机制造风电/光伏/光热产业高铁涂装室内防污涂装装修建材涂装光纤制造UV/EB固化技术在汽车原厂制造中的应用2001巴塞尔(第一辆UV赛车)UV/EB固化技术应用于汽车制造,很多公司一直在努力。
2002年,福特汽车公司的UV固化汽车零件制造技术获得RadTech Award.●汽车构造复杂,零件众多●小汽车发展趋势:轻量化、电动化●主要材料:钢铁、铝合金、聚烯烃塑料、FRP(BMC 、SMC 等)、合成革、橡胶、化纤织物、玻璃等。
●辅材:涂料、胶粘剂、贴膜、油墨等。
车灯制造应用UV保护面漆金属镀层UV底漆灯罩基体PVDVacuum Metallization Coating (VMC)BMC材质车灯杯金属化涂装-反光主流汽车反光灯杯金属化涂装几乎100%采用UV底涂+UV面涂,甚至三涂。
1 耐候性阴极电泳底漆阴极电泳漆具有涂装效率高、经济安全、污染少、防腐蚀性能好、可完全实现自动化管理等特点,在汽车涂装上得到了迅速的普及应用。
近几年围绕节能和环保的要求,阴极电泳漆技术的发展速度很快。
无铅、无锡阴极电泳漆,低温烘烤型阴极电泳漆,高泳透力、低溶剂含量的阴极电泳漆,高锐边防腐性的阴极电泳漆等已经在涂装生产线上得到成熟应用。
但由于现用阴极电泳漆主体树脂(环氧树脂)的耐候性能差,随着汽车产品种类的增多及质量要求的提高,有些只涂电泳漆的零部件及总成不但要具有较高的耐腐蚀性能,还要具有一定的耐候性能(比如商用车车架总成等),因此国外涂料开发商开发了耐候性阴极电泳漆。
目前有两种技术路线可以提高电泳漆的耐候性能。
1.1 耐紫外线(UV )阴极电泳漆 耐UV 阴极电泳漆通过调整涂料配方,将原有的芳香族异氰酸酯改换成脂肪族异氰酸酯,并加入UV 稳定剂和UV 稳定的颜料来提高耐候性能。
涂料开发商用不同方法(包括大气曝晒、人工加速老化试验)测试了该涂料的耐UV 性能,结果都证明该阴极电泳漆耐UV 性能达到了与粉末中涂相当的水平。
耐UV 阴极电泳漆的开发是一个技术进步,已在国外某生产线上得到了应用。
耐UV 阴极电泳漆与现用阴极电泳漆性能的不同点列于表1中。
1.2 分层阴极电泳漆分层阴极电泳漆的主体树脂是环氧树脂和耐候性树脂的混合。
在漆膜烘烤过程中,不同的成分通过分层电沉析体现各自的机能,上层具有高耐候性能,下层具有高防腐性能(见图1)。
主要通过控制树脂特性Sp 值,使环氧树脂和耐候性树脂在涂膜固化时发生分离。
分层阴极电泳漆膜能耐400 h 人工老化试验,保光率为80%,漆膜的耐腐蚀性能与现用电泳漆相当,已在日本轻型车和商用车生产线上得到了应用,国内某商用车车架涂装线在3年前也应用了该种电泳漆。
目前,国内高档商用车和面包车采用金属漆涂装工艺,为降低涂装成本和V O C 排放,可以将中涂层取消。
要保证达到原有涂层质量,有两种技术措施:一是改变底色漆和罩光漆的性能,采用新的中汽车涂装用几种最新涂料与涂装工艺日益严格的环保法规的颁布实施及汽车市场日趋激烈的竞争,加快了汽车涂装材料和涂装技术不断更新与发展的步伐。
汽车漆的分类汽车漆是指涂覆在汽车表面的一种涂料,它不仅能保护车身免受外界环境的侵蚀,还能增加车身的美观度。
根据不同的材质和用途,汽车漆可以分为以下几种分类。
1. 烤漆:烤漆是目前最常用的汽车漆种类之一。
它通常采用喷涂的方式施工,并在喷涂后进行高温烘烤,使漆膜形成坚固的保护层。
烤漆具有耐候性好、色彩鲜艳、光泽度高等优点,是现代汽车制造中常用的漆种。
2. 水性漆:水性漆是一种环保型汽车漆,它使用水作为稀释剂,相比传统的溶剂型漆,对环境污染更小。
水性漆在施工过程中无毒无味,不含有害物质,对人体健康无害,因此受到越来越多消费者的青睐。
3. UV固化漆:UV固化漆是一种新型的汽车漆,它采用紫外线辐射技术进行固化。
UV固化漆具有固化速度快、硬度高、耐磨性强等优点,同时不含有机溶剂,对环境无污染。
但由于其技术要求较高,施工过程较为复杂,因此目前在汽车制造中应用较少。
4. 金属漆:金属漆是一种含有金属颗粒的汽车漆,它可以赋予车身独特的金属光泽效果。
金属漆的颜色鲜艳、质感强烈,能够提升汽车的豪华感和品质感。
然而,金属漆的施工难度较大,需要专业的技术和设备。
5. 磨砂漆:磨砂漆是一种具有磨砂效果的汽车漆,它能够使漆面呈现出类似于砂纸的粗糙质感。
磨砂漆常用于改装车身外观,能够带来独特的视觉效果和触感体验。
6. 换色漆:换色漆是一种具有颜色变化效果的汽车漆,它可以在不同的角度和光线下呈现出不同的颜色。
换色漆通常由多层漆膜组成,每层都含有不同颜色的颜料,通过光的折射和反射产生颜色变化的效果。
7. 水泥漆:水泥漆是一种用于汽车底盘防护的特殊漆种。
它具有良好的耐腐蚀性和抗磨损性,能够有效地防止底盘受到冲击和腐蚀。
总结起来,汽车漆的分类有烤漆、水性漆、UV固化漆、金属漆、磨砂漆、换色漆和水泥漆等。
每种漆种都有其独特的特点和适用范围,消费者在选择汽车漆时应根据自身需求和预算做出合理的选择。
同时,在使用和维护汽车漆时,也应注意保养和保护,以延长漆面的寿命和保持车身的美观。
罩光漆的成分罩光漆是一种常用的涂料,主要用于车辆、家具、电器等产品的表面装饰和保护。
它的成分主要包括树脂、溶剂、颜料和助剂。
树脂是罩光漆的主要成分之一,它可以提供漆膜的附着力和硬度。
常见的树脂有聚氨酯、丙烯酸酯等。
这些树脂具有优异的耐候性和化学稳定性,能够有效地保护被涂物体的表面。
溶剂是罩光漆中的溶解介质,主要用于将树脂和颜料溶解成漆液。
常见的溶剂有有机溶剂和水。
有机溶剂具有挥发性和溶解性强的特点,能够快速将漆液中的树脂和颜料溶解开,形成均匀的涂膜。
水溶性罩光漆则是利用水作为溶剂,具有环保、无毒、无污染的特点。
颜料是罩光漆的重要组成部分,它能够赋予涂膜丰富的颜色和光泽。
常见的颜料有有机颜料和无机颜料。
有机颜料色彩鲜艳,但耐候性较差。
无机颜料则具有良好的耐候性和化学稳定性,但色彩相对较暗。
为了兼顾色彩和耐候性,通常会采用有机颜料和无机颜料的混合。
助剂是罩光漆中的辅助成分,主要起到调节涂料性能和增强使用效果的作用。
常见的助剂有流平剂、消泡剂、增稠剂等。
流平剂能够提高漆膜的光滑度和平整度,消泡剂能够消除涂料中的气泡,增稠剂则用于调节涂料的流变性能。
除了以上主要成分外,罩光漆还可能添加一些其他的辅助成分,如硬化剂、稀释剂等。
硬化剂能够增加漆膜的硬度和耐磨性,稀释剂则用于调节涂料的粘度和干燥速度。
总结起来,罩光漆的成分主要包括树脂、溶剂、颜料和助剂。
树脂提供漆膜的附着力和硬度,溶剂将树脂和颜料溶解成漆液,颜料赋予涂膜丰富的颜色和光泽,助剂调节涂料性能和增强使用效果。
这些成分相互配合,使罩光漆能够满足不同材料的表面装饰和保护需求。
在使用罩光漆时,需要根据具体需求选择合适的成分和配方,以达到最佳效果。
探究光固化涂料在汽车制造上的应用在现代汽车制造业中,涂料是不可或缺的一环。
涂料被广泛应用于汽车零部件的表面处理和防护,不仅美观,而且可以延长汽车使用寿命。
随着科技的发展和人们环保意识的提高,光固化涂料作为一种新型的汽车涂料,正在被越来越多的汽车制造商采用。
光固化涂料具有独特的优势,值得我们深入探究。
一、什么是光固化涂料光固化涂料,也称光致固化涂料,是通过紫外线或电子束的照射进行固化的涂料。
光固化涂料包括一种光敏单体(例如甲基丙烯酸甲酯等)及其它辅助成分(例如光引发剂、光稳定剂、溶剂和助剂等)。
在对涂料进行加工前,将光敏单体、光引发剂、光稳定剂混合并经过过滤、脱泡后形成光固化涂料。
当紫外线或电子束照射到涂料表面时,光引发剂受到激发并释放活性物质,使光敏单体发生聚合反应,从而粘住在汽车零部件表面的涂层固化、硬化。
二、光固化涂料的优势相比其他涂料,光固化涂料具有很多优势。
首先,光固化涂料无溶剂挥发,臭味小,能够满足环保的要求。
其次,可以仅在涂覆区进行紫外线照射或电子束照射,不需要其它的加热处理,缩短涂装周期。
第三,光固化涂料的涂层表面硬度高,附着力强,耐化学品和划痕性能好,具有一定的防腐蚀能力。
最后,光固化涂料的涂层颜色稳定性好,有较好的光泽度和外观表现。
三、光固化涂料在汽车制造中的应用光固化涂料广泛应用于汽车制造中,包括车身、内饰、电气部件等多个范畴。
在车身涂装领域,光固化涂料可用于基板底漆、面漆及其它特殊涂层。
与其它涂料相比,光固化涂料能够在更短的时间内将薄膜硬化,从而提高生产效率。
同时,其硬度高、抗化学性能好,能够更好地保护车身表面,延长车辆使用寿命。
在内饰领域,光固化涂料可用于塑料件和木质件的涂装。
塑料件往往需要表面粘接、热成型、高温干燥及其它特殊处理,而光固化涂料可以在短时间内完成固化,并且可以保持较高的耐化学品性能和耐划痕性能。
另外,光固化涂料的颜色稳定性好,能够更好地满足汽车内饰颜色要求。
2020年第12期广东化工第47卷总第422期 · 33 · 汽车轮毂用厚膜罩光清漆的应用研究吴清双(广东四方威凯新材料有限公司研发中心,广东江门529085)[摘要]以高固低粘的热固性丙烯酸树脂及SCA改性丙烯酸树脂为主体,以正丁醚化三聚氰胺甲醛树脂及高亚氨基的三聚氰胺甲醛树脂为交联树脂,在附着力促进剂、流平剂、消泡剂等助剂及多种溶剂的配合下,制得了汽车轮毂用厚膜罩光清漆。
本文研究了主体树脂、氨基树脂、氨基比及各助剂的使用,解决了厚膜易流挂、附着力差以及边缘易锈蚀等难题。
产品具有可厚膜喷涂、附着力强、可重涂、防腐性能优异等优点,适用于汽车铝合金轮毂等领域的表面装饰与防护。
[关键词]汽车轮毂涂料;厚膜清漆;溶剂型清漆[中图分类号]TQ [文献标识码]A [文章编号]1007-1865(2020)12-0033-02Study on the Application of Thick Film Varnish for Automobile WheelWu Qingshuang(R & D Center Guangdong Sifang-Victory New Material Co., Ltd., Jiangmen 529085, China)Abstract: Based on high solid and low viscosity acrylic resin and SCA modified acrylic resin, n-butyl etherified melamine formaldehyde resin and high imino melamine formaldehyde resin as cross-linking resin, a thick film varnish for automobile wheel hub was prepared under the combination of adhesion promoter, leveling agent, defoamer and various solvents. In this paper, the main resin, amino resin, amino ratio and the use of various auxiliaries are studied, and the problems of thick film easy sagging, poor adhesion and edge easy rusting are solved. The product has the advantages of thick film spraying, strong adhesion, recoating and excellent corrosion resistance, which is suitable for the surface decoration and protection of automobile aluminum alloy wheel hub and other fields.Keywords: automobile wheel coating;thick film varnish;solvent varnish随着汽车行业的快速增长,国内汽车轮毂企业增速较快,同时市场需求也向着多元化发展。
汽车大灯uv漆生产工艺汽车大灯UV漆生产工艺随着人们对汽车外观要求的不断提高,汽车大灯的设计和制作也变得越来越重要。
在汽车大灯的制作中,UV漆是一种常用的材料,它能够提供良好的光线透过性和耐候性。
本文将介绍汽车大灯UV漆的生产工艺,以及其中的一些关键环节。
汽车大灯UV漆的生产过程通常包括以下几个步骤:表面准备、底涂、中涂、面涂和固化。
在表面准备阶段,需要对灯罩进行打磨和清洁,以确保涂层的附着力和光滑度。
接下来是底涂,它可以填平灯罩表面的不均匀性,并提供一个良好的粘附基层。
然后是中涂,它可以增加涂层的厚度和光泽度。
最后是面涂,它是整个涂装过程中最重要的步骤,决定了涂层的质量和外观效果。
最后,通过固化过程将涂层固化为一体,提高其耐候性和耐腐蚀性。
在整个生产过程中,控制涂料的质量和工艺参数是非常关键的。
首先是选择合适的涂料,根据灯罩的材质和设计要求来确定。
其次是控制涂料的粘度、固化时间和固化温度,以确保涂层的质量和性能。
此外,还需要注意涂装环境的温度和湿度,以避免对涂料的影响。
涂装设备也是影响涂层质量的重要因素之一。
常见的涂装设备包括喷涂枪、喷涂机和烤箱等。
喷涂枪和喷涂机可以控制涂料的喷射速度和喷涂厚度,而烤箱则可以提供恒定的固化温度和时间。
通过合理选择和使用涂装设备,可以提高涂层的均匀性和一致性。
还需要注意涂层的质量检测和控制。
在涂装过程中,可以通过目测、触摸和测量等方法来检查涂层的光泽度、厚度和附着力等指标。
同时,还可以使用一些仪器和设备来进行更精确的质量检测,如光泽度计、厚度计和附着力测试机等。
通过及时发现和处理涂层质量问题,可以提高涂装效率和产品质量。
总结起来,汽车大灯UV漆的生产工艺是一个复杂而精细的过程。
需要注意涂料选择、工艺参数控制、设备选择和质量检测等方面的问题。
只有通过科学的生产工艺和严格的质量控制,才能生产出具有良好外观和性能的汽车大灯。
汽车大灯不仅仅是车辆的照明工具,更是车辆的“眼睛”,它的外观和质量直接影响着车辆的整体形象和品质。
车灯真空镀膜用紫外光-热双重固化底漆及使用方法下载提示:该文档是本店铺精心编制而成的,希望大家下载后,能够帮助大家解决实际问题。
文档下载后可定制修改,请根据实际需要进行调整和使用,谢谢!本店铺为大家提供各种类型的实用资料,如教育随笔、日记赏析、句子摘抄、古诗大全、经典美文、话题作文、工作总结、词语解析、文案摘录、其他资料等等,想了解不同资料格式和写法,敬请关注!Download tips: This document is carefully compiled by this editor. I hope that after you download it, it can help you solve practical problems. The document can be customized and modified after downloading, please adjust and use it according to actual needs, thank you! In addition, this shop provides you with various types of practical materials, such as educational essays, diary appreciation, sentence excerpts, ancient poems, classic articles, topic composition, work summary, word parsing, copy excerpts, other materials and so on, want to know different data formats and writing methods, please pay attention!标题:车灯真空镀膜用紫外光-热双重固化底漆及使用方法引言在汽车美容行业,车灯的美观与保养是车主们非常关注的问题。
汽车大灯uv漆生产工艺汽车大灯UV漆生产工艺引言:汽车大灯是车辆的重要组成部分,不仅具有照明功能,还能提升车辆的整体美感。
而大灯的表面涂层则是保护其外观的重要一环。
本文将详细介绍汽车大灯UV漆生产工艺,从材料准备到涂装工艺,以及后续的固化和检验流程,旨在为读者全面了解汽车大灯涂装过程提供参考。
一、材料准备为了保证涂装效果和产品质量,首先需要准备好适宜的材料。
常用的汽车大灯UV漆主要由树脂、溶剂、颜料和添加剂组成。
树脂是漆膜的主要成分,负责提供涂膜的硬度和耐候性;溶剂则是树脂的载体,起到稀释和流平的作用;颜料用于调配漆膜的颜色和效果;添加剂则可以改善漆膜的附着力、耐磨性等特性。
二、涂装工艺1. 喷涂底漆:首先对大灯进行表面处理,去除污垢和氧化层。
然后使用专用的喷涂设备,将底漆均匀地喷涂在大灯表面上,形成一层保护性的底漆膜。
底漆的选择应根据具体要求,如耐候性、附着力等。
2. UV漆涂装:待底漆干燥后,进行UV漆的喷涂。
UV漆的特点是固化速度快,适合大规模生产。
在喷涂过程中,需要注意涂层的均匀性和厚度的控制,以及避免出现滴流和气泡等缺陷。
3. 固化:喷涂完成后,需要进行固化处理。
UV漆的固化是通过紫外线照射来实现的,照射时间和强度需要根据具体漆膜的要求进行调整。
固化后的漆膜具有良好的硬度和耐候性。
三、检验流程为了确保涂装质量和产品的可靠性,需要进行一系列的检验。
常见的检验项目包括漆膜厚度、附着力、耐磨性等。
其中,漆膜厚度可以通过专用仪器进行测量,附着力可以通过划格试验来评估,耐磨性则可以通过摩擦试验来检验。
四、总结汽车大灯UV漆生产工艺是一个复杂的过程,需要严格控制每个环节的操作和质量要求。
只有经过精心设计和严格执行的工艺流程,才能生产出质量稳定、外观漂亮的汽车大灯。
希望本文对读者对汽车大灯涂装工艺有所了解,并能为相关从业人员提供参考和指导。
结论:汽车大灯UV漆生产工艺是一项技术含量较高的工艺,需要仔细控制每个环节的操作。
汽车用新型罩光涂料UV和热双固化清漆王锡春 ( 中国第一汽车集团公司,长春 130011)摘要:轿车车身面漆涂装采用两涂层涂装工艺 ( 即底色 + 罩光 ) 已逐步成为面漆的典型涂装工艺,罩光涂料已成为关键的汽车涂料。
介绍 UV 固化涂料的固化机理及其特征,新型双固化汽车用罩光涂料,双固化工艺及涂膜的优异性能以及新工艺的节能、环保效益及发展前景。
关键词:罩光涂料;汽车涂料; UV 固化;热固化汽车用金属闪光色面漆涂装都采用两涂层面漆涂装工艺 ( 即底色 + 罩光工艺 ) ;为提高面漆涂膜的装饰性,本色面漆和水性面漆也采用两涂层面漆涂装工艺。
为适应环保法规的要求,环保型的汽车车身涂装工艺中采用水性底色漆已成为主流;而罩光涂料虽然有粉末罩光涂料 ( 含浆状粉末罩光涂料 ) ,而水性清漆、高固体分和超高固体分清漆已商品化,获得工业应用;但全世界的汽车制造厂还在进一步探索中,全世界的汽车涂料制造厂还在开发新的环保型罩光涂料。
如 BASF 公司在 2003 年南昌汽车涂装交流会上介绍的 TwinGloss 紫外线 (uv) 和热双固化清漆就是一例。
早在 1993 年,德国汽车界从环保和成本角度对选择什么样的罩光涂装体系,采用生命周期评估法LCA(Life Cycle Assessment) 对粉末罩光涂料 (PDCC 、 NV=97 % ) 、浆状粉末罩光涂料 (NV=38% ) 、溶剂型罩光涂料 (NV=48 % ) 、超高固体分罩光涂料 (SHSCC 、 NV=80 % ) 和水性罩光涂料(NV=43 % ) ,假设在日产 500 台轿车车身涂装线条件下的选用施工进行了剖析J 。
当时的评价意见是:在新建涂装线 ( 设备投资 ) 的前提下,溶剂型清漆和粉末清漆的成本指数相同。
在采用粉末清漆场合节省污水处理费用,降低了运营成本,但为保持涂膜外观,粉末清漆涂膜要厚 60 ~80 µ m ,其材料费用约为溶剂型清漆的 2 倍。
选用粉末清漆、浆状粉末清漆和水性清漆时,存在设备不能适用的难题,必须购置新设备。
相比之下,超高固体分清漆可使用原有设备进行涂装,这对降低面漆的总成本有利。
从环保 (VOC 排出污物 ) 、节能的角度,粉末罩光涂料最优。
烘干能量消耗,各种罩光涂料间差别不大。
另外可使用现有设备的超高固体分罩光涂料是今后不可忽视的环保型涂料之一。
近 l0 年来,世界环保法规不仅对挥发性有机化合物 (voc) 的排放量有限制,对 CO2 的排放量也要限制,对面漆涂膜的功能性 ( 耐酸雨,抗划伤性 ) 和外观装饰性提出了更高的要求。
近年开发的 UV 和热双固化罩光涂料,用于汽车外表面涂装在环保、节能、涂膜性能 ( 外观装饰性,耐酸雨和抗划伤性 ) 和涂装成本等方面都有较强的竞争力。
国内已有几条摩托车零部件生产线采用 UV 固化涂料。
本文对 UV 固化型涂料的特征及固化机理、优缺点、双固化法、应用实例等作一知识介绍。
1 Uv 固化型涂料的特征UV(Ultra Violet 紫外线 ) 是波长在可见光外的 200 ~ 400 nm 范围的短波长不可见光。
UV 固化型涂料是籍助照射 UV 光,引起交联反应,形成干涂膜的涂料。
UV 固化形式有基团聚合和阳离子聚合。
而阳离子聚合其优点不需使用光引发剂,但固化时制约条件太严。
实用化的 UV 固化型涂料仅是基团聚合,基团聚合固化形式如下式所示:I :光引发剂 (Photo Initiater) ;I *:已活性化的光引发剂I* +M → I+M *M :含有不饱和基团 ( 双键 ) 的成分;M* +M → MM *M* :已活性化的含有不饱和基团的成分光引发剂受 Uv 照射被活性化,发生基团。
这种基团使 Uv 固化成分 ( 含有不饱和基的单体,聚合物 ) 中的不饱和基活性化,引起聚合反应,进行交联。
Uv 照射时间以秒单位计,与原来的热固化型涂料的固化形式 ( 附加聚合,缩聚合 ) 相比较,可以大幅度地缩短固化时间。
UV 固化型涂料的长处和短处列于表 1 中。
表 1 uv 固化型涂料的长处和短处从表 1 中可知: Uv 固化型涂料的长处很明显,但其短处要用于汽车、摩托车的外表面涂装,会存在 3 个致命缺点。
一是形状复杂的被涂物会发生 Uv 照射不到的阴影部位,产生固化不足,凸出部位可能产生 Uv 照射能量过剩而发生变黄现象。
而要所有的部位照射同量的 Uv 光 ( 照射能量 ) 是不可能的。
二是 Uv 固化时的黄变性。
变黄是由光引发剂所引起,一般理论是光引发剂在 Uv 照射时产生的副产物为发色团。
浅色 ( 白珍珠色、金属感的银灰色 ) 的汽车涂膜无法采用有黄变性的光固化型涂料。
三是耐候性不足。
Uv 固化形式自身基团聚合,交联密度高,不易受光、热、水的影响产生老化、分解。
可是, Uv 照射时不能理想地消耗全部光引发剂, Uv 照射后,还有较多的光引发剂受自然界 Uv 光的激励,产生基团,它是涂膜变黄和劣化的原因。
涂膜开裂是由涂膜中的残留应力引起的。
Uv 固化速度快( 固化时间以秒计 ) ,可大幅度缩短固化时间,但其反面是固化时产生的涂膜的残留应力要比热固化型涂料大数十倍。
新开发的 Uv 和热双固化的罩光涂料已能克服上述 3 个致命的缺点。
2 Uv 和热双固化型涂料的基础技术以上介绍的是一般 Uv 固化型涂料和涂膜的特征。
双固化法(Twin Cure System) 系指 Uv 固化和热目化并用 ( 混合使用 ) 的涂膜固化方法。
Uv 固化成分是靠 Uv 照射形成的基团聚合的网状结构物。
在同一涂膜中的热固化成分是靠热能形成附加聚合 ( 聚氨酯结合 ) 的网状结构物,成为内渗透网状 (IPN — Inter Penetrating Network) 构造,固化机理见图 1 。
图 1 中所示的热固化法的代表例为丙烯酸聚氨酯固化体系,选用丙烯酸三聚氰胺固化体系和酸一环氧固化体系等也无任何问题。
图 1 固化机理双固化法使克服 Uv 固化型涂料及 Uv 固化法的阴影部涂膜固化不足、涂膜黄变性和耐候性不足等作为汽车外涂装的罩光涂料时的致命缺点成为可能。
首先,关于复杂形状被涂物的阴影部的 Uv 照射量( 能量 ) 不足,由热固化成分的交联来弥补 Uv 成分的固化不足,使涂膜性能达标。
关于 Uv 固化时变黄性、变黄量受 Uv 成分及所加光引发剂量的支配,籍助于 Uv 固化和热固化并用,来减少 Uv 成分量及所加光引发剂量,也就抑制了黄变性。
同样籍助减少光引发剂用量,来抑制 uv 照射后干涂膜中残留光引发剂的量解决了耐候性不足的问题。
还有产生开裂问题,靠 uV 固化与热固化并用的方法可使 Uv 固化时基团聚合产生的涂膜中的残留应力得到缓和。
双固化法的固化工艺如图 2 所示。
图 2 双固化法的固化工艺工序 1 ,蒸发涂膜中所含溶剂的预加热工序。
它在双固化法固化工艺中起着非常重要的作用。
因涂膜中残存溶剂在 uV 照射场合,仅涂膜表面层 uv 固化,内部未固化。
严重的场合,涂膜起皱,用手指抓压涂膜有凹陷、柔软的感觉,表明固化不足,而在轻微蒸发不足的场合,看不出表面上的涂膜缺陷。
但在长期的耐湿性、耐候性试验场合下,与溶剂完全挥发后 uV 照射的涂膜相比,有着显著的涂膜物性差异。
第一道工序必须要充分蒸发掉涂膜中所含有的溶剂。
工序 2 ,照射 UV 光使涂膜中 UV 固化成分形成基团聚合的网状结构。
不言而喻,是充分给予推算UV 固化所需的 UV 能量。
工序 3 ,使热固化成分靠热能形成附加聚合 ( 聚氨酯结合 ) 的网状结构的后加热工序。
如图 2 所示的那样,先使 uv 成分固化,再在 uv 固化的网状结构间使热固化成分附加聚合 ( 聚氨酯结合 ) ,形成 IPN 构造。
总之,工序不能倒置布置,在热固化— UV 固化场合,将产生以下两个问题:第一,是 UV 成分的固化受阻碍。
热固化成分的网状结构形成后,再 uV 照射,由于涂膜高分子比,迁移性下降,使 uV 成分达不到所规定的聚合率。
第二,外观装饰性差。
选用 UV 固化型罩光涂料原有的目的之一是改善外观,按图 2 的固化工艺执行, UV 照射后能形成镜面那样的平滑外观。
可是,热固化—UV 固化场合,受热固化成分对外观装饰性的支配,易生成桔皮。
3 应用实例 b 0( 摩托车汽油箱罩光涂装工艺设计 )图 3 所示的是 UV 罩光涂装生产线的布置设计。
其特征是被涂物 ( 摩托车汽油箱 ) 在涂装、固化过程中旋转。
“旋转”是使油箱各部位照射的 uv 光 ( 照射能量 ) 均一,无阴影部位。
涂装时也“旋转”是防止产生垂流,涂装不均,溜痕等涂装缺陷,另外可厚膜涂装,改善外观装饰性,不需熟练的喷漆工,采用机械手实现自动涂装。
在一条涂装线上可生产大小不同、形状复杂的摩托车汽油箱 50 种以上。
图 3 摩托车 UV 固化型罩光涂装线布置与热固化型罩光涂装线的比较列于表 2 中。
表 2 与热固化型罩光涂装线的比较UV 涂装线的全长、工程时间约为原有的热固化型涂装线的 1 / 3 ,非常紧凑。
测定涂膜的映像性,以 PGD 值评价涂膜的外观装饰性, uv 罩光涂膜外观呈镜面状态, PGD 值为 1 . 0 。
喷涂实现了无人涂装 ( 机械手自动喷涂 ) ,其他 3 项指数都以热固化型罩光为 100 计。
从表 2 的结果来看,单位被涂物 ( 油箱 ) 的加工成本 ( 含涂料成本 ) 可降低 50 %以上。
日本油脂· BASF 涂料公司的辐射罩光涂层在冲绳曝晒了 3 年的试验结果列于表 3 中。
表 3 辐射罩光涂层的耐候性试验结果由表 3 可见, 3 种底色漆的光泽保持率结果良好,都在 9O %以上。
uV 固化涂料的问题点是白色的变黄性,结果保色性良好,曝晒前后的色差仅为 AE=1 . 5 。
目测检查外观, 3 种底色漆未发生开裂缺陷。
这证明该罩光涂料的耐候性已具有适用于汽车、摩托车外涂装用途的高耐久的水平。
4 汽车用罩光涂料 ( 涂膜 ) 的技术要求轿车车身的涂层配套工艺一般为:漆前处理 ( 磷化处理 ) →阴极电泳底漆 (CED) →烘干→中涂→烘干→底色涂层 (Basecoat 简称 BC) →晾干 (Flash — off) →罩光涂层 (Clearcoat 简称 CC) →烘干。
底色罩光采用“湿碰湿” (Wet on Wet) 工艺。
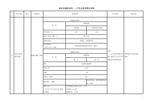
罩光涂层的干膜厚度一般为 35 ~40 µ m ( 有个别厂家为提高外观装饰性控制到 50 µ m 左右 ) 。
罩光是轿车车身涂装的最后一道工序,它直接影响涂层的外观装饰性,耐久性 ( 耐候性,保光保色性,耐酸雨性等 ) ,抗划伤性,抗污耐油和耐化学药品性等,因此对罩光涂料及涂层的技术要求较高,通常的要求有以下几方面。