储能点焊机
- 格式:doc
- 大小:245.00 KB
- 文档页数:2
储能点焊机原理
储能点焊机是一种利用电能储存装置进行点焊的设备,其工作原理是通过储能
装置储存电能,然后在需要进行点焊时释放电能,通过电流产生高温,使焊接件瞬间熔化并连接在一起。
储能点焊机的原理和工作过程如下:
1. 储能装置充电,储能点焊机的储能装置通常采用电容器或电池进行储能。
在
点焊之前,需要将储能装置进行充电,将电能储存起来以备使用。
2. 控制系统准备,在储能装置充电的同时,控制系统也开始准备工作。
控制系
统会监测储能装置的充电情况,并在达到设定数值后发出点焊指令。
3. 点焊过程,当控制系统发出点焊指令后,储能装置会释放储存的电能,通过
电流产生高温。
高温使得焊接件表面瞬间熔化,形成熔池,然后焊接头与工件接触,利用电流的热效应使焊接头与工件瞬间熔化,然后冷却凝固,形成焊点。
4. 控制系统监测,在点焊过程中,控制系统会持续监测焊接电流、电压和时间
等参数,确保焊接质量达到要求。
5. 冷却和固化,焊接完成后,焊接头与工件冷却凝固,形成牢固的焊点。
储能点焊机的原理是利用储能装置储存电能,并在需要时释放电能进行点焊。
其优点是焊接速度快,焊接质量高,适用于各种金属材料的点焊。
同时,储能点焊机还具有能耗低、环保等优点,是一种高效、节能的焊接设备。
总的来说,储能点焊机的原理是利用储能装置储存电能,并在需要时释放电能
进行点焊。
通过控制系统的监测和控制,实现高效、高质量的焊接过程。
这种原理的点焊机在工业生产中得到了广泛的应用,成为了现代焊接技术中不可或缺的一部分。
储能点焊机工作原理储能点焊机是一种广泛应用于汽车制造、电子产品制造等领域的焊接设备。
它利用储能电容器的电能储存和释放,通过高电流瞬间放电来完成金属材料的焊接。
储能点焊机工作原理相对简单,主要包括储能、放电和焊接三个过程。
储能过程是储能点焊机的第一步。
当储能点焊机接通电源时,电能从电源输入到储能电容器中。
储能电容器是储能点焊机的核心部件,它能够快速存储大量电能并在需要时迅速释放。
储能电容器通常由多个电容器组成,以增加储能容量。
在储能过程中,电能通过充电电路充电,使储能电容器的电压逐渐上升,直到达到设定的储能电压。
放电过程是储能点焊机的第二步。
当需要进行焊接时,储能电容器中的电能需要迅速释放。
通过控制放电开关,储能电容器中的电能被瞬间放电,产生高电流。
放电开关在放电过程中起到关键作用,它能够使储能电容器的电能快速释放,并将电流导入焊接电极。
放电时间的控制非常重要,过长或过短的放电时间都会影响焊接质量。
焊接过程是储能点焊机的最后一步。
在放电过程中,通过焊接电极将电流导入待焊接的金属材料。
当高电流通过金属材料时,由于电阻产生了大量热量,导致金属材料局部熔化。
当电流停止时,金属材料迅速冷却并凝固,完成焊接过程。
焊接电极的设计和选择对焊接质量有着重要影响,要考虑到焊接材料的导电性和热传导性。
储能点焊机工作原理的关键是储能电容器的电能储存和释放。
储能电容器能够在很短的时间内释放大量电能,产生高电流,从而实现金属材料的焊接。
储能点焊机在焊接过程中具有高效、快速和稳定的特点,能够满足大批量生产的需求。
总结一下,储能点焊机工作原理主要包括储能、放电和焊接三个过程。
在储能过程中,电能从电源输入到储能电容器中。
在放电过程中,储能电容器中的电能被瞬间放电,产生高电流。
在焊接过程中,通过焊接电极将电流导入待焊接的金属材料,实现焊接。
储能点焊机的工作原理简单明了,通过储能电容器的电能储存和释放来实现金属材料的焊接,具有高效、快速和稳定的特点。
DP500双脉冲电容储能精密点焊机简介1. DP500双脉冲电源的特点本机是500焦耳电容放电的多功能双脉冲电源,此种电源能有效地解决多数精密﹑细小零件的焊接问题,其中包括精密的定位焊接。
本机特有的焊接锁定功能可保证焊接质量不受外线电压变化或操作频率及速度的影响。
双脉冲焊接,不仅能改进焊接质量,更可消除火花飞溅,每个焊接过程有两个独立可调的脉冲放电,一个脉冲用来清除镀层或污染物,使被焊件的表面状态得以改良,以实现电极及焊接面之间良好接触,然后第二个脉冲将被焊件可靠地焊接在一起。
DP500双脉冲电源与焊头的分立模块式设计使其可适用手工焊头,机械式气动式焊头,更可应用于自动线上与自动焊头配合使用。
2. 技术条件(1)储能:8.75~875瓦*秒(焦耳)可单脉冲/双脉冲式工作。
(2)连接焊头:气动焊头/机械式(脚踩)焊头。
(3)电源指标:最大功耗:充放电时 1800w待命时 50w工作电压范围: 180V-250V (标准型)(4)自动保护功能:f.当因正常关断或不正常原因,切断供电时,内部自放电保护线路会自动接入工作,将电容上存储的电量在20秒时间内全部放完。
b.当外电源电压超出正常工作范围引起储能电容过电压时,断路器会在5.5S时间内切断DP500与外线的联接,以保护DP500不受损坏。
(5) 焊接速度设置能量%重复速率(次/分)最高速率(次/分)2 170 11010 120 11025 80 8050 55 6075 40 50100 30 35条件环境温度25℃220V/50Hz(6)焊接程序及参数a.可存储10个焊接程序b.关机焊接保存时间 100年(7)物理特性a.DP500电源控制箱L*W*H(cm):56.5*37.5*29WEIGH(kg):40b.DP500输出变压器箱高:L*W*H(cm):34.5*33*24WEIGH(kg):561.0 DP500双脉冲电源的特点本机是875焦耳电容放电的多功能双脉冲电源,此种电源能有效地解决多数精密﹑细小零件的焊接问题,其中包括精密的定位焊接。
工作行为规范系列交流点焊机和储能点焊机的不同(标准、完整、实用、可修改)编号:FS-QG-52918交流点焊机和储能点焊机的不同The difference between AC spot welder and energy storage spot welder 说明:为规范化、制度化和统一化作业行为,使人员管理工作有章可循,提高工作效率和责任感、归属感,特此编写。
一、交流点焊机1.交流点焊机是一种能将工件牢牢焊接在一起的机器。
交流点焊机是由由降压变压器、电流调节器和散热系统以及焊接导线、把手等附件组成。
焊接时不必使用电焊条,只需把欲焊接的两工件分别作为电路的两个电极,利用接触电阻处产生的高温,将金属瞬间熔化,从而将工件牢牢焊接在一起。
交流点焊机安全操作规程(1)焊接操作及配合人员必须按规定穿戴劳动防护用品。
并必须采取防止触电、高空坠落、瓦斯中毒火灾等事故的安全措施。
(2)现场使用的电焊机,应设有防雨、防潮、防晒的机棚,并应装设相应的消防器材。
(3)焊接现场10m范围内,不得堆放油类、木材、氧气瓶、乙炔发生器等易燃、易爆物品。
(4)使用前,应检查并确认初、次级线接线正确,输入电压符合电焊机的铭牌规定。
接通电源后,严禁接触初级线路的带电部分。
初、次级接线处必须装有防护罩。
(5)次级抽头联接铜板应压紧,接线柱应有垫圈。
合闸前,应详细检查接线螺帽、螺栓及其他部件并确认完好齐全、无松动或损坏。
接线柱处均有保护罩。
(6)多台电焊机集中使用时,应分接在三相电源网络上,使三相负载平�。
多台焊机的接地装置,应分别由接地极处引接,不得串联。
(7)移动电焊机时,应切断电源,不得用拖拉电缆的方法移动焊机。
当焊接中突然停电时,应立即切断电源。
(8)严禁在运行中的压力管道、装有易燃易爆物的容器和受力构件上进行焊接。
(9)焊接铜、铝、锌、锡、铅等有色金属时,必须在通风良好的地方进行,焊接人员应戴防毒面具或呼吸滤清器。
(10)在容器内施焊时,必须采取以下的措施:容器上必须有进、出风口,并设置通风设备;容器内的照明电压不得超过12V,焊接时必须有人在场监护。
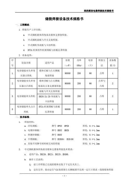
储能焊接设备技术规格书一.工程概述:1.焊接生产工序名称:a.中式烟机箱体四角部及箱体支撑条焊接。
b.中式烟机面板与开关支架焊接。
c.中式烟机导流板与卡扣焊接。
d.DT21机架组件机架围板与挂板孔罩焊接2.设备选型:二.技术标准:1.焊接材料:a.冷轧钢板: 牌号 SPCC SPCD 厚度:0.4-1.2mmb.电镀锌钢板: 牌号 SECC SECD 厚度:0.4-1.2mmc.热镀锌钢板: 牌号 SGCC 厚度:0.4-1.2mmd.不锈钢板: 牌号 SUS304 SUS430 厚度:0.4-1.2mme.其他不同牌号材料相互间的焊接厚度:0.4-1.2mm2.中式烟机箱体四角部及箱体支撑条焊接技术要求:a.适用产品:DS20、DS21、DS23、DS08。
b.操作工艺流程:1)前工序焊接已完成的箱体安装于下定位夹具上。
2)定位完毕,按动定位气缸按钮使左右侧板撑开达到一定尺寸要求(保障箱体焊接处放平整,预防上电极压下使焊接处变形),机箱定位夹具气缸向下将机箱滑动到下电极上,3)双手按动启动按钮,焊接机将按照预先设定好的程序进行予压、焊接、锻压。
4)焊接完毕,下电极滑台自动复位,同时机箱定位夹具气缸向上将工件送出。
5)将工件卸出,转下工序。
c.产品质量要求:焊接完成后整体尺寸宽720±0.5mm/750±0.5mm,对角线尺寸为±1mm。
左右侧板不可有变形、刮花、凹凸不平、压伤等不良现象导致打磨。
d.焊点数量:DS20箱体每侧为单点,DS21/23/08箱体每侧为2点(如是焊接强度达到,可单点焊,虚焊率为零)。
e.焊接强度:单点撕裂强度不低于400N。
f.下电极座至地面高度:1000~1100mm。
g.双头焊机中间间距可调范围:650~800mmh.焊接操作按钮:红色双手按钮。
i.夹具气缸按钮:绿色单手按钮。
j.安全保障:光电保护。
k.岗位操作人员:1人。
l.焊接效率:每小时产能320~350件m.焊接工艺要求:1)焊接后表面应平整、无凹凸不平;2)零部件焊接后无脱焊、虚焊、焊穿等缺陷。
点焊机操作规程15篇【第1篇】点焊机平安操作规程(9)点焊机平安操作规程1.作业前,应清除上、下两电极的油污。
通电后,机体外壳应无漏电。
2.启动前,应先接通控制线路的转向开关和焊接电流的小开关,调节好极数,再接通水源、气源,最后接通电源。
3.焊机通电后,应检查电气设备、操作机构、冷却系统、气路系统及机体外壳有无漏电现象。
电极触头应保持光滑。
有漏电时,应立刻更换。
4.作业时,气路、水冷系统应畅通。
气体应保持干燥。
排水温度不得超过40℃,排水量可按照气温调整。
5.严禁在引燃电路中加大熔断器。
当负载过小使引燃管内电弧不能发生时,不得闭合控制箱的引燃电路。
6.当控制箱长久停用时,每月应通电加热30min。
更换闸流管时应预热30min。
正常工作的控制箱的预热时光不得小于5min。
【第2篇】电点焊机平安操作规程1、把握普通电器学问,遵守焊工普通平安规程,认识灭火技术办法,焊机应有良好的接地。
2、工作前应检查电(点)焊机的各接点是否结实良好、焊机二次线路及外壳须良好接地,检查电压值、气压值应合乎要求,冷却水应有供给保证。
3、工作时要穿好绝缘防护用品,电(点)焊机不得处在高温或湿润地方和易燃地方,焊接地点距乙炔、氧气,应有10米以上。
(液化石油气两米以上)4、电源接线,检查线路、接地等工作均应由电工举行,推闸刀开关时,身体要偏斜些,要一次推足,再开启电(点)焊机,停机时,先要关电焊机,才干拉开电源闸刀开关。
5操作时,带好防护镜罩,烧焊时须做好防漏煤气而引起的事故的平安措施后才干操作。
6、工作完毕应关闭电焊机、断电、断气源和水源、清理场地、检查有否留下火种,把工具工件放好。
【第3篇】点焊机平安操作规程点焊机的平安操作规程一、工作前必需清除油渍和污物,否则将严峻降低电极的使用期限,影响焊接质量。
二、焊机通电后,应检查电气设备、操作机构、冷却系统、气路系统及机体外壳有无漏电等现象。
三、焊机起动前,首先接通控制线路的转换开关和焊接电流的小开关,安插好级数调整开关的闸刀位置,接通水源、气源、控制箱上各调整按钮,最后接通电源、即可举行工作。
储能点焊机操作指南(二)引言概述:储能点焊机是一种高效、精准的焊接设备,广泛应用于电池制造、汽车制造及其他领域。
本文将为您介绍储能点焊机操作指南的第二部分,包括设备的操作要点、焊接参数的设定、维护保养等方面。
通过本文的指导,您将能够更加熟练地操作储能点焊机,提高焊接质量和效率。
正文:一、设备操作要点1. 安全操作:在操作储能点焊机前,确保身穿适当的防护装备,如防护眼镜、防火服等。
同时,将储能点焊机放置在稳定的工作台面上,避免意外碰撞。
2. 电源接入:将储能点焊机的电源线正确接入电源插座,并检查电源电压是否符合设备要求。
避免接入不稳定的电源,以免损坏设备或造成人身伤害。
3. 控制面板设置:根据焊接要求,在储能点焊机的控制面板上设定合适的焊接参数,如焊接时间、电流大小等。
确保设备能够提供适宜的焊接能量。
4. 工件装夹:将待焊接的工件正确装夹在储能点焊机的焊接台面上,确保工件稳固且与焊机电极接触良好,避免焊接不牢固或焊接点不准确。
二、焊接参数的设定1. 焊接时间设定:根据工件的材料和厚度,合理设定焊接时间。
通常,较薄的工件需要较短的焊接时间,而较厚的工件需要较长的焊接时间。
2. 电流大小设定:根据焊接要求和工件材料,设定适宜的电流大小。
电流过小可能导致焊接点强度不足,电流过大则会造成焊接点过热。
3. 电极压力设定:控制储能点焊机的电极压力,使其能够与工件保持适当的接触。
压力过小会使焊接点不牢固,压力过大则会导致工件变形或破裂。
4. 电极的清洁与调整:定期检查和清洁储能点焊机的电极,确保电极表面光洁、不生锈。
如发现电极磨损或变形,需及时更换或调整,以确保焊接质量。
三、工作环境与安全措施1. 通风环境:在储能点焊机操作过程中,保持工作环境通风,避免产生过多的焊接烟尘。
如有必要,可配备通风设备以减少对操作者的影响。
2. 火源附近禁止使用:在操作储能点焊机时,禁止在附近使用明火或其他火源,以免引发火灾事故。
3. 避免水分接触:储能点焊机属于电器设备,为避免设备短路及人身伤害,切勿将其接触水分或放置在潮湿环境中。
储能点焊机操作指南储能点焊机操作指南1、简介1.1 储能点焊机的定义1.2 储能点焊机的作用1.3 储能点焊机的组成部分2、安全操作2.1 储能点焊机的安装2.2 储能点焊机的调试2.3 储能点焊机的使用前准备2.4 储能点焊机的操作注意事项2.5 储能点焊机的维护保养2.6 储能点焊机的紧急处理措施3、操作步骤3.1 储能点焊机的启动与关闭3.2 储能点焊机的设置参数3.3 储能点焊机的工作流程3.4 储能点焊机的焊接操作3.5 储能点焊机的焊后处理4、故障排除4.1 储能点焊机常见故障及解决方法4.2 储能点焊机故障代码解析5、附件5.1 储能点焊机操作示意图5.2 储能点焊机维修记录表5.3 储能点焊机操作视频教程6、法律名词及注释6.1 法律名词1:法律名词解释6.2 法律名词2:法律名词解释6.3 :::以上为储能点焊机操作指南的详细内容,包括了简介、安全操作、操作步骤、故障排除等具体章节。
为了更好地操作和维护储能点焊机,建议请按照本指南的步骤进行操作,并遵守相关的安全操作规定。
本文档涉及附件:1、储能点焊机操作示意图:详细展示储能点焊机的结构和操作步骤。
2、储能点焊机维修记录表:用于记录储能点焊机的维修情况和维护记录。
3、储能点焊机操作视频教程:提供视频教程,可视化演示操作步骤和注意事项。
本文所涉及的法律名词及注释:1、法律名词1:法律名词解释:解释该法律名词的定义和用法。
2、法律名词2:法律名词解释:解释该法律名词的定义和用法。
电容储能点焊
电容储能点焊机是一种利用电容储能,然后瞬间释放电能进行点焊的设备。
它主要由以下几部分组成:
1.储能部分:由电容器和充电装置组成。
电容器用于储存电能,充电装置用于将电容器充满电。
2.放电部分:由变压器、整流器和触发器组成。
变压器用于将电容器储存的电能转换成高压脉冲电流,整流器用于将交流电转换成直流电,触发器用于控制放电的时机。
3.焊接头:由两个电极组成,用于将焊接电流引入被焊工件。
电容储能点焊机的基本工作原理是:先将电容器充满电,然后通过触发器控制放电,使高压脉冲电流流过被焊工件的接触点,在接触点处产生电阻热,使被焊工件熔化形成焊点。
一、电容储能点焊机具有以下优点:
1.焊接电流大,焊接效率高。
2.焊接热影响区小,焊点质量好。
3.可焊接不同材质的金属。
4.操作简单,易于维护。
5.电容储能点焊机广泛应用于电子元器件、汽车制造、航空航天等行业。
二、电容储能点焊机的焊接工艺参数主要包括:
1.焊接电流:焊接电流的大小决定了焊点的熔深和熔宽。
2.焊接时间:焊接时间决定了焊点的热量输入。
3.焊接压力:焊接压力决定了焊点的接触电阻和熔化状态。
在选择电容储能点焊机时,应根据被焊工件的材质、厚度、形状等因素进行综合考虑。
华士科技(香港)有限公司 惠州市华士焊接设备有限公司电容储能气动式点焊机(WD-20DC)使用说明书非常感谢您购买华士焊接设备! 非常感谢您购买华士焊接设备! 使用前请仔细阅读本说明书, 使用前请仔细阅读本说明书,以便正确使用。
以便正确使用。
I S O 9 0 0 1 : 2 0 0 0认 证 企 业 N O:C N A B 0 3 8 - - Q香港公司: 香港公司: 华士科技( 华士科技(香港) 香港)有限公司Hwashi Technology (Hongkong) Co., Ltd.广东公司: 广东公司: 惠州市华士焊接设备有限公司Huizhou Hwashi Welding Equipment Co., Ltd.地址:香港上环文咸东街 65-67 号喜 利商业大厦 15A1 电话: (852)21320923 传真: (852)21320923地址: 惠州市新墟镇塘吓产径工业区 电话: (0752)3337591 3337592 传真: (0752)3529080 E-mail:hk@ 24 小时技术咨询电话:138********全国服务热线:4008-110-125电容储能式点焊机使用说明书 第 1 页 服务热线:(0752)3337591 3337592 (0)138********传真:(0752)3529080华士科技(香港)有限公司 惠州市华士焊接设备有限公司目一.安全事项 二.工作原理 三.用途 四.特点 五.用料配置录六.各机型型号规格 七.机械尺寸及焊接能力 八.设备安装 九.焊接前的准备 十.操作说明( 操作说明(附图) 附图) 十一. 十一.工作焊接流程 十二. 试焊 十三. 焊机的保养与维护 十四. 焊接故障指南 十五. 储能机故障指南 十六. 维修 十七. 附件 十八. 气动气路连接图 十九. 电路接线图电容储能式点焊机使用说明书 第 2 页 服务热线:(0752)3337591 3337592 (0)138********传真:(0752)3529080华士科技(香港)有限公司 惠州市华士焊接设备有限公司尊贵的客户: 尊贵的客户:当我们的设备进入您的工厂时: 当我们的设备进入您的工厂时: 请认真研读本说明之正确使用方法和注意事项; 请认真研读本说明之正确使用方法和注意事项; 您的设备在我们公司电脑已经建档, 您的设备在我们公司电脑已经建档,我们随时关注您设备的使用状况; 我们随时关注您设备的使用状况; 我们将定期做客户售后服务调查, 我们将定期做客户售后服务调查,您对设备的使用情况, 您对设备的使用情况,改良意见及需解决 的问题回执我们, 的问题回执我们,您将会得到及时的回复; 您将会得到及时的回复; 一年免费保修, 一年免费保修,终身维护, 终身维护,有技术问题随时联络我们; 有技术问题随时联络我们; 长期提供焊接工艺技术支持, 长期提供焊接工艺技术支持,免费培训作业人员; 免费培训作业人员; 技术不断创新, 技术不断创新,相关技术数据及用料配置如有变更, 相关技术数据及用料配置如有变更,恕不另行通知。
储能点焊机操作指南储能点焊机是一种常用的焊接设备,用于将金属片或导线通过电流进行连接。
本文将为您介绍储能点焊机的基本操作指南,帮助您正确使用该设备。
1. 设备准备在开始操作储能点焊机之前,确保设备处于良好的工作状态。
首先,检查设备的电源和电线是否连接牢固,以及电源开关是否关闭状态。
然后,检查设备的电缆是否无损坏。
最后,确认焊接垫是否已正确安装在储能点焊机上。
2. 材料准备在进行焊接之前,您需要准备好要连接的金属片或导线。
将它们清理干净,确保表面没有灰尘、油脂或其他污垢。
使用砂纸或清洁剂可以帮助您清除这些污垢,以确保焊接连接的可靠性。
3. 参数设置储能点焊机通常具有可调节的参数,例如电流大小、焊接时间和电极压力等。
在进行焊接之前,根据您的需要和具体金属材料,正确设置这些参数。
一般来说,较低的电流和较短的焊接时间适用于较薄的金属材料,而较大的电流和较长的焊接时间适用于较厚的金属材料。
4. 保护措施储能点焊机在操作过程中会产生高温,因此您需要采取一些必要的保护措施以避免受伤。
首先,戴上耐高温手套以防止手部被烧伤。
其次,确保工作区域有良好的通风,避免因焊接过程中产生的有害气体而引发健康问题。
5. 正确操作在开始焊接之前,确保焊接电极对准金属片或导线上的焊点。
然后,按下储能点焊机上的焊接按钮,设备将在设定的时间内施加电流并连接金属部件。
在焊接过程中,请确保焊接电极与金属片或导线保持良好接触,并保持适当的压力。
此外,焊接完毕后,等待设备冷却后再进行其他操作。
6. 故障排除在使用储能点焊机时,有时可能会遇到一些故障。
例如,焊接点不牢固、电流不稳定或设备无法正常工作等。
如果出现这些问题,首先检查设备是否连接稳固,然后检查参数设置是否正确。
如果问题仍然存在,请参考设备操作手册或联系专业人士进行咨询和维修。
7. 设备维护为了确保储能点焊机的长期稳定工作,定期进行设备维护是必要的。
清洁设备表面的灰尘和污垢,确保设备通风良好以防止过热。
储能点焊机项目可行性研究报告编制单位:北京中投信德国际信息咨询有限公司编制时间:高级工程师:高建关于编制储能点焊机生产建设项目可行性研究报告编制说明(模版型)【立项 批地 融资 招商】核心提示:1、本报告为模板形式,客户下载后,可根据报告内容说明,自行修改,补充上自己项目的数据内容,即可完成属于自己,高水准的一份可研报告,从此写报告不在求人。
2、客户可联系我公司,协助编写完成可研报告,可行性研究报告大纲(具体可跟据客户要求进行调整)编制单位:北京中投信德国际信息咨询有限公司专业撰写节能评估报告资金申请报告项目建议书商业计划书可行性研究报告目录第一章总论 (1)1.1项目概要 (1)1.1.1项目名称 (1)1.1.2项目建设单位 (1)1.1.3项目建设性质 (1)1.1.4项目建设地点 (1)1.1.5项目主管部门 (1)1.1.6项目投资规模 (2)1.1.7项目建设规模 (2)1.1.8项目资金来源 (3)1.1.9项目建设期限 (3)1.2项目建设单位介绍 (3)1.3编制依据 (3)1.4编制原则 (4)1.5研究范围 (5)1.6主要经济技术指标 (5)1.7综合评价 (6)第二章项目背景及必要性可行性分析 (7)2.1项目提出背景 (7)2.2本次建设项目发起缘由 (7)2.3项目建设必要性分析 (7)2.3.1促进我国储能点焊机产业快速发展的需要 (8)2.3.2加快当地高新技术产业发展的重要举措 (8)2.3.3满足我国的工业发展需求的需要 (8)2.3.4符合现行产业政策及清洁生产要求 (8)2.3.5提升企业竞争力水平,有助于企业长远战略发展的需要 (9)2.3.6增加就业带动相关产业链发展的需要 (9)2.3.7促进项目建设地经济发展进程的的需要 (10)2.4项目可行性分析 (10)2.4.1政策可行性 (10)2.4.2市场可行性 (10)2.4.3技术可行性 (11)2.4.4管理可行性 (11)2.4.5财务可行性 (11)2.5储能点焊机项目发展概况 (12)2.5.1已进行的调查研究项目及其成果 (12)2.5.2试验试制工作情况 (12)2.5.3厂址初勘和初步测量工作情况 (13)2.5.4储能点焊机项目建议书的编制、提出及审批过程 (13)2.6分析结论 (13)第三章行业市场分析 (15)3.1市场调查 (15)3.1.1拟建项目产出物用途调查 (15)3.1.2产品现有生产能力调查 (15)3.1.3产品产量及销售量调查 (16)3.1.4替代产品调查 (16)3.1.5产品价格调查 (16)3.1.6国外市场调查 (17)3.2市场预测 (17)3.2.1国内市场需求预测 (17)3.2.2产品出口或进口替代分析 (18)3.2.3价格预测 (18)3.3市场推销战略 (18)3.3.1推销方式 (19)3.3.2推销措施 (19)3.3.3促销价格制度 (19)3.3.4产品销售费用预测 (20)3.4产品方案和建设规模 (20)3.4.1产品方案 (20)3.4.2建设规模 (20)3.5产品销售收入预测 (21)3.6市场分析结论 (21)第四章项目建设条件 (22)4.1地理位置选择 (22)4.2区域投资环境 (23)4.2.1区域地理位置 (23)4.2.2区域概况 (23)4.2.3区域地理气候条件 (24)4.2.4区域交通运输条件 (24)4.2.5区域资源概况 (24)4.2.6区域经济建设 (25)4.3项目所在工业园区概况 (25)4.3.1基础设施建设 (25)4.3.2产业发展概况 (26)4.3.3园区发展方向 (27)4.4区域投资环境小结 (28)第五章总体建设方案 (29)5.1总图布置原则 (29)5.2土建方案 (29)5.2.1总体规划方案 (29)5.2.2土建工程方案 (30)5.3主要建设内容 (31)5.4工程管线布置方案 (32)5.4.1给排水 (32)5.4.2供电 (33)5.5道路设计 (35)5.6总图运输方案 (36)5.7土地利用情况 (36)5.7.1项目用地规划选址 (36)5.7.2用地规模及用地类型 (36)第六章产品方案 (38)6.1产品方案 (38)6.2产品性能优势 (38)6.3产品执行标准 (38)6.4产品生产规模确定 (38)6.5产品工艺流程 (39)6.5.1产品工艺方案选择 (39)6.5.2产品工艺流程 (39)6.6主要生产车间布置方案 (39)6.7总平面布置和运输 (40)6.7.1总平面布置原则 (40)6.7.2厂内外运输方案 (40)6.8仓储方案 (40)第七章原料供应及设备选型 (41)7.1主要原材料供应 (41)7.2主要设备选型 (41)7.2.1设备选型原则 (42)7.2.2主要设备明细 (43)第八章节约能源方案 (44)8.1本项目遵循的合理用能标准及节能设计规范 (44)8.2建设项目能源消耗种类和数量分析 (44)8.2.1能源消耗种类 (44)8.2.2能源消耗数量分析 (44)8.3项目所在地能源供应状况分析 (45)8.4主要能耗指标及分析 (45)8.4.1项目能耗分析 (45)8.4.2国家能耗指标 (46)8.5节能措施和节能效果分析 (46)8.5.1工业节能 (46)8.5.2电能计量及节能措施 (47)8.5.3节水措施 (47)8.5.4建筑节能 (48)8.5.5企业节能管理 (49)8.6结论 (49)第九章环境保护与消防措施 (50)9.1设计依据及原则 (50)9.1.1环境保护设计依据 (50)9.1.2设计原则 (50)9.2建设地环境条件 (51)9.3 项目建设和生产对环境的影响 (51)9.3.1 项目建设对环境的影响 (51)9.3.2 项目生产过程产生的污染物 (52)9.4 环境保护措施方案 (53)9.4.1 项目建设期环保措施 (53)9.4.2 项目运营期环保措施 (54)9.4.3环境管理与监测机构 (56)9.5绿化方案 (56)9.6消防措施 (56)9.6.1设计依据 (56)9.6.2防范措施 (57)9.6.3消防管理 (58)9.6.4消防设施及措施 (59)9.6.5消防措施的预期效果 (59)第十章劳动安全卫生 (60)10.1 编制依据 (60)10.2概况 (60)10.3 劳动安全 (60)10.3.1工程消防 (60)10.3.2防火防爆设计 (61)10.3.3电气安全与接地 (61)10.3.4设备防雷及接零保护 (61)10.3.5抗震设防措施 (62)10.4劳动卫生 (62)10.4.1工业卫生设施 (62)10.4.2防暑降温及冬季采暖 (63)10.4.3个人卫生 (63)10.4.4照明 (63)10.4.5噪声 (63)10.4.6防烫伤 (63)10.4.7个人防护 (64)10.4.8安全教育 (64)第十一章企业组织机构与劳动定员 (65)11.1组织机构 (65)11.2激励和约束机制 (65)11.3人力资源管理 (66)11.4劳动定员 (66)11.5福利待遇 (67)第十二章项目实施规划 (68)12.1建设工期的规划 (68)12.2 建设工期 (68)12.3实施进度安排 (68)第十三章投资估算与资金筹措 (69)13.1投资估算依据 (69)13.2建设投资估算 (69)13.3流动资金估算 (70)13.4资金筹措 (70)13.5项目投资总额 (70)13.6资金使用和管理 (73)第十四章财务及经济评价 (74)14.1总成本费用估算 (74)14.1.1基本数据的确立 (74)14.1.2产品成本 (75)14.1.3平均产品利润与销售税金 (76)14.2财务评价 (76)14.2.1项目投资回收期 (76)14.2.2项目投资利润率 (77)14.2.3不确定性分析 (77)14.3综合效益评价结论 (80)第十五章风险分析及规避 (82)15.1项目风险因素 (82)15.1.1不可抗力因素风险 (82)15.1.2技术风险 (82)15.1.3市场风险 (82)15.1.4资金管理风险 (83)15.2风险规避对策 (83)15.2.1不可抗力因素风险规避对策 (83)15.2.2技术风险规避对策 (83)15.2.3市场风险规避对策 (83)15.2.4资金管理风险规避对策 (84)第十六章招标方案 (85)16.1招标管理 (85)16.2招标依据 (85)16.3招标范围 (85)16.4招标方式 (86)16.5招标程序 (86)16.6评标程序 (87)16.7发放中标通知书 (87)16.8招投标书面情况报告备案 (87)16.9合同备案 (87)第十七章结论与建议 (89)17.1结论 (89)17.2建议 (89)附表 (90)附表1 销售收入预测表 (90)附表2 总成本表 (91)附表3 外购原材料表 (93)附表4 外购燃料及动力费表 (94)附表5 工资及福利表 (96)附表6 利润与利润分配表 (97)附表7 固定资产折旧费用表 (98)附表8 无形资产及递延资产摊销表 (99)附表9 流动资金估算表 (100)附表10 资产负债表 (102)附表11 资本金现金流量表 (103)附表12 财务计划现金流量表 (105)附表13 项目投资现金量表 (107)附表14 借款偿还计划表 (109) (113)第一章总论总论作为可行性研究报告的首章,要综合叙述研究报告中各章节的主要问题和研究结论,并对项目的可行与否提出最终建议,为可行性研究的审批提供方便。
储能点焊机安全操作规程1 .目的为了正确指导对储能点焊机的操作要领及注意事项。
2 .范围适用于本公司现有储能点焊机的操作、维修和管理。
3 .内容:3.1. 准备工作。
3.1.1. 检查机台是否稳固。
3.1.2. 开机:插上电源,合上面板上电源开关,控制面板得电,电源指示灯亮,进入工作状态。
3.1.3. 调整:按“调整”键,调整指示灯亮,电极下压;再按“调整”键,调整指示灯灭,电极上升。
3.1.4. 参数设定:设定焊接参:焊接过程时间与焊接电压,具体操作见参数设定单元。
3.1.5. 电压/计数选择:数字在三位数码管显示区显示,开机默认为电压显示。
按“电压/计数”键切换为计数状态,显示计数值,每焊一件工件,数字加一,最高计数99999,在计数状态下(计数指示灯亮),按“电压/计数”长键(两秒钟左右),计数清零,从一开始重新计数。
再按“电压/计数”回到电压显示状态。
3.1.6. 焊接:气压、过程时间、电压等调节或设定好后,按“焊接”键,焊接允许指示灯亮,表明可以焊接。
3.1.7. 试焊:工件放入夹具上,或手工定位好,踩脚踏开关,进行焊接。
检查焊件接头质量是否符合要求,未达标时,重新设定并调大电压参数同时调整气压,直到符合要求。
3.1.8. 关机:先关掉充电开关,踩一下脚踏开关,然后关闭电源开关,关闭设备外部总电源,关闭气源开关。
3.1.9. 电极,模座必需每天清洁干净。
4 .安全规则4.1. 严禁触摸带电部位,确保干燥的手合闸及开关,确保接地线正确接地,不用时确保关断所有电源。
4.2. 定期检查输入电源线的绝缘层是否被破坏,如有损坏请及时更换。
4.3. 确保距焊机十五米内无易燃易爆物,严禁在可燃气体附近焊接,严禁将刚焊完的热工件靠近易燃物。
4.4. 严禁将手及胳膊放入电极之间,电极维修时确保所有电源及开关关断。
4.5. 操作人员须穿防护工作衣、戴手套、使用滤光眼镜,以免金属飞溅可能会伤害眼睛及裸露的皮肤。
点焊机又称为电阻焊机,通常根据焊接电源性质分为三大类:1、交流点焊机; 2、储能点焊机;3、直流点焊机一、交流点焊机交流点焊机是一种能将工件牢牢焊接在一起的机器。
交流点焊机是由降压变压器、电流调节器和散热系统以及焊接导线、把手等附件组成。
焊接时不必使用电焊条,只需把欲焊接的两工件分别作为电路的两个电极,利用接触电阻处产生的高温,将金属瞬间熔化,从而将工件牢牢焊接在一起。
交流电焊机实质上是一种特殊的降压变压器。
将220V和380V交流电变为低压的交流电,交流电焊机既是输出电源种类为交流电源的电焊机。
焊接变压器有自身的特点,外特性就是在焊条引燃后电压急剧下降的特性。
大功率交流点焊机一般是指功率在16KVA以上的点焊机,以立式气动为主,大功率交流点焊机性能特点:直接式加压机构,随动性能好,焊接速度快,使用寿命长,噪音小安全,使用方便采用节水型强制冷却方式高牢固强度的机体结构上部绝缘简单实用主回路采用大功率SCR无触点开关高导电性,电力损耗低,在国产交流点焊机中的二次电流回路中,主变压器上次级输出采用多层高韧性、高导电性紫铜软带,并呈U型连接;大幅提高使用寿命,下次级输出采用一体式直接连接机构,电流损耗降至最低。
焊王交流点焊机主回路采用水冷大功率可控硅元件,输出电源强劲、稳定,可靠性强。
具有抗冲击、振动的刚性,可防止加压时的电极头滑动,实现稳定焊接。
主要作用于五金,机电,汽车行业。
交流机的焊接精密度和焊接性能要高于储能机。
二、储能点焊机利用储能电容器在较长时间内储积电能,而在一瞬间以极高速率释放能量,获得较大的焊接电流。
由于充电电流远小于放电电流,因而焊接效率较高,适合于焊接导电性、导热性良好的轻金属。
产品性能相对于直流和交流机来说要差一点,焊点外观及焊接牢固度还行,适合外观要求不是很高的产品件的加工。
缺点是:储能、储能,顾名思义就是先把电储在设备的电容器里,每次放电前需要充电,设备使用一段时间后还需要更换电容器。
储能式点焊机原理储能式点焊机原理是一种常见的电阻点焊机组合。
通过储能方式存储高压电位,释放高压电位,完成物体的点焊过程。
在车身制造、电气设备制造、电池制造、电子器件制造等行业中广泛应用,下面就来详细了解该原理的具体步骤。
第一步:储能储能式点焊机首先需要将能量储存起来。
这时,交流电源将电能输送到储能电抗器中,使电抗器内部的磁场能量不断增加,直到储能电容器完全充电,储存了电能。
储能电容器通常使用的是大容量的电容器,其容量大小可根据实际需要进行选择。
第二步:放电当需要进行点焊操作时,储能器内储存的高电压电能需要释放出来,此时需要使用高压开关。
高压开关具有快速的响应速度和高耐受电流,可以将储能器内的高电压电能通电导线进行电流放电。
高电压电能的快速流动,在储能器内建立了一个高强度的电弧,使导线表面的金属过渡到液态状态,形成了点焊点。
第三步:控制点焊操作完成后,需要对点焊过程进行控制。
通过高精度的控制器,可以控制点焊电流、时间等参数。
控制器可以根据需求对点焊功率和点焊时间进行调整。
这种储能式点焊机可以快速进行反复的点焊操作,提高生产效率,同时还可以实现同一产品批次中点焊焊点规格的一致性。
不同点焊机具有不同的主要特点。
储能式点焊机具有快速点焊速度、较大的点焊力度和长时间的操作时间。
因此,它们可以在较短的时间内完成高效的点焊操作。
此外,储能式点焊机的使用寿命较长,且维护容易。
总体而言,储能式点焊机原理是通过将电能储存起来,在需要进行点焊操作时将电能释放出来,通过高压开关使导线表面的金属过渡到液态状态,形成点焊点完成点焊操作的过程。
在实际应用中,这种点焊机类型具有高效、长寿、易于维护等优点。
储能点焊机操作指南一、储能点焊机简介二、储能点焊机的基本组成1.焊接主机:包括蓄电池、储能电容器、显示屏、操作按键等。
2.焊接手柄:包括点焊枪和电缆。
3.辅助设备:包括冷却水机、废气处理装置等。
三、储能点焊机操作步骤1.将储能点焊机接通电源,并确保电源地线连接良好。
2.打开储能点焊机主机的电源开关,并检查显示屏上的参数是否正常。
3.检查储能点焊机的气压是否正常,需要根据具体焊接需求进行调整。
4.检查点焊枪和电缆是否连接良好,并确保电缆没有磨损或断裂。
5.根据焊接需求,调整储能点焊机的参数,如焊接电流、焊接时间等。
6.将焊接接点放置在焊接工作台上,并根据需要使用夹具固定。
7.拿起点焊枪,将点焊枪头对准焊接接点,轻轻按下焊接按钮开始焊接。
8.焊接完成后,松开焊接按钮,将点焊枪从焊接接点上拿开。
9.检查焊接质量,如需要重新焊接,可以调整参数后重新进行焊接。
10.关闭储能点焊机的电源开关,并拔出电源插头。
四、储能点焊机的使用注意事项1.在操作储能点焊机前,必须进行相关安全培训,了解操作规程和安全防护措施。
2.在操作储能点焊机时,应穿戴好安全防护用品,如防护眼镜、防护手套等。
3.不得在潮湿或易燃易爆的环境中使用储能点焊机。
4.在使用储能点焊机前,应检查接地线和电缆是否完好,确认没有松动或断裂。
5.在储能点焊机工作期间,不得将点焊枪头接触人体,以免发生电击事故。
6.使用储能点焊机时,不得将焊接电流设置过高,以免引起设备过热或电弧飞溅。
7.使用储能点焊机时,应定期清洁设备,并检查设备是否存在异常。
8.对于储能点焊机的维护和保养,应按照设备说明书进行操作,并定期进行维护保养。
9.当不使用储能点焊机时,应将其断开电源并储存在干燥通风的地方。
五、储能点焊机常见故障及处理方法1.储能点焊机无法启动:检查电源插头是否接触良好,排除电源故障。
2.点焊枪无输出电流:检查焊接参数是否设置正确,排除设备故障。
3.点焊枪电缆发热:检查电缆是否磨损或接头是否松动,及时更换或修复。
储能点焊机操作指南
储能点焊机是一种广泛应用于电池组制造、电子设备组装以及
金属制品加工等领域的专业设备。
它通过将大电流瞬间通过焊点,
使金属材料迅速熔化并粘合在一起,从而实现高效的焊接作业。
本
文将介绍储能点焊机的操作指南,帮助用户正确、安全地使用该设备。
1. 安全环境
在使用储能点焊机之前,确保操作环境具备以下安全条件:
- 电源:确保电源供应稳定,并符合设备的额定电压和频率要求。
- 通风条件:确保操作区域通风良好,避免烟尘积聚和可能的有毒气体产生,以防止操作员吸入有害物质。
- 防护装备:操作人员应佩戴防护眼镜、耳罩和手套,确保工作安全。
2. 设备准备
在操作储能点焊机之前,需要进行以下设备准备工作:
- 清洁检查:确保设备表面干净,并检查电缆、接头和电极是否有磨损或断裂。
- 电极调整:根据需要,调整电极的距离和角度,以满足焊接需求。
3. 工作步骤
储能点焊机的操作步骤如下:
- 步骤1:将待焊件放在焊接台上,并确保焊接区域干净。
- 步骤2:根据焊接需要,调整电极的位置和角度。
确保电极与焊接区域接触紧密。
- 步骤3:选择适当的焊接参数,包括电流大小和焊接时间。
这取决于待焊件的材质和厚度。
- 步骤4:根据焊接参数设置储能点焊机,确保设备能够提供正确的电流和焊接时间。
- 步骤5:按下启动按钮,完成焊接过程。
在焊接期间保持稳定的手部姿势,避免晃动。
机电产品状况说明
名称:储能点焊机
型号:DP125-1 单点
制照商:深圳市精焊达能电子科技有限公司
主要功能:
本机应用最新的双脉冲储能焊接,具有高效优质的特点,主要用于铜和镍等有色金属薄片的焊接
主要原理:
双脉冲储能直流点焊机双脉DP125是带130瓦/秒储能、电容放电的电源,在焊接电镀材料时,双脉冲焊接独特而优异的特性能提供更优良的焊接质量。
同时也能减少焊接热熔金属飞溅。
主要技术指标:
1.电源:220V
2.额定功率:0.75~125瓦/秒(焦耳)。
3.频率:60Hz
设计使用寿命: 15年
已经使用时间: 1年
产品状态: 使用中
目前货物使用地或存放地:台湾
是否经过整修:无
申请还能使用年限:14年
设备的新旧状态:九成新
符合国家有关安全,卫生,环保等技术规范的强制性要求
储能点焊机正面照片
储能点焊机铁牌照片。