照相物镜设计
- 格式:docx
- 大小:500.18 KB
- 文档页数:18
照相物镜光学设计(f’=50mm)The Optical Design of Objective Lens in Photographic Camera(f’=50mm)摘要人们早就有长期保存各种影像的愿望。
在摄影技术尚未发明前的公元四世纪时,人们按投影来描画人物轮廓像的方法达到了全盛时代,至今这种方法仍然作为剪纸艺术流传着。
后来,人们让光线通过小孔形成倒立像,进而将小孔改为镜片,并加装一只暗箱。
只要在暗箱底板上放一张纸,不仅可以画出轮廓,还可以画出像上的各个部分。
这就形成了照相机的机构雏形。
随着科学技术的发展,照相机的发展日益迅速,有着显著的飞跃。
照相物镜是照相机的眼睛,它的精度和分辨率直接影响到照相机的精度与成像质量。
要保证所设计的照相物镜达到较高的技术要求,在设计时就必须达到更高的精度与分辨率。
本文所讨论的照相物镜,它主要采用五片透镜包含一个双胶合透镜的形式,精度高、分辨率高,像质好,能够满足设计的要求。
关键字:照相机物镜设计2ABSTRACTThe people already have the long-term preserved each kind of phantom desires. Not yet invents before when the photographic technology the A.D. four centuries, the people drew the character outline alike method according to the projection to achieve the most flourishing time, this method still was spreading until now as the paper-cut art. Afterwards, the people let the light form through the eyelet stand upside down the elephant, then changed the eyelet the lens, and installed a camera. So long as puts a paper on the camera ledger wall, not only may draw the outline, but also may draw likely on each part. This has formed the photographic camera organization embryonic form.Along with the science and technology development, the photographic camera development is day by day rapid, has the remarkable leap. The photographic objective is the photographic camera eye, its precision and the resolution affect directly the photographic camera precision and the image formation quality. Must guarantee designs the photographic objective achieved high specification, when design must achieve a higher precision and the resolution .This article discusses the photographic objective, it mainly uses five piece of lens to contain double agglutination lens high the form, the precision, the resolution is high, looks like the nature to be good, can satisfy the design the request.Key words: Photographic cameraObjective lens Design3目录第一章绪论 (5)1.1照相机的发展简史 (5)1.2照相机的用途 (6)1.3照相机的结构 (7)第二章照相机知识 (11)2.1照相机的原理 (11)2.2照相机的分类 (11)2.3照相机的发展 (12)2.4传统照相机与数码相机的比较 (13)第三章像差理论知识 (15)3.1清晰成像的原理 (15)3.2像质评价的方法 (15)3.3摄影物镜的分类 (16)第四章照相物镜原始数据 (17)4.1原始数据一 (17)4.2原始数据二 (19)4.3原始数据三 (22)第五章照相物镜中间数据及设计过程 (25)5.1设计过程 (25)5.2中间数据 (26)第六章照相物镜最终数据 (31)结论 (33)致谢...................................................................................错误!未定义书签。
ZEMAX课程设计——照相机物镜设计一、(课题的背景知识,如照相机镜头的发展概况,类型及其主要技术参数的简要说明)二、课程设计题目设计一个照相物镜,1)光学特性要求:f’=100mm;2=30;;D/f’=1:3.5.2)成像质量要求:弥散斑直径小于0.05mm;倍率色差最好不超过0.01mm;畸变小于3%。
三、设计课题过程1、参考Ernostar和Tessar联合型物镜设计相关数据,对其进行相关改进。
Ernostar和Tessar联合型物镜设计相关数据如下表1(其中焦距f’=75.68mm;相对孔径D Radius/r Thickness/d 折射率/n 玻璃阿贝数/ν38.339 3.57 1.71289 53.950.988 0.3235.192 5.49 1.71289 53.9197.94 4.83-96.144 1.87 1.6362 35.326.53 8-1074.1 1.38 1.53246 45.937.053 7.6-49.135 1.72904 54.8表12、根据焦距曲率镜片厚度之间的比例关系,即f1/f2=r1/r2=d1/d2,得到焦距100mm,相Radius/r Thickness/d 折射率/n 玻璃阿贝数/ν50.659 4.717 1.71289 53.967.373 0.42346.501 7.254 1.71289 53.9261.548 6.382-127.040 2.471 1.6362 35.335.055 10.571-1419.262 1.824 1.53246 45.948.960 10.042-64.925 1.72904 54.8表23、启动ZEMAX,将表1数据输入到LDE,相关步骤由以下图给出(1)打开ZEMAX。
(2)输入数据。
在主选单system下,圈出wavelengths,依喜好键入所要的波长,同时可选用不同波长,本实验中在第一列键入0.486,单位为microns,第二第三列分别键入0.587、0.656。
2014-2015学年第二学期《现代光学设计》考核——照相物镜设计班级:******** 学号:************* 姓名:***一、系统设计要求:1、焦距:f’=15mm;2、相对孔径:1/2.8;3、在可见光波段设计(取d、F、C三种色光)4、视场角2w=74°二、设计过程1,在光学技术手册查询后选定初始结构为后置光阑的三片物镜,初始参数为:1输入初始参数2,优化设计过程将参数输入zemax:其中第六面设为光阑面,厚度设为marginal ray height,移动光标到STO光阑面的“无穷(Infinity)”之上,按INSERT键。
这将会在那一行插入一个新的面,并将STO光阑面往下移。
新的面被标为第2面。
再按按INSERT键两次。
移动光标到IMA像平面,按INSERT键两次。
在LDE曲率半径(Radius)列,顺序输入上表1中的镜片焦距(注意OBJ面不做任何操作);在镜片厚度(Thickness)列顺序输入表1中的镜片厚度;在第七个面厚度处单击右键,选择面型为Marginal Ray Height。
在镜片类型(Class)列输入镜片参数,方法是:在表中点右键对话框Solve Type选中Model,Index nd中输入n值Abbe Vd 中输入v值。
结果如下在system-general-aperture中输入相对孔径值 2.8,在system-wavelength中输入波段,然后在tools-make focus中该改焦距为15mm进行缩放。
3,设置相对孔径值和波长输入焦距15mm进行缩放:4,定义视场如下此时得到初始结构及参数如下图5,优化设计过程利用ZEMAX得到初始结构的M TF 曲线可看出成像质量很差, 因此需要校正像差。
该结构可以用作优化变量的的数据有:6个曲率半径,2个空气间隔,3个玻璃厚度。
首先使用Default Merit Function建立缺省评价函数进行优化,选择Editors-Merit Function,在第一行中先输入EFFL,目标值设为15,权重设为1。
照相物镜镜头设计与像差分析设计一个成像物镜透镜组,照相物镜的技术指标要求:1、焦距:f’=12mm;2、相对孔径D/f’不小于1/2.8;3、图像传感器为1/2.5英寸的CCD,成像面大小为4.29mm×5.76mm;4、后工作距>6mm5、在可见光波段设计(取d、F、C三种色光,d为主波长);6、成像质量,MTF 轴上>40% @100 lp/mm,轴外0.707 >35%@100 lp/mm。
7、最大畸变<1%照相物镜的简介照相物镜的基本光学性能主要由三个参数表征。
即焦距f ’、相对孔径D/f ’和视场角2w 。
照相物镜的焦距决定所成像的大小Ⅰ)当物体处于有限远时,像高为y ’=(1-ωβtan ')f (1-1)式中,β为垂轴放大率,ll y y ''==β。
对一般的照相机来说,物距l 都比较大,一般l >1米,f ’为几十毫米,因此像平面靠近焦面,''f l ≈,所以lf '=β Ⅱ)当物体处于无限远时,β→∞像高为y ’=ωtan 'f (1-2) 因此半视场角ω=atan''f y (1-3) 表1-1中列出了照相物镜的焦距标准:表1-1相对孔径决定其受衍射限制的最高分辨率和像面光照度,在此的分辨率亦即通常所说的截止频Nλλu f D N ==(1-4) 照相物镜中只有很少几种如微缩物镜和制版物镜追求高分辨率,多数照相物镜因其本身的分辨率不高,相对孔径的作用是为了提高像面光照度E ’=1/4πL τ(D/f ’)2 (1-5)照相物镜的视场角决定其在接受器上成清晰像的空间范围。
按视场角的大小,照相物镜又分为a)小视场物镜:视场角在30°以下;b)中视场物镜:视场角在30°~60°之间;c)广角物镜:视场角在60°~90°之间;d)超广角物镜:视场角在90°以上。
设计题目:匹兹瓦型照相物镜设计一、技术指标要求(1)光学特性要求:f '=60mm,F数 1.2,2ω=±5︒,波长范围0.486~0.656um。
(2)成像质量要求:畸变<1%,MTF>0.2,((70lp/mm)。
二、初始结构初始结构数据如表1:表1 初始数据Surface r/mm d/mm 材料Object ∞∞1 4.6627 0.3000 N-LAK332 0.0000 0.01503 2.0799 0.5391 N-PSK34 -2.6476 0.1700 F25 2.6476 0.1400Stop ∞ 1.51827 1.1028 0.6000 N-PSK38 -1.1028 0.1300 F29 -3.3330 0.371210 -1.0400 0.0600 SF211 3.8085 0.1000 MImage三、设计过程1、初始数据录入:通过给定的数据,在镜头数据编辑页面输入如表1中物镜的初始值:图1 系统初始结构数据2、焦距缩放:改变相关参数,使数据符合需要设计的照相物镜改变入瞳直径和焦距:图2 改变系统的入瞳直径图3 改变系统的焦距调整系统的焦距为60mm,入瞳直径为D=f '/F=50mm。
设定视场(图4):选择三个线视场0 ,3.5 ,5 。
图4 设定视场设定波长(图5):选择0.486,0.546,0.656三个波长。
3、初步分析:焦距缩放后,系统的畸变基本满足要求,但系统光路图与MTF曲线严重不符合要求。
4、换玻璃:将初始数据中的玻璃改为成都光明玻璃库下的名称。
5、优化设计:设定默认优化函数,选择工具栏Editors→Merit Function→Tools→ Default Merit Function,在该选项框中选择RMS, Spot Radius, Cheif Ray, 其它项默认即可,选择OK。
为避免焦距变化过大,将其确定为初始值,即设定有效焦距EFFL为60,Weight为0.1(选择第2波长)。
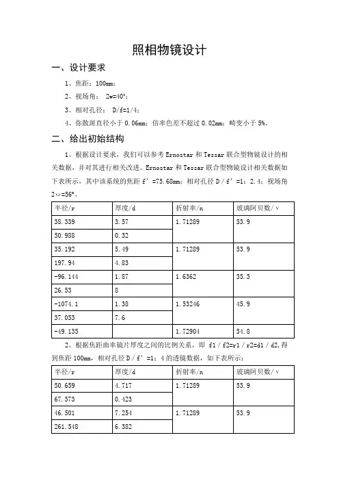
照相物镜设计一、设计要求1、焦距:100mm;2、视场角: 2w=40˚;3、相对孔径: D/f=1/4;4、弥散斑直径小于0.06mm;倍率色差不超过0.02mm;畸变小于5%。
二、给出初始结构1、根据设计要求,我们可以参考Ernostar和Tessar联合型物镜设计的相关数据,并对其进行相关改进。
Ernostar和Tessar联合型物镜设计相关数据如下表所示,其中该系统的焦距f’=75.68mm;相对孔径D/f’=1:2.4;视场角2ω=56 。
2、根据焦距曲率镜片厚度之间的比例关系,即f1/f2=r1/r2=d1/d2,得到焦距100mm,相对孔径D/f’=1:4的透镜数据,如下表所示:3、启动ZEMAX,将修改后表中的数据进行输入,步骤如下:(1)打开ZEMAX,在主选单system下,选择wavelengths,输入所要的波长,第一列输入0.486,单位为microns,第二、三列分别键入0.587、0.656。
在primary中点击选1,即用第一个波长为近轴波长。
(2)输入孔径大小,因为设计要求相对孔径为1:4,焦距为100mm得到孔径D=100/4=25mm。
在主选单system菜单中选择general data,在aper value 上输入25。
(3)输入视场角,根据设计要求,设置的视场分别为0,6,10,14,20。
(4)输入曲率,面之间厚度,玻璃材质。
本次设计中共有5组透镜,其中最后两组为双胶合透镜,故共有9个面,回到LDE可以看到三个surface,STO、OBJ、IMA,在STO前后插入几组数据,除IMA外共计9组surface,按照修改后的表中数据进行输入,如下图所示,最后根据参考实验图可以确定STO在第6面上。
(5)画出图形。
①点击layout画出2D图形如下:②点击spot diagram 画出的点阵图如下:由图得其弥散斑半径大小分别为26.012um、32.990um、44.238um、55.642um、58.511um,其中大部分弥散斑半径大小大于60微米,不符合要求,故需要改进。
视场无畸变照相物镜的设计
通常情况下,照相物镜的畸变会随着视场的增大而激剧增大,60度左右的照相物镜畸变可以控制在5%以内,而100度的视场物镜的畸变通常超过20%,在大视场的情况下,为了减小畸变通常采用的方法是加入非球面或者使镜头复杂化来达到畸变减少的目的,本设计就是通过结构复杂化的方法来达到控制畸变的目的,视场在100度时,畸变小于5%,仅供参考。
一、设计规格
视场:100度
畸变:<5%
光学总长:28mm
后工作距:>5mm
相对照度:>75%
F/NO:2.8
半像高:3.5mm
结构:10G(全部球面)
二、光学结构
三、MTF
四、场曲和畸变
五、垂轴色差
六、相对照度。
Z E M A X课程设计——照相机物镜设计一、(课题的背景知识,如照相机镜头的发展概况,类型及其主要技术参数的简要说明)二、课程设计题目设计一个照相物镜,1)光学特性要求:f’=100mm;2ω=30︒;;D/f’=1:3.5.2)成像质量要求:弥散斑直径小于0.05mm;倍率色差最好不超过0.01mm;畸变小于3%。
三、设计课题过程1、参考Ernostar和Tessar联合型物镜设计相关数据,对其进行相关改进。
Ernostar和Tessar联合型物镜设计相关数据如下表1(其中焦距f’=75.68mm;相对孔径D/f’=1:2.4;视场表12、根据焦距曲率镜片厚度之间的比例关系,即f1/f2=r1/r2=d1/d2,得到焦距100mm,相对孔径D/f’=1:3.5的透镜数据如下表2。
3、启动ZEMAX,将表1数据输入到LDE,相关步骤由以下图给出(1)打开ZEMAX。
(2)输入数据。
在主选单system下,圈出wavelengths,依喜好键入所要的波长,同时可选用不同波长,本实验中在第一列键入0.486,单位为microns,第二第三列分别键入0.587、0.656。
在primary中点击选1,即用第一个波长为近轴波长。
(3)输入孔径大小。
由相对孔径为1:3.5,焦距为100mm得到,孔径D=100/3.5=28.57143mm。
在主选单system菜单中选择generaldata,在aper value上键入28.57143。
(4)输入视场角。
(5)输入曲率,面之间厚度,玻璃材质。
本实验中共有5组透镜,其中最后两组为双胶合透镜,故共有9个面,回到LDE,可以看到三个surface,STO (孔径光阑)、OBJ(物点或光源)、IMA(像屏),在STO前后插入几组surface,除IMA外共计9组surface,输入数据。
最后根据参考实验图确定STO在第6面上。
①点击layout,画出2D图形②点击spot diagram ,画出点阵图由图看出光波在波长1、2、3下的弥散斑直径大小分别为33.625、54.419、64.768(单位:微米),其中第2、3波长弥散斑大小大于50微米,不符合要求,故需要改进。
汉口学院《应用光学》课程设计报告报告题目:照相物镜设计学生姓名:学号:专业班级:授课老师:二O一四年十二月目录一、选题背景 (2)二、设计要求 (3)三、外形尺寸计算 (3)四、结构选型及参数计算 (4)1、结构选型 (4)2、参数数据 (5)五、ZEMAX初始数据 (5)1、初始结构参数 (5)2、缩放焦距 (7)3、更换玻璃 (7)六、ZEMAX校正数据 (9)1、设置约束对象 (9)2、设置变量 (10)3、优化 (10)4、 最终结构数据 (10)七、 像质评价 (11)1、 2D 草图 (11)2、 场曲与畸变 (11)3、 快速傅立叶变换调制传递函数 (12)4、 标准点列图 (12)5、 光线像差特性曲线 (13)6、 光路特性曲线 (13)八、 零件图 (14)九、 学习体会 (15)十、 参考文献 (16)一、 选题背景照相机广泛应用于社会生活的各个领城,已成为科研、国防、生产、教育以及文化生活各领域中的重要手段。
它给人类的文明生活带来了许多方便,随着科学技术的发展,人们物质文化生活水平的提高,社会上的照相机也发展的越来越快,越来越普及了。
照相机就是由镜头,光圈,快门,取景器,测距器,卷片,机身(暗箱)等主要部件构成的。
其中镜头的作用就是通过光线把景物集结成影像并投射到感光片上,使感光片接受清晰的影像,它的好坏直接决定了照相机的性能。
照相物镜的光学特性一般用焦距f '、相对孔径f D '/、视场角ω2表示。
此外还提出分辨率的要求,作为保证产品质量的技术条件。
照相物镜的结构型式很多,而且不断有新的型式出现。
选用照相物镜的原则应该就是:既能满足光学性能与成像质量的要求,而结构又最简单。
双高斯物镜就是具有较大视场(大约ω2=40º左右)的物镜中相对孔径最先达到1/2的物镜[1]225。
双高斯物镜就是以厚透镜矫正匹兹万场曲的光学结构,半部系统就是由一个弯月形的透镜与一个薄透镜组成,如图1-1、1所示。
照相物镜设计实验报告引言照相物镜是照相机中最重要的部分之一,其设计与使用对照片的质量有着重要影响。
本次实验旨在设计一种具有优秀成像性能的照相物镜,并通过实验验证其设计准确性和性能优劣。
实验目的1. 理解照相物镜的工作原理和设计要求;2. 掌握常见的物镜设计方法;3. 通过实验比较不同设计方案的成像质量。
实验设备和方法实验设备1. 光学实验台2. 平行光源3. CCD相机实验方法本次实验采用透镜组设计法,通过依次放置多个透镜组并调整其位置和参数,最终设计出成像质量优秀的照相物镜。
具体步骤如下:1. 确定照相物镜的成像要求,包括焦距、最大光圈和成像质量等;2. 选择初始透镜组并确定其种类和初始参数;3. 根据设计要求,计算并调整第一组透镜的位置和参数,使得光线在物镜中尽可能接近理想成像;4. 依次添加和调整后续透镜组的位置和参数,使得整个物镜达到设计要求;5. 利用光学实验台上的平行光源,将物镜与CCD相机结合,检测和比较不同设计方案的成像质量。
结果与分析经过多次尝试和调整,我们最终设计出了一款具有较好成像性能的照相物镜。
通过与其他常见物镜进行对比实验,我们发现该物镜在分辨率、色彩还原和畸变等方面表现出色。
分辨率我们用实验室提供的标准分辨率测试图像对物镜的分辨能力进行了评估。
结果显示,该物镜在高细节区域的细节还原能力较强,能够清晰地显示出测试图像中的小细节。
这说明该物镜的分辨率较高,适合用于拍摄细节丰富的照片。
色彩还原我们还通过拍摄标准色卡来评估物镜的色彩还原能力。
与其他常见物镜相比,该物镜在还原真实颜色方面表现出色。
标准色卡上的颜色在照片中得到了准确的还原,色彩饱和度和亮度也比较均衡。
这对于摄影师来说是非常重要的,因为一款色彩还原能力好的物镜可以减少后期调色的工作量。
畸变在实验中,我们还注意到该物镜的畸变控制较好。
对于直线拍摄和建筑摄影等场景,没有明显的畸变现象,直线边缘也没有明显的变形。
这对于照片的几何需求来说是非常重要的。
一种三片型照相物镜的设计2篇三片型照相物镜是一种常见的光学装置,广泛应用于相机和摄影设备中。
它由三个光学元件组成,包括凸透镜和凹透镜,通过合理的设计和组合,可实现对光线的聚焦和成像。
以下将对三片型照相物镜的设计进行探讨。
首先,三片型照相物镜的设计需要考虑凸透镜和凹透镜的选择和安排。
凸透镜通常用于屏住,它可以使光线发生折射,从而使光线能够在物镜中正常聚焦。
而凹透镜则用于调节物镜的聚焦点位置,通过改变凹透镜的曲率,可以实现对成像的调整。
因此,在设计过程中,需要根据实际需要选择合适的凸透镜和凹透镜,并将它们安排在适当的位置。
其次,在三片型照相物镜的设计中,还需要考虑光线的折射和反射问题。
由于光线在不同介质中的传播速度不同,当光线从一个介质射入另一个介质时,会发生折射现象。
因此,在选择凸透镜和凹透镜的材料时,需要考虑它们的折射率,以确保光线能够正常折射和聚焦。
此外,由于光线的传播过程中会存在反射损失,因此还需要进行适当的镀膜处理,以减少反射损失,提高成像质量。
最后,在三片型照相物镜的设计中,还需要考虑光学系统的整体结构和参数。
其中,最重要的参数之一是焦距,它决定了物镜的聚焦能力和成像清晰度。
因此,在选择凸透镜和凹透镜的曲率和位置时,需要根据焦距的要求进行合理的调整。
此外,还需要考虑物镜的口径和视场角,以及光学系统的直径和长度等参数,以满足不同需求下的拍摄要求。
总的来说,三片型照相物镜的设计是一个综合考虑多个因素的过程。
通过合理选择和组合凸透镜和凹透镜,考虑光线的折射和反射问题,以及确定合适的结构和参数,可以实现高质量的成像效果。
因此,在实际应用中,设计师需要根据具体需求进行调整和优化,以获得满意的成像效果。
第1篇一、实验目的1. 理解照相物镜的基本原理和设计方法。
2. 掌握照相物镜的光学系统设计流程。
3. 学会利用光学设计软件进行照相物镜的优化设计。
4. 评估设计结果,分析实验数据。
二、实验原理照相物镜是一种用于拍摄照片的光学系统,其主要功能是将物体成像在感光材料上。
照相物镜的设计需要满足以下条件:1. 焦距:物镜的焦距决定了拍摄距离和视角。
2. 相对孔径:物镜的相对孔径决定了拍摄时的进光量。
3. 视场角:物镜的视场角决定了拍摄范围。
4. 像质:物镜的像质决定了成像清晰度。
三、实验器材1. 光学设计软件(如Zemax、Code V等)。
2. 物镜设计计算公式和表格。
3. 物镜设计实例资料。
四、实验步骤1. 确定物镜设计参数:根据实际需求,确定物镜的焦距、相对孔径、视场角等参数。
2. 设计物镜光学系统:利用光学设计软件,根据设计参数进行光学系统设计,包括选择透镜材料、确定透镜形状和厚度等。
3. 优化设计:根据物镜设计计算公式和表格,对设计结果进行优化,提高物镜性能。
4. 评估设计结果:分析实验数据,评估物镜性能,如焦距、相对孔径、视场角、像质等。
5. 改进设计:根据评估结果,对设计进行改进,提高物镜性能。
五、实验结果与分析1. 设计参数:本实验设计的物镜焦距为50mm,相对孔径为1:4,视场角为45°。
2. 设计结果:利用光学设计软件,设计出物镜光学系统,包括5个透镜和1个光阑。
3. 优化设计:根据物镜设计计算公式和表格,对设计结果进行优化,提高物镜性能。
优化后,物镜的焦距、相对孔径、视场角和像质均得到改善。
4. 评估设计结果:通过分析实验数据,评估物镜性能如下:(1)焦距:实验测得的焦距为49.8mm,与设计值基本一致。
(2)相对孔径:实验测得的相对孔径为1:4.2,略大于设计值。
(3)视场角:实验测得的视场角为44.5°,略小于设计值。
(4)像质:通过MTF(调制传递函数)分析,物镜在50lp/mm处的MTF值为0.4,满足设计要求。
汉口学院《应用光学》课程设计报告报告题目:照相物镜设计学生姓名:学号:专业班级:授课老师:二O一四年十二月目录一、选题背景 (3)二、设计要求 (4)三、外形尺寸计算 (4)四、结构选型及参数计算 (5)1.结构选型 (5)2.参数数据 (6)五、ZEMAX初始数据 (6)1.初始结构参数 (6)2.缩放焦距 (8)3.更换玻璃 (8)六、ZEMAX校正数据 (10)1.设置约束对象 (10)2.设置变量 (11)3.优化 (11)4.最终结构数据 (11)七、像质评价 (12)1.2D草图 (12)2.场曲和畸变 (12)3.快速傅立叶变换调制传递函数 (13)4.标准点列图 (13)5.光线像差特性曲线 (14)6.光路特性曲线 (14)八、零件图 (15)九、学习体会 (16)十、参考文献 (18)一、 选题背景照相机广泛应用于社会生活的各个领城,已成为科研、国防、生产、教育以及文化生活各领域中的重要手段。
它给人类的文明生活带来了许多方便,随着科学技术的发展,人们物质文化生活水平的提高,社会上的照相机也发展的越来越快,越来越普及了。
照相机是由镜头,光圈,快门,取景器,测距器,卷片,机身(暗箱)等主要部件构成的。
其中镜头的作用是通过光线把景物集结成影像并投射到感光片上,使感光片接受清晰的影像,它的好坏直接决定了照相机的性能。
照相物镜的光学特性一般用焦距f '、相对孔径f D '/、视场角ω2表示。
此外还提出分辨率的要求,作为保证产品质量的技术条件。
照相物镜的结构型式很多,而且不断有新的型式出现。
选用照相物镜的原则应该是:既能满足光学性能和成像质量的要求,而结构又最简单。
双高斯物镜是具有较大视场(大约ω2=40º左右)的物镜中相对孔径最先达到1/2的物镜[1]225。
双高斯物镜是以厚透镜矫正匹兹万场曲的光学结构,半部系统是由一个弯月形的透镜和一个薄透镜组成,如图1-1.1所示。
图1-1.1 图1-1.2 图1-1.3双高斯照相物镜是目前多数大孔径物镜的基础,它的演变型式很多,它的复杂化目的是为了改善成像质量,如图1-1.2所示,或者是为了增大相对孔径,如图1-1.3所示,相对孔径可达1/0.95。
由于双高斯物镜是一个对称的系统,因此垂轴像差很容易校正。
设计这种类型的系统时,只需要考虑球差、色差、场曲、像散的校正[2]167。
二、 设计要求设计一照相物镜,其相关技术要求为[1]238:焦距mm f 30=';相对孔径2/1/='f D ;视场角︒=402ω。
系统畸变<2% ;空间频率为40lp/mm 时,传递函数MTF ≥ 0.4。
三、 外形尺寸计算由于照相物镜结构比较复杂,而且它们的结构主要是由高级相差决定的,所以照相物镜设计的初始结构一般都不采用初级像差求解的方法来确定, 而是根据要求从手册、资料或专利文献中找出一个和设计要求比较接近的系统作为原始系统,通过相差计算逐步进行修改,达到满足要求的光学特性和成像质量[2]176。
在选择初始结构时, 不必一定找到和要求相近的焦距, 一般在相对孔径和视场角达到要求时, 我们就可以将此初始结构进行整体缩放得到要求的焦距值。
四、 结构选型及参数计算1. 结构选型mm f 30=';2/1/='f D ⇒mm D 15=;︒=402ω⇒︒=20ω。
根据所要求的技术条件,选用双高斯物镜结构较为合适[3]。
利用光学设计软件CODE V 寻找到一个合适的初始结构[4],来自美国专利2117252的初始结构[5]。
其相对孔径和视场角都满足要求,如图4-1.1所示。
图4-1.12. 参数数据其默认结构参数为1='f 时的数据,见表4-2.1。
表4-2.1 默认结构参数五、 ZEMAX 初始数据1. 初始结构参数打开ZEMAX, 设置相对孔径值,如图5-1.1所示。
图5-1.1按照镜头专利数据如图5-1.2所示,设置视场角及渐晕系数如图5-1.3所示。
图5-1.2图5-1.3将表4-2.1中初始参数输入ZEMAX,如图5-1.4所示。
图5-1.42. 缩放焦距默认结构参数为1='f 时的数据,输入焦距30mm 进行缩放,如图5-2.1所示。
图5-2.1缩放后得到我们所设计的焦距mm f 30='的初始参数,如图5-2.2所示。
图5-2.23. 更换玻璃ZEMAX 允许玻璃拥有相应的一种“替代”状态,在寻找更好的设计方案的过程中自动改变玻璃类型。
设置当前激活的玻璃库,改为国产玻璃,如图5-3.1所示。
图5-3.1使用玻璃替代功能,如图5-3.2所示。
图5-3.2在玻璃解对话框中自由设置每块玻璃的状态使之变成“替代(substitute)”,如图5-3.3所示。
图5-3.3到此,初始结构及其参数已经完成。
六、ZEMAX校正数据1. 设置约束对象选择默认优化类型为波前差,约束玻璃及空气的相关厚度,如图6-1.1所示。
图6-1.1在MTE里添加MTFT及MTFS约束各个视场40lp/mm时大于0.4,并添加DIMX小于0.02,EFFL为30,如图6-1.2所示。
图6-1.22. 设置变量设置所有面曲率半径及厚度为变量,如图6-2.1所示。
图6-2.13. 优化使用Hammer优化,如图6-3.1所示。
图6-3.14. 最终结构数据得到合适的结构数据,见表6-4.1。
表6-4.1 最终结构数据七、像质评价1. 2D草图图7-1.1 图7-1.2如图7-1.1所示,为优化前;如图7-1.2所示,为优化后。
2. 场曲和畸变图7-2.1 图7-2.2 如图7-2.1所示,为优化前;如图7-2.2所示,为优化后。
图中distortion即为畸变,由图知优化前后系统畸变<2% ,符合要求。
3. 快速傅立叶变换调制传递函数图7-3.1 图7-3.2如图7-3.1所示,为优化前;如图7-3.2所示,为优化后。
MTF值优化后,空间频率为40lp/mm时,传递函数MTF ≥ 0.4,符合要求。
4. 标准点列图图7-4.1 图7-4.2如图7-4.1所示,为优化前;如图7-4.2所示,为优化后。
优化后点列图更加聚集。
5. 光线像差特性曲线图7-5.1 图7-5.2 如图7-5.1所示,为优化前;如图7-5.2所示,为优化后。
6. 光路特性曲线如图7-6.1所示,为优化前;如图7-6.2所示,为优化后。
由以上图像分析可知,像质在优化后都有了明显地提升,而且满足设计要求。
八、零件图第一面透镜零件图如图8-1.1所示。
(透镜零件尺寸上下各留1mm)图8-1.1九、学习体会花了大概将近一个星期的时间终于完成了这份设计报告,所投入的精力与时间远超预期。
从头止尾,跌跌撞撞,十分不容易。
从最开始的选题开始,最开始选的是投影物镜,但这类的范例实在太少了,作为新手考虑到之后的操作进程,还是选了较为广泛的照相物镜,就当是投影物镜的反向设计。
然后具体的设计要求,也刻意避开了用的较多的例子,找的相关书籍中的习题。
镜头选型时,在《光学仪器设计手册》中有一个十分合适的结构,但在ZEMAX上设置运行之后却发现光线在透镜中反复折回,完全没法用,检查设置后只好放弃。
然后上网查资料,找镜头,开始接触CODE V软件,使用CODE V的镜头专利库找到了合适的结构,而在将CODE V中数据输入ZEMAX中后发现出现的结构完全不对,和之前一样,但在C0DE V中运行却十分正常,我意识到必须弄清楚这个问题,要不然我换多少结构都没意义,对比两个软件的设置以及查阅资料之后,发现需要设置渐晕,限制光束,按原始专利数据设置渐晕之后光路果然恢复正常,但是设计手册中的初始数据好像没提到渐晕数据,那个结构也只好作罢。
替换玻璃原本是应该按初始玻璃来找参数相近的玻璃,但在CODE V专利中初始玻璃只有一串数据,如“610000.533000”,搞得我莫名其妙,以为是外国玻璃编号之类的东西查了半天,后来才突然醒悟就是玻璃折射率与色散值,不过取的是小数点之后的值,略感无语。
在初始结构完成后开始优化,当真是无头的苍蝇,按原来上课教的方法进行优化却是聊胜于无,试遍已知手段,却发现甚至还不如初始结构来的漂亮,毕竟初始结构已经是十分完美了,只不过缩放了焦距,略改了数据。
毫无头绪,只好求助于相关光学论坛,等了很久,运气不错有人指点了一下,然后才知道应该有目的性的优化,限制了MTF与畸变值,试了多次后终于有了点样子,达到设计要求。
断断续续接近一个星期,其实大部分时间都是在解决问题或者避开问题,真正操作写报告的时间并不多。
在这个过程中,出现了很多问题,大大小小的,深刻感受到了实际上“困难真比方法多”,有的问题是可以避开的,投机取巧,比如换玻璃我直接用的ZEMAX的更换功能,我不确定在那种情况下是否合适,有点不踏实但是得到了结果;而有的是避不开的,比如优化,方法没用对图像显示的就是不合格,你没法碰巧弄出来,这种时候挺磨人的,甚至想换个简单点的题目吧,但我磨着磨着最终还是解决了,有种解脱的感觉,虽说最后发现整个过程用的方法好像和老师教的有点走偏了,但是结果合适。
解决问题很有成就感,遇到问题很头疼,有些问题实际上很简单但没人指导就是得花很多时间,没人一起讨论实在太痛苦。
当然,也收获了不少,复习了一下相关知识,CODE V是个好软件,ZEMAX多了点熟练度,解决问题的感觉还不错。
十、参考文献[1]黄一帆,李林.光学设计教程[M].北京:北京理工大学出版社,2009.[2]刘钧,高明.光学设计[M].西安:西安电子科技大学出版社,2006.[3]耿瑞辰,黄军霞.光学塑料折射非球面在双高斯照相物镜设计中的应用[J].制造业自动化,2010,32(11):145-148.[4]张以谟.应用光学(第3版)[M].北京:电子工业出版社,2008.695-698.[5]CODE V软件镜头库,US PATENT 2,117,252 EX 1 H. W. LEE.[6]ZEMAX中文使用手册2010年2月版.光研科学有限公司.。