几种乳化沥青的配方
- 格式:docx
- 大小:397.82 KB
- 文档页数:5
基础知识一、沥青乳化剂分类1、按电荷分:①阳离子乳化剂②阴离子乳化剂③非离子型乳化剂2、按破乳速度分:①快裂型②中裂型③慢裂型(慢凝、快凝)我公司生产的802(中裂型、不需调酸); 803(慢裂慢凝型、需调酸) ; 801(慢裂快凝型、需调酸)二、乳化沥青1、乳化沥青的组成:①沥青②乳化剂③水(井水,自来水)④盐酸(需要时)⑤稳定剂(需要时)2、乳化沥青制备:是将沥青热融后,通过乳化剂(水溶液)和机械的作用,使沥青以细小的颗粒分散在一定量的水中而形成的沥青乳液。
乳化剂水溶液也称为皂液生产时皂液温度60-70℃,沥青温度130-140℃,皂液温度和沥青温度之和不能大于200℃.3、改性乳化沥青:①加胶乳(SBR)分內掺和外掺:生产乳化沥青时胶乳加在皂液里或直接进入胶体磨的为内掺;加在乳化沥青里搅拌的为外掺。
②直接用SBS改性沥青乳化成乳化沥青。
《乳化沥青生产工艺》生产乳化沥青的方法有很多种,其中机械分散法具有效率高,速度快,产量大,调节控制容易等优点,因而在乳化沥青生产中广为采用。
所谓机械分散法,是依靠机械的强力搅拌作用力,把沥青液相剪切形成微小的颗粒,悬浮在乳化剂水溶液中,成为水包油状的沥青乳液。
一般习惯上把用来完成沥青乳化所需的全部装置称为乳化沥青生产设备,把沥青液相粉碎的机器称之为乳化机。
沥青乳化不仅需要专用的生产设备,而且要在一定的生产工艺流程和技术条件下才能完成。
通常把沥青,乳化机,水从初始进入生产设备到乳液成品输出的这一全过程及每一生产过程中的技术要求称之为乳化工艺。
乳化沥青生产工艺主要包括生产配方,温度控制,油水比例控制等内容。
一般应根据乳液技术要求,乳化剂性能,沥青性能,水质,设备性能,生产规模,施工要求等技术条件,首先通过室内试验,初步确定乳化工艺,然后在生产设备上试生产。
检验和修正室内试验所确定的工艺,补充试验室无法确定的其它工艺问题,最后得到正式用于生产的乳化沥青生产工艺。
乳化沥青生产过程一般分为沥青配置,乳化剂水溶液配置,沥青乳化和乳液储存四个主要工序。
基础知识一、沥青乳化剂分类1、按电荷分:①阳离子乳化剂②阴离子乳化剂③非离子型乳化剂2、按破乳速度分:①快裂型②中裂型③慢裂型(慢凝、快凝)我公司生产的802(中裂型、不需调酸); 803(慢裂慢凝型、需调酸) ; 801(慢裂快凝型、需调酸)二、乳化沥青1、乳化沥青的组成:①沥青②乳化剂③水(井水,自来水)④盐酸(需要时)⑤稳定剂(需要时)2、乳化沥青制备:是将沥青热融后,通过乳化剂(水溶液)和机械的作用,使沥青以细小的颗粒分散在一定量的水中而形成的沥青乳液。
乳化剂水溶液也称为皂液生产时皂液温度60-70℃,沥青温度130-140℃,皂液温度和沥青温度之和不能大于200℃.3、改性乳化沥青:①加胶乳(SBR)分內掺和外掺:生产乳化沥青时胶乳加在皂液里或直接进入胶体磨的为内掺;加在乳化沥青里搅拌的为外掺。
②直接用SBS改性沥青乳化成乳化沥青。
《乳化沥青生产工艺》生产乳化沥青的方法有很多种,其中机械分散法具有效率高,速度快,产量大,调节控制容易等优点,因而在乳化沥青生产中广为采用。
所谓机械分散法,是依靠机械的强力搅拌作用力,把沥青液相剪切形成微小的颗粒,悬浮在乳化剂水溶液中,成为水包油状的沥青乳液。
一般习惯上把用来完成沥青乳化所需的全部装置称为乳化沥青生产设备,把沥青液相粉碎的机器称之为乳化机。
沥青乳化不仅需要专用的生产设备,而且要在一定的生产工艺流程和技术条件下才能完成。
通常把沥青,乳化机,水从初始进入生产设备到乳液成品输出的这一全过程及每一生产过程中的技术要求称之为乳化工艺。
乳化沥青生产工艺主要包括生产配方,温度控制,油水比例控制等内容。
一般应根据乳液技术要求,乳化剂性能,沥青性能,水质,设备性能,生产规模,施工要求等技术条件,首先通过室内试验,初步确定乳化工艺,然后在生产设备上试生产。
检验和修正室内试验所确定的工艺,补充试验室无法确定的其它工艺问题,最后得到正式用于生产的乳化沥青生产工艺。
乳化沥青生产过程一般分为沥青配置,乳化剂水溶液配置,沥青乳化和乳液储存四个主要工序。
高分子聚合物乳化沥青
1. 成分和制备,高分子聚合物乳化沥青主要成分包括沥青、乳
化剂和高分子聚合物。
在制备过程中,高分子聚合物被加入到沥青
乳化液中,并通过乳化剂的作用使其分散均匀,形成乳化沥青。
常
见的高分子聚合物包括SBS(丁苯橡胶)、SBR(丁苯橡胶)、EVA (乙烯-醋酸乙烯酯共聚物)等。
2. 特性和优势,高分子聚合物乳化沥青相对于传统沥青具有更
优越的性能。
添加高分子聚合物可以改善沥青的弹性和黏附性,提
高路面的耐久性和抗裂性。
此外,高分子聚合物乳化沥青还具有较
好的耐水性和耐老化性能,能够延长路面的使用寿命。
3. 应用领域,高分子聚合物乳化沥青广泛应用于道路建设和维
护领域。
它可以用作路面封层、面层、基层和修补材料,能够有效
改善路面的抗裂性能和耐久性,减少路面破损和维护成本。
4. 环保和可持续性,相比传统的石油沥青,高分子聚合物乳化
沥青在环保和可持续性方面具有一定优势。
由于其改性效果,可以
减少沥青使用量,降低对石油资源的依赖,同时减少对环境的污染。
总的来说,高分子聚合物乳化沥青作为一种新型的道路材料,在提高路面性能、延长使用寿命、降低维护成本和减少环境影响等方面具有显著的优势,因此在道路建设和维护中得到了广泛的应用和推广。
乳化沥青(⼀)乳化沥青的组成材料乳化沥青是将粘稠沥青加热⾄热熔状态,经机械的强⼒搅拌作⽤,使沥青以细微液滴(粒径2-5甲)状态分布在含有乳化剂的⽔溶液中,成为⽔包油(O/W)状的沥青乳液。
1.沥青沥青是乳化沥青中的基本成分,在乳化沥青中占55%-70%。
沥青的选择,应根据乳化沥青在路⾯⼯程中的⽤途⽽定。
⼀般来说,⼏乎各种标号的沥青都可以乳化,相同油源和⼯艺的沥青,针⼊度较⼤者易于形成乳液。
道路⼯程中⽤于配制乳化沥青的沥青针⼊度范围多在100-200之间。
沥青的原油基属、化学组成和结构对乳化沥青的制作和形成后的性质有重要的影响,含蜡量较⾼的沥青较难乳化,且乳化后储存稳定性⽋佳。
2.⽔⽔是沥青分散的介质,其硬度和离⼦性对乳化沥青的形成和稳定性有较⼤的影响。
⼀般要求⽔不应太硬。
⽔中存在钙、镁等离⼦时,对于⽣产阳离⼦乳化沥青有利,但不利于⽣产阴离⼦乳化沥青;⽽碳酸离⼦和碳酸氢离⼦对两种乳化沥青的作⽤刚好相反。
⽔中的粒状物质通常带有负电荷,由于对阳离⼦乳化剂的吸附,对⽣产阳离⼦乳化沥青不利。
因此,应根据乳化沥青的离⼦类型、选择符合⽔质要求的⽔源。
3.乳化剂乳化剂在乳化沥青中所占的⽐例较低(⼀般为⼲分之⼏),但对乳化沥青的⽣产、贮存及施⼯起着关键性的作⽤。
4.稳定剂为了改善沥青乳液的均匀性、减缓沥青微粒之间的凝聚速度、提⾼乳液的稳定性、增强与⽯料的粘附能⼒,常在乳液中加⼊——定的稳定剂。
掺加稳定剂还可能降低乳化剂的使⽤剂量。
稳定剂分为⽆机和有机两类。
1)⽆机稳定剂常⽤的稳定效果最明显的⽆机盐类物质为氯化铵、氯化钙和氯化镁等。
如氯化钙可以降低季铵盐阳离⼦乳化剂的⽤量。
对于胺型阳离⼦乳化剂,由于不能直接溶解于⽔,需要⽤盐酸将⽔的PN值调节⾄2左右,或⽤醋酸调节⾄4左右⽅能使⽤。
但如果酸过量,则乳化性和稳定性将受到影响。
2)有机稳定剂常⽤的有聚⼄烯醇,它与阳离⼦乳化剂复合使⽤对含蜡量⾼的沥青的乳化及储存稳定性起良好的作⽤。
水泥板用乳化沥青防水剂配方
水泥板用乳化沥青防水剂
配方实例
直馏沥青300
石蜡75
阳离子乳化剂3:6
盐酸1
氯化钠1:8
水360
〔制备方法〕将直馏沥青加热熔化脱水,并加热至140℃得沥青液。
将阳离子乳化剂、盐酸和氯化钠加入水中,充分混合均匀即得乳化液,保温至70℃左右。
先将乳化液注入匀化机中,然后徐徐注入沥青液,进行匀化,则可制得稳定性有所改进的乳化沥青。
该乳化沥青可用于水泥板、石膏板和纤维板的防水处理上。
如,将纤维板试样浸入防水剂中10分钟,并在100℃下干燥之。
当纤维板浸水1小时后,吸水率为29:2%,而未用沥青防水剂处理的纤维板吸水率为84:7%。
防水涂料:再生橡胶乳化沥青生产配方实例
在乳化沥青中掺入再生橡胶乳浆,则可制得再生橡胶乳化沥青。
沥青基再生橡胶屋面防水厚膜水性涂料配方实例乳化沥青:
石油沥青
100
松香油酸钠皂
8
水
60
再生橡胶乳浆:
轮胎面再生胶
100
工业皂
10
防老剂D
1~2
水
100
涂料配方:
乳化沥青
100
再生胶乳浆
60
〔制备方法〕将沥青熔化脱水,冷却至90~110℃加入乳化剂搅拌5分钟使混合均匀,在80~90℃下,边搅拌边加水,约搅拌15分钟即成乳化沥青;再生橡胶在双辊炼胶机素炼30次薄通,加入防老剂混炼均匀,缓慢加水,加入分散剂皂,混炼均匀,继续加水混炼,即成极细颗粒水乳状,然后从辊上刮下来,用温水稀释至所需稠度即为再生胶乳浆,辊筒。
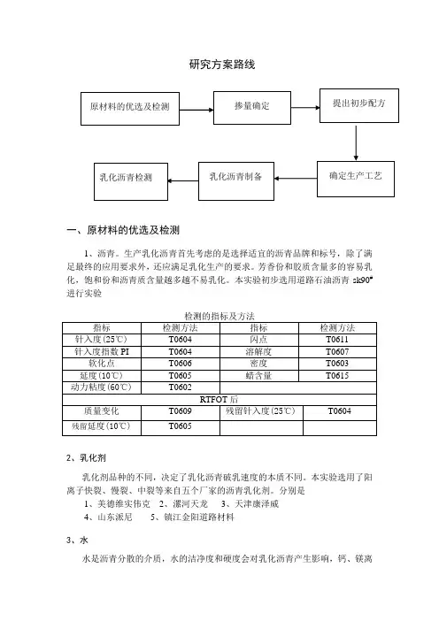
研究方案路线一、原材料的优选及检测1、沥青。
生产乳化沥青首先考虑的是选择适宜的沥青品牌和标号,除了满足最终的应用要求外,还应满足乳化生产的要求。
芳香份和胶质含量多的容易乳化,饱和份和沥青质含量越多越不易乳化。
本实验初步选用道路石油沥青sk90# 进行实验2、乳化剂乳化剂品种的不同,决定了乳化沥青破乳速度的本质不同。
本实验选用了阳离子快裂、慢裂、中裂等来自五个厂家的沥青乳化剂。
分别是1、美德维实伟克2、漯河天龙3、天津康泽威4、山东派尼5、镇江金阳道路材料3、水水是沥青分散的介质,水的洁净度和硬度会对乳化沥青产生影响,钙、镁离子的存在对阳离子型乳化剂来说有利有弊,水中杂质微粒也会影响沥青的乳化。
本实验选用洁净的硬度低的自来水4、酸从使用效果,经济安全、实际生产应用中的多少考虑,我们选用盐酸,使用标定过的酸度计准确测量pH值二、掺量确定三、提出初步配方美德维实伟克镇江金阳道路材料科技发展有限公司(五)天津康泽威科技有限公司(二)(三)(四)四、确定生产工艺生产工艺包括:沥青和皂液的加热温度、皂液PH值的调节(1)沥青和皂液的加热温度沥青要达到很好的流动状态需要沥青有较高温度,乳化剂在水中溶解、乳化剂皂液活性的提高、水和沥青界面张力降低,等需要皂液处于一定的温度。
同时乳化沥青生产后的温度不能高于100℃,否则将引起水的沸腾,综合这些因素,选择沥青加热温度为120~140℃,皂液温度为55~75℃,乳化沥青出口温度不高于85℃。
(2)皂液PH值的调节乳化剂本身由于化学结构而有一定的酸碱性,离子型乳化剂溶解于水中形成皂液,PH值对乳化剂的活性有影响,调至合适的PH值使皂液的活性增强,甚至有些乳化剂如果不调皂液PH值就无法溶解。
酸性使阳离子乳化剂活性增强,碱性使阴离子乳化剂活性增强,非离子乳化剂活性与PH值无关。
使用乳化剂时应根据具体的产品说明进行PH值的调节。
五、乳化沥青制备乳化沥青制备流程图六、乳化沥青检测:粘度实验T 0621。
乳化沥青配比1. 乳化沥青概述乳化沥青是指将石沥青与乳化剂通过乳化机械设备进行混合,形成乳化沥青。
乳化沥青的特点是水溶性,能够在常温下使用,无需加热。
在道路建设中,乳化沥青被广泛应用于基层和面层的稳定处理,提高道路的抗水性、抗沉降、抗车辙、抗冻融等性能。
乳化沥青的配比是指通过确定不同材料在混合中的比例关系,调整乳化沥青的性质和性能。
合理的配比能够保证混合料的稳定性、强度、耐久性等指标的满足,并降低施工成本。
2. 乳化沥青配比方法2.1 实验室配比方法实验室配比是通过实验室模拟乳化沥青混合料的制备过程,通过试验数据的分析和处理,确定合适的配比。
其步骤如下:2.1.1 试验设计根据现场条件和要求,确定试验配比的种类和范围。
试验设计应包含需求的稳定性、流动性、抗水性、抗沉降性等指标。
2.1.2 材料选择选择符合标准要求的原材料,包括石沥青、乳化剂、填料等。
确保原材料的质量和稳定性。
2.1.3 实验制备按照设计的配比,进行实验室模拟制备乳化沥青混合料。
控制制备过程中的温度、时间和搅拌速度等因素。
2.1.4 试验测试对制备好的乳化沥青混合料进行一系列试验测试,包括稳定性试验、流动性试验、抗水性试验、抗沉降试验等。
2.1.5 数据分析根据试验数据进行分析,评价乳化沥青混合料的性能。
确定适用的配比范围,并进行优化。
2.2 经验配比方法经验配比方法是基于多年的实践经验,通过观察和总结,得出适用于一定条件和要求的乳化沥青配比。
2.2.1 老配方的调整根据历史记录的配比数据和施工情况,对现有配方进行调整。
可以适当增加或减少某些原材料的用量,以改善混合料性能。
2.2.2 试验验证将调整后的配方进行试验验证,通过试验结果评价配方的合理性和适用性。
如有必要,进行多次小范围试验调整。
2.2.3 错误总结通过总结实际施工中的错误经验,对配比方法进行总结和改进。
及时纠正不合理的配比,避免重复错误。
3. 乳化沥青配比参数乳化沥青配比参数是乳化沥青混合料配方中所使用的各类原材料的用量比例。
涨知识!乳化沥青的成分组成和种类讲解一、乳化沥青概念所谓乳化沥青就是将沥青热融,经过机械的作用以细小的微滴状态分散于含有乳化剂的水溶液之中,形成水包油状的沥青乳液。
使用这种沥青乳液修路时,不需加热,可以在常温下进行喷洒、贯入或拌和摊铺,铺筑各种结构路面的面层及基层,也可以用作透层油、粘层油以及用于各种稳定基层的养护。
于稀释沥青和热沥青,乳化沥青不需要耗费大量汽油、煤油等溶剂,也无需大量热能加热沥青和集料,具有独特的应用特点。
乳化沥青以水为分散介质而形成水乳液型分散体系,使用乳化沥青施工时,不需加热,可以在常温下自由流动,并且可以根据需要制造出各种类型和浓度的乳化沥青,并且方便地进行改性,施工过程可以容易地控制沥青的用量。
乳化沥青在道路工程中的主要应用路面工程表面处治其它冷拌和乳化沥青混凝土冷拌和再生沥青混凝土乳化沥青贯入式路面稀浆封层微表处雾封层层铺法乳化沥青表面处治透层油粘层油基层稳定坑槽填补料裂缝填补料二、乳化沥青的特点及优越性(1)提高道路质量:乳化沥青的特点决定了它有普通热沥青所不易达到的效果,用作透层油、粘层油、层铺法施工、喷洒时可精确控制撒布量,有良好透入效果和粘附性,乳化沥青的沥青含量可任意调整,可达67%,拌和更加均匀,沥青膜厚很薄。
另外由于乳化沥青表面带有电荷,沥青微粒能紧密吸附到矿料表面,乳化剂同时起到抗剥落剂的作用,可以增强沥与石料间的粘结。
(2)扩大沥青使用范围:随着乳化沥青技术的不断发展,已有许多热沥青不可能做到的,用乳化沥青都能够实现。
(3)节约能源:乳化沥青生产时只需一次加热,而且沥青温度只需120~140℃,尽管乳化剂水溶液需要加热、乳化机械消耗电能等。
但据统计计算,用乳化沥青筑养路比用热沥青可节约热能在50%以上。
(4)节省材料:乳化沥青中含有40%左右的水,相当于用水将沥青稀释成60%的浓度,因此施工时可以更准确控制沥青用量;此外乳化沥青可以在矿料表面形成很薄的、均匀的沥青膜,保证矿料间有足够结构沥青的同时使自由沥青降低到适宜程度,因此可以显著降低沥青用量。
【配方5—22】
工艺、性能
把水加热,加入烧碱,搅拌使其溶解,然后升温至沸,边搅拌边徐徐加入磨细的松香粉,继续用水浴加热,不断搅拌熬煮90min左右,得松香皂乳化液。
另将沥青熔化脱出水分,在强烈搅拌下加入到松香皂乳化液中,继续搅拌5~10min,即为乳化沥青。
【配方5-23】
工艺、性能
将石油沥青、天然或合成脂肪酸混合,加热至115~120℃,然后加到预热60~70℃的碱性乳化液中.碱性乳化液为环烷酸钠、烧碱、水玻璃和水等混合溶解而成.
这两种乳液在配备中有浆式搅拌机的容器中,于50~100r/min下混合.当添加完成后,继续搅拌10min 以上,即制得脂肪酸沥青乳液。
这种沥青乳液具有高分散度和渗透力,贮存稳定,可以用来黏结建筑材料,耐水、耐候性好。
【配方5-24】
工艺、性能
将沥青和只当焦油加热熔化后加入三聚磷酸钠和水,搅拌均匀即成。
【配方5—25】
工艺、性能
将石油沥青加热熔化,然后加入氢氧化钠、烷基苯磺酸钠和水,充分搅拌混合均匀,最后加入丁腈乳胶和聚乙烯醇,搅拌均匀即成。
几种乳化沥青的配方(一)冷再生乳化沥青生产配方沥青含量: 65%-AH-70#乳化剂含量: 1.6%- PC-55甲基纤维素: 0.05%PH指数: 1.5基质沥青温度: 145—140皂液温度: 40成品出口温度: 60-----70(二)粘层乳化沥青生产配方沥青含量: 51%- AH-70#乳化剂含量: 0.6%--- DF42E甲基纤维素: 0.05%(水→cacl2)PH指数: 1.6—1.8基质沥青温度: 145—140皂液温度: 40---45成品出口温度: 60---70(三)透层乳化沥青生产配方沥青含量: 45%- AH-70#煤油含量: 15%乳化剂含量: 1.0%--- S101PH指数: 1.6—1.8基质沥青温度: 145—140皂液温度: 40---45成品出口温度: 60---70(四)下封层乳化沥青生产配方沥青含量: 56%- AH-70#乳化剂含量: 1.2%--- SBT甲基纤维素: 0.05%(水→cacl2)PH指数: 1.6—1.8基质沥青温度: 145—140皂液温度: 40---45成品出口温度: 70---80(五)改性粘层乳化沥青生产配方沥青含量: 51%- AH-70#乳化剂含量: 0.6%--- DF42E甲基纤维素: 0.05%(水→cacl2)1468 : 3.0% SBR (改性剂)PH指数: 1.6—1.8基质沥青温度: 145—140皂液温度: 40---45成品出口温度: 60---70(六)改性粘层乳化沥青生产配方沥青含量: 51% SBS改性沥青乳化剂含量: 0.6%--- DF42E甲基纤维素: 0.05%(水→cacl2)PH指数: 1.6—1.8基质沥青温度: 160—165皂液温度: 40---45成品出口温度: 80---70(七)改性稀浆封层乳化沥青生产配方沥青含量: 60% AH-70#乳化剂含量: 1.8%--- MQK--1KPH指数: 2.0--2.5基质沥青温度: 140--145外加改性剂胶乳量: 3% 1468 SBR (改性剂)皂液温度: 40---45成品出口温度: 80---70以上配方是根据我们自己生产实际情况配方,并非技术规范,同行业技术人员可以根据自己实际情况参考应用,不可照搬应用。
几种乳化沥青的配方(一)冷再生乳化沥青生产配方沥青含量: 65%-AH-70#乳化剂含量: 1.6%- PC-55甲基纤维素: 0.05%PH指数: 1.5基质沥青温度: 145—140皂液温度: 40成品出口温度: 60-----70(二)粘层乳化沥青生产配方沥青含量: 51%- AH-70#乳化剂含量: 0.6%--- DF42E甲基纤维素: 0.05%(水→cacl2)PH指数: 1.6—1.8基质沥青温度: 145—140皂液温度: 40---45成品出口温度: 60---70(三)透层乳化沥青生产配方沥青含量: 45%- AH-70#煤油含量: 15%乳化剂含量: 1.0%--- S101PH指数: 1.6—1.8基质沥青温度: 145—140皂液温度: 40---45成品出口温度: 60---70(四)下封层乳化沥青生产配方沥青含量: 56%- AH-70#乳化剂含量: 1.2%--- SBT甲基纤维素: 0.05%(水→cacl2)PH指数: 1.6—1.8基质沥青温度: 145—140皂液温度: 40---45成品出口温度: 70---80(五)改性粘层乳化沥青生产配方沥青含量: 51%- AH-70#乳化剂含量: 0.6%--- DF42E甲基纤维素: 0.05%(水→cacl2)1468 : 3.0% SBR (改性剂)PH指数: 1.6—1.8基质沥青温度: 145—140皂液温度: 40---45成品出口温度: 60---70(六)改性粘层乳化沥青生产配方沥青含量: 51% SBS改性沥青乳化剂含量: 0.6%--- DF42E甲基纤维素: 0.05%(水→cacl2)PH指数: 1.6—1.8基质沥青温度: 160—165皂液温度: 40---45成品出口温度: 80---70(七)改性稀浆封层乳化沥青生产配方沥青含量: 60% AH-70#乳化剂含量: 1.8%--- MQK--1KPH指数: 2.0--2.5基质沥青温度: 140--145外加改性剂胶乳量: 3% 1468 SBR (改性剂)皂液温度: 40---45成品出口温度: 80---70以上配方是根据我们自己生产实际情况配方,并非技术规范,同行业技术人员可以根据自己实际情况参考应用,不可照搬应用。
几种乳化沥青的配方乳化沥青是一种将沥青和水通过化学方法进行乳化而得到的稳定乳状液体。
乳化沥青广泛用于道路建设中的路面处理、封层和面层混凝土等工程中。
不同的乳化沥青配方可以根据具体应用需求来选择,以下是几种常见的乳化沥青配方:1.常规乳化沥青配方:-沥青:一般使用中黏度或高黏度沥青。
-表面活性剂:用于稳定沥青和水的乳化。
常见的表面活性剂有阴离子、非离子和阳离子表面活性剂。
-乳化剂:用于促进沥青和水的乳化反应。
乳化剂一般为碱性或酸性物质,如氢氧化钠、石碱或磷酸等。
-水:用于和沥青进行乳化反应的介质。
2.聚合物改性乳化沥青配方:-沥青:同样使用中黏度或高黏度沥青。
-表面活性剂:同样用于稳定沥青和水的乳化。
-乳化剂:同样用于促进沥青和水的乳化反应。
-聚合物:用于改善乳化沥青的性能,提高其耐久性和附着力。
常用的聚合物有聚丙烯酰胺、聚氨酯等。
3.稀释型乳化沥青配方:-沥青:一般使用高黏度沥青。
-表面活性剂:用于稳定沥青和水的乳化。
-乳化剂:用于促进沥青和水的乳化反应。
-稀释剂:添加稀释剂可以降低乳化沥青的黏度,提高其流动性和易处理性。
4.快速交通道路用乳化沥青配方:-沥青:一般使用高黏度沥青。
-表面活性剂:用于稳定沥青和水的乳化。
-乳化剂:用于促进沥青和水的乳化反应。
-快速设置剂:添加快速设置剂可以使乳化沥青在短时间内固化,适用于快速交通道路的修复和封层。
以上是几种常见的乳化沥青配方,每一种配方都有其特定的应用领域和特点。
在实际使用中,可以根据工程需求和环境条件选择合适的乳化沥青配方,以提高工程质量和效果。
几种乳化沥青的配方文档
1.标准配方:
1.石油沥青:80%
2.水:20%
3.乳化剂:根据需要添加
4.添加剂:可根据要求添加适量的改性材料,如聚合物改性剂等。
2.高性能配方:
1.石油沥青:75-80%
2.水:15-20%
3.乳化剂:1-2%
4.聚合物改性剂:3-5%
5.添加剂:根据需要添加抗老化剂、防水剂等。
3.聚合物改性配方:
1.石油沥青:70-75%
2.水:20-25%
3.乳化剂:1-2%
4.聚合物改性剂:5-10%
5.添加剂:根据需要添加增粘剂、改性剂、增韧剂等。
4.高性价比配方:
1.石油沥青:75%
2.水:20%
3.乳化剂:1%
4.添加剂:4%,包括抗老化剂、防水剂等。
5.环保配方:
1.沥青废料(烘干后):60%
2.沥青新料:20%
3.水:20%
4.乳化剂:1%
5.添加剂:包括聚合物改性剂、增粘剂等。
6.高温地区配方:
1.石油沥青:70%
2.水:20%
3.乳化剂:2%
4.聚合物改性剂:5%
5.添加剂:3%,包括抗老化剂、防水剂等。
7.低温地区配方:
1.石油沥青:75%
2.水:15%
3.乳化剂:2%
4.添加剂:8%,包括增粘剂、防冻剂等。
以上是几种常见的乳化沥青的配方文档,每种配方都有其独特的特点
和适用场景,选用合适的配方可以保障工程的质量和性能。
在实际生产中,还需根据具体要求进行适当调整和改进。
几种乳化沥青的配方 Prepared on 24 November 2020
几种乳化沥青的配方
(一)冷再生乳化沥青生产配方
沥青含量: 65%-AH-70#
乳化剂含量: %- PC-55
甲基纤维素: %
PH指数:
基质沥青温度: 145—140
皂液温度: 40
成品出口温度: 60-----70
(二)粘层乳化沥青生产配方
沥青含量: 51%- AH-70#
乳化剂含量: %--- DF42E
甲基纤维素: %(水→cacl2)
PH指数:—
基质沥青温度: 145—140
皂液温度: 40---45
成品出口温度: 60---70
(三)透层乳化沥青生产配方
沥青含量: 45%- AH-70#
煤油含量: 15%
乳化剂含量: %--- S101
PH指数:—
基质沥青温度: 145—140
皂液温度: 40---45
成品出口温度: 60---70
(四)下封层乳化沥青生产配方沥青含量: 56%- AH-70#
乳化剂含量: %--- SBT
甲基纤维素: %(水→cacl2)PH指数:—
基质沥青温度: 145—140
皂液温度: 40---45
成品出口温度: 70---80
(五)改性粘层乳化沥青生产配方沥青含量: 51%- AH-70#
乳化剂含量: %--- DF42E
甲基纤维素: %(水→cacl2)
1468 : % SBR (改性剂)
PH指数:—
基质沥青温度: 145—140
皂液温度: 40---45
成品出口温度: 60---70
(六)改性粘层乳化沥青生产配方
沥青含量: 51% SBS改性沥青
乳化剂含量: %--- DF42E
甲基纤维素: %(水→cacl2)
PH指数:—
基质沥青温度: 160—165
皂液温度: 40---45
成品出口温度: 80---70
(七)改性稀浆封层乳化沥青生产配方沥青含量: 60% AH-70#
乳化剂含量: %--- MQK--1K
PH指数:基质沥青温度: 140--145
外加改性剂胶乳量: 3% 1468 SBR (改性剂)
皂液温度: 40---45
成品出口温度: 80---70
以上配方是根据我们自己生产实际情况配方,并非技术规范,同行业技术人员可以根据自己实际情况参考应用,不可照搬应用。