(完整版)建筑工程识图要点汇总总结
- 格式:doc
- 大小:2.69 MB
- 文档页数:16
建筑工程识图、审图要点工程开工之前,需识图、审图,再进行图纸会审工作。
如果有识图、审图经验,掌握一些要点,则事半功倍。
现谈谈本人的识图、审图经验,供参考。
识图、审图的程序是:熟悉拟建工程的功能熟悉、审查工程平面尺寸熟悉、审查工程立面尺寸检查施工图中容易出错的部位有无出错检查有无改进的地方。
一、熟悉拟建工程的功能图纸到手后,首先了解本工程的功能是什么,是车间还是办公楼?是商场还是宿舍?了解功能之后,再联想一些基本尺寸和装修,例如厕所地面一般会贴地砖、作块料墙裙,厕所、阳台楼地面标高一般会低几厘米;车间的尺寸一定满足生产的需要,特别是满足设备安装的需要等等。
最后识读建筑说明,熟悉工程装修情况。
二、熟悉、审查工程平面尺寸建筑工程施工平面图一般有三道尺寸,第一道尺寸是细部尺寸,第二道尺寸是轴线间尺寸,第三道尺寸是总尺寸。
检查第一道尺寸相加之和是否等于第二道尺寸、第二道尺寸相加之和是否等于第三道尺寸,并留意边轴线是否是墙中心线,广东省制图习惯是边轴线为外墙外边线。
识读工程平面图尺寸,先识建施平面图,再识本层结施平面图,最后识水电空调安装、设备工艺、第二次装修施工图,检查它们是否一致。
熟悉本层平面尺寸后,审查是否满足使用要求,例如检查房间平面布置是否方便使用、采光通风是否良好等。
识读下一层平面图尺寸时,检查与上一层有无不一致的地方。
三、熟悉、审查工程立面尺寸建筑工程建施图一般有正立面图、剖立面图、楼梯剖面图,这些图有工程立面尺寸信息;建施平面图、结施平面图上,一般也标有本层标高;梁表中,一般有梁表面标高;基础大样图、其它细部大样图,一般也有标高注明。
通过这些施工图,可掌握工程的立面尺寸。
正立面图一般有三道尺寸,第一道是窗台、门窗的高度等细部尺寸,第二道是层高尺寸,并标注有标高,第三道是总高度。
审查方法与审查平面各道尺寸一样,第一道尺寸相加之和是否等于第二道尺寸,第二道尺寸相加之和是否等于第三道尺寸。
检查立面图各楼层的标高是否与建施平面图相同,再检查建施的标高是否与结施标高相符。
建筑识图与构造知识点一、建筑识图基础知识1. 图纸分类- 施工图:包括平面图、立面图、剖面图、详图等,用于指导施工。
- 结构图:展示建筑结构的布置、类型、尺寸和连接方式。
- 设备图:涉及给排水、暖通空调、电气等设备布局和连接方式。
2. 图纸符号与图例- 通用符号:用于表示建筑元素,如墙体、门窗、楼梯等。
- 专用符号:针对特定专业,如电气元件、管道配件等。
- 图例:解释图纸中的符号和标记,帮助理解图纸内容。
3. 尺寸标注- 线性尺寸:表示长度、宽度、高度等。
- 角度尺寸:表示转角和斜边长度。
- 半径/直径尺寸:用于圆形或弧形元素。
4. 比例尺- 表示图纸与实际尺寸的比例关系,如1:100、1:200等。
二、建筑构造知识1. 基础构造- 浅基础:如条形基础、板式基础。
- 深基础:如桩基础、井基础。
2. 墙体构造- 承重墙:承担建筑重量和传递荷载。
- 非承重墙:分隔空间,不承担重量。
- 墙体材料:砖、混凝土、石材、玻璃等。
3. 楼板与地面构造- 楼板类型:钢筋混凝土楼板、预应力混凝土楼板等。
- 地面处理:找平层、保温层、防水层、面层。
4. 屋顶构造- 平屋顶:通常设有防水层和保温层。
- 坡屋顶:利用屋架或桁架支撑,有利于排水。
5. 楼梯构造- 直梯:简单直接,占地小。
- 螺旋梯:节省空间,造型美观。
- 电梯:用于高层建筑的垂直运输。
6. 门窗构造- 门窗类型:固定窗、推拉窗、平开窗等。
- 门窗材料:木材、金属、塑料或复合材料。
7. 结构系统- 框架结构:由梁、柱构成,适用于多层建筑。
- 剪力墙结构:墙体承重,适用于高层建筑。
- 框剪结构:框架与剪力墙结合,提高抗震性能。
三、建筑识图与构造实践1. 图纸阅读与分析- 识别图纸中的各个元素和符号。
- 分析构造要求和材料规格。
- 理解图纸中的尺寸和比例。
2. 施工准备- 根据图纸准备所需材料和设备。
- 制定施工计划和进度安排。
3. 现场施工- 按照图纸和规范进行施工。
建筑工程制图识图建筑工程制图是指利用图纸来描述建筑物的形状、尺寸、结构和材料等信息的过程。
在建筑工程中,制图是非常重要的一环,它是实现设计和施工之间的有效沟通桥梁,并能够确保施工的精确性和准确性。
因此,建筑工程制图的识图能力对于建筑专业人员来说是至关重要的。
一、建筑工程制图的种类1. 平面图平面图是建筑工程制图中最常见且最重要的一种。
它是从俯视角度来描述建筑物布局和空间关系的,能够清晰地展示建筑物的平面形状、尺寸、房间分布以及重要设备的位置等信息。
2. 剖面图剖面图是建筑工程制图中用来展示建筑物内部结构的一种图表。
它通常从某个垂直的平面切断建筑物,将其内部结构和细节展示出来,能够清晰地展示建筑物的高度、横截面形状以及分隔墙等细节。
3. 立面图立面图是建筑工程制图中用来展示建筑物外立面形状和外部细节的一种图表。
它通常以正面视角来描述建筑物的外观、门窗位置、装饰元素以及立面上其他重要的特征。
4. 细部图细部图是建筑工程制图中用来展示建筑物局部细节的一种图表。
它通常对建筑物中的特殊部位,如连接处、拼接处、接缝等进行具体描述,能够清晰地展示细节构造和施工要求。
二、建筑工程制图的识图要点1. 仔细阅读图例和图纸说明在进行建筑工程制图的识图时,首先需要仔细阅读图例和图纸说明。
图例是对图纸上各种图形符号和线条的解释,而图纸说明则是对图纸内容的文字描述和补充说明。
通过仔细阅读图例和图纸说明,我们可以了解到图纸中各种符号和线条的含义,从而更好地理解图纸的内容。
2. 确定图纸的比例和单位图纸通常会标注比例和单位,比如1:100、1:50等。
在进行建筑工程制图的识图时,我们需要根据图纸上的比例和单位来确定实际尺寸和位置。
如果我们没有注意到比例和单位,就很容易造成实际施工中的误差。
3. 视觉理解建筑物的三维形态建筑工程制图通常是二维的,但是建筑物本身是三维的。
因此,在进行建筑工程制图的识图时,我们需要通过视觉理解来还原建筑物的三维形态。
建筑工程识图、审图要点第一篇:建筑工程识图、审图要点工程开工之前,需识图、审图,再进行图纸会审工作。
如果有识图、审图经验,掌握一些要点,则事半功倍。
现谈谈本人的识图、审图经验,供参考。
识图、审图的程序是:熟悉拟建工程的功能熟悉、审查工程平面尺寸熟悉、审查工程立面尺寸检查施工图中容易出错的部位有无出错检查有无改进的地方。
一、熟悉拟建工程的功能图纸到手后,首先了解本工程的功能是什么,是车间还是办公楼?是商场还是宿舍?了解功能之后,再联想一些基本尺寸和装修,例如厕所地面一般会贴地砖、作块料墙裙,厕所、阳台楼地面标高一般会低几厘米;车间的尺寸一定满足生产的需要,特别是满足设备安装的需要等等。
最后识读建筑说明,熟悉工程装修情况。
二、熟悉、审查工程平面尺寸建筑工程施工平面图一般有三道尺寸,第一道尺寸是细部尺寸,第二道尺寸是轴线间尺寸,第三道尺寸是总尺寸。
检查第一道尺寸相加之和是否等于第二道尺寸、第二道尺寸相加之和是否等于第三道尺寸,并留意边轴线是否是墙中心线,广东省制图习惯是边轴线为外墙外边线。
识读工程平面图尺寸,先识建施平面图,再识本层结施平面图,最后识水电空调安装、设备工艺、第二次装修施工图,检查它们是否一致。
熟悉本层平面尺寸后,审查是否满足使用要求,例如检查房间平面布置是否方便使用、采光通风是否良好等。
识读下一层平面图尺寸时,检查与上一层有无不一致的地方。
三、熟悉、审查工程立面尺寸建筑工程建施图一般有正立面图、剖立面图、楼梯剖面图,这些图有工程立面尺寸信息;建施平面图、结施平面图上,一般也标有本层标高;梁表中,一般有梁表面标高;基础大样图、其它细部大样图,一般也有标高注明。
通过这些施工图,可掌握工程的立面尺寸。
正立面图一般有三道尺寸,第一道是窗台、门窗的高度等细部尺寸,第二道是层高尺寸,并标注有标高,第三道是总高度。
审查方法与审查平面各道尺寸一样,第一道尺寸相加之和是否等于第二道尺寸,第二道尺寸相加之和是否等于第三道尺寸。
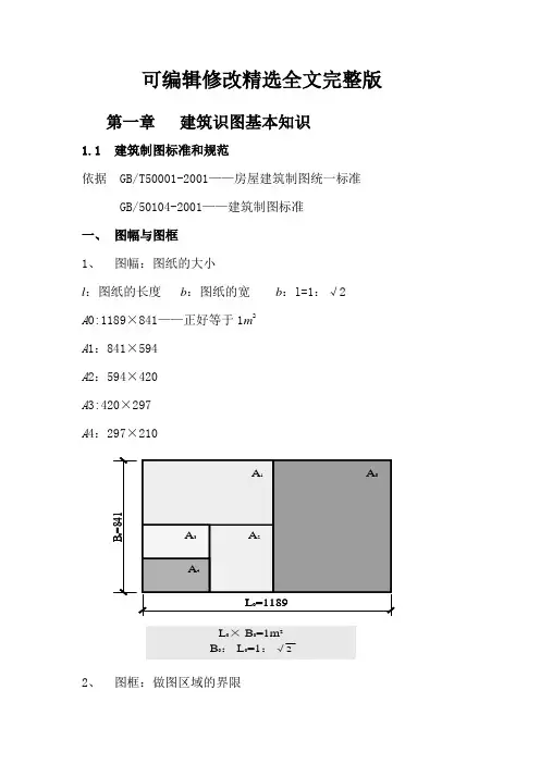
可编辑修改精选全文完整版第一章建筑识图基本知识1.1建筑制图标准和规范依据 GB/T50001-2001——房屋建筑制图统一标准GB/50104-2001——建筑制图标准一、图幅与图框1、图幅:图纸的大小l:图纸的长度b:图纸的宽b:l=1:√2A0:1189×841——正好等于1m2A1:841×594A2:594×420A3:420×297A4:297×2102、图框:做图区域的界限a :装订边宽度,无论多大的图幅,装订边宽度不变c :除装订边的另三边宽度,A0——A2,c =10mm ,其余小图纸取5mm 3、 对中标志:用于复制图纸,0.35mm 宽,伸入图幅内5mm 二、 标题栏与会签栏 1、 标题栏(图标)反应该图的设计、绘图方面的等等情况,包含:工程名称、图名、设计单位及设计师、绘图员、图号等等2、 会签栏:建筑是一项综合工程,包含了方方面面的专业和技术,会签栏是各专业负责人对该图纸的认可签字,包括:城市规划、消防、给排水、结构、暖通、环保、燃气等。
三、 图线 1、 线宽组及线型线宽组:b :2,1.4,1,0.7,0.5,0.35,0.25,0.18 b /2,b /42、图线画法1)同张图纸,同比例的图样应采用相同线宽组2)图框、标题栏的界限用b线绘制3)平行线之间的间隔不能小于0.7,避免误认为一条线4)虚线、单点长划线、双点长划线等,应线段相交,不能短划线和空隙相交。
只有虚线是实线的延长线时,应留空隙5)图形小时可以用细实线代替单点长划线、双点长划线四、字体工程字为长仿宋字,字高等于字号,为20,14,10,7,5,3.5,2.5 分别用在不同的地方。
写字方法:横平竖直,注意起落,结构匀称,填满方格。
五、比例图形与实物相应线性尺寸之比。
写在图名右侧,用小一号或小二号字体书写。
常用比例:1:1,1:2,1:5等,P11表。
六、尺寸标注标注要求: 正确、完整、清晰、合理。
建筑工程识图、审图要点工程开工之前,需识图、审图,再进行图纸会审工作。
如果有识图、审图经验,掌握一些要点,则事半功倍。
现谈谈本人的识图、审图经验,供参考。
识图、审图的程序是:熟悉拟建工程的功能熟悉、审查工程平面尺寸熟悉、审查工程立面尺寸检查施工图中容易出错的部位有无出错检查有无改进的地方。
一、熟悉拟建工程的功能 图纸到手后,首先了解本工程的功能是什么,是车间还是办公楼?是商场还是宿舍?了解功能之后,再联想一些基本尺寸和装修,例如厕所地面一般会贴地砖、作块料墙裙,厕所、阳台楼地面标高一般会低几厘米;车间的尺寸一定满足生产的需要,特别是满足设备安装的需要等等。
最后识读建筑说明,熟悉工程装修情况。
二、熟悉、审查工程平面尺寸 建筑工程施工平面图一般有三道尺寸,第一道尺寸是细部尺寸,第二道尺寸是轴线间尺寸,第三道尺寸是总尺寸。
检查第一道尺寸相加之和是否等于第二道尺寸、第二道尺寸相加之和是否等于第三道尺寸,并留意边轴线是否是墙中心线,广东省制图习惯是边轴线为外墙外边线。
识读工程平面图尺寸,先识建施平面图,再识本层结施平面图,最后识水电空调安装、设备工艺、第二次装修施工图,检查它们是否一致。
熟悉本层平面尺寸后,审查是否满足使用要求,例如检查房间平面布置是否方便使用、采光通风是否良好等。
识读下一层平面图尺寸时,检查与上一层有无不一致的地方。
三、熟悉、审查工程立面尺寸 建筑工程建施图一般有正立面图、剖立面图、楼梯剖面图,这些图有工程立面尺寸信息;建施平面图、结施平面图上,一般也标有本层标高;梁表中,一般有梁表面标高;基础大样图、其它细部大样图,一般也有标高注明。
通过这些施工图,可掌握工程的立面尺寸。
正立面图一般有三道尺寸,第一道是窗台、门窗的高度等细部尺寸,第二道是层高尺寸,并标注有标高,第三道是总高度。
审查方法与审查平面各道尺寸一样,第一道尺寸相加之和是否等于第二道尺寸,第二道尺寸相加之和是否等于第三道尺寸。
浅谈建筑识图知识点总结在建筑识图方面,主要包括建筑平面图、立面图、剖面图、细部图、施工图等内容。
这些图纸上印有建筑的各项尺寸、结构、材料等信息,通过这些图纸可以清晰地了解到建筑的整体结构和细节设计。
因此,建筑识图知识是建筑设计和施工中必不可少的一部分。
一、建筑平面图建筑平面图是建筑设计图纸的基础,它用于表达建筑的布局和空间分配。
在平面图中,通常包括建筑的整体布局、空间分隔、房间功能等信息。
平面图可以帮助人们直观地了解建筑的整体结构和功能分布,是建筑设计过程中最常用的图纸之一。
建筑平面图通常包括建筑的地面平面图、楼层平面图、大样平面图等。
地面平面图用于表达建筑在地面上的布局和外部环境的关系,包括建筑的位置、交通流线、绿化和景观等。
楼层平面图用于表达建筑在垂直方向上的布局和空间分配,包括建筑的楼层关系、房间功能、通道等。
大样平面图用于表达建筑的整体布局和结构关系,通常用于建筑的总平面布置和平面尺寸标注等。
建筑平面图的识图要点主要包括建筑的布局形式、空间分隔、房间功能、尺寸标注等内容。
在识图过程中,需要注意地面交通流线、楼层通道、房间分隔、功能布局等信息,以便能够清晰地理解并表达建筑的整体布局和空间分配。
二、建筑立面图建筑立面图是建筑设计图纸中的重要组成部分,它用于表达建筑外立面的形式、结构和装饰。
在立面图中,通常包括建筑的高度、立面结构、窗户和门的位置、外墙装饰等信息。
立面图可以帮助人们清晰地了解建筑的外观形式和立面设计,是建筑设计过程中非常重要的图纸之一。
建筑立面图通常包括建筑的正立面图、侧立面图、细部立面图等。
正立面图用于表达建筑的正面外观形式和结构,包括建筑的高度、窗户和门的位置、外墙装饰等。
侧立面图用于表达建筑的侧面外观形式和结构,通常用于表达建筑的整体立面形式和结构。
细部立面图用于表达建筑的具体细节和装饰,包括建筑的立面构件、装饰图案、材料等。
建筑立面图的识图要点主要包括建筑的外观形式、结构构件、装饰图案等内容。
大一建筑施工识图知识点一、施工图纸的概念和作用施工图纸是建筑施工过程中必不可少的一项工作,它是将设计图纸转化为适合施工的图纸,包括平面布置图、立面剖面图、构造图、细部图等。
施工图纸的主要作用有以下几点:1. 沟通信息:通过施工图纸,设计方案可以准确传达给施工方,避免误解和沟通障碍。
2. 材料采购和预算控制:施工图纸详细标注了建筑材料的种类、规格和数量,有助于施工方进行材料采购和成本控制。
3. 施工安排和进度控制:施工图纸规定了施工步骤和工艺要求,有助于施工方合理安排施工流程和控制工期。
4. 质量控制:施工图纸标明了施工的技术要求和标准,有助于施工方进行质量监控和质量验收。
二、主要的施工图纸内容1. 平面布置图:平面布置图是建筑施工中最基本的图纸之一,它表现了建筑物的平面布局,包括房间划分、走廊、楼梯、出入口等。
2. 立面图:立面图是建筑物正面或侧面的图纸,它展示了建筑物的外观形式、立面构造和装饰,包括窗户、门、立柱等。
3. 剖面图:剖面图是建筑物沿垂直方向进行的切割图,用来表现建筑物内部的结构、层高、吊顶、楼板等。
三、施工图纸的标注方法1. 尺寸标注:尺寸标注是施工图纸中最常见的标注方法,用以标明建筑物各部件的尺寸范围和间距。
2. 符号标注:符号标注是使用图形符号和文字说明来标明建筑物中的不同构件和装置,例如门窗、暖通设备等。
3. 文字标注:文字标注是对施工图纸中各部件进行文字说明,包括材料规格、施工工艺、注意事项等。
四、施工图纸的规范要求1. 标题栏:施工图纸中应包含标题栏,标明图纸名称、版本号、绘图日期等基本信息。
2. 图纸比例:施工图纸中应标明绘图比例,以确保施工方按比例测量和施工。
3. 图纸边框和栏注:施工图纸应有清晰规范的边框,同时应包含必要的栏注,包括单位、图号、图例等。
4. 图线和标注的规范:施工图纸中的图线和标注应具备一定的粗细和颜色,以确保清晰可辨认。
五、施工图纸的常见错误和注意事项1. 不合理的尺寸标注:尺寸标注应准确、清晰,不得模糊或产生歧义。
建筑识图制图知识点总结建筑识图制图是建筑设计和施工中至关重要的一环,它涉及到了建筑设计图纸的阅读、理解和绘制。
建筑识图制图知识点包括建筑图纸的种类、符号、标注、尺度、布局等内容。
掌握这些知识点可以帮助建筑师和工程师更好地理解设计图纸,确保工程施工质量,提高工作效率。
一、建筑图纸的种类1、平面图:包括建筑平面图、结构平面图、设备平面图等,用于展示建筑物的平面布局。
2、立面图:展示建筑物的立面外观及立面构件的排布。
3、剖面图:揭示建筑物内部构造以及各种构造细节,如墙体结构、梁柱结构等。
4、局部放大图:用于放大建筑图纸中的某一细节部分,以便更清晰地展示细节构造。
二、建筑图纸的符号1、建筑符号:如窗户、门、墙、柱等建筑元素的图示符号,用于表示建筑图纸中的各种构件。
2、结构符号:用于表示建筑结构构件的符号,如梁、柱、板等。
3、设备符号:用于表示建筑设备的符号,如照明设备、空调设备、给排水设备等。
三、建筑图纸的标注1、名称标注:如建筑物的名称、设计单位、设计人员等。
2、尺寸标注:用于表示建筑物的尺寸大小以及各种构件的尺寸。
3、技术标注:包括材料、构造、施工工艺等技术性的标注。
四、建筑图纸的尺度1、比例尺:用于表示建筑图纸中实际尺寸与图纸尺寸之间的比例关系,如1:100、1:50等。
2、绘图尺度:指建筑图纸上使用的尺度,如1/100、1/50等。
五、建筑图纸的布局1、版面布局:指建筑图纸的整体设计,包括图幅大小、图纸比例、图面内容安排等。
2、分面布局:指建筑图纸中不同部分的布局,包括平面图、立面图、剖面图等的布局。
六、建筑识图制图的基本原则1、理解建筑设计意图:通过识图,理解建筑师设计的初衷,把握建筑物的整体布局和结构构造。
2、准确绘制建筑图纸:掌握绘图技术,准确绘制建筑图纸,确保图纸的质量和准确性。
3、认真阅读图纸信息:仔细阅读建筑图纸中的各种符号、标注和尺度,确保准确理解图纸意图。
4、遵循建筑规范标准:遵守建筑规范标准,确保设计图纸符合相关标准,能够顺利施工。
超全的建筑结构施工图识图总结,入门必看!房建施工实战之结构图读图识图总结,建筑工程图纸识读的入门知识,力求达到以下四个方面能力:1、理解建筑施工图的成图原理和制图标准;2、看懂房屋的组成和各部分的材料、做法,能够看懂一般建筑工程的主要施工图纸;3、能够根据施工图纸进行建筑面积和一般工程量的计算以及常用构件数量的统计;4、能够发现图纸中较明显的错误、遗漏和图样之间相互矛盾的地方。
第一节建筑工程施工图的组成各专业施工图的内容1、总图:建筑场地范围内建筑物的位置、形状和尺寸,道路、绿化及各种室外管线的布置等。
2、建筑专业图:建筑平面图、立面图、剖面图、各种详图及门窗表、材料做法表。
3、结构专业图:基础图、各层顶板的平面、剖面、各种构件详图,构件数量表及设计说明。
4、设备专业图:包括给水、排水、采暖、通风各系统的平面图、轴测图和各种详图。
5、电气专业图:包括照明、动力和弱电的系统图、平面图及详图等。
第二节建筑工程图的成图原理一、投影的概念用一组假想的投射线把物体的形状投到一个平面上,就可以得到一个图形,称为投影法。
二、投影的种类1、中心投影:投影线由一点放射出来投射到物体上,这种作图方法称为中心投影法。
2、平行投影:投影线呈相互平行状投射到物体上,称平行投影。
(1)正投影:使投影线垂直于投影面时,并且使物体的一个面也垂直于投影线。
(2)斜投影:当投影线倾斜于投影面时,所作出的投影。
三、物体的三面正投影图1、三面正投影体系的形成(1)将物体放在三个相互垂直的投影面间;(2)用三组垂直于投影面的投影线作投影;(3)在三个投影面上得到三个正投影图。
2、三面正投影体系的展开(1)正立投影面不动;(2)水平投影面向下转动90°;(3)侧立投影面向右后方转动90°。
3、三面投影图的特性(1)不全面性每个投影图只能反映物体两个方向的尺寸;立面图反映长度和高度;平面图反映长度和宽度;侧面图反映高度和宽度。
建筑工程识图要点超全解析!在工地站稳脚跟就靠它了,干货(二)7、建筑详图建筑平、立、剖反映了房屋的全貌,但由于绘图的比例小,一些细部的构造、做法、所用材料不能直接表达清楚,为了适应施工的需要,需将这些部分用较大的比例单独画出,这样的图称为建筑详图。
建筑详图是建筑细部的施工图,是对建筑平面、立面、剖面图等基本图样的深化和补充,是建筑工程的细部施工、建筑构配件的制作及编制预算的依据。
建筑详图包括:墙身详图、楼梯详图、门窗详图等。
建筑详图的主要内容:1)图名(或详图符号)、比例。
2)表达出构配件各部分的构造连接方法及相对位置关系。
3)表达出各部位、各细部的详细尺寸。
4)详细表达构配件或节点所用的各种材料及其规格。
5)有关施工要求、构造层次及制作方法说明等。
建筑详图的特点:比例大,图示内容详尽清楚,尺寸标注齐全、文字说明详尽。
结构施工图识图方法常用构件代号规定:将构件的名称用代号表示。
表示方法:用构件名称的汉语拼音字母中的第一字母表示。
混凝土、钢筋1、混凝土的强度等级:C15、C20、C25、C30、C35 、C40、C45、C50、C55、C60、C65、C70、C75、C80 混凝土的强度等级愈高,其抗压强度愈高。
2、钢筋的种类:1、受力筋构件中承受拉应力和压应力的钢筋。
用于梁、板、柱等各种钢筋混凝土构件中。
2、箍筋构件中承受一部分斜拉应力(剪应力),并固定纵向钢筋的位置。
用于梁和柱中。
3、架立筋与梁内受力筋、箍筋一起构成钢筋的骨架。
4、分布筋与板内受力筋一起构成钢筋的骨架,垂直于受力筋。
5、构造筋因构造要求和施工安装需要配置的钢筋。
6、钢筋的保护层为防止钢筋在构件中的锈蚀,加强钢筋与混凝土的粘结力,在各种构件中的受力筋外面,必须要有一定厚度的混凝土,这层混凝土就被称为保护层。
识读结构施工图:1、先通读建筑施工图了解建筑概况、使用功能及要求、内部空间的布置、层数与层高、墙柱布置、门窗尺寸、楼(电)梯间的设置、内外装修、节点构造及施工要求等基本情况后再阅读结构施工图。
建筑识图知识点总结建筑设计图纸建筑设计图纸是一种用来表达建筑设计内容的技术文件。
它包括平面图、立面图、剖面图、细部图、施工图等,旨在用较为精确的方式描绘出建筑的各种形状、尺寸、比例和结构关系,为施工和监管提供参考。
建筑设计图纸应包含建筑的整体规划、布局、框架结构、建筑工程技术和经济指标等内容。
在进行建筑识图时,需要掌握以下几个方面的知识点:1. 平面图平面图是建筑设计图纸的基本组成部分,它通常由建筑的平面布置图、分格平面图、功能分区图、交通分析图、采光与采暖图等组成。
在识图时,需要了解平面图的布置原则、标注方法和图例规范,以及平面图与其他图纸的关系。
2. 立面图立面图是建筑设计重要的一部分,用来展现建筑的立面结构和装饰特征。
在识图时,需要了解立面图的符号和标注含义,以及建筑结构与立面的关系。
3. 剖面图剖面图是建筑的纵向横断面图,常用来表达建筑结构、布置和材料的细节。
在识图时,需要掌握剖面图的标注方法、斜线符号的含义和图例规范。
4. 细部图细部图是建筑设计的重要组成部分,通常包括构造细节、建筑构件、连接细部和装饰细部等。
在识图时,需要了解细部图的标注方法和符号含义,以及与其他图纸的关系。
5. 施工图施工图是为了指导施工而准备的图纸,包括平面布置图、立面剖面图、细部图、设备安装图等。
在识图时,需要了解施工图的标注规范、尺寸标注和工艺要求,以保证施工的质量和安全。
建筑结构图纸建筑结构图纸是用来表达建筑结构形式和构造细节的专业图纸。
它包括结构平面图、结构立面图、结构剖面图、结构细部图等,用来展现建筑的结构形式、荷载传递方式、材料用...这是我能提供的最大字数范围内的输出结果。
如需完整内容,请告诉我。
建筑识图知识点梳理总结建筑识图是建筑设计和施工过程中至关重要的一环,它是建筑师、设计师、工程师和施工人员的必备基本技能。
建筑识图的主要内容包括建筑图纸的阅读、理解和识别,包括平面图、立面图、剖面图、细部图、设备布置图等各种类型的图纸。
同时,建筑识图还包括建筑元素、构件和结构的形式、构造、尺寸、材料等方面的分析和判断。
建筑识图的重要性不言而喻。
只有深入理解建筑图纸和图面信息,才能准确地进行建筑设计和施工,并且及时地解决问题和调整方案。
此外,在建筑学、土木工程、建筑设计、室内设计等相关专业的学生,也都需要学习和掌握建筑识图知识,为日后的职业发展做好准备。
下面,我将对建筑识图的知识点进行梳理总结,希望对读者有所帮助。
一、建筑图纸的分类和基本要素1. 平面图:包括总平面图、局部平面图和功能分区平面图等,用于显示建筑的布局、空间分配和功能性。
2. 立面图:将建筑的外观立面进行纵向展示,可以显示建筑的外观装饰、材料和形式特点。
3. 剖面图:将建筑在某一个平面上进行剖切显示,可以观察建筑的内部结构、构造和装饰。
4. 细部图:着重展示建筑的某一个局部构件、结构或装饰细节,通常用于解释和说明建筑的特殊部位。
5. 设备布置图:用于展示建筑内部的设备、管道、通风、空调等系统的布置和连接方式。
建筑图纸的基本要素包括比例尺、标注、图例、标准尺寸、坐标、比例尺等信息,这些要素在建筑识图和图纸阅读中都具有重要意义。
二、建筑识图的基本技能1. 图面分析能力:建筑识图要求具备对图面信息的敏感性和分析能力,能够识别和理解图纸上的各种信息,包括尺寸、标注、符号和图例等。
2. 尺寸判断和计算能力:在建筑识图中,尺寸的准确性至关重要,需要具备准确判断和计算尺寸的能力,尤其是对于细部构件和装饰的尺寸要求比较高。
3. 结构和构造分析能力:建筑识图需要具备对建筑结构和构造的分析和理解能力,能够从平面图、立面图和剖面图上看出建筑的结构组成和构造要求。
可编辑修改精选全文完整版建筑详图识图总结建筑平面图、立面图、剖面图表达建筑的平面布置、外部形状和主要尺寸,但因反映的内容范围大,比例小,对建筑的细部构造难以表达清楚,为了满足施工要求,对建筑的细部构造用较大的比例详细地表达出来,这样的图称为建筑详图,简称详图,有时也叫做大样图。
详图的特点是比例大,反映的内容详尽。
常用的比例有1:50、1:20、1:10、1:5、1:2、1:1等一、外墙身详图外墙身详图也叫外墙大样图,是建筑剖面图的局部放大图样,表达外墙与地面、楼面、屋面的构造连接情况以及檐口、门窗顶、窗台、勒脚、防潮层、散水、明沟的尺寸、材料、做法等构造情况。
是砌墙、室内外装修、门窗安装、编制施工预算以及材料估算等的重要依据。
在多层房屋中,各层构造情况基本相同,所以,外墙身详图只画墙脚、檐口和中间部分三个节点。
为了简化作图,通常采用省略方法画,即在门窗洞口处断开。
(一)外墙身详图的内容1.墙脚:外墙墙脚主要是指一层窗台及以下部分,包括散水(或明沟)、防潮层、勒脚、一层地面、踢脚等部分的形状、大小材料及其构造情况。
2.中间部分:主要包括楼板层、门窗过梁、圈梁的形状、大小材料及其构造情况。
还应表示出楼板与外墙的关系。
3.檐口:应表示出屋顶、檐口、女儿墙、屋顶圈梁的形状、大小、材料及其构造情况。
墙身大样图一般用1:20的比例绘制,由于比例较大,各部分的构造如结构层、面层的构造均应详细表达出来,并画出相应的图例符号。
(二)外墙身详图的识读1.了解墙身详图的图名和比例。
2.了解墙脚构造。
3.了解中间节点4.了解檐口部位如右图所示,表示飘窗处墙体的详细做法。
与墙身大样图(一)基本相同。
而该详图主要表示客厅飘窗的做法,窗内护窗栏杆的做法。
墙身大样图的图线选择可参照下图所示--建筑详图图线宽度选用示例。
二、楼梯详图楼梯是垂直交通工具,最常用的是钢筋混凝土楼梯。
楼梯由楼梯段、休息平台(包括平台板和梁)和栏杆(或栏板)等组成。
建筑工程识图要点超全解析建筑工程识图方法概述建筑分类房屋组成:一般可认为房屋由基础或地下室、墙体、或柱、梁、楼板层与地面、楼梯及垂直交通设施、屋顶、门和窗等结构构件组成。
一、建筑工程施工图的用途与内容建筑工程施工图是表示工程项目总体布局,建筑物的外部形状、内部布置、结构构造、内外装修、材料做法以及设备、施工等要求的图样。
1、用途(1)指导施工(2)编制施工图预算(3)安排材料、设备(4)非标准构件的制作2、内容(1)图纸目录(既首页图)(2)设计总说明(3)建筑施工图(简称建施)(4)结构施工图(简称结施)(5)设备施工图(简称设施)二、建筑工程施工图的特点1、施工图中的各图样,主要是用正投影法绘制的。
2、绘图比例较小,多采用统一规定的图例或代号来表示。
3、施工图中的不同内容,使用不同的线型。
三、建筑工程施工图的识图方向1、熟悉拟建工程的功能。
了解本工程的类型、联想基本组成和装修。
2、细阅说明书、目录。
了解图纸有多少类别,每类多少张。
3、先整体后局部,先建筑后结构,先平面后立面。
4、先图标、文字,后图样;先图形,后尺寸。
建筑施工图识图方法1、图纸目录图纸目录包括每张图纸的名称、内容、图纸编号等,表明该工程图纸由哪几个专业的图纸及哪些图纸所组成,便于检索和查找。
2、设计总说明设计总说明主要介绍工程的概况和总的要求。
内容一般体现:1)设计依据(如规划限制、设计规模、建筑面积以及有关的地质、气象资料等)。
2)设计标准(如建筑标准、结构荷载等级、抗震要求等)。
3)施工要求(如施工技术、材料要求以及采用新技术、新材料或有特殊施工的工艺说明)。
3、建筑总平面图总平面图是表示建筑物场地总体平面布局的图纸。
它以平面图的形式表明建筑区域的地形、地物、道路、拟建房屋的位置、朝向以及与周围建筑物的关系等情形。
由于图的比例小,房屋和各种地物及建筑设施均不能按真实的水平投影画出,而是作示意性表达。
1)看图名、比例、图例及有关的文字说明。
建筑工程识图方法概述建筑分类房屋组成:一般可认为房屋由基础或地下室、墙体、或柱、梁、楼板层与地面、楼梯及垂直交通设施、屋顶、门和窗等结构构件组成。
一、建筑工程施工图的用途与内容建筑工程施工图是表示工程项目总体布局,建筑物的外部形状、内部布置、结构构造、内外装修、材料做法以及设备、施工等要求的图样。
1、用途(1)指导施工(2)编制施工图预算(3)安排材料、设备(4)非标准构件的制作2、内容(1)图纸目录(既首页图)(2)设计总说明(3)建筑施工图(简称建施)(4)结构施工图(简称结施)(5)设备施工图(简称设施)二、建筑工程施工图的特点1、施工图中的各图样,主要是用正投影法绘制的。
2、绘图比例较小,多采用统一规定的图例或代号来表示。
3、施工图中的不同内容,使用不同的线型。
三、建筑工程施工图的识图方向1、熟悉拟建工程的功能。
了解本工程的类型、联想基本组成和装修。
2、细阅说明书、目录。
了解图纸有多少类别,每类多少张。
3、先整体后局部,先建筑后结构,先平面后立面。
4、先图标、文字,后图样;先图形,后尺寸。
建筑施工图识图方法1、图纸目录图纸目录包括每张图纸的名称、内容、图纸编号等,表明该工程图纸由哪几个专业的图纸及哪些图纸所组成,便于检索和查找。
2、设计总说明设计总说明主要介绍工程的概况和总的要求。
内容一般体现:1)设计依据(如规划限制、设计规模、建筑面积以及有关的地质、气象资料等)。
2)设计标准(如建筑标准、结构荷载等级、抗震要求等)。
3)施工要求(如施工技术、材料要求以及采用新技术、新材料或有特殊施工的工艺说明)。
3、建筑总平面图总平面图是表示建筑物场地总体平面布局的图纸。
它以平面图的形式表明建筑区域的地形、地物、道路、拟建房屋的位置、朝向以及与周围建筑物的关系等情形。
由于图的比例小,房屋和各种地物及建筑设施均不能按真实的水平投影画出,而是作示意性表达。
1)看图名、比例、图例及有关的文字说明。
2)了解工程的用地范围、地形地貌和周围环境情况。
3)了解拟建房屋的平面位置和定位依据。
4)了解拟建房屋的朝向和主要风向。
5)了解道路交通及管线布置情况。
6)了解绿化、美化的要求和布置情况。
4、建筑平面图建筑平面图表现建筑物的平面状况和平面布置,包括房间的分割,楼梯和走道的布置,墙柱构件的布局及轴线编号,门窗位置,平面尺寸,卫生设施的布置等。
建筑平面图包含内容:1)定位轴线凡是承重的墙、柱,都必须标注定位轴线,并按顺序予以编号。
2)图线凡被剖切到的墙、柱断面轮廓线用粗实线画出,没有剖到的可见轮廓线用中实线画出。
尺寸线、尺寸界线、引出线、图例线、索引符号、标高符号等用细实线画出,轴线用细单点长画线画出。
3)比例与图例平面图常用1∶50、1∶100、1∶200的比例绘制。
4)剖切符号与索引符号一般在底层平面图中应标注剖面图的剖切位置线和投影方向,并注出编号;凡套用标准图集或另有详图表示的构配件、节点,均需画出详图索引符号,以便对照阅读。
5)平面图的尺寸标注平面图尺寸包括:外部尺寸和内部尺寸(1)外部尺寸:在外墙外侧标注三道尺寸。
第一道(最外一道)尺寸:房屋外轮廓的总尺寸,即从一端的外墙边到另一端外墙边的总长和总宽。
可用于计算建筑面积和占地面积。
第二道(中间一道)尺寸:房屋定位轴线间尺寸,一般横向轴线间的尺寸为开间尺寸,纵向轴线间的尺寸为进深尺寸。
第三道(最里一道)尺寸:分段尺寸,表示门窗洞口宽度和位置,墙垛分段以及细部构造等。
2)内部尺寸:外墙以内的全部尺寸,主要用于注明内墙门窗洞口的位置及其宽度、墙体厚度、卫生器具、灶台和洗涤盆等固定设备的位置及其大小。
此外,还应表明楼、地面的相对标高,以及房间的名称,门窗编号。
识读建筑平面图:1)了解图名、比例及文字说明。
2)了解纵横定位轴线及编号。
3)了解房屋的平面形状和总尺寸。
4)了解房间的布置、用途及交通联系。
5)了解门窗的布置、数量及型号。
6)了解房屋的开间、进深、细部尺寸和室内外标高。
7)了解房屋细部构造和设备配置等情况。
8)了解剖切位置及索引符号。
5、建筑立面图立面图反映建筑外貌,室内的构造与设施均不画出。
由于图的比例较小,不能将门窗和建筑细部详细表示出来,图上只是画出其基本轮廓,或用规定的图例加以表示。
用来体现建筑物立面上的层次变化和艺术效果,为建筑物的外形设计和后期装修提供依据。
识读建筑立面图:1)看图名、轴线和比例尺,了解表现的是哪个立面。
2)看室外地坪标高,了解室内外高差,核对室外台阶踏步数量。
3)了解门窗、阳台、雨篷、台阶、屋顶、勒脚等细部的形式和位置。
4)察看各部位标高,了解室内外高差、层高,建筑物总高、雨篷、窗台等的高度。
5)从说明文字或索引符号了解立面装饰材料、颜色等。
6)了解雨水管的位置,并与屋面平面图进行核对。
6、建筑剖面图主要表示房屋的内部结构、分层情况、各层高度、楼面和地面的构造以及各配件在垂直方向的相互关系等内容。
剖面图的剖切位置应选在能反映内部构造的部位,并能通过门窗洞口和楼梯间。
剖面图的投影方向及视图名称应与平面图上的标注保持一致。
识读建筑剖面图:1)了解图名及比例。
2)了解剖面图与平面图的对应关系。
3)了解房屋的结构形式。
4)了解主要标高和尺寸。
5)了解屋面、楼面、地面的构造层次及做法。
6)了解屋面的排水方式。
7)了解索引详图所在的位置及编号。
7、建筑详图建筑平、立、剖反映了房屋的全貌,但由于绘图的比例小,一些细部的构造、做法、所用材料不能直接表达清楚,为了适应施工的需要,需将这些部分用较大的比例单独画出,这样的图称为建筑详图。
建筑详图是建筑细部的施工图,是对建筑平面、立面、剖面图等基本图样的深化和补充,是建筑工程的细部施工、建筑构配件的制作及编制预算的依据。
建筑详图包括:墙身详图、楼梯详图、门窗详图等。
建筑详图的主要内容:1)图名(或详图符号)、比例。
2)表达出构配件各部分的构造连接方法及相对位置关系。
3)表达出各部位、各细部的详细尺寸。
4)详细表达构配件或节点所用的各种材料及其规格。
5)有关施工要求、构造层次及制作方法说明等。
建筑详图的特点:比例大,图示内容详尽清楚,尺寸标注齐全、文字说明详尽。
结构施工图识图方法常用构件代号规定:将构件的名称用代号表示。
表示方法:用构件名称的汉语拼音字母中的第一字母表示。
混凝土、钢筋1、混凝土的强度等级:C15、C20、C25、C30、C35 、C40、C45、C50、C55、C60、C65、C70、C75、C80 混凝土的强度等级愈高,其抗压强度愈高。
2、钢筋的种类:1、受力筋构件中承受拉应力和压应力的钢筋。
用于梁、板、柱等各种钢筋混凝土构件中。
2、箍筋构件中承受一部分斜拉应力(剪应力),并固定纵向钢筋的位置。
用于梁和柱中。
3、架立筋与梁内受力筋、箍筋一起构成钢筋的骨架。
4、分布筋与板内受力筋一起构成钢筋的骨架,垂直于受力筋。
5、构造筋因构造要求和施工安装需要配置的钢筋。
6、钢筋的保护层为防止钢筋在构件中的锈蚀,加强钢筋与混凝土的粘结力,在各种构件中的受力筋外面,必须要有一定厚度的混凝土,这层混凝土就被称为保护层。
识读结构施工图:1、先通读建筑施工图了解建筑概况、使用功能及要求、内部空间的布置、层数与层高、墙柱布置、门窗尺寸、楼(电)梯间的设置、内外装修、节点构造及施工要求等基本情况后再阅读结构施工图。
2、先看文字说明,从基础平面图看起,到基础结构详图。
再读楼层结构布置平面图,屋面结构布置平面图。
结合立面和断面,读垂直系统图。
3、最后读构件详图、看图名、看立面、看断面,看钢筋图和钢筋表。
结构平面图楼层结构平面图的图示内容表示每层的梁、板、柱、墙等承重构件的平面布置,说明各构件在房屋中的位置,以及它们之间的构造关系。
它是现场安装或制作构件的施工依据。
识读楼层结构平面图:1、图名、比例。
2、与建筑平面图相一致的定位轴线及编号墙、柱、梁、板等构件的位置及代号和编号。
3、预制板的跨度方向、数量、型号或编号和预留洞的大小及位置轴线尺寸及构件的定位尺寸。
4、详图索引符号及剖切符号文字说明。
基础平面图的图示内容1、图名、比例。
2、纵横向定位轴线及编号、轴线尺寸基础墙、柱的平面布置,基础底面形状、大小及其与轴线的关系。
3、基础梁的位置、代号。
4、基础编号、基础断面图的剖切位置线及其编号。
5、施工说明,即所用材料的强度等级、防潮层做法、设计依据以及施工注意事项等。
钢筋混凝土构件详图的内容:1、构件名称或代号、比例。
2、构件的定位轴线及其编号。
3、构件的形状、尺寸和预埋件代号及布置。
4、构件内部钢筋的布置。
5、构件的外形尺寸、钢筋规格、构造尺寸以及构件底面标高。
6、施工说明。
识图注意事项建筑施工图与结构施工图的异同:相同处,如轴线,墙厚,柱尺寸,过梁位置与洞口对应,梁底标高同洞顶标高对应。
检查立面图各楼层的标高是否与建施平面图相同,再检查建施的标高是否与结施标高相符。
不同处,建施图各楼层标高与结施图相应楼层的标高应不完全相同,因建施图的楼地面标高是工程完工后的标高,而结施图中楼地面标高仅结构面标高,不包括装修面的高度,同一楼层建施图的标高应比结施图的标高高几厘米。
这一点需特别注意,因有些施工图,把建施图标高标在了相应的结施图上,如果不留意,施工中会出错。
相关联处,如建施中墙,结施应有梁;建施中底层墙,结施为基础。
建筑工程施工图起着指导工程施工的重要作用,学会阅读施工图是建筑行业入门的首要课程,这就要求我们早日掌握建筑工程施工图的识图方法,识图、懂图,从图纸中汲取信息作为施工的指导,确保工程保质保期地完成。