光栅光谱仪实验报告 2
- 格式:doc
- 大小:788.50 KB
- 文档页数:6
光栅光谱仪实验报告摘要:本实验通过对光栅光谱仪的搭建和使用,探究了光栅光谱仪的原理和应用。
通过实验的结果,我们得出了光栅光谱仪可用于分析光在不同材料中的折射率,以及测量光的波长等结论。
引言:光栅光谱仪是一种可以分析光的颜色和波长的仪器。
它的工作原理是利用光栅的光栅条纹特性,将入射光分散成不同波长的光,然后通过测量这些光的强度和波长,来得到光的光谱分布。
光栅光谱仪具有分辨率高、灵敏度高等优点,广泛应用于物理、化学、生物等领域。
实验方法:本实验使用的光栅光谱仪由光源、光栅和光电检测器组成。
首先,将光源对准光栅,使得光可以垂直入射到光栅上。
然后,将光电检测器对准出射光束,以便测量不同波长的光的强度。
在实验过程中,我们对不同的入射角度、不同的光源和材料进行了测试,并采用软件来分析和处理实验数据。
实验结果与分析:通过实验数据的收集和分析,我们得出了以下结论:1.入射角度对光栅光谱仪的分辨率有着明显的影响。
随着入射角度的增加,光栅的分辨率也会增加,即可以得到更准确的光谱数据。
2.不同的光源会产生不同的光谱特征。
以白炽灯和LED灯为例,白炽灯会产生连续光谱,而LED灯则会产生一些特定波长的光谱。
3.光栅光谱仪可以用于测量光的波长和颜色。
我们通过测量光的干涉条纹的位置,可以计算出光在不同材料中的折射率,进而得到光的波长。
结论:光栅光谱仪是一种有效的光谱分析工具,可以用于测量光的波长、颜色和折射率。
通过本实验,我们深入了解了光栅光谱仪的原理和应用,并发现了光栅光谱仪在不同入射角度和不同光源下的性能差异。
这将对今后的研究和应用提供参考和依据。
总结:本实验通过对光栅光谱仪的搭建和使用,展示了光栅光谱仪在测量光的波长和颜色方面的优势。
我们了解了光栅光谱仪的原理和工作方式,并通过实验证明了其在光谱分析中的应用价值。
希望本实验能为同学们的学习和研究提供一些参考和启示。
2.李四.光栅光谱仪的原理与应用[M].科学出版社,2024.。
光栅光谱仪实验浙江大学光电信息工程实验中心一实验目的1、了解光栅的分光原理及主要特性;2、了解光栅光谱仪的工作原理;3、掌握利用光栅光谱仪进行测量的实验方法;二实验仪器1、低压汞灯及电源:发光波长404.7nm、435.8nm、546.1nm、577.0nm、579.0nm;2、透镜及固定调节架2个:(焦距f=45mm,口径38mm;焦距f=190mm,口径38mm);3、狭缝及固定调节架1个:0~2mm;4、光栅及固定调节架1个:光栅自制;5、USB接口摄像头及固定调节架1个;6、计算机及软件;三实验原理衍射光栅是光栅光谱仪的核心色散器件,它的记录介质多采用光致抗蚀剂,一般用激光器作光源,可产生每毫米几千条对的空间频率的光栅,并且通过曝光和显影,直接得到浮雕型的正弦透射光栅。
相邻刻线的间距d称为光栅常数,通常刻线密度为每毫米数百至数十万条,刻线方向与光谱仪狭缝平行。
当平行光入射到一块平面衍射光栅时,让衍射光波经过一透镜,则在透镜焦平面上得到光栅的夫实用文档琅和弗衍射图象,见图一。
如果光源是平行于光栅刻痕的狭缝光源发出的准单色光,则衍射花样是一些分立的亮线(亮条纹)。
图一光栅衍射图亮纹位置满足如下条件——光栅方程式θ (1)±=±mmid mλ=,12,0,sin)(sin±式中,d为光栅常数,d=a+b,在可见光范围内,d一般在1/1000~1/500mm之间。
mθ为第m级亮纹对应的衍射角,λ为入射光波长,i为入射平行光对光栅面的入射角,m为多缝干涉主极大级数。
入射光处于光栅面法线同侧的亮条纹时上式中取正号;异侧时取负号。
光栅上的每一条缝的单缝衍射在θ方向上P点产生一个光振动,N条缝在P点产生的N个光振动的振幅相同,他们的相干叠加决定了P点的光强,光栅衍射是单缝衍射和多缝干涉的总效果。
亮纹(主极大)中心位置满足光栅方程中m=0,(θ=0)时,dsinθ=0为中央明纹中心。
湖北民族学院理学院实验报告姓名:程旺学号:021240109 实验日期:2015年5月5日课程名称:近代物理实验实验题目:光栅光谱仪实验一实验目的1、了解光栅光谱仪的工作原理2、掌握利用光栅光谱仪进行测量的技术二实验仪器WDS系列多功能光栅光谱仪,计算机三实验原理光谱仪是指利用折射或衍射产生色散的一类光谱测量仪器。
光栅光谱仪是光谱测量中最常用的仪器,基本结构如图1所示。
它由入射狭缝S1、准直球面反射镜M1、光栅G、聚焦球面反射镜M2以及输出狭缝S2构成。
衍射光栅是光栅光谱仪图1光栅光谱仪示意图的核心色散器件。
它是在一块平整的玻璃或金属材料表面(可以是平面或凹面)刻画出一系列平行、等距的刻线,然后在整个表面镀上高反射的金属膜或介质膜,就构成一块反射试验射光栅。
相邻刻线的间距d 称为光栅常数,通常刻线密度为每毫米数百至数十万条,刻线方向与光谱仪狭缝平行。
入射光经光栅衍射后,相邻刻线产生的光程差(sin sin )s d αβ∆=±,α为入射角,β为衍射角,则可导出光栅方程:(sin sin )d m αβλ±= (0.1)光栅方程将某波长的衍射角和入射角通过光栅常数d 联系起来,λ为入射光波长,m 为衍射级次,取0,1,2,±±等整数。
式中的“±”号选取规则为:入射角和衍射角在光栅法线的同侧时取正号,在法线两侧时取负号。
如果入射光为正入射0α=,光栅方程变为sin d m βλ=。
衍射角度随波长的变化关系,称为光栅的角色散特性,当入射角给定时,可以由光栅方程导出 cos d m d d βλβ=, (0.2)复色入射光进入狭缝S1后,经M2变成复色平行光照射到光栅G 上,经光栅色散后,形成不同波长的平行光束并以不同的衍射角度出射,M2将照射到它上面的某一波长的光聚焦在出射狭缝S2上,再由S2后面的电光探测器记录该波长的光强度。
光栅G 安装在一个转台上,当光栅旋转时,就将不同波长的光信号依次聚焦到出射狭缝上,光电探测器记录不同光栅旋转角度(不同的角度代表不同的波长)时的输出光信号强度,即记录了光谱。
一、实验目的1. 了解光栅光谱仪的工作原理及结构。
2. 掌握光栅光谱仪的操作方法。
3. 通过实验,观察光谱现象,加深对光谱学原理的理解。
4. 利用光栅光谱仪进行光谱分析,掌握光谱分析方法。
二、实验原理光栅光谱仪是一种利用光栅分光原理进行光谱测量的光学仪器。
光栅光谱仪的基本原理是利用光栅将复色光分解成单色光,然后通过检测单色光的波长,实现对物质成分的分析。
1. 光栅分光原理光栅分光原理基于衍射现象。
当一束光入射到光栅上时,由于光栅上狭缝的衍射作用,光波发生衍射,形成衍射光。
这些衍射光经过光栅的色散元件(如棱镜、光栅等)进行色散,形成光谱。
2. 光栅光谱仪的结构光栅光谱仪主要由以下部分组成:(1)光源:提供实验所需的入射光。
(2)光栅:将入射光分解成单色光。
(3)色散元件:将分解后的单色光进行色散,形成光谱。
(4)检测器:接收色散后的单色光,并将其转换为电信号。
三、实验仪器与材料1. 光栅光谱仪一台2. 光源一台3. 检测器一台4. 光栅一个5. 色散元件一个6. 实验记录本一本四、实验步骤1. 将光栅光谱仪、光源、检测器等实验仪器安装到位。
2. 打开光源,调节光源亮度,使其达到实验要求。
3. 将光栅安装在光栅光谱仪上,调整光栅角度,使入射光垂直于光栅。
4. 调整色散元件,使其与光栅垂直。
5. 将检测器放置在色散元件的焦平面上,调整检测器位置,使光谱成像清晰。
6. 观察光谱现象,记录光谱数据。
7. 根据光谱数据,分析物质成分。
五、实验结果与分析1. 实验结果实验过程中,观察到光谱现象,记录了光谱数据。
2. 分析根据光谱数据,分析物质成分,得出以下结论:(1)光谱中的谱线与物质成分有关。
(2)通过光谱分析,可以确定物质的成分。
(3)光栅光谱仪具有较高的分辨率和灵敏度,适用于物质成分分析。
六、实验总结通过本次实验,我们了解了光栅光谱仪的工作原理及结构,掌握了光栅光谱仪的操作方法。
实验过程中,观察到光谱现象,加深了对光谱学原理的理解。
光栅光谱仪实验报告光栅光谱仪是一种常用的光谱仪器,能够将光信号分解成不同波长的光谱线,并对其进行精确测量。
本实验旨在通过使用光栅光谱仪,对不同光源的光谱进行测量和分析,以及了解光谱仪的基本原理和使用方法。
实验步骤:1. 实验仪器准备,将光栅光谱仪放置在稳定的台面上,并连接电源、光源和计算机等设备。
2. 光源选择,选择不同类型的光源,如白炽灯、氢氖激光等,并依次对其进行测量。
3. 光谱测量,打开光栅光谱仪软件,选择相应的测量模式,对所选光源进行光谱测量,并记录下光谱数据。
4. 数据分析,利用软件对测得的光谱数据进行分析,包括波长、强度等参数的测量和计算。
实验结果:通过实验测量和分析,我们得到了不同光源的光谱数据,并对其进行了初步的分析。
例如,白炽灯的光谱呈连续光谱,而氢氖激光的光谱则呈现出明显的谱线特征。
通过对光谱数据的分析,我们可以了解到不同光源的发光特性和光谱分布规律。
实验总结:本次实验通过使用光栅光谱仪,对不同光源的光谱进行了测量和分析,增强了我们对光谱仪器的理解和使用能力。
同时,通过实验数据的分析,我们也对不同光源的发光特性有了更深入的了解。
在今后的实验和研究中,光栅光谱仪将会是一个重要的实验工具,帮助我们更好地理解光谱学的相关知识和应用。
结语:光栅光谱仪作为一种重要的光谱仪器,在科研和实验中具有重要的应用价值。
通过本次实验,我们对光栅光谱仪的基本原理和使用方法有了更深入的了解,这将为今后的研究和实验工作打下坚实的基础。
希望通过不断的实践和学习,我们能够更好地运用光谱仪器,为科学研究和技术发展做出更大的贡献。
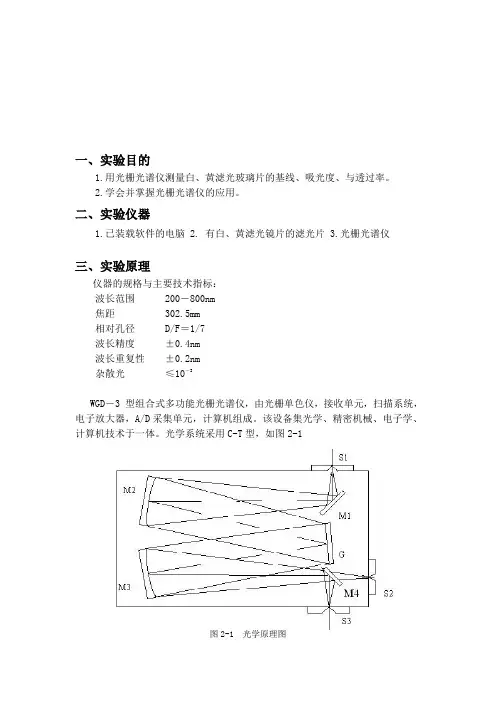
一、实验目的1.用光栅光谱仪测量白、黄滤光玻璃片的基线、吸光度、与透过率。
2.学会并掌握光栅光谱仪的应用。
二、实验仪器1.已装载软件的电脑2. 有白、黄滤光镜片的滤光片3.光栅光谱仪三、实验原理仪器的规格与主要技术指标:波长范围 200-800nm焦距 302.5mm相对孔径 D/F=1/7波长精度±0.4nm波长重复性±0.2nm杂散光≤10-3WGD-3 型组合式多功能光栅光谱仪,由光栅单色仪,接收单元,扫描系统,电子放大器,A/D采集单元,计算机组成。
该设备集光学、精密机械、电子学、计算机技术于一体。
光学系统采用C-T型,如图2-1图2-1 光学原理图M1反射镜、M2准光镜、M3物镜、M4转镜、G平面衍射光栅S1入射狭缝、S2光电倍增管接收、S3 CCD接收入射狭缝、出射狭缝均为直狭缝,宽度范围0-2.5mm连续可调,光源发出的光束进入入射狭缝S1,S1位于反射式准光镜M2的焦面上,通过S1射入的光束经M2反射成平行光束投向平面光栅G上,衍射后的平行光束经物镜M3成象在S2上或S3上。
M2、M3 焦距302.5mm光栅G 每毫米刻线1200条闪耀波长550nm二块滤光片工作区间白片 320-500nm黄片 500-800nm四、实验内容1.进入系统后,首先弹出如图的友好界面。
2.单击鼠标或键盘上的任意键或等待5秒钟后,马上显示工作界面,同时弹出一个对话框(如图),让用户确认当前的波长位置是否有效、是否重新初始化。
如果选择确定,则确认当前的波长位置,不再初始化;如果选择取消,则初始化,波长位置回到200nm处。
此时,选择确定即可。
3.基线的测量,将信息/视图一栏选为动态方式,左侧的工作模式选为基线,间隔设定为0.1或0.2纳米,安好玻璃片后开始单程扫描,不断调节电压表,使图像的在450-550nm时达到顶峰,然后返回,重新初始化,重新扫描即可,将所得图像与数据保存在寄存器1中。
光栅光谱仪实验报告实验报告:光栅光谱仪实验1.引言:光谱是科学家们通过光的分光现象得到的一种物体结构与性质的重要信息。
光栅光谱仪是一种用于分析光的波长和颜色的仪器。
本实验的主要目的是通过光栅光谱仪对不同光源的光进行分析,了解光栅光谱仪的原理和使用方法。
2.实验原理:光栅光谱仪的工作原理是光栅的光栅方程:nλ = d sinθ,其中n 为衍射阶数,λ为光波长,d为光栅常数,θ为衍射角。
根据光谱的连续性,光栅衍射光谱呈现出一系列彩色条纹,根据谱线的位置可以得到光的波长信息。
3.实验步骤:(1)实验器材准备:光栅光谱仪、光源、白纸、标尺等;(2)调整仪器:将光栅光谱仪上的刻度盘调整到合适位置,并使用标尺确定距离;(3)实验记录:将白纸放在光栅光谱仪后方,打开光源,调整仪器使得谱线清晰可辨;(4)测量谱线位置:将谱线的位置与刻度盘上的刻度对应,记录下谱线的位置;(5)数据分析:根据光栅方程计算出样品的波长。
我们使用Hg灯、Na灯和未知样品光等三种光源进行了实验测量。
根据测量结果,我们得到了Hg灯、Na灯和未知样品光的谱线位置,并计算得到了它们的波长。
具体结果如下表所示:光源,谱线位置 (刻度) ,波长 (nm)---------,---------------,-----------Hg灯,35,435.8Hg灯,41,546.1Hg灯,49,578.0Na灯,45,589.0Na灯,50,589.6未知样品光,37,469.45.结果分析:根据实验结果,我们可以发现Hg灯的谱线位置分别为35、41和49,对应的波长分别为435.8、546.1和578.0纳米。
Na灯的谱线位置为45和50,对应的波长为589.0和589.6纳米。
而未知样品光的谱线位置为37,对应的波长为469.4纳米。
6.实验误差分析:在实验中,可能存在的误差主要来自于读数误差、仪器调整不准确等因素。
我们尽量减小这些误差,但还是难以完全避免。
第1篇一、实验背景光栅,作为光学领域的重要元件,其独特的衍射特性在科学研究、工业生产及日常生活中都扮演着重要角色。
衍射光栅实验,通过观察光在光栅上的衍射现象,让我们更深入地理解光的波动性质和光栅的色散功能。
本次实验旨在通过趣味性的方式,让同学们在轻松愉快的氛围中,感受光栅的神奇魅力。
二、实验目的1. 熟悉衍射光栅的结构和原理;2. 观察并记录光栅衍射现象;3. 通过实验,加深对光的波动性质和光栅色散功能的理解;4. 培养同学们的动手能力和团队协作精神。
三、实验原理光栅是由一组数目众多、相互平行、等宽、等间距的狭缝(或刻痕)构成的,是单缝衍射的叠加。
当一束单色光垂直照射到光栅上时,光线会因衍射而在光栅的各个狭缝处产生干涉,从而在屏幕上形成一系列明暗相间的衍射条纹。
四、实验仪器1. 衍射光栅;2. 激光笔;3. 屏幕或白纸;4. 固定架;5. 光具座。
五、实验步骤1. 将衍射光栅固定在光具座上,确保光栅表面与光具座平行;2. 将激光笔对准光栅,调整激光笔与光栅的距离,使激光束垂直照射到光栅上;3. 在光具座的另一端放置屏幕或白纸,观察屏幕上形成的衍射条纹;4. 调整激光笔与光栅的距离,观察衍射条纹的变化;5. 更换不同颜色的激光笔,观察不同颜色的衍射条纹;6. 通过实验,记录观察到的现象,并进行分析。
六、实验现象与分析1. 当激光束垂直照射到光栅上时,屏幕上形成了一系列明暗相间的衍射条纹。
明条纹代表光的干涉增强,暗条纹代表光的干涉减弱;2. 调整激光笔与光栅的距离,发现衍射条纹的间距会发生变化。
距离越大,衍射条纹的间距越小,说明光栅的色散率越大;3. 更换不同颜色的激光笔,观察到的衍射条纹颜色与激光笔的颜色一致。
这是因为不同颜色的光具有不同的波长,波长越长,衍射条纹的间距越大。
七、实验结论1. 衍射光栅实验验证了光的波动性质,光在光栅上的衍射现象是光的干涉和衍射的综合结果;2. 光栅具有色散功能,不同颜色的光在光栅上产生的衍射条纹间距不同,可以用来分离不同颜色的光;3. 通过实验,同学们对光的波动性质和光栅的色散功能有了更深入的理解。
实验报告实验名称:光栅光谱仪一实验目的1.了解光栅光谱仪的工作原理及在光谱学实验中的运用2.学习光栅光谱仪中光电倍增管接受系统的使用3.学会测定滤色片基本参数的方法二实验原理光栅光谱仪的分光部分是用光栅摄取光谱线的单色仪,光栅光谱仪是以光的衍射原理为基础的仪器,即当一束包含不同波长的平行光投射到光栅面时,不同波长的光以不同方式射出,从而形成光谱。
如果光源辐射的波长为分立值,则所得谱线也是分立的,称为线光谱,如汞灯,钠灯等光源如果光源是太阳或白炽灯等辐射连续波长的光源,则所得光谱是连续光谱,在可见光区(380nm-760nm内)可以看到从紫到红连续一片,目前已知的元素中有20%是通过光谱技术发现的。
三实验仪器WGD-5型光栅光谱仪溴钨灯滤色片汞灯计算机四实验方法1..测量前的准备(1) 记录螺旋尺旋转方向与缝宽变化的关系。
(2) 打开单色仪的电源开关,打开汞灯、溴钨灯电源,预热5min。
(3) 将倍增管的高压调至400V(不得超过600V)。
(4) 打开计算机,进入win98 后,双击“WGD-5 倍增管”图标进入工作界面。
待系统和波长初始化完成后便开始工作。
2.单色仪波长校准(1) 将汞灯置于狭缝前,打开并照亮狭缝,预热五分钟可正常工作。
(2)探测器选用广电倍增管,高压加到350到400伏。
选择能量模式,扫描范围:350nm-750nm,扫描步:1nm(3)调节狭缝宽度使入射缝与出射缝相匹配。
(4) 点击“单程”,单色仪开始扫描。
扫描完成后根据谱线强度重新调节入射与出射狭缝,使谱线尽量增高,并使黄线576.9nm和579nm分开(以划线谱作为参照)。
用自动寻峰测量谱线的波长与标准值进行比较,如果波长差大于1nm,重新调节狭缝宽度进行波长修正。
(汞灯谱线:(波长(nm):404.7 404.8 435.8 491.6 546.1 576.9 579.0 623.4690.7)3.测量滤色片透过率曲线取下高压汞灯换上溴钨灯预热五分钟(1)扫描基线a.工作方式(模式):基线; 扫描范围:400-700nm ; 扫描步长:1nmb.点击“单程”单色仪开始扫描c.调节入射狭缝的缝宽使基线的峰值达到900以上d.扫描结束后,点击“当前寄存器”,列表框右侧“----”,在弹出的“环境信息”填入信息,然后关闭。
光栅光谱仪的使用22学生姓名所在系(院)2017年3月14日张家梁专业名称应用物理学(通信基础科学)理学院光栅光谱仪的使用张家梁1实验目的1. 了解光栅光谱仪的工作原理。
2.学会使用光栅光谱仪。
2实验原理1.光栅光谱仪光栅光谱仪结构如图所示。
光栅光谱仪的色散元件为闪耀光栅。
入射狭缝和出射狭缝分 别在两个球面镜的焦平面上, 因此入射狭缝的光经过球面镜后成为平行光入射到光栅上, 衍射光经后球面镜后聚焦在出射狭缝上。
光栅可在步进电机控制下旋转,从而改变入射角度和 终聚焦到出射狭缝处光线的波长。
控制入射光源的波长范围,确保衍射光无级次重叠,可通过控制光栅的角度唯一确定出射光的波长。
光谱仪的光探测器可以有光电管、光电倍增管、硅光电管、热释电器件和CCCD 等多种,经过光栅衍射后,到达出射狭缝的光强一般都比较弱,因此本仪器采用光电倍增管和 CCD 来接收出射光。
2.光探测器光电倍增管是一种常用的灵敏度很高的光探测器, 增系统及阳极组成,并且通过高压电源及一组串联的电阻分压器在阴极一一打拿极 增极”)一一阳极之间建立一个电位分布。
光辐射照射到阴极时,由于光电效应,电子,把微弱的光输入转换成光电子;这些光电子受到各电极间电场的加速和聚焦,它由光阴极、电子光学输入系统、倍 (又称“倍 阴极发射 光电子3比圈光谓何怙构)及电顼控 m ■■b咼J 卜 调在电子光学输入系统的电场作用下到达第一倍增极,产生二次电子,由于二次发射系数大于1,电子数得到倍增。
以后,电子再经倍增系统逐级倍增,阳极收集倍增后的电子流并输出光电流信号,在负载电阻上以电压信号的形式输出。
当衍射光与入射光在光栅平面法线同侧时,衍射角0取+号,异侧时取—号。
单缝衍射 中央主极大的条件是u=0,即sin O=- sin 0或①=0。
将此条件代入到多缝干涉因子中,恰好满足v = 0,即0级干涉 大条件。
这表明单缝衍射中央极大与多缝衍射 0级 大位置是重合的(图),光栅衍射强度大的峰是个波长均不发生散射的 0级衍射峰,没有实用价值。
一、实验目的1. 理解光栅光谱的基本原理和特性。
2. 掌握使用光栅光谱仪进行光谱分析的方法。
3. 通过实验观察和记录不同物质的光谱,了解其光谱特征。
4. 培养实验操作技能和数据处理能力。
二、实验原理光栅光谱仪是利用光栅衍射原理进行光谱分析的光学仪器。
当一束单色光垂直照射在光栅上时,光栅上的狭缝会产生衍射现象,形成衍射光谱。
衍射光谱的亮暗条纹是由光的干涉和衍射共同作用的结果。
通过观察和分析衍射光谱,可以确定光的波长、研究物质的组成和结构。
三、实验仪器与材料1. 光栅光谱仪2. 稳定光源3. 光栅4. 光电探测器5. 数据采集系统6. 实验记录本四、实验步骤1. 将光栅光谱仪放置在实验台上,确保其稳定。
2. 调整光源,使其发出的光束垂直照射在光栅上。
3. 通过调整光栅的角度,观察光栅的衍射光谱。
4. 使用光电探测器记录光谱数据,包括光谱的亮暗条纹位置、强度等。
5. 根据光谱数据,分析物质的组成和结构。
6. 重复实验,观察不同物质的光谱特征。
五、实验结果与分析1. 实验过程中,观察到光栅的衍射光谱为明暗相间的条纹,表明光在光栅上发生了衍射现象。
2. 通过光电探测器记录的光谱数据,发现不同物质的光谱特征存在差异。
例如,氢原子光谱呈现为一系列亮暗相间的线状光谱,称为巴耳末系;钠光谱呈现为两条明亮的黄线,称为钠双线。
3. 根据光谱数据,可以计算出光的波长。
例如,氢原子光谱的波长可通过巴耳末公式计算得到。
六、实验总结1. 本实验成功观察到了光栅的衍射光谱,验证了光栅光谱仪的基本原理。
2. 通过实验,掌握了使用光栅光谱仪进行光谱分析的方法,并了解了不同物质的光谱特征。
3. 实验过程中,培养了实验操作技能和数据处理能力。
七、实验反思1. 在实验过程中,发现光栅光谱仪的调节需要一定的技巧,需要多加练习。
2. 实验数据记录时,应注意记录光谱的亮暗条纹位置、强度等信息,以便后续分析。
3. 在分析光谱数据时,要结合理论知识,才能准确判断物质的组成和结构。
光栅光谱仪的使用实验报告学院高等工程师学院班级自E152学号41518170姓名郑子亮一、实验目的与实验仪器【实验目的】1.了解平面反射式闪耀光栅的分光原理及主要特性2.了解光栅光谱仪的结构,学习使用光栅光谱仪3.测量钨灯和汞灯在可见光范围的光谱4.测定光栅光谱仪的色分辨能力5.测定干涉滤光片的光谱透射率曲线【实验仪器】WDS-3平面光栅光谱仪(200~800nm)。
汞灯,钨灯氘灯组件,干涉滤光片等。
二、实验原理(要求与提示:限400字以内,实验原理图须用手绘后贴图的方式)(1)平面反射式光栅与光栅方程规定衍射角Θ恒为正,i与Θ在光栅平面法线的同侧为正,异侧为负。
K是光谱级对于常用的平面光栅光谱仪,谱板中心到光栅中心的连线与入射光线在同一平面内,因此,衍射角Θ可当做入射角i,光谱方程为:(2)闪耀问题闪耀波长:2平面光栅光谱仪结构组成(1)光学系统(2)电子系统(3)光栅光谱仪操作3.色分辨率光栅光谱仪的色分辨率是分开两条邻近谱线能力的量度4.滤光片光谱特性光谱透射率为:三、实验步骤(要求与提示:限400字以内)1.准备工作开机前,需要缓慢旋转入射狭缝宽度调节旋钮,设置参数2.校准光谱仪的波长指示值利用氘灯波长值为486.0nm的谱线校准光谱仪,利用“数据处理”菜单的功能读出测量的氘灯光谱谱线波长,如果有偏差,用“系统操作”菜单中的“波长校正”功能进行校正3.汞灯光谱和光谱仪分辨率的测量(1)入射缝宽和出射缝宽设定在0.15~0.20nm之间,负压-300~-600之间(2)移去钨灯&氘灯组件,将汞灯置于入射狭缝前,进行快速全谱扫描,根据光谱测量结果进一步调节狭缝宽度、负高压等参数,使得记录的谱线高度适当,再进行一次慢速全谱扫描,保存实验数据。
4.滤色片光谱特性的测量5.退出系统与关机四、数据处理(要求与提示:对于必要的数据处理过程要贴手算照片)1.(1)汞灯光谱(2)钨灯光谱2.3.透射率T与波长λ的关系曲线I-λ五、分析讨论(提示:分析讨论不少于400字)1.通过观察汞灯和钨灯光谱特性图像可得到:汞灯的光谱图像是间断的,不连续的,而钨灯的光谱图像是连续的。
课程名称:大学物理实验(二)实验名称:光栅光谱仪的使用图1 光谱图图3 实验光路图4 实验仪器结果光谱仪的实验光路如图3所示。
待测光线从入射狭缝S1进入,经准直球面反射镜M1反射后变为平行光,再经光栅G衍射后,由聚焦球面反射镜M2汇聚到出射狭缝S2(光电倍增管)或S3(CCD)。
仪器结构如图4四、实验内容及步骤:实验设置图5汞灯校准曲线图6 放置玻璃片前后的信号强度本文选取了以下数据点作分析表1 选取的数据点229.7 344.1 517.8 66 218 1491 50681293229.7nm 的数据为例计算透过率放置玻璃前的信号强度−放置玻璃后的信号强度放置玻璃前的信号强度=66−5066=0.24 同理可得剩余数据点透过率表2 选取的数据点的透过率229.7 344.1 517.8 0.240.690.13可以发现随着波长的变大,钨灯的透过率由小变大,然后再由大变小,最后稳定在0.12左右。
放置玻璃片前放置玻璃片后图7 透过率随波长的变化此处作出了透过率随波长的变化曲线,随着波长的变大,在波长为200nm到275nm之间集中分布,在波长为275nm到350nm之间,钨灯的透过率急剧上升至之间,钨灯的透过率急剧下降至0.15左右,波长持续变大至左右。
七、结果陈述与总结:实验测得汞灯校准谱线如图5所示,测出的汞谱线波长有365.2nm、404.8nm、436.1nm实验测得放置玻璃片前后的钨灯谱线如图6所示。
实验测得钨灯对玻璃片的透过率随波长变化曲线如图7所示。
钨灯的对玻璃的透过率随波长的变大先急剧后急剧减小至0.1328最后缓慢减小且平稳在0.11746附近。
大致了解了光谱学的基础知识,熟悉了常见的汞谱线。
深入理解了光栅光谱仪的工作原理和光原始数据记录表组号07姓名董其锋。
第1篇一、实验目的1. 理解光栅的基本原理和特性。
2. 掌握使用光栅进行光谱分析的方法。
3. 通过实验,验证光栅衍射公式,并测定光栅常数和光波波长。
二、实验原理光栅是利用光的衍射原理,使光波发生色散的一种光学元件。
光栅可以看作是由大量等宽、等间距的狭缝组成的光学系统。
当一束单色光垂直照射到光栅上时,光波会在光栅上发生衍射,并在光栅后形成一系列明暗相间的衍射条纹。
根据光栅衍射公式:\[ d \sin \theta = m\lambda \]其中,\( d \) 为光栅常数(狭缝间距),\( \theta \) 为衍射角,\( m \) 为衍射级数,\( \lambda \) 为光波波长。
通过测量衍射条纹的位置,可以计算出光栅常数和光波波长。
三、实验仪器与材料1. 光栅2. 分光计3. 汞灯4. 平面镜5. 光电传感器6. 数据采集系统7. 计算机软件四、实验步骤1. 将光栅固定在分光计的载物台上,调整分光计,使汞灯发出的光垂直照射到光栅上。
2. 调整分光计,使光栅衍射的光线垂直照射到光电传感器上。
3. 记录光电传感器接收到的光信号,并观察光栅衍射条纹。
4. 通过数据采集系统,测量衍射条纹的位置,并计算衍射角。
5. 根据光栅衍射公式,计算光栅常数和光波波长。
五、实验结果与分析1. 通过实验,验证了光栅衍射公式,并计算出光栅常数和光波波长。
2. 光栅常数和光波波长的测量结果与理论值基本一致,说明实验结果可靠。
3. 在实验过程中,发现以下现象:- 光栅衍射条纹清晰,且分布均匀。
- 光栅衍射条纹的间距与衍射角成正比。
- 光栅衍射条纹的级数与光栅常数和光波波长有关。
六、实验结论1. 光栅是一种重要的光学元件,具有光谱分析、光通信、信息处理等多种应用。
2. 光栅衍射公式可以用来计算光栅常数和光波波长。
3. 本实验验证了光栅衍射公式,并成功测量了光栅常数和光波波长。
七、实验讨论1. 光栅常数对光栅衍射条纹的影响:光栅常数越大,衍射角越小,衍射条纹间距越小。
光栅光谱实验报告光栅光谱实验报告引言:光栅光谱实验是物理学实验中常见的一种实验方法,通过光的衍射现象,利用光栅的特殊结构,可以将光分解为不同波长的光谱线。
本实验旨在通过观察和分析光栅光谱,探究光的性质和光的波长与色彩的关系。
实验过程:1. 实验器材准备实验中需要准备的器材包括:光源、准直器、光栅、望远镜、测量仪器等。
2. 实验步骤(1)将光源置于实验台上,通过准直器将光线调整为平行光。
(2)将光栅放置在光源与望远镜之间,保持光栅与光源之间的垂直关系。
(3)调整望远镜的位置和角度,使其能够观察到光栅上的光谱线。
(4)通过移动望远镜,观察光栅上的光谱线的变化,记录下各个光谱线的位置和颜色。
(5)使用测量仪器对光谱线的位置进行精确测量,得到光谱线的波长数据。
实验结果:通过实验观察和数据测量,我们得到了一系列光谱线的位置和波长数据。
根据这些数据,我们可以绘制出光谱图,并进行进一步的分析。
分析与讨论:1. 光谱线的位置与波长的关系根据实验数据,我们可以发现光谱线的位置与波长之间存在着一定的关系。
通常情况下,波长较短的光谱线位于光栅中心附近,而波长较长的光谱线则位于光栅两侧。
这是因为光栅的结构决定了不同波长的光在光栅上的衍射角度不同,从而导致光谱线在光栅上的位置不同。
2. 光谱线的颜色与波长的关系根据实验观察,我们可以发现光谱线的颜色与波长之间存在着一定的对应关系。
根据光的色散性质,我们知道波长较短的光对应着紫色,而波长较长的光对应着红色。
通过观察光谱线的颜色,我们可以粗略地判断出光谱线对应的波长范围。
3. 光栅的作用和优势光栅作为一种特殊的光学元件,具有很多优势。
首先,光栅可以将光分解为多个光谱线,使我们能够更加清晰地观察和研究光的性质。
其次,光栅具有高分辨率和高光谱纯度的特点,能够提供更准确的光谱数据。
此外,光栅还具有可调节的特性,可以通过改变光栅的参数来实现对光谱线的调节和选择。
结论:通过光栅光谱实验,我们可以观察到光的波长与色彩的关系,并通过数据测量和分析得到更准确的结果。
光栅光谱仪实验报告一、实验目的:通过光栅光谱仪的使用,掌握光栅光谱仪的结构、原理和使用方法。
通过测量不同光源的光谱,了解不同光源的特性。
二、实验装置和原理:1.实验装置:光栅光谱仪、白炽灯、氢灯、氖灯、光栅光谱仪支架、光栅支架、读数电眼、准直物镜。
2.实验原理:光栅光谱仪利用光栅的作用原理,将光分成不同波长的光线,使其以不同的角度被分散出来,进而形成连续的光谱。
光栅光谱仪主要由光源、光栅、准直物镜和读出及测量系统组成。
光栅经过准直物镜聚焦后,通过光栅的平行光线会由于不同波长的光受到不同程度的散射,从而形成连续的光谱。
读出系统将光谱上的不同波长的光线与波长的对应关系转化为电信号,通过电眼读取,进而测量。
三、实验步骤与数据处理:1.将光栅光谱仪放置在稳定的工作台上,调整仪器水平。
2.打开电源,将待测光源的前方放置一个铅块,用于调整焦距。
3.调整准直物镜的位置,使光线能够准直射入光栅光谱仪。
4.打开光栅光谱仪的读数电源,调整光栅支架上的读数电眼位置,使其能够正常读取光谱。
5.用白炽灯、氢灯、氖灯等光源进行实验测量。
6.调整读数电眼的读数位置,记录不同波长的光线对应的读数值。
7.根据读数电眼的读数和仪器提供的波长-读数变换函数,得到不同波长对应的光线。
8.绘制光谱图,并对光谱图进行分析和解释。
四、实验结果与分析:实验测量得到的光谱图如下所示:(这里应当给出具体的测量数据和光谱图,可以通过软件绘图工具或手工绘图)从光谱图中可以看出,在可见光范围内,不同波长的光线在光栅的作用下经过分散,形成了连续的光谱。
通过读数电眼的读出,我们可以根据波长-读数变换函数得到不同波长对应的光线。
根据实验测量的数据,可以得到不同光源的光谱特性,比如氢灯和氖灯在可见光范围内的谱线等。
五、实验总结:通过本次实验,我们掌握了光栅光谱仪的结构、原理和使用方法,并进行了不同光源的光谱测量。
光谱是光的波长和频率的一种表现形式,通过光谱测量可以了解光源的组成和特性。
一、实验目的
1.用光栅光谱仪测量白、黄滤光玻璃片的基线、吸光度、与透过率。
2.学会并掌握光栅光谱仪的应用。
二、实验仪器
1.已装载软件的电脑
2. 有白、黄滤光镜片的滤光片
3.光栅光谱仪
三、实验原理
仪器的规格与主要技术指标:
波长范围 200-800nm
焦距 302.5mm
相对孔径 D/F=1/7
波长精度±0.4nm
波长重复性±0.2nm
杂散光≤10-3
WGD-3 型组合式多功能光栅光谱仪,由光栅单色仪,接收单元,扫描系统,电子放大器,A/D采集单元,计算机组成。
该设备集光学、精密机械、电子学、计算机技术于一体。
光学系统采用C-T型,如图2-1
图2-1 光学原理图
M1反射镜、M2准光镜、M3物镜、M4转镜、G平面衍射光栅
S1入射狭缝、S2光电倍增管接收、S3 CCD接收
入射狭缝、出射狭缝均为直狭缝,宽度范围0-2.5mm连续可调,光源发出的光束进入入射狭缝S1,S1位于反射式准光镜M2的焦面上,通过S1射入的光束经M2反射成平行光束投向平面光栅G上,衍射后的平行光束经物镜M3成象在S2上或S3上。
M2、M3 焦距302.5mm
光栅G 每毫米刻线1200条闪耀波长550nm
二块滤光片工作区间白片 320-500nm
黄片 500-800nm
四、实验内容
1.进入系统后,首先弹出如图的友好界面。
2.单击鼠标或键盘上的任意键或等待5秒钟后,马上显示工作界面,同时弹出一个对话框(如图),让用户确认当前的波长位置是否有效、是否重新初始化。
如果选择确定,则确认当前的波长位置,不再初始化;如果选择取消,则初始化,波长位置回到200nm处。
此时,选择确定即可。
3.基线的测量,将信息/视图一栏选为动态方式,左侧的工作模式选为基线,间隔设定为0.1或0.2纳米,安好玻璃片后开始单程扫描,不断调节电压表,使图像的在450-550nm时达到顶峰,然后返回,重新初始化,重新扫描即可,将所得图像与数据保存在寄存器1中。
4.将工作模式选为吸光度和透过率后,分别按上述方法测量。
将所得图像与
数据保存在寄存器2、3中。
五、图像采集
1.基线
A.白玻璃
2.白玻璃透过率
3.白玻璃吸光度
B.黄玻璃
1.黄玻璃基线
2.黄玻璃透过率
3.黄玻璃吸光度
六、注意事项
1.当标准峰波长偏长时,输入的修正值为负值,反之为正值。
2.总修正值不得超过±50nm。
3.仪器掉电或先启动软件再给仪器加电均可能造成波长混乱。
此时应关闭软件,在保证连线准确、仪器加电的情况下,对仪器重新进行初始化。
4.“起点”必须小于“终点”,“最小值”必须小于“最大值”
七、实验总结
试验中进行多次测量,了解到了影响实验课结果的各种因素,并进行总结,基本掌握了光栅光谱仪的基本操作方法,能正确使用仪器能够较为正确的测量基线、吸光度、透过率等物理量。