光栅光谱仪的使用实验报告-董芊宇
- 格式:docx
- 大小:1.10 MB
- 文档页数:5
光栅实验的实验报告光栅实验的实验报告一、实验目的二、实验原理1. 光栅的基本原理2. 光栅常见参数三、实验器材与装置四、实验步骤与记录1. 实验前准备2. 实验过程记录与数据处理五、实验结果分析与讨论1. 测量结果分析及误差控制讨论2. 光栅常见应用领域讨论六、结论七、参考文献一、实验目的本次光栅实验的主要目的是:1. 掌握光栅的基本原理和常见参数;2. 学习使用光栅仪器进行测量;3. 分析测量结果,并探讨光栅在现代科技中的应用。
二、实验原理1. 光栅的基本原理光栅是一种具有规则周期性结构的光学元件。
它由若干平行于同一平面并等间距排列的透明或不透明条纹组成,这些条纹被称为“刻线”,刻线之间形成了一系列平行于刻线方向且等间距排列的透明或不透明区域,这些区域被称为“槽”。
当平行入射的单色光通过光栅时,会发生衍射现象。
衍射光线的强度和方向都与光栅的刻线间距有关。
通常情况下,当刻线间距为d时,对于波长为λ的入射单色光,衍射最强的方向满足以下条件:sinθ = nλ/d其中,θ是衍射角度,n是整数。
2. 光栅常见参数(1)刻线密度:表示单位长度内刻线条数。
单位通常为/mm。
(2)刻线间距:表示相邻两条刻线之间的距离。
单位通常为nm或μm。
(3)分辨本领:表示能够分辨出两个相邻波长差异的最小值。
分辨本领与光栅的刻线密度和入射角有关。
三、实验器材与装置本次实验使用了以下仪器和设备:1. 光栅仪2. 单色光源3. 三角架4. 卡尺、千分尺等测量工具四、实验步骤与记录1. 实验前准备(1)将光栅仪放置在水平台面上,并将单色光源固定在三角架上。
(2)调整光栅仪的位置,使得单色光源的光线垂直于光栅平面。
(3)打开单色光源,调节其波长为λ。
2. 实验过程记录与数据处理(1)测量刻线密度:将千分尺放置在刻线之间,测量两个相邻刻线之间的距离。
重复多次测量,并计算出平均值。
(2)测量刻线间距:将千分尺放置在同一条刻线上,记录其位置。
光栅光谱仪实验报告摘要:本实验通过对光栅光谱仪的搭建和使用,探究了光栅光谱仪的原理和应用。
通过实验的结果,我们得出了光栅光谱仪可用于分析光在不同材料中的折射率,以及测量光的波长等结论。
引言:光栅光谱仪是一种可以分析光的颜色和波长的仪器。
它的工作原理是利用光栅的光栅条纹特性,将入射光分散成不同波长的光,然后通过测量这些光的强度和波长,来得到光的光谱分布。
光栅光谱仪具有分辨率高、灵敏度高等优点,广泛应用于物理、化学、生物等领域。
实验方法:本实验使用的光栅光谱仪由光源、光栅和光电检测器组成。
首先,将光源对准光栅,使得光可以垂直入射到光栅上。
然后,将光电检测器对准出射光束,以便测量不同波长的光的强度。
在实验过程中,我们对不同的入射角度、不同的光源和材料进行了测试,并采用软件来分析和处理实验数据。
实验结果与分析:通过实验数据的收集和分析,我们得出了以下结论:1.入射角度对光栅光谱仪的分辨率有着明显的影响。
随着入射角度的增加,光栅的分辨率也会增加,即可以得到更准确的光谱数据。
2.不同的光源会产生不同的光谱特征。
以白炽灯和LED灯为例,白炽灯会产生连续光谱,而LED灯则会产生一些特定波长的光谱。
3.光栅光谱仪可以用于测量光的波长和颜色。
我们通过测量光的干涉条纹的位置,可以计算出光在不同材料中的折射率,进而得到光的波长。
结论:光栅光谱仪是一种有效的光谱分析工具,可以用于测量光的波长、颜色和折射率。
通过本实验,我们深入了解了光栅光谱仪的原理和应用,并发现了光栅光谱仪在不同入射角度和不同光源下的性能差异。
这将对今后的研究和应用提供参考和依据。
总结:本实验通过对光栅光谱仪的搭建和使用,展示了光栅光谱仪在测量光的波长和颜色方面的优势。
我们了解了光栅光谱仪的原理和工作方式,并通过实验证明了其在光谱分析中的应用价值。
希望本实验能为同学们的学习和研究提供一些参考和启示。
2.李四.光栅光谱仪的原理与应用[M].科学出版社,2024.。
光栅光谱仪的使用实验报告一、实验目的与实验仪器1.实验目的(1)了解平面反射式闪耀光栅的分光原理及主要特性;(2)了解光栅光谱仪的结构,学习使用光栅光谱仪;(3)测量钨灯和汞灯在可见光范围的光谱;(4)测定光栅光谱仪的色分辨能力;(5)测定干涉滤光片的光谱透射率曲线。
2.实验仪器WDS-3平面光栅光谱仪(200~800nm),汞灯,钨灯&氘灯组件,干涉滤光片。
二、实验原理(要求与提示:限400字以内,实验原理图须用手绘后贴图的方式)1.平面反射式闪耀光栅原理(1)θ方向的光强:Iθ=(sinαα)2(sinNβsinβ)2(2)光栅方程:d(sinθ+sin i)= kλ(3)闪耀光栅:光强最大的方向就是槽面反射定律所规定的方向,0级谱线出现在光栅平面反射的方向,闪耀光栅能够把能量集中在需要的光谱级里。
(4)闪耀波长的计算:λ=2dsinγk2.平面光栅光谱仪的结构与组成(1)光学系统结构:光栅:1200/mm;闪耀波长250nm;M1和M2凹面镜焦距为300mm;狭缝0-2mm连续可调。
电子系统:电源系统、光接收系统、步进电动机系统组成。
光学接收系统:光电倍增管及其放大电路组成。
光电倍增管:光信号转变成电信号。
是测光仪器和光电自动化设备中的主要探测元件。
目前测量光信号最灵敏的器件之一。
结构:3.色分辨率光栅光谱仪的色分辨率是分开两条邻近谱线能力的量度。
以汞灯的两条黄谱线(波长为577.0nm和579.1nm)为例测出谱线λ1和λ2峰间的间隔a以及峰的半宽度b,则色分辨能力为:Δλ =bαδλδλ=λ2-λ1=2.10nm4.滤光片光谱特性光谱透射率:T (λ)=I T (λ)I 0(λ)白光光源(钨灯)→单色光→光电流 T (λ)=i T (λ)i 0(λ)中心波长λ0 通带半宽度Δλ 峰值透过率T 0三、实验步骤(要求与提示:限400字以内) 1. 准备工作:1) 调节高压到-300~-600V(不要小于-400V)之间,入射缝、出射缝缝宽均预置为0.15 ~0.30mm 之间,打开氘灯,打开计算机,打开程序,首先进行复位操作,复位后按“确定”进入操作主界面;2) 测量参数设置:能量模式(0.0~4095.0),扫描方式(重复扫描1次),波长范围(200~800nm ,可根据实验需要设定上下限)2. 校准光谱仪的波长指示值(通过氘灯光谱上的486.0nm 峰值实现)3. 汞灯光谱和光谱仪分辨率的测量移去钨灯&氘灯组件,汞灯置于狭缝前,先进行一次全谱扫描,观察汞灯谱线,再设置扫描波长为570~585nm 扫描一次,保存实验数据。
一、实验目的1. 了解光栅光谱仪的工作原理及结构。
2. 掌握光栅光谱仪的操作方法。
3. 通过实验,观察光谱现象,加深对光谱学原理的理解。
4. 利用光栅光谱仪进行光谱分析,掌握光谱分析方法。
二、实验原理光栅光谱仪是一种利用光栅分光原理进行光谱测量的光学仪器。
光栅光谱仪的基本原理是利用光栅将复色光分解成单色光,然后通过检测单色光的波长,实现对物质成分的分析。
1. 光栅分光原理光栅分光原理基于衍射现象。
当一束光入射到光栅上时,由于光栅上狭缝的衍射作用,光波发生衍射,形成衍射光。
这些衍射光经过光栅的色散元件(如棱镜、光栅等)进行色散,形成光谱。
2. 光栅光谱仪的结构光栅光谱仪主要由以下部分组成:(1)光源:提供实验所需的入射光。
(2)光栅:将入射光分解成单色光。
(3)色散元件:将分解后的单色光进行色散,形成光谱。
(4)检测器:接收色散后的单色光,并将其转换为电信号。
三、实验仪器与材料1. 光栅光谱仪一台2. 光源一台3. 检测器一台4. 光栅一个5. 色散元件一个6. 实验记录本一本四、实验步骤1. 将光栅光谱仪、光源、检测器等实验仪器安装到位。
2. 打开光源,调节光源亮度,使其达到实验要求。
3. 将光栅安装在光栅光谱仪上,调整光栅角度,使入射光垂直于光栅。
4. 调整色散元件,使其与光栅垂直。
5. 将检测器放置在色散元件的焦平面上,调整检测器位置,使光谱成像清晰。
6. 观察光谱现象,记录光谱数据。
7. 根据光谱数据,分析物质成分。
五、实验结果与分析1. 实验结果实验过程中,观察到光谱现象,记录了光谱数据。
2. 分析根据光谱数据,分析物质成分,得出以下结论:(1)光谱中的谱线与物质成分有关。
(2)通过光谱分析,可以确定物质的成分。
(3)光栅光谱仪具有较高的分辨率和灵敏度,适用于物质成分分析。
六、实验总结通过本次实验,我们了解了光栅光谱仪的工作原理及结构,掌握了光栅光谱仪的操作方法。
实验过程中,观察到光谱现象,加深了对光谱学原理的理解。
光栅光谱仪实验报告光栅光谱仪是一种常用的光谱仪器,能够将光信号分解成不同波长的光谱线,并对其进行精确测量。
本实验旨在通过使用光栅光谱仪,对不同光源的光谱进行测量和分析,以及了解光谱仪的基本原理和使用方法。
实验步骤:1. 实验仪器准备,将光栅光谱仪放置在稳定的台面上,并连接电源、光源和计算机等设备。
2. 光源选择,选择不同类型的光源,如白炽灯、氢氖激光等,并依次对其进行测量。
3. 光谱测量,打开光栅光谱仪软件,选择相应的测量模式,对所选光源进行光谱测量,并记录下光谱数据。
4. 数据分析,利用软件对测得的光谱数据进行分析,包括波长、强度等参数的测量和计算。
实验结果:通过实验测量和分析,我们得到了不同光源的光谱数据,并对其进行了初步的分析。
例如,白炽灯的光谱呈连续光谱,而氢氖激光的光谱则呈现出明显的谱线特征。
通过对光谱数据的分析,我们可以了解到不同光源的发光特性和光谱分布规律。
实验总结:本次实验通过使用光栅光谱仪,对不同光源的光谱进行了测量和分析,增强了我们对光谱仪器的理解和使用能力。
同时,通过实验数据的分析,我们也对不同光源的发光特性有了更深入的了解。
在今后的实验和研究中,光栅光谱仪将会是一个重要的实验工具,帮助我们更好地理解光谱学的相关知识和应用。
结语:光栅光谱仪作为一种重要的光谱仪器,在科研和实验中具有重要的应用价值。
通过本次实验,我们对光栅光谱仪的基本原理和使用方法有了更深入的了解,这将为今后的研究和实验工作打下坚实的基础。
希望通过不断的实践和学习,我们能够更好地运用光谱仪器,为科学研究和技术发展做出更大的贡献。
光栅光谱仪实验报告(doc)09级应用物理学03班40908020323肖金龙2012.03.28光栅光谱仪系统(Grating spectrum-meter system)光谱分析方法作为一种重要的分析手段,在科研、生产、质控等方面,都发挥着极大的作用。
无论是穿透吸收光谱,还是荧光光谱,拉曼光谱,如何获得单波长辐射是不可缺少的手段。
由于现代单色仪可具有很宽的光谱范围(UV- IR),高光谱分辨率(到0.001nm),自动波长扫描,完整的电脑控制功能极易与其他周边设备融合为高性能自动测试系统,使用电脑自动扫描多光栅单色仪已成为光谱研究的首选。
一、实验目的1. 掌握发射光谱测试系统,光学元件的透射率光谱,反射率光谱测试系统以及荧光光谱测试系统的搭建2. 学习利用电脑自动扫描多光栅单色仪测试各种光源特性谱线,学会分析各种光学元件的反射、透射谱线。
学习利用组合多光栅单色仪测试物质荧光光谱,分析荧光物质成分。
3.二、光栅光谱仪测试系统组件名称1(LHT75溴钨灯光源室+LPT75溴钨灯稳流电源(bromine tungsten) 2(LHM254波长校准汞灯光源(The Hg lamp house for calibrating grating, the character wavelength is 254nm)3(NFC-532-15陷波滤波装置The 532nm wavelength is bound when light from the lamp house crossing thefilter.4(SPB300 300mm光栅光谱仪(the focus is 300nm) 5(SPB500 500mm光栅光谱仪6(SD 六挡滤光片轮the light filer for six steps 7(SAC 三口样品室sample house10. DCS102数据采集器data acquisition implement 11. PMTH-S1-CR131 光电倍增管photo multiplier tube12. HVC1005 高压稳压电源regulated power supply in high voltage三、光栅基础知识及实验原理图当一束复合光线进入单色仪的入射狭缝,首先由光学准直镜汇聚成平行光,再通过衍射光栅色散为分开的波长(颜色)。
实验一 用光栅光谱仪测量未知光源的光谱特性【实验目的】1、熟悉平面光栅光谱仪的工作原理。
2、学会用WGD-8A 型组合式多功能光栅光谱仪测量未知光源的光谱特性。
【实验仪器】WGD-8A 系列组合式多功能光栅光谱仪、计算机、钠灯、汞灯【实验原理】1、WGD-8A 型组合式多功能光栅光谱仪仪器简介WGD-8A 型组合式多功能光栅光谱仪,由光栅单色仪,接收单元,扫描系统,电子放大器,A/D 采集单元,计算机组成。
该设备集光学、精密机械、电子学、计算机技术于一体。
光学系统如图1。
入射狭缝、出射狭缝均为直狭缝,宽度范围0-2mm 连续可调,光源发出的光束进入入射狭缝S1,Sl 位于反射式准光镜M2的焦面上,通过Sl 射入的光束经M2反射成平行光束投向平面光栅G (8A 型:2400条/mm ,nm 250=闪λ,波长范围200-600nm )上,衍射后的平行光束经物镜M3(M2、M3的焦距为500nm )成象在S2上。
光栅G 放置在一平台上,可以绕通过光栅划线的铅垂轴转动,以改变平行光束相对于光栅平面的人射角,从而改变摄谱范围。
2、平面反射光栅的构造与光栅方程目前最广泛应用的是平面反射光栅。
图2是垂直于光栅刻槽的断面放大图。
在图2中,衍射槽面(宽度为α)与光栅平面的夹角为θ,称为光栅的闪耀角,它的意义将在下面说明。
当平行光束入射到光栅上,由于槽面的衍射以及各个槽面间衍射光的相干叠加,不同方向的衍射光束强度不同。
考虑槽面之间的干涉,当满足光栅方程λβm i d =±)s i n (s i n (1) 时,光强将有一极大值,或者说将出现一亮条纹。
式中i 及β分别是入射光及衍射光与光栅平面法线的夹角,即入射角与衍射角;d 为光栅常数,,,3,2,1 ±±±=m 它表示干涉级;λ为出现亮条纹的光的波长。
公式中当入射线与衍射线在光栅同侧时取正号,异侧时取负号。
由式(1)知,当入射角i 一定时,不同的波长对应不同的衍射角,从而本来混合在一起的各种波长的光,经光栅衍射后按不同的方向彼此分开排列成光谱,这就是衍射光栅的分光原理。
光栅光谱仪实验报告实验报告:光栅光谱仪实验1.引言:光谱是科学家们通过光的分光现象得到的一种物体结构与性质的重要信息。
光栅光谱仪是一种用于分析光的波长和颜色的仪器。
本实验的主要目的是通过光栅光谱仪对不同光源的光进行分析,了解光栅光谱仪的原理和使用方法。
2.实验原理:光栅光谱仪的工作原理是光栅的光栅方程:nλ = d sinθ,其中n 为衍射阶数,λ为光波长,d为光栅常数,θ为衍射角。
根据光谱的连续性,光栅衍射光谱呈现出一系列彩色条纹,根据谱线的位置可以得到光的波长信息。
3.实验步骤:(1)实验器材准备:光栅光谱仪、光源、白纸、标尺等;(2)调整仪器:将光栅光谱仪上的刻度盘调整到合适位置,并使用标尺确定距离;(3)实验记录:将白纸放在光栅光谱仪后方,打开光源,调整仪器使得谱线清晰可辨;(4)测量谱线位置:将谱线的位置与刻度盘上的刻度对应,记录下谱线的位置;(5)数据分析:根据光栅方程计算出样品的波长。
我们使用Hg灯、Na灯和未知样品光等三种光源进行了实验测量。
根据测量结果,我们得到了Hg灯、Na灯和未知样品光的谱线位置,并计算得到了它们的波长。
具体结果如下表所示:光源,谱线位置 (刻度) ,波长 (nm)---------,---------------,-----------Hg灯,35,435.8Hg灯,41,546.1Hg灯,49,578.0Na灯,45,589.0Na灯,50,589.6未知样品光,37,469.45.结果分析:根据实验结果,我们可以发现Hg灯的谱线位置分别为35、41和49,对应的波长分别为435.8、546.1和578.0纳米。
Na灯的谱线位置为45和50,对应的波长为589.0和589.6纳米。
而未知样品光的谱线位置为37,对应的波长为469.4纳米。
6.实验误差分析:在实验中,可能存在的误差主要来自于读数误差、仪器调整不准确等因素。
我们尽量减小这些误差,但还是难以完全避免。
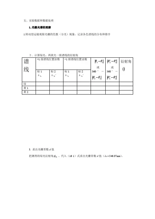
五、实验数据和数据处理
1.光栅光谱的观察
1.转动望远镜观察光栅的色散(分光)现象,记录各色谱线的分布和排序
2.计算绿光、两黄光一级谱线的衍射角
3. 求出光栅常数d值
φ ,代入(16-1)式求出光栅常数d值(λ绿=546.07nm)。
把测得的绿光衍射角
绿
4. 计算光栅分辨本领R
计算光栅分辨本领R 。
此处,N=l /d ,l 为光栅受照面积的宽度,亦即平行光管的通光孔径;d 为光栅常数的测量值。
5.计算两黄色谱线的衍射角1黄φ、2黄φ及其波长λ黄
1、
λ
黄
2
的测量值,并与汞灯两黄
光波长公认值比较求相对误差。
6.计算两黄光谱线处的角色散率D。
实验报告实验名称:光栅光谱仪一实验目的1.了解光栅光谱仪的工作原理及在光谱学实验中的运用2.学习光栅光谱仪中光电倍增管接受系统的使用3.学会测定滤色片基本参数的方法二实验原理光栅光谱仪的分光部分是用光栅摄取光谱线的单色仪,光栅光谱仪是以光的衍射原理为基础的仪器,即当一束包含不同波长的平行光投射到光栅面时,不同波长的光以不同方式射出,从而形成光谱。
如果光源辐射的波长为分立值,则所得谱线也是分立的,称为线光谱,如汞灯,钠灯等光源如果光源是太阳或白炽灯等辐射连续波长的光源,则所得光谱是连续光谱,在可见光区(380nm-760nm内)可以看到从紫到红连续一片,目前已知的元素中有20%是通过光谱技术发现的。
三实验仪器WGD-5型光栅光谱仪溴钨灯滤色片汞灯计算机四实验方法1..测量前的准备(1) 记录螺旋尺旋转方向与缝宽变化的关系。
(2) 打开单色仪的电源开关,打开汞灯、溴钨灯电源,预热5min。
(3) 将倍增管的高压调至400V(不得超过600V)。
(4) 打开计算机,进入win98 后,双击“WGD-5 倍增管”图标进入工作界面。
待系统和波长初始化完成后便开始工作。
2.单色仪波长校准(1) 将汞灯置于狭缝前,打开并照亮狭缝,预热五分钟可正常工作。
(2)探测器选用广电倍增管,高压加到350到400伏。
选择能量模式,扫描范围:350nm-750nm,扫描步:1nm(3)调节狭缝宽度使入射缝与出射缝相匹配。
(4) 点击“单程”,单色仪开始扫描。
扫描完成后根据谱线强度重新调节入射与出射狭缝,使谱线尽量增高,并使黄线576.9nm和579nm分开(以划线谱作为参照)。
用自动寻峰测量谱线的波长与标准值进行比较,如果波长差大于1nm,重新调节狭缝宽度进行波长修正。
(汞灯谱线:(波长(nm):404.7 404.8 435.8 491.6 546.1 576.9 579.0 623.4690.7)3.测量滤色片透过率曲线取下高压汞灯换上溴钨灯预热五分钟(1)扫描基线a.工作方式(模式):基线; 扫描范围:400-700nm ; 扫描步长:1nmb.点击“单程”单色仪开始扫描c.调节入射狭缝的缝宽使基线的峰值达到900以上d.扫描结束后,点击“当前寄存器”,列表框右侧“----”,在弹出的“环境信息”填入信息,然后关闭。
光栅光谱仪的使用实验报告-董芊宇————————————————————————————————作者:————————————————————————————————日期:实验报告题目:光栅光谱仪的使用姓名董芊宇学院理学院专业应用物理学班级2013214103学号2013212835班内序号222015年9月一. ﻬ实验目的1. 了解光栅光谱仪的工作原理。
2. 学会使用光栅光谱仪。
二. 实验原理1.闪耀光栅在光栅衍射实验中,我们了解了垂直入射时(φ=90︒)光栅衍射的一般特性。
当入射角φ=90︒时,衍射强度公式为222sin sin sin I u Nv A u v =⎛⎫⎛⎫ ⎪ ⎪⎝⎭⎝⎭(9.1)光栅衍射强度仍然由单缝衍射因子和多缝干涉因子共同决定。
只不过此时()sin sin a u πφθλ=+(9.2)()sin sin d v πφθλ=+ (9.3)当衍射光与入射光在光栅平面法线同侧时,衍射角θ取+号,异侧时取-号,单缝衍射中央主极大的条件是0u =,即sin sin φθ=-或ϕθ=-。
将此条件代入到多缝干涉因子中,恰好满足0v =,即0级干涉最大条件。
这表明单缝衍射中央极大与多缝衍射0级最大位置是重合的,光栅衍射强度最大的峰是个波长均不发生散射的0级衍射峰,没有实用价值。
而含有丰富信息的高级衍射峰的强度却非常低。
为了提高信噪比,可以采用锯齿形的反射光栅(又称闪耀光栅)。
闪耀光栅的锯齿相当于平面光栅的“缝”,与平面光栅一样,多缝干涉条件只取决于光栅常数,与锯齿角度、形状无关。
所以当光栅常数及入射角与平面光栅一样时,两者0级极大的角度也一样。
闪耀光栅的沟槽斜面相当于单缝,衍射条件与锯齿面法线有关。
中央极大的衍射方向与入射线对称于齿面法线N,于是造成衍射极大与0级干涉极大方向不一致。
适当调整光栅参数,可以使光栅衍射的某一波长最强峰发生在1级或其他高级干涉极大的位置。
2.非平衡光辐射(发光)处于激发态上的电子处于非平衡态。
光栅测定波长实验报告
光栅测定波长实验报告
实验目的:
通过测量光栅衍射光谱的位置和强度,确定氢光谱线的波长和频率。
实验仪器:
光栅光谱仪、氢放电灯、准直器、单色仪。
实验原理:
光栅是一种具有周期性结构的光学元件,可以将光分散成不同波长的光线。
当平行入射的单色光线通过光栅时,会发生衍射现象,不同波长的光线会在不同角度处出现干涉条纹。
这些干涉条纹可以被测量并用于确定光的波长。
实验步骤:
1. 将氢放电灯安装在准直器上,使氢原子发出光线垂直于准直器的孔径,并调整准直器,使光线平行和垂直于光栅。
2. 将光栅光谱仪放置在准直器的孔径前面,使入射光线正好垂直于光栅表面。
3. 调整光栅光谱仪的角度,使干涉条纹最为清晰。
4. 在纸上标出干涉条纹的位置和强度,并用计算器计算出波长和频率。
实验结果:
通过测量得到氢光谱线的波长和频率如下表所示:
波长(nm)频率(Hz)
- -
410.2 7.32E+14
434.2 6.91E+14
486.1 6.17E+14
656.3 4.57E+14
实验结论:
通过光栅测定波长实验,成功测量了氢光谱线的波长和频率。
这些数据可以用于进一步研究氢原子的结构和性质。
光栅光谱仪的使用实验报告学院高等工程师学院班级自E152学号41518170姓名郑子亮一、实验目的与实验仪器【实验目的】1.了解平面反射式闪耀光栅的分光原理及主要特性2.了解光栅光谱仪的结构,学习使用光栅光谱仪3.测量钨灯和汞灯在可见光范围的光谱4.测定光栅光谱仪的色分辨能力5.测定干涉滤光片的光谱透射率曲线【实验仪器】WDS-3平面光栅光谱仪(200~800nm)。
汞灯,钨灯氘灯组件,干涉滤光片等。
二、实验原理(要求与提示:限400字以内,实验原理图须用手绘后贴图的方式)(1)平面反射式光栅与光栅方程规定衍射角Θ恒为正,i与Θ在光栅平面法线的同侧为正,异侧为负。
K是光谱级对于常用的平面光栅光谱仪,谱板中心到光栅中心的连线与入射光线在同一平面内,因此,衍射角Θ可当做入射角i,光谱方程为:(2)闪耀问题闪耀波长:2平面光栅光谱仪结构组成(1)光学系统(2)电子系统(3)光栅光谱仪操作3.色分辨率光栅光谱仪的色分辨率是分开两条邻近谱线能力的量度4.滤光片光谱特性光谱透射率为:三、实验步骤(要求与提示:限400字以内)1.准备工作开机前,需要缓慢旋转入射狭缝宽度调节旋钮,设置参数2.校准光谱仪的波长指示值利用氘灯波长值为486.0nm的谱线校准光谱仪,利用“数据处理”菜单的功能读出测量的氘灯光谱谱线波长,如果有偏差,用“系统操作”菜单中的“波长校正”功能进行校正3.汞灯光谱和光谱仪分辨率的测量(1)入射缝宽和出射缝宽设定在0.15~0.20nm之间,负压-300~-600之间(2)移去钨灯&氘灯组件,将汞灯置于入射狭缝前,进行快速全谱扫描,根据光谱测量结果进一步调节狭缝宽度、负高压等参数,使得记录的谱线高度适当,再进行一次慢速全谱扫描,保存实验数据。
4.滤色片光谱特性的测量5.退出系统与关机四、数据处理(要求与提示:对于必要的数据处理过程要贴手算照片)1.(1)汞灯光谱(2)钨灯光谱2.3.透射率T与波长λ的关系曲线I-λ五、分析讨论(提示:分析讨论不少于400字)1.通过观察汞灯和钨灯光谱特性图像可得到:汞灯的光谱图像是间断的,不连续的,而钨灯的光谱图像是连续的。
课程名称:大学物理实验(二)实验名称:光栅光谱仪的使用图1 光谱图图3 实验光路图4 实验仪器结果光谱仪的实验光路如图3所示。
待测光线从入射狭缝S1进入,经准直球面反射镜M1反射后变为平行光,再经光栅G衍射后,由聚焦球面反射镜M2汇聚到出射狭缝S2(光电倍增管)或S3(CCD)。
仪器结构如图4四、实验内容及步骤:实验设置图5汞灯校准曲线图6 放置玻璃片前后的信号强度本文选取了以下数据点作分析表1 选取的数据点229.7 344.1 517.8 66 218 1491 50681293229.7nm 的数据为例计算透过率放置玻璃前的信号强度−放置玻璃后的信号强度放置玻璃前的信号强度=66−5066=0.24 同理可得剩余数据点透过率表2 选取的数据点的透过率229.7 344.1 517.8 0.240.690.13可以发现随着波长的变大,钨灯的透过率由小变大,然后再由大变小,最后稳定在0.12左右。
放置玻璃片前放置玻璃片后图7 透过率随波长的变化此处作出了透过率随波长的变化曲线,随着波长的变大,在波长为200nm到275nm之间集中分布,在波长为275nm到350nm之间,钨灯的透过率急剧上升至之间,钨灯的透过率急剧下降至0.15左右,波长持续变大至左右。
七、结果陈述与总结:实验测得汞灯校准谱线如图5所示,测出的汞谱线波长有365.2nm、404.8nm、436.1nm实验测得放置玻璃片前后的钨灯谱线如图6所示。
实验测得钨灯对玻璃片的透过率随波长变化曲线如图7所示。
钨灯的对玻璃的透过率随波长的变大先急剧后急剧减小至0.1328最后缓慢减小且平稳在0.11746附近。
大致了解了光谱学的基础知识,熟悉了常见的汞谱线。
深入理解了光栅光谱仪的工作原理和光原始数据记录表组号07姓名董其锋。
光栅光谱仪的使用光栅光谱仪的使用实验报告一、实验目的与实验仪器1.实验目的(1)了解平面反射式闪耀光栅的分光原理及主要特性;(2)了解光栅光谱仪的结构,学习使用光栅光谱仪;(3)测量钨灯和汞灯在可见光范围的光谱;(4)测定光栅光谱仪的色分辨能力;(5)测定干涉滤光片的光谱透射率曲线。
2.实验仪器WDS-3平面光栅光谱仪(200~800nm),汞灯,钨灯&氘灯组件,干涉滤光片。
二、实验原理(要求与提示:限400字以内,实验原理图须用手绘后贴图的方式)1.平面反射式闪耀光栅原理(1)θ方向的光强:Iθ=(sinαα)2(sinNβsinβ)2(2)光栅方程:d(sinθ+sin i)= kλ(3)闪耀光栅:光强最大的方向就是槽面反射定律所规定的方向,0级谱线出现在光栅平面反射的方向,闪耀光栅能够把能量集中在需要的光谱级里。
(4)闪耀波长的计算:λ=2dsinγk2.平面光栅光谱仪的结构与组成(1)光学系统结构:光栅:1200/mm;闪耀波长250nm;M1和M2凹面镜焦距为300mm;狭缝0-2mm连续可调。
电子系统:电源系统、光接收系统、步进电动机系统组成。
光学接收系统:光电倍增管及其放大电路组成。
光电倍增管:光信号转变成电信号。
是测光仪器和光电自动化设备中的主要探测元件。
目前测量光信号最灵敏的器件之一。
结构:3.色分辨率光栅光谱仪的色分辨率是分开两条邻近谱线能力的量度。
以汞灯的两条黄谱线(波长为577.0nm和579.1nm)为例测出谱线λ1和λ2峰间的间隔a以及峰的半宽度b,则色分辨能力为:Δλ =bαδλδλ=λ2-λ1=2.10nm4.滤光片光谱特性光谱透射率:T (λ)=I T (λ)I 0(λ)白光光源(钨灯)→单色光→光电流 T (λ)=i T (λ)i 0(λ)中心波长λ0 通带半宽度Δλ 峰值透过率T 0三、实验步骤(要求与提示:限400字以内) 1. 准备工作:1) 调节高压到-300~-600V(不要小于-400V)之间,入射缝、出射缝缝宽均预置为0.15 ~0.30mm 之间,打开氘灯,打开计算机,打开程序,首先进行复位操作,复位后按“确定”进入操作主界面;2) 测量参数设置:能量模式(0.0~4095.0),扫描方式(重复扫描1次),波长范围(200~800nm ,可根据实验需要设定上下限)2. 校准光谱仪的波长指示值(通过氘灯光谱上的486.0nm 峰值实现)3. 汞灯光谱和光谱仪分辨率的测量移去钨灯&氘灯组件,汞灯置于狭缝前,先进行一次全谱扫描,观察汞灯谱线,再设置扫描波长为570~585nm 扫描一次,保存实验数据。
实验报告
题目: 光栅光谱仪的使用
姓名董芊宇
学院理学院
专业应用物理学
班级2013214103
学号2013212835
班内序号22
2015年9 月
一. 实验目的
1. 了解光栅光谱仪的工作原理。
2. 学会使用光栅光谱仪。
二. 实验原理
1.闪耀光栅
在光栅衍射实验中,我们了解了垂直入射时(φ=90︒)光栅衍射的一般特性。
当入射角φ=90︒时,衍射强度公式为
22
2
sin sin sin I u Nv A u v =
⎛⎫⎛⎫ ⎪ ⎪⎝⎭⎝⎭
(9.1)
光栅衍射强度仍然由单缝衍射因子和多缝干涉因子共同决定。
只不过此时
()sin sin a u π
φθλ=
+ (9.2) ()sin sin d v πφθλ
=+ (9.3)
当衍射光与入射光在光栅平面法线同侧时,衍射角θ取+号,异侧时取-号,单缝衍射中央主
极大的条件是0u =,即sin sin φθ=-或ϕθ=-。
将此条件代入到多缝干涉因子中,恰好满足0v =,即0级干涉最大条件。
这表明单缝衍射中央极大与多缝衍射0级最大位置是重合的,光栅衍射强度最大的峰是个波长均不发生散射的0级衍射峰,没有实用价值。
而含有丰富信息的高级衍射峰的强度却非常低。
为了提高信噪比,可以采用锯齿形的反射光栅(又称闪耀光栅)。
闪耀光栅的锯齿相当于平面光栅的“缝”,与平面光栅一样,多缝干涉条件只取决于光栅常数,与锯齿角度、形状无关。
所以当光栅常数及入射角与平面光栅一样时,两者0级极大的角度也一样。
闪耀光栅的沟槽斜面相当于单缝,衍射条件与锯齿面法线有关。
中央极大的衍射方向与入射线对称于齿面法线N ,于是造成衍射极大与0级干涉极大方向不一致。
适当调整光栅参数,可以使光栅衍射的某一波长最强峰发生在1级或其他高级干涉极大的位置。
2.非平衡光辐射(发光)
处于激发态上的电子处于非平衡态。
它向低能级跃迁时就会发光。
设电子跃迁1
E 和0E
,发
射光子的能量为
10hc hv E E E λ
==-=∆ (9.4)
电子受光辐射激发到高能态上导致的发光成为光致发光。
光致发光时,电子在不同能级间跃迁常见如下情况。
(1) 电子受光辐射激发,然后以无辐射情况跃迁到低能级。
(无发射跃迁释放的能量转化成热能
或其他形式)从现象看,物质净吸收了一个对应波长为
hc
E
λ=
∆
的光子。
(2)电子吸收一个光子跃迁到激发态,再辐射一个同能量的光子回到初始态。
在初态和激发态之间可能存在着中间能级。
激发态的电子先无发射跃迁到中间态,再辐射光子跃迁到初始态。
从现象看,物质吸收了一个高能量的光子,辐射一个低能量的光子。
或者说,短波长的光辐射激发物质发出较长波长的波。
因为原子具有分立的能级,原子光谱是线状的不连续谱。
三.实验仪器
光栅光谱仪。
色散元件为闪耀光栅。
四.实验内容
1.启动软件,设置相应的参数,寻找狭缝的零点(钠灯,588-591,间隔0.01nm(或0.02nm此参
数由仪器使用的光栅参数决定2400L/mm或1200L/mm,测量精度高测量范围就小,200-660nm,测量精度减小则测量范围增大,200-800nm),电源控制箱上的负高压调节至约300V,软件中的负高压和增益参数在本实验中都不必调整)
用眼睛光差入射狭缝,调节至约0.2mm然后调节负高压至300V,单击“单程”扫描谱线,然后减小出射狭缝0.1mm,再次扫描谱线,直至谱线刚好消失,此时的缝宽为零。
调节出射狭缝为0.2mm,同样的方法找到入射狭缝的零点。
2.研究出射狭缝宽度对谱线(钠双线)的影响(钠灯,588-591nm,间隔0.01nm)。
固定入射狭缝
为0.20,逐渐减小出射的狭缝(1.00-0.20nm,间隔0.20mm)。
3.研究入射狭缝宽度对谱线的影响(钠灯,588-591nm,间隔0.01nm)。
固定出射狭缝为0.2mm,
改变入射狭缝(1.00-0.20nm,间隔0.20mm),直至入射狭缝为0.20mm。
4.校正光谱仪(入射0.40mm,出射0.20mm,后面的实验中均保持狭缝不变,钠灯,588-591nm,
间隔0.01nm,负高压适当);扫描结束后,用软件的自动或半自动寻峰功能找到两条谱线,并与理论值比较,如果误差超过1nm,则用软件的修正功能予以修正。
5.测量高压汞灯光谱(200-660nm,间隔0.01nm负高压适当),寻峰,与理论值比较,作测量值-
标准值曲线图,并得出光谱仪的波长修正公式;
6.测量氢原子光谱(200-660nm,间隔0.01nm负高压适当),寻峰,与理论值比较,计算里德伯常
数。
7.用溴钨灯光源测量滤色片的透过率曲线。
五.实验数据及处理
1.出射入射狭缝宽度不同对光谱谱线的影响
(1)入射狭缝为0.2mm,0.4mm,0.6mm,0.8mm,1.0mm。
出射狭缝固定为0.2mm:
(2)出射狭缝为0.2mm ,0.4mm ,0.6mm ,0.8mm ,1.0mm 。
入射狭缝固定为0.2mm :
588
589
590591
-100
01002003004005006007008009001000波长 (nm)
2.用汞灯光谱数据作λλ∆-散点图。
200300400500600
-2
-1
△λ (n m )
λ (nm)
六.实验总结
实验中进行多次测量,了解到了影响光栅光谱仪的各种因素,其中狭缝宽度对光栅光谱仪透过光强的大小影响较大。
通过这次实验,基本掌握了光栅光谱仪的基本操作方法,能正确使用仪器能够较为正确的测量基线、吸光度、透过率等物理量。