制动控制电路
- 格式:ppt
- 大小:2.62 MB
- 文档页数:71
制动控制电路-反接制动控制电路-能耗制动控制电路三相异步电动机从脱离电源开始,由于惯性的作用,转子要经过一段时间才能完全停止旋转,这就不能适应某些生产机械的工艺要求,出现运动部件停位不准、工作不安全等现象,也影响生产效率。
因此,应对电动机进行有效的制动,使其能迅速停车。
停车制动的方式有两大类:机械制动和电气制动。
机械制动是利用电磁抱闸等机械装置来强迫电动机迅速停车;电气制动是用电气的方法,使电动机产生一个与转子原来转动方向相反的电磁转矩来实现制动。
常用的电气制动方式有反接制动和能耗制动。
1.反接制动控制电路反接制动的原理是通过改变电动机定子绕组上三相电源的相序,使定子绕组产生反向旋转磁场,从而形成制动转矩。
反接制动时定子绕组中流过的反接制动电流相当于全压直接起动时电流的两倍,制动电流大,制动转矩大,对设备冲击也大。
因此为了减小冲击电流,通常在电动机定子电路中串入反接制动电阻,既限制了制动电流,又限制了制动转矩。
当反接制动到转子转速接近于零时,必须及时切除反相序电源,以防止反向再起动。
反接制动的特点是制动迅速、效果好、冲击大,通常仅适用于10kW以下的小容量电动机。
图1所示为使用速度继电器实现反接制动的控制电路。
图1a所示为电动机单向运转的反接制动控制电路。
电动机正常运转时,接触器KM1通电吸合,KM2线圈断电,速度继电器KS常开触点闭合,为反接制动做准备。
按下停止按钮SB1,KM1断电,电动机定子绕组脱离三相电源,电动机因惯性仍以很高速度旋转,KS常开触点仍保持闭合,将SB1按到底,使SB1常开触点闭合,KM2通电并自锁,电动机定子接反相序电源,进入反接制动状态。
电动机转速迅速下降,当电动机转速接近于零时(转速小于100r/min),KS常开触点复位,KM2断电,电动机断电,反接制动结束。
图1 反接制动控制电路图1b所示为电动机正反转运行的反接制动控制电路。
电动机正向起动时,按下正向起动按钮SB2,接触器KM1吸合并自锁,电动机正向运转;当电动机正向运转时,速度继电器KS1正向常闭触点断开,正向常开触点闭合,为制动做准备。
各种制动电路的特点及原理制动电路是指用于控制机电设备制动的电路系统。
根据不同的使用要求和控制原理,制动电路可以分为多种类型,下面将对各种制动电路的特点和原理进行详细介绍。
1. 直流电阻制动电路直流电阻制动电路是一种简单且成本较低的制动方式。
其原理是通过串联一个电阻器来消耗电动机运转时产生的反电动势,以实现制动效果。
该制动电路的特点是操作简单、结构简洁、成本较低。
但缺点是效率低,制动力有限,制动过程中产生大量的能量损失。
2. 直流电源制动电路直流电源制动电路是通过改变电动机的供电方式来实现制动的一种电路。
其原理是将电动机从电网供电转变为直流电源供电,通过电流的反向流动实现制动效果。
该制动电路的特点是制动力大,制动效果好,制动过程平稳。
但缺点是系统复杂,成本较高。
此外,由于制动时产生大量的能量会回馈到电网中,影响电网负载和电能质量。
3. 反接制动电路反接制动电路也称为动态制动电路,是通过改变电动机的接线方式来实现制动的一种电路。
其原理是将电动机的两个线端对调连接,使电动机的旋转方向逆转,从而实现制动效果。
该制动电路的特点是制动时产生的制动力大,制动效果显著。
但由于电动机反接后工作于反转状态,电动机可能会受到冲击和振动,运行平稳性差。
此外,反接制动电路也存在操作复杂和安全隐患的问题。
4. 回馈制动电路回馈制动电路是通过将电动机本身产生的反电动势回馈到制动电路中,以实现制动效果的一种电路。
其原理是通过改变电动机的输出电流和磁场,实现电动机自动制动。
该制动电路的特点是制动过程平稳、可靠,制动力可控性好。
但由于回馈制动电路需要依赖电动机本身产生的反电动势,所以只适用于那些能产生反电动势的电动机。
5. 电阻-反接复合制动电路电阻-反接复合制动电路是将直流电阻制动和反接制动结合起来的一种制动方式。
其原理是在直流电阻制动电路的基础上,增加反接制动电路,既消耗电动机自带的反电动势,又通过反接制动实现制动。
该制动电路的特点是制动力大、制动效果好,且制动过程平稳,能有效消耗电动机运行时产生的反电动势。
电动机断电后,由于惯性作用,不会马上停止转动。
这种情况对于某些生产机械是不适宜的。
往往需要在电动机断电后采取某些制动措施。
制动的方法一般有两类,一是机械制动,二是电气制动。
1、机械制动利用外部的机械作用力使电动机转子迅速停止转动的方法称作机械制动。
应用较多的机械制动装置是电磁抱闸,它采用制动闸紧紧抱住与电动机同轴的制动轮来产生机械制动力。
由于结构上的区别,这种制动又有通电制动和断电制动两种方法。
即一种方法是电磁抱闸的线圈通电时产生制动作用,另一种方法是电磁抱闸的线圈断电时产生制动作用。
电磁抱闸的线圈虽然要受电源控制才能启动制动或解除制动,但制动力的产生和解除依赖于电磁抱闸装置的弹簧等机械结构,因此称作机械制动。
上图为通电制动的电磁抱闸控制电路。
电动机通电运行时,电磁抱闸线圈YB断电,起制动作用的闸瓦和闸轮分离,不影响电动机的正常运行。
当电动机断电停止运行时,电磁抱闸的线圈YB得电,闸瓦紧紧抱住闸轮使电动机迅速停车,实现了制动。
电动机被制动停车后,电磁抱闸的线圈处于断电状态。
这时操作人员可用手动方法扳动传动轴调整工件或进行对刀操作。
具体操作与动作的顺序如下,首先合上电源开关QS,之后如果准备起动电动机,则按下起动按钮SB2,交流接触器KM1线圈通电,接触器KM1的常开辅助触点闭合自锁,同时,其主触点闭合,电动机M得电起动运转。
电动机停机制动时,按下复合按钮SB1,其常闭触点首先断开,接触器KM1的线圈断电,常开辅助触点断开,KM1的自锁解除,主触点断开,电动机M断电停机;之后SB1的常开触点迅即闭合,接触器KM2线圈得电,主触点闭合,电磁抱闸线圈YB通电,电磁抱闸的闸瓦紧紧抱住闸轮使电动机迅速停车,实现制动。
电动机制动停转后,松开复合按钮SB1,接触器KM2线圈断电,电磁抱闸线圈YB断电,抱闸松开。
上图为断电制动的电磁抱闸控制电路。
它是在电源切断时才起制动作用,机械设备在停止状态时,电磁抱闸的闸瓦紧紧抱住闸轮使电动机可靠停车。
74 汽车维护与修理 2021·09下半月1 制动信号的作用(1)制动信号输入车载电网控制单元(J519)。
控制制动灯的点亮。
(2)制动信号输入发动机控制单元(J623)。
作为喷油量、点火提前角的修正控制信号;装备一键起动和自动变速器的车辆,制动信号用来区分点火开关是处于START 挡还是其他挡,踩住制动踏板,按起动开关,此时点火开关处于START 挡,发动机起动,不踩制动踏板,连续按起动开关,点火开关在OFF 挡、ON 挡间切换;制动信号还可由发动机控制单元通过CAN 线传送给其他控制单元使用。
(3)制动信号输入自动变速器控制单元。
装备自动变速器的车辆,制动信号用来控制换挡杆锁止电磁阀的工作,正常情况下,点火开关置于ON 挡,只有踩下制动踏板且按住换挡杆上按钮,换挡杆才能移动;AT 、CVT 变速器都装有液力变矩器,当车速、自动变速器油温等满足一定条件时,液力变矩器的锁止离合器便锁止,此时液力传动变为机械传动,提高了传动效率,降低了燃油消耗,当自动变速器控制单元收到制动信号时,锁止离合器分离,防止发动机熄火。
(4)制动信号输入定速巡航系统控制单元。
当定速巡航系统控制单元接收到制动信号时,会迅速退出巡航控制状态,以保证行车安全。
(5)制动信号输入电控悬架系统控制单元。
电控悬架系统控制单元接收到制动信号时,控制弹簧刚度和减震器阻尼力,防止车辆在紧急制动时过分前倾。
(6)制动信号输入ABS 控制单元、安全气囊控制单元等。
控制相应系统正常工作。
2 速腾1.8 TSI车制动信号灯开关控制电路制动总泵及制动信号灯开关如图1所示,制动信号灯开关用螺栓固定在制动总泵铝合金壳体下方,为霍尔效应开关(也称为“霍尔传感器”)。
制动总泵活塞上安装有永久磁铁,踩下制动踏板时,永久磁铁移动到霍尔传感器的位置,霍尔元件即产生霍尔电压信号。
迈腾B7L 与B8L 车制动信号灯开关的安装位置及工作原理与速腾车相同。
2.1 线路特点速腾1.8 TSI 车制动信号灯开关电路如图2所示,制动信号灯开关上的连接器T4al 各端子功能如下。
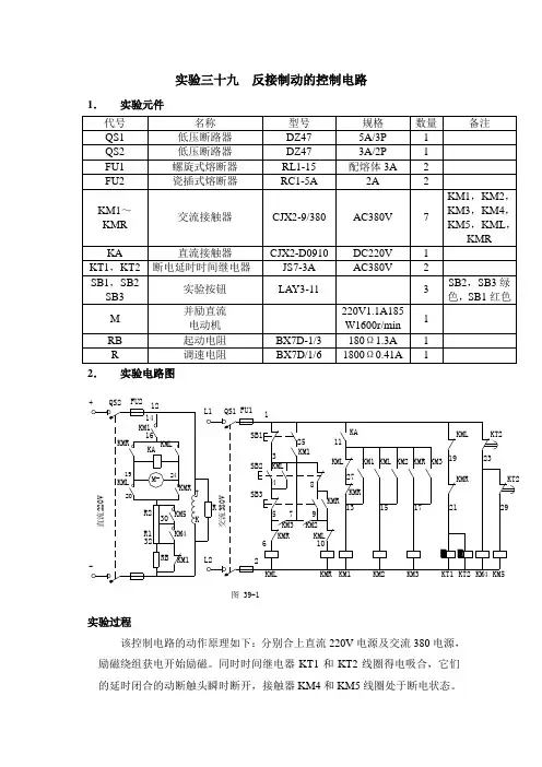
实验三十九 反接制动的控制电路1.实验元件代号 名称 型号 规格 数量 备注 QS1 低压断路器 DZ47 5A/3P 1 QS2 低压断路器 DZ47 3A/2P 1 FU1 螺旋式熔断器 RL1-15 配熔体3A2 FU2 瓷插式熔断器 RC1-5A 2A 2KM1~KMR交流接触器CJX2-9/380 AC380V 7 KM1,KM2,KM3,KM4,KM5,KML ,KMR KA 直流接触器 CJX2-D0910 DC220V 1 KT1,KT2 断电延时时间继电器 JS7-3A AC380V2SB1,SB2SB3实验按钮LAY3-113 SB2,SB3绿色,SB1红色M并励直流电动机220V1.1A185W1600r/min 1 RB 起动电阻 BX7D-1/3 180Ω1.3A 1 R 调速电阻 BX7D/1/61800Ω0.41A12.实验电路图L22M-KMR19KML24KM11614QS2+12FU1L1QS1RB KJ 1KMLR KT2KT2SB1SB325KM13457KMRKML6KM3KM2KML 10KMR KM19813KMR KML 2711KAKM1KML KM2KMR KM31517KM2KM3KT1KT2KM5KM421292319KMLKMR图 39-1KAKM4KM1SB2KML KMRFU2直流220V交流380VKMR32-20R230KM5R1实验过程该控制电路的动作原理如下:分别合上直流220V 电源及交流380电源,励磁绕组获电开始励磁。
同时时间继电器KT1和KT2线圈得电吸合,它们的延时闭合的动断触头瞬时断开,接触器KM4和KM5线圈处于断电状态。
时间继电器KT2的延时时间大于KT1的延时时间,此时电路处于准备工作状态。
按下正向按钮SB2,接触器KML线圈得电吸合,其主触头闭合,直流电动机电枢回路串入电阻R1和R2而减压起动。
它的常闭触头(1-19)断开,时间继电器KT1和KT2断电,经过一定时的延时时间后,KT1延时闭合的动断触头先闭合、然后KT2延时闭合的动断触头闭合,接触器KM4和KM5先后得电吸合,先后切除电阻R1和R2,直流电动机进入正常运行。
变频器电路中的制动控制电路一、为嘛要米用制动电路?因惯性或某种原因,导致负载电机的转速大于变频器的输出转速时,此时电机由“电动”状态进入“动电”状态,使电动机暂时变成了发电机。
一些特殊机械,如矿用提升机、卷扬机、高速电梯等,风机等当电动机减速、制动或者下放负载重物时,因机械系统的位能和势能作用,会使电动机的实际转速有可能超过变频器的给定转速,电机转子绕组中的感生电流的相位超前于感生电压,并由互感作用,使定子绕组中出现感生电流——容性电流,而变频器逆变回路两端并联的二极管和直流回路的储能电容器,恰恰提供了这一容性电流的通路。
电动机因有了容性励磁电流,进而产生励磁磁动势,电动机自励发电,向供电电源回馈能量。
这是一个电动机将机械势能转变为电能回馈回电网的过程。
此再生能量由变频器的逆变电路所并联的二极管整流,馈入变频器的直流回路,使直流回路的电压由左右上升到六、七百伏,甚至更高。
尤其在大惯性负载需减速停车的过程中,更是频繁发生。
这种急剧上升的电压,有可能对变频器主电路的储能电容和逆变模块,造成较大的电压和电流冲击甚至损坏。
因而制动单元与制动电阻(又称刹车单元和刹车电阻)常成为变频器的必备件或首选辅助件。
在小功率变频器中,制动单元往往集成于功率模块内,制动电阻也安装于机体内。
但较大功率的变频器,直接从直流回路引出、端子,由用户则根据负载运行情况选配制动单元和制动电阻。
—例维修实例:一台东元变频器,因模块炸裂送修。
检查、相模块俱已损坏,驱动电路受强电冲击也有损坏元件。
将模块和驱动电路修复后,带电机试机,运行正常。
即交付用户安装使用了。
运行约一个月时间,用户又因模块炸裂。
检查又为两相模块损坏。
这下不敢大意了,询问用户又说不大清楚。
到用户生产现场,算是弄明白了损坏的原因。
原来变频器的负载为负机,因工艺要求,运行三分钟,又需在秒内停机。
采用自由停车方式,现场做了个试验,因风机为大惯性负荷,电机完全停住需接近分钟。
授课教师:
附件
一、单选题(请将正确选项前的字母填在题后的括号内)
1、反接制动时,旋转磁场反向转动,与电动机的转动方向()。
A. 相反
B. 相同
C. 不变
D. 垂直
2、起重机电磁抱闸制动原理属于()制动。
A. 电力
B. 机械
C. 能耗
D. 反接
3、三相异步电动机反接制动的优点是()。
A.制动平稳
B.能耗较小
C.制动迅速
D.定位准确
二、判断题(正确的在其题干后的括号内打“√”,错误的打“×”)
1、反接制动由于制动时对电机产生的冲击比较大,因此应串入制动电阻,而且仅用于小功率异步电动机。
()
2、反接制动具有制动准确度高、制动力强、制动迅速等优点。
()
3、三相异步电动机的机械制动一般常采用电磁抱闸制动。
()
答案
一、单选题
1. A
2. B
3.C
二、判断题
1.√
2. ×
3.√。
三相异步电机制动控制电路三相异步电机制动控制电路是一种常用的电机控制方式,广泛应用于各种工业领域。
本文将介绍三相异步电机制动控制电路的工作原理、电路组成以及其在实际应用中的优势和局限性。
一、工作原理三相异步电机是一种常见的交流电机,其工作原理是利用电磁感应产生转矩,并通过旋转的转子实现功率输出。
当需要对电机进行制动时,通常使用电阻制动或反电动势制动的方法。
而三相异步电机制动控制电路则是一种通过控制电路来实现制动的方式。
二、电路组成三相异步电机制动控制电路由电源、开关、控制器和电阻组成。
其中,电源为电机提供工作电压;开关用于控制电机的启动和停止;控制器通过电信号控制开关的闭合和断开;电阻则用于消耗电机产生的反电动势,从而实现制动功能。
三、工作过程三相异步电机制动控制电路的工作过程如下:1. 控制器接收到制动指令后,发送信号给开关。
2. 开关闭合,电源的电压被输入到电机的定子上,电机开始运行。
3. 电机运行时产生反电动势,反电动势会使电流减小。
4. 开关断开,电机断开电源供电,同时电阻接入电机电路。
5. 电阻消耗电机产生的反电动势,减慢电机转速,实现制动效果。
6. 当电机停止转动后,开关断开,电阻与电机断开连接。
四、优势和局限性三相异步电机制动控制电路具有以下优势:1. 控制精度高:通过控制器可以精确控制电机的启动和停止时间,实现精确的制动效果。
2. 制动效果好:电阻消耗电机产生的反电动势,能够迅速减速并停止电机转动。
3. 成本低:相比其他制动方式,三相异步电机制动控制电路的成本相对较低,适用于大规模应用。
然而,三相异步电机制动控制电路也存在一些局限性:1. 能量消耗大:电阻制动会产生大量的热量,能量消耗较大。
2. 制动时间长:由于电阻消耗能量的限制,制动时间相对较长。
3. 对电机损伤大:长时间的电阻制动会对电机产生较大的热量,可能会对电机造成损伤。
三相异步电机制动控制电路是一种常用的电机控制方式,通过控制电路实现对电机的制动。
电磁离合(制动)器控制电路电磁离合(制动)器线圈供电均为直流电源,其容量应大于相应规格离合(制动)器线圈消耗的功率(PH),并保证离合(制动)器线圈两端的工作电压为相应规格的额定电压UH。
当无法从电网获取电能时,可用蓄电池组作为离合(制动)器的供电电源。
<一> 基本控制电路1、离合(制动)器控制电路(图1)及离合制动器总成控制电路(图2)B-变压器Z-整流器K、K1、K2-转换开关、按钮或接触器触点DL-离合器线圈DZ-制动器线圈RO-电阻D-二极管电阻Ro与二极管Do是用来保护励磁线圈的,即在断电时感应过电压不致击穿线圈绝缘而设置的。
电阻Ro的取值一般为离合(制动)器线圈电阻值(R=UH 2/PH)的(4~10)倍,二极管Do为离合(制动)器线圈励磁电流(I=PH /UH)的(0.5~1)倍,反向电压在200V以上。
2、失电制动器基本控制电路(图3)Rf-分压电阻C-电容J.J1~J5-接触器触点D1~D5整流二极管RX-限流电阻B-变压器Do-二极管Ro-电阻电阻Ro值一般取制动器线圈电阻(R=UH2/PH)的(4~10)倍,二极管Do为制动器线圈励磁电流(I=PH/UH)的(0.5~1)倍,反向电压在300V以上。
如果制动器线圈额定电压不等于99V(或170V),可以采用变压器通过整流达到所需的电压值。
也可参照图1的控制方式。
<二> 特殊控制电路1、电磁离合(制动)器在使用时,要求接通时间短,就必须对电磁离合(制动)器励磁线圈采用快速励磁电路(图4),以提高电流的上升速度。
Rf-分压电阻C-电容J.J1~J5-接触器触点D1~D5整流二极管R X -限流电阻B-变压器Do-二极管Ro-电阻图4(a )、(b )、(c )三种控制方式,在回路中均串入了电阻Rf ,减小了回路时间常数τ值。
从而缩短了离合(制动)器的接通时间。
电源电压U 一般取(2~4)倍的离合(制动)器额定电压UH 值或更高,视接通时间的要求来决定。