外壳防护等级:
- 格式:doc
- 大小:66.00 KB
- 文档页数:4
外壳防护等级为IP31,可防止小颗粒进入外壳,Du可同时防止水滴落入外壳,无任何冲击。
外壳防护等级为IP55,可防止有害粉尘的积聚,并支持清洗,无任何危害。
外壳IP代码根据产品的防尘、防异物、防水、防潮等特性对产品进行分类。
不要用工具、手指或其他异物接触灯泡的带电部分,以免触电。
它通常由两个数字组成。
第一个数字表示产品对灰尘和异物的防护等级,第二个数字表示产品防潮和防水的密封程度。
数字越大,保护级别越高。
扩展数据防水层0:无保护1:水滴进入外壳没有影响2:当外壳倾斜15度时,外壳上的水滴没有影响3:从60度角到机柜,不受水或雨水影响4:当液体从任何方向注入外壳时,不会产生有害影响5:用水冲洗是无害的6:可在客舱环境中使用7:可短时间(1米)浸泡8:在一定压力下长时间浸入水中。
外壳IP代码根据产品的防尘、防异物、防水、防潮等特性对产品进行分类。
不要让包括工具和人的手指在内的异物接触灯泡的带电部件,以免触电。
它通常由两个数字组成。
第一个数字表示产品对灰尘和异物的防护等级,第二个数字表示产品防潮和防水的密封程度。
数字越大,保护级别越高。
例如,显示机箱的防护等级(IP代码),如ipxx,粉尘等级(前X表示)0:无保护1:防止大量固体侵入2:防止中等大小固体的侵入3:防止小固体进入和侵入4:防止超过1毫米的固体进入5:防止有害粉尘积聚6:完全防止灰尘进入防水等级(第二个X表示)0:无保护1:水滴进入外壳没有影响2:当外壳倾斜15度时,外壳上的水滴没有影响3:从60度角到机柜,不受水或雨水影响4:当液体从任何方向注入外壳时,不会产生有害影响5:用水冲洗是无害的6:可在客舱环境中使用7:可短时间(1米)浸泡8:在一定压力下长时间浸泡在水中壳牌公司IP编码标准如下:1)IEC起草的国际防护和防水试验标准:IEC 529-598;2)GB 700-86;3)GB 4208等。
IP代码实验室:可进行IP级测试的实验室主要有苏州电气设备研究院、环境可靠性与电磁兼容测试中心、航天环境可靠性测试测试中心。
外壳防护等级及检测要求一、防尘等级防尘等级是指外壳对灰尘的防护能力,通常用字母“IP”后跟两个数字表示,例如IP5X表示防尘等级为5。
数字越高,防尘能力越强。
二、防水等级防水等级是指外壳对水的防护能力,通常用字母“IP”后跟两个数字表示,例如IPX4表示防水等级为4。
数字越高,防水能力越强。
三、防震等级防震等级是指外壳对机械振动的防护能力,通常用字母“IP”后跟一个字母表示,例如IP4表示防震等级为4。
字母越高,防震能力越强。
四、防腐蚀等级防腐蚀等级是指外壳对化学腐蚀的防护能力,通常用字母“IP”后跟一个字母表示,例如IP6表示防腐蚀等级为6。
字母越高,防腐蚀能力越强。
五、防爆等级防爆等级是指外壳对爆炸的防护能力,通常用字母“IP”后跟一个数字表示,例如IP6表示防爆等级为6。
数字越高,防爆能力越强。
六、检测环境条件检测外壳防护等级的环境条件应符合相关标准要求,包括温度、湿度、气压、光照等。
具体要求根据不同的防护等级和检测项目而定。
七、检测方法外壳防护等级的检测方法通常包括以下几种:1.直接观察法:通过肉眼或使用放大镜观察外壳表面是否有损伤、污垢、腐蚀等现象。
2.接触法:使用手套或指套接触外壳表面,检查是否有湿润、沾污等现象。
3.淋水法:对外壳表面淋水,检查是否有渗漏现象。
4.喷水法:使用喷枪对外壳表面喷水,检查是否有水珠附着现象。
5.防尘防潮试验法:将外壳放入防尘防潮试验箱中进行试验,检查其防尘防潮性能。
6.防震试验法:通过振动台对外壳施加振动,检查其防震性能。
7.耐腐蚀试验法:将外壳放入腐蚀性环境中进行试验,检查其耐腐蚀性能。
8.防爆试验法:根据相关标准对外壳进行爆炸试验,检查其防爆性能。
八、检测周期外壳防护等级的检测周期应根据具体使用环境和要求而定,一般建议至少每年进行一次检测。
对于恶劣环境或重要设备的外壳,应适当缩短检测周期。
九、检测设备外壳防护等级的检测需要使用专业的检测设备,包括各种观察仪器、试验箱、振动台等。
外壳防护等级国际标准
外壳防护等级是指电气设备对外部环境的防护能力,通常采用国际标准IEC 60529(GB/T 4208-2017)进行分类和命名。
该标准将外壳防护等级分为七个等级,分别为:
1.等级0:无防护(No protection);
2.等级1:防止直径大于50mm的物体进入(Dust protected);
3.等级2:防止直径大于12mm的物体进入(Protected against harmful ingress of water);
4.等级3:防止水滴进入,垂直滴水(Spray protected);
5.等级4:防止飞溅水进入(Splash protected);
6.等级5:防止低压喷水进入(Water jets protected);
7.等级6:防止高压喷水进入(Immersed in water)。
每个等级都有相应的测试要求和标准,以确保设备具有足够的防护能力。
在实际应用中,需要根据使用环境和设备的特点选择适合的防护等级。
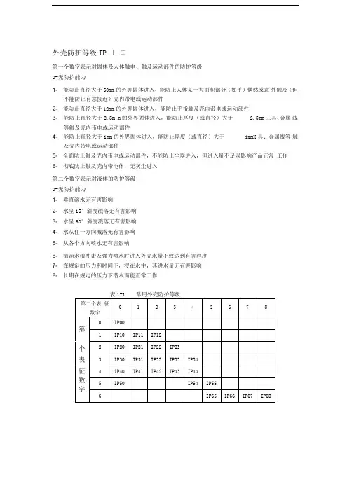
外壳防护等级IP- □口
第一个数字表示对固体及人体触电、触及运动部件的防护等级
0-无防护能力
1- 能防止直径大于50mm的外界固体进入,能防止人体某一大面积部分(如手)偶然或意外触及(但不能防止有意接近)壳内带电或运动部件
2- 能防止直径大于12mm的外界固体进入,能防止手指触及壳内带电或运动部件
3- 能防止直径大于2.5m m的外界固体进入,能防止厚度(或直径)大于 2.5mm工具、金属线等触及壳内带电或运动部件
4- 能防止直径大于1mm的外界固体进入,能防止厚度(或直径)大于1mmX具、金属线等触及壳内带电或运动部件
5- 全面防止触及壳内带电或运动部件,不能防止尘埃进入,但进入量不足以影响产品正常工作
6- 彻底防止触及壳内带电体,无灰尘进入
第二个数字表示对液体的防护等级
0-无防护能力
1- 垂直滴水无有害影响
2- 水呈15°斜度溅落无有害影响
3- 水呈60°斜度溅落无有害影响
4- 水从任一方向溅落无有害影响
5- 从各个方向喷水无有害影响
6- 汹涌水浪冲击及强力喷水时进入外壳水量不致达到有害程度
7- 在规定的压力和时间下,浸在水中,其进水量无有害影响
8- 长期在规定的压力下潜水而能正常工作。
外壳防护等级标准
外壳防护等级标准是一种用于评估电子设备或设施的外壳在防护方面的能力的标准。
这些标准被称为国际电工委员会(IEC)的IEC 60529标准,也被称为国际保护分类(Ingress Protection,IP)等级。
IP等级由两个数字组成,第一个数字表示对固体物体的保护
等级,第二个数字表示对液体物体的保护等级。
每个数字都有特定的含义:
- 第一个数字(对固体物体的保护等级):
- 0:无保护
- 1:对大于50mm的固体物体有保护
- 2:对大于12.5mm的固体物体有保护
- 3:对大于2.5mm的固体物体有保护
- 4:对大于1mm的固体物体有保护
- 5:对尘土有保护,不完全进入
- 6:对尘土完全防护
- 第二个数字(对液体物体的保护等级):
- 0:无保护
- 1:对垂直滴落的液体有保护
- 2:对倾斜滴落的液体有保护(15°以内)
- 3:对喷溅的液体有保护
- 4:对喷射的液体有保护
- 5:对喷射的水有保护
- 6:对强冲水有保护
- 7:在短暂的浸入条件下有保护
- 8:在持续的浸入条件下有保护
例如,IP68表示对固体物体完全防护,对持续的浸入条件下有保护。
这是最高等级的防护等级。
这些防护等级标准对于确定设备是否能够在特定环境中安全运行非常重要,例如在户外环境中,需要防护设备免受尘土、液体和恶劣天气条件的影响。
外壳防护等级外壳防护等级(IP代码)是将产品依其防尘、防止外物侵入、防水、防湿气之特性加以分级。
这里所指的外物包含工具、人的手指等均不可接触到灯具内之带电部分,以免触电。
它一般是由两个数字所组成,第一个数字表示产品防尘、防止外物侵入的等级;第二个数字表示产品防湿气、防水侵入的密闭程度。
数字越大,表示其防护等级越高。
如:外壳防护等级(IP代码)示例如:IPXX,防尘等级(第一个X表示)0:没有保护1:防止大的固体侵入2:防止中等大小的固体侵入3:防止小固体进入侵入4:防止物体大于1mm的固体进入5:防止有害的粉尘堆积6:完全防止粉尘进入防水等级(第二个X表示)1:水滴滴入到外壳无影响2:当外壳倾斜到15度时,水滴滴入到外壳无影响3:水或雨水从60度角落到外壳上无影响4:液体由任何方向泼到外壳没有伤害影响5:用水冲洗无任何伤害6:可用于船舱内的环境7:可于短时间内耐浸水(1m)8:于一定压力下长时间浸水外壳防护等级(IP代码)的标准有:1)由IEC(INTERNATIONAL ELECTROTECHNICAL COMMISSION)所起草国际防护和防水试验标准:国际电工委员会标准IEC 529 –598;2)国标GB 700–86;3)GB 4208等。
外壳防护等级(IP代码)实验室:目前能进行IP等级试验的实验室主要有苏州电器科学研究所、环境可靠性与电磁兼容试验中心,航天环境可靠性试验与检测中心等。
中华人民共和国国家标准低压电器外壳防护等级Degrees of protecion provided byenolsures for low-voltage apparatusGB/T 4942.2-93代替GB4942.2-85本标准效采用国际标准IEC 947-1(1988)《低压开关设备和控制设备一般规则》,并参照采用IEC 529(1989)《外壳防护等级》等标准中有关低压电器的外壳防护等级的规定和要求。
外壳防护等级(IP)仪表外壳防护等级(IP)代码(BS EN60529;1992),由字母IP 和后续的两位特征数字表示。
例:IP65 即要求具有尘密及对喷水的外壳防护功能附加数字:防机械冲击第三位特征数字(至EN标准中不包括),适合在某些欧洲国家中通用(参阅法国标准NF C20-010):IP 外壳防护等级"接近等于NEMA 防护等级:IP codesDegrees of Protection Provided by EnclosuresThis standard describes a system for classifying the degrees of protection provided by the enclosures of electrical equipment. Developed by the European Committee for Electrotechnical Standardization (CENELEC), these standards are designed to numerically rate an electrical product on the level of protection its enclosure provides. By assigning different number codes, the product's degree of protection can be identified quickly and easily. In the code IP 54, for example, IP identifies this standard, the 5 describes the level of protection from solid objects, and 4 describes the level of protection from liquids.Second Characteristic Numeral DEGREE OF PROTECTION (Second Number in Code)Brief DescriptionDefinition0 Not protected __1 Protected against vertically falling water drops.Vertically falling drops shall have no harmful effects.2Protected against vertically falling water drops when enclosure is titled up to 15 °.Vertically falling drops have no harmful effects when the enclosure is tilted at any angle up to 15° on either side of the vertical. 3 Protected against spraying water. Water sprayed at an angle up to 60° degrees on either side of the vertical shall have no harmful effects. 4 Protected against splashing water.Water splashed against the enclosure from any direction shall have no harmful effects. 5 Protected against water jets. Water projected in jets against the enclosure from any directionshall have no harmful effects.6 Protected against powerful water jets.Water projected in powerful jets against the enclosure from any direction shall have no harmful effects.7Protected against the effects of temporary immersion in water.Ingress of water in quantities causing harmful effects shall not be possible when the enclosure is temporarily immersed 1 meter in water under standardized conditions of pressure and time.8Protected against the effects of continuous immersion in water.Ingress of water in quantities causing harmful effects shall not be possible when the enclosure is continuously immersed in water under conditions which shall be agreed between manufacturer and the user, but are more severe than for number 7.International Protection (IP) RatingsThe IP rating system classifies the degree of protection from solid objects and liquids afforded by electrical equipment and enclosures. Recognized in most European countries and meets a number of British and European standards, this rating system includes: Classification of Degrees of Protection Provided by Enclosures, BS (British Standards) 5490:1977; IEC (International Electrotechnical Commission) 529:1976.Specifications for Degrees of Protection of Enclosures of Switchgear and Control Gear for voltages up to and including 1000 VAC and 1200 VDC, BS 5420:1977; and IEC 144:1963.First NumberProtection against solid objectsSecond Number Protection against liquids0 no protection1 protected against solid objects up to 50 mm (e.g. accidental touch by hands)2 protected against solid objects up to 12 mm (e.g. fingers)3 protected against solid objects over 2.5 mm (e.g. tools and wires)4 protected against solid objects over 1 mm (e.g. tools and small wires)5 protected against dust-limited to ingress (no harmful deposits)6 totally protected against dust 0 no protection1 protected against vertically falling drops of water (e.g. condensation)2 protected against vertically falling drops of water up to 15° from the vertical4 protected against water sprayed from all directions limited ingress permitted6 protected against strong jets of water—limited ingress permitted (e.g. for use on ship decks)7 protected against the effects of temporary immersion between 15 cm and 1 mNEMA/IEC Enclosure RatingsNEMA/IEC Enclosure Ratings Conversion of NEMA type classifications to IEC classification designation (IP ratings). Note: NEMA standards meet or exceed IEC standards; therefore, the conversion does not work in the opposite direction.NEMAenclosure type no.NEMA definitionIECenclosureclass1General-purpose. Protects against dust, light, and indirect splashing but is not dust-tight; primarily prevents contact withlive parts; used indoors and under normal atmospheric conditions.IP102Drip-tight. Similar to Type 1 but with addition of drip shields;used where condensation may be severe (as in coolingrooms and laundries).IP113 and 3S Weather-resistant. Protects against weather hazards such asrain and sleet; used outdoors on ship docks, in constructionwork, and in tunnels and subways.IP543R Intended for outdoor use. Provides a degree of protectionagainst falling rain and ice formation. Meets rod entry, rain, external icing, and rust-resistance design tests.IP144 and 4X Watertight (weatherproof). Must exclude at least 65 GPM ofwater from 1-in. nozzle delivered from a distance not lessthan 10 ft for 5 min. Used outdoors on ship docks, in dairies,and in breweries.IP565Dust-tight. Provided with gaskets or equivalent to excludedust; used in steel mills and cement plants.IP526 and 6P Submersible. Design depends on specified conditions of pressure and time; submersible in water; used in quarries, mines, and manholes.IP677Hazardous. For indoor use in Class I, Groups A, B, C, and D environments as defined in the NEC.—8Hazardous. For indoor and outdoor use in locations classified as Class I, Groups A, B, C, and D as defined in the NEC.—9Hazardous. For indoor and outdoor use in locations classified as Class II, Groups E, F, or G as defined in the NEC.—10MSHA. Meets the requirements of the Mine Safety and Health Administration, 30 CFR Part 18 (1978).—11General-purpose. Protects against the corrosive effects of liquids and gases. Meets drip and corrosion-resistance tests.—13General-purpose. Primarily used to provide protectionagainst dust, spraying of water, oil, and noncorrosive coolants. Meets oil exclusion and rust resistance designtests.IP54National Electric Code (NEC) RatingsHazardous Classifications:Class I: Areas in which flammable gases of vapors may be present in the air in sufficient quantities to be explosive.Group A: Atmospheres containing acetyleneGroup B: Atmospheres such as butadiene, ethylene oxide,propylene oxide, acrolein, or hydrogen (or gases or vaporsequivalent in hazard to hydrogen, such as manufactured gas)Group C: Atmospheres such as cyclopropane, ethyl ether,ethylene, or gas or vapors of equivalent hazardGroup D: Atmospheres such as acetone, alcohol, ammonia,benzene, benzol, butane, gasoline, hexane, lacquer solventvapors, naphtha, natural gas, propane, or gas or vapors ofequivalent hazardCLASS II: Areas made hazardous by the presence of combustible dustGroup E: Atmospheres containing combustible1.metal dusts, regardless of resistivity2.dust of similarly hazardous characteristics having a resistivity lessthan 100 k½-cm3.electrically conductive dustsGroup F: Atmospheres containing combustible1.carbon black, charcoal, or coke dusts having more than 8% totalvolatile material2.dusts so sensitized that they present an explosion hazard, and dustshaving a resistivity greater than 100 ½-cm but less than or equal to1 x 108 ½-cmGroup G: Atmospheres containing combustible1.dust having resistivity equal to or greater than 100 k½-cm2.electrically nonconductive dustsCLASS III: Areas made hazardous by the presence of easily ignitable fibers or dust, but which are not likely to be in suspension in the air in quantities that are sufficient to igniteDivision 1: Atmospheres where hazardous concentrations existcontinuously, intermittently, or periodically under normaloperating conditionsDivision 2: Atmospheres where hazardous concentrations existonly in case of accidental rupture or breakdown of equipmentExplosion-proof: Enclosures or housings are designed to withstand internal explosions and prevent the spread of fire to the outside.Intrinsically-safe: Systems designed in which electrical energy in the circuits is not present at levels that would ignite a flammable mixture of a gas and air.The IP Code SymbolsThe chart at the right illustrates the use of special symbols in the IP classification system. In the "1st digit" column, not the grid-like symbols net to numbers 5 and 6. In the "2nd digit" column numbers 3-8 are symbolised by teardrop shaped symbols, sometimes enclosed in a box or a triangle, sometimes unenclosed (#7-8). These symbols can be placed on equipment to illustrate the IP protection provided.。
外壳防护等级(IP代码)GB 4208—93国家技术监督局1993—12—28批准1994—08—01实施本标准等效采用IEC 529(1989)《外壳防护等级(IP代码)》。
1 适用范围本标准适用于额定电压不超过72。
5kV,借助外壳防护的电气设备的防护分级。
2 目的本标准的目的如下:a.规定电气设备下述内容的外壳防护等级:1)防止人体接近壳内危险部件;2)防止固体异物进入壳内设备;3)防止由于水进入壳内对设备造成有害影响;b.防护等级的标示;c.各防护等级的要求;d.按本标准的要求对外壳作验证试验。
各类产品引用外壳防护等级的程度和方式,以及采用何种外壳,留待产品标准决定,对具体的防护等级所采用的试验应符合本标准的规定,必要时,在有关产品标准中可增加补充要求。
可在有关产品标准中作具体规定的细则见附录B。
对特殊型式的设备,产品标准可以规定不同的要求,但至少要保证相同的安全水平。
本标准仅考虑在各方面都符合有关产品标准规定的外壳,在正常使用条件下,外壳的材料和工艺应保证达到所要求的防护等级。
如果某类设备满足试验一般要求而且所选择的防护等级适用于该设备型式,则本标准也适用于该型式设备的空外壳. 有关机械损坏、锈蚀、腐蚀性溶剂、霉菌、虫害、太阳辐射、结冰、潮湿(如凝露引起的)、爆炸性气体等外部影响或环境条件对外壳和壳内设备破坏的防护措施以及防止与外壳外部(如风扇)危险运动部件的接触由有关产品标准规定。
不与外壳连接的隔板以及专门为人身安全设置的阻挡物,不看作外壳的一部分。
3 术语3.1 外壳enclosure能防止设备受到某些外部影响并在各个方向防止直接接触的设备部件。
注:防止或限制本标准规定的试具进入的隔板、形成孔洞或其它开口的部件,不论它是附在外壳上的还是包覆设备的,都算作外壳的一部分,不使用钥匙或工具就能移除的部件除外。
3.2 直接接触direct contact人或家畜与带电部分的接触。
3.3 防护等级degree of protection按标准规定的检验方法,外壳对接近危险部件、防止固体异物进入或水进入所提供的保护程度。
用电设备的环境条件和外壳防护等级1. 用电环境类型工作环境或生产厂房可按多种方式分类。
根据电击的危急程度,用电环境分为三类:无较大危急的环境、有较大危急的环境和特殊危急的环境。
(1)无较大危急的环境。
正常状况下有绝缘地板、没有接地导体或接地导体很少的干燥、无尘环境,属于无较大危急的环境。
(2)有较大危急的环境。
下列环境均属于有较大危急的环境:①空气相对湿度常常超过75%的潮湿环境;②环境温度常常或昼夜间周期性地超过35℃的酷热环境;③生产过程中排出工艺性导电粉尘(如煤尘、金属尘等)并沉积在导体上或进入机器、仪器内的环境;④ 有金属、泥土、钢筋混凝土、砖等导电性地板或地面的环境;⑤ 工作人员同时接触接地的金属构架、金属结构等,又接触电气设备金属壳体的环境(3) 特殊危急的环境。
下列环境均属于特殊危急的环境:①室内天花板、墙壁、地板等各种物体都潮湿,空气相对湿度接近100% 的特殊潮湿的环境;②室内常常或长时间存在腐蚀性蒸气、气体、液体等化学活性介质或有机介质的环境;③具有两种及两种以上有较大危急环境特征的环境。
2. 电气设备外壳防护等级电机和低压电器的外壳防护包括两种防护: 第一种防护是对固体异物进入内部的防护以及对人体触及内部带电部分或运动部分的防护;其次种防护是对水进入内部的防护。
依据GB4208-84 标准,外壳防护等级按如下方法标志:第一位数字表示第一种防护型式等级;其次位数字表示其次种防护型式等级。
仅考虑一种防护时,另一位数字用“×”代替。
前附加字母是电机产品的附加字母,W表示气候防护式电机,R表示管道通风式电机;后附加字母也是电机产品的附加字母,S表示在静止状态下进行其次种防护型式试验的电机,M表示在运转状态下进行其次种防护型式试验的电机。
如无需特殊说明,附加字母可以省略3.单相电气设备防触电分类根据防止触电的爱护方式,单相电气设备分为以下五类:(1)0级电器。
这种电器仅仅依靠基本绝缘来防止触电。
外壳的防护等级为IP31,这意味着它可以防止小固体进入外壳,并且Du可以同时保持水滴落入外壳,而不会产生任何影响。
外壳的防护等级为IP55,可防止有害粉尘的积聚,并支持水洗而无任何伤害。
外壳的IP代码根据其防尘,防异物,防水和防潮的特性对产品进行分类。
请勿使用工具,手指等异物接触灯泡中带电的部件,以免触电。
它通常由两个数字组成,第一个数字代表产品防尘和防异物侵入的等级,第二个数字代表产品对湿气和水侵入的气密程度。
数字越大,保护级别越高。
扩展数据防水等级0:无保护1:水滴到外壳中没有任何作用2:当外壳倾斜15度时,水滴落到外壳中没有任何作用3:从60度角到机柜没有水或雨水的影响4:从任何方向将液体倒入外壳时,没有有害作用5:用水冲洗无害6:可在机舱环境中使用7:可以在水中短时间(1m)浸泡8:在一定压力下长时间浸入水中。
外壳的IP代码根据其防尘,防异物,防水和防潮的特性对产品进行分类。
请勿使包括工具和人的手指在内的异物接触灯泡中的带电部件,以免触电。
它通常由两个数字组成,第一个数字代表产品防尘和防异物侵入的等级,第二个数字代表产品对湿气和水侵入的气密程度。
数字越大,保护级别越高。
例如,显示了机箱的防护等级(IP代码),例如ipxx,灰尘等级(第一个X表示)0:无保护1:防止大量固体侵入2:防止中型固体侵入3:防止小固体进入和侵入4:防止大于1毫米的固体进入5:防止有害的灰尘堆积6:完全防止灰尘进入防水等级(第二个X表示)0:无保护1:水滴到外壳中没有任何作用2:当外壳倾斜15度时,水滴落到外壳中没有任何作用3:从60度角到机柜没有水或雨水的影响4:从任何方向将液体倒入外壳时,没有有害作用5:用水冲洗无害6:可在机舱环境中使用7:可以在水中短时间(1m)浸泡8:在一定压力下长时间浸泡在水中外壳的IP代码标准如下:1)IEC起草的国际保护和防水测试标准:IEC 529-598;2)GB 700-86;3)GB 4208等IP代码实验室:可以进行IP等级测试的实验室主要包括苏州电气设备研究所,环境可靠性和电磁兼容性测试中心,航空航天环境可靠性测试检测中心等。
粉尘区域设备外壳防护等级
在粉尘区域,设备外壳的防护等级需要根据具体的使用条件和粉尘特性来确定。
一般来说,粉尘区域设备的外壳防护等级应满足以下要求:
1. 防尘等级:对于任何类型的粉尘,设备外壳应具有足够的防尘能力,以防止粉尘进入设备内部。
根据不同的防尘等级要求,设备外壳的防护等级可以分为IP2X、IP3X、IP4X、IP5X和IP6X等不同等级。
其中,IP6X等级的设备外壳具有完全防止粉尘进入的能力,是最高等级的防尘要求。
2. 防水等级:在粉尘区域中,设备可能会受到水汽或水滴的影响,因此设备外壳的防水等级也是需要考虑的因素。
根据不同的防水等级要求,设备外壳的防水等级可以分为IPX4、IPX5、IPX6等不同等级。
在确定粉尘区域设备外壳防护等级时,需要考虑粉尘的特性,例如粉尘的粒径、密度、硬度等,以及粉尘的浓度和湿度等因素。
此外,还需要考虑设备的使用条件和安装环境,例如设备的运行温度、振动情况、安装高度和位置等。
综合这些因素来确定设备外壳的防护等级,以确保设备的可靠性和使用寿命。
外壳防护等级:
外壳防护等级(IP代码)(GB4208-93、IEC529-1989,选编)所谓外壳防护等级,是指电气设备(额定电压《=72.5KV》的外壳,对下述内容的防护能力:
1.防止人体接近壳内危险部件,
2.防止固体异物进入壳内设备
3.防止由于水进入壳体对设备造成有害影响。
IP代码由代码字母IP(国际防护International Protection),第一位特征数字、第二为特征数字、附加字母、补充字母组成。
不要求规定特征数字时,该处由字母“X”代替。
附加字母及补充字母可省略,不需代替。
1. 防爆电气设备的类别,级别与温度组别
1.1, 爆炸性气体环境危险区域的划分
0 区:连续出现或长期出现爆炸性气体混合物的环境。
1 区:在正常运行时可能出现爆炸性气体混合物的环境。
2 区:在正常运行时不可能出现爆炸性气体混合物的环境或即使出现也仅是短时存在的爆炸性气体混合物的环境。
0 区一般只存在于密封的容器,贮罐等内部气体空间,在实际设计过程中 1 区也很少存在,大多数情况属于 2 区。
1.2 ,防爆电器设备分为二类:
I 类煤矿井下用电气设备
II 类除矿井以外的场合使用的电气设备
1.3,II 类电气设备,按其适用于爆炸性气体混合物最大试验安全间隙或最小点燃电流比,分为 IIA , IIB , IIC 三类;并按其最高表面温度分为 T1-T6 六组。
1.4, 爆炸性气体混合物按引燃温度分组,见表 1 。
1.5, 爆炸性气体混合物,按其最大试验安全间隙( MESG )或最小点燃电流比( MICR )分级,见表 2 。
表 2
表 1
2. 名词述语
2.1, 隔爆型电气设备
具有能承受内部爆炸性气体混合物的爆炸压力,并阻止内部的爆炸向外壳周围爆炸性混合物传播的电气设备外壳的电气设备,其标志为“ d ”。
2.2, 增安型电气设备
在正常运行条件下不会产生电弧,火花或可能点燃爆炸性混合物的高温,结构上采取措施提高安全裕度,以避免在正常和认可的过载条件下出现电弧,火花或高湿电气设备,其标志为“ e ”。
并能
不足以引
3. 防爆原理
电气设备引爆可燃性气体混合物有两方面原因:一个是电气设备产生的火花,电弧,另一个是电气设备表面(即与可燃性气体混合物相接触的表面)发热。
对于设备在正常运行时能产生电弧,火花的部件放在隔爆外壳内,或采取浇封型,充砂型,充油型或正压型等其他防爆型式就可达到防爆目的。
而对于增安型电气设备是对在正常运行时不会产生电弧,火花和危险高温的设备,如果在其结构上再采取一些保护措施,尽力使设备在正常运行或认可的过载条件下不会产生电弧,火花和过热现象,就可进一步提高设备的安全性和可靠性。
因此这种设备在正常运行时就没有引爆源,而可用于爆炸危险环境。
4 .粉尘防爆电气设备的类别,温度组别
4.1 粉尘的温度组别
粉尘按其点燃温度分 3 组,如表 3 。
表 3
4.2 粉尘防爆电气设备外壳的分类
粉尘防爆电气设备外壳按其限制粉尘进入设备的能力分两类。
尘密外壳:外壳防护等级为 IP6X ,标志为 DT 。
防尘外壳:外壳防护等级为 IP5X ,标志为 DP 。
5 .粉尘防爆电气设备
按规定条件设计制造,使其外壳能阻止可燃粉尘进入或进入量不会防碍设备安全运行,内部堆积的粉尘也不易产生点燃,从而保证使用时不会引起周围爆炸性混合物爆炸的电气设备。
6 .防爆标志举例
6.1 如电气设备为 IIB 类隔爆型 T3 组,标志为 Exe II BT3.
6.2 如电气设备为 II 类增安型,温度组别为 T2 组,标志为 Exe II2.
6.3 如电气设备采用一种以上的复合型式,则先标出主体防爆型式,后标出其它防爆型式,如主体采用增安型内装 IIC 类隔爆部件,温度组别为 T4 ,标志为 Exed II CT4.
6.4 如电气设备为粉尘防爆防尘型 T11 组。
标志为: DIPDPT11 。
7 .引入装置通径对应见表 4
表 4。