防护等级IP65
- 格式:pdf
- 大小:68.14 KB
- 文档页数:3
防护等级
什么是IP(防护等级)?
IP(International Protection)防护等级系统是由IEC(International Electro Technical Commission)所起草。
将灯具依其防尘、防止外物侵入、防水、防湿气之特性加以分级。
这里所指的外物包含工具、人的手指等均不可接触到灯具内之带电部分,以免触电。
IP防护等级是由两个数字所组成,第一个数字表示灯具防尘、防止外物侵入的等级;第二个数字表示灯具防湿气、防水侵入的密闭程度。
数字越大,表示其防护等级越高,两个标示数字所表示的防护等级如表一及表二。
表一:第一个标示特性号码(数字)所指的防护程度
表二:第二个标示特性号码(数字)所指的防护程度。
防护等级 IP65是什么意思?
IP防护等级是电气设备安全防护的重要评判标准,IP防护等级系统提供了一个以电器设备和包装的防尘、防水和防碰撞程度为标准来对产品进行分类的方法,这套系统得到了多数欧洲国家的认可,由国际电工协会IEC(International Electro Technical Commission)起草,并在IED529(BS EN 60529:1992)外包装防护等级(IP code)中宣布。
IP防护等级其特点是数字越大表示其防护等级越高。
IP65:意思是:防尘等级为6级,即完全防止粉尘进入;防水等级为5级,即任何角度低压喷射无影响。
IP等级的格式为IPXX,其中XX为两个阿拉伯数字,第一标记数字表示防尘等级,第二标记数字表示防水等级。
1、防尘等级(第一个X表示):
2、防水等级(第二个X表示):。
I P65、I P68等防护等级说明(总6页)-CAL-FENGHAI.-(YICAI)-Company One1-CAL-本页仅作为文档封面,使用请直接删除IP65,IP68等防护等级说明IP(INGRESS PROTECTION)防护等级系统是由IEC(INTERNATIONAL ELECTROTECHNICAL COMMISSION)所起草。
将电器依其防尘防湿气之特性加以分级。
这里所指的外物含工具,人的手指等均不可接触到电器内之带电部分,以免触电。
IP防护等级是由两个数字所组成,第1个数字表示灯具离尘、防止外物侵入的等级,第2个数字表示灯具防湿气、防水侵入的密闭程度,数字越大表示其防护等级越高。
两个标示数字所表示的防护等级如表一及表二所示:表一:数字防护范围说明0无防护对外界的人或物无特殊的防护1防止大于50mm的固体外物侵入防止人体(如手掌)因意外而接触到电器内部的零件,防止较大尺寸(直径大于50mm)的外物侵入2防止大于12.5mm的固体外物侵入防止人的手指接触到电器内部的零件,防止中等尺寸(直径大于12.5mm)的外物侵入3防止大于2.5mm的固体外物侵入防止直径或厚度大于12.5mm的工具、电线及类似的小型外物侵入而接触到电器内部的零件4防止大于1.0mm的固体外物侵入防止直径或厚度大于1.0mm的工具、电线及类似的小型外物侵入而接触到电器内部的零件5防止外物及灰尘完全防止外物侵入,虽不能完全防止灰尘侵入,但灰尘的侵入量不会影响电器的正常运作6防止外物及灰尘完全防止外物及灰尘侵入表二:第二个标示特性号码(数字)所指的防护程度数字防护范围说明0无防护对水或湿气无特殊的防护1防止水滴侵入垂直落下的水滴(如凝结水)不会对电器造成损坏2倾斜15度时,仍可防止水滴侵入当电器由垂直倾斜至15度时,滴水不会对电器造成损坏3防止喷洒的水侵入防雨或防止与垂直的夹角小于60度的方向所喷洒的水侵入电器而造成损坏4防止飞溅的水侵入防止各个方向飞溅而来的水侵入电器而造成损坏5防止喷射的水侵入防止来自各个方向飞由喷嘴射出的水侵入电器而造成损坏6防止大浪侵入装设于甲板上的电器,可防止因大浪的侵袭而造成的损坏7防止浸水时水的侵入电器浸在水中一定时间或水压在一定的标准以下,可确保不因浸水而造成损坏8防止沉没时水的侵电器无限期沉没在指定的水压下,可确保不因浸水而造成损入坏附加字母:防止接近危险部件A 手背B 手指C 工具D 金属线补充字母:专门补充的信息H 高压设备M 做防水试验时试样运行S 做防水试验时试样静止W 气候条件- 防水试验1、范围防水试验包括第二位特征数字为1至8,即防护等级代码为IPX1至IPX8。
ip65防护等级标准
IP65防护等级标准是指对于电气设备外壳的防护等级。
它由两个数字组成,分别表示对固体物体的防护等级和对液体物体的防护等级。
第一个数字表示对固体物体的防护等级:
- 0:无保护
- 1:对直径大于50mm的固体物体有保护
- 2:对直径大于12.5mm的固体物体有保护
- 3:对直径大于2.5mm的固体物体有保护
- 4:对直径大于1.0mm的固体物体有保护
- 5:完全防尘,不完全防水
- 6:完全防尘,完全防水
第二个数字表示对液体物体的防护等级:
- 0:无保护
- 1:对垂直滴水有保护
- 2:对垂直滴水和倾斜滴水有保护
- 3:对喷溅水有保护
- 4:对喷溅水和飞溅水有保护
- 5:对注入水有保护
- 6:对大量注入水有保护
- 7:在短时间内浸入水中不会有损坏
- 8:在长时间或特定条件下浸入水中不会有损坏
因此,IP65防护等级标准表示电气设备外壳具有完全防尘的能力,并且可以在喷溅水环境下使用,而不会受到损坏。
IP是电气设备外壳防护等级的代码,I代表避免固体异物进入的等级,最初级别是6;P代表避免进水的等级,最初级别是8. IP65:尘密,喷水. IP55:防尘,喷水.之五兆芳芳创作表一:第一个标示特性号码(数字)所指的防护程度 0 没有防护对外界的人或物无特殊防护. 1 避免大于50mm的固体物体侵入避免人体(如手掌)因意外而接触到灯具内部的零件.避免较大尺寸(直径大于50mm)的外物侵入. 2 避免大于12mm的固体物体侵入避免人的手指接触到灯具内部的零件避免中等尺寸(直径大12mm)的外物侵入. 3 避免大于2.5mm的固体物体侵入避免直径或厚度大于2.5mm 的东西、电线或类似的细节小外物侵入而接触到灯具内部的零件. 4 避免大于1.0mm 的固体物体侵入避免直径或厚度大于1.0mm的东西、电线或类似的细节小外物侵入而接触到灯具内部的零件. 5 防尘完全避免外物侵入,虽不克不及完全避免尘埃进入,但侵入的尘埃量其实不会影响灯具的正常任务. 6 防尘完全避免外物侵入,且可完全避免尘埃进入. 表二:第二个标示特性号码(数字)所指的防护程度 0 没有防护没有防护. 1 避免滴水侵入垂直滴下的水滴(如凝结水)对灯具不会造成有害影响. 2 倾斜15度时仍可避免滴水侵入当灯具由垂直倾斜至15度时,滴水对灯具不会造成有害影响. 3 避免喷洒的水侵入防雨,或避免与垂直的夹角小于60度的标的目的所喷洒的水进入灯具造成损害. 4 避免飞溅的水侵入避免各标的目的飞溅而来的水进入灯具造成损害. 5 避免喷射的水侵入避免各自各标的目的由喷嘴射出的水进入灯具造成损害. 6 避免大浪的侵入装设于船面上的灯具,避免因大浪的侵袭而进入造成损坏. 7 避免浸水时水的侵入灯具浸在水中一定时间或水压在一定的尺度以下能确保不因进水而造成损坏. 8 避免沉没时水的侵入灯具无限期的沉没在指定水压的状况下,能确保不因进水而造成损坏.。
IP55与IP65防护等级的区别
字母IP是Ingress Protection Rating的缩写,IP后面的两位数字,第一位数字是固态防护等级,也就是我们所受的防尘等级,等级划分范围是0-6;第二个数字是液体防护等级,也就是我们常说的防水等级测试,等级划分范围是0-8。
防护性能测试IP55和IP65的区别在于,两个测试的防水等级都是5级,防尘等级不同。
IP55 的防护等级是5级,代表金属线防护(直径大于等于1mm)以及防止有害的粉尘堆积;IP65 的防护等级是6级,是指完全防止粉尘进入。
在进行IP6X测试时,样品需要外壳与内部元器件之间要抽真空,造成负气压现象,然后放入防尘箱中进行防尘测试。
办理IP防护等级检测流程:
第一步:客户提供产品图片及申请表;
第二步:实验室根据提供资料进行报价;
第三步:客户确认报价后,签订立案申请表及服务协议并支付全额项目费,并准备好测试样品;
第四步:客户安排邮寄样品到实验室测试;
第五步:测试通过,出具报告。
什么是防护等级IP65,IP55IP(International Protection)防护等级系统是由IEC(International Electro Technical Commission)所起草。
将灯具依其防尘、防止外物侵入、防水、防湿气之特性加以分级。
这里所指的外物包含工具、人的手指等均不可接触到灯具内之带电部分,以免触电。
IP防护等级是由两个数字所组成,第一个数字表示灯具防尘、防止外物侵入的等级;第二个数字表示灯具防湿气、防水侵入的密闭程度。
数字越大,表示其防护等级越高,两个标示数字所表示的防护等级如表一及表二。
第一个标示特性号码(数字)所指的防护程度第一个标示数字:0 无防护对外界的人或物无特殊之防护 IP0-1 防止大于50mm的固体物体侵入,防止人体(如手掌)因意外而接触到灯具内部之零件。
防止较大尺寸(直径大于50mm)的外物侵入 IP1-2 防止大于12mm的固体物体侵入,防止人的手指接触到灯具内部之零件。
防止中等尺寸(直径大于12mm,长度大于80mm)的外物侵入 IP2-3 防止大于2.5mm的固体物体侵入,防止直径或厚度大于2.5mm之工具、电线或类似的细小的外物侵入而接触到灯具的内部零件 IP3-4 防止大于1.0mm的固体物体侵入,防止直径或厚度大于1.0mm之工具、电线或类似的细小的外物侵入而接触到灯具的内部零件 IP4-5 防尘,完全防止外物侵入。
虽不能完全防止灰尘侵入,但侵入的灰尘的量并不会影响灯具的正常操作 IP5-6 尘密完全防止外物侵入,且可完全防止灰尘侵入 IP6-第二个标示特性号码(数字)所指的防护程度第二个标示数字:0 无防护对外界的人或物无特殊之防护 IP-01 防止滴水侵入,垂直滴下的水滴(如凝结水)对灯具不会造成有害影响 IP-12 倾斜15°时仍可防止滴水侵入,当灯具由垂直倾斜至15°时,滴水对灯具不会造成有害影响 IP-23 防止喷洒的水侵入,防雨或防上与垂直的夹角小于60°之方向所喷洒的水进入灯具造成损坏 IP-34 防止飞溅的水侵入,防止各方向飞溅而来的水进入灯具造成损坏 IP-45 防止喷射的水侵入,防止来自各方向由喷嘴喷射出的水进入灯具造成损坏 IP-56 防止大浪的侵入,装设于甲板上的灯具,防止因大浪的侵袭而浸水造成损坏 IP-67 防止浸水时的水侵入,灯具浸在水中一定的时间或水压在一定的标准以下能确保不因进水而造成损坏 IP-78 防止沉没时的水侵入,灯具无限期的沉没早指定水压的状况下,能确保不因进水而造成损坏 IP-8第二种学说:IP防护等级体系IP 表示Ingress Protection(进入防护)。
ip65等级具体标准
IP65是一种国际防护等级(Ingress Protection Rating)标准,用于描述电子设备或设施对固体物体和水的防护能力。
它由IP后面的两个数字组成,第一个数字表示对固体物体的防护等级,第二个数字表示对液体的防护等级。
具体来说,IP65的标准如下:
- IP6:对固体物体的防护等级为6,表示可以阻挡尺寸大于50毫米的固体物体进入设备。
这意味着设备具有较高的防尘能力,可以防止大部分灰尘和异物进入。
- IP5:对液体的防护等级为5,表示设备在受到喷射水的冲击时仍能正常工作。
它具有一定的防水能力,可以防止从任何方向喷射的水滴对设备造成损害。
但不能完全阻止液体进入,因此不能完全浸泡在水中。
综上所述,IP65标准表示设备具有良好的防尘能力,可以阻挡大尺寸的固体物体,并能防止喷射水的冲击。
这意味着设备适合在户外或恶劣环境下使用,能够在一定程度上抵抗灰尘和水的侵入。
然而,需要注意的是,IP65并不代表设备是完全密封的,不能完全浸泡在水中或承受更严重的液体压力。
在具体的应用中,还需要根据实际需求和环境来评估设备的防护等级。
IP65、IP68等防护等级说明IP65,IP68等防护等级说明IP(INGRESS PROTECTION)防护等级系统是由IEC (INTERNATIONAL ELECTROTECHNICAL COMMISSION)所起草。
将电器依其防尘防湿气之特性加以分级。
这里所指的外物含工具,人的手指等均不可接触到电器内之带电部分,以免触电。
IP防护等级是由两个数字所组成,第1个数字表示灯具离尘、防止外物侵入的等级,第2个数字表示灯具防湿气、防水侵入的密闭程度,数字越大表示其防护等级越高。
两个标示数字所表示的防护等级如表一及表二所示:表一:数字防护范围说明0无防护对外界的人或物无特殊的防护1防止大于50mm的固体外物侵入防止人体(如手掌)因意外而接触到电器内部的零件,防止较大尺寸(直径大于50mm)的外物侵入2防止大于12.5mm的固体外物侵入防止人的手指接触到电器内部的零件,防止中等尺寸(直径大于12.5mm)的外物侵入3防止大于2.5mm的固体外物侵入防止直径或厚度大于12.5mm的工具、电线及类似的小型外物侵入而接触到电器内部的零件4防止大于1.0mm的固体外物侵入防止直径或厚度大于1.0mm的工具、电线及类似的小型外物侵入而接触到电器内部的零件5防止外物及灰尘完全防止外物侵入,虽不能完全防止灰尘侵入,但灰尘的侵入量不会影响电器的正常运作6防止外物及灰尘完全防止外物及灰尘侵入表二:第二个标示特性号码(数字)所指的防护程度数字防护范围说明0无防护对水或湿气无特殊的防护1防止水滴侵入垂直落下的水滴(如凝结水)不会对电器造成损坏2倾斜15度时,仍可防止水滴侵入当电器由垂直倾斜至15度时,滴水不会对电器造成损坏3防止喷洒的水侵入防雨或防止与垂直的夹角小于60度的方向所喷洒的水侵入电器而造成损坏4防止飞溅的水侵入防止各个方向飞溅而来的水侵入电器而造成损坏5防止喷射的水侵入防止来自各个方向飞由喷嘴射出的水侵入电器而造成损坏6防止大浪侵入装设于甲板上的电器,可防止因大浪的侵袭而造成的损坏7防止浸水时水的侵入电器浸在水中一定时间或水压在一定的标准以下,可确保不因浸水而造成损坏8防止沉没时水的侵入电器无限期沉没在指定的水压下,可确保不因浸水而造成损坏附加字母:防止接近危险部件A 手背B 手指C 工具D 金属线补充字母:专门补充的信息H 高压设备M 做防水试验时试样运行S 做防水试验时试样静止W 气候条件- 防水试验1、范围防水试验包括第二位特征数字为1至8,即防护等级代码为IPX1至IPX8。
防护等级IP65、IP55、IP30等代表什么意思?
IP(INGRESS PROTECTION)防护等级系统是由IEC(INTERNATIONAL ELECTROTECHNICAL COMMISSION)所起草,将电器依其防尘防湿气之特性加以分级。
IP防护等级是由两个数字所组成,第1个数字表示电器防尘、防止外物侵入的等级(这里所指的外物含工具,人的手指等均不o接触到电器之内带电部分,以免触电),第2个数字表示电器防湿气、防水浸入的密闭程度,数字越大表示其防护等级越高。
IP65:尘密,完全防止外物侵入,且可完全防止灰尘侵入;防止喷射的水侵入,防止来自各方向由喷嘴喷射出的水进入灯具造成损坏。
IP55:防尘,完全防止外物侵入,虽不能完全防止灰尘侵入,但侵入的灰尘的量并不会影响灯具的正常操作;防止喷射的水侵入,防止来自各方向由喷嘴喷射出的水进入灯具造成损坏。
各等级说明。
IP是电气设备外壳防护等级的代码,I代表防止固体异物进入的等级,最高级别是6;P代表防止进水的等级,最高级别是8.IP65:尘密,喷水.IP55:防尘,喷水.之青柳念文创作表一:第一个标示特性号码(数字)所指的防护程度0 没有防护对外界的人或物无特殊防护.1 防止大于50mm的固体物体侵入防止人体(如手掌)因意外而接触到灯具外部的零件.防止较大尺寸(直径大于50mm)的外物侵入.2 防止大于12mm的固体物体侵入防止人的手指接触到灯具外部的零件防止中等尺寸(直径大12mm)的外物侵入.3 防止大于2.5mm的固体物体侵入防止直径或厚度大于2.5mm的工具、电线或近似的细节小外物侵入而接触到灯具外部的零件.4 防止大于1.0mm 的固体物体侵入防止直径或厚度大于1.0mm的工具、电线或近似的细节小外物侵入而接触到灯具外部的零件.5 防尘完全防止外物侵入,虽不克不及完全防止灰尘进入,但侵入的灰尘量其实不会影响灯具的正常工作.6 防尘完全防止外物侵入,且可完全防止灰尘进入.表二:第二个标示特性号码(数字)所指的防护程度0 没有防护没有防护.1 防止滴水侵入垂直滴下的水滴(如固结水)对灯具不会造成有害影响.2 倾斜15度时仍可防止滴水侵入当灯具由垂直倾斜至15度时,滴水对灯具不会造成有害影响.3 防止喷洒的水侵入防雨,或防止与垂直的夹角小于60度的方向所喷洒的水进入灯具造成损害.4 防止飞溅的水侵入防止各方向飞溅而来的水进入灯具造成损害.5 防止喷射的水侵入防止各自各方向由喷嘴射出的水进入灯具造成损害.6 防止大浪的侵入装设于甲板上的灯具,防止因大浪的侵袭而进入造成损坏.7 防止浸水时水的侵入灯具浸在水中一定时间或水压在一定的尺度以下能确保不因进水而造成损坏.8 防止沉没时水的侵入灯具无限期的沉没在指定水压的状况下,能确保不因进水而造成损坏.。
I P65、I P68等防护等级说明(总6页)-CAL-FENGHAI.-(YICAI)-Company One1-CAL-本页仅作为文档封面,使用请直接删除IP65,IP68等防护等级说明IP(INGRESS PROTECTION)防护等级系统是由IEC(INTERNATIONAL ELECTROTECHNICAL COMMISSION)所起草。
将电器依其防尘防湿气之特性加以分级。
这里所指的外物含工具,人的手指等均不可接触到电器内之带电部分,以免触电。
IP防护等级是由两个数字所组成,第1个数字表示灯具离尘、防止外物侵入的等级,第2个数字表示灯具防湿气、防水侵入的密闭程度,数字越大表示其防护等级越高。
两个标示数字所表示的防护等级如表一及表二所示:表一:数字防护范围说明0无防护对外界的人或物无特殊的防护1防止大于50mm的固体外物侵入防止人体(如手掌)因意外而接触到电器内部的零件,防止较大尺寸(直径大于50mm)的外物侵入2防止大于12.5mm的固体外物侵入防止人的手指接触到电器内部的零件,防止中等尺寸(直径大于12.5mm)的外物侵入3防止大于2.5mm的固体外物侵入防止直径或厚度大于12.5mm的工具、电线及类似的小型外物侵入而接触到电器内部的零件4防止大于1.0mm的固体外物侵入防止直径或厚度大于1.0mm的工具、电线及类似的小型外物侵入而接触到电器内部的零件5防止外物及灰尘完全防止外物侵入,虽不能完全防止灰尘侵入,但灰尘的侵入量不会影响电器的正常运作6防止外物及灰尘完全防止外物及灰尘侵入表二:第二个标示特性号码(数字)所指的防护程度数字防护范围说明0无防护对水或湿气无特殊的防护1防止水滴侵入垂直落下的水滴(如凝结水)不会对电器造成损坏2倾斜15度时,仍可防止水滴侵入当电器由垂直倾斜至15度时,滴水不会对电器造成损坏3防止喷洒的水侵入防雨或防止与垂直的夹角小于60度的方向所喷洒的水侵入电器而造成损坏4防止飞溅的水侵入防止各个方向飞溅而来的水侵入电器而造成损坏5防止喷射的水侵入防止来自各个方向飞由喷嘴射出的水侵入电器而造成损坏6防止大浪侵入装设于甲板上的电器,可防止因大浪的侵袭而造成的损坏7防止浸水时水的侵入电器浸在水中一定时间或水压在一定的标准以下,可确保不因浸水而造成损坏8防止沉没时水的侵电器无限期沉没在指定的水压下,可确保不因浸水而造成损入坏附加字母:防止接近危险部件A 手背B 手指C 工具D 金属线补充字母:专门补充的信息H 高压设备M 做防水试验时试样运行S 做防水试验时试样静止W 气候条件- 防水试验1、范围防水试验包括第二位特征数字为1至8,即防护等级代码为IPX1至IPX8。
ip65试验方法和判定IP65试验方法和判定一、引言IP65是指对设备外壳的防护等级进行测试和评定的国际标准之一。
本文将介绍IP65的试验方法和判定标准。
二、IP65试验方法1. 防尘性能测试IP65标准对设备外壳的防尘性能有严格要求。
测试方法为将设备放置在尘埃环境中,尘埃浓度为2kg/m³,持续时间为8小时。
在测试结束后,检查设备内部是否有尘埃进入。
2. 防水性能测试IP65标准对设备外壳的防水性能有严格要求。
测试方法为将设备放置在3米深的水池中,持续时间为30分钟。
在测试结束后,检查设备内部是否有水进入。
3. 高温试验IP65标准要求设备能够在高温环境下正常工作。
测试方法为将设备放置在50℃的高温箱中,持续时间为2小时。
在测试结束后,检查设备是否正常运行。
4. 低温试验IP65标准要求设备能够在低温环境下正常工作。
测试方法为将设备放置在-20℃的低温箱中,持续时间为2小时。
在测试结束后,检查设备是否正常运行。
5. 冲击试验IP65标准要求设备能够承受一定程度的冲击。
测试方法为将设备从1米高度自由下落5次,然后检查设备是否正常运行。
6. 振动试验IP65标准要求设备能够承受一定程度的振动。
测试方法为将设备放置在振动台上,振动频率为10Hz至55Hz,振动幅度为0.75mm,持续时间为1小时。
在测试结束后,检查设备是否正常运行。
三、IP65判定标准根据上述试验结果,对设备的防尘性能和防水性能进行评定。
1. 防尘性能判定如果设备内部没有尘埃进入,且设备外壳无明显的尘埃积累,则判定为通过防尘性能测试。
2. 防水性能判定如果设备内部没有水进入,且设备外壳无明显的水渍,则判定为通过防水性能测试。
3. 高温试验判定如果设备在高温环境下能够正常工作,且无异常情况发生,则判定为通过高温试验。
4. 低温试验判定如果设备在低温环境下能够正常工作,且无异常情况发生,则判定为通过低温试验。
5. 冲击试验判定如果设备经受住了自由下落冲击测试,并且无异常情况发生,则判定为通过冲击试验。
什么是防护等级IP65,IP55IP(International Protection)防护等级系统是由IEC(International Electro Technical Commission)所起草。
将灯具依其防尘、防止外物侵入、防水、防湿气之特性加以分级。
这里所指的外物包含工具、人的手指等均不可接触到灯具内之带电部分,以免触电。
IP防护等级是由两个数字所组成,第一个数字表示灯具防尘、防止外物侵入的等级;第二个数字表示灯具防湿气、防水侵入的密闭程度。
数字越大,表示其防护等级越高,两个标示数字所表示的防护等级如表一及表二。
第一个标示特性号码(数字)所指的防护程度第一个标示数字:0 无防护对外界的人或物无特殊之防护 IP0-1 防止大于50mm的固体物体侵入,防止人体(如手掌)因意外而接触到灯具内部之零件。
防止较大尺寸(直径大于50mm)的外物侵入 IP1-2 防止大于12mm的固体物体侵入,防止人的手指接触到灯具内部之零件。
防止中等尺寸(直径大于12mm,长度大于80mm)的外物侵入 IP2-3 防止大于2.5mm的固体物体侵入,防止直径或厚度大于2.5mm之工具、电线或类似的细小的外物侵入而接触到灯具的内部零件 IP3-4 防止大于1.0mm的固体物体侵入,防止直径或厚度大于1.0mm之工具、电线或类似的细小的外物侵入而接触到灯具的内部零件 IP4-5 防尘,完全防止外物侵入。
虽不能完全防止灰尘侵入,但侵入的灰尘的量并不会影响灯具的正常操作 IP5-6 尘密完全防止外物侵入,且可完全防止灰尘侵入 IP6-第二个标示特性号码(数字)所指的防护程度第二个标示数字:0 无防护对外界的人或物无特殊之防护 IP-01 防止滴水侵入,垂直滴下的水滴(如凝结水)对灯具不会造成有害影响 IP-12 倾斜15°时仍可防止滴水侵入,当灯具由垂直倾斜至15°时,滴水对灯具不会造成有害影响 IP-23 防止喷洒的水侵入,防雨或防上与垂直的夹角小于60°之方向所喷洒的水进入灯具造成损坏 IP-34 防止飞溅的水侵入,防止各方向飞溅而来的水进入灯具造成损坏 IP-45 防止喷射的水侵入,防止来自各方向由喷嘴喷射出的水进入灯具造成损坏 IP-56 防止大浪的侵入,装设于甲板上的灯具,防止因大浪的侵袭而浸水造成损坏 IP-67 防止浸水时的水侵入,灯具浸在水中一定的时间或水压在一定的标准以下能确保不因进水而造成损坏 IP-78 防止沉没时的水侵入,灯具无限期的沉没早指定水压的状况下,能确保不因进水而造成损坏 IP-8第二种学说:IP防护等级体系IP 表示Ingress Protection(进入防护)。
I P65,I P68等防护等级说明IP(INGRESS PROTECTION)防护等级系统是由IEC(INTERNATIONALELECTROTECHNICAL COMMISSION)所起草。
将电器依其防尘防湿气之特性加以分级。
这里所指的外物含工具,人的手指等均不可接触到电器内之带电部分,以免触电。
IP防护等级是由两个数字所组成,第1个数字表示灯具离尘、防止外物侵入的等级,第2个数字表示灯具防湿气、防水侵入的密闭程度,数字越大表示其防护等级越高。
两个标示数字所表示的防护等级如表一及表二所示:表一:数字防护范围说明0无防护对外界的人或物无特殊的防护1防止大于50mm的固体外物侵入防止人体(如手掌)因意外而接触到电器内部的零件,防止较大尺寸(直径大于50mm)的外物侵入2防止大于的固体外物侵入防止人的手指接触到电器内部的零件,防止中等尺寸(直径大于的外物侵入3防止大于的固体外物侵入防止直径或厚度大于的工具、电线及类似的小型外物侵入而接触到电器内部的零件4防止大于的固体外物侵入防止直径或厚度大于的工具、电线及类似的小型外物侵入而接触到电器内部的零件5防止外物及灰尘完全防止外物侵入,虽不能完全防止灰尘侵入,但灰尘的侵入量不会影响电器的正常运作6防止外物及灰尘完全防止外物及灰尘侵入表二:第二个标示特性号码(数字)所指的防护程度数字防护范围说明0无防护对水或湿气无特殊的防护1防止水滴侵入垂直落下的水滴(如凝结水)不会对电器造成损坏2倾斜15度时,仍可防止水滴侵入当电器由垂直倾斜至15度时,滴水不会对电器造成损坏3防止喷洒的水侵入防雨或防止与垂直的夹角小于60度的方向所喷洒的水侵入电器而造成损坏4防止飞溅的水侵入防止各个方向飞溅而来的水侵入电器而造成损坏5防止喷射的水侵入防止来自各个方向飞由喷嘴射出的水侵入电器而造成损坏6防止大浪侵入装设于甲板上的电器,可防止因大浪的侵袭而造成的损坏7防止浸水时水的侵入电器浸在水中一定时间或水压在一定的标准以下,可确保不因浸水而造成损坏8防止沉没时水的侵入电器无限期沉没在指定的水压下,可确保不因浸水而造成损坏附加字母:防止接近危险部件A 手背B 手指C 工具D 金属线补充字母:专门补充的信息H 高压设备M 做防水试验时试样运行S 做防水试验时试样静止W 气候条件- 防水试验1、范围防水试验包括第二位特征数字为1至8,即防护等级代码为IPX1至IPX8。
什么是防护等级IP65,IP55第一种学说:看GB1498-79,电机、低压电器外壳防护等级什么是IP(防护等级)?IP(International Protection)防护等级系统是由IEC(International Electro Technical Commission)所起草。
将灯具依其防尘、防止外物侵入、防水、防湿气之特性加以分级。
这里所指的外物包含工具、人的手指等均不可接触到灯具内之带电部分,以免触电。
IP防护等级是由两个数字所组成,第一个数字表示灯具防尘、防止外物侵入的等级;第二个数字表示灯具防湿气、防水侵入的密闭程度。
数字越大,表示其防护等级越高,两个标示数字所表示的防护等级如表一及表二。
第一个标示特性号码(数字)所指的防护程度第一个标示数字:0 无防护对外界的人或物无特殊之防护 IP0-1 防止大于50mm的固体物体侵入,防止人体(如手掌)因意外而接触到灯具内部之零件。
防止较大尺寸(直径大于50mm)的外物侵入 IP1-2 防止大于12mm的固体物体侵入,防止人的手指接触到灯具内部之零件。
防止中等尺寸(直径大于12mm,长度大于80mm)的外物侵入 IP2-3 防止大于2.5mm的固体物体侵入,防止直径或厚度大于2.5mm之工具、电线或类似的细小的外物侵入而接触到灯具的内部零件 IP3-4 防止大于1.0mm的固体物体侵入,防止直径或厚度大于1.0mm之工具、电线或类似的细小的外物侵入而接触到灯具的内部零件 IP4-5 防尘,完全防止外物侵入。
虽不能完全防止灰尘侵入,但侵入的灰尘的量并不会影响灯具的正常操作 IP5-6 尘密完全防止外物侵入,且可完全防止灰尘侵入 IP6-第二个标示特性号码(数字)所指的防护程度第二个标示数字:0 无防护对外界的人或物无特殊之防护 IP-01 防止滴水侵入,垂直滴下的水滴(如凝结水)对灯具不会造成有害影响 IP-12 倾斜15°时仍可防止滴水侵入,当灯具由垂直倾斜至15°时,滴水对灯具不会造成有害影响 IP-23 防止喷洒的水侵入,防雨或防上与垂直的夹角小于60°之方向所喷洒的水进入灯具造成损坏 IP-34 防止飞溅的水侵入,防止各方向飞溅而来的水进入灯具造成损坏 IP-45 防止喷射的水侵入,防止来自各方向由喷嘴喷射出的水进入灯具造成损坏IP-56 防止大浪的侵入,装设于甲板上的灯具,防止因大浪的侵袭而浸水造成损坏IP-67 防止浸水时的水侵入,灯具浸在水中一定的时间或水压在一定的标准以下能确保不因进水而造成损坏 IP-78 防止沉没时的水侵入,灯具无限期的沉没早指定水压的状况下,能确保不因进水而造成损坏 IP-8第二种学说:IP防护等级体系IP 表示Ingress Protection(进入防护)。
什么是防护等级IP65IP是电气设备外壳防护等级的代码,I代表防止固体异物进入的等级,最高级别是6;P代表防止进水的等级,最高级别是8。
IP65:尘密,喷水。
IP55:防尘,喷水第一种学说:看GB1498-79,电机、低压电器外壳防护等级什么是IP(防护等级)?IP(International Protection)防护等级系统是由IEC(International Electro Technical Commission)所起草。
将灯具依其防尘、防止外物侵入、防水、防湿气之特性加以分级。
这里所指的外物包含工具、人的手指等均不可接触到灯具内之带电部分,以免触电。
IP防护等级是由两个数字所组成,第一个数字表示灯具防尘、防止外物侵入的等级;第二个数字表示灯具防湿气、防水侵入的密闭程度。
数字越大,表示其防护等级越高,两个标示数字所表示的防护等级如表一及表二。
第一个标示特性号码(数字)所指的防护程度第一个标示数字:0 无防护对外界的人或物无特殊之防护 IP0-1 防止大于50mm的固体物体侵入,防止人体(如手掌)因意外而接触到灯具内部之零件。
防止较大尺寸(直径大于50mm)的外物侵入 IP1-2 防止大于12mm的固体物体侵入,防止人的手指接触到灯具内部之零件。
防止中等尺寸(直径大于12mm,长度大于80mm)的外物侵入 IP2-3 防止大于2.5mm的固体物体侵入,防止直径或厚度大于2.5mm之工具、电线或类似的细小的外物侵入而接触到灯具的内部零件 IP3-4 防止大于1.0mm的固体物体侵入,防止直径或厚度大于1.0mm之工具、电线或类似的细小的外物侵入而接触到灯具的内部零件 IP4-5 防尘,完全防止外物侵入。
虽不能完全防止灰尘侵入,但侵入的灰尘的量并不会影响灯具的正常操作 IP5-6 尘密完全防止外物侵入,且可完全防止灰尘侵入 IP6-第二个标示特性号码(数字)所指的防护程度第二个标示数字:0 无防护对外界的人或物无特殊之防护 IP-01 防止滴水侵入,垂直滴下的水滴(如凝结水)对灯具不会造成有害影响IP-12 倾斜15°时仍可防止滴水侵入,当灯具由垂直倾斜至15°时,滴水对灯具不会造成有害影响 IP-23 防止喷洒的水侵入,防雨或防上与垂直的夹角小于60°之方向所喷洒的水进入灯具造成损坏 IP-34 防止飞溅的水侵入,防止各方向飞溅而来的水进入灯具造成损坏 IP-45 防止喷射的水侵入,防止来自各方向由喷嘴喷射出的水进入灯具造成损坏 IP-56 防止大浪的侵入,装设于甲板上的灯具,防止因大浪的侵袭而浸水造成损坏 IP-67 防止浸水时的水侵入,灯具浸在水中一定的时间或水压在一定的标准以下能确保不因进水而造成损坏 IP-78 防止沉没时的水侵入,灯具无限期的沉没早指定水压的状况下,能确保不因进水而造成损坏 IP-8第二种学说:IP防护等级体系IP 表示Ingress Protection(进入防护)。
防护等级IP65,IP55
第一种学说:
看GB1498-79,电机、低压电器外壳防护等级
什么是IP(防护等级)?
IP(International Protection)防护等级系统是由IEC(International Electro Technical Commission)所起草。
将灯具依其防尘、防止外物侵入、防水、防湿气之特性加以分级。
这里所指的外物包含工具、人的手指等均不可接触到灯具内之带电部分,以免触电。
IP防护等级是由两个数字所组成,第一个数字表示灯具防尘、防止外物侵入的等级;第二个数字表示灯具防湿气、防水侵入的密闭程度。
数字越大,表示其防护等级越高,两个标示数字所表示的防护等级如表一及表二。
第一个标示特性号码(数字)所指的防护程度
第一个标示数字:
0 无防护对外界的人或物无特殊之防护 IP0-
1 防止大于50mm的固体物体侵入,防止人体(如手掌)因意外而接触到灯具内部之零件。
防止较大尺寸(直径大于50mm)的外物侵入 IP1-
2 防止大于12mm的固体物体侵入,防止人的手指接触到灯具内部之零件。
防止中等尺寸(直径大于12mm,长度大于80mm)的外物侵入 IP2-
3 防止大于2.5mm的固体物体侵入,防止直径或厚度大于2.5mm之工具、电线或类似的细小的外物侵入而接触到灯具的内部零件 IP3-
4 防止大于1.0mm的固体物体侵入,防止直径或厚度大于1.0mm之工具、电线或类似的细小的外物侵入而接触到灯具的内部零件 IP4-
5 防尘,完全防止外物侵入。
虽不能完全防止灰尘侵入,但侵入的灰尘的量并不会影响灯具的正常操作 IP5-
6 尘密完全防止外物侵入,且可完全防止灰尘侵入 IP6-
第二个标示特性号码(数字)所指的防护程度
第二个标示数字:
0 无防护对外界的人或物无特殊之防护 IP-0
1 防止滴水侵入,垂直滴下的水滴(如凝结水)对灯具不会造成有害影响 IP-1
2 倾斜15°时仍可防止滴水侵入,当灯具由垂直倾斜至15°时,滴水对灯具不会造成有害影响 IP-2
3 防止喷洒的水侵入,防雨或防上与垂直的夹角小于60°之方向所喷洒的水进入灯具造成损坏 IP-3
4 防止飞溅的水侵入,防止各方向飞溅而来的水进入灯具造成损坏 IP-4
5 防止喷射的水侵入,防止来自各方向由喷嘴喷射出的水进入灯具造成损坏
IP-5
6 防止大浪的侵入,装设于甲板上的灯具,防止因大浪的侵袭而浸水造成损坏IP-6
7 防止浸水时的水侵入,灯具浸在水中一定的时间或水压在一定的标准以下能确保不因进水而造成损坏 IP-7
8 防止沉没时的水侵入,灯具无限期的沉没早指定水压的状况下,能确保不因进水而造成损坏 IP-8
第二种学说:
IP防护等级体系
IP 表示Ingress Protection(进入防护)。
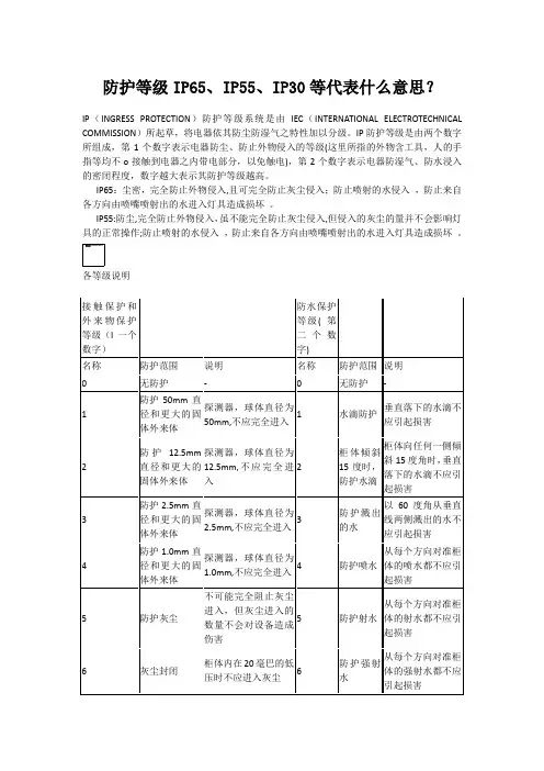
等级的第一标记数字如IP6_ 表示防尘保护等级 (6表示无灰尘进入,参见下表)
第二标记数字如IP_5 表示防水保护等级 (5 表示防护水的喷射,参见下表)
防止固体物质入侵– 第一个数字定义描述防止液体入侵– 第二个数字定义
描述
0 无防护。
无专门的防护。
0 无防护。
无专门的防护。
1 防护50mm直径和更大的固体外来物。
防护表面积大的物体比如手(不防护
蓄意侵入)。
1 防护水滴(垂直落下的水滴)
2 防护12mm直径和更大的固体外来物。
防护手指或其他长度不超过80mm的物体。
2 设备倾斜15度时,防护水滴。
垂直落下的水滴不应引起损害。
3 防护2.5mm直径和更大的固体外来物。
防护直径或厚度超过2.5mm的工具、金属线等。
3 防护溅出的水。
以60度角从垂直线两侧溅出的水不应引起损害。
4 防护1.0mm直径和更大的固体外来物。
防护厚度大于1.0mm的金属线或条
状物。
4 防护喷水。
当设备倾斜正常位置15度时,从任何方向对准设备的喷水不应引起损害。
5 防护灰尘。
不可能完全阻止灰尘进入,但灰尘进入的数量不会影响设备的正常运行。
5 防护射水。
从任何方向对准设备的射水不应引起损害。
6 不透灰尘。
无灰尘进入。
6 防护大浪。
大浪或强射水进入设备的水量不应引起损害。
7 防护浸水。
在定义的压力和时间下浸入水中时,不应有能引起损害的水量侵入。
8 防护水淹没。
在制造商说明的条件下设备可长时间浸入水中。
防水测试(IP_5)的测试方法和主要的测试条件定义如下:
测试方法–喷嘴的喷水口内径为6.3mm,放于距离测试样品2.5-3m之处。
水流速率– 12.5 l/min ±5%
测试持续时间– 1 min/m2 但是至少持续3分钟。
测试条件 – 从每个可行的角度对测试样品喷射。