加氯技术方案
- 格式:doc
- 大小:76.50 KB
- 文档页数:12
加药加氯间专项施工方案一、施工目标及要求1.提高水体的净化效果,确保水质符合相关环保标准;2.确保加药和加氯的稳定性和准确性,避免浪费和误差;3.保证施工过程的安全性,防止发生意外事件;4.减少施工时间和施工成本,提高施工效率。
二、施工准备1.资源准备(1)根据实际需求,准备加药和加氯所需要的药剂、氯化剂和其他相关材料;(2)准备必要的仪器设备,如计量设备、混合设备、输送设备等。
2.人员准备(1)指派专业人员进行施工,确保具备相关的知识和经验;(2)确保施工人员具备合格的操作证书,如操作蓝证等;(3)组建施工班组,确保施工过程中的协调和合作;(4)进行施工人员的培训,确保其了解施工方案和相关安全操作规程。
3.施工环境准备(1)确保施工现场的通风良好,排除可能产生的有害气体;(2)清理施工区域,确保工作区域整洁并防止杂质的进入;(3)确保施工现场的安全设施完好,并配置必备的消防设备。
三、施工步骤1.药剂准备(1)根据实际需求,准备所需药剂,并按照要求进行称量;(2)确保药剂的质量和准确性,避免使用过期、变质或不合格的药剂。
2.药剂加药(1)根据加药设备和工艺要求,将药剂加入到加药设备中;(2)根据实际需要,调整加药设备的投药量和投药时间;(3)确保加药设备的正常运行,并定期检查和维护设备。
3.氯化剂准备(1)根据实际需求,准备所需氯化剂,并按照要求进行称量;(2)确保氯化剂的质量和准确性,避免使用过期、变质或不合格的氯化剂。
4.氯化剂加氯(1)根据加氯设备和工艺要求,将氯化剂加入到加氯设备中;(2)根据实际需要,调整加氯设备的投氯量和投氯时间;(3)确保加氯设备的正常运行,并定期检查和维护设备。
5.施工记录与总结(1)施工过程中要做好详细的记录,包括药剂和氯化剂的投加量、操作时间、设备运行情况等;(2)根据施工记录和实际效果,及时总结经验和教训,为下次施工提供参考。
四、安全措施1.提前排查施工现场的安全隐患,修复或清除可能存在的危险物品和设施;2.施工人员必须穿戴相关的防护用品,如手套、防护眼镜、防护面罩等;3.加药和加氯设备必须定期维护和保养,确保安全运行;4.如遇异常情况,施工人员要立即采取应急措施,并报告相关负责人。
天津滨海旅游区南部给水加压泵站泵房及附属工程加氯间、传达室施工方案编制:审核:批准:大元建业集团股份有限公司天津滨海旅游区南部给水加压泵站工程项目部二〇一四年四月十日目录一、编制依据及内容 (1)二、工程概况 (2)三、施工准备 (2)四、施工总体安排 (2)五、主要工程施工工艺 (5)六、特殊环境条件下的施工措施 (18)七、工程质量通病的预防措施 (20)八、工程质量目标及质量保证措施 (24)九、安全目标及安全保证措施 (27)十、现场文明施工措施 (29)十一、工程保护措施 (31)一、编制依据及内容1、编制依据1)基础文件①滨海旅游区南部给水加压泵站总承包合同;②由天津市华淼给排水研究设计院有限公司编制的设计施工图纸;③滨海旅游区南部给水加压泵站岩土工程勘察报告;④对现场环境的调查及走访获得的资料;⑤本公司资源状况及类似工程项目的施工与管理经验。
⑥国家现行设计、施工规范、验收标准及安全规程等.2、编制内容天津滨海旅游区南部给水加压泵站项目工程(加氯间、传达室建筑工程)。
二、工程概况加氯间位于厂区西北角加药间及加药间北间,北靠东方文化广场临时围墙,南邻泵房加药间,建筑面积127.84㎡,檐口高度6。
9m,为地面式一层建筑。
耐火等级二级,抗震设防烈度七度.主体结构形式为全现浇框架结构,屋面防水等级II级,防水材料耐久年限15年.室内包含氯库、加氯机间、预留设备间、漏氯吸收中和设备间4个工艺分区,主要为避咸池和沉淀池提供药液。
传达室位于新建综合办公楼东南侧,建筑面积28m2,主体建筑檐口高度4.85m,为地面式一层建筑。
耐火等级二级,抗震设防烈度七度。
主体结构形式为全现浇框架结构,屋面防水等级II级,防水材料耐久年限15年.加氯间、传达室基础为混凝土条形基础,上部框架结构,屋面为梁式斜屋面,基础埋深2m,场地土类别为2类,框架结构的抗震等级为2级。
根据《天津滨海旅游区南部给水加压泵站项目工程—岩土工程勘察报告》:加氯间的基础底面应坐落在持力层④粘土层上,其承载力特征值fak分别为90kpa.对基底未到持力层的部分,我司安照设计施工图纸挖至基础垫层底-1。
小区水箱加氯消毒方案一、概述随着污染的日益严重特别是枯水季节尤为突出,水中的细菌严重影响到千家万户的饮用水安全问题,消毒成为水处理工艺的重要环节。
当前在饮用水消毒有臭氧、紫外线、漂白粉次氯酸钠、氯气等。
臭氧和紫外线消毒属于一次性消毒,没有持续杀毒的能力,在城镇自来水消毒上不适用。
二、二氧化氯发生器二氧化氯按制取的方法可分为电解法和化学法。
由于电解法二氧化氯发生器存在电耗大、规模小、二氧化氯含量低、设备腐蚀严重、故障率高等缺点,未能广泛采用。
化学法二氧化氯发生器以其结构简单、运行稳定可靠得到快速发展。
化学法二氧化氯发生器按所使用的原料不同,又分为亚氯酸钠法和氯酸钠法;按其产物中二氧化氯纯度不同又可分为复合二氧化氯发生器和高纯二氧化氯发生器。
当前,使用较多的是氯酸钠法。
要使二氧化氯在水处理消毒净化中的优势得到充分发挥,二氧化氯发生器必须满足高纯度、高转化率和高可靠性的要求。
三、方案操作前准备;1、清洗消毒工作人员穿戴好清洁的工作衣、长靴、橡胶手套,并备有照明用具及清扫专用工具(必须清洗消毒后)带入箱池。
2、在单位醒目处张贴告示,使单位内各部门有所准备。
操作规程;1、关闭进出水阀门。
2、打开排水阀或启动潜水泵。
使水位下降至30cm左右,关闭排水阀或潜水泵,并堵塞出水口,防止污物进入。
3、清洗人员带专用工具和水笼头进水箱(池)进行清扫和冲刷,先水箱(池),后底,由里向外以此进行,如有损坏处进行及时修补。
4、洗刷和检查完毕,开排水阀或启动潜水泵,排尽污水并用清水冲洗干净,关闭排水阀或潜水泵。
5、用已配制的消毒液(有效氯含量300-500mg∕L)对内自上后下,由里向外,均匀地喷涂箱(池)壁表面,涂刷至入孔口,退出箱(池),盖上孔盖并加锁。
6、30分钟后打开进水阀,待水箱满后,开排水阀或启动潜水泵排水,彻底冲洗净残留的药物后,恢复供水。
7、恢复供水时采样送有资质单位进行水质检测,合格后方可使用。
消毒液配制方法;在专用消毒桶中事先标好相应的刻度线,并加水至满该刻度,将适量的含氯原液(含氯量4.5-5.5%)到入量筒中,最后将量筒内的原液倒入加水的专用消毒桶,搅拌均匀待用。
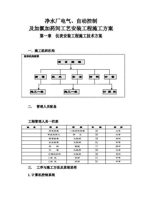
净水厂电气、自动控制及加氯加药间工艺安装工程施工方案第一章仪表安装工程施工技术方案一.施工组织机构二.管理人员配备工程管理人员一栏表三.工序与施工方法及原理说明1.计算机控制系统(1) 控制系统组成:参见抚顺新宾给水扩建工程计算机控制系统总图。
a . 操作站:全厂建立两个操作站对全厂的工艺参数进行监视及控制,使用研华主机和19”显示器组成人机界面。
使用一部打印机打印数据报表。
操作站安装在综合净水间。
b . 控制站:全厂建立4个分站分别为:二级泵房控制站、加药间控制站、加氯间控制、综合净水间控制站,综合净水间在6个滤池分别设计6个子站。
每个站均设置触摸显示屏最为人机界面。
c . 厂区通讯方式:采用光缆组成100M 工业以太网。
(2)控制系统物理分部计算机的分站均安装在各区的MCC 柜上。
其分部见下图说明:本图仅适用于工程投标辽宁众诚公司 2006.6.29 抚顺市新宾给水扩建工程计算机控制系统总图6滤池5滤池4滤池3滤池 2滤池滤池子站 4净水间子站 3加药间子站 2加氯间子 站 1二级泵房光缆光缆光缆100工业以太网 光缆光缆净水车间控制室a.综合净水间控制室及分站子站分部b.加药间分站c.加氯间分站d.二级泵房分站(2) 控制室电缆敷设;中心控制室接受和来自反应沉淀池厂房、滤池厂房、水泵房以及电气的逻辑线号电缆沿各自的桥架敷设。
在沿汇线槽进入中央控制室的MCC 盘下,信号电缆、本安电缆220v 电缆应分开敷设,电气过来的信号沿电气汇线槽进入控制室后,沿着控制室汇线槽进入仪表柜下,具体敷设的方法可参照控制室电缆二次设计布置图进行。
各个分站也要按照分开布线的原则进行。
控制室的电缆进线孔:待电缆全部敷设完后,采用防火放水堵料严格封密。
(4)控制方式:仪表工程采用PLC(计算机)组成的数据采集与控制系统。
所有检测仪表使用国际信号制式以及逻辑量控制,实现以全自动监测控制,外加手动控制方式。
(5)安装要点:PLC 微机软件编制工作以及盘内设置另有说明.现就组成自动控制系统相关安装关键简述如下:室内控制系统安装:中央控制室工程,按照一般的常规包括计算机上位机、控制台、计算机插卡箱柜、端子柜、数据导线等.盘柜的支撑物: 预制安装PLC(MCC)、控制盘基础,使用槽钢预制安装支架,使用膨胀螺栓固定, 安装时注意水平垂直找正即可。
加氯调试方案1. 背景加氯是指在水处理过程中向水体中添加氯,主要用于杀灭细菌和消毒。
加氯调试是确保加氯设备正常运行和水质稳定的重要环节。
本文档旨在提供一个加氯调试方案,以确保加氯设备的正常运行和水质稳定。
2. 加氯调试步骤2.1 确定加氯设备位置首先,需要确定加氯设备的安装位置。
加氯设备通常位于水处理系统的一部分,可以是在水源处或者在水源进入水处理设备前的位置。
确保设备安装位置便于操作和维护。
2.2 检查加氯设备及管路在开始加氯调试之前,需要检查加氯设备及相关管路的各个部分是否完好无损,确保设备和管路没有漏损或损坏情况。
同时,检查管路连接是否紧固,并确保管路畅通无阻。
2.3 确定加氯剂投加量根据所处理水体的水质要求和加氯设备的设计参数,确定加氯剂的投加量。
加氯剂的投加量应根据实际需要进行调整,在保证水质安全的前提下尽量减少剂量。
2.4 调试加氯设备2.4.1 打开加氯设备电源首先,将加氯设备的电源打开,确保设备正常运行。
检查设备的显示屏或指示灯,确保设备处于正常工作状态。
2.4.2 设置加氯参数根据实际需要,设置加氯设备的参数,如加氯剂投加量、投加时间间隔等。
使用设备控制面板或者操作界面进行设置,确保参数设置准确。
2.4.3 开始加氯操作根据设备设置的参数,开始加氯操作。
观察加氯设备运行情况,并检查加氯剂投加情况是否正常。
2.5 监测水质变化在加氯调试过程中,需要随时监测水质变化情况。
可以使用水质监测仪器进行水质检测,测量关键参数如余氯浓度、pH值等。
确保水质指标符合规定的标准要求。
2.6 调整加氯设备参数根据水质监测结果,适时调整加氯设备的参数。
如果水质指标超出规定范围,需要调整加氯剂投加量或其他相关参数,以实现水质稳定并满足要求。
2.7 定期维护和保养加氯设备加氯设备是长期运行的,因此需要定期进行设备的维护和保养。
定期清洗设备、更换耗材、检查设备连接等,确保设备的正常运行。
3. 加氯调试注意事项•加氯调试应在无人饮水和工艺流程不受影响的情况下进行。
加氯间施工方案范文一、项目概述加氯间是指将氯气以气体的形式通入水中,进行水处理,以提高水的消毒效果。
本施工方案主要介绍了加氯间的设计和建造过程。
二、设计原则1.安全性:加氯间应符合相关的安全规范,进行必要的防火、防爆、防毒和安全培训等措施,保障施工安全。
2.效率性:加氯间的设计应合理,能够高效地进行氯气通入和混合,提高水的消毒效果。
3.经济性:施工过程中应选择经济实用的材料和设备,控制成本。
4.可维护性:加氯间的设备应具备易于维护和清洁的特点,方便后期操作和维修。
三、施工流程1.设计加氯间的布局和结构:a.根据加氯间的规模和使用情况,确定加氯间的大小。
b.设计加氯间的管道布局和进出口位置,确保气体和水的流通顺畅。
c.设计加氯间的通风和排气系统,保证氯气的安全使用和处理。
d.选择合适的材料和设备,如气体流量计、压力表、气体泄漏探测器等。
2.施工准备:a.清理施工现场,确保施工区域整洁。
b.准备加氯间所需的材料和设备,如管道、阀门、连接件等。
3.组装和安装:a.按照加氯间的设计图纸,组装和安装气体流量计、压力表等设备。
b.安装好氯气通入和混合设备,确保其位置和连接正确。
4.配管和连通:a.进行加氯间内外的管道布置和连接,连接好氯气罐和氯气通入设备。
b.连接加氯间出口管道和水处理设备,确保水的流向正确。
5.调试和测试:a.接通氯气源和水源,进行加氯间的调试,检查其正常运行。
b.测试水样,确保加氯间的消毒效果达标。
6.安全验收:a.完成加氯间的建设后,进行安全验收,确保施工达到相关规范和标准。
b.编制施工记录、验收报告和操作手册,交由相关部门存档。
四、安全注意事项1.施工现场应设置明显的警示标志和相关安全提示,做好安全防护工作。
2.氯气通入过程中,应保持通风良好,避免氯气泄漏和积聚。
3.氯气通入设备应检查并保持其正常运行,防止设备故障造成安全事故。
4.进行加氯间操作前,必须穿戴好相关的防护设备,如防毒面具、防护手套等。
第1篇一、工程概述1. 工程背景随着我国水处理行业的快速发展,加氯设备在给水、排水、工业用水等领域得到了广泛应用。
加氯设备的主要作用是消毒杀菌,保障水质安全。
本工程旨在为某地区提供一套高效、可靠的加氯设备,以满足该地区水处理需求。
2. 工程目标(1)确保加氯设备的安装、调试和运行符合国家相关标准和规范。
(2)提高水处理效率,确保水质达到国家标准。
(3)降低运行成本,提高经济效益。
二、工程内容1. 工程范围本工程主要包括加氯设备的采购、安装、调试、验收等工作。
2. 工程设备(1)加氯设备:包括加氯机、氯气瓶、安全阀、压力表、流量计、管道、阀门等。
(2)控制系统:包括PLC控制柜、触摸屏、传感器等。
三、施工方案1. 施工准备(1)组织施工队伍:成立专业施工队伍,确保施工质量。
(2)技术交底:对施工人员进行技术交底,明确施工要求、安全注意事项等。
(3)材料设备准备:提前准备好所需材料设备,确保施工进度。
2. 施工步骤(1)现场勘查对施工现场进行勘查,了解现场环境、设备布置、电源、水源等情况,为施工提供依据。
(2)设备安装1)加氯机安装:按照设备说明书进行安装,确保设备水平、垂直。
2)氯气瓶安装:将氯气瓶固定在指定位置,确保安全。
3)管道安装:按照设计图纸进行管道安装,确保管道连接牢固、无泄漏。
4)阀门安装:安装阀门,确保阀门开启、关闭灵活。
5)控制系统安装:按照设计图纸进行控制系统安装,确保系统运行稳定。
(3)调试与验收1)加氯机调试:对加氯机进行调试,确保其运行正常。
2)氯气瓶压力检测:检测氯气瓶压力,确保符合要求。
3)控制系统调试:对控制系统进行调试,确保其运行稳定。
4)设备验收:组织专家对设备进行验收,确保设备质量。
3. 施工注意事项(1)施工过程中,严格遵循安全操作规程,确保施工安全。
(2)对施工人员进行安全培训,提高安全意识。
(3)加强施工现场管理,确保施工环境整洁。
(4)做好施工记录,确保施工质量。
废水处理厂加氯加药间安装施工方案1. 介绍该文档旨在提供废水处理厂加氯加药间安装施工方案的详细说明。
通过本方案,废水处理厂可以实现高效、安全和可持续的废水处理。
2. 安装施工步骤以下是废水处理厂加氯加药间安装施工的步骤:2.1 准备工作在开始施工之前,需要进行以下准备工作:- 审查设计图纸和规格说明,确保完全理解设计要求;- 确定施工所需的人员和材料,并做好相应的安排;- 在施工现场设置必要的安全标志,确保施工过程中的安全性。
2.2 加氯加药设备的安装按照设计图纸和规格说明,进行加氯加药设备的安装,包括但不限于:- 加氯设备的选址和安装;- 加药设备的选址和安装;- 相关管道和控制阀门的布置和安装。
2.3 电气设备的安装进行电气设备的安装,包括但不限于:- 确定电气设备的选址和布线;- 安装电气设备,如控制柜、电缆等;- 进行必要的电气连接和调试。
2.4 管道连接和测试连接加氯加药设备和相关管道,并进行测试,确保运行正常和流程畅通。
3. 施工安全措施为了确保施工过程的安全性,需要采取如下安全措施:- 提供适当的个人防护装备,如安全帽、工作服、手套等;- 遵守相关的安全操作规程和技术标准;- 针对施工现场的特殊情况制定紧急预案和应急措施;- 定期检查施工设备和工具的安全状况,确保其正常运行。
4. 资源需求和预算在安装施工过程中,需要合理评估所需的人员、材料和设备资源,并制定相应的预算计划。
这些资源包括但不限于:- 施工人员和技术人员;- 加氯加药设备和配件;- 电气设备和电缆;- 管道和阀门等。
5. 施工验收和保养在安装施工完成后,需要进行相应的验收工作。
验收包括对加氯加药设备和管道的检查、测试和调试,以确保其符合设计要求和安全标准。
此外,还需要建立定期保养和维护计划,以确保设备的正常运行和寿命。
以上就是废水处理厂加氯加药间安装施工方案的详细说明。
通过严格遵守施工步骤和安全措施,废水处理厂可以顺利安装加氯加药设备,并实现高效、安全和可持续的废水处理。
加氯设备技术方案1.供货范围加氯系统包括自氯瓶出口至氯气投加点之间的完整成套系统:氯瓶电子秤、氯瓶支管系统、压力自动切换系统、蒸发器、电动减压阀、液氯过滤器、安全释放阀、氯压力表、氯开关阀、空气调节器、真空加氯机、水射器以及配套管路附件等。
加氯系统技术要求氯气为一种有毒气体,液氯同时又是一种汽化吸热值非常高的化学品,加氯系统必须在保证安全的前提下能够实现长期连续稳定运行、精确计量控制。
2.主要结构及技术要求加氯系统包括自氯瓶出口至氯气投加点之间的完整成套系统:氯瓶电子秤、氯瓶歧管系统、压力自动切换系统、蒸发器、电动减压阀、液氯过滤器、安全释放阀、膨胀室、氯压力表、氯开关阀、真空调节器、真空加氯机、水射器以及配套管路附件等,管道至墙外1米。
参阅加氯系统图。
氯气为一种有毒气体,液氯同时又是一种汽化吸热值非常高的化学品,加氯系统必需在保证安全的前提下能够实现长期连续稳定运行、精确计量控制。
2.1、氯气压力自动切换系统(1)氯气压力自动切换系统,保证两组氯瓶的连续供氯,当在线氯瓶组压力跌到设定压力时,可自动切换至备用氯瓶组,以保证连续供氯。
(2)氯气电动球阀:3/4"NPT螺纹连接,电动头:90~240V,扭矩20Nm,功率:15W,带手动超越(断电时能手动开关)。
碳钢外壳,Monel阀球及阀杆,PTFE 三重密封,带氯气专用阀门标识。
(3)氯气压力自动切换系统还应提供人工超越开关,以使切换系统能够不仅仅取决于气体压力而进行人工操作。
(4)氯气压力自动切换系统应装有2只适用于氯气的电接点压力表,用以指示氯气压力,并在压力达到设定值时发送信号至切换控制箱。
(5)氯气压力自动切换系统的切换压力可根据运转实践设定,0~1.5Mpa 之间可调。
(6)氯气压力自动切换系统应设有指示灯,以表明那组歧管系统处于在线,并设有继电器以显示动作报警的信号,当发生切换时进行指示。
(7)主要部件包括:-1墙挂式控制箱,电压等级为~220V。
加氯设备施工方案1. 引言本文档旨在介绍加氯设备的施工方案,详细说明施工过程、注意事项以及相关安全要求。
加氯设备用于给水处理系统中对水进行消毒,确保水质达到卫生标准,保障用户的健康安全。
2. 施工过程2.1 准备工作在进行加氯设备的施工前,需要进行以下准备工作: - 确定加氯设备的位置和安装方式; - 检查相关设备和材料是否齐全,并进行必要的采购; - 制定施工计划,并安排施工人员; - 检查加氯设备施工所需的电力、水源和排水等基础设施是否满足要求。
2.2 施工步骤1.安装和调试加氯设备–按照设备厂家提供的安装说明,将加氯设备安装到预定位置;–连接好设备的电源、水源和排水管道;–进行设备的调试,确保设备能正常运行。
2.测试设备工作状态–使用标准检测方法,测试加氯设备的工作状态和消毒效果;–检查设备是否存在漏水、泄露等问题;–如发现异常情况,及时排查并解决。
3.安装相关配套设施–安装加氯设备所需的管道、阀门和配件;–根据设计要求安装相关仪表和控制设备;–进行设备的连接和调试。
4.进行系统联调–将加氯设备与水处理系统的其他设备进行联接;–进行系统的逐级调试和联调,确保设备之间的协调运行。
2.3 施工验收完成加氯设备的安装和调试后,需要进行施工验收,确保设备安装质量和性能达到要求。
验收过程包括: - 对安装质量进行检查,如设备固定是否牢固、管道连接是否密封等; - 对设备运行稳定性进行测试,确保设备能够长时间稳定运行; -对消毒效果进行检测,确保水质达到卫生标准。
3. 注意事项在进行加氯设备的施工过程中,需要注意以下事项:- 遵守施工安全操作规程,佩戴个人防护装备,并确保施工现场的通风良好; - 严格按照设计和操作要求进行施工,确保设备的正确安装和调试; - 施工过程中要注意保护设备和材料,避免损坏; - 防范火灾和漏电等安全风险,确保施工现场的安全; - 与其他施工单位和相关人员进行良好的沟通与配合。
净水厂加氯加药间安装施工方案1.建筑结构设计:加氯加药间一般需要设立在净水厂水处理工艺线的末端,建议采用单层或多层建筑结构,便于操作和维护。
建筑材料应选择防腐蚀、耐酸碱和易清洁的材料,如不锈钢、玻璃钢等。
2.设备选型:根据净水厂的规模和水质处理需要,选择适合的加氯加药设备。
加氯设备可以选择气体氯或次氯酸钠注入装置,加药设备可以选择化学药剂投加装置。
设备供应商应提供相关技术资料和设备参数,以便设计合理的设备安装位置和管道连接方式。
3.管道布置:加氯加药间的管道布置应考虑运行和维护方便,管道的材料应选择耐腐蚀和耐压能力强的材料,如不锈钢或塑料等。
管道布置应符合相关规范和标准,保证药剂的顺畅输送和均匀投加。
4.安全防护:加氯加药间的施工需要重视安全问题。
加氯装置和药剂储存设施应符合相关安全标准,加氯室和加药室应具备良好的通风和排气设施,防止液体和气体泄漏,避免对操作人员和环境造成危害。
5.自动化控制:为提高加氯加药的准确性和稳定性,可以考虑引入自动化控制系统。
自动化控制系统可以通过传感器实时监测水质,调节药剂投加量,实现自动运行和远程监控。
6.操作平台和设备间隔离:加氯加药间应设置操作平台,便于操作人员进行观察和控制。
同时,加氯加药设备与其他设备、管道应有隔离间隔,确保操作人员的安全和设备的正常运行。
7.配电系统:加氯加药间需要配备合适的电力供应和配电系统。
电源和配电设备应符合相关标准,具备短路保护、过载保护和接地保护等功能,确保电力供应的安全和稳定。
8.阀门和仪表:加氯加药间的管道上需要安装适当的阀门和仪表。
阀门用于控制流量和药剂投加量,仪表用于监测水质和操作参数,确保加氯加药的精确和可靠。
总之,净水厂加氯加药间的安装施工方案应综合考虑建筑结构、设备选型、管道布置、安全防护、自动化控制等因素,确保加氯加药的安全、稳定和高效运行。
同时,施工过程中应严格遵守相关安全规范和环保要求,保证工程质量和运行效果。
1.1.1.2.1.3.1.4.安装方案1.4.1.工程概况本工程的主要分为混凝剂投加系统、助凝剂投加系统、碱投加系统、粉末活性炭投加系统、次氯酸钠投加系统。
每个系统的设备主要包括制备装置、溶液罐、计量泵、PVC-U管道、配电箱、控制箱等。
设备工程的安装是保证加药加氯间正常运行的重要条件。
1.4.2.施工准备1.技术准备(1)熟悉安装的机械设备图纸、安装专业施工图、安装技术文件、设备安装说明书、零部件装配公差配合技术要求和有关的国家标准、施工及验收规范等。
(2)学习有关规范和安全技术文件。
(3)调查设备及材料的供应情况,了解施工现场的条件及施工技术的复杂程度。
(4)了解人力、机具的部署情况等,根据所掌握的确切资料,编制施工组织设计和施工方案。
2.劳动力组织准备(1)组建精干、高效的施工队伍,对技术标准高的重点、难点项目,针对性的组织专业化施工队伍进行施工。
(2)结合以往施工经验,优化施工方案,纵观全局,看准难点,抓住关键,统筹安排,均衡生产。
(3)根据工程实际需要,各施工队、工种之间相互协调,由项目部统一调度,合理调配劳动力,减少窝工和劳动力浪费现象。
3.物资准备(1)设备由库房运至施工现场放至指定位置。
(2)施工机具:平板拖车、汽车吊、钢丝绳、电焊机、氩弧焊机、测量工具、液压千斤顶、倒链、手持电动工具等。
1.4.3.设备的安装及调试1.制备装置及溶液罐等静止设备的安装(1)开箱根据安装要求,开箱逐台检查设备的外观,按照装箱单清点零件、部件、工具、附件、合格证和其它技术文件,检查有否因运输途中受到震动而损坏、脱落、受潮等情况,并做出记录。
(2)基础验收与放线设备安装前,应对基础进行检查验收,检查主要内容是基础的质量和几何尺寸,应符合设计或规范要求,否则应进行修正,并做好记录。
基础表面应平整,无露筋裂缝蜂窝麻面等。
检查地脚螺栓孔位置应正确,垂直度达到设计要求。
检查混凝土基础的标高,应符合设计要求。
加氯调试方案一、背景介绍加氯是指向水体中加入氯化物,如氯化钠、氯化钾等,以提高水体中氯化物的浓度,达到消毒和杀菌的目的。
在水处理行业中,加氯是一种常见的工艺。
为了保证加氯的效果和安全性,需要制定一份科学的调试方案。
二、调试目标制定加氯调试方案的目标是确保水体中的氯化物浓度达到适当的范围,同时避免氯离子超标对人体和环境造成的危害。
三、调试步骤1. 调试前准备在正式进行加氯调试之前,需要进行以下准备工作:- 确定加氯设备的型号和性能参数;- 检查加氯设备的运行状态和安全性,确保设备处于正常工作状态;- 准备充足的氯化剂,并检查氯化剂的质量和浓度。
2. 确定加氯剂投加方案- 根据水体的体积和水质特性,确定合适的加氯剂投加量;- 进行实际投加试验,观察投加量对水质的影响,并进行调整;- 确定加氯剂投加的频率和时间间隔,以保证水体中氯化物的浓度始终处于安全范围内。
3. 监测和调整- 安装氯化物浓度监测装置,实时监测水体中氯化物的浓度;- 根据监测结果,及时调整加氯剂的投加量和投加频率;- 定期对加氯设备和监测装置进行维护和保养,以确保其正常运行。
四、安全措施1. 对加氯设备进行定期检查和维护,确保设备的正常运行和安全性;2. 在加氯过程中,操作人员应戴好防护手套和口罩,避免直接接触氯化剂;3. 避免将氯化剂与其他物质混合,以免产生有害气体。
五、调试结果评估在加氯调试结束后,需要对调试结果进行评估,以确保目标达成和调试过程的效果:1. 检测水体中氯化物的浓度,确保其处于合理的范围内;2. 在加氯过程中是否出现意外情况,如设备故障、操作失误等;3. 调试期间是否有泄漏污染环境的情况发生。
六、总结和改进根据调试结果评估的情况,进行总结并提出改进方案:1. 总结加氯调试的经验和教训,为今后的工作提供参考;2. 如有必要,对加氯设备进行升级和改进,以提高加氯效果和安全性;3. 加强人员培训,提高操作人员的技术水平和安全意识。
前言上海费波自控技术有限公司此次投标主要是采用的美国水环纯水务集团(STS)的加氯设备产品和美国米顿罗公司的加药设备产品,美国水环纯水务集团(STS)是世界上知名的水务公司,其生产的加氯消毒产品至今已有50多年的历史,是世界上首台加氯机的发明者。
其技术先进、安全性高,1991年通过通过1SO9001:2000质量认证一直至今,证书编号:UQA0100454/B。
其质量标准符合我国水行业的应用要求。
在设备、制造、检验上严把质量关,在国内大中型水厂、电厂、石化行业、污水厂、电子行业、造纸厂、啤酒厂、制药厂等拥有大量用户和良好的应用业绩,至今已有几十年的成功应用历史。
业绩请参照业绩简明一览表。
汉胜工业设备(上海)有限公司是米顿罗之母公司美国汉胜公司在上海设立的独资企业.专业设计生产米顿罗(MILTON ROY)高性能计量泵。
汉胜与世界著名的开利空调、奥的斯电梯和普惠发动机等同属世界500强的美国联合技术公司。
STS被美国纽约投资协会评为AAA级资信,其母公司是Severn Trent Plc.坐落在英国白明翰,在伦敦证券交易所上市,是全球领先的水务集团。
上海费波自控技术有限公司是一九九五年成立的集技贸于一体的有限责任公司,自公司成立以来一直从事水处理过程加药、加氯消毒系统控制技术的专业性公司。
公司致力于工业过程(水处理)电气自动化系统设计、系统设备成套供应及安装调试技术服务。
是中国水处理行业从事加氯加药系统规模最大的专业代理公司之一,年销售额逾6000万人民币,库存金额达1000万元。
公司现有46人,其中硕士一人、高级工程师4人、会计师1人、工程师10人、助理工程师12人,办公室秘书和财务人员以及技术工人共计18人。
有给排水、环境工程、化工、电气、计算机、自控等专业的技术人员,具有丰富的水处理经验,承接过世界五百强企业在华项目的水处理工程:美国AB公司(全球啤酒业巨头)—百威(武汉)国际啤酒有限公司、法国VEOLIA(威立雅公司)上海浦东威立雅自来水公司临江水厂40万吨/日供水扩建工程(A、B期),接受了高要求、高标准的验收考验。
是美国首都控制(S.T.S-Capital Controls)公司和美国Milton Roy公司在上海的专业授权代理商和技术服务中心。
公司已成功地承包一些知名内外资企业的给排水处理工程,百威(武汉)国际啤酒有限公司的加氯加矾自动化系统、上海闵行水厂加氯加氨系统、桂林自来水公司加氯加矾自动化系统、浙江萧山污水处理自动化仪表系统、山东华众纸业有限公司自备电厂自动加氯系统、扬州自来水公司加氯加矾系统、上海自来水公司居家桥水厂加氯系统、上海闵行自来水公司加氯加药系统工程等。
并成为国内外水处理公司的长期供货商如美国纳尔科公司、通用电气GE公司、ITT、威立雅水务公司。
公司营业用房的情况为:公司办公面积933m2,生产用房面积1099.17m2,均坐落于国家经济开发区—上海漕河泾新兴技术开发区。
公司以技术部经理金世荣为首的从事加氯系统技术的工程师有10多人,每人皆有至少从事加氯系统10来个项目的工作经验。
金世荣先生具有10多年的从事加氯项目工作经验,其组织设计、施工、调试和技术培训的项目以超过80多个,积累了丰富的应用经验。
其领导的团队是杨家门水厂加氯项目的技术保证。
加上我公司对加氯设备产品的有常备成品和备件库存,这是对自来水行业加氯设备的应急维修、更换替代起到及时供应且不影响生产的作用,收到诸多自来水公司的欢迎。
现在美国STS 在上海浦东成立办事处对今后的售后服务、技术的沟通带来顺畅性和及时性,也是对用户选用STS产品的有力后盾。
美国首都控制产品加氯系统技术文件项目:小昆山水厂加氯系统本部分仅对此项目加氯系统流程原理及组成进行描述,组成部分主要设备详细技术说明见附后各设备技术描述。
加氯系统共有4个氯加注点,设前后各2个氯加注点。
所有的加注氯气均通过加氯机经管道输送到加注点附近,经水射器与清水混合成氯溶液后经很短一段的氯溶液输送管输送到加注水体中。
根据招标文件的要求,我公司对此加氯系统设备作出实质性的响应。
我们在充分消化招标书文件基础上,配置了以美国SEVEN TRENT SERVICES公司Capital Controls产品为主体的加氯设备,以确保系统安全可靠,尤其对于蒸发器系统的安全问题,我们给与充分的考虑和配置。
同时提供国内外主要品牌对于安全性能的比较,以供评标参考。
加氯系统特点如下:1、首先满足加氯系统最基本的要求,滤后加氯、吸水井加氯量达到标书要求,其加氯量分别为40kg/h、20kg/h。
且能实现上位机对加氯机的自动控制。
2、蒸发器的蒸发量达到设计的要求,蒸发量满足大于等于113kg/h。
我们配置120kg/h的蒸发器,此蒸发器属于特种安全设备,其自身的安全性和辅助设备的安全保障相当重要。
3、系统配置的真空调节器满足系统最大的耗氯量的要求,此系统真空调节器的容量标书要求80kg/h,我们配置的调节器为150kg/h,150kg/h既满足目前最大量的要求,也满足今后扩建的最大量的要求。
4、从液氯岐管至蒸发器之间,属高压液氯区,应有防止含有饱和热的液氯万一产生压力骤升,破坏系统的措施。
设有膨胀室及防曝膜。
防曝膜一经破裂即有报警触点输出,并将故障通知值班人员。
从蒸发器至真空调节器之间,也属气氯高压区,为了防止从蒸发器发出的氯气由于误操作或其它特发事件,使气氯压力骤升,在蒸发器出口必须设置带有防曝膜安全压力释放阀,并且压力释放阀的释放压力(我们配置的释放阀压力:1.725MPa)要求小于氯瓶及其管路系统安全使用的最大压力(国家规定氯瓶的最大使用压力为2.0MPa),才能起到真正意义上的过压释放作用,并可远传报警信号给值班室。
5、系统功能(参见加氯系统原理图)。
为确保正常运行加氯系统配备下列几部分组成:A、正压管路切换及蒸发器系统部分B、自动加氯系统部分C、氯水溶液投加部分D、漏氯报警仪及系统安全配置部分A、正压管路及蒸发器系统本系统分设氯气正压管路系统,主要功能是安全地提供充足连续供给的氯气气源,并对液氯的消耗量给予计量。
正压气源系统共设两组氯瓶,由4只吨级氯瓶组成.氯瓶设两台电子吨级瓶秤,电子秤具有显示报警及远传信号功能,用于检测氯瓶的重量.吨级氯瓶通过轭钳及柔性管同汇流排相连,由汇流排出来的液氯经自动切换装置进入蒸发器,出来的氯气再进入缓冲过滤器。
由蒸发器出来的氯气经电动减压阀减压后进入到真空调节器。
氯源自动切换由就地控制柜来控制,执行机构为氯电动球阀,当一组氯源快用完时,控制箱根据设定的氯瓶电子秤的低位重量开关信号的指令,将氯源满瓶的管路上电动球阀打开,将快用完的一组氯瓶管路上的电动球阀关闭,自动切换更换一组氯瓶,从而保持总管中的氯源不间断连续供气。
根据《氯气安全规程》(GB11984-89)第6.1.11节规定“严禁将油类、棉纱等易燃和与氯气易发生反应的物品放在钢瓶附近。
”本系统采用水浴式氯气蒸发器,即以水作为加热交换媒介,被蒸发出的氯气温度≤100°C,在温控故障时,将不会超过蒸发器结构材料的特性温度,从而达到本质安全保证。
根据《钢质焊接气瓶》(GB5100-94)及《气瓶安全监察规程》对氯瓶的要求。
同氯瓶正压管路系统联接的蒸发器最大工作蒸发压力≤2.0MPa(即蒸发器的安全泄放阀启动压力1.725≤2.0MPa)。
以保证氯瓶及正压管路的安全运行从而避免物理爆炸的可能,达到本质安全保证。
蒸发器采用低温电加热型,将液氯蒸发为气态氯,正常使用温度不大于60℃,安全可靠。
蒸发腔由SCH80焊接钢管制造,蒸发腔设计制造试验符合ASME标准VⅢ部分要求,耐压安全性为ASME标准的1.5倍。
蒸发腔提供L认证,蒸发腔进行5.7Mpa 静压试验,对于紧急情况的压力释放,提供一只安全头防爆膜和隔膜压力开关的气体压力释放阀,电加热安装在设备的底部,以确保通过对流进行的热分配,无需额外的热循环设备。
蒸发腔内有电子阴极保护系统,进行防腐蚀保护。
为确保安全在压力管路系统配套:压力释放阀、电动减压阀、安全头防爆膜、膨胀室等安全保护系统。
当管路中的压力超过一定的数值(1.725 Mpa)时,压力释放阀的防爆膜破裂,发出报警信号,随时将系统中的压力通过放空管卸压。
电动减压阀可将含饱和热的氯气压力降到0.2~0.3Mpa以防止气相氯气液化;另外当蒸发器水温过低时联动减压阀自动关闭,防止液相氯进入加氯设备;在有阀门双向截止的一定长度的管道上安装膨胀室/防爆膜,当此段管路中液氯受热压力过高时防爆膜破裂,压力由膨胀室缓冲释放到安全状态。
整个系统中水射器为动力源,在一定的水量和水压调节下,水射器产生负压抽吸力,此时真空调节器的入口阀打开,通过电动减压稳压阀稳压的氯气进入真空调节器。
系统设一台真空调节器,最大容量为150kg/h,。
真空调节器将进口的正压气体调节为出口的负压气体。
真空调节器具有工作压力状态指示功能,工作状态现场一目了然,真空调节器配有集液管(3/4")进气接口,将偶尔冲入的少量液氯进一步过滤并加热蒸发,确保进入真空调节器及加氯机的是清洁的气态氯,这对于加氯设备的安全使用延长寿命起到很好的保护作用。
B、自动加氯系统部分本部分主要功能是对氯气流量进行自动调节控制,实现准确的气体投加。
柜式氯气流量控制器的面板上装有直观的公制刻度的加氯流量计,显示实际加氯量,系统选用20KG/H或10KG/H自动柜式加氯机各三台,四用两备,自动加氯调节可用根据上位机的自动控制信号来自动调节投加量。
C、氯溶液投加部分本部分主要功能是将负压氯气同水混合形成溶液氯投加到工艺中去。
经过真空加氯机的负压氯气是通过水射器同水混合成溶液经扩散器再投加至水体中,完成氯气的投加过程。
水射器是投加系统的发动机(动力源)。
本系统配置的是高效节能的水射器(即在较低的水压和水量消耗的条件下,实现满负荷投加),配置水射器进水组合(压力表/Y型过滤器/手动阀),出口安装耐腐蚀膜片压力表,以观察水射器进出口压力情况(背压)。
D、漏氯报警及及系统安全配置部分仪表监测:在氯瓶间及蒸发器室分设漏氯报警传感器,按照标书要求共2只,共用一只变送器(漏氯报警仪),安装在加氯间。
一旦有氯气泄漏氯报警仪报警触发轴流风机或漏氯吸收装置。
这些设备需要额外配置不在本标范围之中。
设备功能配置1:蒸发器配置的压力释放阀、电动减压阀皆有泄放口,一旦有泄漏可以直接泄放到吸收装置中。
当管路中的压力超过一定的数值(1.725 Mpa)时,压力释放阀的防爆膜破裂,发出报警信号,随时将系统中的压力通过放空管卸压到吸收装置中。
设备功能配置2:在有阀门双向截止的一定长度的管道上安装膨胀室/防爆膜/压力开关/压力表,当此段管路中液氯受热压力过高时防爆膜破裂,压力由膨胀室缓冲释放到安全状态,可以通过压力表观测系统状态同时有压力开关信号传输到中控室。