短路断路专题
- 格式:doc
- 大小:226.50 KB
- 文档页数:4
通路短路断路知识点总结通路的概念通路是指电流从电源端流向负载端的一条路径。
在电路中,通路可以是直流电路,也可以是交流电路。
通路能够使电流顺利地从电源端到达负载端,从而实现电路中的功能。
通路的条件一个完整电路的通路要满足一些条件:1. 恰当的电源:电路需要有一个电源供电。
2. 连接物:电路需要适当的导线、连线或导体将各个元件连接在一起。
3. 负载:电路中需要有一个负载,通路的目的是使电流能够顺利地从电源流向负载。
通路的分类根据电流的类型,通路可以分为直流通路和交流通路。
直流通路:直流通路是指电流的方向和大小都是恒定不变的通路。
在直流通路中,电流的方向始终不变,负载端得到的电压和电流也是稳定的。
交流通路:交流通路是指电流的方向和大小会随时间而变化的通路。
在交流通路中,电流的方向会周期性地变化,因此需要交流电源来供电。
短路的概念短路是指电路中两个不同的电路节点之间直接连接而形成的路径。
短路的存在可以导致电流绕过负载,直接从电源流向地,从而使电路的正常工作受到影响。
短路可以是意外发生的,也可以是故意设计的。
短路的危害短路会导致电路中的电流增大,增大的电流可能会导致电路元件损坏,甚至引发火灾。
因此,必须注意避免电路中的短路情况。
短路的检测短路可以通过测量电路中的电阻来检测。
如果两个不同节点之间的电阻非常小,接近于零,那么可以判断这两个节点之间存在短路。
断路的概念断路是指电路中的通路被意外中断,导致电流无法流通。
断路的存在会导致电路中的负载无法得到电流供应,从而使电路无法正常工作。
断路的原因断路有多种可能的原因,包括:1. 导线断裂:由于导线老化、磨损或外力损坏导致导线中断。
2. 元件损坏:电路中的元件损坏导致电路无法正常工作。
3. 连接不良:电路中的连接件接触不良导致电路中断。
断路的危害断路会导致电路无法正常工作,从而影响电路的功能。
同时,断路也可能会导致电路元件过载,损坏电路元件。
断路的检测断路可以通过检测电路中的电阻来进行判断。
断路和短路专题1.概念:短路就是直接由导线连接成闭合回路。
也就是没有经过用电器,直接与电源正负极相连。
2.分类:A.电源短路,指导线不经过用电器而直接接到了电源的两极上。
导致电路中电流过大,从而烧坏电源。
这种情况是绝对不允许的。
B.用电器短路(用导线直接连载用电器两端),指的是串联的多个用电器中的一个或多个(当然不是全部)在电路中不起作用,这种情况是由于接线的原因或者电路发生故障引起的。
这种情况一般不会造成较大的破坏。
将这一现象上升到理论就是:从同一起点A到同一终点B,如果存在多条可能的通路,但其中有一条是导线,则电流只流经导线,不通过其他任一通路。
习题1、如图所示,当开关闭合时,发生的现象是(2、如图所示的电路中,甲、乙、丙是三只相同的小灯泡,则( )A 、S1断开,S2闭合时,丙灯不亮,甲、乙亮B 、S1、S2都闭合时,甲、乙、丙都亮C 、S1闭合、S2断开时,甲不亮,乙、丙亮D 、S1、S2都断开时,乙、丙不亮,甲亮3、(2010?南宁)如图所示的电路中( )A 、若S1、S2和S3都闭合时,则L1和L2并联B 、若S1、S2和S3都闭合时,则L1和L2串联C 、若S1断开、S2和S3闭合时,则L1和L2串联A 、灯亮电铃响B 、灯亮电铃不响C 、灯不亮电铃响D 、灯不亮电铃也不响D 、若S2断开、S1和S3闭合时,则L1和L2并联4 .如图,要使两灯串联,应闭合开关;闭合开关S1和S3,两灯联;为避免短路,不能同时闭合开关 ________ .5 .如图5所示,闭合电键S,灯L 亮,一段时间后灯L 熄灭。
若电路中只 有一处故障,且只发生在灯L 或R 上。
现用一只规格相同且完好的灯L’替换灯 L,正确的判断是 ()L----- 11 ....... -A.若灯L′亮,则灯L 一定断路8 .若灯L′亮,则灯L 一定短路C.若灯L′不亮,则电阻R 一定断路D.若灯L′不亮,则电阻R 一定短路6.如图14所示,当开关S 闭合后,两只灯泡均发光,两表均有示数。
短路断路知识点总结1. 短路的概念短路是指两个或多个不同相的导体直接接触,导致电流绕开设计好的电路路径而形成了一个新的捷径。
在短路情况下,电流会沿着这条新的捷径流动,从而导致电路中的其他部分无法正常工作。
2. 短路的原因短路的原因通常包括以下几种情况:a. 绝缘层受损:在电路中,通常会有绝缘层来隔开不同的导体,防止它们之间短路。
但是如果绝缘层受损或者破损了,就会导致不同的导体直接接触,从而形成短路。
b. 设计错误:在电路设计中,如果连接错误或者设计上的缺陷会导致电流绕开原本的电路路径,从而形成短路。
c. 外部原因:不良的环境条件,如潮湿、污秽、高温等会导致电路中的绝缘层受损,从而形成短路。
3. 短路的危害短路会给电路和设备带来严重的危害,其中主要包括以下几点:a. 过载:短路会导致电流绕开原本的电路路径,从而导致其他部分承受更高的电流负荷,造成设备过载,甚至损坏。
b. 火灾:如果短路导致电路中的绝缘层受损,就会产生大量的热量,可能引发火灾。
c. 设备损坏:短路会导致电路中的元件、器件受到过大的电流冲击,从而造成设备损坏。
4. 短路的处理方法对于短路问题,我们可以采取以下措施来处理和预防:a. 定期检查:定期检查电路和设备的绝缘层情况,及时更换老化或者受损的部件。
b. 设备保护:在电路中增加保护元件,如熔断器、过载保护器等,以防止短路时产生的过大电流。
c. 优化设计:优化电路设计,避免连接错误或者设计上的缺陷,从源头上减少短路的可能性。
5. 断路的概念断路是指电路中的导体被切断,导致电流无法正常通路。
在断路情况下,电路中的某个部分将无法正常工作。
6. 断路的原因断路的原因通常包括以下几种情况:a. 导线断裂:电路中的导线由于拉伸、挤压、振动等原因导致断裂。
b. 连接松动:电路中的连接点松动或者螺母螺栓松动,导致导线断路。
c. 元件损坏:电路中的元件损坏,如电阻、电容等,导致电流无法通过。
7. 断路的危害断路会给电路和设备带来严重的危害,其中主要包括以下几点:a. 设备无法工作:断路会导致电流无法通过,使电路中的部分设备无法正常工作。
判断短路和断路的题
电路故障分为短路和断路两种情况,短路分为局部短路,和电源短路两种情况。
断路则为电路断开的情况。
短路是电流不经过用电器直接构成通路。
02知识储备
1.电路短路
(1)串联电路短路:如图T2-1甲、乙所示,甲图为局部短路,乙图为电源短路。
图甲中由于电阻R1被短路,电路电阻减小,电路电流增大,电阻R2两端电压增大;图乙中电源被短路,容易烧坏电源。
(2)并联电路短路:如图T2-2所示,此时一条支路短路,造成电源短路,容易烧坏电源。
2.电路断路
(1)串联电路断路:如图T2-3甲所示,电阻R1断路,此时电路电流为零,所有用电器停止工作,电阻R1两端有电压(几乎等于电源电压),电阻R2两端电压为零。
(2)并联电路断路:如图乙所示,电阻R1断路,此时本支路电流为零,本支路上的用电器停止工作,但是其他支路不受影响(电流、电压均不变),电路总电流变小。
3.电表接反
如果电流表或电压表的接线柱接反,会造成电流表或电压表指针反偏,容易损坏电表。
4.滑动变阻器错误连接
如图T2-4所示,如将接线柱AB同时接入电路,则小灯泡发光较暗,且移动滑片时灯泡亮度不变;如将接线柱CD同时接入电路,则小灯泡发光较亮,且移动滑片时灯泡亮度不变。
5.家庭电路故障
如图T2-5所示,①若发生短路,则用电器不工作,保险丝熔断;②若进户火线断路,则a、b、c、d点均不能使试电笔氖管发光;若进户零线断路,则a、b、c、d点均能使试电笔氖管发光。
03思路图解
以图T2-6为例,图解串联电路故障判断思路(假如故障只在L1或L2上):。
例1在如图所示的电路中,当闭合开关S后,发现两灯都不亮,电流表的指针几乎指在“0”刻度线不动,电压表指针则有明显偏转,该电路中的故障可能是A.电流表被烧坏了 B.灯泡L1的灯丝断了C.两个灯泡都断路 D.灯泡L2的灯丝断了例题2小星用图7.1.2所示的电路来探究串联电路的电压关系。
已知电源电压为6V,当开关S闭合后,发现两灯均不亮。
他用电压表分别测a、c和a、b两点间的电压,发现两次电压表示数均为6V,由此判定灯_______(选填“L1”或“L2”)开路,用电压表测b、c两点间的电压,示数为_______V。
如图2所示的电路中,电源电压保持不变。
闭合开关S后,灯L1、L2都正常发光,一段时间后,其中一盏灯突然熄灭,观察电压表的示数不变,而电流表的示数变小。
产生这一现象的原因是A. 灯L1开路B. 灯L1短路C. 灯L2开路D. 灯L2短路巩固练习1在图所示的电路中,电源电压保持不变。
闭合电键S,电路正常工作。
过了—会儿,一个电表的示数变大,另一个电表的示数变小,则下列判断中正确的是A 电阻R一定断路。
B 电阻R一定短路。
C 灯L的亮度可能不变。
D灯L可能变亮2在图3所示的电路中,电源电压不变,闭合电键K,电路正常工作,一段时间后,发现其中一个电压表示数变大,A.灯L可能变亮B.灯L亮度可能不变C.电阻R可能断路D.电阻R可能短路3在图8所示的电路中,电源电压不变。
闭合电键K后,灯Ll、L2都发光。
一段时间后,其中的一盏灯突然熄灭,而电压表V1的示数变大,电压表V2的示数变小。
则产生这一现象的原因是A.灯L1断路B.灯L2断路C.灯L1短路D.灯L2短路-----------电路故障汇编-------------A组1(2010安徽)在如图所示的电路中,电源电压不变,闭合开关,电路正常工作。
但过了一段时间,小灯泡发生断路,这时A.电压表示数变大,电流表示数变小B.电压表示数变大,电流表示数变大C.电压表示数变小,电流表示数变大D.电压表示数变小,电流表示数变小2(2010上海)在图4所示的电路中,闭合电键S,电路正常工作。
L 1V L 2S A 图11 L 1V L 2S A 图4 6d c b a 3章 电路短路断路 专项练习1、如图所示的电路,电源电压不变,闭合开关S ,灯L1和L2均发光.一段时间后,一盏灯突然熄灭,而电流表和电压表的示数都不变,出现这一现象的原因可能是( )A 、灯L1短路B 、灯L1断路C 、灯L2短路D 、灯L2断路2、如图4所示电路,两盏相同的电灯在闭合开关后都能发光.过了一会儿,有一盏电灯突然不亮了,经检查发现电压表示数为零.电流表示数增大。
如果电路只有一处故障,则故障可能是( )A .电灯L 1断路B . 电灯L 2断路C .电灯L 1短路D .电灯L 2短路3、如图是某同学做实验时的电路图。
闭合开关S 后,发现灯泡L 1、L 2均不亮,电流表示数为零,电压表示数等于电源电压,则该电路中的故障是:( )A .电源正极与a 之间断路 B .a 、L 1、b 之间断路 C .b 、L 2、c 之间 D .c 与电源负极之间断路4、如图3所示电路,两盏相同的电灯在闭合开关后都能发光.过了一会儿,两盏电灯突然同时都不亮了,且电压表和电流表的示数均变为零.如果电路只有一处故障,则故障可能是( ) A .电灯L 1断路 B .电灯L 2断路 C .电灯L 1短路 D .电灯L 2短路 5、如图9所示,当开关S 闭合时,发现电流表指针偏转,电压表指针不动。
该电路的故障可能是( ) A .灯L 1的接线短路 B .灯L 2的接线短路C .灯L 1的灯丝断了 D .灯L 2的灯丝断了6、在图所示的电路中,电源电压不变。
闭合开关K 后,灯L 1、L 2都发光,—段时间后,其中的一盏灯突然变亮,而电压表V l 的示数变小,电压表V 2的示数变大,则产生这一现象的原因是 ( )A.灯L 1断路B.灯L l 短路C.灯L 2断路D.灯L 2短路。
7、如图1所示,若开关S 闭合后,灯L 1、L 2均不亮,小华同学利用一根导线去查找电路故障,当她将导线连接在灯L 1两端时,两灯均不亮,将导线连接在灯L 2两端时,灯L 1亮而灯L 2不亮.由此可以判断 ( )A .灯L 1短路B .灯L 2短路C .灯L 1断路D .灯L 2断路8、右图是小文同学研究串联电路中电流、电压特点的实物连接图,当开关闭合时,灯L 1亮,灯L 2不亮,电流表和电压表均有读数.则故障原因可能是( )A.L 1断路B.L 1短路C.L 2断路D.L 2短路9、右图所示的电路中,电源电压为6V ,当开关S 闭合后,只有一只灯泡发光,且电压表V 的示数为6V ,产生这一现象的原因可能是( )A.灯L 1处短路B.灯L 2处短路C.灯L 1处断路D.灯L 2处断路10、如图6所示的电路中,a 、b 、c 、d 为四个接线柱,闭合开关S 后,灯L 不亮,若用电压表接在b 、d 间,闭合开关S ,电压表有明显示数;若将电流表接在b 、c 间,无论闭合还是断开开关S ,电流表都有明显示数,且灯泡L 发光,则故障一定是( )A 、灯泡断路B 、灯泡短路C 、电阻R 短路D 、电阻R 断路11、如图11所示的电路中,电源电压保持不变。
初中物理电路短路和断路情况电路故障的常见情况有两种,断路和短路。
短路:指电路或电路中的一部分被短接,如负载与电源两端被导线连接在一起,就称为短路。
当产生短路时,电路被短路部分有电流通过(电流表有示数),被短路两点之间没有电压(电压表无示数)。
断路:指处于电路没有闭合开关,或者导线没有连接好,或用电器烧坏或没安装好,即整个电路在某处断开的状态。
当产生断路时,电路断路部分没有电流通过(电流表无示数),断路两点之间有电压。
根据现象判断电路故障现象一:用电器不工作1、串联电路:如果其他用电器均不能工作,说明某处发生断路;如果其他用电器仍在工作,说明该用电器被短路了。
2、并联电路:如果所有用电器均不工作,则干路发生断路;如果其他用电器仍工作,则该用电器所在支路发生断路。
现象二:电流表示数正常,电压表无示数1、分析:“电流表示数正常”表明电流表所在的电路为通路,“电压表无示数”表明无电流通过电压表。
2、故障原因:①电压表损坏;②电压表接触不良;③与电压表并联的用电器短路。
现象三:电流表无示数,电压表有示数1、分析:“电流表无示数”说明电流很小或几乎无电流通过电流表,“电压表有示数”表明电路中有电流通过。
2、故障原因:①电流表短路;②和电压表并联的用电器断路。
现象四:电流表、电压表均无示数1、分析:“电流表、电压表均无示数”表明无电流通过两表。
2、故障原因:①两表同时短路;②干路断路导致无电流。
利用电流表或导线、电压表查找电路故障1、用导线或电流表查找:将导线或电流表依次并联在用电器两端,若电路中的其他用电器工作,则与导线或电流表并联的用电器发生了断路(不能将导线和电流表并联在电源两端,这样会造成电源短路)。
2、用电压表查找:将电压表依次并联在用电器两端,若电压表有示数,则与电压表并联处发生了断路,与电压表串联的电路是通路;若电压表无示数,则与电压表并联处发生了短路,或与电压表串联的电路存在断路。
测量小灯泡电阻实验中常见的故障1、小灯泡短路:电流表有示数,电压表无示数,小灯泡不发光。
物理知识:断路与短路一、断路的定义与原因在电路中,当电流无法流通到达目标位置时,即发生了断路现象。
断路可能由以下原因引起: 1. 导线断裂:导线被拉断或切断,电流无法流过断开的部分。
2. 断线开关:如果电路中存在一个断开的开关,当开关处于断开状态时,电流无法通过。
3. 开路元件:某些元件(例如电阻)在断开状态下,会阻断电流的流动。
二、短路的定义与原因短路是指电路中两个或多个本应隔离的导体直接相连,导致电流绕过正常路径进行流动。
短路可能由以下原因引起: 1. 导线短路:导线之间发生接触,使电流绕过原本应该通过的元件。
2. 元件故障:某些元件(如电容或电感)由于故障导致两个电极短路。
三、断路和短路的影响 1. 断路:当电路中发生断路时,电流无法通过,电路中的其他元件也无法正常工作。
例如,当灯泡所在的电路发生断路时,灯泡将无法亮起。
2. 短路:当电路中发生短路时,短路处的电流会迅速增加,可能引发电路过载、烧毁元件、甚至引起火灾。
四、如何检测断路和短路 1. 断路检测:使用万用表的电阻测量功能,将测试笔分别连接到待测导线或元件的两端,如果显示无限大的电阻值,则可能发生了断路。
2. 短路检测:使用万用表的电阻测量功能,将测试笔分别连接到待测元件的两个触点,如果显示接近于零的电阻值,则可能发生了短路。
五、如何修复断路和短路 1. 断路修复:找到导线的断裂位置,并用绝缘胶带、焊接或插头等方式重新连接或修复断开的导线。
2. 短路修复:首先排除短路问题的元件,然后修复短路处的导线或元件,确保电路中不存在直接连接的导体。
六、如何预防断路和短路 1. 断路预防:安装电路中的导线时,注意避免过度拉伸或弯曲导致导线断裂;定期检查电路中的连接处是否松动。
2. 短路预防:安装电路元件时,确保元件之间有足够的隔离距离;使用绝缘材料包裹导线,避免导线之间发生直接接触。
总结:断路和短路是电路中常见的问题,可能会导致电路无法正常工作或引发危险。
短路断路通路练习题一、选择题1. 下列哪种情况属于短路?A. 电阻两端电压为零B. 电阻两端电压等于电源电压C. 电流表读数为无穷大D. 电压表读数为零A. 电阻B. 导线C. 开关D. 电源A. 开关B. 电阻C. 导线D. 电容器二、填空题1. 当电路发生______时,电流会急剧增大,可能导致电路损坏。
2. 在电路中,______是指电流无法流通的故障现象。
3. 电路中,______是指电流可以顺畅流通的路径。
三、判断题1. 短路会导致电路中的电流减小。
()2. 断路是指电路中某个部分的电阻突然变为零。
()3. 通路是电路中电流能够正常流通的路径。
()四、简答题1. 请简要说明短路、断路和通路的概念。
2. 举例说明短路现象在日常生活中的应用。
3. 如何判断电路中是否存在断路现象?五、综合题(1)当开关S1闭合,开关S2断开时,电路处于什么状态?(2)当开关S1断开,开关S2闭合时,电路处于什么状态?(3)当开关S1和S2都闭合时,电路处于什么状态?2. 请设计一个简单的电路,包含短路、断路和通路三种状态,并说明如何实现这三种状态。
六、计算题1. 一个电阻器的阻值为10Ω,当它发生短路时,电路中的电流是多少?假设电源电压为12V。
2. 如果一个电路的总电阻为20Ω,电源电压为24V,当电路中某处发生断路时,电路中的电流是多少?七、作图题(1)电源(2)电阻(3)开关(4)短路有一个电源、两个电阻(R1和R2)、一个开关S和一段导线。
R1和R2串联,开关S与R2并联。
当开关S闭合时,电路处于短路状态。
八、实验题1. 设计一个实验,验证短路现象。
请描述实验步骤、所需材料和预期结果。
2. 如何通过实验来判断电路中是否存在断路?请详细说明实验过程。
九、案例分析题1. 某家电维修工在修理一台电视机时,发现电源线内部短路,导致电视机无法正常工作。
请分析可能导致电源线短路的原因,并提出解决方法。
2. 在一个串联电路中,一个电阻突然断路,导致整个电路中的电流变为零。
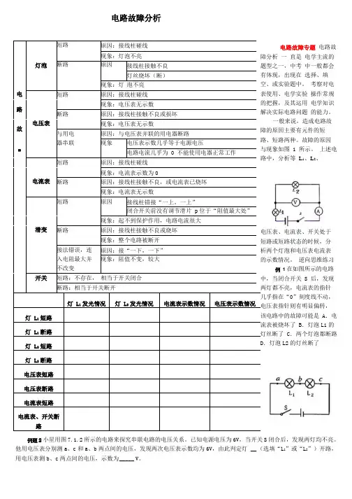
电路故障分析灯泡短路原因:接线柱碰线现象:灯泡不亮断路原因接线柱接触不良灯丝烧坏(断)现象:灯泡不亮电短路原因:接线柱碰线路现象:电压表无示数断路原因:接线柱接触不良或损坏故电压表现象:电压表无示数与用电原因:与电压表并联的用电器断路器串联现象电压表示数几乎等于电源电压障电路电流几乎为 0 不能使用电器正常工作短路原因:接线柱碰线现象:电流表示数为0电流表断路原因:接线柱接触不良,或电流表已烧坏现象:电流表无示数短路原因接线柱错接“一上,一上”闭合开关前没有调节滑片 p位于“阻值最大处”现象:起不到保护作用,电路电流很大滑变断路原因:接线柱接触不良或烧坏现象:整个电路被断开接法错误,连原因:接“一下,一下”入电阻最大并现象:阻值不变,较大不改变开关短路:不存在,相当于开关闭合断路:相当于开关断开电路故障专题电路故障分析一直是电学主流的题型之一,中考中一般都会有体现,出现在选择、填空、或实验题中。
考察对电表使用、电学实验操作常规的把握,及其运用电学知识解决实际电路问题的能力。
一般来说,造成电路故障的原因主要有元件的短路、短路两种。
故障的原因与现象如图 1 所示。
上述电路中,分析等L1、L2、灯 L1 发光情况灯 L2 发光情况电流表示数情况电压表示数情况灯 L1 短路灯 L1 断路灯 L2 短路灯 L2 断路电压表短路电压表断路电流表短路电流表、开关断路电压表、电流表、开关处于短路或短路状态的时候,分析两个灯泡和电压表电流表的示数情况。
逆向思维练习例 1 在如图所示的电路中,当闭合开关 S 后,发现两灯都不亮,电流表的指针几乎指在“0”刻度线不动,电压表指针则有明显偏转,该电路中的故障可能是 A.电流表被烧坏了 B.灯泡L1的灯丝断了 C.两个灯泡都断路D.灯泡L2的灯丝断了例题2小星用图7.1.2所示的电路来探究串联电路的电压关系。
已知电源电压为6V,当开关S闭合后,发现两灯均不亮。
他用电压表分别测a、c和a、b两点间的电压,发现两次电压表示数均为6V,由此判定灯 __ (选填“L1”或“L2”)开路,用电压表测b、c两点间的电压,示数为_____ V。
电路故障----短路与断路分析专题一:断路与短路1.图中所示电路,闭合开关S 后,灯泡L1、L2都不发光,电流表示数几乎为零,电压表示数约3V 。
已知两灯规格相同,则该电路故障可能是()A .灯泡L 1断路B .灯泡L 2断路C .灯泡L 1短路D .电流表处有短路2.如图所示电路,电源电压恒为3V 。
闭合开关S 后,小灯泡L 1、L 2均发光;一段时间后,两灯突然同时熄灭,电压表示数约为3V 。
若故障只发生在两只灯泡上,那么下列说法中正确的是()A .L 1的灯丝断了B .L 2的灯丝断了C .L 1发生短路故障D .此时如果把开关S 断开,电压表示数将为零3.如图所示的电路中,电源电压保持不变,闭合开关S 后,灯泡L 1、L 2都发光;一段时间后,其中一盏灯突然熄灭,而电流表、电压表的示数都不变,则产生这一现象的原因可能是()A .灯泡L 1短路B .灯泡L 2短路C .灯泡L 1断路D .灯泡L 2断路4.如图3所示,闭合开关S 1、S 2后,灯L 1、L 2均发光。
一段时间后,只有一盏灯熄灭,电流表A 的示数变为零,则下列判断正确的是()A .电路的故障可能是灯L 1短路B .电路的故障可能是灯L 2断路C .两灯发光时,L 1、L 2为并联D .两灯发光时,L 1、L 2为串联L 1L 2SVVAL 1L 2S 图35.如图5所示的电路中,将开关S 闭合,灯L 1和L 2均发光,下列说法中正确的是()A.电压表测的是电源两端的电压B.灯L 1和L 2是并联的C.若灯L 1发生断路,灯L 2能继续发光D.通过灯L 1和L 2的电流一定相等6.如图所示的电路中,L 1和L 2为规格相同的小灯泡。
闭合开关S ,灯L 1不发光、L 2发光,电压表无示数。
若电路中只有一处故障,则电路故障是()A .灯L 1短路B .电压表损坏C .灯L 1断路D .导线ab 断路7.如图所示,闭合开关后小灯泡L 1、L 2都能发光。
电路的断路、短路故障分析(专题复习)电路的断路或局部短路故障判断是一类重要的能力题目,历年考试均加以了强调,这类题目涉及了电路连接方式、电流定律和串、并联电路的特点等知识,同时还要具备一定的分析、推理能力。
串联电路的断路或短路故障分析,一般先判断电路中是否有电流(或用电器是否均工作),以确定故障到底是短路还是断路;然后可根据电压情况来判断故障发生的地方。
1、如图所示电路,电源电压不变。
闭合电键,灯L1和L2都发光。
一段时间后,其中的一盏灯突然熄灭,而电压表V1的示数变大,电压表V2的示数变小,则产生这一现象的原因是()A、灯L1断路。
B、灯L2断路。
C、灯L1短路。
D、灯L2短路。
2、某同学正在做“用滑动变阻器控制灯的亮度”的实验。
实验时电路出现的现象和电压表的示数如图所示,则电路出现的故障可能是()A、电池没电了。
B、电键处有断路。
C、灯丝断路。
D、滑动变阻器处有断路。
3、如图所示,将两只灯泡串联在电路中,闭合电键后,发现其中一只灯亮,一只灯不亮。
发生这种现象的原因是()A、不亮的灯泡灯丝断了或接触不良。
B、两灯比较,不亮的灯泡电阻太大。
C、两灯比较,不亮的灯泡电阻太小。
D、两灯比较,通过不亮的灯泡的电流较小。
4、如图所示电路,电源电压不变。
闭合电键,电路正常工作。
一段时间后,发现两个电压表的示数相等,则()A、灯L一定熄灭。
B、灯L可能变亮。
C、电阻R一定断路。
D、电阻R可能短路。
5、如图所示电路,电源电压不变。
闭合电键,电路正常工作。
一段时间后,发现其中一个电压表的示数变为零,则下列说法不可能出现的()A、灯L发生断路。
B、电压表V2损坏。
C、电阻R发生断路。
D、电阻R发生短路。
6、如图所示电路,电源电压不变。
闭合电键,滑动变阻器的滑片P从中点向b端移动时,发现电压表V1的示数和电流表A的示数的乘积变大了,则可能是因为()A、滑动变阻器发生断路。
B、灯泡发生断路。
C、滑动变阻器发生短路。
D、灯泡发生短路。
八年级电路短路断路知识点电路短路与断路是电学中最基础的概念之一,对于初学者来说,这些概念有时会比较难以理解,但是只要掌握了其核心原理,就能理解其应用。
在这篇文章中,我们将讨论八年级学生需要掌握的电路中的短路和断路的知识点。
电路基础知识在开始讨论电路的短路与断路之前,我们需要了解一些基础知识。
电路是由电源、导体和负载组成的一个电子设备,它们被连接起来,以便电流能够通过电路从电源流向负载。
电路可以是一条电线,或者复杂的电子电路板。
导体是指负责将电流从电源流向负载的器件。
当电流通过导体时,会产生电场和磁场,并将能量传递到负载中。
负载是电路中的任何设备或器件,例如:灯泡,电机,电视,收音机等。
当电流通过负载时,电能将被转化为机械能,热能,光能等形式,完成了电路的功能。
电路短路短路是指电路中的两个导体接触在一起形成一个低阻抗的路径,从而使电流通过这个路径而绕过了负载。
短路通常是由电路中的一个元件损坏,导致电路中的两个导线接触在一起,或者是被滋生在水和其他含盐物的介质中,导致了电阻的减小。
短路会导致电路中的电流增加,如果不及时修复,可能会损坏电源和负载。
通常情况下,短路会引起电路故障和安全危险,因此应当及时修复。
电路断路断路是指电路中的导体或连接点被中断,导致电流无法通过该区域。
当电路中发生断路时,负载将无法跟电源电流连接在一起,因此无法发挥电路的功能。
电路中的任何两个导线之间的开路都将导致电路处于断路状态。
断路通常是由电路中元件的损坏或连接点的破损导致的。
电路上发生的断路会导致电流无法流过,这会造成问题,例如:灯泡不亮,电动机不转等。
修复电路短路和断路修复电路短路和断路的方法因故障性质而异。
对于短路,通常的方法包括:1. 使用一个电压表或万用表来测试电路;2. 找到短路点,修复短路;3. 验证短路是否已修复。
对于断路,可以使用以下方法来进行修复:1. 使用万用表或电压表测试电路的每个部分;2. 找到断路点;3. 修复导线或其他设备;4. 验证断路是否修复。
专题:电路故障问题考点1:故障问题基础知识1.故障类型:短路和断路,区别------①断路:没有电流 ②短路:有电流且电流很大2.串并联电路故障特点:①串联电路:1断全断,1短1通②并联电路:1断1通,1短全短3.电压表串联在电源两极上---测电压电压(此时串联在电路中的用电器不工作)如下图:4.检测故障(断路或者短路)位置:①电压表②电流表或者导线考点2:串联电路故障分析---先根据有无电流判断故障类型,再根据电压表有无示数判断故障位置1. 断路故障,如右图判断步骤: (1)无电流(L 1和L 2灯都不亮或者电流表无示数) 断路(2)断路位置---------看电压表有无示数①电压表有示数且接近电源电压,则 L 1 断路(圈内断路----与电压表并联的用电器断路)②电压表无示数,则 L 2 断路(圈外断路----并联之外的用电器断路) 2.短路故障 (1)有电流且电流变大(其中一盏灯亮或者电流表有示数) 短路(2)短路位置---------看电压表有无示数①电压表有示数且接近电源电压,则 L 2短路(圈外断路----与电压表并联之外的用电器短路) ②电压表无示数,则L 1 短路(圈内短路----与电压表并联的用电器短路)2. 实验电路的故障分析--如图2根据电表判断故障问题 (1)电流表无示数 断路判断故障类型 判断故障类型图1①电压表有示数且接近电源电压 :定值电阻R 1断路②电压表无示数: 滑动变阻器R 断路(2)电流表有示数且示数变大 短路考点3:并联电路故障分析----只考断路问题(1断1通)如图4:R 1、R 2并联,发现只有一盏灯发光电压表示数不变------谁不工作谁断路(1)电流表有示数,L 1工作,说明L 2断路(2)电流表无示数,L 2工作,说明L 1断路考点4:用导线检测故障例题1:如图所示为小明连接的电路,他检查导线连接无误后,闭合开关S ,发现两灯均不发光,于是他用一根导线分别连接到ab 、bc 、cd 和ac 两点,灯L 1、L 2均不发光,再用导线连接到bd 两点时,灯L 1发光,L 2不发光,由此判定电路的故障可能是( )A .开关S 断路B .灯L 1与开关S 均断路C .灯L 2断路D .灯 L 2与开关 S 均断路方法:用电器短路是指用一根导线将某个用电器的两端连接起来,被短路的用电器中无电流通过。
2011电学辅导—电路故障专题
电路故障分析一直是
电学主流的题型之一,中考中一般都会有体现,出现在选择、填空、或实验题中。
考察对电表使用、电学实验操作常规的把握,及其运用电学知识解决实际电路问题的能力。
一般来说,造成电路故障的原因主要有元件的短路、短路两种。
故障的原因与现象如图1所示。
上述电路中,分析等L 1、L 2、
电压表、电流表、开关处于短路或短路状态的时候,分析两个灯泡和电压表电流表的示数情况。
逆向思维练习
例1在如图所示的电路中,当闭合开关S 后,发现两灯都不亮,电流表的指针几乎指在“0”刻度线不动,电压表指针则有明显偏转,该电路中的故障可能是 A .电流表被烧坏了
B .灯泡L1的灯丝断了
C .两个灯泡都断路
D .灯泡L2的灯丝断了
例题2小星用图7.1.2所示的电路来探究串联电
路的电压关系。
已知电源电压为6V ,当开关S 闭合后,发现两灯均不亮。
他用电压表分别测a 、c 和a 、b 两点间的电压,发现两次电压表示数均为6V ,由此判定灯_______(选填“L 1”或“L 2”)开路,用电压表测b 、c 两点间的电压,示数为_______V 。
例题3:如图2所示的电路中,电源电压保持不变。
闭合开关S后,灯L1、L2都正常发
光,一段时间后,其中一盏灯突然熄灭,观察电压表的示数不变,而电流表的示数变小。
产生
这一现象的原因是
A. 灯L1开路
B. 灯L1短路
C. 灯L2开路
D. 灯L2短路
巩固练习
1在图所示的电路中,电源电压保持不变。
闭合电键S,电路正常工作。
过了—会儿,一个电
表的示数变大,另一个电表的示数变小,则下列判断中正确的是
A 电阻R一定断路。
B 电阻R一定短路。
C 灯L的亮度可能不变。
D灯L可能变亮
2在图3所示的电路中,电源电压不变,闭合电键K,电路正常工作,一段时间后,发现其中一
个电压表示数变大,
A.灯L可能变亮B.灯L亮度可能不变
C.电阻R可能断路D.电阻R可能短路
3在图8所示的电路中,电源电压不变。
闭合电键K后,灯Ll、L2都发光。
一段时间后,其中
的一盏灯突然熄灭,而电压表V1的示数变大,电压表V2的示数变小。
则产生这一现象的原因
是
A.灯L1断路B.灯L2断路
C.灯L1短路D.灯L2短路
-----------2010电路故障汇编-------------A组
1(2010安徽)在如图所示的电路中,电源电压不变,闭合开关,电路正常工作。
但过了一段时间,小灯泡发生断路,这时
A.电压表示数变大,电流表示数变小
B.电压表示数变大,电流表示数变大
C.电压表示数变小,电流表示数变大
D.电压表示数变小,电流表示数变小
2(2010上海在图4所示的电路中,闭合电键S,电路正常工作。
一段时间后灯L熄灭,一个电
表的示数变大,另一个电表的示数变小。
将两用电器位置互换后再次闭合电键S,两个电表指针
均发生明显偏转。
若电路中只有一处故障,且只发生在灯L或电阻R上,则
A 灯L断路
B 灯L短路C电阻R断路D 电阻R短路
3(2010南京)如图所示电路,电源电压不变,闭合开关S,灯L1和L2均发光.一段时间后,
一盏灯突然熄灭,而电流表和电压表的示数都不变,出现这一现象的原因可能是
A 灯L1断路B.灯L2断路C.灯L1短路D.灯L2短路
4(2010株洲)小青在探究“怎样用变阻器改变灯泡的亮度”时,连接的电路如图6所示。
闭合开关后,灯泡不亮,她用电压表进行电路故障检测,测试结果如右表所示,则电路中的故障可能是
A. 开关断路
B. 开关短路
C. 变阻器断路
D. 灯泡断路
B组
1(2010扬州)在如图所示的电路中,当闭合开关S后,发现两灯都不亮,电流表的指针几
乎指在零刻度线,电压表指针则有明显偏转,该电路中的故障可能是
A.灯泡L2短路
B.灯泡L2断路
C.灯泡L1断路
D.两个灯泡都断路
2(2010桂林)小明在使用手电筒时发现小灯泡不亮,进行检修前,他对造成该现象的直接原因进行了以下几种判断,其中不可能的是()
A.开关处出现短路B.小灯泡灯丝断了
C.小灯泡接触不良D.电池两端电压过低
3(2010百色)在测量小灯泡电阻的实验中,小明按图6所示的电路图连接好电路后,闭合开
关,发现:灯不亮,电流表没有示数,电压表有示数。
电路中的故障可能是
A.灯泡发生短路B.灯泡发生断路
C.变阻器R发生短路D.变阻器R发生断路
4(200达州)如图6所示是小红测定小灯泡电阻的电路图,当闭合开关S时,发现灯L
不亮,电流表、电压表均无示数。
若电路故障只出现在灯L和变阻器R中的一处,则下
列判断正确的是
A. 灯L短路
B. 灯L断路
C. 变阻器R短路
D. 变阻器R断路
5(2010荆州)35.在如图所示的电路中,电源电压保持不变。
闭合电键S后,电路正常工作。
过
一会儿,灯L熄灭,两个电表中只有一个电表的示数变小,则下列判断中正确的是
A.可能性是灯L断路B.可能性是电阻R断路
C.一定是灯L短路D.一定是电阻R短路
6 (2010济宁)某同学测小灯泡电阻的电路如图5所示,其中电源电压为4.5V。
他按电路图正确连接好实验电路,并检查各元件完好。
然后闭合开关S,发现灯泡很亮,且电压表的读数为4.5V。
造成该现象的原因为是_______。
09电路故障练习
1(09成都)如图19所示,小亮做实验时,把甲、乙两只灯泡并联后接在电源上。
闭合开关后,
发现甲灯发光,乙灯不发光。
经检查,电路连接正确,两只灯泡都完好无损。
则乙灯不发光的
原因最有可能是
A.乙灯的实际功率太大B.乙灯的实际功率太小
C.通过乙灯的电流远大于通过甲灯的电流
D.乙灯两端的电压远小于甲灯两端的电压
2(09莆田)如图所示,电源电压不变,闭合开关S,电路各元件工作正常。
一段时间后,若
其中一只电压表示数变大,则
A.另一个电压表示数变小
B.其中有一盏灯亮度不变
C.灯L2可能断路 D.灯L2可能短路
3 (09雅安)如图3所示电路,闭合开关S后,发现灯L
1不亮,L2正常发光。
此电路的故障可能是
A.开关S接触不良B.电灯L1灯丝断了C.电灯L1短路 D.电灯L2短路
4(09兰州)如图7所示电路,电流表的量程较大,闭合开关时,发现电流表指针几乎没有偏转。
某同学拿一根导线去查找电路故障,他将导线并接在bc、 cd 、ed 两端时,电流表指针
没有发生偏转;将导线并接在ab 两端时,发现电流表指针发生了偏转,由此可知电路故障可
能
A.e点断路 B.R1断路
C.电流表短路 D.R2断路
5 (09安溪)如图5所示,电源电压为
6 V,闭合开关后发现电流表的指针几乎不偏转,电压表的示数为6 V,两表接法均正确,可能出现的故障是( )
A.电灯L1的灯丝熔断;B.开关接触不良;C.电灯L1被短路;
D.电流表被烧毁。
6(09来宾)如图所示的电路,闭合开关后,发现L1很亮,L2只能微弱发光,以下对这一现象产生原因分析中,合理的是
A.灯泡L2发生了断路
B.灯泡L2发生了短路
C.由于灯泡L2的电阻较小,其实际功率较小
D由于灯泡L2的电阻较大,其实际功率较小
7(09昆明)如图l所示的电路,闭合开关S后,两灯都不亮。
用电压表检测得到的结果是:
U ab=U bc=U de=U ef=0,若故障只有一处,则可能的原因是
A.电路a、b间短路
B.电路b、C间断路
C.电路d、e间短路或断路
D.电路e、f间断路
8(09十堰)如图1所示电路中,电源电压保持不变,当开关S闭合后,电路正常工作。
一段时间后,其中一盏灯突然熄灭,两只电表中一只电表示数变小,另一只电表示数不变。
出现这种现象的可能原因是:A.L1断路 B.L2断路 C.L1短路 D.L2短路
9(09广安)如图2所示,闭合开关s时,灯泡L1、L2都不亮;用一根导线的两端接触a、b两点时两
灯都不亮;接触b、c两点时,两灯也不亮;接触c、d_两点时,两灯都亮了。
由此可以判断( )
A.开关S断路B.灯L2断路C.灯L2短路 D.灯L1断路
------------------------。