人防工程验收记录表(RFJ01-2002)
- 格式:doc
- 大小:729.50 KB
- 文档页数:36
分部工程质量验收记录表单位工程质量验收记录单位工程质量控制资料核查记录表(RFJ01-2002)3.4.3-2单位工程观感质量检查记录表YB1隐蔽工程检查验收记录工程名称:建设单位:图号:结施专业技术负责人:质量检查员:填表人:注:本表适用于砼、钢筋、砌体埋筋、防水、回填土等隐蔽工程。
当用于基坑验槽时,表头填写“验槽”二字。
并应增加设计、地质勘察单位参加人签字栏YB2管道隐蔽工程检查验收记录制表日期:年月日检查验收日期:工程名称:施工单位:建设单位:分项工程名称:隐蔽部位:砼底板内与架空层:设计图号:管道材质:规格:隐蔽段的划分及数量:操作班(组)长:专业技术负责人:质检员:施工员:填表人:注:本表适用于给排水、采暖通风、空调等管道工程。
YB3电气隐蔽工程检查验收记录隐蔽分项工程名称:年月日专业技术负责人:质量检查员:班(组)长:施工员:注:本表适用于照明管线、通信管线、接地等工程。
YB4设备试压(满水)记录阀门制表日期:年月日工程名称:施工单位:建设单位:分项工程名称:使用部位:监理单位:设备名称:规格型号:材质:生产厂家:单位:数量:试压时间:年月日时起至月日时止平均气温:℃注:①、采暖设备、给水设备、空调设备、各类闸阀等试压项目均用此表。
②、如委托其他试验单位时,应将试验单位所出试验报告附于本记录后面。
系统管道试压灌水记录隐蔽制表日期:年月日工程名称:施工单位:建设单位:分项工程名称:试压(灌水)系统:监理单位:试压灌水部位:设计图号:平均气温:℃管道材质:规格:数量:试压时间:年月日时起至月日时止给、排水管道通水试验记录制表日期:年月日工程名称:施工单位:建设单位:分项工程名称:采用设备名称:监理单位:通水时间:年月日时起至月日时止平均气温:(℃)YB7管道冲洗吹扫清洗记录制表日期:年月日工程名称:施工单位:建设单位:分项工程名称:采用设备名称:监理单位:设备型号:性能参数:冲洗。
吹洗长度:m 冲、吹、吹扫时间:年月日时起至月日时止平均气温:(℃)注:本表适用于给水、供热、采暖、制冷等管道的吹洗、吹扫等。
人防工程竣工验收表格目录一、人防工程技术档案;二、人防工程竣工验收备案表;(人防验收表1)三、建筑工程施工许可证;(复印件)四、规划、公安消防、环保部门出具的认可文件或者准许使用文件;(复印件)五、人防工程竣工验收报告;(人防质监表1)六、勘察单位工程质量报告;(人防质监表2)七、设计单位工程质量检查报告;(人防质监表3)八、监理单位工程质量评估报告;(人防质监表4)九、施工单位工程质量竣工报告;(人防质监表5)十、单位工程质量控制资料核查记录;(人防质监表6)十一、单位工程观感质量检查记录;(人防质监表7)十二、单位工程质量验收记录;(人防质监表8)十三、人防工程竣工验收整改通知书;(人防质监表9)十四、人防工程竣工验核通知单;(人防质监表10)十五、建设单位竣工验收通知单;(人防质监表11)十六、分部、分项工程质量验收记录;十七、施工单位签署的工程质量保修书;十八、主要材料质量报告,砼试压报告;十九、人防设备、设施的有关质量检测和功能性试验资料;(设备厂)人防验收表1编号:建验备20 -- 人民防空工程竣工验收备案表人民防空工程竣工验收备案表[人防质监表1] 人防工程竣工验收报告单位工程名称:海润·水晶城项目防空地下室建设单位名称:广西海润投资置业有限公司竣工验收时间:年月日玉林市人民防空办公室制填写说明1、人防工程竣工验收报告由建设单位负责填写,向备案机关提交。
2、填写要求内容认真,语言简练,字迹清楚。
3、人防工程竣工验收报告一式六份,建设单位、监督站、备案机关、人防主管部门、施工单位及城建档案部门各持一份。
人防工程竣工验收报告[人防质监表2]勘察单位工程质量报告(合格证明书)[人防质监表3]设计单位工程质量检查报告(合格证明书)[人防质监表4] 监理单位工程质量评估报告(合格证明书)[人防质监表5] 施工单位工程质量竣工报告(合格证明书)[人防质监表6]单位工程质量验收记录[人防质监表9]人防工程竣工验收整改通知书人防质监站(2007)年第4号广西海润投资置有限公司:你单位 ######家园防空地下室工程,经审查发现如下问题:①通风预埋件、防护设备预埋件和防爆地漏未做防锈处理;②进风风管应做九十度弯头;③防护区内底板出现渗水现象,应作防水处理;④应处理防护区内消防管渗水。
(RFJ01-2002)-2分部工程质量验收记录表(RFJ01-2002)3.4.3-1单位工程质量验收记录(RFJ01-2002)3.4.3-2单位工程质量控制资料核查记录表(RFJ01-2002)3.4.3-2单位工程观感质量检查记录表YB1隐蔽工程检查验收记录工程名称:建设单位:图号:结施隐蔽部位:施工单位:隐蔽日期:年月日专业技术负责人:质量检查员:填表人:注:本表适用于砼、钢筋、砌体埋筋、防水、回填土等隐蔽工程。
当用于基坑验槽时,表头填写“验槽”二字。
并应增加设计、地质勘察单位参加人签字栏YB2管道隐蔽工程检查验收记录制表日期:年月日检查验收日期:工程名称:施工单位:建设单位:分项工程名称:隐蔽部位:砼底板内与架空层:设计图号:管道材质:规格:隐蔽段的划分及数量:操作班(组)长:专业技术负责人:质检员:施工员:填表人:注:本表适用于给排水、采暖通风、空调等管道工程。
YB3电气隐蔽工程检查验收记录隐蔽分项工程名称:年月日专业技术负责人:质量检查员:班(组)长:施工员:注:本表适用于照明管线、通信管线、接地等工程。
YB4设备试压(满水)记录阀门制表日期:年月日工程名称:施工单位:建设单位:分项工程名称:使用部位:监理单位:设备名称:规格型号:材质:生产厂家:单位:数量:试压时间:年月日时起至月日时止平均气温:℃注:①、采暖设备、给水设备、空调设备、各类闸阀等试压项目均用此表。
②、如委托其他试验单位时,应将试验单位所出试验报告附于本记录后面。
YB5系统管道试压灌水记录隐蔽制表日期:年月日工程名称:施工单位:建设单位:分项工程名称:试压(灌水)系统:监理单位:试压灌水部位:设计图号:平均气温:℃管道材质:规格:数量:试压时间:年月日时起至月日时止YB6给、排水管道通水试验记录制表日期:年月日工程名称:施工单位:建设单位:分项工程名称:采用设备名称:监理单位:月日时起至月日时止平均气温:(℃)通水时间:年YB7管道冲洗吹扫清洗记录制表日期:年月日工程名称:施工单位:建设单位:分项工程名称:采用设备名称:监理单位:设备型号:性能参数:冲洗。
(整)人民防空工程质量检验评定标准表格(RFJ01-2002)一、分项工程质量验收记录表1.结构工程(RFJ01-2002)4.1-1土石方分项工程质量验收记录表(RFJ01-2002)4.3-1盾构分项工程质量验收记录表(RFJ01-2002)4.4-1沉井项工程质量验收记录表注:l为长度或宽度;r为半径;b为对角线长;H为下沉总深度;L为最高与最低两角间距离。
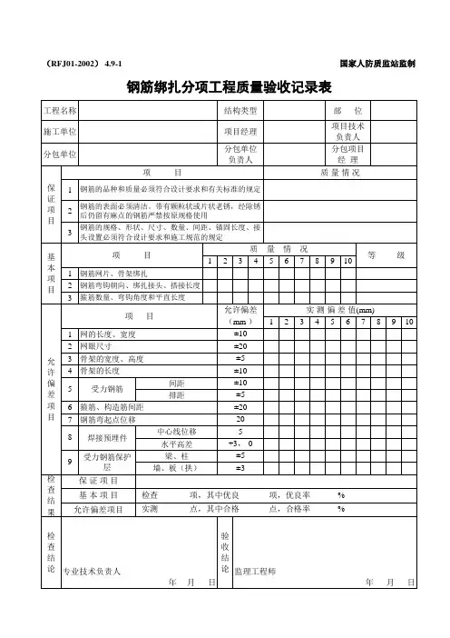
(RFJ01-2002)4.5-1地下连续墙分项工程质量验收记录表(RFJ01-2002)4.6-1打(压)桩分项工程质量验收记录表注:d为桩的的直径或截面边长;H为桩长(RFJ01-2002)4.7-1灌注桩分项工程质量验收记录表(RFJ01-2002)4.8-1模板分项工程质量验收记录表(RFJ01-2002)4.9-1钢筋绑扎分项工程质量验收记录表(RFJ01-2002)4.9-2工程质量验收记录表钢筋焊接分项(RFJ01-2002)4.10-1混凝土分项工程质量验收记录表注:1.H为柱、墙全高。
2.蜂窝、空洞、露筋、缝隙夹渣层等缺陷,在装饰前应按施工规范规定进行修理。
(RFJ01-2002)4.10-2混凝土设备基础分项工程质量验收记录表注:蜂窝、空洞、露筋、缝隙夹渣层等缺陷,在装饰前应按施工规范规定进行修理。
(RFJ01-2002)4.11-1喷射混凝土分项工程质量验收记录表(RFJ01-2002)4.12-1构件安装分项工程质量验收记录表(RFJ01-2002)4.12-2构件安装分项工程质量验收记录表(用于装配式大板建筑)(RFJ01-2002)4.13-1钢结构焊接分项工程质量验收记录表注:b 为焊缝宽度;k为焊角尺寸;δ为母材厚度(RFJ01-2002)4.13-2钢柱制作分项工程质量验收记录表注:L为柱长度;L1为柱底面到牛腿支承面距离;b为翼缘板宽度。
(RFJ01-2002)4.13-3钢梁制作分项工程质量验收记录表注:L为梁度;H为梁的端部高;δ为腹板厚度;b为翼缘板宽度。
一、分项工程质量验收记载表(RFJ01-2002)4.1-1 国度人防质监站监制((RFJ01-2002) 4.3- 1 国度人防质监站监制(RFJ01-2002) 4.4- 1 国度人防质监站监制两角间距离.-4-(RFJ01-2002) 4.5- 1 国度人防质监站监制(RFJ01-2002) 4.6- 1 国度人防质监站监制-6-(RFJ01-2002) 4.7- 1 国度人防质监站监制-7-(RFJ01-2002)4.8-1国度人防质监站监制(RFJ01-2002)4.10-1国度人防质监站监制2.蜂窝.空泛.露筋.裂痕夹渣层等缺点,在装潢前应按施工规范划定进行补缀.-11-(RFJ01-2002)4.10-2国度人防质监站监制.-12-(RFJ01-2002) 4.11- 1 国度人防质监站监制(RFJ01-2002) 4.12- 1 国度人防质监站监制(RFJ01-2002) 4.12- 2 国度人防质监站监制(RFJ01-2002) 4.13- 1 国度人防质监站监制注:b为焊缝宽度;k为焊角尺寸;δ为母材厚度-16-(RFJ01-2002) 4.13- 2 国度人防质监站监制-17-(RFJ01-2002) 4.13- 3国度人防质监站监制(RFJ01-2002) 4.13- 4 国度人防质监站监制-19-(RFJ01-2002) 4.13- 5 国度人防质监站监制-20-(RFJ01-2002) 4.13- 6 国度人防质监站监制-21-(RFJ01-2002) 4.13-7 国度人防质监站监制-22-(RFJ01-2002) 4.14- 1 国度人防质监站监制(RFJ01-2002) 4.15- 1 国度人防质监站监制一.分项工程质量验收记载表2.防水工程(RFJ01-2002)5.1-1国度人防质监站监制-1内容验收.-25-(RFJ01-2002) 5.2- 1 国度人防质监站监制水泥砂浆防水层分项工程质量验收记载表。
土石方分项工程质量验收记录表爆破掘进分项工程质量验收记录表盾构分项工程质量验收记录表沉井项工程质量验收记录表注:l为长度或宽度;r为半径;b为对角线长;H为下沉总深度;L为最高与最低两角间距离。
地下连续墙分项工程质量验收记录表打(压)桩分项工程质量验收记录表注:d为桩的的直径或截面边长;H为桩长(RFJ01-2002)4.7-1 灌注桩分项工程质量验收记录表模板分项工程质量验收记录表混凝土分项工程质量验收记录表注:1.H为柱、墙全高。
混凝土设备基础分项工程质量验收记录表注:蜂窝、空洞、露筋、缝隙夹渣层等缺陷,在装饰前应按施工规范规定进行修理。
喷射混凝土分项工程质量验收记录表(RFJ01-2002)4.12-1构件安装分项工程质量验收记录表构件安装分项工程质量验收记录表(用于装配式大板建筑)钢结构焊接分项工程质量验收记录表注:b为焊缝宽度;k为焊角尺寸;为母材厚度注:L为柱长度;L1为柱底面到牛腿支承面距离;b为翼缘板宽度。
注:L为梁度;H为梁的端部高;δ为腹板厚度;b为翼缘板宽度。
钢管构件制作分项工程质量验收记录表注:d为钢管直径;l为构件长度。
钢柱分项工程质量验收记录表注:H为柱的高度。
固定式钢梯、栏杆、平台安装分项工程质量验收记录表注:L为梁长度;h为梁高度;H:为直梯高度。
钢结构油漆分项工程质量验收记录表注:干漆膜厚度设计另有要求时,应以设计为准。
一、分项工程质量验收记录表防水混凝土结构分项工程质量验收记录表注:本表只是对混凝土结构自防水的要求。
对于混凝土施工质量检验按表4.10-1内容验收。
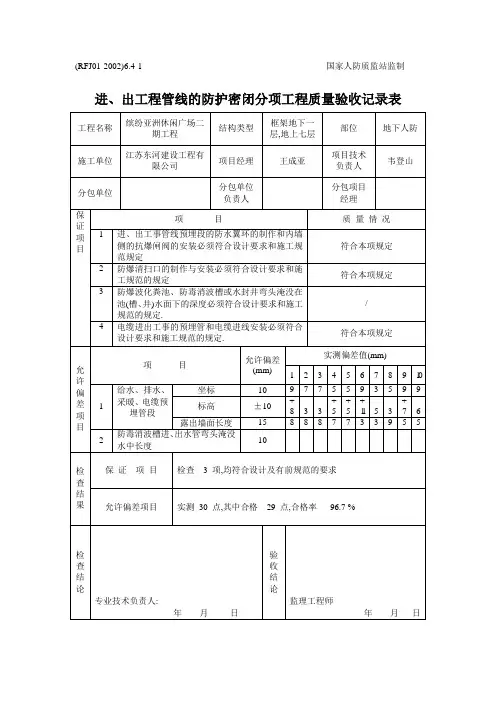
水泥砂浆防水层分项工程质量验收记录表油膏嵌防水分项工程质量验收记录表止水防水分项工程质量验收记录表一、分项工程质量验收记录表3.孔口防护工程(RFJ01-2002)6.1-1防护门、防护密闭门、密闭门门框墙制作分项工程质量验收记录表(RFJ01-2002)6.2-1钢筋混凝土防护门、防护密闭门、密闭门安装分项工程质量验收记录表注:L为孔长边尺寸(mm)(RFJ01-2002)6.2-2钢质防护门、防护密闭门、密闭门安装分项工程质量验收记录表注:L为孔长边尺寸(mm(RFJ01-2002)6.3-1防爆波活门、防爆超压排气活门安装分项工程质量验收记录表(RFJ01-2002)6.4-1进、出工程管线的防护密闭分项工程质量验收记录表一、分项工程质量验收记录表4、建筑装修工程(RFJ01-2002)7.1-1一般抹灰(级)分项工程质量验收记录表(RFJ01-2002)7.2-1水磨石分项工程质量验收记录表(RFJ01-2002)7.2-2假面砖、拉条灰、拉毛灰、仿石和彩色抹灰分项工程质量验收记录表注:1.假面砖、拉条灰、拉毛灰等装饰抹灰,表中第4项阴角方正可不检查。
一、分项工程质量验收记录表1.结构工程(RFJ01-2002)4.1-1 国家人防质监站监制土石方分项工程质量验收记录表工程名称池州市公安局业务技术大楼地下室人防工程结构类型框架结构部位基础施工单位安徽省池州市第三建筑工程有限公司项目经理余桂生项目技术负责人董郁分包单位/ 分包单位负责人/分包项目经理/保证项目项目质量情况1基坑基底的土质,必须符合设计要求,并严禁扰动符合设计与规范要求,无扰动2 基坑开挖深度必须符合设计要求符合设计与规范要求允许偏差项目项目允许偏差(mm)实测偏差值(mm)基坑1 2 3 4 5 6 7 8 9 10人工、机械开挖爆破开挖1 标高-50-2002 长度、宽度02003 边坡偏陡0 0检查结果保证项目允许偏差项目实测点,其中合格点,合格率﹪检查结论专业技术负责人年月日验收结论监理工程师年月日-1- (RFJ01-2002)4.2-1爆破掘进分项工程质量验收记录表工程名称结构类型部位施工单位项目经理项目技术负责人分包单位分包单位负责人分包项目经理保证项目项目质量情况坑(地)道坡度必须符合设计要求:毛洞表面平整允许偏差项目项目允许偏差(mm)实测偏差值(mm)1 2 3 4 5 6 7 8 9 101 口部坐标1002 口部表高±1003 两洞口间坡度±10﹪4 局部坡度±20﹪且超过部分累计长度部大于全长的20﹪5毛洞宽度(由中心线向两帮量)+100-206毛洞高度(腰线分别向底板、顶板量)+100-307 毛洞局部超挖150且超挖部分的累计面积部大于总面积的15﹪8 毛洞中心线局部偏移200且偏移部分的累计长度部大于全长的15﹪9 预留孔中心线位置偏移2010 预留洞中心线位置偏移50检查结果保证项目允许偏差项目实测点,其中合格点,合格率﹪检查结论专业技术负责人年月日验收结论监理工程师年月日盾构分项工程质量验收记录表工程名称结构类型部位施工单位项目经理项目技术负责人分包单位分包单位负责人分包项目经理保证项目项目质量情况1盾构工作井的位置和规定符合设计要求施工规范的规定2 衬砌管片的质量必须符合设计要求3 衬砌管片的拼接和接缝防水处理必须符合设计要求和施工规范规定4 盾构掘进完成后,地表变形值、地道沉降量必须符合设计要求允许偏差项目项目允许偏差(mm)实测偏差值(mm)1 2 3 4 5 6 7 8 9 101 衬砌环圆环面平整度 52 衬砌环椭圆度203 衬砌环环缝宽度 34 衬砌环纵缝张角宽度 35 地道轴线水平方向偏移50垂直方向偏移±50检查结果保证项目允许偏差项目实测点,其中合格点,合格率﹪检查结论专业技术负责人年月日验收结论监理工程师年月日沉井项工程质量验收记录表工程名称结构类型部位施工单位项目经理项目技术负责人分包单位分包单位负责人分包项目经理保证项目项目质量情况1混凝土抗压强度和抗渗等级必须符合设计要求和施工规范的规定2沉井的封底必须符合设计要求和施工规范的规定允许偏差项目项目允许偏差(mm)实测偏差值(mm)1 2 3 4 5 6 7 8 9 10 1井制作质量平面尺寸长度、宽度±l/200且≯1002 曲线部分半径±r/200且≯503 对角线差b/1004 井壁厚度±155井下沉后质量刃脚平均标高±1006底面中心位置偏移H﹥10m H/100H≤10m1007刃脚底面高差L﹥10m L/200且≯300L≤10m100检查结果保证项目允许偏差项目实测点,其中合格点,合格率﹪检查结论专业技术负责人年月日验收结论监理工程师年月日注:l为长度或宽度;r为半径;b为对角线长;H为下沉总深度;L为最高与最低两角间距离。
一、分项工程质量验收记录表1.结构工程(RFJ01-2002)4.1-1 国家人防质监站监制土石方分项工程质量验收记录表-1- (RFJ01-2002)4.2-1爆破掘进分项工程质量验收记录表盾构分项工程质量验收记录表沉井项工程质量验收记录表注:l为长度或宽度;r为半径;b为对角线长;H为下沉总深度;L为最高与最低两角间距离。
(RFJ01-2002)4.5-1地下连续墙分项工程质量验收记录表-5- (RFJ01-2002)4.6-1打(压)桩分项工程质量验收记录表(RFJ01-2002)4.7-1灌注桩分项工程质量验收记录表(RFJ01-2002)4.8-1 国家人防质监站监制模板分项工程质量验收记录表(RFJ01-2002)4.9-1 国家人防质监站监制钢筋绑扎分项工程质量验收记录表(RFJ01-2002)4.9-2 国家人防质监站监制钢筋焊接分项工程质量验收记录表(RFJ01-2002)4.10-1 国家人防质监站监制混凝土分项工程质量验收记录表注:1.H为柱、墙全高。
2.蜂窝、空洞、露筋、缝隙夹渣层等缺陷.在装饰前应按施工规范规定进行修理。
-11- (RFJ01-2002)4.10-2混凝土设备基础分项工程质量验收记录表注:蜂窝、空洞、露筋、缝隙夹渣层等缺陷.在装饰前应按施工规范规定进行修理。
喷射混凝土分项工程质量验收记录表构件安装分项工程质量验收记录表(RFJ01-2002)4.12-2构件安装分项工程质量验收记录表(用于装配式大板建筑)-15- (RFJ01-2002)4.13-1钢结构焊接分项工程质量验收记录表注:b为焊缝宽度;k为焊角尺寸;为母材厚度-16-(RFJ01-2002)4.13-2钢柱制作分项工程质量验收记录表注:L为柱长度;L1为柱底面到牛腿支承面距离;b为翼缘板宽度。
-17- (RFJ01-2002)4.13-3钢梁制作分项工程质量验收记录表注:L为梁度;H为梁的端部高;δ为腹板厚度;b为翼缘板宽度。
一、分项工程质量验收记录表(八个分部)1.结构工程2.防水工程3.孔口防护分项工程4.建筑装修工程5.给水排水工程6.采暖、通风与空调工程7.建筑电气安装8.防火设备安装工程(RFJ01-2002)4.8—1模板分项工程质量验收记录表(RFJ01-2002)4.10-1注:1.H为电梯井筒全高。
2.蜂窝、孔洞、露筋、缝隙夹渣层等缺陷,在装饰前应按施工规范规定进行修理。
(RFJ01-2002)6.1-1防护门、防护密闭门、密闭门门框墙制作分项工程质量验收记录表钢筋混凝土防护门、防护密闭门、密闭门安装分项工程质量验收记录表注:L为门孔长边尺寸(mm)。
钢质防护门、防护密闭门、密闭门安装分项工程质量验收记录表注:L为门孔长边尺寸(mm)。
防爆波活门、防爆超压排气活门安装分项工程质量验收记录表进、出工程管线的防护密闭分项工程质量验收记录表(RFJ01-2002)8.1-1给水管道安装分项工程质量验收记录表注:δ为隔热层厚度。
(RFJ01-2002)8.4-1排水管道安装分项工程质量验收记录表(RFJ01-2002)9.9-1(RFJ01-2002)9.10-1密闭阀门安装分项工程质量验收记录表(RFJ01-2002)10.1-1注:d为电缆外径。
(RFJ01-2002)11.3-1二、分部工程质量验收记录表(RFJ01-2002)3.4.2三、单位工程质量验收记录表(RFJ01-2002)3.4.3-1单位工程质量验收记录表(RFJ01-2002)3.4.3-2(RFJ01-2002)3.4.3-3单位工程观感质量检查记录表YB1隐蔽工程检查验收记录工程名称:建设单位:图号:专业技术负责人:质量检查员:填表人:注:本表适用于砼、钢筋、砌体埋筋、防水、回填土等隐蔽工程。
当用于基坑验槽记录时,表头填写“验槽”二字。
并应增加设计、地质勘察单位参加人签字栏。
(RFJ01 ・ 2002 ) 4.8 -1模板分项工程质量验收记录表工程名称综合楼结构类型部位7〜11轴/G〜Q轴筏板基础施工单位集团建设工程有限公司项目经理项目技术负责人分包单位工程设备有限公司分包单位负责人勇财目经理项目质呈情况保模板及其支架必须具有足够的强度、刚度和稳走性;能符合要求证1可靠地承受新浇注碇的自重和侧压力,及施工中产生的项荷载;保证结构和构件外形尺寸及相互位置的正确目2临空墙、门框墙的模板安装,其固走模板的对拉螺栓上/禁采用套管、碗预制件等基项目质呈情况等级12345678910 14七皈 4 C±Z2撓礴里怦垢f坦\梁、柱项目允偏差(mm)实测偏差值(mm )12345678914匚匚oA1oA u Q9坛=:亠u :>A)a1')2A(RFJ01 - 2002 ) 4.9 -1钢筋绑扎分顶工程质量验收记录表(RFJ01 - 2002 ) 4.9 - 2钢筋焊接分顶工程质量验收记录表查收结专业技术负责人结监理工程师论年月曰论年月日(RFJ01 - 2002 )4.10 -1工程名称综合楼结构类型框架部位7〜LL轴/G〜Q轴筏板基础施工单位建设工程有限公司项目经理项目技术负责人分包单位元铠人防工程设备有限公司位负责人分包项目经理保证项目项目质呈情况1混凝土所用的水泥、水、骨科、夕卜加剂等必须符合施工规和有关标准的规走2混凝土的配合比、原材料计呈、捣半、养护和施工缝处理必须縉施工躺规走3评定混凝土强度的试块,必须按《混凝土强度检验评定标准》(GBJ107 - 87 )的规走取样、制作、养护和试验,其强度必须符合本标准第4.103条规走(略)4设计部允有裂缝的结构,禁出现裂缝;允出现裂缝的结构,其裂缝竞度必须符合设计要求基本项目项目质星情况等级123456789101蜂窝2洞3主筋露筋4缝隙夹渣层土分项工程质量验收记录表论年月曰论年月曰注:1・H为柱.墙全高。
一、分项工程质量验收记录表
(八个分部)
1.结构工程
2.防水工程
3.孔口防护分项工程
4.建筑装修工程
5.给水排水工程
6.采暖、通风与空调工程
7.建筑电气安装
8.防火设备安装工程
(RFJ01-2002)4.8—1
模板分项工程质量验收记录表
(RFJ01-2002)4.9-1
钢筋绑扎分项工程质量验收记录表
(RFJ01-2002)4.9-2
钢筋焊接分项工程质量验收记录表
(RFJ01-2002)4.10-1
注:1.H为电梯井筒全高。
2.蜂窝、孔洞、露筋、缝隙夹渣层等缺陷,在装饰前应按施工规范规定进行修理。
(RFJ01-2002)6.1-1
防护门、防护密闭门、密闭门门框墙制作分项工程质量验收记录表
(RFJ01-2002)6.2-1
钢筋混凝土防护门、防护密闭门、密闭门安装分项工程质量验收记录表
注:L为门孔长边尺寸(mm)。
(RFJ01-2002)6.2-2
钢质防护门、防护密闭门、密闭门安装分项工程质量验收记录表
注:L为门孔长边尺寸(mm)。
(RFJ01-2002)6.3-1
防爆波活门、防爆超压排气活门安装分项工程质量验收记录表
(RFJ01-2002)6.4-1
进、出工程管线的防护密闭分项工程质量验收记录表
(RFJ01-2002)8.1-1
给水管道安装分项工程质量验收记录表
注:δ为隔热层厚度。
(RFJ01-2002)8.4-1
排水管道安装分项工程质量验收记录表
(RFJ01-2002)9.9-1
(RFJ01-2002)9.10-1
(RFJ01-2002)10.1-1
注:d为电缆外径。
(RFJ01-2002)11.3-1
二、分部工程质量验收记录表
(RFJ01-2002)3.4.2
三、单位工程质量验收记录表
(RFJ01-2002)3.4.3-1
单位工程观感质量检查记录表
YB1
隐蔽工程检查验收记录
工程名称:建设单位:图号:
隐蔽部位:施工单位:隐蔽日期:年月日
专业技术负责人:质量检查员:填表人:
注:本表适用于砼、钢筋、砌体埋筋、防水、回填土等隐蔽工程。
当用于基坑验槽记录时,表头填写“验槽”二字。
并应增加设计、地质勘察单位参加人签字栏。