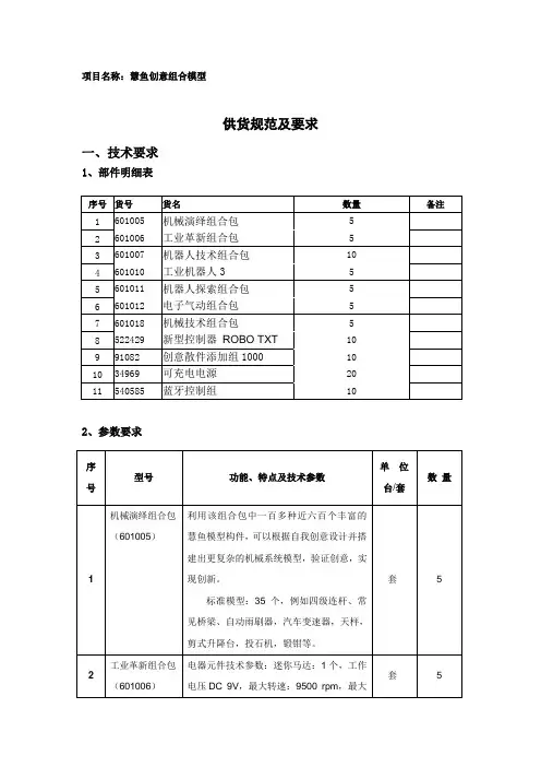
教案-简易物体结构模型(慧鱼创意组合模型)
- 格式:doc
- 大小:5.00 MB
- 文档页数:5
慧鱼创意组合设计实验指导书《慧鱼创意组合设计实验》课程实验指导书江西理工大学机械基础实验室慧鱼创意组合设计实验指导书一、实验目的本实验主要基于慧鱼创意模型系统(fischertechnik)。
实验的目的是经过让学生学习动手组装模型机器人和建造自己设计的有一定功能的机器人模型产品,使学生体会创意设计的方法和意义;同时经过创意实验,使学生了解一些计算机控制、软件编程、机电一体化等方面的基础知识,加深对专业课学习的理解,为后续课的学习做一个很好地铺垫。
二、实验设备介绍1.慧鱼创意模型系统的组成:慧鱼创意模型系统(fischertechnik)硬件主要包括:1000多种的拼插构件单元、驱动源、传感器、接口板等。
拼插构件单元:系统提供的构件主料均采用优质的尼龙塑胶,辅料采用不锈钢芯铝合金架等,采用燕尾槽插接方式连接,可实现六面拼接,多次拆装。
系统提供的技术组合包中机械构件主要包括:齿轮、联杆、链条、齿轮(普通齿轮、锥齿轮、斜齿轮、内啮合齿轮、外啮合齿轮)、齿轴、齿条、涡轮、涡杆、凸轮、弹簧、曲轴、万向节、差速器、齿轮箱、铰链等。
驱动源:①直流电机驱动(9V、最大功率1.1W、转速7000 prn),由于模型系统需求功率比较低(系统载荷小,需求功率只克服传动中的摩擦阻力),因此它兼顾驱动和控制两种功能。
②减速直流电机驱动(9V、最大功率1.1瓦,减速比50:1/20:1)。
③气动驱动包括:储气罐、气缸、活塞、电磁阀、气管等元件。
传感器:在搭接模型时,你能够把传感器提供的信息(如亮/暗、通/断,温度值等)经过接口板传给计算机。
系统提供的传感器做为控制系统的输入信号包括:①感光传感器Brightness sensor (光电管):对亮度有反应,它和聚焦灯泡配合使用,当有光(或无光)照在上面时,光电管 产生不同的电阻值,引发不同信号。
②接触传感器Contact sensor (触动开关):如图1所示,当红色按钮按下,接触点1、3接通,同时接触点1、2 断开,因此有两种使用方法:常开:使用接触点1、3,按下按钮=导通;松开按钮=断开;常闭:使用接触点1、2,按下按钮=断开;松开按钮=导通。
慧鱼创意组合模型设计报告范文书慧鱼创意组合模型设计报告书目录1模型设计及简介21.1测量机器人组合说明21.1.1测量机器人组合简介21.1.2实验步骤21.1.3实验注意事项81.2其它组合简介82创新设计及详细说明142.1创意142.2模型搭建142.3组装142.4控制程序162.5试验183遇到的问题194结语201模型设计及简介十一个示例模型有:通信号灯、洗碗机、温度调节器、基础标准型小车、电梯、干手机、寻踪车、测量机器人、足球机器人、割草机和叉车。
1.1测量机器人组合说明1.1.1测量机器人组合简介在测量温度很高的物体时,由于温度太高人无法靠近,因此需要机器人代替人类去进行测试。
测量机器人右侧安装可以伸出的手臂,手臂前方有温度传感器,如果温度高于设定值,可以通过程序设定使机器人收回手臂或者使机器人停止前进。
这样减小人员因温度过高受伤的事件,也提高了可测量温度的范围,大大方便我们测量高温物体。
机器人下方有传感器,可以自动寻迹行走;也可以按照设定的程序行走,非常方便。
测量机器人的大概原理如下:测量机器人按照预定程序或寻线行走,机器人手臂伸出以测量温度。
若温度低于设定值则绿灯亮,机器人继续行走;若温度高于设定值则红灯亮,且机器人手臂退回,机器人停止运动。
1.1.2实验步骤(1)准备工作按照所给测量机器人的视图,了解并熟悉组装模型所要实现的功能和其用途,观察分析所给样图,从慧鱼提供的所有部件中找出该模型需要的机械构件和电气元件。
然后将所找的零件分类。
具体准备工作如下:电机两个,慧鱼智能接口板一个,电源,以及下图中的零件。
(2)组装a组装第一个零件,即车轴支架。
b安装车轮C进一步安装小车底座d加固小车底架e安装电动机f安装另一个车轮g将两个车轮和电动机组合在一起,并且加固底架。
h安装辅助小车轮。
i安装小车尾座底架j安装小车手臂k将手臂安装到小车上。
l安装尾座m加固小车前部n安装小车前部,并且连接电路。
慧鱼实验21世纪将是个全面创新的时代,如何培养、提升现代学生的创造力、想象力与科学技能,来迎接这个竞争的时代微型组合机器人能实现多种控制方式及多种模型设计,适合于机电一体化、工业自动控制、机械创新等课程,推荐采用PLC控制技术。
微型组合机器人配有教材,图文并茂、浅显易懂,对每一个模型都作深入浅出的原理说明、功能解释,鼓励学生举一反三、活学活用,让他们不断发展创新。
微型组合机器人是通过各种各样的构件(功能模块)组合拼装而成,因此,“构件”是模型的最小组成部分。
实验一计算机组合包创意实验设计一实验目的:1、熟悉慧鱼模型的各个模块。
2、了解三自由度机器人的基本结构。
3、能够运用计算机编程,合理控制机器人的运动。
4、能进行简单创意实验设计。
二实验器材:慧鱼计算机组合包一套慧鱼专用电源一套PC机一台LLWIN软件一套接口电路板一块三实验原理:如图所示(见附图):为一三自由度机器人,能够实现搬运工件的作用,三自由度机器人包括腰部、大臂以及夹钳。
腰部能够实现左右旋转运动,大臂能够实现上下的俯仰运动,夹钳则能够实现夹取物体。
该三自由度机械人总共涉及到6个行程开关以及3个电动机,其中M1驱动腰部旋转,M2驱动大臂俯仰,M3驱动夹钳的关闭。
E1用于限定夹钳的开闭位置,E2用于腰部旋转进行计数,E3限定了大仰起后的极限位置,E4用于夹钳的驱动轴旋转次数进行计数,E5对大臂处的蜗杆旋转次数进行统计,E6限制腰部旋转的极限一些置。
四实验内容1、按照装置图组装出机器人。
2、按照连线图将机器人各部与计算机数据线连好。
3、用计算机中的软件(LLWIN)对机器人进行控制操作。
(1)对各个部分进行检测:M1M2M3E1E2E3E4E5E6全部测试通过后再进行以下实验内容。
(2)调试出控制程度,进行连续操作。
4、对软件进行改编,使机器人实现更多的功能。
(1)实现夹取与放置的换位。
(2)改变大臂运动轨迹。
五实验思考题1、单个测试腰部可旋转,但整体测试时腰部却不按程序规定的运行,可能是什么原因2、大臂可以俯仰,但程序并不向下运行,会是什么原因3、夹钳不能开闭,会是什么原因4、如何实现运动轨迹投射到平面后为非矩形实验二移动机器人创意实验设计一实验目的:1、了解移动机器人的基本结构2、能够运用计算机编程,控制移动机器人的运动3、进行创意实验设计二实验器材:慧鱼移动机器人组合包一套慧鱼专用电池盒一个或专用电源一套PC机一台(要求:486、66以上,8M以上内存,空闲的LPT2口)LLWIN专用软件一套,(WINDOS3、1以上或WINDOWS95)接口电路板一块电缆若干三实验原理如图所地:为一跟踪光源移动机器人,能够跟踪光源而运动。
设计性实验指导书实验名称:机械设计模型拼装实验实验简介:“慧鱼教具及创意组合模型”,又称为“工程积木”,“智慧魔方”。
它集教具和仿真模型于一身,是科技知识启蒙、创造性思维训练及创造力开发的最佳载体。
“慧鱼教具及创意组合模型”是由德国发明家、企业家、当今世界拥有专利最多(5000 项)的Artur Fischer 博士于1964 年发明问世的。
菲舍尔博士因此还荣获了德国诺贝尔工程奖。
“慧鱼”的技术含量极高。
目前,国际最前沿的工程技术,如仿生技术、气动技术、传感技术、计算机技术以及机器人技术等,在“慧鱼”中都实现了微型仿真替代。
“慧鱼”有各种型号和规格的零件近千种,一般工程机械制造所需要的零部件如连杆、齿轮、马达、蜗轮,以及汽缸、压缩机、发动机、离合器,甚至热(光、触、磁)敏传感器、信号转换开关、计算机接口等等,在“慧鱼”中都可以找到。
因此,“慧鱼教具及创意组合模型”零部件的仿真度,几乎能够实现任何复杂技术过程和大型设计的模型,使之真实地“再现”。
该实验设备能够组装各种机械及设备,将其用于辅助理论教学,将使学生获得很强的感性认识,并且能发挥其无限的创造力。
适用课程:机械设计专业综合实验实验目的:A 通过对动手组建模型,连线,控制模型等各阶段学习后,对慧鱼创意组合模型的运作方法有一个初步的熟悉;B 了解基本的机械结构和特点掌握电气动控制工业技术的基本概念、分类及特点;C 了解电气动元件的工作原理、种类和实际应用方式,电气动控制系统的组成和结构掌握基本的电气动控制技术的应用,了解现代自动化控制系统的结构和特点。
面向专业:机类实验项目性质:设计性实验地点:图书馆——506 室(机械系统创新实验室)开放办法:先登陆网站进行网上预约或到S403填写预约表进行预约,根据预约时间提前预习写出预习报告、进行实验。
实验分组: 5-6 人/组《机械设计专业综合实验》课程实验机械设计慧鱼模型拼装实验“慧鱼教具及创意组合模型”,又称为“工程积木”,“智慧魔方”。
慧鱼模型创新组合实验报告书题目:缠树机学院(系):机械工程与自动化学院专业班级:机设122班学号:学生姓名:指导教师:目录一、实验项目 ...................................................... - 2 -二、实验目的 ...................................................... - 2 -三、组合模型的方案拟定....................................... - 2 -四、组合模型功能 ................................................ - 3 -五、模型控制线路 ................................................ - 8 -六、模型的设计意义 ........................................... - 10 -七、实验小组成员 .............................................. - 10 -一、实验项目慧鱼模型创新组合实验——缠树机。
二、实验目的慧鱼模型创新组合实验是学生理论联系实际的实践教学环节,是对学生进行的一次专业设计训练。
本实验的任务是应用慧鱼模型进行工业产品的组合与设计,通过本次实验使学生获得以下几方面能力:1、进一步巩固和加深学生所学的专业理论知识。
2、培养学生独立分析和解决工程实际问题的能力。
3、培养计算机应用、文献查阅、报告撰写等基本技能。
4、培养学生的团队协作精神、严肃认真的治学态度和严谨求实的工作作风。
三、创新组合模型的方案拟定1、模型的名称:缠树机。
2、模型的工艺路线:开关——电机——执行机构转动。
3、创意模型的执行机构方案:电机——啮合齿轮运动。
4、模型的驱动方式:电动驱动。
5、模型的传动方案:电机——齿轮啮合——执行机构转动。
《慧鱼创意组合设计实验》课程实验指导书江西理工大学机械基础实验室慧鱼创意组合设计实验指导书一、实验目的本实验主要基于慧鱼创意模型系统(fischertechnik)。
实验的目的是通过让学生学习动手组装模型机器人和建造自己设计的有一定功能的机器人模型产品,使学生体会创意设计的方法和意义;同时通过创意实验,使学生了解一些计算机控制、软件编程、机电一体化等方面的基础知识,加深对专业课学习的理解,为后续课的学习做一个很好地铺垫。
二、实验设备介绍1.慧鱼创意模型系统的组成:慧鱼创意模型系统(fischertechnik)硬件主要包括:1000多种的拼插构件单元、驱动源、传感器、接口板等。
拼插构件单元:系统提供的构件主料均采用优质的尼龙塑胶,辅料采用不锈钢芯铝合金架等,采用燕尾槽插接方式连接,可实现六面拼接,多次拆装。
系统提供的技术组合包中机械构件主要包括:齿轮、联杆、链条、齿轮(普通齿轮、锥齿轮、斜齿轮、内啮合齿轮、外啮合齿轮)、齿轴、齿条、涡轮、涡杆、凸轮、弹簧、曲轴、万向节、差速器、齿轮箱、铰链等。
驱动源:①直流电机驱动(9V、最大功率1.1W、转速7000 prn),由于模型系统需求功率比较低(系统载荷小,需求功率只克服传动中的摩擦阻力),所以它兼顾驱动和控制两种功能。
②减速直流电机驱动(9V、最大功率1.1瓦,减速比50:1/20:1)。
③气动驱动包括:储气罐、气缸、活塞、电磁阀、气管等元件。
传感器:在搭接模型时,你可以把传感器提供的信息(如亮/暗、通/断,温度值等)通过接口板传给计算机。
系统提供的传感器做为控制系统的输入信号包括:①感光传感器Brightness sensor (光电管):对亮度有反应,它和聚焦灯泡配合使用,当有光(或无光)照在上面时,光电管 产生不同的电阻值,引发不同信号。
②接触传感器Contact sensor (触动开关):如图1所示,当红色按钮按下,接触点1、3接通,同时接触点1、2断开,所以有两种使用方法:常开:使用接触点1、3,按下按钮=导通;松开按钮=断开;常闭:使用接触点1、2,按下按钮=断开;松开按钮=导通。
慧鱼创意组合模型实验任务书一、实验目的1、熟悉慧鱼模型的各个模块,了解机器人的基本结构。
2、能够运用计算机编程,合理控制机器人的运动。
3、通过实验提高动手能力和创新技能,对创造技法有一定的了解二、实验内容利用慧鱼创意组合模型搭接组装机器并运用专用软件编程实现机器运动的控制。
三、实验仪器1)Computig Starter模型一套;2)慧鱼专用电源一套;3)PC机一台;4)LLWIN 软件一套;5)智能接口板一块;6)还根据不同的实验机器人,包括可充电电池和远红外遥控添加组等设备。
四、实验任务书1、至少搭建原说明书中的一个较复杂的模型;2、在原有模型基础上进行扩充,可自己设计一个模型并搭建(也可以是程序的改进);3、运用LLWin软件编制控制软件,实现模型的动作控制,完成规定功能。
自我设计模型的主要目标;1)新颖性:模型的构思要新颖独特;2)实用性:模型要有—定的实际意义,最好能从生活的观察中选题;3)功能性:模型实现的功能要有一定的可靠性;4)巧妙性:某些地方能够体现巧妙的构思。
主要文字资料:Computig Starter原说明书一套Software LLWin 3.0软件使用说明书推荐的参考书目:爱德华.德.波诺: 《思维的技能》《六顶思考帽》《六双行动鞋》《横向思维》高桥诚:《创造技法手册》托尼.巴赞: 《思维导图》参考的创新技法:头脑风暴法NM法形态分析法USIT法五、时间进度安排:1、实验方案的确定及相关资料的介绍:1学时2、慧鱼组合模型的设计组装(包括机械部分和电路部分):5学时3、LLWin软件的讲解学习:2学时4、慧鱼组合模型控制程序的编制及调试:8学时六、评分标准1、实验方案选择合理性及难易程度占1分2、慧鱼组合模型的设计组装过程及结果(能完成相应的机械动作和功能)占1分3、LLWin软件的编写是否符合规范,程序是否调试通顺,相应的硬件是否能够完成既定的动作占3分。
注意事项及操作规程用慧鱼模型做实验是个有趣的过程,但因为模型的零件小而多,所以易于丢失,目前而言还没有财力不断补充丢失零件,为了让更多的人能体验这个实验的乐趣,同时也为了让自己练习一种仔细的做事习惯,请仔细阅读以下操作规程并严格按此规程去做,如果你想探索更好的操作规程并实践你的操作规程,千万别忘了你的操作规程要能保证零件不丢失,一旦你因实践自己的操作规程而在丢失零件方面发生严重失误,你的实验成绩会受到影响。
慧鱼创意组合模型简介第一节慧鱼模型一、机械构件1.六面拼接体(见图Ⅳ-1、Ⅳ-2)六面拼接体的6个面各有U形槽或凸出的小方块,二者是相互配合的。
通过U形槽和小方块的相互拼接,可以实现构件之间的互连。
由于这些构件是六面体,因此接合的角度一般为0°或90°。
如果需要其他角度的连接,有专用的楔形体可供使用,这些楔形体提供的角度有7.5°、15°、30°、60°等,楔形体的角度已在其侧面标明。
2.齿轮、齿轮轴与齿条(见图Ⅳ-3、Ⅳ-4、Ⅳ-5)慧鱼模型提供的齿轮种类比较多,其中普通外齿合齿轮还可用作蜗轮。
齿轮图Ⅳ-43.蜗轮、蜗杆和螺旋传动(见图Ⅳ-6、Ⅳ-7)慧鱼模型提供的蜗轮蜗杆形式多样,除图中所示的蜗轮外,所有的外啮合齿轮也都可用作蜗轮。
小尺寸蜗杆还可以用作螺旋传动的蜗杆,如图Ⅳ-7所示。
12图Ⅳ-6蜗轮和蜗杆图Ⅳ-7螺旋传动4.导轨与连杆(见图Ⅳ-8)慧鱼模型提供了多种长度的塑料或金属杆件,可用作导轨、连杆和传动轴等。
图Ⅳ-8金属杆、连接杆(塑料)、传动轴(塑料)5.万向节、齿轮箱(见图Ⅳ-9)万向节用于和塑料传动轴(见图Ⅳ-8)配合以传递扭矩。
齿轮箱用于和电动机相连接,起减速器的作用。
图Ⅳ-9万向节、齿轮箱、齿轮箱(用于齿条)6.链条和履带(见图Ⅳ-10、Ⅳ-11)链条由链节连接而成,在链条上安装履带板后,就成为履带(输送带)。
链轮可以用齿轮代替。
图Ⅳ-10链节、履带板图Ⅳ-11安装链节和履带板此外慧鱼模型还提供了大量其他的构件,很好的扩展了模型的功能,在此不再详述。
二、电气构件1.电动机与灯泡(见图Ⅳ-12、Ⅳ-13)慧鱼模型提供的电动机有普通迷你电动机和大功率电动机两种,提供的灯泡也有普通灯泡和聚光灯泡两种,可根据实际需要选用。
3图Ⅳ-12普通电动机和大功率电动机图Ⅳ-13普通灯泡和聚光灯泡2.小型开关的工作原理(见图Ⅳ-14、Ⅳ-15、Ⅳ-16)小型开关上有3个针脚:0针脚和1针脚形成一个常闭开关;0针脚和2针脚形成一个常开开关;当按键3被压下时,小型开关的通断状态改变,电脑接口板检测到数字信号“1”或“0”,利用这个原理,小型开关可以用作运动部件的限位开关。
“慧鱼”创意实验指导书一、实验目的“慧鱼”创意模块是一种由标准模块构成,可随意组装,并可用程序控制的机电一体化教学实验装置。
它可组装成多种类型、多种型号和功能的机器模型:如工业机器人、移动机器人、气动机器人、带传感器的机器模型以及计算机中的常用机构模型等等。
通过本实验,可以达到以下几个方面的目的:1.认识了解机器的一般构成原理;2.了解所组装的机器模型的工作原理,以及在工业中的实际用途;3.加深对机械传动、计算机控制和机电一体化装置的感性认识;4.锻炼动手和协作能力,培养逻辑思维和开拓创新的意识。
二、机器模型设计在指导教师的协助下,同学们自行设计一种机器的模型,要求了解所设计机器的工作原理,绘制详细的结构图并讨论方案的可行性。
在征得指导教师同意后,即可开始组装机器。
三、组装实验步骤1.准备工作领取所设计机器的实验模型零部件和装配手册,按照手册清点零件种类及数量,认真阅读装配说明书。
2.机械装配按照装配说明书上所示的步骤进行组装,注意每安装一个零部件都需要进行验证,以确保安装的正确性,直到机械全部安装结束。
3.控制电路安装首先,按照说明书中的要求,将电线按规定长度剪开,接上插头(注意线和插头的颜色应一一对应),然后按照各模块类型的布线图接好电路。
4.控制接口板安装将控制接口部件按照要求连接在计算机上,然后将控制接口部件接通电源(9V变压器或电池盒电源),并用数据线将其与计算机的串行口相连(建议用COM1)。
启动LLWin应用软件(注意,工业机器人和移动机器人使用LLWin3.0版本,计算机中的常用机构模型使用LLWin2.1版本,气动机器人使用专用的气动机器人程序),在LLWin界面的工具栏中选择Check Interface项,逐一测试各项输入(开关、传感器等)和输出(马达、灯、电磁铁等),确保其正常工作。
5.编制控制程序控制程序可直接使用LLWin软件中提供的程序示例,也可自行编制(参考“编程指南”)。
慧鱼教案设计模板第1篇:慧鱼创新培训教案一、慧鱼产品的简介1964年,慧鱼创意组合模型(fischertechnik)诞生于德国,是技术含量很高的工程技术类智趣拼装模型,慧鱼创意组合模型的主要部件采用优质尼龙塑胶制造,尺寸精确,不易磨损,可以保证反复拆装的同时不影响模型结合的精确度;构件的工业燕尾槽专利设计,使六面都可拼接,独特的设计可实现随心所欲的组合和扩充。
慧鱼创意组合模型主要有组合包、培训模型、工业模型三大系列,涵盖了机械、电子、控制、气动、汽车技术、能源技术和机器人技术等领域和高新学科,利用工业标准的基本构件(机械元件/电气元件/气动元件),辅以传感器、控制器、执行器和软件的配合,运用设计构思和实验分析,可以实现任何技术过程的还原,更可以实现工业生产和大型机械设备操作的模拟,从而为实验教学、科研创新和生产流水线可行性论证提供了可能,世界知名的德国西门子、德国宝马、美国IBM等一大批著名公司都采用慧鱼模型来论证生产流水线。
这里所说的工业标准的基本构件,是指我们在机械原理和零件里所学的,构成机械结构的基本构件,比如:传动用的齿轮、涡轮涡杆、连接用的轴、把转动变成轴向移动的滚珠丝杠,以及连杆、齿轮齿条、联轴器等等。
我们把这些基本原件用一定的次序组装起来,得到可以实现预定功能的机械产品。
所说的传感器,并不是象大家想象中的那些电子原器件产品,它指的是触点开关,可以是常开状态,也可以是常闭状态,当状态发生改变时,可以做为一个信号引入控制程序,以改变驱动电机的状态。
软件是慧鱼专用的软件,是一个非常易于掌握和使用的工具软件,把慧鱼现有的零件模块化,象做程序流程图一样,用带箭头的边线将不同一模块联接起来,就可以使所搭建的产品产生特定的动作。
比如:以三自由度机械手为例。
三自由度机械手的三个自由度分别指:沿Z轴的旋转、沿Z轴的直线移动和沿X轴的轴向直线移动,通过这三个动作,可以将机械手的末指手指移动到任意的空间位置,再通过手指的张开和闭合,实现对物料的抓取和搬运。
教案-简易物体结构模型(慧鱼创意组合模型)
实训目标:
1.了解慧鱼结构包的诞生及意义、价值。
2.了解并掌握慧鱼结构包各构件名称、用法及如何组装。
3.掌握组装简易物体结构的方法与技能,探索不同结构形状的牢固程度。
4.激发和培养学生的动手、动脑能力,拓宽知识面,培养创新意识。
实训材料:慧鱼结构包,部分模型(如图)
实训过程:
1.介绍慧鱼结构包的来历及意义、价值。
2.识别零件:介绍构件名称及用法,教给简单的拼装方法。
3.教师示范制作一物体模型:房子。
结构是一种能承受负载的东西,它必须能承担起自身的重量和足够的负载。
观察下列图示,思考各种形状所能承受的压力大小,认识到三角形是一种天然稳定结构,房子、桥梁都会用到这种结构。
桥梁桌子房子
仔细观察下图,这是个四边形,本可以自由转换成平行四边形。
想一想,装上中间的斜杠后,还能自由变换成其他图形吗?
4.学生独立拼装房子模型。
展示自己的房子模型,比一比,谁的房子结构更牢固、更完美、更有创新意识。
秀一秀,说一说:
你还会拼装更复杂点的其他结构模型吗?试一试,2人为一组,合作拼装一座桥梁,做
一回桥梁设计师,当一次能工巧匠。
拼装完工后相互点评,哪一组拼装的桥梁模型更牢固,更能赢得大家的喝彩。
课外拓展:
探索纸结构的承重
1.用相同的卡纸(或一种较厚的纸片),做成不同形状的桥(如图所示),试一试,哪种形状的桥最牢?为什么?
2.比一比,哪种纸结构能承受的重量最大?
用一张10×25cm的厚纸和一条2×30cm的胶纸制作各种纸结构(可采用图中形状,也可自由创作)。
在纸结构上面放一10×10cm轻质塑料板,再在板上不断加重,直至结构变形为止。
从中可以比较出哪种结构最能承重,你知道其中的奥秘吗?
知识联接:
慧鱼模型作品欣赏
爬楼梯爬坡围棋。