常见变质岩的观察与鉴定
- 格式:doc
- 大小:38.00 KB
- 文档页数:3
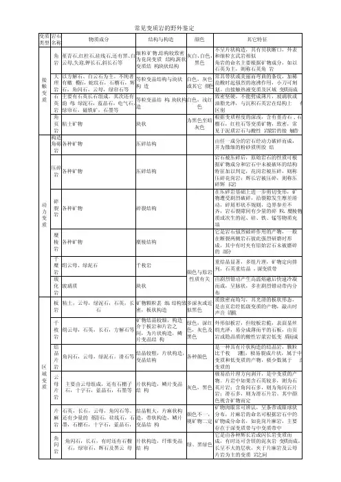
常见变质岩的观察与鉴定一目的要求1.初步掌握变质岩的一般特征;2.认识和熟悉几种典型的变质岩种类的描述和肉眼鉴定。
二区域变质岩肉眼观察描述内容及其注意事项变质岩肉眼观察描述的内容、方法与沉积岩、岩浆岩大体相似,包括以下内容:1.颜色变质岩的颜色比较复杂,它既与原岩有关又与变质岩矿物成分有关。
因此,颜色虽可帮助鉴定矿物成分,但与其它两大类岩石相比,则重要性较差。
变质岩的颜色常不均一,应注意观察其总体色调。
2.结构构造区域变质岩的结构主要为变质结构,仅少数为变余结构。
变晶结构在肉眼下很难与结晶质结构相区别。
描述变晶结构时同样应注意矿物的结晶程度、颗粒大小、形状等特点。
区域变质岩最特征的构造是由矿物具一定方向排列而构成的定向构造,即片理。
片理是变质岩特有的一种构造。
根据其剥开的难易,剥开面和平整程度和光泽,结合矿物重结晶程度等特征,可将片理中的板状、千枚状、片状和片麻状四种构造区分开。
区域变质岩中亦有块状构造。
3.矿物成分描述变质岩的成分时,应注意主要矿物,次要矿物和特征变质矿物。
一般按矿物含量从多到少的顺序进行描述。
4.岩石的命名区域变质岩中具有定向构造的岩石,以定向构造为其基本名称。
若肉眼可识别出主要矿物或特征变质矿物时,亦应作为定名内容。
一般命名原则可概括为:颜色+(矿物成分)+基本名称。
如蓝灰色蓝晶石片岩。
角闪石斜长片麻岩,黑云母变质岩。
三接触变质岩、动力变质岩和混合岩的观察描述内容和注意事项(一)接触变质岩接触交代变质岩,颜色成分均较复杂多变,与原岩成分及交代有密切关系,典型岩石为矽卡岩,常含多种金属矿物。
接触热变质岩的典型岩石石英岩和大理岩是典型的致密变晶结构,块状构造。
注意观察两者的硬度。
(二)动力变质岩石此类岩石的基本类型是根据变形行为、破碎程度和重结晶程度确定的,如角砾岩、糜棱岩、千糜岩。
破碎程度和重结晶程度增加。
(三)混合岩注意区分基体部分和脉体部分,一般前者颜色较深,常为深灰、灰色等,后者颜色较浅常为灰白、肉红色等。
变质岩的鉴定与成因解析一、引言变质岩是一类在地壳内发生变质作用的岩石,经过高温、高压和化学作用而形成。
本文将对变质岩的鉴定方法和成因进行解析,以增进读者对变质岩的认识和理解。
二、变质岩的鉴定变质岩的鉴定主要依靠岩石的矿物组成和结构特征。
常见的鉴定方法包括显微镜下的薄片观察、化学分析和热力学计算等。
1. 薄片观察通过显微镜下观察变质岩的薄片,可以看到不同矿物的晶体形态、颜色和排列方式,从而确定岩石的类型和成因。
例如,片麻岩中常见的矿物包括黑云母、长石和石英,而绿帘石片岩中则有绿泥石和石英等。
2. 化学分析化学分析是鉴定变质岩的另一种常用方法。
通过对岩石样品的化学成分进行分析,可以了解岩石中各种矿物的含量和组成,从而推断出岩石的成因和演化历史。
例如,高铝型变质岩中富含铝和镁,而高温变质岩则富含铁和镁。
3. 热力学计算热力学计算是一种相对较新的鉴定方法,通过计算变质岩形成所需的温度和压力条件,来确定岩石的成因。
这种方法对于了解变质作用的过程和变质岩的演化具有重要意义。
三、变质岩的成因解析变质岩的成因是地壳内物质受到高温、高压等因素作用下发生变质作用的结果。
具体的成因包括以下几种类型:1. 热变质热变质是指岩石在高温环境下发生的变质作用,主要是由于岩石受到火山活动、岩浆侵入等热源的影响。
这种变质作用常见于构造活动剧烈、火山带和地热区域。
2. 压力变质压力变质是指岩石受到高压力作用下发生的变质作用。
在地壳深部或构造运动带来的压力下,岩石中的矿物可以发生形态变化和再结晶,从而形成新的岩石类型。
压力变质主要发生在造山带和断裂带等地质构造活跃区域。
3. 化学变质化学变质是指岩石受到流体或气体的作用下发生的变质作用。
这种变质作用主要是由于外部流体(如地下水)中的溶质和岩石发生反应,导致岩石中矿物的组成和结构发生改变。
化学变质通常发生在含水层、露头和断裂带等位置。
四、变质岩的意义与应用变质岩具有重要的科学研究和应用价值。
变质岩野外观察描述一、变质岩观察与描述方法在野外鉴别变质岩的方法、步骤与前述岩浆岩类似,但主要根据是其构造、结构和矿物成分。
这是因为,变质岩的构造和结构是其命名和分类的重要依据。
第一步可先根据构造和结构特征,初步鉴定变质岩的类别。
譬如,具有板状构造者称板岩;具有千枚构造者称千枚岩等。
具有变晶结构是变质岩的重要结构特征。
例如,变质岩中的石英岩与沉积岩中的石英砂岩尽管成分相同,但前者具变晶结构,而后者却是碎屑结构。
第二步再根据矿物成分含量和变质岩中的特有矿物进一步详细定名。
一般来讲,要注意岩石中暗色矿物与浅色矿物的比例,以及浅色矿物中长石和石英的比例,因这些比例关系与岩石的鉴定有着极大关系。
例如,某岩石以浅色矿物为主,而浅色矿物中又以石英居多且不含或含有较少长石,就是片岩;若某岩石成分以暗色矿物为主,且含长石较多,则属片麻岩。
变质岩中的特有矿物,如蓝晶石、石榴子石、蛇纹石、石墨等,虽然数量不多,但能反映出变质前原岩以及变质作用的条件,故也是野外鉴别变质岩的有力证据。
关于板岩和千枚岩,因其矿物成分较难识辩,板岩可按“颜色+所含杂质”方式命名,如可称黑色板岩、炭质板岩;千枚岩可据其“颜色+特征矿物”命名,如可称银灰色千枚岩、硬绿泥石千枚岩等。
在野外,还要观察地质体产状、变质作用的成因。
比如,石英岩与大理岩两者在区域变质与接触变质岩中均有,就只能根据野外产状和共生的岩石类型来确定。
假如此类岩石围绕侵入体分布,并和板岩共生,则为接触变质形成;假如此类岩石呈区域带状分布,并和具片状或片麻状构造的岩石共生,则为区域变质所形成。
对变质岩我们也应描述岩石总体颜色,注意其岩石结构。
若为变晶结构,则要对矿物形态进行描述。
注意观察岩石中矿物成分是否定向排列,以便描述其构造。
用肉眼和放大镜观察可见的矿物成分应进行描述。
若无变斑晶,就按矿物含量多少依次描述;若有变斑晶,则应先描述变斑晶成分,后描述基质成分。
至于其它方面,如小型褶皱、细脉穿插、风化情况等,亦应作简略描述。
变质岩的野外观察与描述一、变质岩的一般命名原则变质岩是原先已经存在的岩石(岩浆岩、沉积岩、变质岩),经变质作用改造形成的岩石。
1.变质岩的基本名称变质岩的基本名称主要依据结构、构造和主要矿物成分,具体命名方法如下:⑴据变余结构、构造的岩石,在原岩名称之前加“变质”二字,如:变质砂岩。
⑵据变晶结构或(和)变成构造的岩石,如:具定向构造,直接根据变成构造特征确定基本名称,如:板状构造----板岩、千枚状构造----千枚岩、片状构造----片岩、片麻状构造----片麻岩等;不具定向构造的粒状岩,一般根据含量最多的矿物确定基本名称,如角闪岩、石英岩、大理岩(碳酸盐矿物为主)等;个别岩石类型是根据外貌特征和结构、构造而使用习惯名称,如角岩、麻粒岩、变粒岩等。
⑶具碎裂结构、构造的岩石,依据碎裂特征确定基本名称,如:构造角砾岩、碎裂岩、糜棱岩、千糜岩等。
2.变质岩的详细命名颜色+特征的结构、构造+矿物成分+基本名称矿物成分参加命名时,含量大于15%的直接参加命名;含量5~15%的在矿物名称前加“含”字;含量小于5%的矿物一般不参加命名,但特征变质矿物应参加命名,在矿物名称前加“含”字;如:银灰色石榴石白云母片岩。
当参加命名的矿物较多时,矿物名称可略写,如:含硅线十字石榴斜长片麻岩。
二、变质岩野外观察与描述1.颜色2.矿物成分在对变质岩进行观察描述时,除了注意观察含量较多的主要矿物外,要特别注意特征变质矿物的观察和鉴定,以便为恢复原岩、分析变质作用的物理化学条件和变质作用强度提供依据。
对岩石中含有的所有矿物都要注意观察描述其颜色、光泽、解理、硬度、形态、大小等鉴定特征,目估各种矿物的百分含量。
描述的顺序是:具有斑状变晶结构的,先描述变斑晶,后描述变基质;不具斑状变晶结构时,按照矿物的含量,由多到少依次描述。
3.结构首先比较矿物的相对大小,看其是否具有斑状变晶结构,再观察和度量矿物的绝对大小,然后观察变晶矿物的形态特征,最后对岩石的结构进行综合描述,定出岩石的结构类型。
变质岩的岩石学特征与鉴定方法变质岩是一种在地壳中经历了高温、高压和化学反应作用的岩石,其形成过程中的物理和化学变化赋予了它独特的岩石学特征。
了解变质岩的特征及其鉴定方法对于地质学研究和矿产资源勘探具有重要意义。
本文将介绍变质岩的岩石学特征以及常用的鉴定方法。
一、岩石学特征1. 成岩矿物变质岩的成岩矿物是其岩石学特征之一。
在变质过程中,原先的矿物会发生改变或生成新的矿物。
例如,在压力下,粉状的矿物例如黄铁矿、蛇纹石等会发生重新结晶从而形成新的矿物。
而在高温环境下,矿物的晶体结构也会发生变化。
不同的变质程度和变质条件会导致不同的成岩矿物,进而影响到岩石的特征。
2. 岩石结构在变质过程中,岩石的结构也会发生变化。
变质岩常常具有层状、块状或片麻状结构。
层状结构是指岩石中成分或性质有规则地在岩石中分布形成层状结构,如云母片麻岩。
而块状结构则表示变质岩中的矿物成分或性质均匀分布而不呈现层状结构。
片麻状结构则是指岩石中大块状矿物被细晶状矿物包围的结构,如花岗岩片麻岩。
3. 变形构造变质过程中,岩石会发生变形。
变形构造是变质岩的另一个重要特征。
在变形过程中,岩石可以出现折叠、断层、推覆等结构。
这些变形构造记录了地质过程中的应力变化以及岩石的变形历史。
二、鉴定方法1. 岩石薄片观察岩石薄片观察是鉴定变质岩的常用方法之一。
通过显微镜观察岩石薄片可以查看岩石的成分、结构和矿物组合等特征。
可以通过测量矿物的晶体形态、光学性质、颜色等来识别矿物种类,从而进一步鉴定岩石的类型。
2. 化学成分分析化学分析是鉴定变质岩的重要手段。
通过对岩石进行化学成分分析,可以确定岩石中不同矿物的含量及其相对比例。
常用的化学分析方法包括X射线荧光光谱、电感耦合等离子体发射光谱等技术。
3. 矿物学鉴定矿物学鉴定是鉴定变质岩的关键方法之一。
通过对变质岩中的矿物进行鉴定,可以揭示岩石的成因和变质环境。
常用的矿物学鉴定方法包括X射线衍射、扫描电子显微镜等。
变质岩特征描述
变质岩是一种由原始岩石在高温、高压、化学作用等外力作用下发生改变的岩石。
它具有以下特征:
1.矿物物质:
变质岩由于高温和高压的作用,矿物物质发生改变,晶粒重新排列和生长。
在变质过程中,一些新的矿物质可能形成,如石英、长石、云母和角闪石等。
变质岩中常见的矿物物质有石英、长石、麻粒石、角闪石、云母和硬岩石等。
这些矿物物质的组合和排列方式会影响岩石的结构和质地。
2.结构和质地:
变质岩的晶粒较原始岩石更大,晶界清晰可见。
晶粒的大小和形状取决于变质程度和变质时间。
变质岩的质地可以分为片麻岩、页岩、片岩、纹麻岩和晶状岩等。
不同的岩石类型具有不同的质地特征,如片麻岩具有云母层片状的质地,晶状岩则具有晶粒状的质地。
3.变质程度:
变质岩的变质程度可根据矿物的类型、组合和排列方式来判断。
变质程度越高,矿物物质发生变化的程度就越大,晶粒也越大。
变质程度的变化通常会导致岩石的颜色和质地发生改变。
例如,低变质程度的岩石往往呈灰色或绿色,而高变质程度的岩
石则可能呈深色。
4.岩石构造:
变质岩常常具有特殊的岩石构造,如层状构造、黏土矿包构造、石英矿包构造等。
这些构造是由于变质过程中的物理和化
学作用形成的,可以反映出变质过程中的变化和应力条件。
总的来说,变质岩具有矿物物质改变、晶粒重新排列和生长、质地变化、岩石构造变化等特征。
通过对这些特征的观察和分析,我们可以了解变质岩的形成过程、变质程度和变质条件等。
含有铁质,因而成暗红色。
鲕粒约占岩石60%。
还有<5%的生物碎屑。
填隙物:主要为灰白色,但较浑浊的泥晶方解石,与颗粒界限不清晰,约占岩石的20%-25%;有少量灰白色、较干净明亮的方解石,约占岩石10%。
结构:鲕粒结构;基质支撑,为基底式胶结,颗粒互相不接触。
构造:块状构造。
岩石名称:亮晶一泥晶缅拉灰岩五、碳酸盐岩(二)白云岩、泥灰岩、硅质灰岩及硅质岩此类岩石的主要类型:碎屑白云岩、细晶白云岩、中一粗晶白云岩、泥晶白云岩、白云质灰岩、泥灰岩、硅质灰岩、硅藻土、燧石岩、碧玉岩。
1、鉴定方法和步骤同石灰岩2.描述实例.(1)泥晶白云岩暗灰色。
隐晶结构,手标本呈块状构造。
岩石致密,断口呈贝壳状,加盐酸微弱起泡。
岩石由泥晶白云岩组成。
(2)硅质条带石灰岩灰色。
隐晶一粉晶结构,条带状构造。
岩石由浅灰的粉晶石灰岩(约占岩石70%)和暗灰色的硅质条带(约占岩石30%)组成。
石灰岩由粉晶方解石组成,加盐酸剧烈起泡,断口略粗糙不平。
硅质条带由燧石组成,致密、硬度大于小刀。
变质岩的观察与描述变质岩的观察与岩浆岩相似,也是从颜色、结构、构造、矿物成分、次生变化、矿化蚀变特征等方面进行观察和描述。
1.变质岩结构的观察内容变余砂状结构(变质砂岩)变余辉绿结构(变质辉绿岩)粒状变晶结构(大理岩或石英岩)角岩结构(长英角岩)纤维变晶结构(阳起石片岩)鳞片变晶结构(绿泥片岩)斑状变晶结构(石榴白云母片岩)2.变质岩构造的观察内容板状构造(板岩)千枚构造(千枚岩)片理构造(各种片岩)片麻构造(片麻岩)块状构造(大理岩)3、观察内容变质岩结构构造观察,以手标本和野外宏观观察为主。
其观察步骤一般是,首先确定结构构造的成因类型,如变余结构、变晶结构、碎裂结构、变余构造、变成构造等。
然后再进一步定出结构构造的具体名称(如变晶结构则可根据变晶矿物的粒度、形状、相互关系等确定为粒状变晶结构、纤维变晶结构等)。
当一种岩石同时具有几种不同的结构造时,可分清主次,采用综合描述的方法,即把次要结构构造放在前面,主要结构构造放在后面。
标题:认识常见的变质岩实习报告摘要:本次实习的主要目的是让我们更好地理解和认识变质岩,增加我们对地球物理、地质学的感性认识。
通过实习,我们对变质岩的形成、分类和特征有了更深入的了解,并能够识别常见的变质岩类型。
实习过程中,我们参观了学校地质实验室,观察了不同类型的变质岩样品,并进行了详细的记录和分析。
一、实习目的认识常见的变质岩,理解变质岩的形成过程和分类特征,提高我们对地球物理、地质学的感性认识,为后续课程学习打下基础。
二、实习时间与地点实习时间:XXXX年XX月XX日实习地点:学校地质实验室三、实习内容与过程1. 实验室参观在实验室中,我们参观了多种变质岩样品,包括片麻岩、大理石、石英岩、片岩等。
在参观过程中,我们认真观察了每种岩石的样品,并记录了它们的特征。
2. 变质岩的分类与特征学习在实验室参观后,我们进行了变质岩的分类和特征学习。
通过查阅资料和请教老师,我们了解到变质岩是根据形成的环境和过程分为不同类型的,主要包括:热变质岩、接触变质岩和区域变质岩。
各类变质岩具有不同的特征:(1)热变质岩:形成于高温环境,岩石具有高温变质矿物组合,如橄榄石、辉石等。
(2)接触变质岩:形成于岩浆侵入附近的地层中,受岩浆热影响而变质,如大理石、角岩等。
(3)区域变质岩:形成于广泛的地区,受到地壳运动和高温高压的影响,如片麻岩、片岩等。
3. 实习成果展示在实习的最后阶段,我们以小组为单位,对所观察的变质岩样品进行了整理和分析,并制作了PPT进行展示。
每个小组选择了几种具有代表性的变质岩,详细介绍了它们的特征、形成环境和在地质中的应用。
四、实习收获通过本次实习,我们对变质岩有了更深入的了解,能够识别常见的变质岩类型,提高了我们对地质学、地球物理学的感性认识。
同时,实习过程中的团队协作和PPT制作也锻炼了我们的沟通能力和动手能力。
五、实习总结本次实习让我们对变质岩有了更全面的了解,对于提高我们的地质学素养起到了很好的促进作用。
变质岩的鉴定及定名一、鉴定内容和方法:区域变质岩:板岩、千枚岩、片岩、片麻岩接触变质岩:角岩、矽卡岩、大理岩、石英岩自变质岩:蛇纹岩、云英岩1、变质岩的矿物变质岩既然是由火成岩或沉积岩等岩石变化而来的,其矿物成分一方面保留有原岩成分,另一方面也出现了一些新的矿物。
如火成岩中的石英、钾长石、斜长石、白云母、黑云母、角闪石及辉石等,由于本身是在高温、高压条件下形成的,所以在变质作用下依然保存。
在常温常压下形成于沉积岩中的特有矿物,特别是岩盐类矿物,除碳酸盐矿物(方解石、白云石)外,一般很难保存在变质岩中。
变质岩除了保存着上述火成岩和沉积岩中的共有继承矿物外,变质岩中还有它特有的矿物,如石榴石、红柱石、兰晶石、矽线石、硅灰石、石墨、金云母、透闪石、阳起石、透辉石、蛇纹石、绿泥石、绿帘石、滑石等。
2、变质岩的常见结构变质岩的结构是指组成矿物的粒度、形态和它们之间的关系,常见类型如下:(1)变余结构指变质岩中保留了原岩结构的一种结构。
如变余砾状结构、变余砂状结构、变余斑状结构等。
常见于变质较浅的岩石中,可借此了解原岩性质。
(2)变晶结构指在变质作用过程中由重结晶作用所形成的结构。
是变质岩中最重要的一种结构类型。
按矿物颗粒大小可划分为:粗粒变晶结构(粒径>3mm)、中粒变晶结构(粒径3mm~1mm)、细粒变晶结构(粒径<1mm)。
如果按矿物的形态和颗粒的相对大小可分为:粒状变晶结构:岩石主要由粒状矿物(如石英、方解石等)组成,无明显的定向排列,如大理岩、石英岩等。
纤状变晶结构:岩石主要由针状、柱状矿物组成,有些呈放射状、束状,常具定向排列,如角闪片岩、阳起石片岩。
鳞片变晶结构:岩石主要由片状矿物(云母、绿泥石)组成,而且呈平行排列,如云母片岩。
斑状变晶结构:岩石中主要由于矿物结晶能力的差异和颗粒大小的不同而形成的结构,其中结晶能力强的矿物形成了较大的变斑晶,如兰晶石片岩或石榴石片岩中的兰晶石、石榴石。
3、变质岩中的常见构造变质岩的构造是指各种矿物的空间分布和排列特点。
常见变质岩的观察与鉴定
一目的要求
1.初步掌握变质岩的一般特征;
2.认识和熟悉几种典型的变质岩种类的描述和肉眼鉴定。
二区域变质岩肉眼观察描述内容及其注意事项
变质岩肉眼观察描述的内容、方法与沉积岩、岩浆岩大体相似,包括以下内容:1.颜色
变质岩的颜色比较复杂,它既与原岩有关又与变质岩矿物成分有关。
因此,颜色虽可帮助鉴定矿物成分,但与其它两大类岩石相比,则重要性较差。
变质岩的颜色常不均一,应注意观察其总体色调。
2.结构构造
区域变质岩的结构主要为变质结构,仅少数为变余结构。
变晶结构在肉眼下很难与结晶质结构相区别。
描述变晶结构时同样应注意矿物的结晶程度、颗粒大小、形状等特点。
区域变质岩最特征的构造是由矿物具一定方向排列而构成的定向构造,即片理。
片理是变质岩特有的一种构造。
根据其剥开的难易,剥开面和平整程度和光泽,结合矿物重结晶程度等特征,可将片理中的板状、千枚状、片状和片麻状四种构造区分开。
区域变质岩中亦有块状构造。
3.矿物成分
描述变质岩的成分时,应注意主要矿物,次要矿物和特征变质矿物。
一般按矿物含量从多到少的顺序进行描述。
4.岩石的命名
区域变质岩中具有定向构造的岩石,以定向构造为其基本名称。
若肉眼可识别出主要矿物或特征变质矿物时,亦应作为定名内容。
一般命名原则可概括为:颜色+(矿物成分)+基本名称。
如蓝灰色蓝晶石片岩。
角闪石斜长片麻岩,黑云母变质岩。
三接触变质岩、动力变质岩和混合岩的观察描述内容和注意事项
(一)接触变质岩
接触交代变质岩,颜色成分均较复杂多变,与原岩成分及交代有密切关系,典型岩石为矽卡岩,常含多种金属矿物。
接触热变质岩的典型岩石石英岩和大理岩是典型
的致密变晶结构,块状构造。
注意观察两者的硬度。
(二)动力变质岩石
此类岩石的基本类型是根据变形行为、破碎程度和重结晶程度确定的,如角砾岩、糜棱岩、千糜岩。
破碎程度和重结晶程度增加。
(三)混合岩
注意区分基体部分和脉体部分,一般前者颜色较深,常为深灰、灰色等,后者颜色较浅常为灰白、肉红色等。
同时注意脉体贯穿的形态,如条带状混合岩、斑点状混合岩等。
四作业及思考题
1.描述1~10号标本;
2.板岩、千枚岩、片岩有何主要区别?
3.如何区分石英岩和大理岩?
4.何为片麻构造?
变质岩鉴定表。