有限空间作业许可证(样表)
- 格式:docx
- 大小:14.57 KB
- 文档页数:1
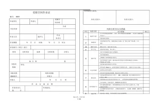
编号:0001受限空间作业证受限空检查验收人意见:负责人签字:负责人签字:申请单位申请人作业内容间名称介质风险分析及安全措施序号风险分析安全措施确认人①与该设备连接的物料、蒸汽、氮气管线使用盲板隔断,并办理《抽堵盲板作业作业人员监护人负责人作业期限年月日时始年月日时止1 隔绝不可靠2 机械伤害作业证》。
②拆除相关管线。
办理设备停电手续,切断设备动力电源,挂“禁止合闸”警示牌,专人监护。
涉及相关(单位)部门时间分析项目标准分析结果分析人3 置换不合格置换完毕后,取样分析至合格。
4 氧气不足设备内氧含量达18~21%。
①打开设备通风孔进行自然通风。
②采用强制通风。
风险及措施风险及措施编制人补充:执行第条风险及措施审核人5 通风不良6 未定时监测7 触电危害③佩戴空气呼吸器或长管面具。
④采用管道空气送风,通风前必须对管道内介质和风源进行分析确认,严禁通入氧气补氧。
⑤设备内温度需适宜人员作业。
①作业前30min 内,必须对设备内气体采样分析,合格后方可进入设备。
②采样点应有代表性。
③作业中应加强定时监测,情况异常立即停止作业。
①设备内照明电压应小于等于36V,在潮湿容器、狭小容器风作业应小于等于12V。
审批人年月日时作业完成反馈②使用超过安全电压的手持电动工具,必须按规定配备漏电保护器。
①在有缺氧、有毒环境中,佩戴隔离式防毒面具;②在易燃易爆环境中,使用防爆型低压灯具及不发生火花的工具,不准作业负责人签字车间意见:8 防护措施不当穿戴化纤织物;③在酸碱等腐蚀性环境中,穿戴好防腐蚀护具扒渣服耐酸靴耐酸手套护目镜。
9 通道不畅设备进出口通道,不得有阻碍人员进出的障碍物。
精品文档,欢迎下载10 监护不当应急设施不足11 或措施不当①进入设备前,监护人应会同作业人员检查安全措施统一联系信号;②监护人随时与设备内取得联系,不得脱离岗位;③监护人用安全绳拴住作业人员进行作业。
①设备外备有空气呼吸器、消防器材和清水等相应的急救用品;②设备内事故抢救时, 救护人员必须做好自身防护方能进入设备内实施抢救。
有限场所安全作业证(样表)1. 背景介绍有限场所安全作业证是一种用于监管和管理有限场所安全作业的证件。
有限场所指的是限制人员出入的区域,包括工业厂区、建筑工地、化工厂等场所。
为了确保在有限场所进行作业时的安全,有限场所安全作业证被引入,并规定了取得和持有该证件的相关要求和程序。
2. 证件内容- 证件编号:每张证件都有唯一的编号,用于标识证件的身份和有效性。
- 证件持有人信息:包括持有人的姓名、性别、出生日期等基本信息,以便识别证件持有人。
- 签发机构信息:证件的签发机构名称和联系方式,方便与签发机构进行联系和查询。
- 证件类型:明确证件是属于有限场所安全作业证。
- 有效期限:规定证件的有效期限,确保证件在规定时间内有效。
- 相关许可范围:明确证件持有人被授予的作业范围和权限,以及禁止执行的操作。
- 需遵守的安全规定:列出证件持有人在有限场所作业时需要遵守的安全规定和要求。
3. 申请和审批程序- 申请人提交申请:有意取得有限场所安全作业证的个人或单位需向签发机构提交申请,包括填写相关申请表格和提供必要的证明材料。
- 审核和评估:签发机构对申请材料进行审核和评估,以确保申请人符合取得证件的条件和要求。
- 发放证件:申请人通过审核后,签发机构会发放有限场所安全作业证。
4. 持证要求和责任- 持证要求:在有限场所作业时,持有有限场所安全作业证是一项必要的要求,未持证者不得进入该场所进行作业。
- 证件随身携带:持证人在有限场所作业时应随身携带证件,以备查验和识别。
- 定期更新:证件持有人需要按时更新证件,保证证件的有效性和合规性。
- 安全责任:持证人应严格遵守有限场所的安全规定和作业程序,确保自身和他人的安全。
5. 监管和违规处理- 监管机构:针对有限场所安全作业证的监管和管理,相应的监管机构会负责监督和检查有限场所的安全状况和证件持有人的合规性。
- 违规处理:对于违反有限场所安全规定和作业程序的行为,监管机构会采取相应的违规处理措施,包括警告、罚款、暂停或撤销证件等。
XXXX有限空间作业安全许可证有限空间内作业安全注意事项(作业证背面)1 有限空间作业指进入各类密闭/半密闭容器、管道、料仓、布袋除尘箱体、收尘器、加热炉/高炉/锅炉炉体或煤气柜、成品筒仓、煤粉仓、烟囱、污水处理坑井、地下室等内部的检查、检修、检测等作业。
2安全隔离2.1 有限空间与其他系统连通的可能危及安全作业的管道、阀门、孔、洞等应采取可靠、有效的隔离措施。
2.2 有限空间带有搅拌器等动力设备时,应在停机后切断电源,上锁并加挂警示牌。
2.3 若有限空间内为有毒有害或易燃易爆介质或易导致窒息性的气体、粉尘等应采取置换,确保浓度合格。
2.4 有限空间内氧含量一般为 19.5%~21%,在富氧环境下不得大于23.5%。
2.5 有限空间人员出入口应保持畅通。
3 通风3.1 打开人孔、手孔、料孔、风门、烟门等与大气相通的设施进行自然通风,降低粉尘或有害气体浓度。
3.2 必要时可采取强制通风。
当采用管道送风时,送风前应对管道内介质和风源进行分析确认。
3.3 禁止向有限空间充氧气或富氧空气。
4 气体含量监测4.1 作业前30分钟内,应对有限空间氧气、煤气等气体采样分析,分析合格后方可进入。
4.2 采样点应有代表性,容积较大的有限空间,应采取上、中、下各部位取样。
4.3 作业中应定时监测,至少每2h监测一次,如监测分析结果有明显变化,则应加大监测频率;作业中断超过30分钟应重新进行监测分析,对可能释放有害物质的有限空间,应连续监测。
情况异常时应立即停止作业,撤离人员,经对现场处理,并取样分析合格后方可恢复作业。
5 个体防护措施5.1 在缺氧或有毒的有限空间作业,作业人员应佩戴隔离式防护面具或空气呼吸器,必要时应拴带救生绳。
5.2 在易燃易爆有限空间内作业,应穿防静电工作服、工作鞋,使用防爆型低压灯具及不发生火花的工具。
5.3 在有酸碱等腐蚀性介质的有限空间作业时,应穿戴好防酸碱工作服、工作鞋、手套等护品。
5.4 在产生噪声的有限空间作业时,应配戴耳塞或耳罩等防噪声护具。
A生效日期有限空间作业许可证A生效日期签名签名日期 & 时间日期 & 时间进入有限空间许可证的申请有限空间作业:指在进出口较为侠窄有限的固定工作场所进行的作业。
(例子包括密闭设备:如贮罐、车载槽罐、反应塔(釜)、压力容器、锅炉等;地下有限空间:如地下管道、暗沟、隧道、废井、化粪池、下水道等;地上有限空间:如储藏室、发酵池、垃圾站、冷库、粮仓、温室等)1.危险环境气体,如一氧化碳(CO)。
应特别注意那些比空气重的物质,如溶剂蒸汽。
2. 窒息性环境:1)氧气被另一种气体,如氮气2)通过化学反应消耗氧(如生锈,焊接)3. 被液体或自由流动的固体吞噬,例如颗粒或盐4. 在接近机械设备(如搅拌器等)工作5. 热应激6. 受伤或在紧急情况下无法逃脱1.进入之前,空间必须被锁定并挂牌:2. 危险能源的潜在来源包括电能、压缩空气及其它气体、液体(包括化学品、自由流动的固体、水),3. 在工作中,持续通风是必需的。
在消耗氧气的工作中是尤其需要的,例如焊接。
根据具体情况,通风可通过自然手段或以机械手段(吹气或抽吸)来提供。
切勿使用纯氧来提高空气质量。
1.作业人员必须携带气体监测仪并具有自动报警功能。
2. 氧气水平应保持在19.5%和23.5%3. 可燃气体浓度应保持在<10%的LEL。
4. 在特殊情况下,也未必能够获得合适的空气环境。
在这种情况下可能需要佩戴呼吸装置5. 如果是有爆炸性气体环境的危险,本质安全型设备应该被使用。
同样,在潮湿或灰尘较多的环境,必须使用专用设备。
作业许可证流程步骤阶段步骤描述主要责任人工作开始前1开展风险预知执行管理人2审查风险预知及认可安全的工作方式许可证签发人3执行许可证前的控制措施执行管理人4验证开许可证前的控制措施及决定工作是否可以开始许可证签发人5签发与接收作业许可证许可证签发人在工作中6在合适的监督下安全地执行工作执行管理人7完成工作与确认工作场所安全执行管理人工作完成后8关闭与确认接收许可证许可证签发人9执行收证后控制措施执行管理人现场检查(工作期间)名字时间签名建议许可证交接 (如果许可证签发人必须离开工作地点)接手的许可证签发人:我确认:a)我已经检查了工作区域,并与执行负责人、即将离开的许可证签发人审查了工作及风险;b)作业许可证上的控制措施是足以确保这项工作继续;c)我承担监督工作和关闭许可证的责任。
XXXX有限空间作业安全许可证有限空间内作业安全注意事项(作业证背面)1 有限空间作业指进入各类密闭/半密闭容器、管道、料仓、布袋除尘箱体、收尘器、加热炉/高炉/锅炉炉体或煤气柜、成品筒仓、煤粉仓、烟囱、污水处理坑井、地下室等内部的检查、检修、检测等作业。
2安全隔离2.1 有限空间与其他系统连通的可能危及安全作业的管道、阀门、孔、洞等应采取可靠、有效的隔离措施。
2.2 有限空间带有搅拌器等动力设备时,应在停机后切断电源,上锁并加挂警示牌。
2.3 若有限空间内为有毒有害或易燃易爆介质或易导致窒息性的气体、粉尘等应采取置换,确保浓度合格。
2.4 有限空间内氧含量一般为19.5%~21%,在富氧环境下不得大于23.5%。
2.5 有限空间人员出入口应保持畅通。
3 通风3.1 打开人孔、手孔、料孔、风门、烟门等与大气相通的设施进行自然通风,降低粉尘或有害气体浓度。
3.2 必要时可采取强制通风。
当采用管道送风时,送风前应对管道内介质和风源进行分析确认。
3.3 禁止向有限空间充氧气或富氧空气。
4 气体含量监测4.1 作业前30分钟内,应对有限空间氧气、煤气等气体采样分析,分析合格后方可进入。
4.2 采样点应有代表性,容积较大的有限空间,应采取上、中、下各部位取样。
4.3 作业中应定时监测,至少每2h监测一次,如监测分析结果有明显变化,则应加大监测频率;作业中断超过30分钟应重新进行监测分析,对可能释放有害物质的有限空间,应连续监测。
情况异常时应立即停止作业,撤离人员,经对现场处理,并取样分析合格后方可恢复作业。
5 个体防护措施5.1 在缺氧或有毒的有限空间作业,作业人员应佩戴隔离式防护面具或空气呼吸器,必要时应拴带救生绳。
5.2 在易燃易爆有限空间内作业,应穿防静电工作服、工作鞋,使用防爆型低压灯具及不发生火花的工具。
5.3 在有酸碱等腐蚀性介质的有限空间作业时,应穿戴好防酸碱工作服、工作鞋、手套等护品。
5.4 在产生噪声的有限空间作业时,应配戴耳塞或耳罩等防噪声护具。
有限空间作业安全许可证
第号重要提示:填写此表前,必须先看表下说明!年月日
说明:1.表中选择项,符合的打“√”;不符合或不需要的打“×”;
2.本许可证安全员存审批后的纸质版,监理单位留存一份;
3.安全员/作业所在单位负责人将填写完毕的本许可证,由监理工程师进行审批。
4.表内有“签字”字样的必须本人签字,其他栏内可以代写;
5.作业时间不许超过8小时,单次作业中断时间超过60分钟,应重新办理作业许可证。
有限空间作业安全技术交底表
2.本交底表和签字后的作业许可证由作业所在单位及监理单位存档(纸版);
3.表中选择项符合或需要的打“√”,不符合或不需要的打“×”。