基于单片机空气质量PM2.5粉尘检测仪的设计答辩ppt课件
- 格式:ppt
- 大小:831.42 KB
- 文档页数:13
基于51单片机的PM2.5检测仪设计摘要我国现代社会迅速发展,人们也提高了对生活的质量的要求,都想在健康、安逸的环境生活。
我国也正在加强生态文明建设,不断减少各种空气污染。
PM2.5这种污染物随着雾霾加重被人们数值,由于其颗粒极小,含有高浓度的有毒、有害物质并且具有长时间停留漂浮等特性。
尽管近年来雾霾已经大大减少,但对于PM2.5的监测依然不能掉以轻心。
本设计采用STC89C51单片机为控制器件,利用传感器监测大气中颗粒物含量,通过AD 转换器将传感器输出信号处理后传给单片机处理,最终LCD显示含量。
系统还可以通过按键进行设置上限值,当浓度超过设定值时将会触发报警。
结果表明,该PM2.5检测仪电路简单小巧、检测精度高,具有良好的稳定性,具备良好的实用意义。
关键词STC89C51单片机、空气质量传感器、LCD第1章引言1.1 设计背景步入二十一世纪,我们迎来了多姿多彩、进步迅猛的现代信息社会。
人类已经迈入信息社会、正分享着信息丰富迅捷的好处并不断勇于开拓继续向前发展,我们会发现无论是现在还是未来信息的获取、传输与利用将无处不在无时不有,而首要任务就是如何获取准确可靠的信息,其中可以广泛分布感知探测信息的传感器是帮助人们实时获取大量信息的主要途径。
传感技术发展已久,但毫无疑问进入二十一世纪以来,随着科学技术的快速更新迭代,经济实力和人们对美好生活的需求日益增长,再加上环境保护、生态文明、智慧城市等概念的火热,更加促进了传感技术的广泛应用。
工业商业农业军事,处处都有传感技术的身影。
不得不承认,尽管蓬勃强劲的工业发展为繁荣兴旺的现代物质文明提供了坚强的物质基础,但环境保护的不完善和缺位,使得工业发展产生的各种废物污染给我们的生活尤其是身体健康带来了严重的负面影响。
以大气污染为例,近十年来来人们最熟知的、关注度最高的莫过于雾霾。
从从未听说过这个词汇再到“谈霾色变”,最主要的原因还是因为这种类似于阴天的天气暗藏杀机——在看似平静的的空气里,弥漫着各种微小的有害颗粒物。
基于单片机的PM2.5检测系统设计随着人们对空气质量关注程度的提高,PM2.5检测系统的需求也越来越大。
PM2.5是指大气中颗粒物的一种,直径小于等于2.5微米,对人体健康产生危害。
设计一款基于单片机的PM2.5检测系统具有重要的意义。
本文将详细介绍基于单片机的PM2.5检测系统设计。
一、系统功能需求1. 实时监测PM2.5浓度2. 显示PM2.5浓度数据3. 报警功能:当PM2.5浓度超过设定阈值时,发出警报4. 数据记录和存储功能: 可以记录并存储历史数据,方便用户查询二、系统硬件设计1. 单片机:选择一款性能稳定的单片机作为系统的核心控制器,如STC单片机或者Arduino单片机。
2. PM2.5传感器:选择一款高精度的PM2.5传感器,可以通过串口或者模拟信号与单片机进行数据交互。
3. 显示屏:可以选择OLED显示屏或者液晶屏来显示PM2.5浓度数据和报警信息。
4. 蜂鸣器:用于发出警报声音。
5. 存储芯片:选择一款容量适中的存储芯片,用于存储历史数据。
三、系统软件设计1. 传感器数据采集:通过单片机与PM2.5传感器进行数据交互,获取实时的PM2.5浓度数据。
2. 数据处理:将采集到的数据进行处理,计算PM2.5的浓度值,并判断是否超过设定阈值。
3. 数据显示:将处理后的数据通过显示屏展示给用户,包括实时浓度值和报警信息。
4. 报警功能:当PM2.5浓度超过设定阈值时,触发蜂鸣器发出警报声音。
5. 数据记录和存储:将历史数据通过存储芯片进行存储,并可以通过单片机进行查询和显示。
五、系统优化1. 节能设计:通过优化程序,降低系统的功耗,延长系统的使用时间。
2. 数据通信:可以通过蓝牙或者WiFi模块,实现数据的远程传输和监控。
3. 界面优化:优化显示界面,增加操作便捷性和用户友好性。
4. 数据分析:通过添加数据分析功能,可以对历史数据进行分析,并生成报表或者图表。
六、系统测试1. 传感器测试:测试传感器的准确性和稳定性。
基于单片机的PM2.5检测系统设计随着工业化和城市化的加快发展,环境污染问题日益严重,其中PM2.5是大气污染的主要组成部分之一。
PM2.5是指空气中直径小于或等于2.5微米的悬浮颗粒物,对人体健康和环境造成了严重影响。
设计一种基于单片机的PM2.5检测系统具有重要的意义,可以用于监测空气质量,保护人民的健康和净化环境。
一、设计思路通过对PM2.5检测技术的研究,可以发现PM2.5检测系统一般由传感器模块、数据处理模块和显示模块组成。
其中传感器模块负责感知空气中的PM2.5浓度,数据处理模块对传感器采集的数据进行处理和分析,最后通过显示模块将结果输出。
基于单片机的PM2.5检测系统设计主要涉及到传感器选型、数据采集和处理算法以及系统的整合。
二、传感器选型传感器是PM2.5检测系统的核心部件,传感器的性能直接影响着系统的准确性和稳定性。
目前市面上常用的PM2.5传感器主要有激光散射式传感器和光学散射式传感器,它们通过捕捉空气中的颗粒物并测量散射光的方式来实现PM2.5浓度的检测。
在选择传感器时,需要考虑传感器的响应时间、测量范围、灵敏度和成本等因素。
同时要注意传感器的稳定性和耐用性,以确保系统能够长期稳定地运行。
三、数据采集和处理算法传感器采集到的数据需要进行处理和分析,得出准确的PM2.5浓度值。
数据采集模块一般采用模数转换器(ADC)将模拟信号转换为数字信号,然后通过单片机进行处理和分析。
对于PM2.5的数据处理算法,常用的有贝叶斯算法、加权平均法和卡尔曼滤波法等,这些算法可以有效地滤除噪声和干扰,提高数据的准确性。
在设计数据采集和处理算法时,需要考虑系统的实时性和稳定性。
由于PM2.5浓度的变化比较缓慢,可以采用周期性采样的方式,减少系统的能耗和功耗。
四、系统整合在系统整合中,需要考虑模块之间的数据传输和通信方式,以及各模块的功耗和稳定性。
系统的外观设计和安装方式也需要考虑,以便用户能够方便地使用和维护系统。
基于单片机的PM2.5检测系统设计随着环境污染问题的日益严重,人们对空气质量的关注程度也越来越高。
其中,PM2.5是环境空气中重要的污染指标之一,是指粒径小于等于2.5微米的颗粒物。
超过这个尺寸的颗粒物可以直接被人体上呼吸道过滤掉,但PM2.5通过呼吸道进入人体,对人体健康产生危害,如引起呼吸系统疾病、心脏病等。
因此,设计一款可靠的PM2.5检测系统,对于保障人们的健康具有重要意义。
本设计采用基于单片机的PM2.5检测系统,主要包括传感器模块、处理模块和显示模块三个部分。
设计原理如下:1. 传感器模块本设计采用激光散射原理,选用HPMA115S0-XXX传感器,该传感器可直接测量空气中的PM2.5含量,且抗干扰性能较好。
传感器的测量范围为0-500微克/立方米(μg/m³),分辨率为0.1μg/m³,可以检测到空气中微小的PM2.5颗粒物,具有较高的精度。
2. 处理模块本设计采用STM32F103C8T6单片机作为处理器,该处理器具有高性能、低功耗的特点,适合用于嵌入式系统。
单片机通过串口读取传感器模块中的数据,然后进行数据处理。
采用移动平均滤波算法对数据进行滤波处理,使得数据更加准确可靠。
在适应不同环境的情况下,分别采用不同的标定系数计算数据,提高数据的精度,并通过LCD显示屏进行实时显示。
3. 显示模块本设计采用1602A LCD液晶屏,用户可以实时观察空气中的PM2.5含量,以便及时采取相应措施。
液晶屏采用IIC接口,通过单片机控制,能够实现数据的实时刷新,用户可以通过按键操作来实现开启/关闭PM2.5检测系统。
该设计可以实现PM2.5数据的准确测量,并进行实时显示,具有较高的性价比和实用性。
未来的发展方向是将其应用到家庭、办公等场景中,以便人们及时掌握当前空气质量,更好地保护自己的健康。
基于单片机的PM2.5检测仪设计作者:姚展来源:《价值工程》2019年第07期摘要:中国经济飞速发展,城市化进程不断加快,大气污染对人们的身体引发一系列病症。
对于PM2.5检测仪研究,具有一定的社会价值。
本设计以GP2Y1010AU0F传感器来采集环境中的PM2.5的浓度数值,通过模数转换器将信号转传送给单片机,对其进行处理。
经实验证明,本设计可以有效的检测出有害气体成份,当浓度超出预设值,系统将自动报警,并打开排气扇降低有毒气体浓度。
本设计可以较广泛地应用在家庭、工作场所作为报警设备,具有一定的市场前景。
Abstract: With the rapid development of China's economy and the acceleration of urbanization, air pollution has caused a series of diseases to people's health. For the research ofPM2.5 detector, it has certain social value. In this design, GP2Y1010AU0F sensor is used to collect PM2.5 concentration value in the environment, and the signal is transmitted to MCU through analog-to-digital converter for processing. Experiments show that the design can effectively detect theharmful gas components. When the concentration exceeds the preset value, the system will automatically alarm, and open the exhaust fan to reduce the concentration of harmful gas. This design can be widely used in families and workplaces as alarm equipment, and has a certain market prospects.關键词:单片机;PM2.5检测仪;灰尘传感器Key words: single chip microcomputer;PM2.5 detector;dust sensors中图分类号:TP317 ; ; ; ; ; ; ; ; ; ; ; ; ; ; ; ; ; ; ;文献标识码:A ; ; ; ; ; ; ; ; ; ; ; ; ; ; ; ; ;文章编号:1006-4311(2019)07-0154-030 ;引言改革开放以来,中国经济飞速发展,城市化进程不断加快,但随之而来的大气污染问题也日益突出。
届.别.2016届学号毕业设计基于51单片机的PM2.5检测系统的设计与实现姓名系别、专业电子信息与电气工程学院电子信息科学与技术专业导师姓名、职称完成时间 2016年5月10日目录摘要 (I)Abstract (II)1 绪论 (1)1.1 课题背景 (1)1.2 国内外研究现状 (1)2 系统仿真软件及总体设计方案 (1)2.1 Keil4软件开发坏境 (1)2.2 软件烧录工具 (2)2.3程序结构分析 (4)2.4 整体的设计方案 (4)2.5电源模块 (4)3 主要元器件简介 (4)3.1 GP2Y1010AU0F传感器简介 (5)3.2 ADC0832模数转换器简介 (8)3.3 LCD1602液晶显示屏 (10)3.4 STC89C52单片机的简介 (12)4 系统单元电路模块设计 (15)4.1主控制模块 (15)4.2显示模块电路 (16)4.3关于报警模块的设计 (16)4.4按键模块的设计 (17)4.5粉尘模块电路设计 (17)4.6电源部分的设计 (18)5 系统测试与实现 (19)5.1系统程序流图 (19)5.2 仿真电路 (20)5.3 软件跟硬件结合 (21)5.4 测试结果分析 (23)5.5 系统实现 (23)6、总结 (24)致谢 (25)参考文献 (26)附录1:系统整体电路原理图 (27)附录2:系统设计部分源程序 (28)摘要现在社会发展的越来越快,随着工业的发展,虽然给人们的生活带来很多便利。
但是,在生产过程产生很多对人体有害的因素工业生产过程中会,例如煤炭灰开采、水泥生产等行业中的粉尘污染。
我的设计采用由LCD1602液晶模块、STC89C52单片机最小系统、ADC0832模数转换器模块、GP2Y1010AU粉尘传感器、电源模块、蜂鸣器报警模块和按键模块模块组成。
单片机是通过ADC0832转换芯片采集GP2Y1010AU粉尘传感器的粉尘的浓度,通过单片机的数据转换处理后在液晶屏上显示空气中的质量,测量空间中的粉尘浓度如果大于当时设置粉尘浓度时,蜂鸣器就会产生报警的声音和发光二极管发出声光报警。
基于单片机的PM2.5检测系统设计随着城市化进程的不断加快,空气质量成为人们关注的焦点之一。
PM2.5是空气中颗粒物的一种,直径小于或等于2.5微米。
由于其粒径小,易进入人体肺部并对健康产生危害,因此对PM2.5的监测成为了城市环境监测的重点。
本文将介绍一种基于单片机的PM2.5检测系统设计,帮助人们更好地监测城市空气质量。
一、系统原理本系统基于单片机,通过传感器采集空气中的PM2.5颗粒物浓度,再通过单片机进行数据处理和显示。
系统的设计主要包括传感器模块、单片机模块、显示模块和供电模块。
1. 传感器模块传感器模块是PM2.5检测系统的核心,负责采集空气中的PM2.5颗粒物浓度。
传感器模块采用激光散射原理,通过激光束照射到空气中的颗粒物上,再通过光散射信号的强度来计算出颗粒物的浓度。
传感器模块能够实时监测空气中的PM2.5浓度,并将采集到的数据传输给单片机模块进行处理。
2. 单片机模块单片机模块是PM2.5检测系统的数据处理核心,负责接收传感器模块传来的数据,并进行数据处理、存储和显示。
单片机模块采用高性能的单片机,具有较强的数据处理能力和稳定性。
在接收到传感器模块传来的数据后,单片机模块将进行数据处理并通过显示模块将结果显示出来。
3. 显示模块显示模块以直观的方式将PM2.5的浓度显示出来,帮助用户直观地了解空气质量。
显示模块采用LED数码管或液晶显示屏,能够清晰地显示PM2.5的浓度数值。
显示模块还可以设置警报功能,当PM2.5浓度超过设定值时,显示模块将发出警报提醒用户。
4. 供电模块供电模块为整个系统提供稳定的电源,保证系统正常运行。
供电模块采用高品质的电源适配器或电池,以确保系统在室内和室外环境中都能正常工作。
二、系统设计基于上述原理,我们设计了一个基于单片机的PM2.5检测系统。
系统的设计包括硬件设计和软件设计两部分。
1. 硬件设计硬件设计主要包括传感器模块、单片机模块、显示模块和供电模块。
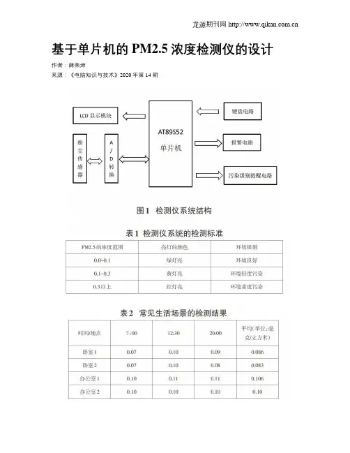
基于单片机的PM2.5浓度检测仪的设计作者:***来源:《电脑知识与技术》2020年第14期摘要:该文采用AT89S52芯片为控制主芯片,由粉尘传感器测量所测空间中的粉尘浓度,并最终由LCD模块显示所测空间中的粉尘浓度。
当所测空间中的粉尘浓度达到事先设定的阈值时,蜂鸣器启动报警,并且点亮相对应的LED灯,让使用者知道当前的污染级别。
该系统简单可靠、稳定性高,调试方便,对当前的生产生活具有一定的实践和应用价值。
关键词:雾霾;单片机;传感器中图分类号:TP3 文献标识码:A文章编号:1009-3044(2020)14-0256-021引言科学技术就像一把双刃剑,它能够满足人类日益增加的物质和文化需求的同时,也给人类生产生活带来了不利的影响,例如雾霾天气,作为21世纪的新生产物,它给我们身体健康和生存环境产生了不小的影响,据世界卫生组织所发布的公告显示,目前人类受到可吸入颗粒物的危害前所未有,其中高污染城市居民死亡率与相对清洁城市居民死亡率相比较,前者高于后者15%-20%,如1952年伦敦烟雾事件,伦敦杀人雾在四天内夺走了4000多条人命;还有2013年初北京肆虐横行的雾霾事件,令人触目惊心。
随着医学技术的进步,医学专家发现,人类所特有的生理结构没有能力过滤和阻拦PM2.5,其对人类的威胁越来越严重,最终与气象专家一致认为,雾霾天气中所含的细小颗粒物给人类带来的危害可能比沙尘暴带来的危害更大,所以,对于我们人类来说,对当前的PM2.5的监测与治理迫在眉睫。
2硬件电路本文所提出的PM2.5浓度检测仪的设计电路是由单片机、传感器、LCD显示、污染级别提醒电路等模块构成,首先在报警电路中设计一个阈值(可以通过键盘电路手动调节),然后由粉尘传感器采集所测空间中细颗粒浓度,经AT89C52单片机处理后,显示在LCDl602液晶屏上,当检测到的细颗粒浓度值超过事先设置的报警阈值时,蜂鸣器自动报警,原理图如图1所示。
基于单片机的粉尘检测仪控制电路摘要随着现代工业的发展,工业化水平的提高,人们的生活和工作有了很多便利。
然而我们的环境污染越来越严重,尤其是空气质量日益下降。
除废气、废水外,颗粒状粉尘、烟尘向大气排放所造成的污染已成为一个十分突出的问题。
粉尘是空气质量的重要指标,粉尘的检测就愈重要。
粉尘检测仪主要用于检测环境中的粉尘浓度,适用于工矿企业劳动部门生产现场粉尘浓度的测定、环境环保监测部门大气飘尘检测和污染源调查等。
本课题以光散射原理为基础,围绕单片机为核心,完成检测仪数据采集、显示等电路的设计。
开发完整的具有成本低、运行稳定可靠、开发周期短等优点的高性能控制系统,并熟练掌握单片机系统及其相关的软件调试工具的使用。
关键词:粉尘,光散射,空气采样,A/D转换,显示The Dust Detector Based on Single Chip Control CircuitABSTRACTWith modern industrial development, industrialization level, people's life and work have a lot of convenience. However, we more and more serious environmental pollution, especially air quality has declined. In addition to emissions, waste water, the particles of dust, smoke and dust emissions to the air pollution has become a very prominent issue. Dust is an important indicator of air quality, dust, the more important test. Dust detector is mainly used for detection of dust concentration in the environment, the labor department for industrial and mining production site determination of dust concentration, the environment department of environmental monitoring of airborne particulate pollution detection and investigation. The topics to light scattering theory, based around the MCU core, complete detector data acquisition and display circuit. Development of a complete low cost, stable and reliable operation, the advantages of short development cycle, high-performance control systems, and master microcontroller system and related software debugging tools.KEY WORDS:dust, light scattering, air sampling, A / D converter, display目录摘要 (I)ABSTRACT (II)1 绪论 (1)1.1 前言 (1)1.2 选题背景及研究意义 (1)1.2.1 选题背景 (1)1.2.2 研究意义 (1)1.3 国内外相关发展情况 (2)1.3.1 粉尘测量方法 (2)1.3.2粉尘检测仪的性能与优点 (3)1.4 本文主要研究内容 (3)1.4.1 硬件电路 (3)1.4.2 系统联调 (3)2 基于单片机的粉尘检测仪硬件设计 (5)2.1 系统的功能和技术指标 (5)2.1.1 系统功能功能 (5)2.1.2 主要技术指标 (5)2.2 粉尘检测原理 (5)2.3 系统硬件设计框图 (6)2.4 软件程序流图 (7)2.5 工作原理 (7)3 粉尘测试仪硬件设计 (9)3.1单片机部分 (9)3.1.1 系统CPU 器件选择 (9)3.1.2 单片机引脚分配及连接 (12)3.2 信号采集电路 (13)3.2.1 敏感元件 (13)3.2.2 A/D转换电路 (14)3.2.3 ADC0809的主要特性 (14)3.2.4 ADC0809 芯片的引脚图及引脚功能 (15)3.2.5 ADC0809对输入模拟量要求及通道选择 (16)3.2.6ADC0809的应用说明 (16)3.2.7 ADC0809数据采集时序图 (17)3.2.8 ADC0809与AT89C51 单片机的接口设计 (17)3.2.9 74LS74 (18)3.2.10 74LS373 (20)3.2.11 74LS02介绍 (22)3.2.12 74LS04介绍 (23)3.3 数码管显示部分 (24)3.3.1 LED数码管概述 (24)3.3.2 LED数码管动态显示方式 (26)3.3.3 显示接口设计 (28)3.4 键盘电路设计 (29)3.5 报警电路设计(蜂鸣器) (30)3.6 看门狗部分的设计 (30)4 联调结果及仿真 (32)4.1 设计软件PROTEUS (32)4.1.1 PROTEUS功能特点 (32)4.1.2功能模块 (32)4.2 系统概述 (33)4.3 KEIL与PROTEUS联调 (34)5 结论 (36)致谢 (37)参考文献 (38)附录1 电路图 (39)附录2 PCB图 (41)1 绪论1.1 前言随着现代工业的发展,工业化水平的提高,人们的生活和工作有了很多便利。
基于单片机的PM2.5检测系统设计1. 引言1.1 背景介绍PM2.5是指大气中颗粒物直径小于等于2.5微米的颗粒物,对人体健康产生严重影响。
据统计,高浓度的PM2.5颗粒物是导致呼吸系统疾病、心血管系统疾病和肺癌等疾病的主要原因之一。
随着工业化和城市化的加剧,PM2.5污染问题日益严重,监测和净化PM2.5颗粒物成为当务之急。
单片机是一种集成电路,通过内部的微处理器核心、存储器和各种输入输出端口,可以实现各种功能。
在实际应用中,单片机常用于各种系统的控制和计算。
基于单片机的PM2.5检测系统设计,可以实现实时监测空气中PM2.5颗粒物的浓度,为人们提供及时的空气质量信息。
本文旨在通过对PM2.5检测系统的硬件设计和软件设计进行详细描述,探讨其原理和实现方法,为解决PM2.5污染问题提供技术支持。
本文还将对实验结果进行分析,优化系统性能,为未来的工程应用提供参考。
通过本文的研究,希望能够提高人们对空气质量的认识,促进环境保护和人类健康。
1.2 问题提出在当今社会,空气质量问题日益受到人们的关注。
PM2.5作为空气中的一种有害颗粒物质,对人体健康造成了严重影响。
设计一种基于单片机的PM2.5检测系统具有重要意义。
目前市面上的PM2.5检测仪器往往价格昂贵、体积庞大,不太适合家庭用户进行个人空气质量监测。
本文旨在针对这一问题,设计一种便于携带、价格适中的基于单片机的PM2.5检测系统,以方便普通家庭用户监测室内和室外空气质量。
通过该系统,用户可以随时随地监测PM2.5浓度,及时了解空气质量情况,做出相应调整,保护自己和家人的健康。
随着智能化的发展,基于单片机的PM2.5检测系统将在未来得到更广泛的应用,并对人们的生活质量产生积极的影响。
1.3 研究目的本文旨在设计一种基于单片机的PM2.5检测系统,通过对PM2.5颗粒进行实时监测和分析,以达到提高空气质量监测效率和精确度的目的。
具体研究目的包括:1. 研究PM2.5检测原理:深入探究PM2.5颗粒的特性和检测方法,为系统设计提供理论支持。
佳木斯大学毕业论文基于单片机空气质量检测系统学院信息电子技术专业通信工程班级12级1班学籍号姓名潘琦指引教师田静佳木斯大学6月10日摘要随着工业发展,国民经济日益增长,人民生活指数也在不断提高。
但是给环境却带来不可逆影响,由于空气质量恶化,使人类引起一系列呼吸道病症,危害身心健康。
国家政府出台政策,一方面从源头控制污染源,一方面增长空气质量监控。
各大中都市也将PM2.5作为天气预报一项重要指标,时时提示市民关注环境。
本设计就是基于51系列单片机PM2.5监控预警系统,对环境里PM2.5浓度进行实时监控,预警。
本设计以STC89C52单片机为控制核心,用夏普GP2Y1010AU0F传感器实时采集空气中粉尘状况,然后由ADC0832模数转化芯片,将从粉尘传感器采集到模仿信号转化成数字信号,然后传给单片机进行精准换算,在LCD1602液晶屏显示当前空气粉尘浓度和显示预置报警阈值,按键可以设立系统粉尘报警阈值,蜂鸣器报警模块可在环境PM2.5浓度超过设立值时进行报警。
本系统电路稳定性高、抗干扰能力强,解决速度快,功耗低,操作简便,实时精准显示,实时反馈环境因素。
核心字:PM2.5;单片机;粉尘浓度;GP2Y1010AU0F;报警AbstractWith the industrial development of the national economy growing,people living index is also rising. But the environment has brought irreversible impact because of the deterioration in air quality,weather haze phenomenon increased hazard phenomenon worse. National government policies,on the one hand to control pollution from the source,on the one hand increase the air quality monitoring. PM2.5 major cities will also be an important indicator as the weather forecast,remind the public concern for the environment. This design is based on the 51 computers PM2.5 monitoring system on the environment in the PM2.5 concentration time monitoring,early warning.Thisdesign STC89C52RC microcontroller to control the core,Sharp GP2Y1010AU0F sensor to collect dust in the air situation,LCD1602 display shows the current air concentration of dust and display the preset alarm threshold size,the keys can set the system dust alarm threshold,the buzzer alarm module can alarm when the ambient PM2.5 concentration exceeds the set value. System works:collected by the sensor in the air PM2.5 PM2.5 concentration,and then converted to a digital signal through ADC0832 for STC89C52RC microcontroller reads,after the system conversion,real-time display of the current PM2.5 concentration,and then set value,if less than the set value,the system remains;if it exceeds the set value,the system will alarm to alert the PM2.5 concentration exceeded. The system circuit is simple,stable,highly integrated,easy to debug,high precision,has some practical value.Key words:Alarm;Dust concentration;GP2Y1010AU0F;PM2.5目录摘要 (i)Abstract (ii)第1章绪论 (1)1.1 课题研究背景 (1)1.2 课题研究目和意义 (2)1.3 课题重要内容 (3)第2章设计方案论证 (4)2.1 题目解析 (4)2.2 方案论证与设计 (4)2.2.1 控制某些方案选取 (4)2.2.2 显示某些方案选取 (5)2.2.3 传感器模块方案选取 (5)2.2.4 模数转化模块方案选取 (5)第3章硬件电路设计 (7)3.1 单片机最小系统 (7)3.2 ADC0832模数转化模块 (10)3.3 液晶屏显示模块 (11)3.4 夏普PM2.5传感器 (13)3.5 蜂鸣器 (15)3.6 按键电路 (16)3.7 污染级别提示电路和程序下载电路 (16)3.8 总体原理图 (17)第4章软件某些设计 (19)4.1 系统流程设计 (19)4.2 ADC0832模数转化某些设计 (20)第5章仿真某些 (22)5.1 PWM驱动 (22)5.2 Keil应用 (22)5.4Proteus应用 (26)结论 (29)道谢 (30)参照文献 (31)附录1 系统原理图 (33)附录2 元器件清单 (34)附录3 程序清单 (35)附录4 外文参照资料翻译(原文、译文) (45)第1章绪论1.1 课题研究背景21世纪今天,科学技术发展日新月异,科学技术进步同步也带动了测量技术发展,当代控制设备不同于此前,咱们已经进入了高速发展信息时代,测量技术是当今社会主流,广泛地进一步到应用工程各个领域。
毕业设计(论文)任务书(2015届)2014年09月 22日目录一绪论 (1)1、1 前言 (1)1、2 选题背景 (1)1、3 国内外发展状态 (2)1、3、1 粉尘测量方法 (1)1、3、2 粉尘检测仪的性能与优点 (1)1、3、3 研究的意义 (2)1、4 本文主要工作 (2)二 PM2、5粉尘浓度测试仪设计系统 (4)2、1系统的功能与技术指标 (4)2、2 工作原理 (4)2、3 程序框图与流程图 (6)三 PM2、5粉尘测试仪系统硬件设计 (8)3、1 单片机部分硬件设计 (8)3、2 信号采集电路 (10)3、3 LED1602液晶屏显示电路 (11)3、4声光提醒报警电路 (12)3、5 智能换风机电路 (14)3、6 按键电路 (14)四 PM2、5粉尘测试仪系统软件设计 (15)4、1系统程序流程图 (15)4、2浓度参考值的键盘设定程序设计 (16)4、3信号采集部分的程序设计 (17)4、4蜂鸣器报警部分程序设计 (18)4、5 LED1602液晶显示部分的程序设计 (19)五 PM2、5粉尘检测仪的测试结果 (19)六结论 (21)七参考文献 (22)八附录一:系统程序 (23)九致谢 (29)前言随着社会的进步,工业化水平的提高,人们的生活与工作有了很多便利。
然而人们在享有方便生活与工作的同时,不得不面对由于对自然的不合理开发,对自然环境造成的野蛮污染,使生存环境越来越差的现实。
所以人类必须采取相应措施,合理利用开发自然资源,与大自然与睦相处。
进入21 世纪以来,环境问题越来越严重,而这与人们对生活质量要求的提高形成了矛盾,因此注重环境的保护问题已经慢慢步入了产业化。
人类要治理好环境问题,必须要做到“知己知彼”,在做好监控与检测的同时知道病灶所在然后对症下药,从而药到病除。
粉尘就是空气质量的重要指标,所以粉尘的检测就很重要,因此粉尘检测仪成为环保监测部门及很多工矿企业的必备品。
基于单片机的PM2.5检测系统设计一、问题背景空气污染已成为全球性的环境问题,PM2.5是空气污染的主要组成部分之一。
监测PM2.5浓度对于保护人们的健康至关重要。
目前市面上已经有各种各样的PM2.5检测仪器,但是它们通常价格昂贵,且不太方便携带。
本设计旨在利用单片机技术,设计一个简单、便携的PM2.5检测系统,能够实时监测PM2.5的浓度,并且可以输出监测结果。
二、设计目标1.设计一个基于单片机的PM2.5检测系统;2.能够实时准确监测PM2.5的浓度;3.能够将监测结果以数字或者图形的形式输出。
三、系统设计1.硬件设计(1)传感器模块:使用激光散射式PM2.5传感器,能够准确地检测空气中PM2.5的浓度;(2)单片机模块:选择STM32单片机作为主控芯片,能够实现PM2.5数据的采集和处理;(3)显示模块:使用OLED显示屏,能够清晰地显示PM2.5浓度。
2.软件设计(1)传感器数据采集:利用单片机的ADC模块,对传感器输出的模拟信号进行采集和转换;(2)PM2.5浓度计算:利用单片机的数学运算能力,对采集到的传感器数据进行处理,计算出实际的PM2.5浓度;(3)数据显示:将计算得到的PM2.5浓度数据通过OLED显示屏输出,以数字或者图形的形式显示。
五、系统测试1.系统功能测试:对系统进行功能验证,包括传感器数据采集、PM2.5浓度计算以及数据的输出。
2.系统稳定性测试:长时间运行系统,观察系统的稳定性和准确性。
3.系统可靠性测试:对系统进行多种环境条件下的测试,验证系统的适用性和可靠性。
六、总结与展望通过本设计,实现了一个基于单片机的PM2.5检测系统。
该系统具有简单、便携的特点,能够实时监测PM2.5浓度,并且可以输出监测结果。
在未来的工作中,可以进一步优化系统硬件和软件,提高系统的灵敏度和准确性。
可以开发相应的APP,将监测结果实时上传到云端,实现远程监测和数据分析。
希望通过不断的改进和优化,使得该系统能够更好地满足人们对空气质量监测的需求。