视频指标及测试方法
- 格式:pdf
- 大小:175.78 KB
- 文档页数:18
ClearView 视频质量分析指标分析专业的测试方案提供商ClearView 测试指标:1)全参考测试 (Full Reference) :测试时需要提供“源”视频与“被处理的”视频。
2)PSNR( Peak Signal to Noise Ratio ) :分值范围: 0~100 分, 100 最好。
3)JND(Just Noticeable Differences) :分值范围: 0~100 分, 0 分最好。
JND ( Just Noticeable Difference )指的是刚刚能察觉到的误差, JND 值是以图像画面上的 32X32 像素块为计算单位。
业界推荐的分析结果是:1). JND 值接近 0 ,同等于原始图像;2). JND 值小于 1 时,一般观察者察觉不出图像的损伤;3). JND 值小于 3 时,一般观察者在专家的帮助下找出图像的损伤;4). JND 值小于 10 时,一般观察者感到图像损伤;5). JND 值在 10 以上的视频压缩设备不能用于广播系统 ( 建议不将这样设备用做视频通信系统的信源设备 )4)无参考测试 (No Reference) :测试时仅需要提供“被处理的”视频。
5)Temporal(ITU-P.910):如果分值高,表示场景发生改变,如果是 0 表示测试序列是静止的。
Temporal 指标是通过计算相邻帧或时间轴上相隔比较近的帧之间的差异得到的数值,当帧间差异比较大时说明图像变化剧烈,此时 Temporal 指标就会比较大,而如果图像变化很小或静止时则 Temporal 指标则会很小。
由于编码器在压缩过程中对于活动图像会进行运动预测和补偿的运算,所以当图像运动剧烈变化很快时(如体育节目),对编码器的运算负担就会加重,码流中的大部分数据用来表示图像的运动部分信息,此时如果码率偏低则图像中的运动部分会很容易出现模糊或块效应的现象,而当图像变化很缓慢时,编码器的负担很小,码流中主要都是表示图像细节纹理的信息,这样即使在码率偏低的情况下,图像质量仍能够得到很好的保证。
DQA/R&D 郴州市高斯贝尔数码科技有限公司标准(设计检验技术标准)DQA/R&D.06-101–1DVB硬件指标、检测规范——Hardware Check List2006-12-15 发布 2005-12-15实施郴州市高斯贝尔数码科技有限公司发布前言产品大批量的生产条件下,为保证品质,减少不良品和满足客户需求,需要从多方面因素考虑。
目前我们公司的产品在检测测试上有些方面还是凭经验或边探索边改进的方式,有些指标没有标准的量化来有效的对其产品进行定性的检测,给生产和维修带来不便,同时也使得产品或多或少存在些品质的隐患。
为了产品的更完善,进一步提高公司知名度,现对公司研制的DVB系列产品进行规范化、流程化、标准化;在设计上综合考虑其产品的可靠性、稳定性、适用性;以及对产品的硬件提供标准的、规范的、合理的检测指标与检测方法。
所以DQA部拟定《DVB硬件指标与指标检测方法》。
本标准对一些通用的、常用的、重要的音视频指标进行了相关解说,对有些指标检测阐述了测试方法,也对一些相关的术语提供了定义和说明。
本标准重点阐述了可靠性方面知识,从可靠性的三个方面(定义、测试、增长、)对可靠性的基本知识作了一些介绍。
同时对可靠性的较常用指标、项目及提升产品的可靠性也有相关介绍。
希望本标准为完善、提高产品设计,检测产品性能有所帮助。
本标准还不够完整,后续将其补充完善。
本标准有不足或错误之处、不合符公司实际现状的、恳请大家批评指准!本标准是DQA/R&D 06.101《硬件指标与检测规范》的一个组成部分,还有另一个组成部分《C波段、KU 波段指标和指标检测规范》。
DQA/R&D 06.101《DVB指标和指标检测规范》包括以下部分:第1部分: DVB指标检验规范第2部分: DVB指标测试方法第3部分: DVB相关的术语、定义本标准是《硬件指标与检测规范》第1部分,从产品的一致性、可靠性、稳定性方面对产品设计提出要求。
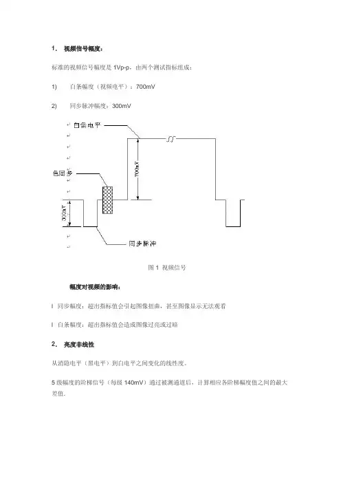
1.视频信号幅度:标准的视频信号幅度是1Vp-p,由两个测试指标组成:1) 白条幅度(视频电平):700mV2) 同步脉冲幅度:300mV图1 视频信号幅度对视频的影响:l 同步幅度:超出指标值会引起图像扭曲,甚至图像显示无法观看l 白条幅度:超出指标值会造成图像过亮或过暗2.亮度非线性从消隐电平(黑电平)到白电平之间变化的线性度。
5级幅度的阶梯信号(每级140mV)通过被测通道后,计算相应各阶梯幅度值之间的最大差值.图2 亮度非线性计算亮度非线性对视频的影响:l 图象失去灰度,层次减少。
l 分辨率降低,产生色饱和度失真(由于色度信号是叠加在亮度信号上)。
3.K系数把各种波形失真按人眼视觉特性给予不同评价的基础上来度量图象损伤,这里的失真是短时间波形失真。
一般用“2T正弦平方波失真”( K-2T)作为测试指标。
图3 2T脉冲图4 K-2T计算K系数对视频的影响:导致图像出现多轮廓、造成重影,使清晰度下降。
4.微分增益(DG):由图像亮度信号幅度变化引起的色度信号幅度失真。
5级带色度调制的阶梯信号通过被测通道后,计算各阶梯上的色度幅度值之间的最大差值。
图5 DG测试信号调制的五阶梯图6 微分增益(DG)计算微分增益(DG)对视频的影响l 不同亮度背景下的色饱和度失真,影响彩色效果。
比如:穿鲜红衣服从暗处走向亮处,鲜红衣服会变浓或变淡。
5.微分相位(DP):由图像亮度信号幅度变化引起的色度信号相位失真。
5级带色度调制的阶梯信号通过被测通道后,计算各阶梯上的色度副载波的相位角和消隐电平上副载波信号的相位角之差,超前为正。
DP的测试信号与DG相同。
微分相位(DP)对视频的影响在不同亮度背景下,色调产生失真,影响彩色效果。
例如:鲜红衣服从暗处走到明处,鲜红衣服就偏黄或偏紫。
6.色度/亮度增益差把一个具有规定的亮度和色度分量幅度的测试信号通过被测通道,输出端信号中亮度分量和色度分量幅度比的改变称色度/亮度增益差。
高速公路机电系统视频传输通道指标检测方法1、所用仪器川嘉CJ-MVA150型视频综合测试仪图1川嘉CJ-GV100型信号发生器图22、仪器连接信号发生器视频综合测试仪外场光端机局端机或光传输平台现场光纤通道图3视频传输通道包含了外场光端机、光纤、局端光端机或光传输平台。
一般情况下视频图像的传输模式为“外场摄像机—管理所—分中心”,视频传输通道测试要选择最长的通路。
信号发生器连接在外场光端机的视频信号输入端,相当于摄像机提供输入信号;视频综合测试仪的输入端连接在局端光端机或光传输平台的视频信号输出端。
在分中心或者管理所连接视频综合测试仪时,要注意与选择的外场光端机对应通道的一致性,这需要施工安装人员的协助。
断开摄像机与外场光端机的连接,在分中心必然失去一路监视图像;信号发生器与外场光端机连接,分中心可以看到信号发生器发送的模拟图像,将视频综合测试仪连接到这路图像的输出端子上,就保持了与外场光端机对应通道的一致性。
3、测试方法视频传输通道测试项目包含了视频电平、同步脉冲幅度、回波、亮度非线性、色度/亮度增益差、色度/亮度时延差、微分增益、微分相位、幅频特性、视频信杂比十个测试指标。
川嘉CJ-MVA150型视频综合测试仪上视频电平对应的名称为条电平、同步脉冲幅度对应的名称为行同步电平、视频信杂比对应的名称为亮度加权信噪比、幅频特性对应的名称为频率响应;其余名称均一致。
3.1测试前准备(1)通道的选定起点的确定:根据施工图上视频传输通道图,确定测试的外场光端机数量与具体位置。
一般道路监控系统和收费系统用点对点光端机,隧道内摄像机用节点光端机。
节点光端机的选择要考虑传输链路,至少要包含传输链路最远端和最近端的光端机;即每条传输链路最远端的光端机对应的视频通道要测试,每条传输链路最近端的光端机对应的视频通道也要测试,这样能最大程度检测出整个系统视频传输通道的性能。
终点的确定:一般情况下在局端机或者光传输平台的输出端测试;对传输性能影响较大的设备是光端机或光传输平台,矩阵、显示器对传输性能的影响较小,可以忽略不计。
短视频课程评价方案1. 引言短视频课程作为一种新兴的在线学习模式,受到了越来越多学习者的欢迎。
为了提高短视频课程的质量和学习效果,对其进行系统的评价是必要的。
本文将介绍一种短视频课程评价方案,旨在帮助教育机构或教师评估自己的短视频课程的优劣,并改进课程设计和教学方法。
2. 评价指标为了评价短视频课程,我们需要制定一些评价指标。
以下是一些常用的评价指标,可以根据实际情况进行个性化调整:•视频质量:评估视频的画面清晰度、声音清晰度以及字幕是否准确等。
•内容丰富度:评估视频中的内容是否充分、准确,并且能够满足学习者的需求。
•教学方法:评估教师在视频中使用的教学方法是否科学有效,是否能够引导学习者积极参与学习。
•学习效果:评估学习者在学习完视频后的知识掌握情况和能力提升情况。
•学习满意度:评估学习者对短视频课程的满意程度,包括学习过程中的体验、学习成果的满意度等。
3. 评价方法为了评价短视频课程,我们可以采用以下方法:3.1 观看统计通过收集观看短视频课程的数据,包括观看人数、观看时长、观看次数等,可以初步评估课程的受欢迎程度和学习者的参与度。
可以通过视频平台提供的统计功能来获取这些数据。
3.2 学习者测试为了评估学习者在学习完视频后的知识掌握情况,可以设计一些测试题目,让学习者进行测验。
测试题目可以根据视频内容进行设计,覆盖视频中的重点知识点。
通过学习者的测试成绩,可以评估课程的教学效果。
3.3 调查问卷设计调查问卷,收集学习者对短视频课程的评价意见。
调查问卷可以包括对视频质量的评价、对内容丰富度的评价、对教学方法的评价以及对学习满意度的评价等方面的问题。
通过分析调查问卷的统计数据,可以获取学习者的反馈意见,发现课程的问题并改进。
4. 评价结果分析与改进通过以上评价方法,可以获得一系列的评价数据。
对于视频质量和内容丰富度等方面的评价,可以进行定量分析,例如计算平均得分,并将其与设定的标准进行对比。
对于学习者测试和调查问卷的结果,可以进行定性分析,例如提取学习者的主要反馈意见,进行归类分析。
视频播放器解码能力测试说明视频播放器解码能力测试说明一、测试目的视频播放器解码能力测试旨在评估视频播放器在解码各种格式视频时的性能和稳定性。
通过测试可以获得播放器的解码速度、画质还原效果、播放稳定性等数据,为用户选择合适的播放器提供参考。
二、测试范围测试范围包括但不限于以下几个方面:1. 视频格式:测试各种主流视频格式,如AVI, MP4, MKV, MOV等。
2. 视频分辨率:测试不同分辨率的视频,包括720p、1080p、2K和4K等。
3. 视频编码方式:测试常见的视频编码方式,如H.264, H.265, VP9等。
4. 音频格式:测试各种音频格式,如AAC, MP3, FLAC等。
5. 其他功能测试:如字幕显示,多音轨切换,倍速播放等。
三、测试方法1. 准备测试素材:从不同来源下载各种视频素材,包括不同分辨率和编码方式的视频文件。
2. 测试环境搭建:确保测试环境的硬件配置能够支持高清视频播放,并安装最新版本的视频播放器。
3. 测试内容:a) 解码速度测试:使用相同配置的计算机,分别用不同播放器播放相同的视频,并记录播放器启动时间、视频加载时间和视频播放的帧率。
b) 画质还原效果测试:对比播放器在播放同一视频素材时的画质还原效果,并评估其对颜色、清晰度、对比度等方面的还原能力。
c) 播放稳定性测试:测试播放器在多任务运行和网络不稳定等情况下的稳定性,如是否会出现卡顿、画面花屏、崩溃等问题。
d) 其他功能测试:测试播放器在字幕显示、多音轨切换、倍速播放等功能上的表现。
四、测试数据分析针对不同测试项,收集测试数据并进行分析:1. 解码速度测试:分析不同播放器的启动时间、视频加载时间和帧率数据,评估解码速度的优劣。
2. 画质还原效果测试:对比不同播放器在还原视频画质方面的能力,评估播放器的画质表现。
3. 播放稳定性测试:记录播放器在多任务运行和网络不稳定等情况下的稳定性表现,评估播放器的稳定性。
视频评分标准在当今社会,视频已经成为人们日常生活中不可或缺的一部分。
随着网络的普及和技术的发展,视频内容的产出和传播方式也在不断地变化和创新。
而对于观众来说,如何对视频内容进行评分成为了一个重要的问题。
本文将围绕视频评分标准展开讨论,希望能够为广大视频创作者和观众提供一些参考和指导。
首先,视频评分的标准应当包括内容的质量。
视频内容的质量是观众评价一个视频的重要标准之一。
好的视频内容应当具有独特性、新颖性和有深度的表达。
内容的创意和制作水平都应当达到一定的标准。
另外,视频内容的真实性和可信度也是观众评价的重要因素之一。
因此,视频创作者在制作视频内容时,应当注重内容的真实性和可信度,避免虚假、夸大和误导性的内容,以提高视频的质量和观众的评分。
其次,视频评分的标准还应当包括技术的水平。
视频的技术水平包括画面质量、音频效果、剪辑技巧等方面。
好的视频应当具有清晰、流畅的画面,优质的音频效果,以及精湛的剪辑技巧。
这些都是观众评价视频质量的重要指标。
因此,视频创作者在制作视频时,应当注重技术的提升,不断学习和提高自己的技术水平,以提高视频的技术质量和观众的评分。
最后,视频评分的标准还应当考虑观众的反馈和互动。
观众的反馈和互动是视频评分的重要依据之一。
视频创作者应当积极倾听观众的意见和建议,不断改进和完善自己的视频内容,以提高观众的满意度和评分。
另外,视频创作者还可以通过各种方式与观众进行互动,增加视频的互动性和趣味性,从而提高观众的评分。
综上所述,视频评分的标准应当包括内容的质量、技术的水平和观众的反馈和互动。
视频创作者应当注重这些方面,不断提高自己的视频制作水平,以提高视频的质量和观众的评分。
希望本文的讨论能够对广大视频创作者有所帮助,也希望观众能够根据这些标准来进行视频评分,从而推动视频内容的不断创新和提高。
城市监控系统摄像机重要指标的实用测试方法摄像机是城市监控系统的前端关键部件,为提高摄像机选型测试的工作质量,文章分析了摄像机的清晰度、色彩还原度等重要指标特征,并结合实际项目测试案例,提出了具体实用的测试方法,对城市监控系统项目建设具有重要的参考价值。
标签:摄像机;指标;实用;测试;方法引言随着社会经济的发展和信息时代的到来,利用智能技术手段的犯罪活动逐年增多,城市公共安全矛盾日益突出。
为加强城市安防管理,2005年8月起,公安部依托“3111试点工程”和平安城市项目,不断加快推进全国各地城市监控系统的建设。
据报道,武汉市的城市监控系统整合安装了25万个街头监控摄像机,组成“不眨眼”的“天网”,大大提高了犯罪破案率,并于2013年荣获全国综合治理最高奖——长安杯,跨入全国最平安城市行列。
摄像机是城市监控系统的关键部件,用于实现系统的视频图像前端采集功能。
摄像机的选型测评指标主要包括清晰度、色彩还原度、时延、视距、夜间抓拍、日夜虚焦、低照度效果、变动倍数、逆光补偿、最低工作电压等。
下面将结合实际项目案例经验,论述其中几个重要指标的实用测试方法。
1 清晰度(TVL值)测试图像清晰度是指图像上各细部影纹及其边界的清晰程度,是人眼对摄像机客观性能所生成图像清晰程度的感知判断。
它可以用黑白相间线条的粗细来衡量,有标准的测试方法,其测量数据单位为电视线(TVLine),全高清屏幕最高可实现1080电视线。
本项测试用到ISO12233标准测试卡和Olympus Hyres3.1软件。
ISO12233标准测试卡测量高度20cm,要求只有约0.1毫米的误差。
Hyres软件是业内常用的图像清晰度检测软件,由奥林巴斯(Olympus)公司开发。
下面以S市平安城市项目为例说明TVL值测试方法,在指定的拍摄环境和拍摄角度下,摄像机分别用广角、长焦两种模式对目标(ISO12233标准卡)进行满屏画面抓图,生成格式为JPG文件的图像。
汽车音响公司的企业标准车载音视频设备通用检测规范GENERAL INSPECTION FOR CAR AUDIO/VIDEO SYSTEM技术本部发布前言本标准是车载AV类产品的通用性标准,此标准是设计车载AV产品的目标依据,也作为产品在设计验证、试产和量产阶段中产品检测、质量验收的依据。
本标准包括要求和验证方法两大部分,要求部分分为几类:视频、音频、收音、TV、功放、TFT-LCD、纠错、特性指标要求,验证方法部分就是针对要求一一对应的把验证的方法进行介绍说明。
效力:在本标准正式颁布实施后,已往司内所有的与本标准有违背的其它资料将作废,以本标准为准。
特别说明:为满足客户的要求和保障产品品质的均一性,当客户有提出特别要求与本标准有不同,但该要求被本司决策层接纳时,本司对该客户的产品将按照客户的要求进行设计、检验工作,未做特别要求部分仍然按照此标准规定执行。
起草部门:产品部起草者:审核:标准办:合议:批准:车载音视频设备通用检测规范1 范围本标准涉及的范围是公司车用AV系统2 说明本标准目的是对车载产品的设计要求进行规范化以及统一对车载产品的检测判定基准。
在客户没有提出特别要求的前提下,必须按照此标准要求进行设计和检测。
3使用条件-电源 DC 10.5~16v; 工作电流:≤10A-安装角度前后方向0~30°;左右±15°-使用温度-20℃~70℃-相对湿度 45%~85%-大气压860mbar~1060mbar4指标要求4.1 视频输出要求4.1.1 视频输出电平 1.0±0.2V;重放测试盘上的视频测试信号时白峰电平和负同步头电平之间的输出电压4.1.2 水平清晰度(TV线) ≥500沿水平方向人眼所能分辨的屏幕图象的最大电视线数4.1.3 亮度非线性失真(%) ≤5%输出图象信号的消隐电平和白电平之间的灰电平与输入图象信号的灰电平之偏差。
4.1.4 亮度信噪比(dB) ≥56(不计权)亮度信号的输出电平对有效噪声电平之比4.1.5 色度信噪比(dB) AM: ≥60 PM: ≥50色度信号的输出电平对有效噪声电平之比4.2 LINE OUT音频输出要求4.2.1 音频输出电平(V) 2.0±0.2V4.2.2 音频幅频响应 20Hz~20KHz±3dB4.2.3 音频信噪比(dB) ≥654.2.4 音频失真(dB) ≤0.1%4.2.5 分离度(dB) ≥804.2.6 1KHz通道不平衡度(dB) ≤1.54.2.7 频率误差±2HZ4.2.8 电平非线性(dB) ±1( 0dB~60dB)4.3 AMPLIFIER OUT音频输出要求4.3.1 最大输出功率(W) 视产品规格决定4.3.2 频率范围(HZ) 20~200004.3.3 音频幅频响应 20Hz~20KHz±3dB4.3.4 总谐波失真≤0.7%4.3.5 音频信噪比(dB) ≥65dB4.3.6 分离度(dB) ≥654.3.7 1KHz通道不平衡度(dB) ≤1.54.3.8 频率误差(%) ±0.024.3.9 电平非线性(dB) ±1( 0dB~60dB)4.3.10 10%失真输出功率(W)视产品规格决定4.3.11 额定输出功率(W)视产品规格决定4.4 EARPHONE音频输出要求4.4.1 输出阻抗 16Ω/32Ω4.4.2 音频输出功率(W) 0.25W(16Ω)0.125W(32Ω)4.4.2 音频幅频响应 50Hz~20KHz±3dB4.4.3 音频信噪比(dB) ≥454.4.6 分离度(dB) ≥304.4.7 1KHz通道不平衡度(dB) ≤24.4.8 失真≤1%4.4.9 频率误差(%) ±0.024.4.10 无信号输入时噪音(dB) ≤0.1mv 4.5 AUX IN输入4.5.1 输入强度 1000mv~2200mv4.5.2 输入通道分离度≥55dB4.5.3 输出失真≤0.5%4.5.4 音频信噪比(dB) ≥55dB4.5.5 输入频率范围 20Hz~20KHz4.6 TUNER FM4.6.1 频率范围(MHZ)根据出口地不同4.6.2 中频 10.7±0.3MHz4.6.3 30dB噪限灵敏度≤26dbf4.6.4 50dB噪限灵敏度≤50dBf4.6.5 信噪比(A计权) ≥50dB4.6.6 双信号选择性≥20dB4.6.7 镜象抑制比≥50dB4.6.8 假响应抑制比≥50dB4.6.9 中频抑制比≥65dB4.6.10 调幅抑制比≥35dB4.6.11 总谐波失真≤1.5%4.6.12 俘获比≥3dB4.6.13 远程停台灵敏度 45±10dB4.6.14 近程停台灵敏度 25±5dB4.6.15 LINE OUT音频输出电平(V) 2.0±0.2V4.6.16 10%失真输出功率应同规格要求一致4.6.17 分离度≥27dB4.6.18 点灯灵敏度≤20dB4.6.19 通道平衡度≤3dB4.6.20 通道平衡度≤2dB4.6.21 ±3dB频响带宽 40-12500HZ4.7 TUNER AM4.7.1 频率范围(KHZ)出口地不同,范围有所不同4.7.2 中频 455±5 KHz4.7.3 噪限灵敏度≤100mv4.7.4 信噪比(A计权)≥46dB4.7.5 单信号选择性≥30dB4.7.6 镜象抑制≥34dB4.7.7 AGC ≥40dB4.7.8 3dB通频带 40Hz—2.4KHz4.7.9 总谐波失真≤7%4.7.10 中频抑制≥50dB4.7.11 停台灵敏度 30±5dB4.7.12 LINE OUT音频输出电平(V) 2.0±0.2V4.7.13 10%失真输出功率应同规格要求一致4.8 其它电气指标要求4.8.1 正常工作整机功耗按产品规格要求4.8.2 MAX输出整机功耗按产品规格要求4.8.3 standby输出功耗按产品规格要求4.8.4 读出碟时间≤15S4.8.5 长读碟时间≤5S4.8.6 短读碟时间≤2S4.8.7 恢复播放时间≤3S4.8.8 出仓时间≤5S4.8.9 功能反应时间≤1S4.8.10 高音变化幅度按产品规格要求4.8.11 低音变化幅度按产品规格要求4.8.12 JAZZ变化幅度按产品规格要求4.8.13 POP变化幅度按产品规格要求4.8.14 CLASSIC变化幅度按产品规格要求4.8.15 ROCK变化幅度按产品规格要求4.8.16 VOCAL变化幅度按产品规格要求4.9 结构类指标要求4.9.1 按键承受力度 1.5-3.0KG4.9.2 按键反应力度≤250g4.9.3 连接线拔脱力度 1.5-3.0KG4.9.4 进出仓动作次数≥50004.9.5 按键动作次数≥100000次4.9.6 屏翻转次数≥50004.9.7 挤压力度≥50N4.9.8 碟推入力度≤0.5N4.9.9 结构类噪音要求噪音测试使在静音室内进行的,静音室的要求室可以测试到26dBA以下的噪音信号,测试位置是在离噪声源30CM中央位置为准。
IneoQuest - 视频质量测试指标选择(初稿)IneoQuest公司黎致斌*********************在IPTV部署中,测试是必不可少的步骤。
选择合理的视频质量测试指标可以有效地提高排查故障效率,同时降低建设监测系统投入。
所有的测试依赖于对技术规范和系统行为的了解。
因此,IPTV的架构将影响视频质量测试的合理性和可靠性。
IPTV架构的变化IPTV服务概念源于北美的运营商。
由于设备供应商的实现方式不同,市场上出现了多样的架构体系。
尤其在中国,技术实现差异,视频内容来源,IP网络状况等因素导致多种的IPTV 实现方式。
在国外,MPEG-2 TS封装格式是主流。
其原因在于内容供应商与运营商之间的合作模式:内容供应商直播节目和点播节目,运营商负责将视频内容通过其IP网络进行传播,提供收费节目。
MPEG-2 TS封装格式的优点在于提供方便的节目传输和方便的增值服务。
针对MPEG-2 TS封装的视频流,标准组织制定了TR 101-290视频传输质量监测方法。
TR101-290是量化的测量方式,其告警能够告知维护人员视频流的问题对最终观看质量的影响。
对于IP传输视频业务的需求,RFC 4445 MDI(媒体传输质量指标)提供了在IP 传输层面的告警方式。
配合TR101-290和RFC 4445 MDI,视频网络出现的问题可以分离到不同的层面:节目源(视频源,编码器,服务器),IP设备和网络。
国外通用的IPTV视频质量监测方案为:在视频头端确认TR101-290质量良好情况;使用RFC 4445 MDI监测各IP节点的视频质量。
这种实现方式最大地平衡了质量监测的需求和监测设备的成本投入。
在国内,Internet TV运营模式和独立IPTV运营模式是各方的分歧点。
采用了Internet TV的模式的试验网络倾向于ISMA架构的视频封装和传输。
因此,目前部分电信级IPTV运营存在ISMA格式的网络架构。
视频监控系统无线传输设备射频技术指标与测试1 范围本标准规定了工作在336MHz~344MHz或1785MHz~1805MHz频段视频监控系统无线传输设备的主要射频技术参数、限值要求和测试方法。
本标准适用于工作在336MHz~344MHz或1785MHz~1805MHz频段视频监控系统中的无线传输设备,包括基站、中继台和便携台等设备。
2 技术要求2.1 通用技术要求2.1.1 工作频率2.1.1.1 概述视频监控系统无线传输设备的用户应按照国家无线电管理部门的相关规定申请台站执照,并按照执照中指配的工作信道使用,不可随意更改工作信道。
2.1.1.2 336MHz~344MHz频段视频监控系统无线传输设备336MHz~344MHz频段视频监控系统无线传输设备的信道间隔为2MHz。
336MHz~344MHz频段视频监控系统无线传输设备的中心频率可由公式(1)得出: (1)f=N+2337⨯c式中:f——设备工作中心频率,单位为MHz;cN——整数,取值范围0~3。
2.1.1.3 1785MHz~1805MHz频段视频监控系统无线传输设备1785MHz~1805MHz频段视频监控系统无线设备可使用250kHz或者500kHz信道间隔。
基站和终端设备允许多信道合并使用,基站最大允许使用5MHz,终端类设备最大允许使用1MHz。
当信道间隔为250kHz时,其设备工作中心频率见公式(2):+=)f+(N.01785⨯125125. (2)c式中:f——设备工作中心频率,单位为MHz;cN——整数,取值范围1~80。
当信道间隔为500kHz时,其设备工作中心频率见公式(3):=)++f(N11785⨯5.0125. (3)c式中:f——设备工作中心频率,单位为MHz;cN——整数,取值范围1~40。
2.1.2 天线端口视频监控无线传输设备的天线端口分别开路、短路3min后,其射频性能不变。
视频监控无线传输设备天线端口阻抗为50 。
安防摄像机智能化指标和测评方法近年来,随着人工智能技术的不断发展和普及,安防摄像机的智能化已成为必然趋势。
但如何评价安防摄像机的智能化程度成为了一个难题。
本文将围绕“安防摄像机智能化指标和测评方法”展开阐述。
一、智能化指标1. 视频分析技术视频分析技术是安防摄像机智能化的核心之一,包括运动检测、人脸识别、车牌识别、智能跟踪等功能。
这些功能可以通过软件和硬件实现,提高安防监控系统的效率和准确率。
2. 环境适应能力安防摄像机在应用过程中会遇到不同的环境条件,如光线、天气等,要求摄像机具有环境适应能力,能够自动调整参数,确保画面质量和监控效果。
3. 远程监控能力安防摄像机需要支持远程监控能力,如远程观看、控制、调节摄像头等。
同时,还需要支持多终端接入,方便用户随时随地进行监控。
4. 防破坏能力安防监控系统的可靠性非常重要,摄像机需要有一定的自我保护能力。
例如,遇到恶意破坏和攻击时,应具有报警和自动关机等功能,确保摄像机不遭受损坏。
二、测评方法1. 综合测评法综合测评法可以综合考虑多项指标,评估高、中、低三个级别。
评估时可以定性和定量相结合,综合计算得分,并将结果反馈给用户,方便用户选择。
2. 比较分析法比较分析法主要是将不同类型的安防摄像机进行比较,包括品牌、型号、价格等方面的比较。
通过分析比较结果,用户可以选择最适合自己需求的安防摄像机。
3. 实际应用测评法实际应用测评法是指在实际应用过程中对安防摄像机的智能化功能进行测试和评估。
用户可以根据自己实际需求和应用场景,选择合适的安防摄像机,并通过实际应用测试来确定是否符合自己的需求。
总之,安防摄像机智能化指标和测评方法是现代智能安防系统的重要组成部分。
只有通过科学合理的测评方法,才能选择到最符合自己需求的安防摄像机,并充分发挥其智能化优势,为我们的安全保障工作提供有力支持。
网络视频会议质量测试说明网络视频会议质量测试说明一、引言在当前互联网发达的环境下,网络视频会议已成为企业办公、教育教学、远程医疗等领域不可或缺的工具。
然而,网络视频会议的质量对于用户体验至关重要。
为了确保网络视频会议的顺利进行,提高用户的满意度,需要进行系统的质量测试。
本文将介绍网络视频会议常见的质量指标和测试方法,帮助用户评估网络视频会议的质量。
二、网络视频会议质量指标1. 视频质量视频质量是网络视频会议中最直观的指标之一。
用户评估视频质量主要关注以下几个方面:- 分辨率:即画面的清晰度,分辨率越高,画面越清晰。
- 帧率:即画面每秒的刷新次数,帧率越高,画面越流畅。
- 画面卡顿:指画面在传输过程中出现的卡顿现象,会导致画面不连贯。
- 压缩率:即视频数据在传输过程中的压缩比例,合适的压缩率能减少网络传输带宽占用。
2. 音频质量音频质量是网络视频会议中另一个重要的指标。
用户评估音频质量主要关注以下几个方面:- 语音清晰度:指语音在传输过程中是否清晰可辨。
- 延迟度:即声音从发送端传输到接收端的时间,延迟度过高会导致交流不流畅。
- 抗干扰性:指网络中其他声音是否会干扰语音传输。
3. 网络稳定性网络稳定性是影响网络视频会议质量的关键因素之一。
用户通过评估以下几个指标来判断网络的稳定性:- 延迟时延:指从数据发出到数据接收的时间间隔。
- 丢包率:即数据在传输过程中丢失的比例,高丢包率会导致声音和画面的不连续。
- 带宽占用:即网络视频会议占用的带宽,较高的带宽占用可能会影响其他网络应用的正常运行。
三、网络视频会议质量测试方法1. 带宽测试带宽测试是评估网络视频会议质量的关键。
用户可以通过使用网络带宽测试工具,如速度测试网站或专业的网络测速软件,来测试网络带宽的上行和下行速度。
一般来说,视频会议需要较高的带宽才能保证高质量的传输。
2. 视频质量测试用户可以使用视频质量测试工具,如网络视频监控软件,来评估视频质量。
电视节目测量各项指标和技术标准为保证电视节目视频图像的技术质量,用示波器主要测试箭头显示(复合色域),YUV波形显示,钻石显示(RGB色域),符合波形显示(检查亮度、字幕电平、底电平等指标)电视节目制作过程中的设备技术指标现在的电视节目大多数都是用数字设备,所以,数字信号的测试就显得非常重要了,对数字信号的测试除了眼图、抖动、EDH(错误检测处理,错误检测处理(EDH)技术是伴随着数字电视的发展而产生的一种数字信号检测技术,它能准确地标识出信号传输时所发生错误的位置及类型,防止“悬崖效应”的发生。
)等指标外,我们要考虑信号在色域中的合法和有效性。
按照国家广电总局和金范奖评定办法标准,对视频和音频的各项指标做了如下标准:视频标准1. 视频信号技术指标规定,节目全电视信号峰值不大于0.8V2. 节目亮度信号峰值电平不大于0.721V3. 节目基色信号峰值电平峰值不大于0.735V(RGB不大于0.735V)4. 黑电平与消隐电平差(低电平)标准为0~0.05V5. 字幕电平大不于0.8V6. 时码连续并在引带彩条信号开始点置零7. 对于声音信号,CH1(混音声)节目声音峰值电平正常值为-9DBFS,最高不超过-6DBFS.利用各种测试仪器,示波器等,对钻石diamond High是735mv,diamond low是-35mv,diamond area是1%;箭头arrowhead pal max是800mv,arrowhead pal min是-210mv,arrowhead area 是1%,亮度阀值luma max 是103.0%,luma min 是-1.0%,luma area是1%,同时设定视音频告警功能,复合色域和RGB告警功能,信号超标时会告警,测试时保证了全电视信号幅度、黑电平、亮度电平和音频均在指标范围内,RGB色域在有效的范围内。
音频测试声音作为节目整体的一部分,除了注意图像质量外,音频指标也非常重要。