成套开关柜二次布线工艺示范讲解【可编辑】
- 格式:ppt
- 大小:13.69 MB
- 文档页数:57
精品文档35千伏35千伏主进断路器保护二次接线方案图35干伏母联断路器保护二次接线方案图精品文档精品文档35千伏主变压器保护二次接线方案图精品文档精品文档精品文档精品文档35千伏电压互感器保护二次接线方案图35千伏所用变压器保护二次接线方案图精品文档10千伏10千伏引入线保护二次接线方案图精品文档精品文档精品文档精品文档精品文档精品文档精品文档10千伏变压器保护二次接线方案图精品文档精品文档精品文档精品文档10千伏备用电源自动投入接线图精品文档10千伏母联断路器自动投入接线图精品文档精品文档10千伏电压互感器接线原理图精品文档精品文档精品文档精品文档精品文档中央信号系统接线图低压成套开关设备二次接线方案图索引精品文档精品文档测量回路电流电能测量回路接线方案图精品文档精品文档精品文档电压测量回路接线方案图精品文档精品文档有功电能测量回路接线方案图三相有功电能测量回路接线方案图精品文档精品文档精品文档精品文档三相有功、无功电能测量回路接线方案图精品文档精品文档精品文档断路器断路器合分指示回路接线方案图断路器合分指示电分控制回路接线方案图精品文档精品文档精品文档断路器电合电分控制回路接线方案图精品文档精品文档精品文档精品文档AH (DW914)AH (DW914)断路器电合电分控制回路接线方案图精品文档精品文档。
成套开关柜二次布线工艺(二)引言:成套开关柜二次布线工艺是在电力系统中非常重要的一项工作,对于电能的传输和配电起着至关重要的作用。
本文将对成套开关柜二次布线工艺进行详细的阐述和分析,以帮助读者更好地理解和应用该工艺,提高电力系统的可靠性和安全性。
正文:1. 规划布线- 评估电力系统需求:根据系统负荷需求和用电设备特点,评估所需开关柜的数量和容量,确保满足电力系统的需求。
- 确定布线路径:根据用电设备的位置和布局,确定合适的布线路径,避免干扰和混乱。
- 确定布线方式:根据需求和空间限制,选择合适的布线方式,如单级布线、双级布线或环网布线等。
2. 准备工作- 确定线缆规格和材质:根据布线需求和电流负载,选择合适的线缆规格和材质,确保电能传输的效率和安全性。
- 走线槽和桥架的安装:在布线路径上安装走线槽和桥架,固定线缆并保护其免受外界损坏。
- 跳线和连接器的准备:根据布线需求,准备好所需的跳线和连接器,确保连接的可靠性和稳定性。
3. 进行布线- 连接电源:将主电源与开关柜连接,确保电能传输的稳定性和可靠性。
- 进行分支布线:根据需求,将主电源与各个用电设备之间进行分支布线,确保每个设备都能够得到正常供电。
- 进行回路布线:根据系统布线路径,依次进行回路布线,确保电能传输的闭合和循环。
4. 进行接线和连接- 接线端子的连接:根据系统要求,正确连接开关柜中的接线端子,确保电能传输的畅通和稳定。
- 检查连接质量:对每个接线进行仔细检查,确保接线牢固、无松动和导电良好。
- 进行接地连接:对开关柜进行接地连接,确保安全和防止静电积聚。
5. 进行测试和调试- 高低频测试:进行高低频测试,检查线路的传输性能和电能质量,确保符合规范和要求。
- 故障检测和排除:在测试过程中,发现任何故障和问题,及时进行检测和排除,确保系统工作正常。
- 安全标志和标识:对成套开关柜进行安全标志和标识,提醒工作人员注意安全事项和操作要求。
电气控制柜二次回路布线工艺(一)引言概述:电气控制柜作为工业自动化控制系统的重要组成部分,其正常运行离不开合理的回路布线工艺。
本文将从布线工艺的角度出发,分析电气控制柜二次回路布线的相关内容,包括线缆选择、回路设计、接线方式等方面的内容,旨在帮助读者更好地理解和应用电气控制柜的布线工艺。
正文:一、线缆选择1.1 考虑工作环境:根据不同工作环境的需求,选择耐高温、耐腐蚀等特殊要求的线缆。
1.2 电流容量选择:根据回路所需的电流容量确定线缆的截面积,避免线缆过载或电流不足的情况。
1.3 绝缘材料选择:根据使用环境和安全要求选择合适的线缆绝缘材料,确保线缆的绝缘性能。
二、回路设计2.1 需求分析:明确回路的功能和要求,综合考虑设备连接、信号传输等因素,进行回路设计。
2.2 回路划分:根据设备的功能和控制要求,将回路分为不同的部分,进行细化设计。
2.3 回路连接方式:根据设备之间的连接方式,选择合适的连接方式,如并联连接、串联连接等。
2.4 信号隔离设计:对需要进行信号隔离的回路进行设计,提高系统的稳定性和抗干扰性。
2.5 确定回路编号:为了方便维护和管理,为每个回路分配唯一的编号,确保回路的准确标识。
三、接线方式3.1 接线端子选择:根据回路的电流和电压要求,选择合适的接线端子,确保接线的安全可靠性。
3.2 接线方式选择:根据回路的复杂程度和布线空间的限制,选择合适的接线方式,如集中接线、分布接线等。
3.3 接线顺序安排:根据回路的功能和便于排查故障的考虑,合理安排各个回路的接线顺序。
3.4 接线标识:为了方便维护和排查故障,为每个接线点进行标识,避免接线错误或混乱。
四、布线标准4.1 设备安装要求:根据设备的安装要求进行布线,如设备的间距、散热要求等。
4.2 回路隔离:对不同功能的回路进行合理的隔离,避免干扰和相互影响。
4.3 防护措施:为了防止线缆被外界物体损坏,采取合适的防护措施,如使用护套、保护管等。
(经典图文教程)手把手教你二次布线工艺1、适用范围本工艺适用于各级电压等级变压器端子箱和高低压成套设备二次回路配线。
2、配线工艺流程3、技术要求3.1严格依照二次图纸要求、按工艺文件要求、按技术标准要求制做,接线要准确,途径要简捷,布局合理、横平竖直、美观大方、牢固清晰。
3.2选用的二次导线应采用电压不低于500V铜芯塑料绝缘导线(BV、BVR)其截面要求电流回路采用2.5m㎡,电压回路采用1.5m ㎡,其颜色一般为黑色,安全接地采用黄绿双色导线,截面不小于2.5m㎡,电子器件小电流、低电平允许采用小于1.5m㎡,但不得小于0.75m㎡。
计量回路当电力和设计部门有特殊要求时,电流回路为4m㎡、电压回路为2.5m㎡、零线为2.5m㎡,且颜色分别为:A相黄色、B相绿色、C相红色,零线为蓝色配置。
3.3二次回路的线束布置一定要有规律,原则上应以活动门铰链侧由上而下,布置做到合理、牢固、安全,分流的线束应做到横平竖直、层次分明、整齐美观,除必要弯曲(如转换方向)外,不能有弯斜、扭曲的现象。
捆扎方式要规范、牢固可靠、均匀。
3.4 所有的门应有可靠牢固的接地装置(接地柱),应与柜体柜架构成一个良好、安全接地体系。
装置采用螺栓不能小于6mm,且接地点上应平整、光滑、无漆渍、无锈痕,连接的导线不能小于2.5m㎡(建议采用不小于4m㎡裸铜软线)的黄绿双色软线。
3.5二次回路的线束不准在导电部件敷设,高压柜线束与导电部位的净距离3kV不小于75mm,6kV不小于100mm,10kV不小于125mm,35kV不小于300mm。
导线线部裸露部位之间及裸露部位与金属框架的电气间隙应不小于4mm,爬电距离应不小于6mm3.6电器元件上接点一般只连接一根导线,必要时允许连接二根,其工艺要求应符合以下要求,所有接点与导线连接时应有防松措施,拧紧后应有2~5扣螺纹,所有的紧固件(螺丝、垫圈、螺母)均应为镀锌件。
导线中间不允许有接头。
1适用范围1.1本工艺守那么适用于各类~35kV开关电器设备的二次配线制作。
依据GB 50171-1992《电气装置工程盘、柜及二次回路接线施工及验收标准》。
2利用材料2.1铜芯聚氯乙烯绝缘电线(简称导线)2.2聚氯乙烯绝缘塑料带(简称胶带)2.3聚氯乙烯异型管(简称号码管)2.4冷压端头2.5线卡、尼龙扎带2.6标签纸(元件标签、地线标签)2.7瓷质套管2.8标准紧固件2.9塑料蛇皮管、金属蛇皮管、尼龙螺旋管、PVC波纹管Φ12、Φ1八、Φ2五、Φ352.10塑料行线槽2.11胶垫、软垫(防震垫)橡胶圈2.12定位片、线夹2.13绝缘纸(δ=)、黄腊管2.14松香2.15焊锡2.16酒精3设备及工具3.1号码打印机3.250~250℃电热鼓风干燥机箱,型号DF 205(3001-60)3.3活动扳手6寸、8寸3.4平头螺丝刀、十字螺丝刀:3寸、6寸、8寸和电讯螺丝刀。
3.5斜口钳、剥线钳、尖嘴钳、圆嘴钳3.6电烙铁25 W、100 W3.7冷压线钳~ mm;1,4,6 mm3.8电池试灯上海中发电气集团工业园区标准化室2003—08—05发布2003—08—25实施3.9丝锥M4、M五、M六、M83.10卷尺(2 m)3.11自制套管M 3~M 63.12配线方案(接线图、原理图等资料)4二次回路配线的一样要求4.1按二次接线图进行施工,接线正确。
4.2配线整齐、清楚、美观、导线绝缘应良好、无损伤。
4.3导线选用黑色,二次爱惜接地线为黄绿双色线,工程有特殊要求时那么按工程要求选线。
4.4电流回路采纳mm2导线,其他回路截面为mm2,关于电子元件回路,弱电回路采纳锡焊连接时,在知足载流量和电压降及有足够机械强度的情形下,可采纳不小于mm2截面的导线。
4.5导线与电器元件采纳螺栓连接、插接、焊接等,导线的芯线应无损伤。
4.6每一个接线端子应接一根导线,最多不超过两根(只有当该端子或接线柱是为接两根导线而专门设计的才许诺接两根导线)。
成套开关柜二次布线工艺示范讲解1. 概述成套开关柜二次布线是指在电力系统中将开关柜与设备连接起来的一种工艺。
通过合理的二次布线设计和施工,可以实现开关柜的正常运行和可靠性。
本文将对成套开关柜二次布线的工艺进行详细讲解。
2. 二次布线的重要性二次布线在成套开关柜中起着关键作用。
它是将开关柜连接到电力系统的桥梁,负责传递信号和电能。
一个良好的二次布线设计和施工可以确保系统的稳定运行和可靠性。
3. 二次布线的基本原理成套开关柜的二次布线主要分为三个方面:电源供应、信号传输和配电管理。
电源供应是确保开关柜正常运行的基础,信号传输则是实现与其他设备之间的通信,配电管理则是对电能进行合理分配和管理。
4. 二次布线的设计二次布线的设计是确保开关柜正常运行的重要环节。
在进行二次布线设计时,需要考虑以下几个方面:4.1 电源供应设计电源供应设计需要考虑供电系统的稳定性和可靠性。
选择适当的电源供应装置,并确保其经过合理的布线和保护,以保证开关柜的正常工作。
4.2 信号传输设计信号传输设计主要涉及到开关柜与其他设备之间的通信。
需要选择合适的通信协议和接口,并确保信号的可靠传输。
此外,还需要考虑信号的干扰和抗干扰能力。
4.3 配电管理设计配电管理设计主要涉及到电能的合理分配和管理。
需要确定各个回路的电源和负载,并设计相应的配电方案,确保各个回路之间的平衡和稳定。
5. 二次布线的施工二次布线的施工是将布线设计转化为实际操作的过程。
在进行二次布线施工时,需要注意以下几个方面:5.1 布线材料选择选择合适的布线材料是保证二次布线质量的关键。
需要根据实际需求选择合适的电缆、接线端子等材料,并确保其符合相应的标准和规范。
5.2 布线路径规划布线路径规划是确保布线整洁和安全的重要环节。
需要根据布线设计确定各个电缆的路径,并尽量避免与其他设备和布线路径冲突。
5.3 布线连接和固定在进行布线连接和固定时,需要注意连接的可靠性和固定的牢固性。
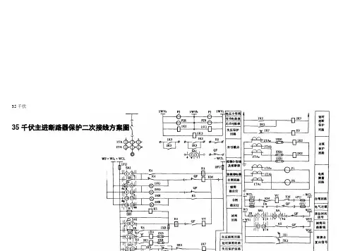
35千伏
35千伏主进断路器保护二次接线方案图
35干伏母联断路器保护二次接线方案图
35千伏主变压器保护二次接线方案图
35千伏电压互感器保护二次接线方案图
35千伏所用变压器保护二次接线方案图
10千伏
10千伏引入线保护二次接线方案图
10千伏变压器保护二次接线方案图
10千伏备用电源自动投入接线图
10千伏母联断路器自动投入接线图
10千伏电压互感器接线原理图
中央信号系统接线图
低压成套开关设备二次接线方案图索引
测量回路
电流电能测量回路接线方案图
电压测量回路接线方案图
有功电能测量回路接线方案图
三相有功电能测量回路接线方案图
三相有功、无功电能测量回路接线方案图
断路器
断路器合分指示回路接线方案图
断路器合分指示电分控制回路接线方案图
断路器电合电分控制回路接线方案图
AH(DW914)
AH(DW914)断路器电合电分控制回路接线方案图。