压床齿轮机构设计
- 格式:docx
- 大小:65.91 KB
- 文档页数:16
机械原理课程设计说明书题目:压床机构综合与传动系统设计学生姓名:学号:专业:班级:指导教师:2018年6月12日目录............................................................................................................................................................................................................................................................................................................................................................................................................................................................ .................................................................................................................................................................................................................................c:\iknow\docshare\data\cur_work\page8............................................................................................................... .............................................................................................................................................................................................................................................................................................................................................. ............................................................................................................................................................................................................................. .................................................................................................................. ..................................................................................................................1.压床机构综合与传动系统设计压床是应用广泛的锻压设备,用于钢板矫直、压制零件等。
压床机构曲柄连杆机构一、机构简介及设计数据1.机构简介图中所示为压床机构简图。
其中,六杆机构ABCDEF为其主体机构,电动机经联轴器带动减速器的三对齿轮z1-z2、z3-z4、z5-z6将转速降低,然后带动曲柄1转动,六杆机构使滑块5克服阻力F r而运动。
为了减小主轴的速度波动,在曲轴A上装有飞轮,在曲柄轴的另一端装有供润滑连杆机构各运动副用的油泵凸轮。
二.设计内容1.连杆机构的设计及运动分析已知:中心距x 1、x 2、y,构件3的上下极限角"3ψ 3ψ',滑块的冲程H ,比值CE/CD 、EF/DE ,各构件质心S 的位置,曲柄转速n 1。
要求:设计连杆机构,作机构的运动简图、机构1~2个位置的速度多边形和加速度多边形、滑块的运动线图。
以上内容与后面的动态静力分析一起画在1号图纸上。
已知H=180mm ,x 1=60mm,x 2=170mm,y=260mm,ψ3´=60°, "3ψ=120°CE/CD=1/2,EF/DE=1/4.n 1=90r/min.根据几何关系可知。
DE=180mm ,CE=60mm ,DC=120mm ,EF=45mm ,AB=51mm ,BC=210mm. (1)速度:(m/s )当构件处于起始点1时,运动简图始图所示。
构件1绕A 点作逆时针转动,其其速度方向如图所示,大小为v B =l AB ω1. v c = v B + v CB 大小: 0.336 l AB ω1 0.298 方向: ⊥CD ⊥AB ⊥BC /c Ev v =./.CD ED LL ωω⇒30.5042EC V V ==m/sV F = V E + V FE大小: ?=0.492 0.504 ?= 0.132 方向:∥导轨6 ⊥EC ⊥EF (2)加速度:(m/2s)a nc + a tc= a nB+ a tB+ a nCB+ a tCB大小:?= 0.94 2.8 4.5 0 0.467 ?方向: C→D ⊥CD B→A ⊥AB C→B ⊥BCa F = a nE + a tE+ a nFE+ a tFE大小:?=6.76 1.41 4.2 ? 2.93方向:∥导轨6 E→D ⊥ED ⊥EF F→E2.连杆机构的动态静力分析已知:各构件的重力G及其对质心轴的转动惯量Js(曲柄1和连杆4的重力和转动惯量略去不计),阻力线图以及连杆机构设计和运动分析中所得的结果。
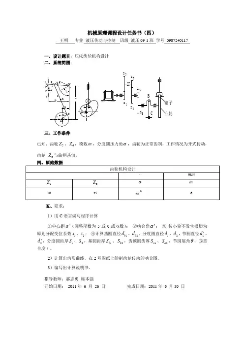
齿轮 6Z 与曲柄共轴。
五、要求:1)用C 语言编写程序计算①中心距a '(圆整尾数为5或0或双数); ②啮合角α'; ③ 按小轮不发生根切为原则分配变位系数1x 、2x ; ④计算基圆直径1b d 、2b d ,分度圆直径1d 、2d ,节圆直径1d '、2d ',分度圆齿厚1S 、2S ,基圆齿厚1b S 、2b S ,齿顶圆齿厚1a S 、2a S ,节圆展角θ;⑤重合度ε。
2)计算出齿形曲线,在2号图纸上绘制齿轮传动的啮合图。
3)编写出计算说明书。
指导教师:郝志勇 席本强开始日期: 2011年 6 月 26 日 完成日期:2011年 6 月30 日目录1.设计容及要求 (1)2.齿轮啮合原理图 (2)3.数学模型 (3)4.程序说明图 (5)5.程序列表及其运行结果 (6)6.设计总结 (14)7.参考文献 (15)1.设计容级要求齿轮的设计已知:齿数Z5、Z6,模数m,分度圆压力角α,齿数为正常齿制,工作情况为开式传动,轮齿Z6与曲柄共轴。
要求:1)用C语言编写程序计算①中心距a′(圆整尾数为5或0或双数);②啮合角α′;③按小齿轮不发生根且为原则分配变为系数x1、x2;④计算基圆直径d b1、d b2,分度圆直径d1、d2,节圆直径d`1、d`2,分度圆齿厚s1、s2,基圆齿厚s b1、s b2,齿顶圆齿厚s a1、s a2,节圆展角ѳ;⑤重合度є;2)计算出齿形曲线,在2号图纸上绘制齿轮传动的啮合图。
⑶编写出计算说明书。
2.齿轮齿廓合原理图3.齿轮机构的数学模型㈠渐开线直齿圆柱齿轮基本公式i=z2/z1a'=[1/2*m*(z1+z2)*1/5+1]*5 α'=arccos(a*cosα/a')d1=m z1d2=m z2d b1=d1*cosαd b2=d2*cosαd a1=[z1+2(ha*+x1)]*md a2=[z2+2(ha*+x2)]*md f1=[z1-2(ha*+x1+c*)]*md f2=[z2-2(ha*+x2+c*)]*md i1=d1cosα/cosα'd i2=d2cosα/cosα'S1=1/2πm+2x1mtgαS2=1/2πm+2x2mtgα㈡齿轮副传动质量指标⑴齿轮是否根切①标准齿轮不根切的最小齿数Z min=2ha*/αsin2②不根切最小变位系数X min1=ha*(Z min-z1)Z minX min2=ha*(Z min-z2)Z min⑵重合度ε=1/2π[z1(tgα1a-tgα')+z2(tgα2a-tgα')]其中:α1a=arccos(d b1/d a1)α2a=arccos(d b2/d a2) cosα'=m(z1+z2)/2a'cosα一般情况应保证ε≥1.2。
目录一.机构简介与设计数据 (2)二.压床机构的设计 (3)三.传动机构运动分析 (6)四.传动机构的动态静力分析 (8)五.凸轮设计计算 (10)六.设计体会 (12)七.参考文献 (13)设计题目:压床主体机构分析与设计一、机构简介与设计数据1.1.机构简介图示为压床机构简图,其中六杆机构为主体机构。
图中电动机经联轴器带动三对齿轮将转速降低,然后带动曲柄1转动,再经六杆机构使滑块5克服工作阻力F而运动。
为了减少主轴r的速度波动,在曲柄轴A 上装有大齿轮z并起飞轮的作用。
在曲柄轴的另一端装有油泵凸轮,6驱动油泵向连杆机构的供油。
(a)压床机构及传动系统1.2机构的动态静力分析已知:各构件的重量G及其对质心轴的转动惯量Js(曲柄1和连杆4的重力和转动惯量(略去不计),阻力线图(图9—7)以及连杆机构设计和运动分析中所得的结果。
要求:确定机构一个位置的各运动副中的反作用力及加于曲柄上的平衡力矩。
作图部分亦画在运动分析的图样上。
1.3凸轮机构构设计已知:从动件冲程H,许用压力角[α ].推程角δ。
,远休止角δı,回程角δ',从动件的运动规律见表9-5,凸轮与曲柄共轴。
要求:按[α]确定凸轮机构的基本尺寸.求出理论廓线外凸曲线的最小曲率半径ρ。
选取滚子半径r,绘制凸轮实际廓线。
以上内容作在2号图纸上1.4.设计数据0.20.39二、压床机构的设计2.1.传动方案设计2.1.1.基于摆杆的传动方案2.1.2.六杆机构 A2.1.3.六杆机构 B综合分析:以上三个方案,各有千秋,为了保证传动的准确性,并且以满足要求为目的,我优点:结构紧凑,在C点处,力的方向与速度方向相同,所以传动角90γ=︒,传动效果最好;满足急回运动要求; 缺点:有死点,造成运动的不确定,需要加飞轮,用惯性通过;优点:能满足要求,以小的力获得很好的效果; 缺点:结构过于分散:优点:结构紧凑,满足急回运动要求; 缺点:机械本身不可避免的问题存在。
目录概述·······························设计项目·······························1.设计题目························2.机构简介························3.设计数据························设计内容·······························1.导杆机构的设计··················2.凸轮机构的设计···················3.齿轮机构的设计···················设计体会·····························参考文献······························附图····························概述一、机构机械原理课程设计的目的:机械原理课程设计是高等工业学校机械类专业学生第一次较全面的机械运动学和动力学分析与设计的训练,是本课程的一个重要实践环节。
压床机构设计说明书班级:XXXX学号:XXX姓名:XX完成日期:XXXX年XX月ﻬ一、压床机构简介ﻩ错误!未定义书签。
1、压床机构简介 ............................................................................................................. 错误!未定义书签。
2、设计内容ﻩ错误!未定义书签。
(1)机构得设计及运动分折............................................................................................... 错误!未定义书签。
(2)凸轮机构构设计........................................................................................................ 错误!未定义书签。
二、执行机构得选择 ............................................................................................................... 错误!未定义书签。
方案一 ............................................................................................................................... 错误!未定义书签。
(1)运动分析ﻩ错误!未定义书签。
(2)工作性能.................................................................................................................... 错误!未定义书签。
目录一. 设计要求----------------------------------------------------------31. 压床机构简介---------------------------------------------------------------32. 设计要求和内容-----------------------------------------------------3 二.压床机构的设计-----------------------------------------------4 1. 连杆机构的设计及运动分析---------------------------------------4(1) 作机构运动简图并计算各杆长度-------------------------------4(2) 机构运动速度分析-----------------------------------------------7(3) 机构运动加速度分析---------------------------------------------8(4) 机构动态静力分析----------------------------------------------10三.凸轮机构设计-------------------------------------------------13一、压床机构设计要求1.压床机构简介图9—6所示为压床机构简图。
其中,六杆机构ABCDEF为其主体机构,电动机经联轴器带动减速器的三对齿轮z1-z2、z3-z4、z5-z6将转速降低,然后带动曲柄1转动,六杆机构使滑块5克服阻力Fr而运动。
为了减小主轴的速度波动,在曲轴A上装有飞轮,在曲柄轴的另一端装有供润滑连杆机构各运动副用的油泵凸轮。
2.设计要求和内容:(1)机构的设计及运动分折已知:中心距x1、x2、y, 构件3的上、下极限角,滑块的冲程H,比值CE/CD、EF/DE,各构件质心S的位置,曲柄转速n1。
一.机构简介及设计数据1.机构简介图一所示为压床机构简图。
其中,六杆机构ABCDEF 为其主体机构,电动机经联轴器带动减速器的三对齿轮123456Z Z Z Z Z Z —、—、—。
将转速降低,然后带动曲柄1转动,六杆机构使滑块5克服阻力F r 而运动。
为了减小主轴的速度波动,在曲轴A 上装有飞轮,在曲柄轴的另一端装有润滑连杆机构各运动副用的油泵凸轮。
图1 图22.设计数据(设计数据见表1)表1设计数据3.设计内容(1).连杆机构的设计及运动分析已知:中心距12y χχ、、,构件3的上下极限角33"'ψψ、,滑块的冲程H ,比值CE /CD 、EF /DE ,各构件质心S 的位置,曲柄转速1n 。
要求:设计连杆机构,作机构运动简图、机构1个位置的速度多边形和加速度多边形、滑块的运动线图。
以上内容与后面的动态静力分析一起画在1号图纸上。
(起始位置为滑块的下极限位置,对应曲柄每隔40度为一个设计位置)(2).连杆机构的动态静力分析已知:各构件的重力G 及其对质心轴的转动惯量Js(曲柄1和连杆4的重力和转动惯量略去不计),阻力线图(图9—7)以及连杆机构设计和运动分析中所得的结果。
要求:确定机构一个位置的各运动副中的反作用力及加于曲柄上的平衡力矩。
作图部分亦画在运动分析的图样上。
(3).飞轮设计已知:机器运转的速度不均匀系数δ,由动态静力分析中所得的平衡力矩b M ;驱动力矩d M 为常数,飞轮安装在曲柄轴A 上。
要求:确定飞轮转动惯量F J 。
以上内容作在2号图纸上。
(4).凸轮机构设计已知:从动件冲程H ,许用压力角[a]。
推程角0δ,远休止角01δ,回程角0'δ,从动件的运动规律见表9—5,凸轮与曲柄共轴。
要求:按[a]确定凸轮机构的基本尺寸,求出理论廓线外凸曲线的最小曲率半径min ρ,选取滚子半径r r ,绘制凸轮实际廓线。
以上内容作在2号图纸上。
(5).齿轮机构的设计已知:齿数56Z Z 、,模数m ,分度圆压力角a ;齿轮为正常齿制,工作情况为开式传动,齿轮Z 6与曲柄共轴。
机械原理课程设计-压床机构(方案二)方案二:压床机构的设计一、设计要求:1. 设计一个压床机构,能够实现对工件的快速压制和松开操作;2. 必须满足工件的精确定位和稳定保持;3. 需要符合机械原理的基本原理和规范。
二、方案设计:1. 结构设计:压床机构采用双柱式结构,由上柱和下柱组成。
上柱上装有压力表和手动压床控制器,能够实时监测压床的压力和实现对压床的手动控制。
下柱上安装压床座,用以固定和定位工件。
柱和座都采用高强度材料制成,以确保其刚性和稳定性。
2. 压紧机构设计:压紧机构由压床座和压床头组成。
压床头通过传动装置与驱动装置相连接。
驱动装置可以是液压缸、气压缸、电动机等之一,具体根据实际需求选择。
压床头上安装压力传感器,能够实时监测压紧力并反馈给手动压床控制器。
3. 定位机构设计:定位机构由导轨、滑块、刀架等组成。
导轨安装在床身上,滑块设有可调节的锁紧螺母。
刀架通过滑块与导轨相连接,能够沿着导轨上下移动,以实现对工件的定位。
刀架上还可以安装减震装置,以减少冲击和振动,提高精度。
4. 操作控制设计:压床机械的操作由手动压床控制器控制,可以实现对压床的手动控制,以适应不同工件的压制需求。
同时,为了确保压制的安全和稳定,手动压床控制器会设有压紧力过大或过小的报警功能,即在达到设定的压紧力范围内进行警报提示。
5. 安全设计:为了确保操作人员的安全,压床机构应设有紧急停机开关和防护罩。
只有在紧急情况下,操作人员可以按下紧急停机开关停止机械运转。
防护罩能够有效防止操作人员接触到运动部件,避免事故发生。
三、设计优点:1. 结构紧凑,占地面积小;2. 操作简单,稳定可靠;3. 设计合理,既保证了定位精度,又提高了工作效率;4. 安全性能良好,操作员安全。
方案二是一种基于双柱式结构的压床机构设计。
它满足了压床机构的基本要求,并兼顾了定位精度、工作效率和安全性等方面的因素。
通过手动压床控制器的控制,操作简单易懂,并且具有压紧力过大或过小报警功能,确保了操作的安全可靠性。
机械原理课程设计报告-压床机构的设计一、设计背景及要求本次课程设计的主题为压床机构的设计,该机构需要满足以下要求:1. 压力:最大压力需达到1000N;2. 工作行程:最大行程为50mm;3. 稳定性:在工作过程中需要保持稳定性,不产生振动和噪音;4. 精度:需要满足高精度加工要求,能够完成微小零件的加工。
二、设计思路及流程1. 设计思路压床机的工作原理是利用压力将材料压缩成所需形状,因此需要设计一个能够提供足够压力的机构。
在设计中,需要考虑零件之间的匹配度、传动方式、材料选用及特殊要求等因素。
2. 设计流程(1)确定压盘大小及厚度,预估所需压力;(2)确定压平衡机构类型,选取传动方式;(3)设计压平衡机构参数;(4)设计压床结构参数;(5)制图、计算及优化。
三、设计方案1. 压盘设计根据制品的需求确定压盘大小及厚度,经计算得出所需压力为1000N。
压盘通过凸轮机构实现上下运动,为了保证稳定性和精度,选择加厚压盘边缘并采用凸轮导向方式。
2. 压平衡机构设计采用曲柄摇杆机构实现压平衡机构,并选择连杆传动方式。
设压平衡机构长度为100mm,曲柄长度为50mm,摇杆长度为50mm,曲柄摇杆机构设计如下:(1)曲柄长度:50mm;(2)摇杆长度:50mm;(3)连杆长度:100mm;(4)曲柄与摇杆中心之间夹角:120°;(5)摇杆与连杆垂直。
3. 压床结构设计压床机构的压盘、压平衡机构等组成。
为了满足工作要求,选用平台支撑并固定凸轮、压盘、压平衡机构等零件。
同时,为了保证机构的稳定性,选用低噪音滚轮传动。
四、设计结果经过计算得出,设计的压床机构满足所需的工作要求,能够提供最大压力为1000N,最大行程为50mm,并能保证微小零件的高精度加工。
在机构选用、传动方式、材料、结构参数等方面均有较好的设计。
五、总结通过本次机械原理课程设计,掌握了设计压床机构的方法及流程,并对凸轮机构、曲柄摇杆机构、滚轮传动、零件匹配度等问题有了更深的理解。
目录一、压床机构简介----------------------------------------------------------3二、设计内容---------------------------------------------------------------4三、连杆机构设计及运动分析1.连杆机构简图-----------------------------------------------------5 2.计算连杆长度尺寸-----------------------------------------------6 3.运动速度分析-----------------------------------------------------8 4.运动加速度分析------------------------------------------------10四、凸轮机构设计1. 凸轮参数计算-------------------------------------------------122. 绘制凸轮运动线图---------------------------------------------14五、齿轮机构设计1. 齿轮参数计算---------------------------------------------------152. 绘制齿轮啮合图------------------------------------------------16六、课程设计总结--------------------------------------------------------18七、参考文献--------------------------------------------------------------19一、压床机构简介压床机构是由六杆机构中的冲头(滑块)向下运动克服阻力来冲压机械零件的。
1. 设计任务及要求已知:齿轮Z511,Z632,分度圆压力角20°,模数m 6,齿轮为正常齿制,工作情况位开式传动,齿轮Z6与曲柄共轴要求:1)用C语言编写程序计算A. 中心距a(圆整尾数为5或0或双数);B. 啮合角;C. 按小轮不发生根切为原则分配变位系数X5、X6 ;D. 计算基圆直径d b5、d b6,分度圆直径d5、d6,节圆直径d 5、d6,分度圆齿厚S5、S,基圆齿厚S b5、S b6,齿顶圆齿厚S a5、S a6, 节圆展角;E.重合度;2)计算出齿形曲线,在2号图纸上绘制齿轮传动的啮合图3)编写出计算说明书。
2. 数学模型1)2) 实际中心距a的确定:a(z5 z6)m2/;a = (a/5+1)3)/啮合角cos( /)m( z5 z6) cos();2inv2tan (X5 X6)/(Z5 26)inv;4)按小轮不发生根切为原则分配变位系数X5、X6 ;Z mi n=2ha*/sinX5 min h a (Z min(inv X5 X6 Z5)/ Z min ;X0min/ .inv)(Z5 Z e).h a (Z min Z ) /Z min ;5)齿轮基本参数注:下列尺寸单位为mm 模数:m=6压力角:o20齿数:Z5=11 Z6=32齿顶咼系数:*h a「0齿根高系数:c* 0.25分度圆分离系数:y 1(z5 Z6)(C0S1)COS g齿顶咼变动系数:X5^X6 y分度圆直径;d5 m Z5 d6 m z 基圆直径;d b5 m ZCOSd b6 m Z6COS齿顶咼:*h a5 m(h a X5 ) h a6 % X6 )齿根高:*h f5 m(h a *C X5)*h f6 m(h a *C X6)齿顶圆直径:d a5 d5 2h a5d a6 d6 2h a6 齿根圆直径;d f5 d5 2h f5d f6 d62h f6节圆直径:d5 d5COS1 COS g7)S b5S^^ 2rb5inv cos d bJ d asinv;「5S b6S6fJb6 2"invCOSd b6'da6inv;「66) 1重合度:〒吃伽 a5tan )Z 6(tan a 6tan )]1 1a5 cos (d b5/d a5)a6COS (d b6/d a6),o20一般情况应保证1.2齿距: 节圆齿距: 基圆齿距; 分度圆齿厚: cos d6 d6cos aP= m1p cos p -cos a PbpcosS 51 —m22x 5mtan S6 1 —m 2 2 x 6 mtan节圆展角: 5 tanCOS d b5 d 56tan COS d b6 d 6cos d b5d 5 ;cos d b6d 6 ;基圆齿厚:齿顶厚:$52r a5(i nva5inv ) r53 牛60nv a6 )r6一般取$ 0.257)3. 程序框图输入m Z5Z6h a C计算a a y d5 d6 d b5 d b6 d6 p p i P b 计算X5min X6min4 •程序清单及运行结果(1)程序清单#in clude"math.h" #in clude"stdio.h" #defi ne z5 11.0 #define z6 32.0 #define t 20*3.14/180 /*yalijiao,unit:rad*/#defi ne m 6 /*moshu*/ #defi ne hax 1.0 #defi ne cx 0.25 #define Zmin 17.0 #defi ne pi 3.14 mai n() { int a,ai; double ti;/*ni ehejiao*/ /*jiyua nzhij in g*/ /*fe nduyua nzhij in g*/ /*chidi nggao*/ /*chige ngao*/ /*chige nyuan zhij ing*/ /*jieyua nzhiji ng*//*chidi ngyua nzhij in g*//*chiju*/ /*jieyua nchiju*/ /*jiyua nchiju*/ /*chihou*/double x5,x6,xh; double db5,db6; double d5,d6; double ha5,ha6; double hf5,hf6; double df5,df6; double di5,di6; double da5,da6; double p; double p1; double pb; double S5,S6;double Sb5,Sb6;/*jiyua nchihou*//*ch on ghedu*/double y,Xmi n5,Xmi n6; /*y shife nlixishu*/ double cdb;/*chidi ngaobia ndon gxishu*/ int j,i;a=m*(z5+z6)/2; prin tf("a=%d\n",a);i=a/5; ai=(i+1)*5; prin tf("ai=%d(mm)\n",ai);ti=acos(a*cos(t)/ai); prin tf("ti=%4.3f(rad)\n",ti);cdb=z6/z5;prin tf("\n cdb=%5.3f\n",cdb);y=0.5*(z5+z6)*(cos(t)/cos(ti)-1); prin tf("y=%5.3lf\n ”,y);d5=m*z5; d6=m*z6;prin tf("d5=%5.3lf,d6=%5.3lf(mm)\n",d5,d6);db5=m*z5*cos(t); db6=m*z6*cos(t);double Sa5,Sa6;/*chid inghou*/double o5,o6; /*jieyua nzhanjiao*/ double e; double cgm;prin tf("db5=%5.3lf,db6=%5.3lf di5=d5*cos(t)/cos(ti); di6=d6*cos(t)/cos(ti); prin tf("di5=%5.3lf,di6=%5.3lf(mm)\n ”,di5,di6);p=m*pi;p 仁 p*cos(t)/cos(ti); pb=pi*m*cos(t);prin tf("p=%5.3lf,p 1=%5.3lf,pb=%5.3lf\n ",p,p1,pb);Xmi n5=hax*(Zmi n-z5)/Zmi n; prin tf("Xmi n5=%3.4lf Xmi n6=hax*(Zmi n-z6)/Zmi n;prin tf("Xmi n6=%3.4lfxh=0.5*(ta n(ti)-ti-(ta n( t)-t))*(z5+z6)/ta n( t); prin tf("xh=x5+x6=%5.3f\n ”,xh);for(j=0;j<10;j++) { x5=Xmi n5+0.04*j; x6=xh-x5;if(x6<Xmi n6)break;cgm=x5+x6_y;ha5=m*(hax+x5-cgm); ha6=m*(hax+x6-cgm);hf5=(hax+cx-x5)*m; hf6=(hax+cx-x6)*m;(mm)\n",db5,db6);(mm)\n\n ",Xmi n5);(mm)\n\n ”,Xmida5=d5+2*ha5;da6=d6+2*ha6;df5=d5-2*hf5;df6=d6-2*hf6;S5=0.5*pi*m+2*x5*m*ta n( t);S6=0.5*pi*m+2*x6*m*ta n( t);Sb5=S5*db5/d5-db5*(ta n(acos(db5/db5))-acos(db5/db5)-(ta n( t)-t));Sb6=S6*db6/d6-db6*(ta n(acos(db6/db6))-acos(db6/db6)-(ta n( t)-t));Sa5=S5*da5/d5-da5*(ta n(acos(db5/da5))-acos(db5/da5)-(ta n( t)-t));Sa6=S6*db6/d6-da6*(ta n(acos(db6/da6))-acos(db6/da6)-(ta n( t)-t));o5=ta n( acos(db5/di5))-acos(db5/di5);o6=ta n(acos(db6/di6))-acos(db6/di6);e=(z5*(ta n(acos(db5/da5))-ta n( ti))+z6*(ta n( acos(db6/da6))-ta n(ti)))/(2*pi);if((S5>cx*m)&&(S6>cx*m)&&(Sb5>cx*m) &&(Sb6>cx*m)&&(Sa5>cx*m)&&(Sa6>cx*m)&&(e>1.2)){ printf("a=%d \n ",a);prin tf("ai=%d (mm)\n",ai);prin tf("ti=%4.3f (rad)\n",ti);prin tf("\n cdb=%5.3f \n",cdb);prin tf("y=%5.3lf \n ",y):xh=x5+x6=0.171 a=129 ai=130 (mm) ti=0.369 (rad)cdb=2.909 y=0.167 d5=66.000,d6=192.000 (mm)db5=62.024,db6=180.433 (mm) di5=66.512,di6=193.488 (mm) p=18.840,p1=18.986,pb=17.705 x5=0.353,x6=-0.182 (mm) cgm=0.005 ha5=8.089,ha6=4.882 (mm)hf5=5.382,hf6=8.589 (mm) da5=82.178,da6=201.765 (mm) df5=55.235,df6=174.822 (mm) S5=10.961,S6=8.628 (mm) Sb5=11.223,Sb6=10.793 (mm) Sa5=2.243,Sa6=3.758 (mm) o5=0.01778,o6=0.01778 (rad) e=1.421 a=129 ai=130 (mm) ti=0.369 (rad)cdb=2.909 y=0.167 d5=66.000,d6=192.000 (mm)db5=62.024,db6=180.433 (mm) di5=66.512,di6=193.488 (mm) p=18.840,p1=18.986,pb=17.705 x5=0.393,x6=-0.222 (mm) cgm=0.005 ha5=8.329,ha6=4.642 (mm)hf5=5.142,hf6=8.829 (mm) da5=82.658,da6=201.285 (mm) df5=55.715,df6=174.342 (mm) S5=11.135,S6=8.453 (mm) Sb5=11.387,Sb6=10.629 (mm) Sa5=2.053,Sa6=3.843 (mm) o5=0.01778,o6=0.01778 (rad) e=1.411 a=129ai=130 (mm) ti=0.369 (rad)cdb=2.909y=0.167d5=66.000,d6=192.000 (mm) db5=62.024,db6=180.433 (mm) di5=66.512,di6=193.488 (mm)p=18.840,p1=18.986,pb=17.705 x5=0.433,x6=-0.262 (mm)cgm=0.005 ha5=8.569,ha6=4.402 (mm) hf5=4.902,hf6=9.069 (mm) da5=83.138,da6=200.805 (mm) df5=56.195,df6=173.862 (mm) S5=11.310,S6=8.278 (mm) Sb5=11.551,Sb6=10.465 (mm) Sa5=1.858,Sa6=3.924 (mm) o5=0.01778,o6=0.01778 (rad) e=1.401a=129ai=130 (mm)ti=0.369 (rad)cdb=2.909y=0.167d5=66.000,d6=192.000 (mm) db5=62.024,db6=180.433 (mm) di5=66.512,di6=193.488 (mm)p=18.840,p1=18.986,pb=17.705 x5=0.473,x6=-0.302 (mm)cgm=0.005ha5=8.809,ha6=4.162 (mm) hf5=4.662,hf6=9.309 (mm) da5=83.618,da6=200.325 (mm)df5=56.675,df6=173.382 (mm)S5=11.485,S6=8.104 (mm)Sb5=11.716,Sb6=10.301 (mm)Sa5=1.658,Sa6=4.002 (mm) o5=0.01778,o6=0.01778 (rad) e=1.3905 •设计总结6 •参考文献1.《机械原理》孙陈作模,高等教育出版社,1995.8 桓、。
目录第1章问题的提出 (1)第2章设计要求与设计数据 (1)2.1设计要求 (2)2.2设计数据 (2)第3章机构选型设计 (2)3.1选择不同的方案 (2)3.2两种设计方案的优缺点比较 (3)第4章机构尺度综合 (4)第5章机构运动分析 (6)5.1压床机构的模型建立与仿真 (6)5.2压床机构的运动仿真 (8)5.3压床机构冲头在X方向的偏移验证 (10)第6章机构动力分析 (11)6.1压床机构的静力分析 (12)6.2冲头的受力分析 (13)6.3基点的受力情况 (14)第7章结论 (17)第8章收获与体会 (17)第9章致谢 (18)参考文献 (19)附录1 (20)附录2 (22)附录3 (26)第1章问题的提出压床机械是由六杆机构中的冲头(滑块)向下运动来冲压机械零件的一种机构,它是应用广泛的锻压设备,用于钢板矫直,压制零件等,大部分压床都适用于金属或非金属零件的压印、成型、浅拉伸、整形及压力装配。
为了能使压床机构在工作过程中能发挥出它最大的价值,就要在设计该机构的时候注意以下一些要求:(1)设计出一个连杆机构,保证其自由度F=1,以实现滑块的上下移动。
(2)如何保证滑块在进行移动的时候能保持连贯性。
(3)针对工作环境的不同和装卸货物的不同,因设计出滑块的最大提升高度,以及其它连杆的极限位置。
(4)在设计机构的时候,要考虑其维修的难易程度,不能比市面上的压床复杂,在设计其局部零件的时候,要采用通用的零件结构,以免在以后发生故障时能方便维修。
(5)机构的材料在保证牢固的前提下要考虑其经济成本,不能只考虑材料的坚固程度,要让机构有推广的空间和市场第2章设计要求与设计数据2.1设计要求:(1)依据设计要求和已知参数,确定各构件的运动尺寸,绘制机构运动简图,并分析组成机构的基本杆组。
(2)假设曲柄等速转动,画出滑块5的位移和速度的变化规律曲线。
在压床工作过程中,在不考虑各处摩擦、构件重力和惯性力的条件下,分析曲柄所需的驱动力矩。
1. 设计任务及要求已知:齿轮Z511,Z632,分度圆压力角20°,模数m 6,齿轮为正常齿制,工作情况位开式传动,齿轮Z6与曲柄共轴要求:1)用C语言编写程序计算A. 中心距a(圆整尾数为5或0或双数);B. 啮合角;C. 按小轮不发生根切为原则分配变位系数X5、X6 ;D. 计算基圆直径d b5、d b6,分度圆直径d5、d6,节圆直径d 5、d6,分度圆齿厚S5、S,基圆齿厚S b5、S b6,齿顶圆齿厚S a5、S a6, 节圆展角;E.重合度;2)计算出齿形曲线,在2号图纸上绘制齿轮传动的啮合图3)编写出计算说明书。
2. 数学模型1)2) 实际中心距a的确定:a(z5 z6)m2/;a = (a/5+1)3)/啮合角cos( /)m( z5 z6) cos();2inv2tan (X5 X6)/(Z5 26)inv;4)按小轮不发生根切为原则分配变位系数X5、X6 ;Z mi n=2ha*/sinX5 min h a (Z min(inv X5 X6 Z5)/ Z min ;X0min/ .inv)(Z5 Z e).h a (Z min Z ) /Z min ;5)齿轮基本参数注:下列尺寸单位为mm 模数:m=6压力角:o20齿数:Z5=11 Z6=32齿顶咼系数:*h a「0齿根高系数:c* 0.25分度圆分离系数:y 1(z5 Z6)(C0S1)COS g齿顶咼变动系数:X5^X6 y分度圆直径;d5 m Z5 d6 m z 基圆直径;d b5 m ZCOSd b6 m Z6COS齿顶咼:*h a5 m(h a X5 ) h a6 % X6 )齿根高:*h f5 m(h a *C X5)*h f6 m(h a *C X6)齿顶圆直径:d a5 d5 2h a5d a6 d6 2h a6 齿根圆直径;d f5 d5 2h f5d f6 d62h f6节圆直径:d5 d5COS1 COS g7)S b5S^^ 2rb5inv cos d bJ d asinv;「5S b6S6fJb6 2"invCOSd b6'da6inv;「66) 1重合度:〒吃伽 a5tan )Z 6(tan a 6tan )]1 1a5 cos (d b5/d a5)a6COS (d b6/d a6),o20一般情况应保证1.2齿距: 节圆齿距: 基圆齿距; 分度圆齿厚: cos d6 d6cos aP= m1p cos p -cos a PbpcosS 51 —m22x 5mtan S6 1 —m 2 2 x 6 mtan节圆展角: 5 tanCOS d b5 d 56tan COS d b6 d 6cos d b5d 5 ;cos d b6d 6 ;基圆齿厚:齿顶厚:$52r a5(i nva5inv ) r53 牛60nv a6 )r6一般取$ 0.257)3. 程序框图输入m Z5Z6h a C计算a a y d5 d6 d b5 d b6 d6 p p i P b 计算X5min X6min4 •程序清单及运行结果(1)程序清单#in clude"math.h" #in clude"stdio.h" #defi ne z5 11.0 #define z6 32.0 #define t 20*3.14/180 /*yalijiao,unit:rad*/#defi ne m 6 /*moshu*/ #defi ne hax 1.0 #defi ne cx 0.25 #define Zmin 17.0 #defi ne pi 3.14 mai n() { int a,ai; double ti;/*ni ehejiao*/ /*jiyua nzhij in g*/ /*fe nduyua nzhij in g*/ /*chidi nggao*/ /*chige ngao*/ /*chige nyuan zhij ing*/ /*jieyua nzhiji ng*//*chidi ngyua nzhij in g*//*chiju*/ /*jieyua nchiju*/ /*jiyua nchiju*/ /*chihou*/double x5,x6,xh; double db5,db6; double d5,d6; double ha5,ha6; double hf5,hf6; double df5,df6; double di5,di6; double da5,da6; double p; double p1; double pb; double S5,S6;double Sb5,Sb6;/*jiyua nchihou*//*ch on ghedu*/double y,Xmi n5,Xmi n6; /*y shife nlixishu*/ double cdb;/*chidi ngaobia ndon gxishu*/ int j,i;a=m*(z5+z6)/2; prin tf("a=%d\n",a);i=a/5; ai=(i+1)*5; prin tf("ai=%d(mm)\n",ai);ti=acos(a*cos(t)/ai); prin tf("ti=%4.3f(rad)\n",ti);cdb=z6/z5;prin tf("\n cdb=%5.3f\n",cdb);y=0.5*(z5+z6)*(cos(t)/cos(ti)-1); prin tf("y=%5.3lf\n ”,y);d5=m*z5; d6=m*z6;prin tf("d5=%5.3lf,d6=%5.3lf(mm)\n",d5,d6);db5=m*z5*cos(t); db6=m*z6*cos(t);double Sa5,Sa6;/*chid inghou*/double o5,o6; /*jieyua nzhanjiao*/ double e; double cgm;prin tf("db5=%5.3lf,db6=%5.3lf di5=d5*cos(t)/cos(ti); di6=d6*cos(t)/cos(ti); prin tf("di5=%5.3lf,di6=%5.3lf(mm)\n ”,di5,di6);p=m*pi;p 仁 p*cos(t)/cos(ti); pb=pi*m*cos(t);prin tf("p=%5.3lf,p 1=%5.3lf,pb=%5.3lf\n ",p,p1,pb);Xmi n5=hax*(Zmi n-z5)/Zmi n; prin tf("Xmi n5=%3.4lf Xmi n6=hax*(Zmi n-z6)/Zmi n;prin tf("Xmi n6=%3.4lfxh=0.5*(ta n(ti)-ti-(ta n( t)-t))*(z5+z6)/ta n( t); prin tf("xh=x5+x6=%5.3f\n ”,xh);for(j=0;j<10;j++) { x5=Xmi n5+0.04*j; x6=xh-x5;if(x6<Xmi n6)break;cgm=x5+x6_y;ha5=m*(hax+x5-cgm); ha6=m*(hax+x6-cgm);hf5=(hax+cx-x5)*m; hf6=(hax+cx-x6)*m;(mm)\n",db5,db6);(mm)\n\n ",Xmi n5);(mm)\n\n ”,Xmida5=d5+2*ha5;da6=d6+2*ha6;df5=d5-2*hf5;df6=d6-2*hf6;S5=0.5*pi*m+2*x5*m*ta n( t);S6=0.5*pi*m+2*x6*m*ta n( t);Sb5=S5*db5/d5-db5*(ta n(acos(db5/db5))-acos(db5/db5)-(ta n( t)-t));Sb6=S6*db6/d6-db6*(ta n(acos(db6/db6))-acos(db6/db6)-(ta n( t)-t));Sa5=S5*da5/d5-da5*(ta n(acos(db5/da5))-acos(db5/da5)-(ta n( t)-t));Sa6=S6*db6/d6-da6*(ta n(acos(db6/da6))-acos(db6/da6)-(ta n( t)-t));o5=ta n( acos(db5/di5))-acos(db5/di5);o6=ta n(acos(db6/di6))-acos(db6/di6);e=(z5*(ta n(acos(db5/da5))-ta n( ti))+z6*(ta n( acos(db6/da6))-ta n(ti)))/(2*pi);if((S5>cx*m)&&(S6>cx*m)&&(Sb5>cx*m) &&(Sb6>cx*m)&&(Sa5>cx*m)&&(Sa6>cx*m)&&(e>1.2)){ printf("a=%d \n ",a);prin tf("ai=%d (mm)\n",ai);prin tf("ti=%4.3f (rad)\n",ti);prin tf("\n cdb=%5.3f \n",cdb);prin tf("y=%5.3lf \n ",y):xh=x5+x6=0.171 a=129 ai=130 (mm) ti=0.369 (rad)cdb=2.909 y=0.167 d5=66.000,d6=192.000 (mm)db5=62.024,db6=180.433 (mm) di5=66.512,di6=193.488 (mm) p=18.840,p1=18.986,pb=17.705 x5=0.353,x6=-0.182 (mm) cgm=0.005 ha5=8.089,ha6=4.882 (mm)hf5=5.382,hf6=8.589 (mm) da5=82.178,da6=201.765 (mm) df5=55.235,df6=174.822 (mm) S5=10.961,S6=8.628 (mm) Sb5=11.223,Sb6=10.793 (mm) Sa5=2.243,Sa6=3.758 (mm) o5=0.01778,o6=0.01778 (rad) e=1.421 a=129 ai=130 (mm) ti=0.369 (rad)cdb=2.909 y=0.167 d5=66.000,d6=192.000 (mm)db5=62.024,db6=180.433 (mm) di5=66.512,di6=193.488 (mm) p=18.840,p1=18.986,pb=17.705 x5=0.393,x6=-0.222 (mm) cgm=0.005 ha5=8.329,ha6=4.642 (mm)hf5=5.142,hf6=8.829 (mm) da5=82.658,da6=201.285 (mm) df5=55.715,df6=174.342 (mm) S5=11.135,S6=8.453 (mm) Sb5=11.387,Sb6=10.629 (mm) Sa5=2.053,Sa6=3.843 (mm) o5=0.01778,o6=0.01778 (rad) e=1.411 a=129ai=130 (mm) ti=0.369 (rad)cdb=2.909y=0.167d5=66.000,d6=192.000 (mm) db5=62.024,db6=180.433 (mm) di5=66.512,di6=193.488 (mm)p=18.840,p1=18.986,pb=17.705 x5=0.433,x6=-0.262 (mm)cgm=0.005 ha5=8.569,ha6=4.402 (mm) hf5=4.902,hf6=9.069 (mm) da5=83.138,da6=200.805 (mm) df5=56.195,df6=173.862 (mm) S5=11.310,S6=8.278 (mm) Sb5=11.551,Sb6=10.465 (mm) Sa5=1.858,Sa6=3.924 (mm) o5=0.01778,o6=0.01778 (rad) e=1.401a=129ai=130 (mm)ti=0.369 (rad)cdb=2.909y=0.167d5=66.000,d6=192.000 (mm) db5=62.024,db6=180.433 (mm) di5=66.512,di6=193.488 (mm)p=18.840,p1=18.986,pb=17.705 x5=0.473,x6=-0.302 (mm)cgm=0.005ha5=8.809,ha6=4.162 (mm) hf5=4.662,hf6=9.309 (mm) da5=83.618,da6=200.325 (mm)df5=56.675,df6=173.382 (mm)S5=11.485,S6=8.104 (mm)Sb5=11.716,Sb6=10.301 (mm)Sa5=1.658,Sa6=4.002 (mm) o5=0.01778,o6=0.01778 (rad) e=1.3905 •设计总结6 •参考文献1.《机械原理》孙陈作模,高等教育出版社,1995.8 桓、。